Skip to Content

306 Results Found

  • Article
  • Open Access
6 Citations
2,594 Views
19 Pages

26 May 2022

When the interior permanent magnet synchronous motor (IPMSM) is running, there are abundant harmonics in the stator current. In order to achieve the suppression of current harmonics, the current harmonic extraction method and current harmonic control...

  • Article
  • Open Access
4 Citations
3,249 Views
14 Pages

In order to solve the problem that the three-phase current of the interior permanent magnet synchronous motor (IPMSM) contains the 11th and 13th current harmonics, a multiple synchronous rotating frame transformation (MSRFT)-based current harmonic su...

  • Article
  • Open Access
5 Citations
2,450 Views
15 Pages

16 June 2022

Among the existing harmonic current suppression methods, it is difficult and complicated to suppress any nth harmonic current accurately for multi-phase permanent magnet synchronous motors (PMSMs). To solve this problem, this paper takes a five-phase...

  • Article
  • Open Access
3 Citations
3,233 Views
18 Pages

Current Harmonic Suppression Algorithm for Asymmetric Dual Three-Phase PMSM

  • Zhihong Wu,
  • Weisong Gu,
  • Ke Lu,
  • Yuan Zhu and
  • Jianbin Guan

2 February 2020

Based on the vector space decomposition (VSD) transformation, the currents of an asymmetric dual three-phase permanent magnet synchronous motor (ADT-PMSM) with isolated neutral points are decoupled into the torque, producing α-ß component...

  • Article
  • Open Access
1,119 Views
21 Pages

9 June 2025

Electric helicopters represent a pivotal component in the advancement of urban air mobility (UAM), with considerable potential for future development. The electric propulsion system (EPS) is the core component of these systems. However, the inherent...

  • Article
  • Open Access
7 Citations
2,462 Views
22 Pages

9 March 2025

The impedance of the harmonic plane in a dual three-phase permanent magnet synchronous motor (DTP-PMSM) is very low, meaning that even small harmonic voltages can induce significant harmonic currents, particularly at the fifth and seventh harmonic fr...

  • Article
  • Open Access
318 Views
25 Pages

Harmonic Suppression and Circulating Current Mitigation in Parallel Active Power Filters Using Dual-Comparison One-Cycle Control

  • Shuang Rong,
  • Bowen Gu,
  • Fangang Meng,
  • Jiapeng Cui,
  • Zexin Mu,
  • Xueting Lei,
  • Jianan Guan,
  • Kailai Ye,
  • Pengju Zhang and
  • Shengren Yong

12 December 2025

This paper presents a novel approach to reduce harmonic distortion and mitigate zero-sequence circulating current (ZSCC) in parallel active power filters (APFs). By employing Dual-Comparison One-Cycle Control (DC-OCC), this method effectively reduces...

  • Article
  • Open Access
7 Citations
3,044 Views
20 Pages

13 October 2022

The commutation failure of high voltage direct current (HVDC) systems could lead to unstable operation of the alternating current/direct current (AC/DC) hybrid power grid. The commutation voltage distortion caused by harmonics is a considerable but u...

  • Article
  • Open Access
1 Citations
1,887 Views
16 Pages

8 November 2024

Driven by frequency conversion, the windings of a three-phase permanent magnet synchronous motor (PMSM) contain both odd and even harmonic currents. Due to the motor’s pole–slot conductance modulation, the interaction between the magnetic...

  • Article
  • Open Access
2 Citations
2,328 Views
21 Pages

Suppression of Harmonic Current in Magnetic Bearing–Rotor System with Redundant Structure

  • Baixin Cheng,
  • Xin Cheng,
  • Shao Song,
  • Rougang Zhou and
  • Shuai Deng

20 April 2022

The magnetic bearing–rotor system has the advantages of no mechanical friction and active vibration control. A magnetic bearing with redundant structures provides an effective method to apply fault-tolerant control to the magnetic bearing&ndash...

  • Article
  • Open Access
1 Citations
1,631 Views
17 Pages

Improved Performance of Low-Frequency Harmonic Current Suppression Based on Hybrid Active Power Filter

  • Xianshun Shen,
  • Jun Tao,
  • Yanan Wu,
  • Tianbai Deng,
  • Qianlong Zhu and
  • Feixiang Peng

29 July 2024

The hybrid active power filter (HAPF) can effectively suppress the 75–125 Hz low-frequency harmonic current generated by the EAST poloidal field power supply. However, the low-frequency harmonic current suppression performance of HAPF is greatl...

  • Article
  • Open Access
1 Citations
1,382 Views
17 Pages

20 February 2025

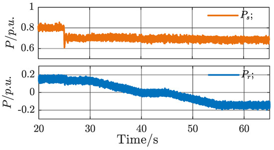
A grid-forming converter (GFM) controls power output by adjusting the phase angle and amplitude of its output voltage, providing voltage and frequency support to the power system and effectively enhancing system stability. However, it has limitations...

  • Article
  • Open Access
1 Citations
462 Views
23 Pages

22 November 2025

Current harmonics in six-phase permanent magnet synchronous motors (PMSMs) arise from inherent asymmetries caused by manufacturing tolerances and nonlinear characteristics in the inverter output. Additionally, magnetic saturation and slight imbalance...

  • Article
  • Open Access
4 Citations
3,531 Views
17 Pages

12 November 2022

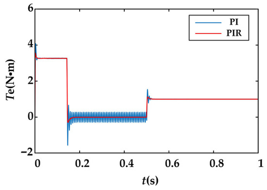
Compared to the proportional-integral strategy, the repetitive control strategy possesses high suppression ability for the alternating current (AC) harmonics of control signals. Thus, RC controllers are widely used in closed-loop control systems to s...

  • Article
  • Open Access
8 Citations
2,857 Views
26 Pages

Harmonic Resonance Analysis and Impedance Remodeling Method of Multi-Inverter Grid-Connected System

  • Min Zhang,
  • Jinhao Wang,
  • Shifeng Zhang,
  • Le Gao,
  • Xiangyu Guo,
  • Lin Chen and
  • Yonghai Xu

31 August 2023

The harmonic and resonant characteristics of a multi-inverter grid-connected system can negatively affect power quality when weak grid conditions are present. In this paper, firstly, harmonic currents are modeled for the inverter, the correctness of...

  • Article
  • Open Access
2 Citations
2,063 Views
13 Pages

30 September 2022

Due to the influence of nonlinear loads, power quality control devices under the traditional double closed-loop control strategy suffer from a large output voltage harmonic distortion rate and a slow harmonic suppression response and cannot meet the...

  • Article
  • Open Access
7 Citations
4,408 Views
29 Pages

4 November 2022

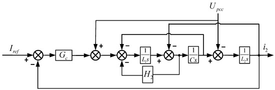
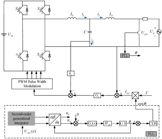
The conventional inverter-side current single-loop feedback control scheme is weak in suppressing the grid-side current harmonics, posing a challenge for an inverter to inject high-quality current under distorted grid voltage. With capacitor current...

  • Article
  • Open Access
4 Citations
3,237 Views
26 Pages

An FTC Design via Multiple SOGIs with Suppression of Harmonic Disturbances for Five-Phase PMSG-Based Tidal Current Applications

  • Zhuo Liu,
  • Tianhao Tang,
  • Azeddine Houari,
  • Mohamed Machmoum and
  • Mohamed Fouad Benkhoris

This paper firstly adopts a fault accommodation structure, a five-phase permanent magnet synchronous generator (PMSG) with trapezoidal back-electromagnetic forces, in order to enhance the fault tolerance of tidal current energy conversion systems. Me...

  • Article
  • Open Access
16 Citations
5,459 Views
24 Pages

23 September 2018

Permanent magnet synchronous motors (PMSMs) with inverters are widely used in electric vehicles (EVs). However, current harmonics caused by the nonlinearity of the inverter generate torque ripples and give rise to torsional vibration in the vehicle d...

  • Article
  • Open Access
1 Citations
958 Views
18 Pages

Analysis of MMC Circulation Phase Sequence Separation and Research on Flexible Sliding Mode Circulation Suppression Method

  • Chuyan Kang,
  • Sijia Huo,
  • Yingbo Yue,
  • Haoyang Cui,
  • Cheng Yang,
  • Rongqiang Feng,
  • Weibang Li and
  • Xin He

17 February 2025

Modular multilevel converter (MMC) circulating current suppression is an effective method in improving power conversion quality. However, due to the complex composition of circulation under a three-phase imbalanced state, as well as the limitations o...

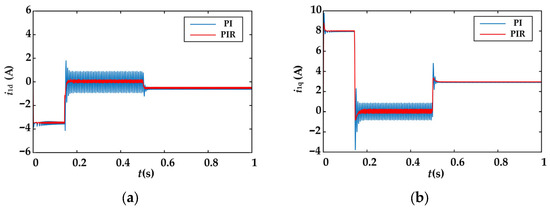
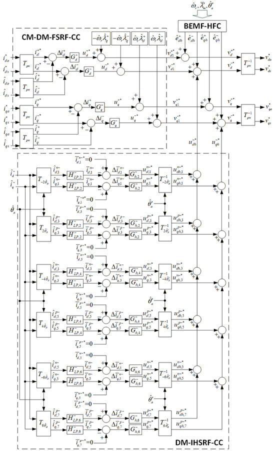
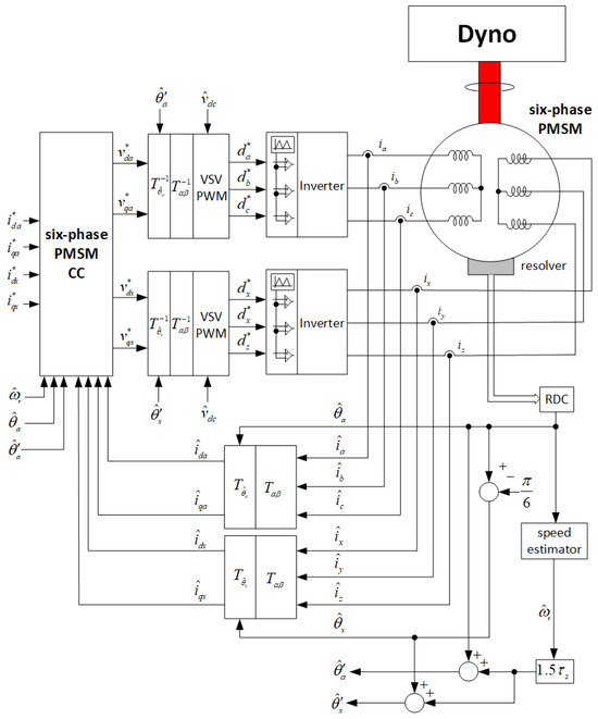
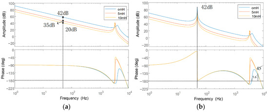
  • Article
  • Open Access
1 Citations
1,607 Views
14 Pages

31 January 2025

This paper proposes a current harmonic suppression strategy that combines harmonic synchronous rotating frame (HSRF) current feedback control and back-electromotive force harmonic (BEMFH) feedforward compensation to suppress the fifth and seventh cur...

  • Article
  • Open Access
588 Views
15 Pages

30 October 2025

Aiming at the significant challenges faced by active power filters (APFs) in suppressing low-order harmonic currents (such as second and fourth), this paper proposes a rarefaction suppression method based on quasi-proportional resonance (QPR) control...

  • Article
  • Open Access
5 Citations
3,994 Views
20 Pages

16 August 2024

The output voltage of inverters is influenced by nonlinear factors such as dead time and voltage drops, injecting low-order harmonics. This results in fifth and seventh harmonic distortions in the stator current, causing periodic torque ripples and s...

  • Article
  • Open Access
15 Citations
2,762 Views
12 Pages

19 November 2020

The reported research aims at improving the quality of three-phase rectifier supply currents. An effective method consists of adding properly formed booster voltages to the fundamental supply voltages using a series active filter. In the proposed sol...

  • Article
  • Open Access
3 Citations
1,580 Views
15 Pages

To address the control performance and harmonic suppression issues in maritime vessel rudder permanent magnet servo systems, a fractional-order PID controller was introduced into the existing improved repetitive control strategy. We used the Oustalou...

  • Article
  • Open Access
14 Citations
4,064 Views
18 Pages

2 May 2021

This paper presents a method that has been developed to reduce the torque ripples under healthy and open-circuit fault-tolerant (OCFT) conditions for a multiphase permanent magnet (PM) machine. For smooth torque, both the phase current and the back e...

  • Article
  • Open Access
7 Citations
3,491 Views
20 Pages

14 October 2023

The voltage inverters have the high-frequency switching characteristic, which will generate massive high-frequency harmonics in the motors. Especially, the inductance of the high-speed permanent magnet synchronous motor (HPMSM) is designed to be smal...

  • Article
  • Open Access
1 Citations
1,244 Views
14 Pages

19 September 2024

For an electric locomotive traction motor, it is necessary to maintain relatively low vibration and noise due to the higher design standards. By using effective motor control strategies and implementing current harmonic suppression schemes, motor eff...

  • Article
  • Open Access
330 Views
18 Pages

27 January 2026

In permanent magnet synchronous motor (PMSM) drive systems, the nonlinearity of the inverter and non-sinusoidal nature of back EMF generate harmonics in the stator current, resulting in torque ripple and reduced motor efficiency. Although the proport...

  • Article
  • Open Access
1 Citations
1,791 Views
19 Pages

Torque Ripple Suppression Strategy Based on Online Identification of Flux Linkage Harmonics

  • Xin Gu,
  • Bingzhi Zhang,
  • Zhiqiang Wang,
  • Xuefeng Jin,
  • Guozheng Zhang and
  • Zhichen Lin

Permanent magnet flux harmonics in Permanent Magnet Synchronous Motors (PMSMs) can cause torque ripple. Traditional torque ripple suppression methods based on analytical models are highly dependent on the accuracy of motor parameters, while existing...

  • Article
  • Open Access
448 Views
19 Pages

19 December 2025

To address the torque ripple and speed fluctuation issues in high-frequency square-wave injection-based sensorless control of interior permanent magnet synchronous motors (IPMSM) caused by low-order stator current harmonics (primarily the fifth and s...

  • Article
  • Open Access
1 Citations
2,088 Views
19 Pages

31 August 2022

Dual three–phase synchronous reluctance motors (DTP–SynRM) have the advantages of simple structure, high power density, fast dynamic response, and small torque ripple, and have broad application prospects in flywheel batteries. However, t...

  • Article
  • Open Access
346 Views
19 Pages

Triple-Passive Harmonic Suppression Method for Delta-Connected Rectifier to Reduce the Harmonic Content on the Grid Side

  • Shuang Rong,
  • Xueting Lei,
  • Fangang Meng,
  • Bowen Gu,
  • Zexin Mu,
  • Jiapeng Cui,
  • Kailai Ye,
  • Shengren Yong,
  • Pengju Zhang and
  • Jianan Guan

18 December 2025

With the development of distributed energy sources such as photovoltaic and wind power, power grids have imposed increasingly higher requirements on power quality. As common nonlinear loads in power grids, multi-pulse rectifiers (MPRs) inject signifi...

  • Article
  • Open Access
3 Citations
2,764 Views
12 Pages

A New Control Strategy for Active Power Filter

  • Hong Shen,
  • Fan Yang,
  • Ahmed Abu-Siada and
  • Zhao Liu

27 October 2019

The significant increase in electronic devices has resulted in serious harmonic pollutions in electricity grids. In addition, due to the resonance of the system capacitance and inductance, the harmonic current may be amplified dramatically when it go...

  • Article
  • Open Access
8 Citations
3,008 Views
25 Pages

29 June 2022

Aiming at the serious harmonic pollution and the low power factor in the distribution network of industrial enterprises, this paper develops an integrated method for harmonic suppression and reactive power compensation suitable for the distribution n...

  • Article
  • Open Access
6 Citations
2,406 Views
19 Pages

28 July 2023

Electrical machines generate unwanted flux and current harmonics. Harmonics can be suppressed using various methods. In this paper, the harmonics are significantly reduced using Iterative Learning Control (ILC) and Neural Networks (NNs). The ILC can...

  • Article
  • Open Access
7 Citations
3,966 Views
15 Pages

19 December 2019

For improving the performance of a doubly fed induction generator (DFIG) system under a harmonically distorted grid, this paper proposes a coordinated control strategy which is effective for grid inter-harmonics as well as grid integer harmonics. In...

  • Article
  • Open Access
6 Citations
9,198 Views
17 Pages

5 March 2014

In this paper, aiming at the energy loss and harmonic problems in the conventional power accumulator battery pack testing system (PABPTS), an improved multi-functional energy recovery PABPTS (ERPABPTS) for electric vehicles (EVs) was proposed. The im...

  • Article
  • Open Access
1 Citations
2,290 Views
20 Pages

In recent years, modular multilevel converters (MMCs) have been increasingly used in the field of electric vehicle charging and discharging due to their unique performance advantages. However, the unique cascade structure of MMCs raises the problem o...

  • Article
  • Open Access
4 Citations
2,747 Views
18 Pages

A Novel Suppression Method for Low-Order Harmonics Causing Resonance of Induction Motor

  • Pengyun Song,
  • Yanghui Liu,
  • Tao Liu,
  • Huazhang Wang and
  • Liwei Wang

13 December 2022

In the motor drive system of electric vehicles, there are some nonlinear factors, such as the deadtime and the conduction voltage drop of switching devices, which will generate low-order harmonics of the stator current and the torque ripple. The freq...

  • Article
  • Open Access
9 Citations
2,265 Views
17 Pages

13 October 2022

For the multiphase motor drive system, current harmonic components in stator windings and the common-mode voltage are the main factors affecting the control performance. In this paper, a novel model predictive torque control (MPTC) considering both h...

  • Article
  • Open Access
3 Citations
3,955 Views
15 Pages

This paper presents a current suppression method based on a droop control strategy under distorted grid voltage with inter-harmonics and fundamental frequency fluctuation. In this proposed strategy, the current incomplete derivation controller is emp...

  • Article
  • Open Access
1 Citations
1,590 Views
16 Pages

An Improved Series 36-Pulse Rectifier Based on Dual Passive Pulse-Doubling Circuit on the System DC Side

  • Xiuqing Mu,
  • Xiaoqiang Chen,
  • Chungui Ma,
  • Ying Wang,
  • Tun Bai,
  • Leijiao Ge and
  • Xiping Ma

14 August 2024

The series-type 12-pulse rectifier generates a large amount of harmonics in the AC side current due to the strong nonlinearity of its rectifying diodes, causing serious harmonic pollution to the power grid. This article proposes a series 36-pulse rec...

  • Article
  • Open Access
2 Citations
2,729 Views
15 Pages

9 May 2022

Switched Reluctance Motors (SRMs) have emerged as a viable competitor to other established electrical machines. Although SRMs have many advantages, such as a rare earth free nature, simple structure, high fault tolerance capability and low cost, vibr...

  • Article
  • Open Access
28 Citations
5,275 Views
19 Pages

7 May 2020

This article presents a method for selecting the elements of a C-type filter working with a conventional LC-type filter for compensating reactive power and filtering out higher harmonics generated by arc furnaces and ladle furnaces. The study was con...

  • Feature Paper
  • Article
  • Open Access
3 Citations
2,987 Views
27 Pages

Power Quality Improvement with a Pulse Width Modulation Control Method in Modular Multilevel Converters under Varying Nonlinear Loads

  • Majid Mehrasa,
  • Radu Godina,
  • Edris Pouresmaeil,
  • Eduardo M. G. Rodrigues and
  • João P. S. Catalão

9 May 2020

In order to reach better results for pulse width modulation (PWM)-based methods, the reference waveforms known as control laws have to be achieved with good accuracy. In this paper, three control laws are created by considering the harmonic component...

  • Article
  • Open Access
9 Citations
3,702 Views
16 Pages

Research on Harmonic Current Amplification Effect of Parallel APF Compensating Voltage Source Nonlinear Load

  • Xueliang Wei,
  • Cunzhong Li,
  • Mingxuan Qi,
  • Bingyang Luo,
  • Xiangtian Deng and
  • Guorong Zhu

9 August 2019

A parallel active power filter (APF) is generally used to suppress dynamic harmonic current and compensate reactive power in the grid. However, parallel APF may have a negative effect on the load current when compensating the nonlinear load of a volt...

  • Feature Paper
  • Article
  • Open Access
10 Citations
4,814 Views
21 Pages

16 September 2019

This paper introduces an improved current control strategy for a grid-connected inverter system operating under distorted grid voltage conditions. Although existing current controllers for grid-connected inverters have proportional integral gains wit...

  • Article
  • Open Access
4 Citations
1,522 Views
19 Pages

18 November 2024

Three-phase four-switch active power filters (APFs) have attracted attention due to their low amount of semiconductors and low cost. The traditional control strategy of three-phase four-switch APFs usually includes phase-locked loops (PLLs) and rotat...

  • Article
  • Open Access
31 Citations
7,858 Views
22 Pages

31 August 2015

Harmonic vibrations of high-speed rotors in momentum exchange devices are primary disturbances for attitude control of spacecraft. Active magnetic bearings (AMBs), offering the ability to control the AMB-rotor dynamic behaviors, are preferred in high...

of 7