Selection of C-Type Filters for Reactive Power Compensation and Filtration of Higher Harmonics Injected into the Transmission System by Arc Furnaces
Abstract
1. Introduction
2. Specification of the Transmission System
3. Theoretical Analysis
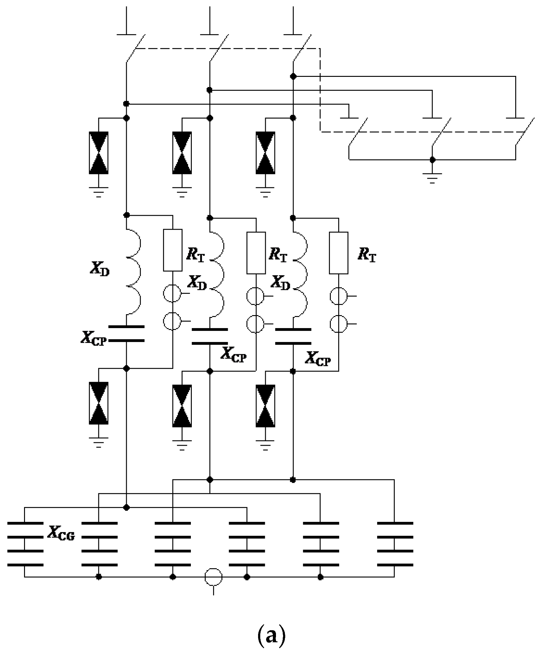
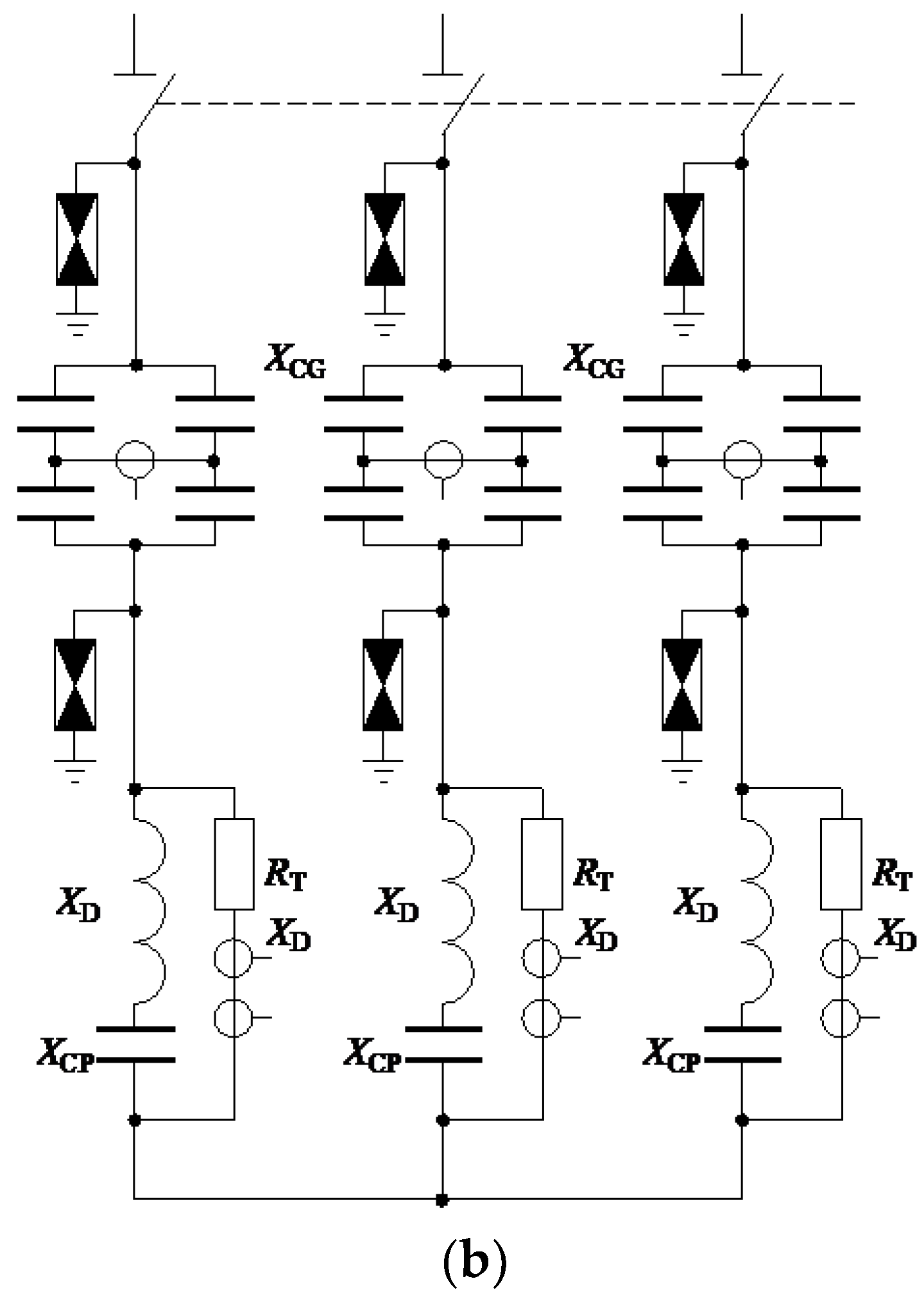
3.1. Selection of an LC-Type Filter
3.2. Selection of a C-Type Filter
- filter out higher harmonic currents and reduce higher harmonics voltages;
- compensate the reactive power of the first harmonic in view of the manufacturing tolerance and aging of components R, L, and C [50];
- reduce overvoltage in a system with a C-type filter.
4. Simulation
- for the periodic component of fault current (50 Hz), the reactance of the auxiliary bank with a resonant choke has practically zero value, which implies that the periodic component will flow through the auxiliary bank with the same magnitude that is noted during busbar overvoltage;
- the flow of high fault current through the auxiliary bank causes very high voltage losses in different elements of the system (XD, XCP); in the analyzed steel mill, overvoltage will exceed 300 kV.
- first harmonic in a 50 Hz system to protect the auxiliary bank;
- all harmonics to protect the damping resistor.
5. Validating a Designed Filter in a Real-World System
6. Conclusions
- The effectiveness of a passive LC-type filter is strongly influenced by the degree to which the order of self-resonant frequency departs from the order of the filtered harmonic and from the order of the harmonic. Lower-order harmonics (third, fourth, and fifth) are significantly more influenced than the higher-order harmonics. In higher-order harmonics, the effectiveness of an LC-type filter will be reduced by only 10% when the value of nr decreases from 11 to 10. Therefore, a single filter can be used to eliminate two harmonics. For example, a filter with nr = 10.5 will suppress the 11th harmonic by around 95% and the 13th harmonic by 90% (Figure 3).
- A filter’s effectiveness is also influenced by choke resistance. However, this parameter has a negligent effect on filters where the order of self-resonant frequency considerably departs from the filtered harmonic. The protective choke influences a filter’s effectiveness when the value of nr approximates or exceeds the filtered harmonic, which could lead to parallel resonance (nr = 2.9–3.3 in Figure 4).
- The option of installing other higher-order filters in the system must be taken into account in the process of selecting the resistance RT of a damping resistor in a C-type filter. In a system equipped with a C-type filter only, the minimum resistance of the damping resistor is 100 Ω. In a system equipped with a C-type filter and a third-order LC-type filter, the minimum resistance of the damping resistor is 236 Ω (Figure 6a). The minimum resistance of the damping resistor increases to 298 Ω when a fourth-order LC-type filter is installed in the system (Figure 6b). In this study, the resistance of the damping resistor was set at RT = 300 Ω.
- The true power generated by a damping resistor peaks at 40 kW for the second harmonic when resistance approximates 80 Ω. The true power generated by the resistor and the transmission system decreases at higher resistance values (Figure 7).
- The activation of C-type and LC-type filters increased the RMS value of the second harmonic current injected into the transmission system by 10.8% when one transformer was used and by 7.2% when two transformers were used (Figure 10b), which increased the RMS value of higher harmonic voltage on the 110 kV busbars (Figure 10a and Figure 11a) by 10.1% when one transformer was used and by 7.1% when two transformers were used.
- The absence of a C-type filter for compensating second harmonic generation and the activation of only one LC-type filter for compensating third and higher harmonic generation increased the RMS value of second harmonic current injected into the transmission system by 62% (Figure 10a). The absence of a second harmonic filter increased the RMS value of second harmonic voltage by 68% (Figure 10a and Figure 11a), which indicates that a C-type filter should be used for compensating harmonic generation in arc furnaces.
- The increase in equivalent impedance between an arc furnace and a measuring point resulting from a reduction in the number of transformers (from two to one) decreased the RMS value of second harmonic current injected into the transmission system by 7.1% when the capacitor bank was turned off and by 3.4% when the capacitor bank was turned on (Figure 10b). The above decreased the RMS value of second harmonic voltage by 7.6% when the capacitor bank was turned off and by 4.6% when the capacitor bank was turned on (Figure 10a).
- The activation of higher harmonic filters decreased the RMS value of third harmonic current by 94% when one transformer was used and by 53% when two transformers were used (Figure 10d). The RMS value of higher harmonic voltage on 110 kV busbars decreased by 88% and 52%, respectively (Figure 10c and Figure 11b).
- A single transformer should be used instead of two parallel transformers with similar power. The above solution increases impedance on the 110 kV side and decreases the RMS value of the third harmonic injected into the transmission system by 8.8% when the capacitor bank is turned off and by 28% when the capacitor bank is activated (Figure 10d). Lower generation of third harmonic current decreases the RMS value of third harmonic voltage on 110 kV busbars by 9.1% and 27%, respectively (Figure 10c).
- The application of a C-type filter only for the second harmonic decreases the RMS value of the third harmonic current injected into the transmission system by 43.8% and decreases the RMS value of third harmonic voltage by 44% on 110 kV busbars.
- When the second and third harmonic filter is replaced with the third harmonic filter only, the RMS values of the second and third harmonic currents and voltages are decreased, which results from a drop in the equivalent impedance of the filters for harmonics higher than the third harmonic (Figure 10e–h).
Author Contributions
Funding
Conflicts of Interest
Abbreviation
| RSn | transmission system resistance (phase): in Ω |
| XSn | transmission system reactance (phase) for the nth harmonic, in Ω |
| XCG | reactance (phase) of the main capacitor bank for the first harmonic, in Ω |
| XCP | reactance (phase) of the auxiliary capacitor bank for the first harmonic, in Ω |
| XDO | choke reactance (phase) for the first harmonic, in Ω |
| In | nth harmonic current, in A |
| RDO | choke resistance (phase) for the first harmonic, in Ω |
| RT | resistance (phase) of the damping resistor for the first harmonic, in Ω |
| Rf p | resistance (phase) of the pth LC-type filter for the nth harmonic, in Ω |
| Xfn p | reactance (phase) of the pth LC-type filter for the nth harmonic, in Ω |
| Rzas n (1,p+1) | equivalent resistance (phase) of the first to the pth LC-type filter for the nth harmonic, in Ω |
| Xzas n (1,p+1) | equivalent reactance (phase) of the first to the pth LC-type filter for the nth harmonic, in Ω |
| RLC n | equivalent resistance of all LC-type filters (phase) for the nth harmonic, in Ω |
| XLC n | equivalent reactance all LC-type filters (phase) for the nth harmonic, in Ω |
| RC n | equivalent resistance of a C-type filter (phase) for the nth harmonic, in Ω |
| XC n | equivalent reactance of a C-type filter (phase) for the nth harmonic, in Ω |
| Rzas | equivalent resistance of all filters (phase) for the nth harmonic, in Ω |
| Xzas | equivalent reactance of all filters (phase) for the nth harmonic, in Ω |
| QCr | actual reactive power supplied to the system, in VAr |
| n | harmonic distortions in the transmission system |
| U″nf | phase voltage of the nth harmonic before compensation, in V |
| U″nmf | interphase voltage of the nth harmonic before compensation, in V |
| U′nf | phase voltage of the nth harmonic after compensation with k capacitor units in V |
| U′nmf | interphase voltage of the nth harmonic after compensation with k capacitor banks, in V |
| UnW | required phase voltage of the nth harmonic after compensation, in V |
| UNS | RMS value of interphase voltage of the first harmonic, in V |
| QDO | choke QDO-factor |
| nr | self-resonant frequency of the choke-capacitor bank |
| s | maximum number of LC-type higher harmonic filters |
| m | successive LC-type higher harmonic filter |
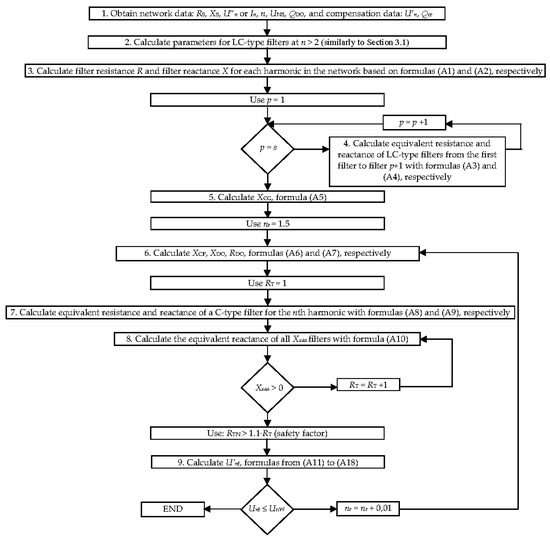
Appendix A
References
- Alcalá, J.; Cárdenas, V.; Aganza, A.; Gudiño-Lau, J.; Charre, S. The Performance of the BTB-VSC for Active Power Balancing, Reactive Power Compensation and Current Harmonic Filtering in the Interconnected Systems. Energies 2020, 13, 831. [Google Scholar] [CrossRef]
- Ivry, P.M.; Oke, O.A.; Thomas, D.W.P.; Sumner, M. Predicting Harmonic Distortion of Multiple Converters in a Power System. J. Electr. Comput. Eng. 2017, 2017, 7621413. [Google Scholar] [CrossRef]
- Lange, A.; Pasko, M. Reducing energy consumption in production processes and parameters describing the quality of electrical energy. Przegląd Elektrotech. 2020, 96, 17–20. [Google Scholar] [CrossRef]
- Lange, A.; Pasko, M. The impact of the work of modern welding equipment on quality and energy consumption. Przegląd Elektrotech. 2017, 93, 152–155. [Google Scholar]
- Czapp, S.; Borowski, K. Immunity of residual current devices to the impulse leakage current in circuits with variable speed drives. Elektron. Ir Elektrotech. 2013, 19, 15–18. [Google Scholar] [CrossRef]
- Czapp, S.; Dobrzyński, K.; Klucznik, J.; Lubośny, Z.; Kowalak, R. Improving sensitivity of residual current transformers to high frequency earth fault currents. Arch. Electr. Eng. 2017, 66, 485–494. [Google Scholar] [CrossRef]
- Czapp, S.; Guzinski, J. Electric shock hazard in circuits with variable-speed drives. Bull. Pol. Acad. Sci. Tech. Sci. 2018, 66, 361–372. [Google Scholar]
- Redlarski, G. Predicting the phase difference in the parallel connection of electrical engineering systems. Przegląd Elektrotech. 2012, 88, 260–262. [Google Scholar]
- Żak, A.; Krawczuk, M.; Redlarski, G.; Doliński, Ł.; Koziel, S. A three-dimensional periodic beam for vibroacoustic isolation purposes. Mech. Syst. Signal Process. 2019, 130, 524–544. [Google Scholar] [CrossRef]
- Deilami, S.; Muyeen, S.M. An Insight into Practical Solutions for Electric Vehicle Charging in Smart Grid. Energies 2020, 13, 1545. [Google Scholar] [CrossRef]
- Jaworski, J.; Redlarski, G. A compartment model of alveolar–capillary oxygen diffusion with ventilation–perfusion gradient and dynamics of air transport through the respiratory tract. Comput. Biol. Med. 2014, 51, 159–170. [Google Scholar] [CrossRef] [PubMed]
- Palkowski, A.; Redlarski, G. Basic Hand Gestures Classification Based on Surface Electromyography. Comput. Math. Methods Med. 2016, 2016, 6481282. [Google Scholar] [CrossRef] [PubMed]
- Chang, G.W.; Chu, S.Y.; Wang, H.L. A new method of passive harmonic filter planning for controlling voltage distortion in a power system. IEEE Trans. Power Deliv. 2006, 21, 305–312. [Google Scholar] [CrossRef]
- Gała, M.; Jagieła, K.; Guła, R. The influence of the induction furnaces operation on the voltage distortion in low voltage network. Przegląd Elektrotech. 2006, 82, 127–129. [Google Scholar]
- Jagieła, K.; Gała, M. Electrical Power Engineering Parameters for Characterizing the Work of the Electric Arc Furnace for Melting Scrap Steel. In Proceedings of the XII International Conference on Science and Technology Production and management in metallurgy, Ustroń Jaszowiec, Poland, 5–7 July 2004; pp. 109–112. [Google Scholar]
- Kuśmierek, Z. Harmonics in the Power Systems. Przegląd Elektrotech. 2006, 82, 8–19. [Google Scholar]
- Pasko, M.; Lange, A. Influence of arc and induction furnaces on the electric energy quality and possibilities of its improvement. Przegląd Elektrotech. 2009, 85, 67–74. [Google Scholar]
- Wciślik, M. Characteristics of the symmetrical circuit of arc furnace in steady state during the melting. Przegląd Elektrotech. 2011, 87, 68–71. [Google Scholar]
- Lange, A.; Pasko, M. Compensation of the reactive power and filtration of high harmonics by means of passive LC filters. Przegląd Elektrotech. 2010, 86, 126–129. [Google Scholar]
- Benysek, G.; Pasko, M. Power Theories for Improved Power Quality. In Book Power Systems; Springer: London, UK, 2012; pp. 1–214. [Google Scholar]
- Abdel Aleem, S.H.E.; Zobaa, A.F.; Abdel Aziz, M.M. Optimal C-Type Passive Filter Based on Minimization of the Voltage Harmonic Distortion for Nonlinear Loads. IEEE Trans. Ind. Electron. 2012, 59, 281–289. [Google Scholar] [CrossRef]
- Zobaa, A.F. Voltage Harmonic Reduction for Randomly Time-Varying Source Characteristics and Voltage Harmonics. IEEE Trans. Power Deliv. 2006, 21, 816–822. [Google Scholar] [CrossRef]
- Limongi, L.R.; Bradaschia, F.; de Oliveira Lima, C.H.; Cavalcanti, M.C. Reactive Power and Current Harmonic Control Using a Dual Hybrid Power Filter for Unbalanced Non-Linear Loads. Energies 2018, 11, 1392. [Google Scholar] [CrossRef]
- Kececioglu, O.F.; Acikgoz, H.; Sekkeli, M. Advanced configuration of hybrid passive filter for reactive power and harmonic compensation. SpringerPlus 2016, 5, 1228. [Google Scholar] [CrossRef] [PubMed]
- Syed Nasir, S.N.; Jamian, J.J.; Mustafa, M.W. Minimizing Harmonic Distortion Impact at Distribution System with Considering Large-Scale EV Load Behaviour Using Modified Lightning Search Algorithm and Pareto-Fuzzy Approach. Complexity 2018, 2018, 6587493. [Google Scholar] [CrossRef]
- Zhao, Z.-Y.; Chen, C.-H.; Bao, S.-X.; Fang, T.-X.; Wang, X.-H. Application of TCR-Type SVC in Power Substation and Electric Arc Furnaces. In Proceedings of the Conference IEEE PES T&D 2010, New Orleans, LA, USA, 19–22 April 2010. [Google Scholar]
- Samet, H.; Parniani, M. Predictive Method for Improving SVC Speed in Electric Arc Furnace Compensation. IEEE Trans. Power Deliv. 2007, 22, 732–734. [Google Scholar] [CrossRef]
- Hamedani Golshan, M.E.; Samet, H. Updating Stochastic Models of Arc Furnace Reactive Power by Genetic Algorithm. In Proceedings of the 14th International Conference on Harmonics and Quality of Power—ICHQP, Bergamo, Italy, 26–29 September 2010. [Google Scholar]
- Zamani, M.A.; Moghaddasian, M.; Joorabian, M.; Seifossadat, S.G.; Yazdani, A. C-Type Filter Design Based on Power-Factor Correction for 12-Pulse HVDC. In Proceedings of the 34th Annual Conference of IEEE Industrial Electronics, Orlando, FL, USA, 10–13 November 2008. [Google Scholar]
- Horton, R.; Dugan, R.; Hallmark, D. Novel Design Methodology for C-Type Harmonic Filter Banks Applied in HV and EHV Networks. In Proceedings of the Conference PES T&D 2012, Orlando, FL, USA, 7–10 May 2012; pp. 1–6. [Google Scholar]
- Zhang, G.; Wang, Y.Y.; Xu, W.; Sitther, E. Characteristic Parameter-Based Detuned C-Type Filter Design. IEEE Power Energy Technol. Syst. J. 2018, 5, 65–72. [Google Scholar] [CrossRef]
- Lamlom, A.; Ahmed Ibrahim, A.; Balci, M.E.; Karadeniz, A.; Abdel Aleem, S.H.E. Optimal Design and Analysis of Anti-Resonance C-Type High-Pass Filters. In Proceedings of the IEEE International Conference on Environment and Electrical Engineering and 2017 IEEE Industrial and Commercial Power Systems Europe (EEEIC/I&CPS Europe), Milan, Italy, 6–9 June 2017. [Google Scholar]
- Habibolahzadeh, M.; Mahdinia Roudsari, H.; Jalilian, A.; Jamali, S. Improved Railway Static Power Conditioner Using C-Type Filter in Scott Co-Phase Traction Power Supply System. In Proceedings of the 10th International Power Electronics, Drive Systems and Technologies Conference (PEDSTC), Shiraz, Iran, 12–14 February 2019. [Google Scholar]
- Wang, Y.; Xu, S.; Xu, W.; Xiao, X.; Wu, J. Comparative Studies on Design Methods for Detuned C-type Filter. IEEE Trans. Power Deliv. 2019, 1. [Google Scholar] [CrossRef]
- Gerçek, C.Ö.; Ermis, M.; Ertas, A.; Köse, K.N.; Ünsar, Ö. Design, Implementation, and Operation of a New C-Type 2nd Harmonic Filter for Electric Arc and Ladle Furnaces. IEEE Trans. Ind. Appl. 2011, 47, 1545–1557. [Google Scholar] [CrossRef]
- International Electrotechnical Commission (IEC). Industrial a.c. Networks Affected by Harmonics—Application of Filters and Shunt Capacitors (IEC 61642: 1997); IEC: Geneva, Switzerland, 1997. [Google Scholar]
- International Electrotechnical Commission (IEC). Shunt Capacitors for a.c. Power Systems Having a Rated Voltage above 1 000 V—Part 1: General (IEC 6081-1:2014); IEC: Geneva, Switzerland, 2014. [Google Scholar]
- International Electrotechnical Commission (IEC). Shunt Power Capacitors of the Self-Healing Type for a.c. Systems Having a Rated Voltage up to and Including 1 000 V—Part 1: General-Performance, Testing and Rating-Safety Requirements-Guide for Installation and Operation (IEC 60831-1:2014); IEC: Geneva, Switzerland, 2014. [Google Scholar]
- Badrzadeh, B.; Smith, K.S.; Wilson, R.C. Designing Passive Harmonic Filters for an Aluminum Smelting Plant. IEEE Trans. Ind. Appl. 2011, 47, 973–983. [Google Scholar] [CrossRef]
- Das, J.C. Passive filters-potentialities and limitations. IEEE Trans. Ind. Appl. 2004, 40, 232–241. [Google Scholar] [CrossRef]
- Mohamed, I.F.; Abdel Aleem, S.H.; Ibrahim, A.M.; Zobaa, A.F. Optimal Sizing of C-Type Passive Filters under Non-Sinusoidal Conditions. Energy Technol. Policy 2014, 1, 35–44. [Google Scholar] [CrossRef]
- Klempka, R.; Hanzelka, Z.; Yuri Varetsky, Y. Bank Harmonic Filters Operation in Power Supply System–Cases Studies. In Power Quality Issues; InTech Open: London, UK, 2013; Chapter 8; pp. 201–230. [Google Scholar]
- International Electrotechnical Commission (IEC). Voltage Characteristics of Electricity Supplied by Public Distribution Systems (EN 50160:1994); IEC: Geneva, Switzerland, 1994. [Google Scholar]
- Balci, M.E.; Karaoglan, A.D. Optimal Design of C-type Passive Filters Based on Response Surface Methodology for Typical Industrial Power Systems. Electr. Power Compon. Syst. 2013, 41, 653–668. [Google Scholar] [CrossRef]
- Balci, M.E. Optimal C-Type Filter Design to Maximize Transformer’s Loading Capability under Non-Sinusoidal Conditions. Electr. Power Compon. Syst. 2014, 42, 1565–1575. [Google Scholar] [CrossRef]
- Dwyer, R.; Nguyen, H.V.; Ashmore, S.G. C filters for wide-bandwith harmonic attenuation with low losses. IEEE Power Eng. Soc. Winter Meet. Conf. Publ. 2000, 4, 2955–2960. [Google Scholar]
- Klempka, R. A New Method for the C-Type Passive Filter Design. Przegląd Elektrotech. 2012, 88, 277–281. [Google Scholar]
- Kovernikova, L.I. Nguyen Chi Thanh, an Optimization Approach to Calculation of Passive Filter Parameters Based on Particle Swarm Optimization. In Proceedings of the International Conference on Renewable Energies and Power Quality (ICREPQ’12), Santiago de Compostela, Spain, 28–30 March 2012. [Google Scholar]
- Nassif, A.B.; Xu, W.; Freitas, W. An investigation on the selection of filter topologies for passive filter applications. IEEE Trans. Power Deliv. 2009, 24, 1710–1718. [Google Scholar] [CrossRef]
- Lin, K.P.; Lin, M.H.; Lin, T.P. An Advanced Computer Code for Single-Tuned Harmonic Filter Design. IEEE Trans. Ind. Appl. 1998, 34, 640–648. [Google Scholar]












| Type | Parameter | Value |
|---|---|---|
| System | Higher voltage rating UGN | 110 kV |
| Breaking capacity SZ | 1513 MVA | |
| Lower voltage rating UDN | 30 kV | |
| System reactance XS(GN) | 8.7971 Ω | |
| T1 and T2 transformer | Power rating SN | 75 MVA |
| Percentage impedance/percentage short-circuit voltage UZ% | 7.63% | |
| Higher voltage rating UGN | 110 kV | |
| Lower voltage rating UDN | 30 kV | |
| Transformer reactance XT(DN) | 0.7883 Ω | |
| T3 transformer | Power rating SN | 160 MVA |
| Percentage impedance/percentage short-circuit voltage UZ% | 16.49% | |
| Higher voltage rating UGN | 115 kV | |
| Lower voltage rating UDN | 31.5 kV | |
| Transformer reactance XT(DN) | 0.8893 Ω |
| Type | Parameter | Value |
|---|---|---|
| Power transmission system | Network rated voltage UDN | 31.5 kV |
| Resistance of the transmission system RS | 45.78–161.7 mΩ | |
| Reactance of the transmission system XS | 458 mΩ–1.62 Ω | |
| C-type filter | Rated power of the capacitor bank QCN | 33 MVAr |
| Reactive power injected into the transmission system QCr | 20 MVAr/30 kV | |
| Capacitive reactance of the main capacitor bank for the first harmonic XCG | 45 Ω | |
| Capacitive reactance of the auxiliary capacitor bank XCP and choke reactance XDO for the first harmonic | 16.16 Ω | |
| Choke resistance for the first harmonic RDO | 323.2 mΩ | |
| Resistance of the damping resistor RT | 300 Ω | |
| Self-resonant frequency of the filter nr | 1.95 | |
| LC-type filter | Rated power of the capacitor bank QCN | 35 MVAr |
| Rated voltage of the capacitor bank UCN | 42.07 kV | |
| Reactive power injected into the transmission system | 20 MVAr/30 kV | |
| Phase reactance of the main capacitor bank for the first harmonic XC | 50.5 Ω | |
| Phase reactance of the resonant choke for the first harmonic XD | 5.81 Ω | |
| Self-resonant frequency of the filter nr | 2.95 |
© 2020 by the authors. Licensee MDPI, Basel, Switzerland. This article is an open access article distributed under the terms and conditions of the Creative Commons Attribution (CC BY) license (http://creativecommons.org/licenses/by/4.0/).
Share and Cite
Lange, A.G.; Redlarski, G. Selection of C-Type Filters for Reactive Power Compensation and Filtration of Higher Harmonics Injected into the Transmission System by Arc Furnaces. Energies 2020, 13, 2330. https://doi.org/10.3390/en13092330
Lange AG, Redlarski G. Selection of C-Type Filters for Reactive Power Compensation and Filtration of Higher Harmonics Injected into the Transmission System by Arc Furnaces. Energies. 2020; 13(9):2330. https://doi.org/10.3390/en13092330
Chicago/Turabian StyleLange, Andrzej Grzegorz, and Grzegorz Redlarski. 2020. "Selection of C-Type Filters for Reactive Power Compensation and Filtration of Higher Harmonics Injected into the Transmission System by Arc Furnaces" Energies 13, no. 9: 2330. https://doi.org/10.3390/en13092330
APA StyleLange, A. G., & Redlarski, G. (2020). Selection of C-Type Filters for Reactive Power Compensation and Filtration of Higher Harmonics Injected into the Transmission System by Arc Furnaces. Energies, 13(9), 2330. https://doi.org/10.3390/en13092330

