A New Control Strategy for Active Power Filter
Abstract
:1. Introduction
2. Transmission Line Model and Harmonics Characteristics
3. Analysis and VI-APF Control Strategy
3.1. VI-APF Model
3.2. Harmonic Extraction
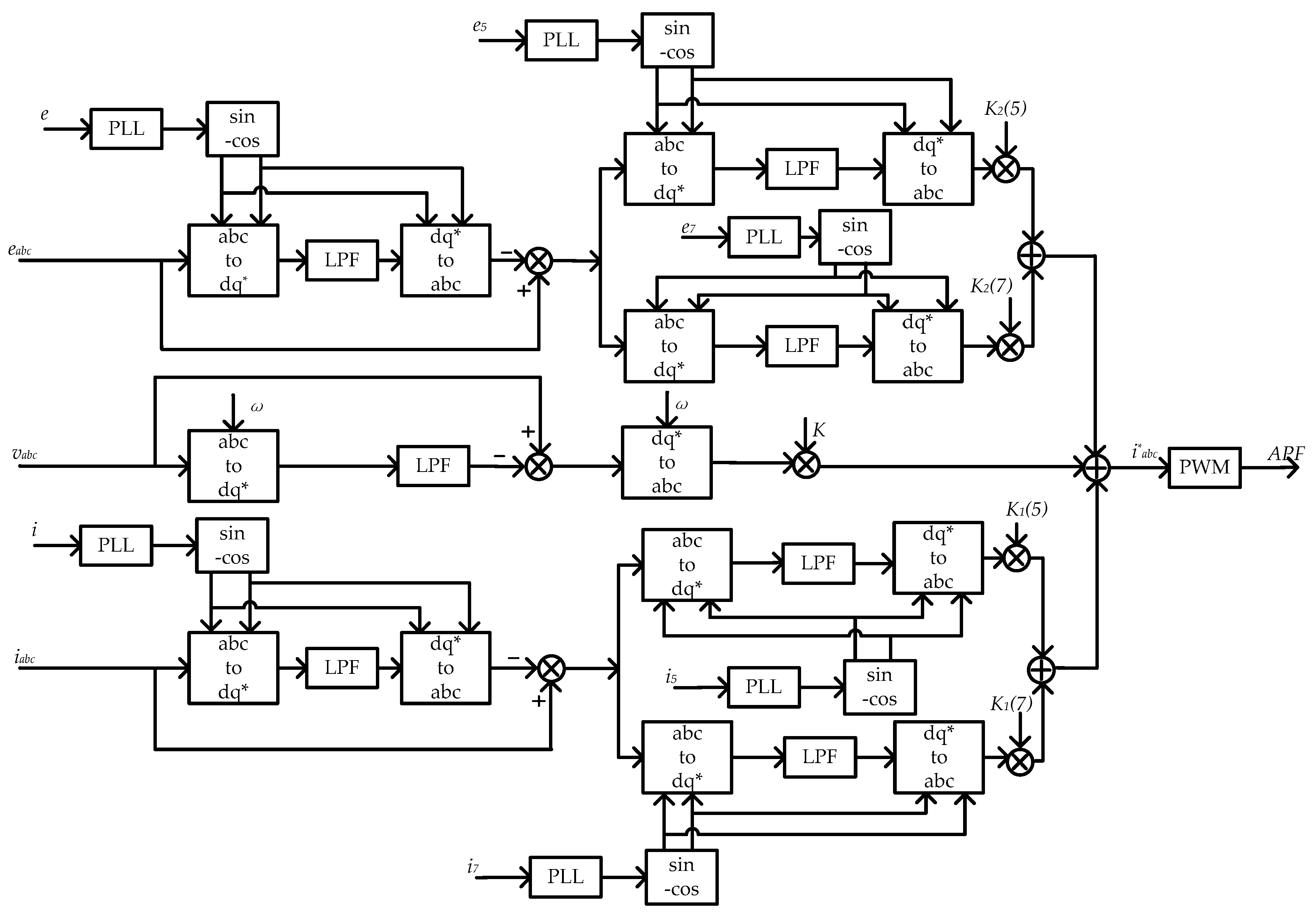
3.3. Proposed Control Strategy of VI-APF
4. Simulation Results and Discussion
4.1. Case 1 Transmission Line System Simulation
4.1.1. Fifth Harmonic Suppression
4.1.2. Seventh Harmonic Suppression
4.1.3. Nonlinear Load with Fifth and Seventh Harmonics
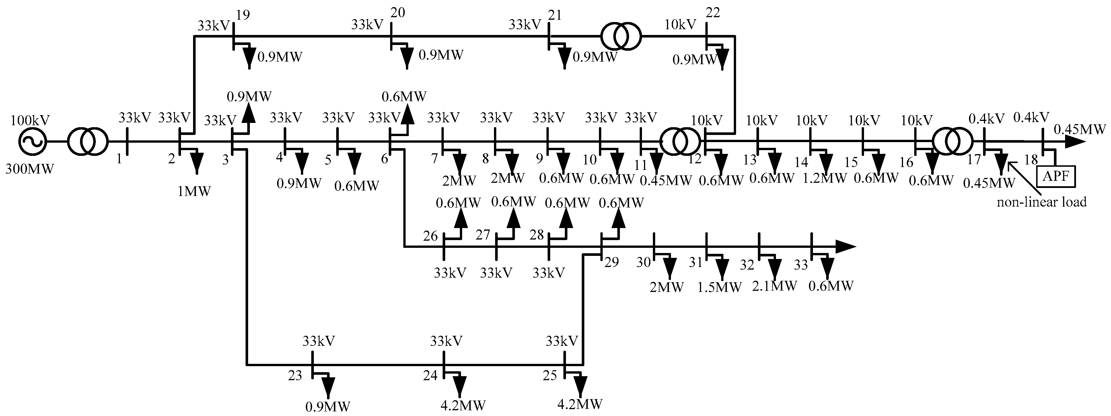
4.2. IEEE 33-Bus System Simulation
5. Conclusions
Author Contributions
Funding
Conflicts of Interest
References
- Zhenhua, L.; Tinghe, H.; Ahmed, A.-S. A minimum side-lobe optimization window function and its application in harmonic detection of an electricity gird. Energies 2019, 12, 2619. [Google Scholar]
- Zeng, Q.; Chang, L. An advanced SVPWM-based predictive current controller for three-phase inverters in distributed generation systems. IEEE Trans. Ind. Electron. 2008, 55, 1235–1246. [Google Scholar] [CrossRef]
- Shao, Z.; Shuai, J.; Xi, L.; Ge, B.; Fang, Z.P. Resonance issues and damping techniques for grid-connected inverters with long transmission cable. IEEE Trans. Power Electron. 2013, 29, 110–120. [Google Scholar]
- Lee, Y.D.; Chen, C.S.; Hsu, C.T.; Cheng, H.S. Harmonic analysis for the distribution system with dispersed generation systems. In Proceedings of the International Conference on Power System Technology, Chongqing, China, 22–26 October 2006. [Google Scholar]
- Abdou, A.F.; Abu-Siada, A.; Pota, H.R. Application of a STATCOM for damping subsynchronous oscillations and transient stability improvement. In Proceedings of the AUPEC, Brisbane, QLD, Australia, 25–28 September 2011; IEEE: Hoboken, NJ, USA, 2011; pp. 1–5. [Google Scholar]
- Abu-Siada, A.; Keerthipala, W.W.L. Effect of system parameters on harmonic levels in AC/DC systems. In Proceedings of the IPEC 2003—6th International Power Engineering Conference, Singapore, 27–29 November 2003; pp. 167–172. [Google Scholar]
- Dartawan, K.; Najafabadi, A.M. Case study: Applying IEEE Std. 519-2014 for harmonic distortion analysis of a 180 MW solar farm. In Proceedings of the IEEE Power & Energy Society General Meeting, Portland, OR, USA, 5–9 August 2018. [Google Scholar]
- Tin, H.; Abu-Siada, A.; Masoum, M.S. Power system harmonic mitigation using hybrid filters. In Proceedings of the 22nd Australasian Universities Power Engineering Conference, Bali, Indonesia, 26–29 September 2012; pp. 1–7. [Google Scholar]
- Abu-Siada, A. A novel design for adaptive harmonic filter to improve the performance of over current relays. Int. J. Adv. Eng. Technol. 2011, 1, 89–95. [Google Scholar]
- Tin, H.; Abu-Siada, A.; Masoum, M.S. Impact of harmonics on the performance of over-current relays. In Proceedings of the AUPEC, Brisbane, QLD, Australia, 25–28 September 2011; IEEE: Hoboken, NJ, USA, 2011; pp. 1–4. [Google Scholar]
- Wada, K.; Fujita, H.; Akagi, H. Considerations of a shunt active filter based on voltage detection for installation on a long distribution feeder. Ind. Appl. IEEE Trans. 2002, 38, 1123–1130. [Google Scholar] [CrossRef]
- Lee, T.L.; Li, J.C.; Cheng, P.T. Discrete frequency tuning active filter for power system harmonics. IEEE Trans. Power Electron. 2009, 24, 1209–1217. [Google Scholar]
- Ram, S.K.; Das, B.B. Digital controller design for three phase active power filter for harmonic and reactive power compensation using FPGA and system generator. In Proceedings of the International Conference on Inventive Computation Technologies, Coimbatore, India, 24–25 August 2017. [Google Scholar]
- Das, J.C. Power system analysis. In Short-Circuit Load Flow and Harmonics, 2nd ed.; Marcel Dekker, Inc.: New York, NY, USA, 2017. [Google Scholar]
- Sun, X.; Lee, Z.; Gong, L.; Chen, Z. A novel control strategy of active filter for suppressing background harmonic voltage magnification in power distribution system. In Proceedings of the Power Electronics & Motion Control Conference, Harbin, China, 2–5 June 2012. [Google Scholar]
- Dai, W.; Yu, W. A novel three-phase active power filter based on instantaneous reactive power theory. In Proceedings of the Workshop on Power Electronics & Intelligent Transportation System, Guangzhou, China, 2–3 August 2008. [Google Scholar]
- Chamat, N.M.; Bhandare, V.S.; Diwan, S.P.; Jamadade, S. Instantaneous reactive power theory for real time control of three-phase shunt Active Power Filter (SAPF). In Proceedings of the International Conference on Circuit, Nagercoil, India, 19–20 March 2015. [Google Scholar]
- Marcu, M.; Popescu, F.G.; Niculescu, T.; Pana, L.; Handra, A.D. Simulation of power active filter using instantaneous reactive power theory. In Proceedings of the 2014 16th International Conference on Harmonics and Quality of Power (ICHQP), Bucharest, Romania, 25–28 May 2014. [Google Scholar]
- Tan, P.C.; Loh, P.C.; Holmes, D.G. High-performance harmonic extraction algorithm for a 25 kV traction power quality conditioner. IEE Electr. Power Appl. 2004, 151, 505–512. [Google Scholar] [CrossRef]
- Fujita, H.; Akagi, H.; Akagi, H. The unified power quality conditioner: The integration of series and shunt-active filters. In Proceedings of the IEEE Power Electronics Specialists Conference, Baveno, Italy, 23–27 June 1996. [Google Scholar]
- Ghosh, A.; Ledwich, G. A unified power quality conditioner (UPQC) for simultaneous voltage and current compensation. Electr. Power Syst. Res. 2001, 59, 55–63. [Google Scholar] [CrossRef]
- Gu, J.; Xu, D.; Liu, H.; Gong, M. Unified power quality conditioner (UPQC): The principle, control and application. In Proceedings of the Power Conversion Conference, Osaka, Japan, 2–5 April 2002. [Google Scholar]
- Flourentzou, N.; Agelidis, V.G.; Demetriades, G.D. VSC-based HVDC power transmission systems: An overview. IEEE Trans. Power Electron. 2009, 24, 592–602. [Google Scholar] [CrossRef]
- Chinchilla, M.; Arnaltes, S.; Burgos, J.C. Control of permanent-magnet generators applied to variable-speed wind-energy systems connected to the grid. IEEE Trans. Energy Convers. 2006, 21, 130–135. [Google Scholar] [CrossRef]
- Dharageshwari, K.; Nayanatara, C. Multiobjective optimal placement of multiple distributed generations in IEEE 33 bus radial system using simulated annealing. In Proceedings of the International Conference on Circuit, Nagercoil, India, 19–20 March 2015. [Google Scholar]















| Bus Voltage | Single Harmonic Distortion (%) | Total Harmonic Distortion (%) |
|---|---|---|
| U ≤ 1.0 kV | 5.0 | 8.0 |
| 1 Kv ˂ U ≤ 69 kV | 3.0 | 5.0 |
| 69 kV ˂ U ≤ 161 kV | 1.5 | 2.5 |
| System ratings | Value |
|---|---|
| System frequency | 50 Hz |
| Source Voltage | 1 kV |
| Fifth Harmonic Voltage | 10 V |
| Seventh Harmonic Voltage | 10 V |
| Load | 10 kW |
| Transmission line length | 60 km |
| Line inductance per km | 0.6 mH |
| Line capacitance per km | 15 μF |
| Inductance of LC filter (L) | 2 mH |
| Capacitance of LC filter (C) | 30 µF |
| Harmonic order | 2 | 3 | 5 | 7 |
| Voltage THD (VTHD) | 0.3% | 1.70% | 1.41% | 1.01% |
© 2019 by the authors. Licensee MDPI, Basel, Switzerland. This article is an open access article distributed under the terms and conditions of the Creative Commons Attribution (CC BY) license (http://creativecommons.org/licenses/by/4.0/).
Share and Cite
Shen, H.; Yang, F.; Abu-Siada, A.; Liu, Z. A New Control Strategy for Active Power Filter. Energies 2019, 12, 4099. https://doi.org/10.3390/en12214099
Shen H, Yang F, Abu-Siada A, Liu Z. A New Control Strategy for Active Power Filter. Energies. 2019; 12(21):4099. https://doi.org/10.3390/en12214099
Chicago/Turabian StyleShen, Hong, Fan Yang, Ahmed Abu-Siada, and Zhao Liu. 2019. "A New Control Strategy for Active Power Filter" Energies 12, no. 21: 4099. https://doi.org/10.3390/en12214099
APA StyleShen, H., Yang, F., Abu-Siada, A., & Liu, Z. (2019). A New Control Strategy for Active Power Filter. Energies, 12(21), 4099. https://doi.org/10.3390/en12214099

