An Improved Series 36-Pulse Rectifier Based on Dual Passive Pulse-Doubling Circuit on the System DC Side
Abstract
1. Introduction
2. Rectifier Topology and Its Operating Modes
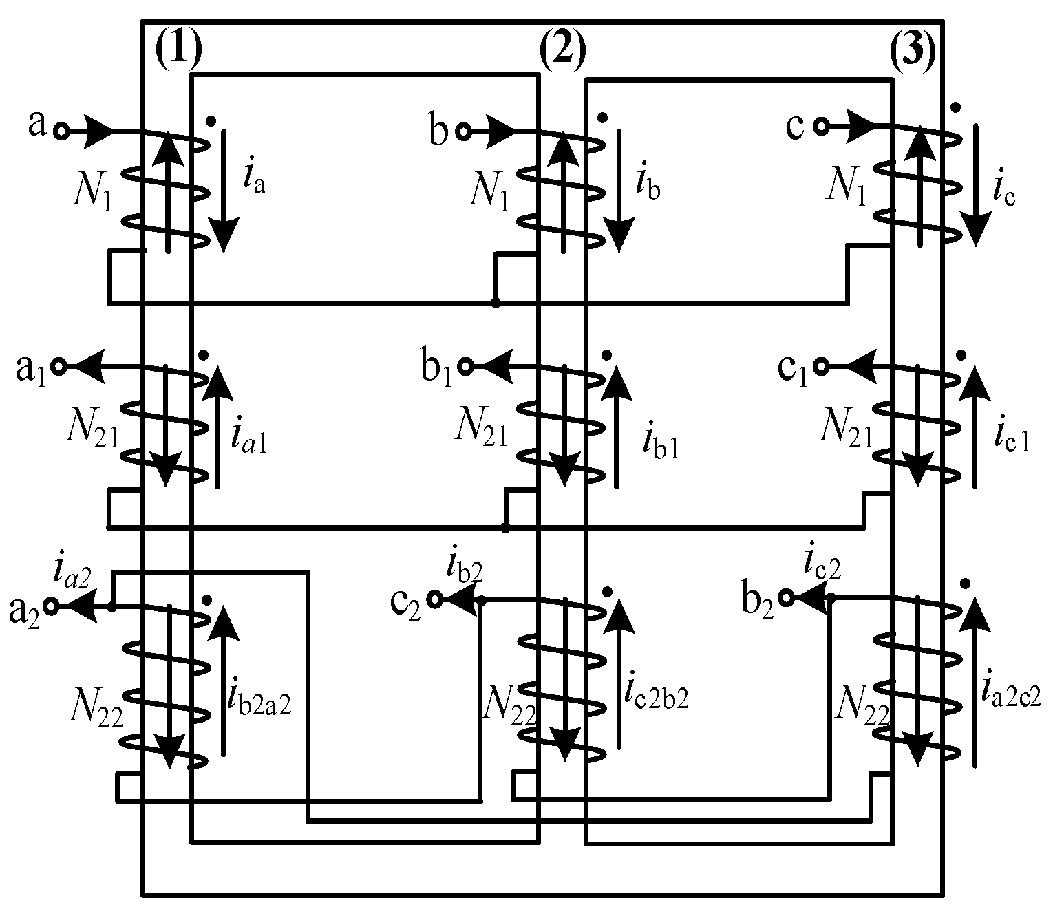
2.1. Proposed 36-Pulse Rectifier Circuit Structure
2.2. Modes of Operation of DPPC
3. Analysis of Harmonic Suppression Mechanism of Rectifier
4. Rectifier Load Voltage Characteristic Analysis
5. Test Verification and Analysis
6. Conclusions
Author Contributions
Funding
Data Availability Statement
Conflicts of Interest
References
- Du, Q.; Gao, L.; Li, Q. Harmonic reduction methods at DC link of series-connected multi-pulse rectifiers: A review. IEEE Trans. Power Electron. 2022, 37, 3143–3160. [Google Scholar] [CrossRef]
- Chen, X.; Bai, T.; Wang, Y.; Gong, J.; Mu, X.; Chang, Z. A Novel Series 24-Pulse Rectifier Operating in Low Harmonic State Based on Auxiliary Passive Injection at DC Side. Electronics 2024, 13, 1160. [Google Scholar] [CrossRef]
- Jin, G.; Yang, M.; Li, G. Optimization design of controller parameters for an offshore wind power DC output system by diode rectifier considering small signal stability. Power Syst. Prot. Control 2022, 50, 65–74. [Google Scholar]
- Wang, Y.; Wang, Y.; Chen, X. A series type 36 pulse rectifier with dual passive harmonic Injection for HVDC. Power Syst. Prot. Control 2022, 50, 165–176. [Google Scholar]
- Cai, X.; Yang, R.; Zhou, J. Review on offshore wind power integration via DC transmission. Autom. Electr. Power Syst. 2021, 45, 2–22. [Google Scholar]
- Yu, L.; Xu, L.; Zhu, J. Impedance modeling and stability analysis of diode-rectifier based HVDC connected offshore wind farms. IEEE Trans. Power Deliv. 2022, 37, 591–602. [Google Scholar] [CrossRef]
- Meng, F.; Jiang, T.; Guo, Y. Series-connected 12-pulse rectifier based on power electronic transformer. Electr. Mach. Control 2021, 25, 52–59. [Google Scholar]
- IEEE Std 519-2022; IEEE Standard for Harmonic Control in Electric Power Systems (Revision of IEEE Std 519-2014). American National Standards Institute: Washington, DC, USA, 2022; pp. 1–31.
- Li, X.; Wang, Y.; Xu, W. A new filtering scheme for HVDC terminals based on damped high-pass filter. IEEE Trans. Power Deliv. 2019, 34, 2050–2057. [Google Scholar] [CrossRef]
- Akagi, H.; Isozaki, K. A hybrid active filter for a three-phase 12-pulse diode rectifier used as the front end of a medium-voltage motor drive. IEEE Trans. Power Electron. 2012, 27, 69–77. [Google Scholar] [CrossRef]
- Fukuda, S.; Ohta, M.; Iwaji, Y. An auxiliary-supply-assisted harmonic reduction scheme for 12-pulse diode rectifiers. IEEE Trans. Power Electron. 2008, 23, 1270–1277. [Google Scholar] [CrossRef]
- Meng, F.; Yang, W.; Yang, S. Active harmonic reduction for 12-pulse diode bridge rectifier at DC Side with two-stage auxiliary circuit. IEEE Trans. Ind. Inform. 2015, 11, 64–73. [Google Scholar] [CrossRef]
- Chen, T.; Chen, X.; Mi, J. A 24-pulse rectifier with hybrid harmonic suppression circuit on the DC side. Power Syst. Prot. Control 2022, 50, 149–159. [Google Scholar]
- Li, Q.; Li, F.; Yin, X. Passive pulse doubling strategy for series-connected 12-pulse rectifier. Trans. China Electrotech. Soc. 2023, 38, 136–146+186. [Google Scholar]
- Abdollahi, R.; Gharehpetian, G.B.; Anvari-Moghaddam, A. Pulse tripling circuit and twelve pulse rectifier combination for sinusoidal input current. IEEE Access 2021, 9, 103588–103599. [Google Scholar] [CrossRef]
- Chen, X.; Liu, X.; Wang, Y. A parallel 24-pulse rectifier using low loss passive pulse doubling circuit on the DC side. Power Syst. Prot. Control 2023, 51, 33–46. [Google Scholar]
- Zhang, H.; Li, Q.; Meng, F. Series-connected 18-pulse rectifier using isolated transformer. Electr. Mach. Control 2019, 23, 23–31. [Google Scholar]
- Abdollahi, R.; Gharehpetian, G.B. A 20-pulse autotransformer rectifier unit for more electric aircrafts. IEEE J. Emerg. Sel. Top. Power Electron. 2021, 9, 2992–2999. [Google Scholar] [CrossRef]
- Wang, T.; Fang, F.; Jiang, X. Application of round-shaped transformers in 24 pulses rectifier systems. Trans. China Electrotech. Soc. 2016, 31, 172–179. [Google Scholar]
- Choi, S.; Oh, J.; Cho, J. Multi-pulse converters for high voltage and high power applications. In Proceedings of the Third International Power Electronics and Motion Control Conference, Beijing, China, 15–18 August 2000; Volume 3, pp. 1019–1024. [Google Scholar]
- Wang, J.; Lv, Y.; Li, L. A 24-pulse rectifier with a passive auxiliary current injection circuit at DC side. IEEE Trans. Power Electron. 2022, 37, 11109–11123. [Google Scholar] [CrossRef]
- Chivite-Zabalza, F.J.; Forsyth, A.J. A passive 36-pulse AC-DC converter with inherent load balancing using combined harmonic voltage and current injection. IEEE Trans. Power Electron. 2007, 22, 1027–1035. [Google Scholar] [CrossRef]
- Wang, Y.; Wang, Y.; Chen, X. A Series 36-Pulse Rectifier Operating in Low Harmonic State Based on Hybrid Voltage Harmonic Injection at DC Side. Trans. China Electrotech. Soc. 2023, 38, 5288–5303. [Google Scholar]
- Du, Q.; Gao, L.; Liu, W. Diode open-circuit fault research on the parallel-connected 24-pulse rectifier with DC-side passive harmonic reduction circuit. IEEE Trans. Power Electron. 2022, 37, 485–497. [Google Scholar] [CrossRef]
- Du, Q.; Gao, L.; Li, Q. Diode open-circuit fault research on the parallel-connected 36-pulse rectifier with dual passive harmonic reduction method. IEEE Trans. Power Electron. 2022, 37, 6821–6830. [Google Scholar] [CrossRef]










| Circuit Parameters | Values |
|---|---|
| The input phase voltage, Um | 220 V |
| Frequency, f | 50 Hz |
| The ratio of the phase shifter transformer, N1:N21:N22 | |
| The load resistance, R | 60 Ω |
| The load inductance, L | 10 mH |
| Capacitor, C1(C2) | 3300 μF |
| The injection transformer turns ratio m:n:ρ Rated capacity | 20.1667:21.1667:0.6529 1.7 kW |
| Methods | Pulse | THD | Input Inductor | Injection Transformer | IPR | Capacitor | Auxiliary Diode | IGBT |
|---|---|---|---|---|---|---|---|---|
| No injection circuit | 12 | 14.87% | / | / | / | / | / | / |
| Literature [22] | 36 | 4.72% | 3 | 2 single-phase transformers | / | 2 | 8 | / |
| Literature [4] | 36 | 4.76% | 3 | 2 single-phase transformers | / | 2 | 6 | / |
| Literature [23] | 36 | 5.07% | 3 | 1 single-phase transformer | / | 2 | 2 | 1 |
| Proposed DPPC | 36 | 4.78% | / | 1 single-phase transformer | 1 | 2 | 4 | / |
Disclaimer/Publisher’s Note: The statements, opinions and data contained in all publications are solely those of the individual author(s) and contributor(s) and not of MDPI and/or the editor(s). MDPI and/or the editor(s) disclaim responsibility for any injury to people or property resulting from any ideas, methods, instructions or products referred to in the content. |
© 2024 by the authors. Licensee MDPI, Basel, Switzerland. This article is an open access article distributed under the terms and conditions of the Creative Commons Attribution (CC BY) license (https://creativecommons.org/licenses/by/4.0/).
Share and Cite
Mu, X.; Chen, X.; Ma, C.; Wang, Y.; Bai, T.; Ge, L.; Ma, X. An Improved Series 36-Pulse Rectifier Based on Dual Passive Pulse-Doubling Circuit on the System DC Side. Electronics 2024, 13, 3215. https://doi.org/10.3390/electronics13163215
Mu X, Chen X, Ma C, Wang Y, Bai T, Ge L, Ma X. An Improved Series 36-Pulse Rectifier Based on Dual Passive Pulse-Doubling Circuit on the System DC Side. Electronics. 2024; 13(16):3215. https://doi.org/10.3390/electronics13163215
Chicago/Turabian StyleMu, Xiuqing, Xiaoqiang Chen, Chungui Ma, Ying Wang, Tun Bai, Leijiao Ge, and Xiping Ma. 2024. "An Improved Series 36-Pulse Rectifier Based on Dual Passive Pulse-Doubling Circuit on the System DC Side" Electronics 13, no. 16: 3215. https://doi.org/10.3390/electronics13163215
APA StyleMu, X., Chen, X., Ma, C., Wang, Y., Bai, T., Ge, L., & Ma, X. (2024). An Improved Series 36-Pulse Rectifier Based on Dual Passive Pulse-Doubling Circuit on the System DC Side. Electronics, 13(16), 3215. https://doi.org/10.3390/electronics13163215
