Grid Current Distortion Suppression Based on Harmonic Voltage Feedforward for Grid-Forming Inverters
Abstract
1. Introduction
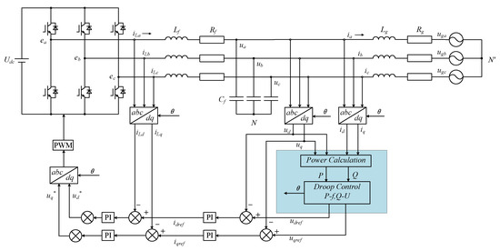
2. Mechanism of GFM Grid Current Distortion Under Distorted Grid Conditions
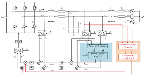
3. Proposed Scheme for Improving Grid Current Quality Control
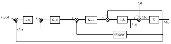
3.1. Analysis of Harmonic Current Suppression Principles
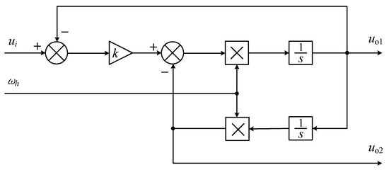
3.2. Harmonic Extraction Method Based on Fundamental Component Subtraction
3.3. Design of Feedforward Coefficient
3.4. Stability Analysis
4. Simulation Results and Discussion
4.1. Harmonic Suppression Under Mixed Harmonic Scenarios
4.2. Harmonic Suppression Under Unbalanced Grid Voltage Conditions
4.3. Harmonic Suppression Under Dynamic Load Changes and Harmonic Transients Conditions
4.4. Comparative Analysis with the Conventional Feedforward Control Method
5. Conclusions and Future Work
Author Contributions
Funding
Data Availability Statement
Conflicts of Interest
References
- Zhuo, Z.; Zhang, N.; Xie, X.; Li, H.; Kang, C. Key Technologies and Developing Challenges of Power System with High Proportion of Renewable Energy. Autom. Electr. Power Syst. 2021, 45, 171–191. [Google Scholar]
- Hadavi, S.; Mansour, M.Z.; Bahrani, B. Optimal Allocation and Sizing of Synchronous Condensers in Weak Grids with Increased Penetration of Wind and Solar Farms. IEEE J. Emerg. Sel. Top. Circuits Syst. 2021, 11, 199–209. [Google Scholar] [CrossRef]
- Wang, K.; Yuan, X.; Wang, H.; Zhang, Y.; Wu, X. Two Causes of the Inverter-Based Grid-Connected System Instability in Weak Grids. Power Syst. Technol. 2023, 47, 1230–1242. [Google Scholar]
- Li, H.; Liang, J.; Wang, Z.; Li, G.; Chen, Y. Small Signal Synchronization Stability Analysis and Improved Control Strategy for Grid Following Converter. Trans. China Electrotech. Soc. 2024, 39, 3802–3815. [Google Scholar]
- Hao, Y.; Zhou, Y.; Liu, C.; Wu, C.; Wang, L.; Xin, H. Small-Disturbance Voltage Support Strength Analysis for Renewable Multi-Infeed System with Grid-Following Energy Storage. Trans. China Electrotech. Soc. 2024, 39, 3569–3580. [Google Scholar]
- Cheng, C.; Xie, S.; Tan, L.; Zhou, X.; Xu, J.; Qian, Q. Nonlinear Model and Stability Analysis Method for Grid-Following Inverter. Autom. Electr. Power Syst. 2022, 46, 137–143. [Google Scholar]
- Zhan, C.; Wu, H.; Wang, X.; Tian, J.; Wang, X.; Lu, Y. An Overview of Stability Studies of Grid-Forming Voltage Source Converters. Proc. CSEE 2023, 43, 2339–2359. [Google Scholar]
- Chi, Y.; Jiang, B.; Hu, J.; Lin, W.; Liu, H.; Fan, Y.; Ma, S.; Yao, J. Grid-forming Converters: Physical Mechanism and Characteristics. High Volt. Eng. 2024, 50, 590–604. [Google Scholar]
- Hu, Y.; Tian, Z.; Zha, X.; Sun, J.; Li, Y.; Wan, Z. Impedance Stability Analysis and Promotion Strategy of Islanded Microgrid Dominated by Grid-Connected and Grid-Following Converters. Autom. Electr. Power Syst. 2022, 46, 121–131. [Google Scholar]
- Wang, X.; Ge, J.; Han, L.; Yu, Q.; Gao, Y.; Liu, Z. Theory and practice of grid-forming BESS supporting the construction of a new type of power system. Power Syst. Prot. Control 2023, 51, 172–179. [Google Scholar]
- Guo, J.; Chen, J.; Liu, Y.; Chen, J.; Chang, X.; Nan, D. Support Performance Test and Evaluation of Grid-Forming Renewable Energy Systems. Smart Power 2023, 51, 23–29. [Google Scholar]
- Guo, X.; Yang, G.; Zhang, Y.; Zhou, Y. Modeling and reshaping control of single input and single output loop gain of the grid-forming energy storage converter grid-connected system. Electr. Eng. 2023, 24, 24–31+51. [Google Scholar]
- Huang, X.; Shao, Y.; Gong, Y.; Liu, D.; Zhu, X.; Luo, J. Control technology for grid-forming energy storage under unbalanced working conditions of weak current networks. Therm. Power Gener. 2024, 53, 59–67. [Google Scholar]
- Xiong, L.; You, L.; Han, G.; Li, Y.; Liu, J.; Liu, J. Unbalanced and Harmonic Control for Grid-Forming Converters Based on Unified Voltage-Current Droop. J. Power Supply 2024, 1–16. Available online: https://link.cnki.net/urlid/12.1420.TM.20241018.1421.009 (accessed on 12 January 2025).
- Liu, C.; Xi, J.; Hao, Q.; Li, J.; Wang, J.; Dong, H.; Su, C. Grid-Forming Converter Overcurrent Limiting Strategy Based on Additional Current Loop. Electronics 2023, 12, 1112. [Google Scholar] [CrossRef]
- Chen, Z.; Ma, D.; Yang, L.; Liu, S.; Tong, C.; Zhao, Y. Grid Harmonics Suppression for Three Phase Dual-Frequency Grid-Connected Inverter Based on Feedforward Compensation. Symmetry 2023, 15, 1517. [Google Scholar] [CrossRef]
- Xiao, F.; Dong, L.; Li, L.; Liao, X. A Frequency-Fixed SOGI-Based PLL for Single-Phase Grid-Connected Converters. IEEE Trans. Power Electron. 2017, 32, 1713–1719. [Google Scholar] [CrossRef]
- Xu, J.; Cao, X.; Hao, Z.; Yang, Q. A Harmonic-Current Suppression Method for Virtual Synchronous Rectifier Based on Feedforward of Grid Harmonic Voltage. Trans. China Electrotech. Soc. 2022, 37, 2018–2029. [Google Scholar]
- Chai, X.; Zhang, C.; Zhao, X.; Sun, F. Reserch onpower grid background harmonic suppression based on grid voltage full-feedforward. Power Electron. 2020, 54, 5–7+18. [Google Scholar]



















| Method | Characteristics | Advantages | Disadvantages |
|---|---|---|---|
| Virtual Impedance [12] | Reshapes loop gain to improve stability | Enhances weak-grid stability | Limited effectiveness in suppressing harmonic currents |
| Dual-Sequence Control [13] | Suppresses negative-sequence voltage components | Effective under unbalanced grids | Does not address harmonic current distortion |
| Unified Droop Control [14] | Distributes harmonic currents based on unit capacities | Improves PCC voltage quality | Complex implementation, limited focus on current quality |
| Auxiliary Current Loop [15] | Limits overcurrent during faults using low-pass filters | Prevents overcurrent during faults | Limited applicability to harmonic suppression in normal operation |
| Auxiliary Harmonic Elimination Unit [16] | Cancels ripple components via symmetric current generation | Reduces harmonic distortion | Untested for GFM architectures |
| Parameter | Numerical Value |
|---|---|
| Internal Resistance of Grid-Side Line Rg/Ω | 2 |
| Equivalent Inductance of Grid-Side Line Lg/mH | 5 |
| Internal Resistance of Filtering Inductor Rf/Ω | 0.01 |
| Filtering Inductance Lf/mH | 1.5 |
| Filtering Capacitor Cf/µF | 20 |
| Grid Voltage Ug/V | 220 |
| DC Voltage Udc/V | 800 |
| Switching Frequency fs/kHz | 20 |
Disclaimer/Publisher’s Note: The statements, opinions and data contained in all publications are solely those of the individual author(s) and contributor(s) and not of MDPI and/or the editor(s). MDPI and/or the editor(s) disclaim responsibility for any injury to people or property resulting from any ideas, methods, instructions or products referred to in the content. |
© 2025 by the authors. Licensee MDPI, Basel, Switzerland. This article is an open access article distributed under the terms and conditions of the Creative Commons Attribution (CC BY) license (https://creativecommons.org/licenses/by/4.0/).
Share and Cite
Liu, B.; Yu, B.; Zheng, F. Grid Current Distortion Suppression Based on Harmonic Voltage Feedforward for Grid-Forming Inverters. Electronics 2025, 14, 839. https://doi.org/10.3390/electronics14050839
Liu B, Yu B, Zheng F. Grid Current Distortion Suppression Based on Harmonic Voltage Feedforward for Grid-Forming Inverters. Electronics. 2025; 14(5):839. https://doi.org/10.3390/electronics14050839
Chicago/Turabian StyleLiu, Baojin, Bing Yu, and Feng Zheng. 2025. "Grid Current Distortion Suppression Based on Harmonic Voltage Feedforward for Grid-Forming Inverters" Electronics 14, no. 5: 839. https://doi.org/10.3390/electronics14050839
APA StyleLiu, B., Yu, B., & Zheng, F. (2025). Grid Current Distortion Suppression Based on Harmonic Voltage Feedforward for Grid-Forming Inverters. Electronics, 14(5), 839. https://doi.org/10.3390/electronics14050839

