Abstract
This paper proposes a current harmonic suppression strategy that combines harmonic synchronous rotating frame (HSRF) current feedback control and back-electromotive force harmonic (BEMFH) feedforward compensation to suppress the fifth and seventh current harmonics of a six-phase permanent magnet synchronous motor (PMSM). The current harmonics of six-phase PMSMs vary with the current due to manufacturing imperfections and the inverter nonlinearity effect. Using fixed-parameter BEMFH feedforward compensation cannot completely eliminate current harmonics. This paper integrates a closed-loop harmonic current control strategy, using HSRF in the differential mode of the six-phase PMSM rotor rotating frame to effectively mitigate current harmonic variations caused by load changes. The controller adapts a Texas Instrument microcontroller featuring encoder interfaces, complementary pulse width modulation (PWM), and analog–digital converters (ADC) to simplify the board design. The rotor angle feedback is provided by a 12-pole resolver in conjunction with an Analog Device resolver-to-digital converter (RDC). The specifications of the six-phase PMSM are as follows: 12 poles, 1200 rpm, 200 A (rms), and 600 V DC bus. The total harmonic distortion (THD) of the phase current for harmonics below the 21st order was reduced from 31.71% to 4.84% under the test conditions of 1200 rpm rotor speed and 200 A peak phase current. Specifically, the fifth and seventh harmonics were reduced from 29.98% and 9.72% to 2.74% and 1.21%, respectively. These results validate the feasibility of the proposed current harmonic suppression strategy.
1. Introduction
Multiphase motors are extensively utilized in high-power applications, such as vehicle traction and marine propulsion power systems [1,2,3]. They enable scalability with relatively smaller power stage modules, provide fault tolerance [4,5], and easily adopt existing control strategies for three-phase drives [6].
The dual three-phase windings of six-phase PMSMs are neutral point isolated and asymmetric (30-degree split in spatial phase shifting), featuring lower torque ripple [7]. However, the machines suffer from significant current harmonics, due to the fifth and seventh voltage harmonics across the highly coupled dual three-phase winding. Current harmonics originate from the flux linkages and inductance due to the machine’s imperfections [8]. There are also voltage harmonics coming from the BEMF and the inverter’s nonlinearity [9]. Those voltage harmonics interact with leakage inductances between windings, leading to significant current harmonics [10]. For asymmetric six-phase PMSMs, the () harmonics are dropped upon leakage inductances, contributing to huge current harmonics [11]. The 5th and 7th harmonics are dominant and stator circulating, causing extra losses and occupying power stage ratings [12]. Current harmonics reduce efficiency and increase torque ripple, which consequently result in higher noise levels. The vector space decomposition (VSD) approach of six-phase PMSMs transforms the asymmetric dual three-phase coordinate system into the common mode (CM) and differential mode (DM). In this approach, the CM includes the fundamental frequency and the 11th, and 13th harmonics, while the DM contains the 5th and 7th harmonics [13,14]. In the rotor rotating frame, the fundamental frequency current in the CM is converted into the DC component, while the 11th and 13th current harmonics are converted in to the 12th current harmonic. The fifth and seventh current harmonics in the DM are converted to the sixth current harmonic [15].
There are BEMFH feedforward compensation strategies for current harmonic suppression in the stator frame, rotor rotating frame, and CM and DM mode [16,17,18]. However, these strategies cannot fully mitigate the impact of drive output nonlinearity and the variation in current harmonics caused by load changes in the motor. Another approach to suppressing current harmonics is the use of resonance controllers [9,19]. However, these methods require the speed feedback to adjust the resonance frequency, which can lead to poor frequency precision. Additionally, multiple resonance points may interfere with each other [17]. The HSRF current harmonic control method can curb current harmonics under the machines’ load variation and the drives’ output nonlinearity. The HSRF can be implemented in either the rotor rotating frame [20] or the stationary frame [21]. However, low-pass filters are needed to reject high frequency. The Virtual Multi-Three-Phase System eliminates low-pass filters [13], but still requires memory and time to replicate the delayed virtual multi-three-phase current feedback signals. The low-pass filter-based HSRF is easier to implement. The fifth and seventh current harmonics in the rotor rotating frame’s DM exist as the sixth current harmonic component. By utilizing the positive and negative sixth HSRFs and low-pass filters, the fifth and seventh current harmonics can be converted into DC components, implementing current harmonic control. Setting the current harmonic command to zero can suppress the current harmonics, thereby improving the limitations of BEMFH feedforward compensation.
This paper proposes a strategy that combines BEMFH feedforward and HSRF current feedback control, while retaining the traditional Clarke and Park transformation matrices from three-phase systems. Retaining the traditional Clarke and Park transformation allows the single six-phase machine system to be transformed into a dual three-phase machine system, thereby enhancing the flexibility of six-phase machine drive applications. The CM and the DM transformation enables VSD transformation. CM current harmonics are inherently attenuated by large impedances. As a result, HSRF current feedback control is implemented in DM only, significantly simplifying the design. Additionally, numerous dead time compensation techniques in three-phase systems can be applied to reduce the impact of drive output nonlinearity. The dead-time compensation can be implemented as feedforward compensation based on the phase current polarities [22]. For a more accurate dead-time model, the ON-state voltage drop from data sheets and dead-time effect estimator over the parasitic capacitance of the power stage are used [23]. A relatively easy option is the self-commissioning lookup table [24]. There is also a lookup table method based on the full-order observer current estimator error [25]. In this article, the self-commissioning lookup table is used.
2. CM and DM of a Six-Phase PMSM
The stationary and rotor rotating frames of six-phase PMSMs include the abc, xyz, , and dq axes, as shown in Figure 1. The -axis is aligned with the a-axis, whereas the -axis is aligned with the x-axis. This arrangement allows for the use of Park and Clarke matrices for the dual three-phase system. The Park transformation and inverse transformation matrices for the abc-axis and the xyz-axis are
where is the abc-axis rotor angle aligned with the permanent magnet flux linkage, = .
Figure 1.
The dq-axis in the rotor rotating frame and the -axis, -axis, abc-axis and xyz-axis in the stationary frame of the six-phase PMSM.
The dual dq-axis model of an asymmetric six-phase PMSM with balanced winding, isolated neutral points, and BEMFH [18] is
where v, i, and are the voltage, current, and flux linkage, respectively; is the rotor electrical angle velocity; , , , , , and are the stator resistance, d-axis inductance, q-axis inductance, d-axis mutual inductance, q-axis mutual inductance, and permanent magnet flux linkage, respectively; and and are the nth harmonic magnitudes and phase angles respectively, where n = 5, 7, 11, 13.
The dual dq-axis model can be transformed into the CM and DM models. The CM and DM models originate from the VSD matrix, which can decompose multi-three-phase systems into multiple harmonic subspaces [13,14]. The CM and DM models can be obtained from the dual dq-axis model as
where f represents v, i, and . The superscripts + and − denote the CM and DM, respectively. The CM and DM transformation and inverse transformation matrix are
3. The CM and DM Current Controller
The current controller is implemented as the fundamental frequency current controller and the HSRF current controller in the CM and DM. The six-phase PMSM’s phase currents, including the 5th, 7th, 11th and 13th current harmonics, can be transformed into the dual dq-axis model in the rotor rotating frame:
where , , , , and are the fundamental frequency, 5th, 7th, 11th, and 13th harmonic magnitudes, respectively. , , , , and are the fundamental frequency, 5th, 7th, 11th, and 13th harmonic phase angles, respectively. The CM and DM of Equation (10) can be obtained as
The fifth and seventh harmonics in the stationary frame can be interpreted as vectors rotating at minus five and seven times the rotor speed, respectively [15]. In the rotor rotating frame, these harmonics appear as minus six and six times the rotor speed, existing as sixth harmonics. The positive and negative sixth HSRFs transform the fifth and seventh harmonics into
Using the low-pass filter, we remove the AC components in and . Current control can be performed in the positive and negative sixth HSRFs. The fifth and seventh current harmonic controller can be designed as follows:
where the superscript ^ denotes feedback values. Low-pass filters:
where , , and .
Current harmonic control errors:
where the superscript * denotes command values. .
Current harmonic controller:
where , , and .
The current harmonic controller output in the DM of the rotor rotating frame can be obtained as
where is the sampling period. is used to compensate the sampling period delay time [13].
The fundamental frequency current controller with BEMFH feedforward compensation is designed as follows:
where , , and .
The BEMFH feedforward compensation in the CM and DM is
Combining Equations (20), (22) and (23) and feedforward decoupling, the CM and DM voltage command can be summed as
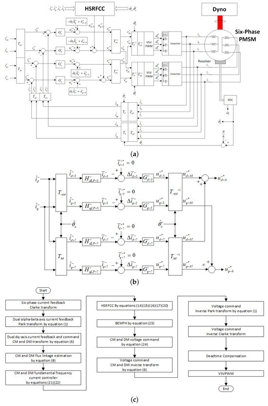
The CM inductances and are much larger than the DM inductances and . This implies that the 11th and 13th current harmonics can be neglected in comparison to the 5th and 7th current harmonics, meaning there is no need to design a controller for the 11th and 13th current harmonics. Equations (21) and (22) represent the fundamental frequency current controller; Equation (23) is BEMFH feedforward compensation (referred as BEMFHFC); and Equations (13)–(20) represent the fifth and seventh HSRF current controller (referred as HSRFCC). The whole CM and DM current controller block diagram and the flow chart are shown in Figure 2. Figure 2c presents the process flow of the controller, which is as follows:
Figure 2.
The control block diagram of the CM and DM current controllers, including the fifth and seventh HSRFCC and BEMFHFC: (a) the main block diagram; (b) expansion of HSRFCC; (c) flow chart.
- (1)
- Perform Clarke, Park, CM, and DM transformations.
- (2)
- Calculate the flux linkage and perform CM and DM fundamental frequency current control.
- (3)
- Execute HSRFCC and BEMFH.
- (4)
- Combine all controller outputs and apply CM, DM, Park, and Clarke inverse transformations.
- (5)
- Perform dead-time compensation and VSVPWM.
4. Simulation and Test Results
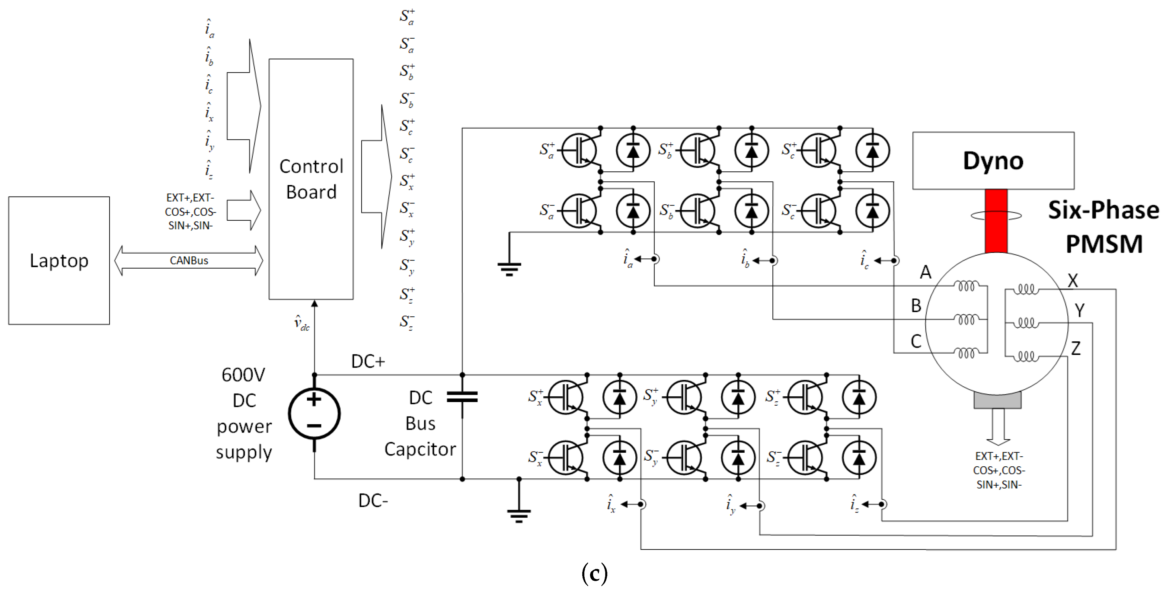
The test platform consisting of the dynamometer, six-phase drive, and six-phase PMSM is shown in Figure 3. The dynamometer’s DC power supply has a power rating of 1200 kW, 1200 V, and 1200 A. DC power supply is set to output 600 V and the maximum current of 400 A. The six-phase drive’s control board incorporates a Texas Instrument microcontroller and an Analog Device RDC. The microcontroller receives six-phase current transducer feedback , , , , , and DC bus voltage feedback via 12-bit ADC and outputs six-phase complementary PWM signals , , , , , , , , , , and to the six-phase power stage. The RDC excites a 12-pole resolver via excitation wires EXT+ and EXT−. Then, the RDC receives resolver signals COS+, COS−, SIN+ and SIN−, providing 12-bit rotor angle information to the microcontroller. The PWM switching frequency is 5 kHz with a dead time of 2 s, while the ADC sampling is set on the crest and trough of the PWM triangular wave counter, resulting in a sampling frequency of 10 kHz. The controller’s signals are recorded and sent back to the laptop via a controller area network (CAN) bus. Post analysis is performed on the laptop via MATLAB (R2024a).The dynamometer is operated in speed mode, while six-phase drive is operated in dual dq-axis current mode. The results are compared before and after the use of BEMFFC and HSRFCC. This article aims to mitigate the 5th, 7th, 11th, and 13th current harmonics; therefore, THD is calculated up to the 21st harmonic only. Higher-frequency harmonics are neglected due to their higher impedance and limited impact on the system’s mechanical response. Data stored in the oscilloscope and the microcontroller are used to perform discrete Fourier transform (DFT) and THD analysis on the laptop. The interval of current feedback for DFT is a multiple of the fundamental period to avoid the Fourier transformation leakage effect.

Figure 3.
The test platform: (a) the dynamometer, six−phase drive, and six−phase PMSM; (b) inside of the six−phase drive; (c) electrical diagram of the drive, laptop, DC power supply, and dynamometer.
The parameters of the six-phase PMSM and controller are presented in Table A1 of Appendix A. BEMFH parameters are measured based on [18]. The comparison of measured and simulated phase currents at the speed of 600 rpm, with the current command of A, A, before the use of BEMFHFC and HSRFCC is shown in Figure 4, while the comparison after the use of BEMFHFC and HSRFCC is shown in Figure 5. The harmonic spectrum and THD of the phase currents after the use of BEMFHFC and HSRFCC are shown in Figure 6. Although the measured phase currents exhibit slight imbalances and contain the third harmonic, the fifth and seventh harmonics remain effectively suppressed. The third harmonic comes from the inductance nonlinearity caused by the magnetic saturation effect. The nonlinearity can be expressed as Tylor series, where the cubic term of phase currents generates the third flux linkage harmonic.
Figure 4.
The comparison of measured and simulated phase currents , , and before using BEMFHFC and HSRFCC: (a) simulated phase currents; (b) measured phase currents.
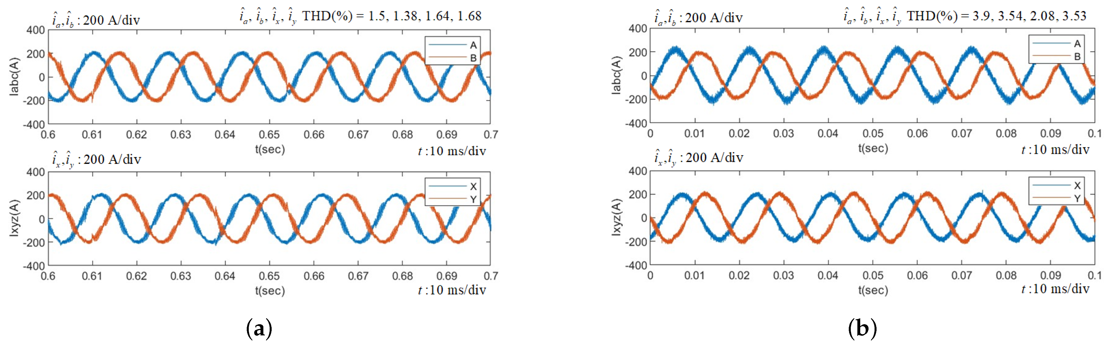
Figure 5.
The comparison of measured and simulated phase currents , , and after using BEMFHFC and HSRFCC: (a) simulated phase currents; (b) measured phase currents.
Figure 6.
The harmonic spectrum and THD of measured phase currents , , and after using space BEMFHFC and HSRFCC: (a) ; (b) ; (c) ; (d) .
The THD of , before and after the use of BEMFHFC and HSRFCC, at speeds of 150 rpm, 600 rpm, 900 rpm and 1200 rpm, with the current command of A, A, is shown in Table 1, demonstrating excellent harmonic suppression. The THD, 5th, 7th, 11th and 13th current harmonics of , before and after the use of BEMFHFC and HSRFCC, at a speed of 1200 rpm, with the current command of A, A, is shown in Table 2.
Table 1.
The THD of before and after the use of BEMFHFC and HSRFCC at a variety of speeds.
Table 2.
The THD, 5th, 7th, 11th, and 13th current harmonics of before and after the use of BEMFHFC and HSRFCC at a speed of 1200 rpm.
Current harmonics increase with speed, indicating the presence of BEMFH and flux linkage harmonics. Flux linkage harmonics are attributed to the nonlinearity of inductances. By applying BEMFH and HSRFCC, current harmonics are effectively suppressed.
5. Conclusions
The CM and DM current control can be implemented in a six-phase PMSM rotor rotating frame through the use of Clarke and Park transformation matrices, which are commonly used in three-phase systems. The effect is consistent with the VSD matrix, where the fundamental, 11th, and 13th current harmonics can be allocated in the CM, while the 5th and 7th current harmonics can be allocated in the DM. The use of the Clarke transformation matrix also preserves dual electrical angles and , allowing it to be converted into a dual motor drive, thus increasing the flexibility of the six-phase motor drive.
In the CM and DM, BEMFHFC uses the fixed 5th, 7th, 11th, and 13th harmonic parameters to compensate for BEMFH, where the HSRFCC regulates the current harmonics caused by nonlinearity of motor inductances and drive output under load variation. Combining BEMFHFC and HSRFCC can significantly improve the THD by suppressing the fifth and seventh current harmonics. The 11th and 13th current harmonics are much smaller than the 5th and 7th current harmonics and can be neglected, thus eliminating the need for 11th and 13th harmonic HSRFCC and greatly simplifying the design. By implementing BEMFHFC and HSRFCC in the rotor rotating frame, only 6 times and 12 times electrical angles are used, preserving the perfect symmetry and reducing the complexity.
The test results show that the fifth and seventh current harmonics can be greatly suppressed. However, the third current harmonic is larger than the fifth and seventh current harmonics due to the motor’s imperfections. The suppression of the third current harmonics will be the focus of our next study.
Author Contributions
Conceptualization, J.-C.H. and Y.-T.L.; methodology, J.-C.H. and Y.-T.L.; software, Y.-T.L.; validation, J.-C.H., Y.-T.L. and C.-T.T.; formal analysis, Y.-T.L.; investigation, J.-C.H. and Y.-T.L.; resources, J.-C.H., C.-T.L. and Y.-T.L.; data curation, Y.-T.L. and C.-T.T.; writing—original draft preparation, Y.-T.L.; writing—review and editing, J.-C.H. and C.-T.T.; visualization, J.-C.H., Y.-T.L. and C.-T.T.; supervision, J.-C.H.; project administration, J.-C.H. and C.-T.L.; funding acquisition, J.-C.H. All authors have read and agreed to the published version of the manuscript.
Funding
This research was funded by Chroma ATE Inc., grant number 113-0000913.
Data Availability Statement
The data presented in this study are available on request from the corresponding author.
Acknowledgments
Special thanks to Chroma ATE Inc. for providing the materials, laboratory facilities, and research funding necessary for conducting the experiments.
Conflicts of Interest
Author Cheng-Tsung Lin was employed by the company Chroma ATE Inc. The remaining authors declare that the research was conducted in the absence of any commercial or financial relationships that could be construed as a potential conflict of interest.
Abbreviations
The following abbreviations are used in this manuscript:
| BEMFH | Back electromotive force harmonic |
| HSRF | Harmonic synchronous rotating frame |
| RDC | Resolver-to-digital converter |
| PWM | Pulse width modulation |
| ADC | Analog-to-digital converter |
| THD | Total harmonic distortion |
| PMSM | Permanent magnet synchronous motor |
Appendix A
Table A1.
Motor specifications and controller parameters.
Table A1.
Motor specifications and controller parameters.
| Parameter | Value |
|---|---|
| DC link voltage (V) | 600 |
| Rated Speed (rpm) | 1200 |
| Poles | 12 |
| Phase resistance (m) | 23.14 |
| d-axis self inductance (H) | 309.9 |
| q-axis self inductance (H) | 743.2 |
| d-axis mutual inductance (H) | 260.3 |
| q-axis mutual inductance (H) | 706.1 |
| Flux linkage (Wb) | 0.313 |
| 5th BEMFH (Magnitude: %Fundamental/Phase angle: °) | 2.17%/174.7° |
| 7th BEMFH (Magnitude: %Fundamental/Phase angle: °) | 1.92%/2.5° |
| 11th BEMFH (Magnitude: %Fundamental/Phase angle: °) | 0.69%/−15.4° |
| 13th BEMFH (Magnitude: %Fundamental/Phase angle: °) | 0.45%/175.1° |
| Fundamental frequency current controller bandwidth (rad/s) | 2000 |
References
- Salem, A.; Narimani, M. A Review on Multiphase Drives for Automotive Traction Applications. IEEE Trans. Transp. Electrif. 2019, 5, 1329–1348. [Google Scholar] [CrossRef]
- Qiao, M.; Jiang, C.; Zhu, Y.; Li, G. Research on Design Method and Electromagnetic Vibration of Six-Phase Fractional-Slot Concentrated-Winding PM Motor Suitable for Ship Propulsion. IEEE Access 2016, 4, 8535–8543. [Google Scholar] [CrossRef]
- Aziz, G.A.A.; Amin, M.; El-Sousy, F.F.M.; Gaber, K. MRAS-based Super-Twisting Sliding-Mode Observer with DTC of Six-Phase Induction Motor for Ship Propulsion Application. In Proceedings of the 2020 IEEE Industry Applications Society Annual Meeting, Detroit, MI, USA, 10–16 October 2020; pp. 1–7. [Google Scholar] [CrossRef]
- Batista, G.R.; Salvadori, F.; Jacobina, C.B.; de Freitas, I.S. Fault tolerant high performance drive system using six-phase induction machine. In Proceedings of the 2013 Brazilian Power Electronics Conference, Gramado, Brazil, 27–31 October 2013; pp. 786–792. [Google Scholar] [CrossRef]
- Guo, H.; Guo, S.; Xu, J.; Tian, X. Power Switch Open-Circuit Fault Diagnosis of Six-Phase Fault Tolerant Permanent Magnet Synchronous Motor System Under Normal and Fault-Tolerant Operation Conditions Using the Average Current Park’s Vector Approach. IEEE Trans. Power Electron. 2021, 36, 2641–2660. [Google Scholar] [CrossRef]
- Rubino, S.; Dordevic, O.; Armando, E.; Bojoi, I.R.; Levi, E. A Novel Matrix Transformation for Decoupled Control of Modular Multiphase PMSM Drives. IEEE Trans. Power Electron. 2021, 36, 8088–8101. [Google Scholar] [CrossRef]
- Bojoi, R.; Lazzari, M.; Profumo, F.; Tenconi, A. Digital field-oriented control for dual three-phase induction motor drives. IEEE Trans. Ind. Appl. 2003, 39, 752–760. [Google Scholar] [CrossRef]
- Feng, G.; Lai, C.; Kelly, M.; Kar, N.C. Dual Three-Phase PMSM Torque Modeling and Maximum Torque per Peak Current Control Through Optimized Harmonic Current Injection. IEEE Trans. Ind. Electron. 2019, 66, 3356–3368. [Google Scholar] [CrossRef]
- Hu, Y.; Zhu, Z.-Q.; Liu, K. Current Control for Dual Three-Phase Permanent Magnet Synchronous Motors Accounting for Current Unbalance and Harmonics. IEEE J. Emerg. Sel. Top. Power Electron. 2014, 2, 272–284. [Google Scholar] [CrossRef]
- Zhao, Y.; Lipo, T.A. Space vector PWM control of dual three-phase induction machine using vector space decomposition. IEEE Trans. Ind. Appl. 1995, 31, 1100–1109. [Google Scholar] [CrossRef]
- Mohapatra, K.K.; Kanchan, R.S.; Baiju, M.R.; Tekwani, P.N.; Gopakumar, K. Independent field-oriented control of two split-phase induction motors from a single six-phase inverter. IEEE Trans. Ind. Electron. 2005, 52, 1372–1382. [Google Scholar] [CrossRef]
- Hadiouche, D.; Razik, H.; Rezzoug, A. On the modeling and design of dual-stator windings to minimize circulating harmonic currents for VSI fed AC machines. IEEE Trans. Ind. Appl. 2004, 40, 506–515. [Google Scholar] [CrossRef]
- Yan, L.; Zhu, Z.-Q.; Qi, J.; Ren, Y.; Gan, C.; Brockway, S. Suppression of Major Current Harmonics for Dual Three-Phase PMSMs by Virtual Multi Three-Phase Systems. IEEE Trans. Ind. Electron. 2022, 69, 5478–5490. [Google Scholar] [CrossRef]
- Furmanik, M.; Vidlák, M.; Rafajdus, P. Current Harmonics Control in Six-Phase PMSM. In Proceedings of the 2022 ELEKTRO (ELEKTRO), Krakow, Poland, 23–26 May 2022; pp. 1–5. [Google Scholar] [CrossRef]
- Zhong, Z.; Li, C.; Yin, X. Current Harmonic Elimination for Dual Three-phase PMSM Based on Flux Linkage Harmonic Closed-loop Control. In Proceedings of the 2021 IEEE 16th Conference on Industrial Electronics and Applications (ICIEA), Chengdu, China, 1–4 August 2021; pp. 672–677. [Google Scholar] [CrossRef]
- Zhu, H.; Xiao, X.; Li, Y. Permanent magnet synchronous motor current ripple reduction with harmonic back-EMF compensation. In Proceedings of the 2010 International Conference on Electrical Machines and Systems, Incheon, Republic of Korea, 10–13 October 2010; pp. 1094–1097. [Google Scholar]
- Das, P.P.; Satpathy, S.; Bhattacharya, S.; Veliadis, V. A Feedforward-Based Harmonic Current Minimization Method for Six-Phase Permanent Magnet Synchronous Machine Drives. In Proceedings of the 2023 IEEE Energy Conversion Congress and Exposition (ECCE), Nashville, TN, USA, 29 October–2 November 2023; pp. 5290–5296. [Google Scholar] [CrossRef]
- Huang, P.-S.; Tsai, C.-T.; Hwang, J.-C.; Lin, C.-T.; Lin, Y.-T. Current Harmonics Suppression of Six-Phase Permanent-Magnet Synchronous Motor Drives Using Back-Electromotive Force Harmonics Compensation. Energies 2024, 17, 6280. [Google Scholar] [CrossRef]
- Ruan, Z.; Song, W.; Yan, Y. Current Harmonic Suppression for Dual Three-Phase Permanent Magnet Synchronous Motor Drives. IEEE Access 2019, 143888–143898. [Google Scholar] [CrossRef]
- Feng, G.; Lai, C.; Li, W.; Li, Z.; Kar, N.C. Dual Reference Frame Based Current Harmonic Minimization for Dual Three-Phase PMSM Considering Inverter Voltage Limit. IEEE Trans. Power Electron. 2021, 36, 8055–8066. [Google Scholar] [CrossRef]
- Liu, G.; Chen, B.; Wang, K.; Song, X. Selective Current Harmonic Suppression for High-Speed PMSM Based on High-Precision Harmonic Detection Method. IEEE Trans. Ind. Inform. 2019, 15, 3457–3468. [Google Scholar] [CrossRef]
- Huang, Q.; Niu, W.; Xu, H.; Fang, C.; Shi, L. Analysis on dead-time compensation method for direct-drive PMSM servo system. In Proceedings of the 2013 International Conference on Electrical Machines and Systems (ICEMS), Busan, Republic of Korea, 26–29 October 2013; pp. 1271–1276. [Google Scholar] [CrossRef]
- Lee, J.-H.; Sul, S.-K. Inverter Nonlinearity Compensation Through Deadtime Effect Estimation. IEEE Trans. Power Electron. 2021, 36, 10684–10694. [Google Scholar] [CrossRef]
- Wei, S.; Yong, Y.; Gaolin, W.; Dianguo, X. Accurate inverter error compensation using self-tuning stator current estimation error in sensorless induction motor drives. In Proceedings of the 2014 IEEE Industry Application Society Annual Meeting, Vancouver, BC, Canada, 5–9 October 2014; pp. 1–6. [Google Scholar] [CrossRef]
- Pellegrino, G.; Bojoi, R.I.; Guglielmi, P.; Cupertino, F. Accurate Inverter Error Compensation and Related Self-Commissioning Scheme in Sensorless Induction Motor Drives. IEEE Trans. Ind. Appl. 2010, 46, 1970–1978. [Google Scholar] [CrossRef]
Disclaimer/Publisher’s Note: The statements, opinions and data contained in all publications are solely those of the individual author(s) and contributor(s) and not of MDPI and/or the editor(s). MDPI and/or the editor(s) disclaim responsibility for any injury to people or property resulting from any ideas, methods, instructions or products referred to in the content. |
© 2025 by the authors. Licensee MDPI, Basel, Switzerland. This article is an open access article distributed under the terms and conditions of the Creative Commons Attribution (CC BY) license (https://creativecommons.org/licenses/by/4.0/).