Power Quality Improvement with a Pulse Width Modulation Control Method in Modular Multilevel Converters under Varying Nonlinear Loads
Abstract
1. Introduction
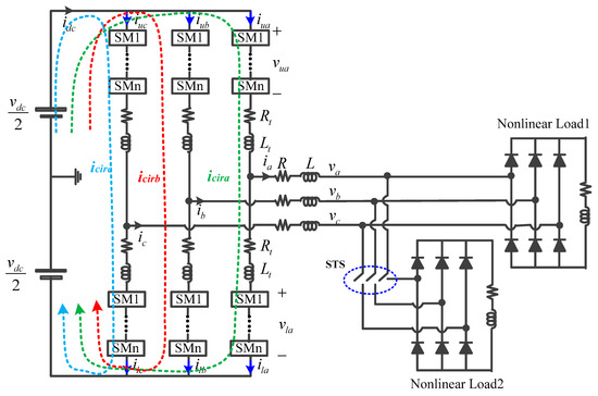
2. The Modular Multilevel Converter (MMC)
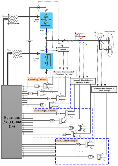
3. The Proposed Control Strategies
3.1. Case 1: Zero Circulating Currents
3.2. Case 2: Circulating Currents with a dc Component and Sinusoidal Second-Order Frequency
3.3. Case 3: Circulating Currents with Harmonic Distortions
4. Evaluation of the Proposed Control Laws
5. Accurate Sizing of the Equivalent SM Capacitors of the MMC Arms
6. Simulation Results
6.1. Voltage Evaluations
6.2. Current Evaluations
7. Conclusions
Author Contributions
Funding
Acknowledgments
Conflicts of Interest
Nomenclature
| Indices | |
| n | 0, −1, 1 |
| j | 1, 2, 5, 7 |
| k | a, b, c |
| Abbreviations | |
| MMC | Modular multilevel converter |
| SLPWM | Shift level pulse width modulation |
| HVDC | High-voltage direct current |
| SMs | Submodules |
| KVL | Kirchhoff’s Voltage Law |
| Variables | |
| ik | Output MMC currents |
| I(u,l)k | Upper and lower arm currents of the MMC |
| icirk | Circulating currents of the MMC |
| MMC dc-link current | |
| vdc | MMC dc-link voltage |
| v(u,l)k | Submodule voltages of the MMC |
| vk | Output voltages of the MMC |
| Imj | Maximum magnitude of the jth harmonic of the output current |
| vmj | Maximum magnitude of the jth harmonic of the output voltage |
| Idc_cir | dc component of the circulating current |
| Imcirj | Maximum magnitude of the jth harmonic of the circulating current |
| βj | Angle difference between the output current and voltage |
| αcirj | Phase difference of the circulating current |
| Parameters | |
| L | Output inductance of the MMC |
| R | Output resistance of the MMC |
| Lt | Arm inductance of the MMC |
| Rt | Arm resistance of the MMC |
| ω1 | Fundamental angular frequency of the MMC |
| ωj | jth-order angular frequency of the MMC variables |
| C(u,l)k | Equivalent SM capacitors of the MMC arms |
References
- Mehrasa, M.; Lesan, S.; Emeni, S.N.H.; Sheikholeslami, A. Passivity-based Control with Dual Lagrangian Model of Four-Wire Three-Level Three-Phase NPC Voltage-Source Rectifier. In Proceedings of the IEEE Conference Compatibility and Power Electronics, Badajoz, Spain, 20–22 May 2009; pp. 411–418. [Google Scholar]
- Babaie, M.; Sharifzadeh, M.; Mehrasa, M.; Chouinard, G.; Al-Haddad, K. Supervised Learning Model Predictive Control Trained by ABC Algorithm for Common Mode Voltage Suppression in NPC Inverter. IEEE J. Emerg. Sel. Top. Power Electron. 2020. [Google Scholar] [CrossRef]
- Babaie, M.; Sharifzadeh, M.; Mehrasa, M.; Baillargeon, L.; Al-Haddad, K. A Robust Fuzzy-Based Control Technique for Grid-Connected Operation of Sensor-Less PUC5 Inverter. In Proceedings of the 44th Annual Conference of the IEEE Industrial Electronics Society, Washington, DC, USA, 21–23 October 2018; pp. 5272–5276. [Google Scholar]
- Cupertino, A.F.; Farias, J.V.M.; Pereira, H.A.; Seleme, S.I.; Teodorescu, R. Comparison of DSCC and SDBC Modular Multilevel Converters for STATCOM Application During Negative Sequence Compensation. IEEE Trans. Ind. Electron. 2019, 66, 2302–2312. [Google Scholar] [CrossRef]
- Li, N.; Gao, F.; Hao, T.; Ma, Z.; Zhang, C. SOH Balancing Control Method for the MMC Battery Energy Storage System. IEEE Trans. Ind. Electron. 2018, 65, 6581–6591. [Google Scholar] [CrossRef]
- Fan, B.; Li, Y.; Wang, K.; Zheng, Z.; Xu, L. Hierarchical System Design and Control of an MMC-Based Power-Electronic Transformer. IEEE Trans. Ind. Inform. 2017, 13, 238–247. [Google Scholar] [CrossRef]
- Ferreira, V.D.N.; Cupertino, A.F.; Pereira, H.A.; Rocha, A.V.; Seleme, S.I.; Filho, B.D.J.C.; Cardoso, B. Design and Selection of High Reliability Converters for Mission Critical Industrial Applications: A Rolling Mill Case Study. IEEE Trans. Ind. Appl. 2018, 54, 4938–4947. [Google Scholar] [CrossRef]
- Mehrasa, M.; Pouresmaeil, E.; Zabihi, S.; Catalão, J.P.S. Dynamic Model, Control and Stability Analysis of MMC in HVDC Transmission Systems. IEEE Trans. Power Deliv. 2017, 32, 1471–1482. [Google Scholar] [CrossRef]
- Sharifzadeh, M.; Mehrasa, M.; Babaie, M.; Al-Haddad, K. Stable Frequency Response for Multi-Terminal MMC-HVDC System with DC Voltage Fluctuations. In Proceedings of the 45th Annual Conference of the IEEE Industrial Electronics Society (IECON), Lisbon, Portugal, 14–17 October 2019; pp. 3577–3582. [Google Scholar]
- Mehrasa, M. Control of Modular Multilevel Converters in High Voltage Direct Current Power Systems. Ph.D. Thesis, University of Beira Interior, Covilha, Portugal, June 2019. [Google Scholar]
- Alexander, A.; Thathan, M. Modelling and analysis of modular multilevel converter for solar photovoltaic applications to improve power quality. IET Renew. Power Gener. 2015, 9, 78–88. [Google Scholar] [CrossRef]
- Shahnazian, F.; Adabi, J.; Pouresmaeil, E.; Mehrasa, M.; Catalão, J.P.S. Circulating Current Elimination of Grid-Connected Modular Multilevel Converters. In Proceedings of the IEEE International Conference on Environment and Electrical Engineering and 2018 IEEE Industrial and Commercial Power Systems Europe (EEEIC / I&CPS Europe), Palermo, Italy, 12–15 June 2018; pp. 1–6. [Google Scholar]
- Marzoughi, A.; Burgos, R.; Boroyevich, D.; Xue, Y. Design and Comparison of Cascaded H-Bridge, Modular Multilevel Converter, and 5-L Active Neutral Point Clamped Topologies for Motor Drive Applications. IEEE Trans. Ind. Appl. 2018, 54, 1404–1413. [Google Scholar] [CrossRef]
- Ahmadijokani, M.; Mehrasa, M.; Sleiman, M.; Sharifzadeh, M.; Sheikholeslami, A.; Al-Haddad, K. A Back-Stepping Control Method for Modular Multilevel Converters. IEEE Trans. Ind. Electron. 2020. [Google Scholar] [CrossRef]
- Mehrasa, M.; Pouresmaeil, E.; Zabihi, S.; Vechiu, I.; Catalao, J.P.S. A Multi-Loop Control Technique for the Stable Operation of Modular Multilevel Converters in HVDC Transmission Systems. Int. J. Electr. Power Energy Syst. 2018, 96, 194–207. [Google Scholar] [CrossRef]
- Mehrasa, M.; Pouresmaeil, E.; Taheri, S.; Vechiu, I.; Catalao, J.P.S. Novel Control Strategy for Modular Multilevel Converters based on Differential Flatness Theory. IEEE J. Emerg. Sel. Top. Power Electron. 2017, 6, 888–897. [Google Scholar] [CrossRef]
- Picas, R.; Ceballos, S.; Pou, J.; Zaragoza, J.; Konstantinou, G.; Agelidis, V.G. Closed-Loop Discontinuous Modulation Technique for Capacitor Voltage Ripples and Switching Losses Reduction in Modular Multilevel Converters. IEEE Trans. Power Electron. 2015, 30, 4714–4725. [Google Scholar] [CrossRef]
- Tu, Q.; Xu, Z.; Xu, L. Reduced Switching-Frequency Modulation and Circulating Current Suppression for Modular Multilevel Converters. IEEE Trans. Power Deliv. 2011, 26, 2009–2017. [Google Scholar]
- Mo, R.; Li, H.; Shi, Y. A Phase-shifted Square Wave Modulation (PS-SWM) for Modular Multilevel Converter (MMC) and DC Transformer for Medium Voltage Applications. IEEE Trans. Power Electron. 2018, 34, 6004–6008. [Google Scholar] [CrossRef]
- Kim, S.; Jeong, M.; Kim, J.; Lee, K. Hybrid Modulation Scheme for Switching Losses Reduction in a Modular Multilevel High-voltage Direct Current Converter. IEEE Trans. Power Electron. 2018, 34, 3178–3191. [Google Scholar] [CrossRef]
- Deng, Y.; Wang, Y.; Teo, K.H.; Harley, R.G. A Simplified Space Vector Modulation Scheme for Multilevel Converters. IEEE Trans. Power Electron. 2016, 31, 1873–1886. [Google Scholar] [CrossRef]
- Dekka, A.; Wu, B.; Zargari, N.R.; Fuentes, R.L. A Space-Vector PWM-Based Voltage-Balancing Approach with Reduced Current Sensors for Modular Multilevel Converter. IEEE Trans. Ind. Electron. 2016, 63, 2734–2745. [Google Scholar] [CrossRef]
- Aleenejad, M.; Mahmoudi, H.; Jafarishiadeh, S.; Ahmadi, R. Fault-Tolerant Space Vector Modulation for Modular Multilevel Converters with Bypassed Faulty Submodules. IEEE Trans. Ind. Electron. 2019, 66, 2463–2473. [Google Scholar] [CrossRef]
- Ronanki, D.; Williamson, S.S. A Simplified Space Vector Pulse Width Modulation Implementation in Modular Multilevel Converters for Electric Ship Propulsion Systems. IEEE Trans. Transp. Electrif. 2018, 5, 335–342. [Google Scholar] [CrossRef]
- Deng, Y.; Wang, Y.; Teo, K.H.; Saeedifard, M.; Harley, R.G. Optimized Control of the Modular Multilevel Converter Based on Space Vector Modulation. IEEE Trans. Power Electron. 2018, 33, 5697–5711. [Google Scholar] [CrossRef]
- Zhou, D.; Yang, S.; Tang, Y. Model Predictive Current Control of Modular Multilevel Converters with Phase-Shifted Pulse-Width Modulation. IEEE Trans. Ind. Electron. 2018, 66, 4368–4378. [Google Scholar] [CrossRef]
- Edpuganti, A.; Rathore, A.K. Optimal Pulsewidth Modulation of Medium-Voltage Modular Multilevel Converter. IEEE Trans. Ind. Appl. 2016, 52, 3435–3442. [Google Scholar] [CrossRef]
- McGrath, B.P.; Teixeira, C.A.; Holmes, D.G. Optimized Phase Disposition (PD) Modulation of a Modular Multilevel Converter. IEEE Trans. Ind. Appl. 2017, 53, 4624–4633. [Google Scholar] [CrossRef]
- Mehrasa, M.; Sharifzadeh, M.; Sheikholeslami, A.; Pouresmaeil, E.; Catalao, J.P.S.; Al-Haddad, K. A Control Strategy based on the Upper and Lower’s Arms Modulation Functions of MMC in HVDC Applications. In Proceedings of the IEEE International Conference on Industrial Technology (ICIT), Lyon, France, 20–22 February 2018; pp. 1873–1878. [Google Scholar]
- Edpuganti, A.; Rathore, A.K. Optimal Pulsewidth Modulation for Common-Mode Voltage Elimination Scheme of Medium-Voltage Modular Multilevel Converter-Fed Open-End Stator Winding Induction Motor Drives. IEEE Trans. Ind. Electron. 2017, 64, 848–856. [Google Scholar] [CrossRef]
- Mehrasa, M.; Pouresmaeil, E.; Akorede, M.F.; Zabihi, S.; Catalão, J.P.S. Function-based Modulation Control for Modular Multilevel Converters Under Varying Loading and Parameters Conditions. IET Gener. Transm. Distrib. 2017, 11, 3222–3230. [Google Scholar] [CrossRef]
- Dekka, A.; Wu, B.; Zargari, N.R. A Novel Modulation Scheme and Voltage Balancing Algorithm for Modular Multilevel Converter. IEEE Trans. Ind. Appl. 2016, 52, 432–443. [Google Scholar] [CrossRef]
- Mehrasa, M.; Pouresmaeil, E.; Zabihi, S.; Trujillo Caballero, J.C.; Catalão, J.P.S. A Novel Modulation Function-Based Control of Modular Multilevel Converters for High Voltage Direct Current Transmission Systems. Energies 2016, 9, 867. [Google Scholar] [CrossRef]
- Tiezhu, W.; Lei, W.; Junxian, H.; Yifeng, D.; Yi, W.; Shanshan, W. Modified modulation strategy of MMC for wind farm integration. J. Eng. 2017, 2017, 1186–1190. [Google Scholar] [CrossRef]
- Du, S.; Liu, J.; Liu, T. Modulation and Closed-Loop-Based DC Capacitor Voltage Control for MMC with Fundamental Switching Frequency. IEEE Trans. Power Electron. 2015, 30, 327–338. [Google Scholar] [CrossRef]
- Mehrasa, M.; Hosseini, S.k.; Taheri, S.; Pouresmaeil, E.; Catalão, J.P.S. Dynamic performance control of modular multilevel converters in HVDC transmission systems. In Proceedings of the IEEE Electrical Power and Energy Conference (EPEC), Ottawa, ON, Canada, 12–14 October 2016; pp. 1–6. [Google Scholar]
- Pouresmaeil, E.; Mehrasa, M.; Shokridehaki, M.A.; Rodrigues, E.M.G.; Catalão, J.P.S. Control of modular multilevel converters for integration of distributed generation sources into the power grid. In Proceedings of the IEEE International Conference on Smart Energy Grid Engineering (SEGE), Oshawa, ON, Canada, 17–19 August 2015; pp. 1–6. [Google Scholar]
- Pouresmaeil, E.; Mehrasa, M.; Rodrigues, E.; Godina, R.; Catalão, J.P.S. Control of Modular Multilevel Converters Under Loading Variations in Distributed Generation Applications. In Proceedings of the 2018 IEEE International Conference on Environment and Electrical Engineering and 2018 IEEE Industrial and Commercial Power Systems Europe (EEEIC/I&CPS Europe), Palermo, Italy, 12–15 June 2018; pp. 1–6. [Google Scholar]























| Parameters | Value | Parameters | Value |
|---|---|---|---|
| MMC Inductance (H) | 1 × 10−3 | SM Number | 10 |
| MMC resistance (Ohm) | 1 | Fundamental Frequency (Hz) | 60 |
| MMC Arm Inductance (H) | 2.5 × 10−3 | Switching Frequency (kHz) | 20 |
| MMC Arm Resistance (Ohm) | 0.1 | The Impedance of First Nonlinear Load (Ohm) | 81 |
| SM Voltage (V) | 40 | The Impedance of Second Nonlinear Load (Ohm) | 92 |
| dc-Link Voltage (V) | 400 | Maximum Output Voltage (V) | 200 |
| Error of | Method1 (SS) | Method2 (SS) | Method3 (SS) | Method1 (DS) | Method2 (DS) | Method3 (DS) |
|---|---|---|---|---|---|---|
| Upper capacitor voltage | 1.55% | 1.25% | 1.09% | 2% | 1.625% | 1.34% |
| Lower capacitor voltage | 1.3% | 1.252% | 1.125% | 2.25% | 2.02% | 2.01% |
| Circulating current magnitude | [−3, 2.1] | [−1.35, 1.15] | [−0.7, 0.6] | [−3.9, 2.4] | [−1.5, 1.3] | [−0.86, 0.7] |
© 2020 by the authors. Licensee MDPI, Basel, Switzerland. This article is an open access article distributed under the terms and conditions of the Creative Commons Attribution (CC BY) license (http://creativecommons.org/licenses/by/4.0/).
Share and Cite
Mehrasa, M.; Godina, R.; Pouresmaeil, E.; M. G. Rodrigues, E.; Catalão, J.P.S. Power Quality Improvement with a Pulse Width Modulation Control Method in Modular Multilevel Converters under Varying Nonlinear Loads. Appl. Sci. 2020, 10, 3292. https://doi.org/10.3390/app10093292
Mehrasa M, Godina R, Pouresmaeil E, M. G. Rodrigues E, Catalão JPS. Power Quality Improvement with a Pulse Width Modulation Control Method in Modular Multilevel Converters under Varying Nonlinear Loads. Applied Sciences. 2020; 10(9):3292. https://doi.org/10.3390/app10093292
Chicago/Turabian StyleMehrasa, Majid, Radu Godina, Edris Pouresmaeil, Eduardo M. G. Rodrigues, and João P. S. Catalão. 2020. "Power Quality Improvement with a Pulse Width Modulation Control Method in Modular Multilevel Converters under Varying Nonlinear Loads" Applied Sciences 10, no. 9: 3292. https://doi.org/10.3390/app10093292
APA StyleMehrasa, M., Godina, R., Pouresmaeil, E., M. G. Rodrigues, E., & Catalão, J. P. S. (2020). Power Quality Improvement with a Pulse Width Modulation Control Method in Modular Multilevel Converters under Varying Nonlinear Loads. Applied Sciences, 10(9), 3292. https://doi.org/10.3390/app10093292

