Research on the Suppression Method of Low-Order Harmonic Currents for Active Power Filters Using Quasi-Proportional Resonance Control
Abstract
1. Introduction
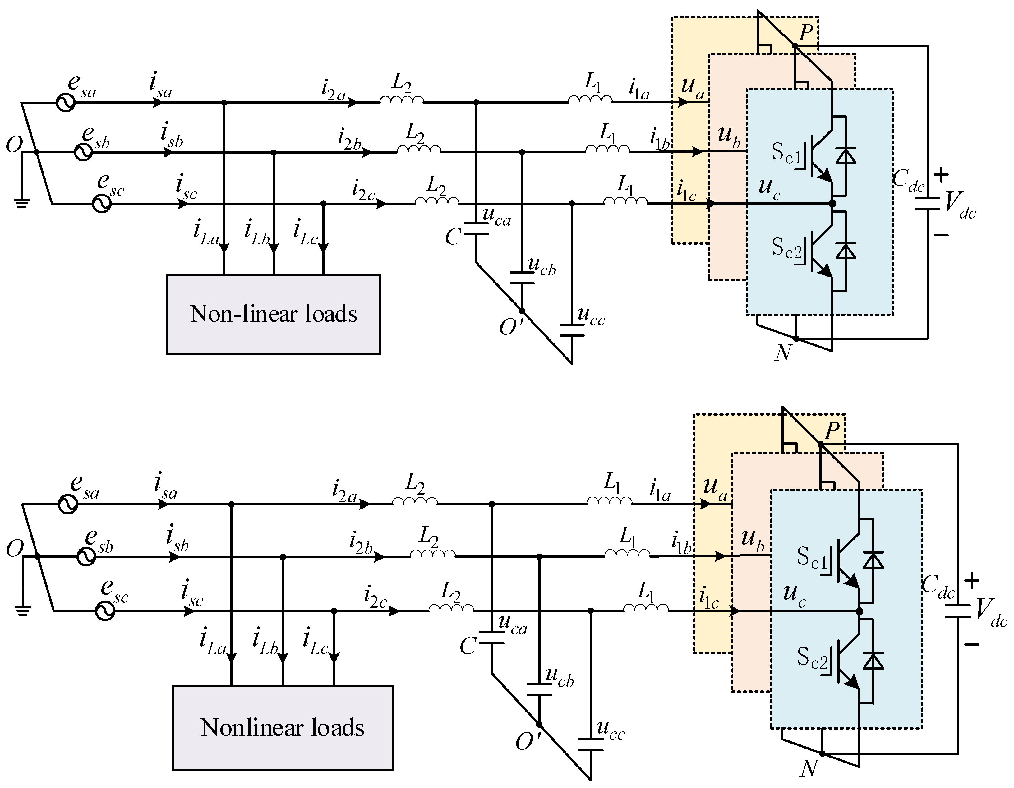
2. APF Topology and Mathematical Model
3. Control Strategy and Parameter Optimization
3.1. QPR Control Strategy Proposal
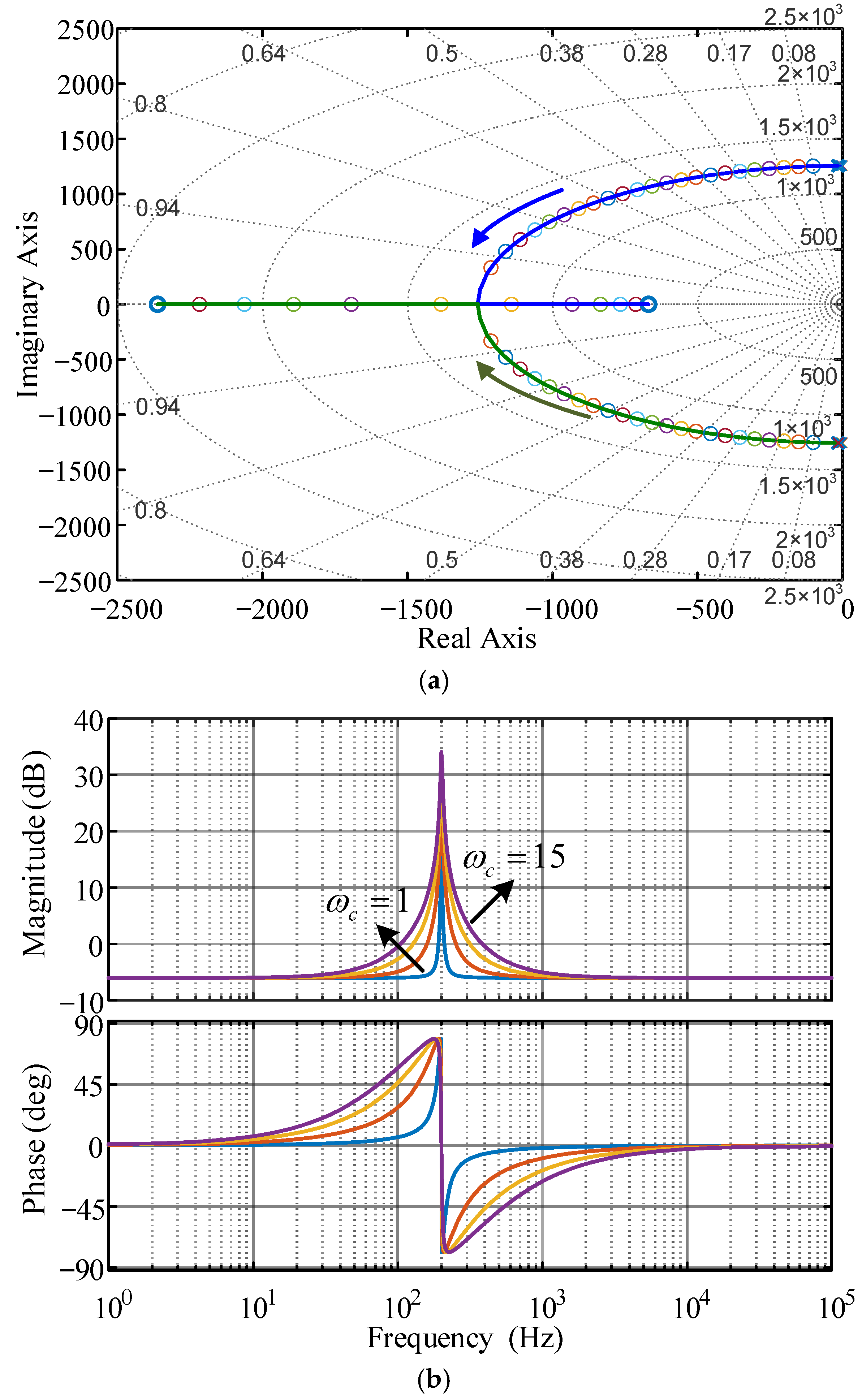
3.2. Quasi-PR Control Parameter Setting
- (1)
- The influence of control parameter .
- (2)
- The influence of control parameter .
- (3)
- The influence of control parameter .
4. Experimental Results
5. Conclusions
Author Contributions
Funding
Data Availability Statement
Conflicts of Interest
References
- Lin, Z.; He, L.; Zhou, H. Adaptive Low-Order Harmonic Currents Suppression in AC Power System Using Fractional-Order Circuit. IEEE Trans. Circuits Syst. I Regul. Pap. 2024, 71, 4446–4457. [Google Scholar] [CrossRef]
- Balenciaga, J.X.; Alcaide, A.M.; Leon, J.I.; Aldazabal, E.; Madariaga, D.; Legarra, I.; Franquelo, L.G. Discontinuous PWM Technique with Reduced Low-Order Harmonic Distortion for High-Power Applications. IEEE Trans. Ind. Electron. 2023, 70, 9741–9750. [Google Scholar] [CrossRef]
- Wang, S.; Li, Y.; Zhang, M.; Peng, Y.; Tian, Y.; Lin, G.; Chang, F. Harmonic Resonance Suppression With Inductive Power Filtering Method: Case Study of Large- Scale Photovoltaic Plant in China. IEEE Trans. Power Electron. 2023, 38, 6444–6454. [Google Scholar] [CrossRef]
- Xue, G.; Chen, B.; Tian, C.; Yuan, J.; Zhou, Y.; Chen, G.; Luo, Y.; Chen, Y. A Novel Hybrid Active Power Filter with Multi-Coupled Coils. Electronics 2021, 10, 998. [Google Scholar] [CrossRef]
- Freitas, S.; Oliveira, L.C.; Oliveira, P.; Exposto, B.; Pinto, J.G.; Afonso, J.L. New Topology of a Hybrid, Three-Phase, Four-Wire Shunt Active Power Filter. Energies 2023, 16, 1384. [Google Scholar] [CrossRef]
- Xiang, Z.; Pang, Y.; Wang, L.; Wong, C.-K.; Lam, C.-S.; Wong, M.-C. Design, control and comparative analysis of an LCLC coupling hybrid active power filter. IET Power Electron. 2020, 13, 1207–1217. [Google Scholar] [CrossRef]
- Amerise, A.; Mengoni, M.; Rizzoli, G.; Zarri, L.; Tani, A.; Casadei, D. Comparison of Three Voltage Saturation Algorithms in Shunt Active Power Filters With Selective Harmonic Control. IEEE Trans. Ind. Appl. 2020, 56, 2762–2772. [Google Scholar] [CrossRef]
- Liu, J.; Dai, S.; Chen, Q.; Tao, K. Modelling and Industrial Application of Series Hybrid Active Power Filter. IET Power Electron. 2013, 6, 1707–1714. [Google Scholar]
- Baliyan, A.; Jamil, M.; Rizwan, M.; Alsaidan, I.; Alaraj, M. An Intelligent PI Controller-Based Hybrid Series Active Power Filter for Power Quality Improvement. Math. Probl. Eng. 2021, 2021, 1–10. [Google Scholar] [CrossRef]
- Li, Z.; Ren, M.; Chen, Z.; Liu, G.; Feng, D. A Bi-Sliding Mode PI Control of DC-Link Voltage of Three-Phase Three-Wire Shunt Active Power Filter. IEEE J. Emerg. Sel. Top. Power Electron. 2022, 10, 7581–7588. [Google Scholar] [CrossRef]
- Gao, C.; He, S.; Cui, B.; Zhang, B.; Ming, L.; Leung, K.N.; Loh, P.C. Quantization Effects on Digital-PR-Controlled Active Power Filter. IEEE J. Emerg. Sel. Top. Power Electron. 2023, 11, 5785–5797. [Google Scholar] [CrossRef]
- Wang, D.F.; Qian, J.L.; Bao, Y.X. The Active Power Filter Research Based on ANN Harmonic Detection and PR Control. Adv. Mater. Res. 2011, 403–408, 1668–1671. [Google Scholar] [CrossRef]
- Zhang, G.; Hu, W.; Cao, D.; Huang, Q.; Yi, J.; Chen, Z.; Blaabjerg, F. Deep Reinforcement Learning-Based Approach for Proportional Resonance Power System Stabilizer to Prevent Ultra-Low-Frequency Oscillations. IEEE Trans. Smart Grid 2020, 11, 5260–5272. [Google Scholar] [CrossRef]
- Mohammad, A.; Haneen Ghanayem, R.M. Nelms, Shunt Active Power Filter Voltage Sensorless Method Using A PR Controller for Unbalanced Grid Conditions. Energy Rep. 2023, 9 (Suppl. S1), 1056–1064. [Google Scholar]
- Bernet, D.; Stefanski, L.; Hiller, M. Integrating Voltage-Source Active Filters Into Grid-Connected Power Converters—Modeling, Control, and Experimental Verification. IEEE Trans. Power Electron. 2021, 36, 12218–12233. [Google Scholar] [CrossRef]
- An, Q.; Zhang, J.; An, Q.; Shamekov, A. Quasi-Proportional-Resonant Controller Based Adaptive Position Observer for Sensorless Control of PMSM Drives Under Low Carrier Ratio. IEEE Trans. Ind. Electron. 2020, 67, 2564–2573. [Google Scholar] [CrossRef]
- Liu, Z.; Huang, W.; Liu, S.; Wu, X.; Lai, C.S.; Yang, Y. An Improved Hydraulic Energy Storage Wave Power-Generation System Based on QPR Control. Energies 2023, 16, 647. [Google Scholar] [CrossRef]
- Tian, Y.; Xu, L.; Wu, Y.; Lu, J.; Li, J.; Mao, Z.; Mao, H.; Wang, P.; He, R. Impulse power detection for fusion power supply based on cascaded quasi-proportion resonance. Fusion Eng. Des. 2023, 189, 113431. [Google Scholar] [CrossRef]
- Cui, Y.; Yin, Z.; Luo, P.; Yuan, D.; Liu, J. Linear Active Disturbance Rejection Control of IPMSM Based on Quasi-Proportional Resonance and Disturbance Differential Compensation Linear Extended State Observer. IEEE Trans. Ind. Electron. 2024, 71, 11910–11924. [Google Scholar] [CrossRef]
- Zhe, W.; Ishak, D.; Hamidi, M.N. A Grid-Connected Inverter with Grid-Voltage-Weighted Feedforward Control Based on the Quasi-Proportional Resonance Controller for Suppressing Grid Voltage Disturbances. Energies 2024, 17, 885. [Google Scholar] [CrossRef]
- Zmood, D.N.; Holmes, D.G. Stationary frame current regulation of PWM inverters with zero steady-state error. IEEE Trans. Power Electron. 2003, 18, 814–822. [Google Scholar] [CrossRef]
- Behera, S.; Naik, N.V.R.; Panda, A.K.; Behera, S.K. Advanced off-board bidirectional electric vehicle charger with enhanced power quality and supporting grid resilience. Electr. Eng. 2023, 106, 3231–3242. [Google Scholar] [CrossRef]









| Symbol | Quantity | Values |
|---|---|---|
| DC-side capacitor | 2 mF | |
| DC-side voltage | 750 V | |
| Inverter-side inductance | 0.5 mH | |
| Filter capacitance | 6 µF | |
| Grid-side inductance | ||
| Virtual resistor | 1.5 Ω | |
| Grid voltage | 380 V | |
| Fundamental frequency | 50 Hz | |
| Switching frequency | 20 kHz | |
| Proportional coefficient of PI controller | 80 | |
| Integral coefficient of PI controller | 10 | |
| Proportional coefficient of QPR controller | 100 | |
| Resonance coefficient of QPR controller | 12 | |
| Cut-off frequency | 10 rad/s |
Disclaimer/Publisher’s Note: The statements, opinions and data contained in all publications are solely those of the individual author(s) and contributor(s) and not of MDPI and/or the editor(s). MDPI and/or the editor(s) disclaim responsibility for any injury to people or property resulting from any ideas, methods, instructions or products referred to in the content. |
© 2025 by the authors. Licensee MDPI, Basel, Switzerland. This article is an open access article distributed under the terms and conditions of the Creative Commons Attribution (CC BY) license (https://creativecommons.org/licenses/by/4.0/).
Share and Cite
Zhang, S.; Huang, H.; Li, Y. Research on the Suppression Method of Low-Order Harmonic Currents for Active Power Filters Using Quasi-Proportional Resonance Control. Energies 2025, 18, 5697. https://doi.org/10.3390/en18215697
Zhang S, Huang H, Li Y. Research on the Suppression Method of Low-Order Harmonic Currents for Active Power Filters Using Quasi-Proportional Resonance Control. Energies. 2025; 18(21):5697. https://doi.org/10.3390/en18215697
Chicago/Turabian StyleZhang, Sihai, Haihong Huang, and Yu Li. 2025. "Research on the Suppression Method of Low-Order Harmonic Currents for Active Power Filters Using Quasi-Proportional Resonance Control" Energies 18, no. 21: 5697. https://doi.org/10.3390/en18215697
APA StyleZhang, S., Huang, H., & Li, Y. (2025). Research on the Suppression Method of Low-Order Harmonic Currents for Active Power Filters Using Quasi-Proportional Resonance Control. Energies, 18(21), 5697. https://doi.org/10.3390/en18215697
