Sign in to use this feature.

Years

Between: -

Subjects

remove_circle_outline
remove_circle_outline
remove_circle_outline
remove_circle_outline
remove_circle_outline
remove_circle_outline
remove_circle_outline
remove_circle_outline
remove_circle_outline

Journals

remove_circle_outline
remove_circle_outline
remove_circle_outline
remove_circle_outline
remove_circle_outline
remove_circle_outline
remove_circle_outline
remove_circle_outline
remove_circle_outline
remove_circle_outline
remove_circle_outline
remove_circle_outline
remove_circle_outline
remove_circle_outline
remove_circle_outline
remove_circle_outline
remove_circle_outline
remove_circle_outline
remove_circle_outline
remove_circle_outline
remove_circle_outline
remove_circle_outline
remove_circle_outline

Article Types

Countries / Regions

remove_circle_outline
remove_circle_outline
remove_circle_outline
remove_circle_outline
remove_circle_outline
remove_circle_outline
remove_circle_outline
remove_circle_outline
remove_circle_outline
remove_circle_outline

Search Results (3,861)

Search Parameters:
Keywords = extreme learning machine

Order results
Result details
Results per page
Select all
Export citation of selected articles as:
14 pages, 3038 KB  
Article
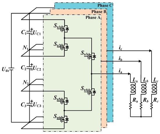
Fault Diagnosis Method of Four-Level Converter Based on Improved Dual-Kernel Extreme Learning Machine
by Ning Xie, Duotong Yang, Xiaohui Cao and Zhenglei Wang
World Electr. Veh. J. 2025, 16(11), 617; https://doi.org/10.3390/wevj16110617 - 12 Nov 2025
Abstract
To ensure the reliable operation of power converters and prevent catastrophic failures, this paper proposes a novel online fault diagnosis strategy for a four-level converter. The core of this strategy is an optimized multi-kernel extreme learning machine model. Specifically, the model extracts multi-scale [...] Read more.
To ensure the reliable operation of power converters and prevent catastrophic failures, this paper proposes a novel online fault diagnosis strategy for a four-level converter. The core of this strategy is an optimized multi-kernel extreme learning machine model. Specifically, the model extracts multi-scale features from three-phase output currents by combining Gaussian and polynomial kernels and employs particle swarm optimization to determine the optimal kernel fusion scheme. Experimental validation was performed on an online diagnosis platform for a four-level converter. The results show that the proposed method achieves a high diagnostic accuracy of 99.35% for open-circuit faults. Compared to conventional methods, this strategy significantly enhances diagnostic speed and accuracy through its optimized multi-kernel mechanism. Full article
(This article belongs to the Section Power Electronics Components)
Show Figures

Figure 1

28 pages, 8585 KB  
Article
Benchmarking Hierarchical and Spectral Clustering for Geochemical Baseline and Anomaly Detection in Hyper-Arid Soils of Northern Chile
by Georginio Ananganó-Alvarado, Brian Keith-Norambuena, Elizabeth J. Lam, Ítalo L. Montofré, Angélica Flores, Carolina Flores and Jaume Bech
Minerals 2025, 15(11), 1185; https://doi.org/10.3390/min15111185 - 11 Nov 2025
Abstract
Establishing robust geochemical baselines in the hyper-arid Atacama Desert remains challenging because of extreme climatic gradients, polymetallic mineralisation, and decades of intensive mining. To disentangle natural lithogeochemical signals from anthropogenic inputs, a region-wide, multi-institutional soil dataset (1404 samples; 32 elements) was compiled. The [...] Read more.
Establishing robust geochemical baselines in the hyper-arid Atacama Desert remains challenging because of extreme climatic gradients, polymetallic mineralisation, and decades of intensive mining. To disentangle natural lithogeochemical signals from anthropogenic inputs, a region-wide, multi-institutional soil dataset (1404 samples; 32 elements) was compiled. The analytical workflow integrated compositional data analysis (CoDA) with isometric log-ratio transformation (ILR), principal component analysis (PCA), robust principal component analysis (RPCA), and consensus anomaly detection via hierarchical (HC) and spectral clustering (SC), applied both with and without spatial coordinates to capture compositional structure and geographic autocorrelation. Optimal cluster solutions differed among laboratory subsets (k = 2–17), reflecting instrument-specific biases. The dual workflows flagged 76 (geochemical-only) and 83 (geo-spatial) anomalies, of which 33 were jointly identified, yielding high-confidence exclusions. Regional baselines for 13 priority elements were subsequently computed, producing thresholds such as As = 66.9 mg · kg−1, Pb = 53.6 mg · kg−1, and Zn = 166.8 mg · kg−1. Incorporating spatial variables generated more coherent, lithology-aligned clusters without sacrificing sensitivity to geochemical extremes (Jaccard index = 0.26). These findings demonstrate that a reproducible, compositional-aware machine learning workflow can separate overlapping geogenic and anthropogenic signatures in heterogeneous terrains. The resulting baselines provide an operational reference for environmental monitoring in northern Chile and a transferable template for other arid mining locations. Full article
(This article belongs to the Section Environmental Mineralogy and Biogeochemistry)
Show Figures

Figure 1

20 pages, 6537 KB  
Article
Accuracy Assessment of Remote Sensing Forest Height Retrieval for Sustainable Forest Management: A Case Study of Shangri-La
by Haoxiang Xu, Xiaoqing Zuo, Yongfa Li, Xu Yang, Yuran Zhang and Yunchuan Li
Sustainability 2025, 17(22), 10067; https://doi.org/10.3390/su172210067 - 11 Nov 2025
Abstract
Forest height is a critical parameter for understanding ecosystem functions, assessing carbon stocks, and supporting sustainable forest management. Its accurate measurement is essential for climate change mitigation and understanding the global carbon cycle. While traditional methods like field surveys and airborne LiDAR provide [...] Read more.
Forest height is a critical parameter for understanding ecosystem functions, assessing carbon stocks, and supporting sustainable forest management. Its accurate measurement is essential for climate change mitigation and understanding the global carbon cycle. While traditional methods like field surveys and airborne LiDAR provide accurate measurements, their high costs and limited spatial coverage make them impractical for the large-scale, dynamic monitoring required for effective sustainability initiatives. This research presents a multi-source remote sensing fusion approach to tackle this problem. For regional forest height inversion, it includes Sentinel-1 SAR, Sentinel-2 multispectral images, ICESat-2 lidar, and SRTM DEM data. Sentinel-1 + ICESat-2 + SRTM, Sentinel-2 + ICESat-2 + SRTM, and Sentinel-1 + Sentinel-2 + ICESat-2 + SRTM were the three data combination methods built using Shangri-La Second-class Category Resource Survey data as ground truth. An accuracy assessment was performed using three machine learning models: Light Gradient Boosting (LightGBM), Extreme Gradient Boosting (XGBoost), and Random Forest (RF). Based on the results, the ideal configuration using the LightGBM model and the following sensors: Sentinel-1, Sentinel-2, ICESat-2, and SRTM yields a correlation coefficient of 0.72, an RMSE of 5.52 m, and an MAE of 4.08 m. The XGBoost model obtained r = 0.716, RMSE = 5.55 m, and MAE = 4.10 m using the same data combination as the Random Forest model, which produced r = 0.706, RMSE = 5.63 m, and MAE = 4.16 m. The multi-source comprehensive fusion technique produced the greatest results; however, including either Sentinel-1 or Sentinel-2 enhances model performance, according to comparisons across multiple data combinations. This work presents an efficient technological strategy for monitoring forest height in complex terrains, thereby providing a scalable and robust methodological reference for supporting sustainable forest management and large-scale ecological assessment. The proposed multi-source spatiotemporal fusion framework, coupled with systematic model evaluation, demonstrates significant potential for operational applications, especially in regions with limited LiDAR coverage. Full article
(This article belongs to the Section Sustainable Forestry)
21 pages, 5242 KB  
Article
Flood Risk Analysis with Explainable Geospatial Artificial Intelligence (GeoAI) Techniques
by Mirac Taha Derman and Muhammed Oguzhan Mete
Systems 2025, 13(11), 1007; https://doi.org/10.3390/systems13111007 - 10 Nov 2025
Abstract
Extreme precipitation events, rapid urbanization, and irregular land use have significantly increased flood risk in recent years. In order to mitigate risks and enhance urban resilience, there is a need for the integration of innovative approaches with classical disaster management methods. This study [...] Read more.
Extreme precipitation events, rapid urbanization, and irregular land use have significantly increased flood risk in recent years. In order to mitigate risks and enhance urban resilience, there is a need for the integration of innovative approaches with classical disaster management methods. This study uses geospatial artificial intelligence (GeoAI) methods to develop a flood risk analysis model. The proposed methodology is applied in the Marmara Region of Türkiye as a case study to highlight flood risk by evaluating factors such as precipitation, drainage density, and distance to waterways, population density, topography, water flow direction, and accumulation. Areas with high flood risk in the region are identified through the integration of hazard and vulnerability assessments, and explainable artificial intelligence (XAI) techniques are employed to identify the most significant factors contributing to flood susceptibility. Thus, a flood risk map of the Marmara Region is produced for eleven cities, utilizing open-source and government data to serve as an accessible guide for decision makers. This study aims to develop a flood risk analysis model through the integration of AHP-based hazard analysis and machine learning-based vulnerability assessment. This comprehensive hybrid approach facilitates the development of strategies for practical disaster risk reduction studies in a data-driven manner. Full article
Show Figures

Figure 1

27 pages, 3207 KB  
Article
Interpolation and Machine Learning Methods for Sub-Hourly Missing Rainfall Data Imputation in a Data-Scarce Environment: One- and Two-Step Approaches
by Mohamed Boukdire, Çağrı Alperen İnan, Giada Varra, Renata Della Morte and Luca Cozzolino
Hydrology 2025, 12(11), 297; https://doi.org/10.3390/hydrology12110297 - 10 Nov 2025
Abstract
Complete sub-hourly rainfall datasets are critical for accurate flood modeling, real-time forecasting, and understanding of short-duration rainfall extremes. However, these datasets often contain missing values due to sensor or transmission failures. Recovering missing values (or filling these data gaps) at high temporal resolution [...] Read more.
Complete sub-hourly rainfall datasets are critical for accurate flood modeling, real-time forecasting, and understanding of short-duration rainfall extremes. However, these datasets often contain missing values due to sensor or transmission failures. Recovering missing values (or filling these data gaps) at high temporal resolution is challenging due to the imbalance between rain and no-rain periods. In this study, we developed and tested two approaches for the imputation of missing 10-min rainfall data by means of machine learning (Multilayer Perceptron and Random Forest) and interpolation methods (Inverse Distance Weighting and Ordinary Kriging). The (a) direct approach operates on raw data to directly feed the imputation models, while the (b) two-step approach first classifies time steps as rain or no-rain with a Random Forest classifier and subsequently applies an imputation model to predicted rainfall depth instances classified as rain. Each approach was tested under three spatial scenarios: using all nearby stations, using stations within the same cluster, and using the three most highly correlated stations. An additional test involved the comparison of the results obtained using data from the imputed time interval only and data from a time window containing several time intervals before and after the imputed time interval. The methods were evaluated with reference to two different environments, mountainous and coastal, in Campania region (Southern Italy), under data-scarce conditions where rainfall depth is the only available variable. With reference to the application of the two-step approach, the Random Forest classifier shows a good performance both in the mountainous and in the coastal area, with an average weighted F1 score of 0.961 and 0.957, and an average Accuracy of 0.928 and 0.946, respectively. The highest performance in the regression step is obtained by the Random Forest in the mountainous area with an R2 of 0.541 and an RMSE of 0.109 mm, considering a spatial configuration including all stations. The comparison with the direct approach results shows that the two-step approach consistently improves accuracy across all scenarios, highlighting the benefits gained from breaking the data imputation process in stages where different physical conditions (in this case, rain and no-rain) are separately managed. Another important finding is that the use of time windows containing data lagged with respect to the imputed time interval allows capturing the atmospheric dynamics by connecting rainfall instances at different time levels and distant stations. Finally, the study confirms that machine learning models outperform spatial interpolation methods, thanks to their ability to manage data with complicated internal structure. Full article
Show Figures

Figure 1

19 pages, 5509 KB  
Article
Application of Multi-Sensor Data Fusion and Machine Learning for Early Warning of Cambrian Limestone Water Hazards
by Hang Li, Yijia Li, Wantong Lin, Huaixiang Yang and Kefeng Liu
Sensors 2025, 25(22), 6854; https://doi.org/10.3390/s25226854 - 10 Nov 2025
Viewed by 27
Abstract
The issue of water disasters in the mining floor is extremely severe. Despite significant progress in the on-site monitoring and identification of water inrush channels, research on the spatial development characteristics of cracks and the temporal evolution patterns remains insufficient, resulting in the [...] Read more.
The issue of water disasters in the mining floor is extremely severe. Despite significant progress in the on-site monitoring and identification of water inrush channels, research on the spatial development characteristics of cracks and the temporal evolution patterns remains insufficient, resulting in the incomplete development of microseismic-based water disaster early warning theory and practice. Based on this, the present study first derives the expressions for the diameter and length of water inrush channels according to the damage characteristics of microseismic events and the glazed porcelain shape features of the channels. A theoretical model for the correlation between microseismic-water inrush volume is established, and the relationship between microseismic and water level is revealed. Analysis of field monitoring data further indicates that when high-energy microseismic features (such as single high-energy events and higher daily cumulative energy) are detected, the aquifer water level begins to decline, followed by high water inrush events. Therefore, a decrease in water level accompanied by high-energy microseismic features can serve as an important early warning marker for water disasters. Finally, advanced machine learning methods are applied, in which the optimal index combination for floor water inrush prediction is obtained through the genetic algorithm, and the weights of each index are determined by integrating the analytic hierarchy process with the random forest model. Field engineering verification demonstrates that the integrated early warning system performs significantly better than any single monitoring indicator, and all high-water-inrush events are successfully predicted within four days. Full article
(This article belongs to the Section Intelligent Sensors)
Show Figures

Figure 1

37 pages, 14686 KB  
Article
Development of an Extreme Machine Learning-Based Computational Application for the Detection of Armillaria in Cherry Trees
by Patricio Hernández Toledo, David Zabala-Blanco, Philip Vasquez-Iglesias, Amelia E. Pizarro, Mary Carmen Jarur, Roberto Ahumada-García, Ali Dehghan Firoozabadi, Pablo Palacios Játiva and Iván Sánchez
Appl. Sci. 2025, 15(22), 11927; https://doi.org/10.3390/app152211927 - 10 Nov 2025
Viewed by 28
Abstract
This paper addresses the automatic detection of Armillaria disease in cherry trees, a high-impact phytosanitary threat to agriculture. As a solution, a computer application is developed based on RGB images of cherry trees and the exploitation of machine learning (ML) models, using the [...] Read more.
This paper addresses the automatic detection of Armillaria disease in cherry trees, a high-impact phytosanitary threat to agriculture. As a solution, a computer application is developed based on RGB images of cherry trees and the exploitation of machine learning (ML) models, using the optimal variant among different Extreme Learning Machine (ELM) models. This tool represents a concrete contribution to the use of artificial intelligence in smart agriculture, enabling more efficient and accessible management of cherry tree crops. The overall goal is to evaluate machine learning-based strategies that enable efficient and low-computational-cost detection of the disease, facilitating its implementation on devices with limited resources. The ERICA database is used by following a proper methodology in order to learning and validation stages are completely independent. Preprocessing includes renaming, cropping, scaling, grayscale conversion, vectorization, and normalization. Subsequently, the impact of reducing image resolution is studied, identifying that a size of 63 × 23 pixels maintains a good balance between visual detail and computational efficiency. Six ELM variants are trained: standard, regularized (R-ELM), class-weighted (W1-ELM and W2-ELM), and multilayer (ML2-ELM and ML3-ELM), and classical machine learning approaches are optimized and compared with classical ML approaches. The results indicate that W1-ELM achieves the best performance among tested variants, reaching an accuracy of 0.77 and a geometric mean of 0.45 with a training time in order of seconds. Full article
(This article belongs to the Special Issue Research and Applications of Artificial Neural Network)
Show Figures

Figure 1

19 pages, 1028 KB  
Article
A Predictive Model for the Development of Long COVID in Children
by Vita Perestiuk, Andriy Sverstyuk, Tetyana Kosovska, Liubov Volianska and Oksana Boyarchuk
Int. J. Environ. Res. Public Health 2025, 22(11), 1693; https://doi.org/10.3390/ijerph22111693 - 9 Nov 2025
Viewed by 200
Abstract
Background/Objectives: Machine learning is an extremely important issue, considering the potential to prevent the onset of long-term complications from coronavirus disease or to ensure timely detection and effective treatment. The aim of our study was to develop an algorithm and mathematical model to [...] Read more.
Background/Objectives: Machine learning is an extremely important issue, considering the potential to prevent the onset of long-term complications from coronavirus disease or to ensure timely detection and effective treatment. The aim of our study was to develop an algorithm and mathematical model to predict the risk of developing long COVID in children who have had acute SARS-CoV-2 viral infection, taking into account a wide range of demographic, clinical, and laboratory parameters. Methods: We conducted a cross-sectional study involving 305 pediatric patients aged from 1 month to 18 years who had recovered from acute SARS-CoV-2 infection. To perform a detailed analysis of the factors influencing the development of long-term consequences of coronavirus disease in children, two models were created. The first model included basic demographic and clinical characteristics of the acute SARS-CoV-2 infection, as well as serum levels of vitamin D and zinc for all patients from both groups. The second model, in addition to the aforementioned parameters, also incorporated laboratory test results and included only hospitalized patients. Results: Among 265 children, 138 patients (52.0%) developed long COVID, and the remaining 127 (48.0%) fully recovered. We included 36 risk factors of developing long COVID in children (DLCC) in model 1, including non-hospitalized patients, and 58 predictors in model 2, excluding them. These included demographic characteristics of the children, major comorbid conditions, main symptoms and course of acute SARS-CoV-2 infection, and main parameters of complete blood count and coagulation profile. In the first model, which accounted for non-hospitalized patients, multivariate regression analysis identified obesity, a history of allergic disorders, and serum vitamin D deficiency as significant predictors of long COVID development. In the second model, limited to hospitalized patients, significant risk factors for long-term sequelae of acute SARS-CoV-2 infection included fever and the presence of ≥3 symptoms during the acute phase, a history of allergic conditions, thrombocytosis, neutrophilia, and altered prothrombin time, as determined by multivariate regression analysis. To assess the acceptability of the model as a whole, an ANOVA analysis was performed. Based on this method, it can be concluded that the model for predicting the risk of developing long COVID in children is highly acceptable, since the significance level is p < 0.001, and the model itself will perform better than a simple prediction using average values. Conclusions: The results of multivariate regression analysis demonstrated that the presence of a burdened comorbid background—specifically obesity and allergic pathology—fever during the acute phase of the disease or the presence of three or more symptoms, as well as laboratory abnormalities including thrombocytosis, neutrophilia, alterations in prothrombin time (either shortened or prolonged), and reduced serum vitamin D levels, are predictors of long COVID development among pediatric patients. Full article
Show Figures

Figure 1

23 pages, 8298 KB  
Article
Effect of Freeze–Thaw Cycles on Bond Properties at the FRP-Concrete Interface: Experimental Evaluation and Machine Learning Prediction
by Wei Liang, Shiying Liu, Haoran Liu, Guang Yang and Yongming Gao
Buildings 2025, 15(22), 4038; https://doi.org/10.3390/buildings15224038 - 9 Nov 2025
Viewed by 168
Abstract
Fiber-reinforced polymer (FRP)–concrete bonding is widely adopted for structural strengthening, yet its durability is highly vulnerable to freeze–thaw (FT) degradation. This study combines experimental testing with interpretable machine learning (ML) to reveal the degradation mechanism and predict the interfacial behavior of FRP–concrete systems [...] Read more.
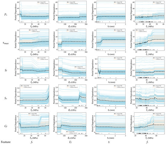
Fiber-reinforced polymer (FRP)–concrete bonding is widely adopted for structural strengthening, yet its durability is highly vulnerable to freeze–thaw (FT) degradation. This study combines experimental testing with interpretable machine learning (ML) to reveal the degradation mechanism and predict the interfacial behavior of FRP–concrete systems under FT exposure. Single-lap shear tests showed that all specimens failed through interfacial debonding accompanied by partial concrete peeling. The ultimate bond strength decreased by 6.0–18.5%, and the peak shear stress dropped by 53–80%, indicating a pronounced loss of ductility and adhesion. To extend the analysis, experimental data were integrated with literature datasets, and three ensemble ML algorithms—AdaBoost, Random Forest (RF), and Extreme Gradient Boosting (XGBoost)—were employed to predict key bond–slip parameters including ultimate bond strength, local maximum bond stress, slip values, and interfacial fracture energy. Among them, XGBoost achieved the highest predictive accuracy, with R2 values exceeding 0.94 for most output parameters and consistently low RMSE values. Shapley Additive exPlanations (SHAP) and Partial Dependence Plots (PDPs) further identified adhesive tensile strength, fiber modulus, FRP thickness, and concrete strength as dominant factors and defined their optimal ranges. The findings offer a scientific foundation for evaluating and predicting the long-term bond durability of FRP–concrete systems and support the development of reliable reinforcement strategies for infrastructure in cold and severe environments. Full article
(This article belongs to the Special Issue The Greening of the Reinforced Concrete Industry)
Show Figures

Figure 1

18 pages, 7682 KB  
Article
Automated EMG-Based Classification of Upper Extremity Motor Impairment Levels in Subacute Stroke
by Alexey Anastasiev, Hideki Kadone, Aiki Marushima, Hiroki Watanabe, Alexander Zaboronok, Shinya Watanabe, Akira Matsumura, Kenji Suzuki, Yuji Matsumaru, Hiroyuki Nishiyama and Eiichi Ishikawa
Sensors 2025, 25(22), 6829; https://doi.org/10.3390/s25226829 - 7 Nov 2025
Viewed by 244
Abstract
Rehabilitation of upper extremity (UE) impairments after stroke requires regular evaluation, with standard methods typically being time–consuming and relying heavily on manual assessment by therapists. In our study, we propose automating these assessments using electromyography (EMG) as a core indicator of muscle activity, [...] Read more.
Rehabilitation of upper extremity (UE) impairments after stroke requires regular evaluation, with standard methods typically being time–consuming and relying heavily on manual assessment by therapists. In our study, we propose automating these assessments using electromyography (EMG) as a core indicator of muscle activity, correlating passive and active EMG signals with clinical motor impairment scores. UE motor function in 25 patients was evaluated using the Fugl–Meyer Assessment for UE (FMA–UE), the Modified Ashworth Scale (MAS), and the Brunnstrom Recovery Stages (BRS). EMG data were processed via feature extraction and linear discriminant analysis (LDA), with 10-fold cross–validation for binary classification based on clinical score thresholds. The LDA classifier accurately distinguished impairment categories, achieving area under the receiver operating characteristic curve (AUC–ROC) scores of 0.897 ± 0.272 for FMA–UE > 33, 0.981 ± 0.103 for FMA–UE > 44, 0.890 ± 0.262 for MAS > 0, 0.968 ± 0.130 for BRS > 3, and 0.987 ± 0.085 for BRS > 4. Notably, resting–state EMG alone yielded comparable classification performance. These findings demonstrate that EMG–driven assessments can reliably classify motor impairment levels, offering a pathway to objective clinical scoring that can streamline rehabilitation workflows, reduce therapists’ manual burden, and prioritize patient recovery over assessment procedures. Full article
(This article belongs to the Special Issue Wearable Devices for Physical Activity and Healthcare Monitoring)
Show Figures

Figure 1

22 pages, 15544 KB  
Article
A Method for Paddy Field Extraction Based on NDVI Time-Series Characteristics: A Case Study of Bishan District
by Chenxi Yuan, Yongzhong Tian, Ye Huang, Jinglian Tian and Wenhao Wan
Agriculture 2025, 15(22), 2321; https://doi.org/10.3390/agriculture15222321 - 7 Nov 2025
Viewed by 147
Abstract
Rice, as one of the world’s three major staple crops, provides a food source for nearly half of the global population. Timely and accurate acquisition of rice cultivation information is crucial for optimizing spatial distribution, guiding production practices, and safeguarding food security. Taking [...] Read more.
Rice, as one of the world’s three major staple crops, provides a food source for nearly half of the global population. Timely and accurate acquisition of rice cultivation information is crucial for optimizing spatial distribution, guiding production practices, and safeguarding food security. Taking Bishan District of Chongqing as the study area, NDVI values were derived from Sentinel-2 satellite imagery to construct standard NDVI time-series curves for typical land-cover types, including paddy fields, dryland, water bodies, construction land, and forest and grassland. These curves were then used in the NDVI time-series characteristics method to identify paddy fields. First, the Euclidean distance between the standard NDVI time series of paddy fields and those of other land-cover types was calculated. The sum of these element-wise differences was used to determine the upper threshold for paddy field extraction. Second, the mean absolute deviation between elements of the rice sample dataset and the standard NDVI time series was calculated for each time step. The sum of these average deviations was used as the lower threshold to extract the initial paddy field data. On this basis, an extreme-value constraint was introduced to reduce the interference of mixed pixels from forest and grassland and construction land, effectively eliminating anomalous pixels and improving the accuracy of paddy field identification. Finally, the results were validated and compared with those from other extraction methods. The results indicate that: (1) Paddy fields exhibit distinct NDVI time-series characteristics throughout the entire growing season, which can serve as a reference standard. By calculating the Euclidean distance between the NDVI curves of other land-cover types and those of paddy fields, similarity can be quantified, enabling rice identification. (2) The extraction method based on NDVI time-series characteristics successfully identified paddy fields through the appropriate setting of thresholds. The overall accuracy and Kappa coefficient remained high, while the F1-score consistently exceeded 0.8, indicating a good balance between precision and recall. Furthermore, the bootstrap uncertainty analysis revealed narrow 95% confidence intervals across all metrics, confirming the robustness and statistical reliability of the results. Overall, the proposed method demonstrated excellent performance in paddy field classification and significantly outperformed traditional machine learning methods implemented on the GEE platform. (3) Mixed pixels considerably affected the accuracy of rice classification; however, the introduction of the extreme-value constraint effectively mitigated this influence and further improved classification results. Full article
(This article belongs to the Section Artificial Intelligence and Digital Agriculture)
Show Figures

Figure 1

13 pages, 533 KB  
Article
Comparative Evaluation of Machine Learning Models for Discriminating Honey Geographic Origin Based on Altitude-Dependent Mineral Profiles
by Semra Gürbüz and Şeyda Kıvrak
Appl. Sci. 2025, 15(22), 11859; https://doi.org/10.3390/app152211859 - 7 Nov 2025
Viewed by 136
Abstract
Authenticating the geographical origin of honey is crucial for ensuring its quality and preventing fraudulent labeling. This study investigates the influence of altitude on the mineral composition of honey and comparatively evaluates the performance of chemometric and machine learning models for its geographic [...] Read more.
Authenticating the geographical origin of honey is crucial for ensuring its quality and preventing fraudulent labeling. This study investigates the influence of altitude on the mineral composition of honey and comparatively evaluates the performance of chemometric and machine learning models for its geographic discrimination. Honey samples from three distinct altitude regions in Türkiye were analyzed for their mineral content using Inductively Coupled Plasma-Mass Spectrometry (ICP-MS). Results revealed that Calcium (Ca), Potassium (K), and Sodium (Na) were the predominant minerals. A significant moderate negative correlation was found between altitude and Ca concentration (r = −0.483), alongside a weak negative correlation with Copper (Cu) (r = −0.371). Among the five supervised models tested (Partial Least Squares-Discriminant Analysis (PLS-DA), Random Forest (RF), Support Vector Machine (SVM), Extreme Gradient Boosting (XGBoost), and Artificial Neural Network (ANN)), PLS-DA achieved the highest classification accuracy (94.9%). Variable importance analysis consistently identified Ca as the most influential discriminator across all models, followed by Barium (Ba) and Cu. These minerals, therefore, represent key markers for differentiating honey by geographical origin. This research demonstrates that an integrated model utilizing mineral profiles provides a robust, practical, and reliable method for the geographical authentication of honey. Full article
Show Figures

Figure 1

27 pages, 23454 KB  
Article
Towards Accurate Prediction of Runout Distance of Rainfall-Induced Shallow Landslides: An Integrated Remote Sensing and Explainable Machine Learning Framework in Southeast China
by Xiaoyu Yi, Yuan Wang, Wenkai Feng, Jiachen Zhao, Zhenghai Xue and Ruijian Huang
Remote Sens. 2025, 17(22), 3660; https://doi.org/10.3390/rs17223660 - 7 Nov 2025
Viewed by 355
Abstract
This study addresses the challenge of predicting runout distance of rainfall-induced shallow landslides by integrating deep learning and explainable machine learning. Using the June 2024 landslide disaster at the Fujian-Guangdong-Jiangxi border as a case study and remote sensing images as the data source, [...] Read more.
This study addresses the challenge of predicting runout distance of rainfall-induced shallow landslides by integrating deep learning and explainable machine learning. Using the June 2024 landslide disaster at the Fujian-Guangdong-Jiangxi border as a case study and remote sensing images as the data source, we developed an improved U-Shaped Convolutional Neural Network model (RAC-Unet) combining Deep Residual Structure, Atrous Spatial Pyramid Pooling, and Convolutional Block Attention Module modules. The model identified 34,376 shallow landslides and built a dynamic parameter database with 8875 samples, which was used for data-driven model training. After comparing models, Extreme Gradient Boosting was chosen as the best (R2 = 0.923), with its performance confirmed by Wilcoxon analysis and good generalization in external validation (R2 = 0.877). SHapley Additive Explanations analysis revealed how factors like the area of the sliding source zone (SA), length/width ratio of the sliding source zone (SLWR), and average slope of the source zone (SS) affect landslide runout, a simplified model using the three parameters SA, SLWR, and SS was constructed (R2 = 0.862). Compared to traditional models, this integrated framework solves the pre-disaster impact range estimation problem, deepens understanding of shallow landslide dynamics, and enables accurate pre- and post-disaster predictions. It provides comprehensive support for disaster risk assessment and emergency response in southeastern hilly areas. Full article
(This article belongs to the Special Issue Advances in AI-Driven Remote Sensing for Geohazard Perception)
Show Figures

Figure 1

26 pages, 2975 KB  
Article
CTGAN-Augmented Ensemble Learning Models for Classifying Dementia and Heart Failure
by Pornthep Phanbua, Sujitra Arwatchananukul, Georgi Hristov and Punnarumol Temdee
Inventions 2025, 10(6), 101; https://doi.org/10.3390/inventions10060101 - 6 Nov 2025
Viewed by 245
Abstract
Research shows that individuals with heart failure are 60% more likely to develop dementia because of their shared metabolic risk factors. Developing a classification model to differentiate between these two conditions effectively is crucial for improving diagnostic accuracy, guiding clinical decision-making, and supporting [...] Read more.
Research shows that individuals with heart failure are 60% more likely to develop dementia because of their shared metabolic risk factors. Developing a classification model to differentiate between these two conditions effectively is crucial for improving diagnostic accuracy, guiding clinical decision-making, and supporting timely interventions in older adults. This study proposes a novel method for dementia classification, distinguishing it from its common comorbidity, heart failure, using blood testing and personal data. A dataset comprising 11,124 imbalanced electronic health records of older adults from hospitals in Chiang Rai, Thailand, was utilized. Conditional tabular generative adversarial networks (CTGANs) were employed to generate synthetic data while preserving key statistical relationships, diversity, and distributions of the original dataset. Two groups of ensemble models were analyzed: the boosting group—extreme gradient boosting, light gradient boosting machine—and the bagging group—random forest and extra trees. Performance metrics, including accuracy, precision, recall, F1-score, and area under the receiver-operating characteristic curve were evaluated. Compared with the synthetic minority oversampling technique, CTGAN-based synthetic data generation significantly enhanced the performance of ensemble learning models in classifying dementia and heart failure. Full article
(This article belongs to the Special Issue Machine Learning Applications in Healthcare and Disease Prediction)
Show Figures

Figure 1

18 pages, 2705 KB  
Article
Vis–NIR Spectroscopy Characteristics of Wetland Soils with Different Water Contents and Machine Learning Models for Carbon and Nitrogen Content
by Keying Qu, Leichao Nie, Lijuan Cui, Huazhe Li, Mingshuo Xiong, Xiajie Zhai, Xinsheng Zhao, Jinzhi Wang, Yinru Lei and Wei Li
Ecologies 2025, 6(4), 75; https://doi.org/10.3390/ecologies6040075 - 6 Nov 2025
Viewed by 185
Abstract
Soil nutrient detection in wetlands is critical for rapidly and effectively managing these ecosystems. Our objective was to provide a methodological framework for identifying optimal data processing methods and machine learning model for predicting soil organic carbon (SOC) and total nitrogen (TN) content [...] Read more.
Soil nutrient detection in wetlands is critical for rapidly and effectively managing these ecosystems. Our objective was to provide a methodological framework for identifying optimal data processing methods and machine learning model for predicting soil organic carbon (SOC) and total nitrogen (TN) content using Vis–NIR spectroscopy, under the confounding influence of varying soil moisture. Soil samples (474) were collected from the Shaanxi Yellow River Wetland Provincial Nature Reserve with five moisture levels (0, 5, 10, 20, and 30%). Using a Vis–NIR spectroscopy system (ASD FS4 spectrometer), soil organic carbon (SOC) and total nitrogen (TN) were detected within the 350–2500 nm spectral range. Machine learning models were established using the Random Forest model (RF), eXtreme Gradient Boosting (XGBoost), and Partial Least Squares Regression (PLSR). The results indicated: (1) spectral reflectance values increased as soil moisture content decreased, with the 0% moisture model being consistently more accurate; (2) models for SOC and TN on first-derivative spectra had higher accuracy; and (3) the RF exhibited higher inversion accuracy and stability (R2 = 0.30–0.69). (4) The SHAP analysis confirmed 1865 nm and 1419 nm as the most contributory bands for SOC and TN prediction respectively, validating the RF model’s spectral interpretation capability. Full article
Show Figures

Figure 1

Back to TopTop