Next Issue
Volume 19, February-1
Previous Issue
Volume 19, January-1
 
 
energies-logo

Journal Browser

Journal Browser

Energies, Volume 19, Issue 2 (January-2 2026) – 290 articles

Cover Story (view full-size image): As building automation becomes a key driver of energy efficiency, new simulation approaches are needed to assess smart control strategies already at the design stage. This work introduces a digital-twin-based framework that combines BIM-derived building data with MATLAB/Simulink models to explore the impact of automation maturity on building performance. Focusing on HVAC, lighting, and shading systems, the framework enables scenario-based evaluation of conventional, advanced, and predictive control aligned with EN ISO 52120 and the Smart Readiness Indicator (SRI). Using a representative academic building, the study reveals how increasing automation sophistication influences energy-related behavior and uncovers interaction effects between control subsystems, offering a solid basis for regulation-aware design and future AI-driven building control. View this paper
  • Issues are regarded as officially published after their release is announced to the table of contents alert mailing list.
  • You may sign up for e-mail alerts to receive table of contents of newly released issues.
  • PDF is the official format for papers published in both, html and pdf forms. To view the papers in pdf format, click on the "PDF Full-text" link, and use the free Adobe Reader to open them.
Order results
Result details
Section
Select all
Export citation of selected articles as:
20 pages, 16904 KB  
Article
Optimization and Predictive Correlation of Thermal-Hydraulic Performance for Transcritical Methane in an Airfoil-Fin Printed Circuit Heat Exchanger
by Changyu Sun, Xiaolin Ma, Yaxin Zhang, Lin Li, Jianzhong Yin and Tao Yang
Energies 2026, 19(2), 575; https://doi.org/10.3390/en19020575 - 22 Jan 2026
Viewed by 129
Abstract
This study investigates the flow and heat transfer characteristics within a printed circuit heat exchanger (PCHE) equipped with airfoil fins. A numerical model of a counter-flow airfoil-fin PCHE was developed, using transcritical methane as the cold medium and a 50 wt% ethylene glycol [...] Read more.
This study investigates the flow and heat transfer characteristics within a printed circuit heat exchanger (PCHE) equipped with airfoil fins. A numerical model of a counter-flow airfoil-fin PCHE was developed, using transcritical methane as the cold medium and a 50 wt% ethylene glycol aqueous solution (50% EGWS) as the hot medium. The effects of the airfoil fin array longitudinal staggering ratio (Ks), transverse pitch ratio (Kb), and longitudinal pitch ratio (Ka) on the thermal-hydraulic performance of the PCHE were systematically analyzed using the thermal performance factor (TPF) for comprehensive evaluation. The optimal configuration was determined to be Ks = 0.2, Kb = 0.5, and Ka = 1.0, achieving a TPF up to 1.18 times higher than that of the baseline structure (Ks = 1.0). The analysis highlights that aggressive heat transfer enhancement incurs a substantial pressure drop penalty; for instance, reducing Ka from 2.0 to 1.0 increases the Nusselt number (Nu) by approximately 13%, while simultaneously increasing the Fanning friction factor (fFanning) by 22%, indicating a significant pressure drop cost. The developed correlations exhibit deviations within ±10% of the simulated values over the Reynolds number (Re) range of 8000–25,000, providing a reliable tool for the optimized design of PCHEs. Full article
(This article belongs to the Section J1: Heat and Mass Transfer)
Show Figures

Figure 1

28 pages, 3944 KB  
Article
A Distributed Energy Storage-Based Planning Method for Enhancing Distribution Network Resilience
by Yitong Chen, Qinlin Shi, Bo Tang, Yu Zhang and Haojing Wang
Energies 2026, 19(2), 574; https://doi.org/10.3390/en19020574 - 22 Jan 2026
Viewed by 133
Abstract
With the widespread adoption of renewable energy, distribution grids face increasing challenges in efficiency, safety, and economic performance due to stochastic generation and fluctuating load demand. Traditional operational models often exhibit limited adaptability, weak coordination, and insufficient holistic optimization, particularly in early-/mid-stage distribution [...] Read more.
With the widespread adoption of renewable energy, distribution grids face increasing challenges in efficiency, safety, and economic performance due to stochastic generation and fluctuating load demand. Traditional operational models often exhibit limited adaptability, weak coordination, and insufficient holistic optimization, particularly in early-/mid-stage distribution planning where feeder-level network information may be incomplete. Accordingly, this study adopts a planning-oriented formulation and proposes a distributed energy storage system (DESS) planning strategy to enhance distribution network resilience under high uncertainty. First, representative wind and photovoltaic (PV) scenarios are generated using an improved Gaussian Mixture Model (GMM) to characterize source-side uncertainty. Based on a grid-based network partition, a priority index model is developed to quantify regional storage demand using quality- and efficiency-oriented indicators, enabling the screening and ranking of candidate DESS locations. A mixed-integer linear multi-objective optimization model is then formulated to coordinate lifecycle economics, operational benefits, and technical constraints, and a sequential connection strategy is employed to align storage deployment with load-balancing requirements. Furthermore, a node–block–grid multi-dimensional evaluation framework is introduced to assess resilience enhancement from node-, block-, and grid-level perspectives. A case study on a Zhejiang Province distribution grid—selected for its diversified load characteristics and the availability of detailed historical wind/PV and load-category data—validates the proposed method. The planning and optimization process is implemented in Python and solved using the Gurobi optimizer. Results demonstrate that, with only a 4% increase in investment cost, the proposed strategy improves critical-node stability by 27%, enhances block-level matching by 88%, increases quality-demand satisfaction by 68%, and improves grid-wide coordination uniformity by 324%. The proposed framework provides a practical and systematic approach to strengthening resilient operation in distribution networks. Full article
(This article belongs to the Section F1: Electrical Power System)
Show Figures

Figure 1

54 pages, 3083 KB  
Review
A Survey on Green Wireless Sensing: Energy-Efficient Sensing via WiFi CSI and Lightweight Learning
by Rod Koo, Xihao Liang, Deepak Mishra and Aruna Seneviratne
Energies 2026, 19(2), 573; https://doi.org/10.3390/en19020573 - 22 Jan 2026
Viewed by 229
Abstract
Conventional sensing expends energy at three stages: powering dedicated sensors, transmitting measurements, and executing computationally intensive inference. Wireless sensing re-purposes WiFi channel state information (CSI) inherent in every packet, eliminating extra sensors and uplink traffic, though reliance on deep neural networks (DNNs) often [...] Read more.
Conventional sensing expends energy at three stages: powering dedicated sensors, transmitting measurements, and executing computationally intensive inference. Wireless sensing re-purposes WiFi channel state information (CSI) inherent in every packet, eliminating extra sensors and uplink traffic, though reliance on deep neural networks (DNNs) often trained and run on graphics processing units (GPUs) can negate these gains. This review highlights two core energy efficiency levers in CSI-based wireless sensing. First ambient CSI harvesting cuts power use by an order of magnitude compared to radar and active Internet of Things (IoT) sensors. Second, integrated sensing and communication (ISAC) embeds sensing functionality into existing WiFi links, thereby reducing device count, battery waste, and carbon impact. We review conventional handcrafted and accuracy-first methods to set the stage for surveying green learning strategies and lightweight learning techniques, including compact hybrid neural architectures, pruning, knowledge distillation, quantisation, and semi-supervised training that preserve accuracy while reducing model size and memory footprint. We also discuss hardware co-design from low-power microcontrollers to edge application-specific integrated circuits (ASICs) and WiFi firmware extensions that align computation with platform constraints. Finally, we identify open challenges in domain-robust compression, multi-antenna calibration, energy-proportionate model scaling, and standardised joules per inference metrics. Our aim is a practical battery-friendly wireless sensing stack ready for smart home and 6G era deployments. Full article
Show Figures

Graphical abstract

26 pages, 4309 KB  
Article
The Calculation Method of Time-Series Reduction Coefficients for Wind Power Generation in Ultra-High-Altitude Areas
by Jin Wang, Lin Li, Xiaobei Li, Yuzhe Yang, Penglei Hang, Shuang Han and Yongqian Liu
Energies 2026, 19(2), 572; https://doi.org/10.3390/en19020572 - 22 Jan 2026
Viewed by 110
Abstract
In the preliminary design stage of wind farms, the theoretical energy output must be adjusted by multiple reduction factors to estimate the actual grid-connected power. As renewable energy becomes increasingly integrated into electricity markets, the conventional approach using static, averaged reduction coefficients for [...] Read more.
In the preliminary design stage of wind farms, the theoretical energy output must be adjusted by multiple reduction factors to estimate the actual grid-connected power. As renewable energy becomes increasingly integrated into electricity markets, the conventional approach using static, averaged reduction coefficients for annual yield estimation can no longer meet the market’s demand for high-resolution power time series. Addressing this gap, the novelty of this paper lies in shifting the focus from total annual estimation to hourly-level dynamic allocation. This paper proposes a time-series reduction coefficient evaluation method based on the time-varying entropy weight method (TV-EWM). Under the assumption that the total annual reduction quantity adheres to standard design specifications, this method utilizes long-term wind measurement data, integrates unique ultra-high-altitude wind resource characteristics, and constructs a scenario-based indicator system. By quantifying the coupling relationships between key meteorological variables and incorporating a dynamic weighting mechanism, the proposed approach achieves hourly refined reduction estimation for theoretical power output. Comparative analysis was conducted against the traditional static average reduction method. Results indicate that, compared to the traditional average reduction method, the TV-EWM approach significantly enhances the model’s ability to capture seasonal variability, increasing the coefficient of determination (R2) by 4.19% to 0.7061. Furthermore, it demonstrates higher stability in error control, reducing the Normalized Root Mean Square Error (NRMSE) by 4.51% to 15.45%. The TV-EWM more accurately captures the temporal evolution and coupling effects between meteorological elements and curtailed generation under various reduction scenarios, retains full-load operational features, and enhances physical interpretability and time responsiveness, providing a new analytical framework for market-oriented power generation assessment. Full article
(This article belongs to the Section A3: Wind, Wave and Tidal Energy)
Show Figures

Figure 1

32 pages, 6496 KB  
Article
An Optimization Method for Distribution Network Voltage Stability Based on Dynamic Partitioning and Coordinated Electric Vehicle Scheduling
by Ruiyang Chen, Wei Dong, Chunguang Lu and Jingchen Zhang
Energies 2026, 19(2), 571; https://doi.org/10.3390/en19020571 - 22 Jan 2026
Viewed by 146
Abstract
The integration of high-penetration renewable energy sources (RESs) and electric vehicles (EVs) increases the risk of voltage fluctuations in distribution networks. Traditional static partitioning strategies struggle to handle the intermittency of wind turbine (WT) and photovoltaic (PV) generation, as well as the spatiotemporal [...] Read more.
The integration of high-penetration renewable energy sources (RESs) and electric vehicles (EVs) increases the risk of voltage fluctuations in distribution networks. Traditional static partitioning strategies struggle to handle the intermittency of wind turbine (WT) and photovoltaic (PV) generation, as well as the spatiotemporal randomness of EV loads. Furthermore, existing scheduling methods typically optimize EV active power or reactive compensation independently, missing opportunities for synergistic regulation. The main novelty of this paper lies in proposing a spatiotemporally coupled voltage-stability optimization framework. This framework, based on an hourly updated electrical distance matrix that accounts for RES uncertainty and EV spatiotemporal transfer characteristics, enables hourly dynamic network partitioning. Simultaneously, coordinated active–reactive optimization control of EVs is achieved by regulating the power factor angle of three-phase six-pulse bidirectional chargers. The framework is embedded within a hierarchical model predictive control (MPC) architecture, where the upper layer performs hourly dynamic partition updates and the lower layer executes a five-minute rolling dispatch for EVs. Simulations conducted on a modified IEEE 33-bus system demonstrate that, compared to uncoordinated charging, the proposed method reduces total daily network losses by 4991.3 kW, corresponding to a decrease of 3.9%. Furthermore, it markedly shrinks the low-voltage area and generally raises node voltages throughout the day. The method effectively enhances voltage uniformity, reduces network losses, and improves renewable energy accommodation capability. Full article
(This article belongs to the Section E: Electric Vehicles)
Show Figures

Figure 1

41 pages, 7490 KB  
Review
Research Progress and Application Status of Evaporative Cooling Technology
by Lin Xia, Haogen Li, Suoying He, Zhe Geng, Shuzhen Zhang, Feiyang Long, Zongjun Long, Jisheng Li, Wujin Yuan and Ming Gao
Energies 2026, 19(2), 570; https://doi.org/10.3390/en19020570 - 22 Jan 2026
Viewed by 130
Abstract
This review systematically examines the latest research progress and diverse applications of direct evaporative cooling and indirect evaporative cooling across five core sectors: industrial and energy engineering, the built environment, agriculture and food preservation, transportation and aerospace, and emerging interdisciplinary fields. While existing [...] Read more.
This review systematically examines the latest research progress and diverse applications of direct evaporative cooling and indirect evaporative cooling across five core sectors: industrial and energy engineering, the built environment, agriculture and food preservation, transportation and aerospace, and emerging interdisciplinary fields. While existing research often focuses on single application silos, this paper distills two common foundational challenges: climate adaptability and water resource management. Quantitative analysis demonstrates significant performance gains. Hybrid systems in data centers increase annual energy-saving potential by 14% to 41%, while precision root-zone cooling in greenhouses boosts crop yields by 13.22%. Additionally, passive cooling blankets reduce post-harvest losses by up to 45%, and integrated desalination cycles achieve 18.64% lower energy consumption compared to conventional systems. Innovative strategies to overcome humidity bottlenecks include vacuum-assisted membranes, advanced porous materials, and hybrid radiative-evaporative systems. The paper also analyzes sustainable water management through rainwater harvesting, seawater utilization, and atmospheric water capture. Collectively, these advancements provide a comprehensive framework to guide the future development and commercialization of sustainable cooling technologies. Full article
(This article belongs to the Section J: Thermal Management)
Show Figures

Graphical abstract

31 pages, 3222 KB  
Article
Hybrid Linear and Support Vector Quantile Regression for Short-Term Probabilistic Forecasting of Solar PV Power
by Roberto P. Caldas, Albert C. G. Melo and Djalma M. Falcão
Energies 2026, 19(2), 569; https://doi.org/10.3390/en19020569 - 22 Jan 2026
Viewed by 148
Abstract
The increasing penetration of solar photovoltaic (PV) generation into power systems poses significant operational and planning integration challenges due to the high variability in solar irradiance, which makes PV power forecasting difficult—particularly in the short term. These fluctuations originate from atmospheric dynamics that [...] Read more.
The increasing penetration of solar photovoltaic (PV) generation into power systems poses significant operational and planning integration challenges due to the high variability in solar irradiance, which makes PV power forecasting difficult—particularly in the short term. These fluctuations originate from atmospheric dynamics that are only partially captured by numerical weather prediction (NWP) models. In this context, probabilistic forecasting has emerged as a state-of-the-art approach, providing central estimates and additional quantification of uncertainty for decision-making under risk conditions. This work proposes a novel hybrid methodology for day-ahead, hourly resolution point, and probabilistic PV power forecasting. The approach integrates a multiple linear regression (LM) model to predict global tilted irradiance (GTI) from NWP-derived variables, followed by support vector quantile regression (SVQR) applied to the residuals to correct systematic errors and derive GTI quantile forecasts and a linear mapping to PV power quantiles. Robust data preprocessing procedures—including outlier filtering, smoothing, gap filling, and clustering—ensured consistency. The hybrid model was applied to a 960 kWp PV plant in southern Italy and outperformed benchmarks in terms of interval coverage and sharpness while maintaining accurate central estimates. The results confirm the effectiveness of hybrid risk-informed modeling in capturing forecast uncertainty and supporting reliable, data-driven operational planning in renewable energy systems. Full article
(This article belongs to the Section F5: Artificial Intelligence and Smart Energy)
Show Figures

Figure 1

24 pages, 393 KB  
Article
Global Transition of Energy Vectors in the Maritime Sector: Role of Liquefied Natural Gas, Green Hydrogen, and Ammonia in Achieving Net Zero by 2050
by Carmen Luisa Vásquez Stanescu, Rhonmer Pérez-Cedeño, Jesús C. Hernández and Teresa Batista
Energies 2026, 19(2), 568; https://doi.org/10.3390/en19020568 - 22 Jan 2026
Viewed by 174
Abstract
The global transition toward net-zero emissions by 2050, encompassing the International Energy Agency’s Roadmap for the energy sector, the IMO’s revised strategy for the maritime industry, and broader climate guidelines, necessitates a profound transformation of both global energy systems and the shipping sector. [...] Read more.
The global transition toward net-zero emissions by 2050, encompassing the International Energy Agency’s Roadmap for the energy sector, the IMO’s revised strategy for the maritime industry, and broader climate guidelines, necessitates a profound transformation of both global energy systems and the shipping sector. In this context, energy vectors such as Liquefied Natural Gas, Green Hydrogen, and Ammonia are emerging as key elements for this shift. This review article proposes a comprehensive analysis of these vectors, contrasting their roles: Liquefied Natural Gas as a transitional solution and Hydrogen and Ammonia as long-term pillars for decarbonization. The research moves beyond a simple comparative analysis, offering a detailed mapping and evaluation of the global port infrastructure required for their safe handling, cryogenic storage, and bunkering operations. We examine their technical specifications, decarbonization potential, and the challenges related to operational feasibility, costs, regulation, and sustainability. The objective is to provide a critical perspective on how the evolution of maritime ports into energy hubs is a sine qua non condition for the secure and efficient management of these vectors, thereby ensuring the sector effectively meets the Net Zero 2050 climate goals. Full article
24 pages, 5597 KB  
Article
Transformation of the Network Tariff Model in Slovenia: Impact on Prosumers and Other Network Users
by Klemen Sredenšek, Jernej Počivalnik, Domen Kuhar, Eva Simonič and Sebastijan Seme
Energies 2026, 19(2), 567; https://doi.org/10.3390/en19020567 - 22 Jan 2026
Viewed by 101
Abstract
The aim of this paper is to present the transformation of the network tariff system in Slovenia using a comprehensive assessment methodology for the techno-economic evaluation of electricity costs for households. The novelty of the proposed approach lies in the combined assessment of [...] Read more.
The aim of this paper is to present the transformation of the network tariff system in Slovenia using a comprehensive assessment methodology for the techno-economic evaluation of electricity costs for households. The novelty of the proposed approach lies in the combined assessment of the previous and new network tariff systems, explicitly accounting for power-based network tariff components, time-block-dependent charges, and different support schemes for household photovoltaic systems, including net metering and credit note-based schemes. The results show that the transition from an energy-based to a more power-based network tariff system, introduced primarily to mitigate congestion in distribution networks, is not inherently disadvantageous for consumers and prosumers. When tariff structures are appropriately designed, the new framework can support efficient grid utilization and maintain favorable conditions for prosumers, particularly those integrating battery storage systems. Overall, the proposed methodology provides a transparent and robust framework for evaluating the economic impacts of network tariff reforms on residential consumers and prosumers, offering relevant insights for tariff design and the development of future low-carbon household energy systems. Full article
Show Figures

Figure 1

13 pages, 748 KB  
Perspective
Perspectives on Biomass-to-Power for a Circular Bioeconomy in Taiwan
by Chi-Hung Tsai and Wen-Tien Tsai
Energies 2026, 19(2), 566; https://doi.org/10.3390/en19020566 - 22 Jan 2026
Viewed by 115
Abstract
To mitigate the emission of greenhouse gases (GHG) from fossil fuel combustion, biomass-to-power development via biochemical or thermochemical pathways has been recognized as a sustainable route for advancing towards a society based on a circular bioeconomy. The key differences between these pathways lie [...] Read more.
To mitigate the emission of greenhouse gases (GHG) from fossil fuel combustion, biomass-to-power development via biochemical or thermochemical pathways has been recognized as a sustainable route for advancing towards a society based on a circular bioeconomy. The key differences between these pathways lie in operating temperature, process design capacity, feedstock characteristics and primary products. The biochemical route focuses on specific biofuels (e.g., biogas), and the thermochemical route often offers broader energy forms like heat and electricity. This perspective paper updates Taiwan’s achievements of its installed capacity and power (electricity) generation over a period of five years (2020–2024) under regulatory promotion that echoes official policies for sustainable development goals (SDGs) and 2050 carbon neutrality. Furthermore, the challenges of the biomass-to-power development in Taiwan (especially biogas-to-power systems) are addressed in the present study. These key issues include biomass resource, promotion incentives, stationary air pollution, site land use requirements and units for meeting performance durability requirements. Based on installed capacity, the main findings showed that biomass-to-power systems using biochemical routes (i.e., anaerobic digestion) in Taiwan showed an increasing trend, as well as increasing results for those using thermochemical routes (direct combustion, gasification). Furthermore, the data on total power generation indicated an upward trend from 201.7 Gigawatt-hour (GWh) in 2021 to 237.7 GWh in 2024, regardless of the kind of route used, whether biochemical or thermochemical. In conclusion, biomass-to-power systems have provided sustainable waste management and a circular bioeconomy model in Taiwan, which can be linked to the targets of sustainable development goals (SDGs) like SDG-7 (i.e., affordable and clean energy) and SDG-12 (i.e., responsible consumption and production). Full article
(This article belongs to the Section A4: Bio-Energy)
Show Figures

Figure 1

15 pages, 3632 KB  
Article
Thermodynamic Modeling and Parameter Study of a Supercritical CO2 Pneumatic Launch System for Sustainable High-Payload Applications
by Gaoliang Liao, Zhong Liu, Feng Zhang and Jiaqiang E
Energies 2026, 19(2), 565; https://doi.org/10.3390/en19020565 - 22 Jan 2026
Viewed by 94
Abstract
This study develops and validates a thermodynamic model for a supercritical carbon dioxide (CO2) pneumatic launch system, evaluating its potential as an environmentally friendly and efficient energy conversion technology alternative to conventional working fluids such as compressed air and nitrogen. Utilizing [...] Read more.
This study develops and validates a thermodynamic model for a supercritical carbon dioxide (CO2) pneumatic launch system, evaluating its potential as an environmentally friendly and efficient energy conversion technology alternative to conventional working fluids such as compressed air and nitrogen. Utilizing real-gas thermophysical properties from the NIST database, the model incorporates mass and energy conservation principles to simulate the transient launch process. Under the assumption of a pre-attained initial state, comparative analyses demonstrate that supercritical CO2 offers significantly higher specific internal energy, resulting in up to 20% greater payload capacity and improved exit velocities under identical initial conditions. A detailed parametric investigation examines the effects of key structural parameters—including the initial volume of the low-pressure chamber, launch tube diameter, valve diameter, and valve opening time—on launch performance, efficiency, and safety. Results indicate that while a smaller low-pressure chamber volume and larger launch tube diameter enhance launch efficiency and velocity, they must be balanced against structural safety limits to avoid excessive acceleration. Valve diameter expansion improves mass transfer and acceleration, yet diminishing returns are observed beyond 0.10 m. The study highlights supercritical CO2 as a promising high-energy-density working fluid that eliminates toxic exhaust at the launch site. These findings provide practical guidelines for system design optimization, offering a technical pathway toward compact, low-emission pneumatic launch equipment, provided that the upstream energy for CO2 conditioning is efficiently managed. Full article
(This article belongs to the Section I: Energy Fundamentals and Conversion)
Show Figures

Figure 1

14 pages, 2657 KB  
Article
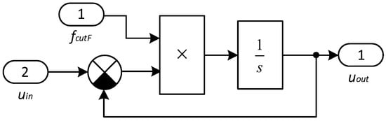
Modeling and Control of Multiple-Parallel Grid-Forming Active Power Filters for Scalable Harmonic Attenuation
by Wei Dong, Le Fang, Junchao Ma, Muhammad Waqas Qaisar and Jingyang Fang
Energies 2026, 19(2), 564; https://doi.org/10.3390/en19020564 - 22 Jan 2026
Viewed by 85
Abstract
Grid-forming converters have gained significant attention for their ability to form grid voltage and provide essential grid-supportive services. However, managing harmonics generated by nonlinear loads remains a critical challenge in weak grids. A single grid-forming converter active power filter offers limited compensation capacity, [...] Read more.
Grid-forming converters have gained significant attention for their ability to form grid voltage and provide essential grid-supportive services. However, managing harmonics generated by nonlinear loads remains a critical challenge in weak grids. A single grid-forming converter active power filter offers limited compensation capacity, and under heavy nonlinear loading its performance is restricted by converter ratings, leading to reduced stability margins, higher harmonic distortion, and weakened voltage/frequency regulation. To overcome these limitations, this paper presents a novel distributed control approach for multiple-parallel grid-forming converters active power filters that integrates voltage and frequency regulation with scalable harmonic attenuation. The proposed method extracts harmonic components at the point of common coupling and generates harmonic voltage commands to each unit so the parallel units collectively create a near short-circuit impedance for harmonics, preventing harmonic currents from propagating into the grid. Beyond improved harmonic performance, the multi-unit system enhances effective inertia, damping, and short-circuit capacity while avoiding complex parameter tuning, enabling a simple and scalable deployment. Simulation results demonstrate effective harmonic attenuation at the point of common coupling and accurate active/reactive power sharing. Full article
Show Figures

Figure 1

14 pages, 2316 KB  
Article
Experimental Characterization and Validation of a PLECS-Based Hardware-in-the-Loop (HIL) Model of a Dual Active Bridge (DAB) Converter
by Armel Asongu Nkembi, Danilo Santoro, Nicola Delmonte and Paolo Cova
Energies 2026, 19(2), 563; https://doi.org/10.3390/en19020563 - 22 Jan 2026
Viewed by 158
Abstract
Hardware-in-the-loop (HIL) simulation is an essential tool for rapid and cost-effective development and validation of power-electronic systems. The primary objective of this work is to validate and fine-tune a PLECS-based HIL model of a single dual active bridge (DAB) DC-DC converter, thereby laying [...] Read more.
Hardware-in-the-loop (HIL) simulation is an essential tool for rapid and cost-effective development and validation of power-electronic systems. The primary objective of this work is to validate and fine-tune a PLECS-based HIL model of a single dual active bridge (DAB) DC-DC converter, thereby laying the foundation for building more complex models (e.g., multiple converters connected in series or parallel). To this end, the converter is experimentally characterized, and the HIL model is validated across a wide range of operating conditions by varying the PWM phase-shift angle, voltage gain, switching frequency, and leakage inductance. Power transfer and efficiency are analyzed to quantify the influence of these parameters on converter performance. These experimental trends provide insight into the optimal modulation range and the dominant loss mechanisms of the DAB under single phase shift (SPS) control. A detailed comparison between HIL simulations and hardware measurements, based on transferred power and efficiency, shows close agreement across all the tested operating points. These results confirm the accuracy and robustness of the proposed HIL model, demonstrate the suitability of the PLECS platform for DAB development and control validation, and support its use as a scalable basis for more complex multi-converter studies, reducing design time and prototyping risk. Full article
Show Figures

Figure 1

25 pages, 2287 KB  
Review
A Review of AI Applications in Lithium-Ion Batteries: From State-of-Health Estimations to Prognostics
by Tianqi Ding, Annette von Jouanne, Liang Dong, Xiang Fang, Tingke Fang, Pablo Rivas and Alex Yokochi
Energies 2026, 19(2), 562; https://doi.org/10.3390/en19020562 - 22 Jan 2026
Viewed by 212
Abstract
Battery management systems (BMSs) are integral components of electric vehicles (EVs), as they ensure the safe and efficient operation of lithium-ion batteries. State of health (SoH) estimation is one of the core functions of BMSs, providing an assessment of the current condition of [...] Read more.
Battery management systems (BMSs) are integral components of electric vehicles (EVs), as they ensure the safe and efficient operation of lithium-ion batteries. State of health (SoH) estimation is one of the core functions of BMSs, providing an assessment of the current condition of a battery, while prognostics aim to predict remaining useful life (RUL) as a function of the battery’s condition. An accurate SoH estimation allows proactive maintenance to prolong battery lifespan. Traditional SoH estimation methods can be broadly divided into experiment-based and model-based approaches. Experiment-based approaches rely on direct physical measurements, while model-driven approaches use physics-based or data-driven models. Although experiment-based methods can offer high accuracy, they are often impractical and costly for real-time applications. With recent advances in artificial intelligence (AI), deep learning models have emerged as powerful alternatives for SoH prediction. This paper offers an in-depth examination of AI-driven SoH prediction technologies, including their historical development, recent advancements, and practical applications, with particular emphasis on the implementation of widely used AI algorithms for SoH prediction. Key technical challenges associated with SoH prediction, such as computational complexity, data availability constraints, interpretability issues, and real-world deployment constraints, are discussed, along with possible solution strategies. Full article
(This article belongs to the Section F5: Artificial Intelligence and Smart Energy)
Show Figures

Figure 1

20 pages, 7050 KB  
Article
Experimental and Visualization Study of Flow Boiling in Open Rectangular Microchannel with Large Aspect Ratio
by Yaning Guo, Lulu Li, Bo Zhang, Xiangji Guo and Ningsheng Wang
Energies 2026, 19(2), 561; https://doi.org/10.3390/en19020561 - 22 Jan 2026
Viewed by 136
Abstract
This experimental study comparatively investigates flow boiling performance and mechanisms in open and closed rectangular microchannels (ORMs/CRMs) with a high aspect ratio of 4. Fabricated on a copper substrate and sealed with a transparent window for visualization, the systems were tested using refrigerant [...] Read more.
This experimental study comparatively investigates flow boiling performance and mechanisms in open and closed rectangular microchannels (ORMs/CRMs) with a high aspect ratio of 4. Fabricated on a copper substrate and sealed with a transparent window for visualization, the systems were tested using refrigerant R245fa. Experiments spanned mass fluxes from 89 to 545 kg/m2·s and heat fluxes from 6.3 to 218.5 W/cm2 at an inlet temperature of 14 °C. Flow visualization reveals that the ORM configuration accelerates the transition from bubbly to slug and churn flow regimes and facilitates a unique stratified flow pattern absent in the CRM. Quantitatively, the ORM enhances the heat transfer coefficient by 4.2–14.1% while reducing the system pressure drop by 11.5–58.6% within the low mass flux range (89–269 kg/m2·s). Conversely, at a high mass flux of 545 kg/m2·s, the ORM’s pressure drop increases substantially by 29.9–246.8%, attributed to significant two-phase losses in the top-gap region. As heat flux increases, inertial forces dominate over gravitational effects, shifting the primary heat transfer contribution from nucleate to flow boiling. The figure of merit (FOM) confirms the overall performance superiority of the ORM at low mass fluxes. This work provides valuable insights and design guidelines for high-performance, high-aspect-ratio microchannel heat sinks in advanced thermal management systems. Full article
Show Figures

Figure 1

22 pages, 4007 KB  
Article
Medium-Temperature Heat Pumps for Sustainable Urban Heating: Evidence from a District Network in Italy
by Mosè Rossi, Danilo Salvi and Gabriele Comodi
Energies 2026, 19(2), 560; https://doi.org/10.3390/en19020560 - 22 Jan 2026
Viewed by 117
Abstract
The decarbonisation of urban heating systems represents a key challenge for the transition towards sustainable cities. This study investigates the field integration of a Medium-Temperature Heat Pump (MTHP) within the Osimo District Heating Network (DHN) in Italy, demonstrating how low-grade return flows (30–50 [...] Read more.
The decarbonisation of urban heating systems represents a key challenge for the transition towards sustainable cities. This study investigates the field integration of a Medium-Temperature Heat Pump (MTHP) within the Osimo District Heating Network (DHN) in Italy, demonstrating how low-grade return flows (30–50 °C) can be effectively upgraded to supply temperatures of 65–75 °C, in line with 4th-generation district heating requirements. Specifically, 5256 h of MTHP operation within the DHN were analysed to validate the initial design assumptions, develop surrogate performance models, and assess the system’s techno-economic and environmental performance. The results indicate stable and reliable operation, with a weighted average Coefficient of Performance (COP) of 3.96 and a weighted average thermal output of 134.5 kW. From an economic perspective, the system achieves a payback period of approximately six years and a Levelised Cost of Heat (LCOH) of 0.0245 €/kWh. Environmentally, the MTHP enables CO2 emission reductions of about 120 t compared with conventional gas-fired boilers. Beyond its technical performance, the study highlights the strong replicability of MTHP solutions for small- and medium-scale DHNs across Europe. The proposed approach offers urban utilities a scalable and cost-competitive pathway towards low-carbon heat supply, directly supporting municipal climate strategies and aligning with key EU policy frameworks, including the European Green Deal, REPowerEU, and the “Fit-for-55” package. Full article
(This article belongs to the Special Issue Advances in Waste Heat Utilization Systems)
Show Figures

Figure 1

20 pages, 6174 KB  
Article
Underground Coal Gasification Induced Multi-Physical Field Evolution and Overlying Strata Fracture Propagation: A Case Study Targeting Deep Steeply Inclined Coal Seams
by Jing Li, Shuguang Yang, Ziqiang Wang, Bin Zhang, Xin Li and Shuxun Sang
Energies 2026, 19(2), 559; https://doi.org/10.3390/en19020559 - 22 Jan 2026
Viewed by 85
Abstract
Underground coal gasification (UCG) is a controlled combustion process of in situ coal that produces combustible gases through thermal and chemical reactions. In order to investigate the UCG induced multi-physical field evolution and overlying strata fracture propagation of deep steeply inclined coal seam [...] Read more.
Underground coal gasification (UCG) is a controlled combustion process of in situ coal that produces combustible gases through thermal and chemical reactions. In order to investigate the UCG induced multi-physical field evolution and overlying strata fracture propagation of deep steeply inclined coal seam (SICS), which play a vital role in safety and sustainable UCG project, this study established a finite element model based on the actual geological conditions of SICS and the controlled retracting injection point (CRIP) technology. The results are listed as follows: (1) the temperature field influence ranges of the shallow and deep parts of SICS expanded from 15.56 m to 17.78 m and from 26.67 m to 28.89 m, respectively, when the burnout cavity length increased from 100 m to 400 m along the dip direction; (2) the floor mudstone exhibited uplift displacement as a result of thermal expansion, while the roof and overlying strata showed stepwise-increasing subsidence displacement over time, which was caused by stress concentration and fracture propagation, reaching a maximum subsidence of 3.29 m when gasification ended; (3) overlying strata rock damages occurred with induced fractures developing and propagating during UCG. These overlying strata fractures can reach a maximum height of 204.44 m that may result in groundwater influx and gasification failure; (4) considering the significant asymmetry in the evolution of multi-physical fields of SICS, it is suggested that the dip-direction length of a single UCG channel be limited to 200 m. The conclusions of this study can provide theoretical guidance and technical support for the design of UCG of SICS. Full article
(This article belongs to the Section B2: Clean Energy)
Show Figures

Figure 1

28 pages, 1402 KB  
Article
Solid-State Transformers in the Global Clean Energy Transition: Decarbonization Impact and Lifecycle Performance
by Nikolay Hinov
Energies 2026, 19(2), 558; https://doi.org/10.3390/en19020558 - 22 Jan 2026
Viewed by 302
Abstract
The global clean energy transition requires power conversion technologies that combine high efficiency, operational flexibility, and reduced environmental impact over their entire service life. Solid-state transformers (SSTs) have emerged as a promising alternative to conventional line-frequency transformers, offering bidirectional power flow, high-frequency isolation, [...] Read more.
The global clean energy transition requires power conversion technologies that combine high efficiency, operational flexibility, and reduced environmental impact over their entire service life. Solid-state transformers (SSTs) have emerged as a promising alternative to conventional line-frequency transformers, offering bidirectional power flow, high-frequency isolation, and advanced control capabilities that support renewable integration and electrified infrastructures. This paper presents a comparative life cycle assessment (LCA) of conventional transformers and SSTs across representative power-system applications, including residential and industrial distribution networks, electric vehicle fast-charging infrastructure, and transmission–distribution interface substations. The analysis follows a cradle-to-grave approach and is based on literature-derived LCA data, manufacturer specifications, and harmonized engineering assumptions applied consistently across all case studies. The results show that, under identical assumptions, SST-based solutions are associated with indicative lifecycle CO2 emission reductions of approximately 10–30% compared to conventional transformers, depending on power rating and operating profile (≈90–1000 t CO2 over 25 years across the four cases). These reductions are primarily driven by lower operational losses and reduced material intensity, while additional system-level benefits arise from enhanced controllability and compatibility with renewable-rich and hybrid AC/DC grids. The study also identifies key challenges that influence the sustainability performance of SSTs, including higher capital cost, thermal management requirements, and the long-term reliability of power-electronic components. Overall, the results indicate that SSTs represent a relevant enabling technology for future low-carbon power systems, while highlighting the importance of transparent assumptions and lifecycle-oriented evaluation when comparing emerging grid technologies. Full article
(This article belongs to the Special Issue Challenges and Opportunities in the Global Clean Energy Transition)
Show Figures

Figure 1

22 pages, 5497 KB  
Article
Numerical Study of Combustion in a Methane–Hydrogen Co-Fired W-Shaped Radiant Tube Burner
by Daun Jeong, Seongbong Ha, Jeongwon Seo, Jinyeol Ahn, Dongkyu Lee, Byeongyun Bae, Jongseo Kwon and Gwang G. Lee
Energies 2026, 19(2), 557; https://doi.org/10.3390/en19020557 - 22 Jan 2026
Viewed by 142
Abstract
Three-dimensional computational fluid dynamics (CFD) simulation was performed using the eddy-dissipation concept coupled with detailed hydrogen oxidation kinetics and a reduced two-step methane mechanism for a newly proposed W-shaped radiant tube burner (RTB). The effects of the hydrogen volume fraction (0–100%) and excess [...] Read more.
Three-dimensional computational fluid dynamics (CFD) simulation was performed using the eddy-dissipation concept coupled with detailed hydrogen oxidation kinetics and a reduced two-step methane mechanism for a newly proposed W-shaped radiant tube burner (RTB). The effects of the hydrogen volume fraction (0–100%) and excess air ratio (0%, 10%, 20%) on the flame morphology, temperature distribution, and NOX emissions are systematically analyzed. The results deliver three main points. First, a flame-shape transformation was identified in which the near-injector flame changes from a triangular attached mode to a splitting mode as the mixture reactivity increases with the transition occurring at a characteristic laminar flame speed window of about 0.33 to 0.36 m/s. Second, NOX shows non-monotonic behavior with dilution, and 10% excess air can produce higher NOX than 0% or 20% because OH radical enhancement locally promotes thermal NO pathways despite partial cooling. Third, a multi-parameter coupling strategy was established showing that hydrogen enrichment raises the maximum gas temperature by roughly 100 to 200 K from 0% to 100% H2, while higher excess air improves axial temperature uniformity and can suppress NOX if over-dilution is avoided. These findings provide a quantitative operating map for balancing stability, uniform heating, and NOX–CO trade-offs in hydrogen-enriched industrial RTBs. Full article
Show Figures

Figure 1

19 pages, 1041 KB  
Article
Advancing Modern Power Grid Planning Through Digital Twins: Standards Analysis and Implementation
by Eduardo Gómez-Luna, Marlon Murillo-Becerra, David R. Garibello-Narváez and Juan C. Vasquez
Energies 2026, 19(2), 556; https://doi.org/10.3390/en19020556 - 22 Jan 2026
Viewed by 211
Abstract
The increasing complexity of modern electrical networks poses significant challenges in terms of monitoring, maintenance, and operational efficiency. However, current planning approaches often lack a unified integration of real-time data and predictive modeling. In this context, Digital Twins (DTs) emerge as a promising [...] Read more.
The increasing complexity of modern electrical networks poses significant challenges in terms of monitoring, maintenance, and operational efficiency. However, current planning approaches often lack a unified integration of real-time data and predictive modeling. In this context, Digital Twins (DTs) emerge as a promising solution, as they enable the creation of virtual replicas of physical assets. This research addresses the lack of standardized technical frameworks by proposing a novel mathematical optimization model for grid planning based on DTs. The proposed methodology integrates comprehensive architecture (frontend/backend), specific data standards (IEC 61850), and a linear optimization formulation to minimize operational costs and enhance reliability. Case studies such as DTEK Grids and American Electric Power are analyzed to validate the approach. The results demonstrate that the proposed framework can reduce planning errors by approximately 15% and improve fault prediction accuracy to 99%, validating the DTs as a key tool for the digital transformation of the energy sector towards Industry 5.0. Full article
Show Figures

Figure 1

47 pages, 2196 KB  
Systematic Review
Data-Driven Load Forecasting in Microgrids: Integrating External Factors for Efficient Control and Decision-Making
by Kevin David Martinez-Zapata, Daniel Ospina-Acero, Jhon James Granada-Torres, Nicolás Muñoz-Galeano, Natalia Gaviria-Gómez, Juan Felipe Botero-Vega and Sergio Armando Gutiérrez-Betancur
Energies 2026, 19(2), 555; https://doi.org/10.3390/en19020555 - 22 Jan 2026
Viewed by 187
Abstract
Accurate load forecasting is essential for optimizing microgrid and smart grid operations, thereby supporting Energy Management Systems (EMSs). Load forecasting also plays a key role in integrating renewable energy, ensuring grid stability, and facilitating decision-making. In this regard, we present a comprehensive literature [...] Read more.
Accurate load forecasting is essential for optimizing microgrid and smart grid operations, thereby supporting Energy Management Systems (EMSs). Load forecasting also plays a key role in integrating renewable energy, ensuring grid stability, and facilitating decision-making. In this regard, we present a comprehensive literature review that combines both bibliometric analysis and critical literature synthesis to evaluate state-of-the-art forecasting techniques. Based on a screened corpus of over 200 scientific publications from 2015 to 2024, our analysis reveals a significant shift in the field: AI-based approaches, including Machine Learning (ML) and Deep Learning (DL), represent more than 55% of the analyzed literature, overtaking traditional statistical models. The bibliometric results highlight a 300% increase in publications focusing on ML-based models (e.g., SVM, CNN, LSTM) over the years. Furthermore, approximately 70% of the total reviewed works use at least one exogenous variable, such as weather variables, socioeconomic indicators, and cultural behavior. These findings reflect the transition from traditional statistical models to more flexible and scalable approaches. However, socioeconomic and cultural variables remain underutilized in the literature, particularly for long-term planning. Despite the progress load forecasting processes have made in recent years, thanks to advanced modeling, a few hurdles remain to realizing their full potential in modern microgrids. Thus, we argue that future research should focus on three key areas: (i) scalable real-time adaptive models, including computational complexity characterization, (ii) standardization in data collection for seamless integration of exogenous variables, and (iii) real-world application of forecasting models in decision-making that supports EMSs. Progress in these areas may enhance grid stability, optimize resource allocation, and accelerate the transition to sustainable energy systems. Full article
(This article belongs to the Section A1: Smart Grids and Microgrids)
Show Figures

Figure 1

20 pages, 2381 KB  
Article
Experimental Verification of a Method for Improving the Efficiency of an Evaporative Tower Using IEC
by Bartosz Jagieła and Magdalena Jaremkiewicz
Energies 2026, 19(2), 554; https://doi.org/10.3390/en19020554 - 22 Jan 2026
Viewed by 114
Abstract
This paper analyses the impact of inlet air precooling on the efficiency and electricity consumption of an open-type evaporative cooling tower. An Indirect Evaporative Cooler (IEC) was used to reduce the inlet air temperature, and its influence on system efficiency was experimentally evaluated. [...] Read more.
This paper analyses the impact of inlet air precooling on the efficiency and electricity consumption of an open-type evaporative cooling tower. An Indirect Evaporative Cooler (IEC) was used to reduce the inlet air temperature, and its influence on system efficiency was experimentally evaluated. Although IEC units and the Maisotsenko cycle are increasingly discussed in the literature, no research to date has considered their effect on evaporative tower efficiency under actual operating conditions. For this purpose, a test stand was constructed comprising an open cooling tower and an IEC unit. The system operated automatically for 2952 h, corresponding to a full cooling season in Poland. Two sets of data collected during cooling tower operation were analysed: without precooling (Stage I) and with precooling using IEC (Stage II). Measurements were recorded every 10 s. Additionally, tests were conducted at elevated thermal loads and peak ambient temperatures. The comparative analysis concluded that air precooling using IEC reduced the cooling tower’s electricity consumption by approximately 15% and increased the SCOP of the cooling tower by 30%. This demonstrates the significant potential of the proposed solution. Full article
Show Figures

Figure 1

29 pages, 5930 KB  
Article
Thermo-Mechanical Controls on Permeability in Deep Fractured-Porous Carbonates During Underground Gas Storage
by Zhen Zhai, Quan Gan, Yan Wang, Saipeng Huang, Yuchao Zhao, Limin Li, Mingnan Xu, Junlei Wang and Sida Jia
Energies 2026, 19(2), 553; https://doi.org/10.3390/en19020553 - 22 Jan 2026
Viewed by 107
Abstract
Deep fractured-porous carbonate reservoirs used for underground gas storage (UGS) experience simultaneous changes in temperature and effective stress during cyclic injection and withdrawal, so predicting permeability evolution is essential for evaluating long-term injectivity and deliverability. Using the Xiangguosi UGS as the engineering background, [...] Read more.
Deep fractured-porous carbonate reservoirs used for underground gas storage (UGS) experience simultaneous changes in temperature and effective stress during cyclic injection and withdrawal, so predicting permeability evolution is essential for evaluating long-term injectivity and deliverability. Using the Xiangguosi UGS as the engineering background, we measured steady-state gas permeability of three fractured-porous carbonate cores under representative conditions (20–80 °C; 15–35 MPa). Permeability decreases nonlinearly under coupled loading: changing temperature or effective stress alone typically reduces permeability by 30–70%, while the maximum reduction under concurrent increases in both variables exceeds 80% relative to the reference condition. An exponential model was fitted to quantify the decay parameter of permeability with effective stress (0.038–0.046 MPa−1) and with temperature (0.016–0.020 °C−1). In addition, the temperature-related exponential decay parameter decreases with increasing effective stress, because compliant fractures and larger pores are progressively pre-closed, weakening the permeability response to temperature. Finally, we propose a parsimonious separable exponential model that reproduces the measurements with a mean relative error below 12%, providing a practical constitutive relation for multiphysics simulations of UGS in fractured-porous carbonates. Full article
(This article belongs to the Special Issue Advances in Unconventional Reservoirs and Enhanced Oil Recovery)
Show Figures

Figure 1

28 pages, 5265 KB  
Article
Research on Energy Futures Hedging Strategies for Electricity Retailers’ Risk Based on Monthly Electricity Price Forecasting
by Weiqing Sun and Chenxi Wu
Energies 2026, 19(2), 552; https://doi.org/10.3390/en19020552 - 22 Jan 2026
Viewed by 162
Abstract
The widespread adoption of electricity market trading platforms has enhanced the standardization and transparency of trading processes. As markets become more liberalized, regulatory policies are phasing out protective electricity pricing mechanisms, leaving retailers exposed to price volatility risks. In response, demand for risk [...] Read more.
The widespread adoption of electricity market trading platforms has enhanced the standardization and transparency of trading processes. As markets become more liberalized, regulatory policies are phasing out protective electricity pricing mechanisms, leaving retailers exposed to price volatility risks. In response, demand for risk management tools has grown significantly. Futures contracts serve as a core instrument for managing risks in the energy sector. This paper proposes a futures-based risk hedging model grounded in electricity price forecasting. A price prediction model is constructed using historical data from electricity markets and energy futures, with SHAP values used to analyze the transmission effects of energy futures prices on monthly electricity trading prices. The Monte Carlo simulation method, combined with a t-GARCH model, is applied to calculate CVaR and determine optimal portfolio weights for futures products. This approach captures the volatility clustering and fat-tailed characteristics typical of energy futures returns. To validate the model’s effectiveness, an empirical analysis is conducted using actual market data. By forecasting electricity price trends and formulating futures strategies, the study evaluates the hedging and profitability performance of futures trading under different market conditions. Results show that the proposed model effectively mitigates risks in volatile market environments. Full article
(This article belongs to the Section C: Energy Economics and Policy)
Show Figures

Figure 1

17 pages, 26741 KB  
Article
Dual-Agent Deep Reinforcement Learning for Low-Carbon Economic Dispatch in Wind-Integrated Microgrids Based on Carbon Emission Flow
by Wenjun Qiu, Hebin Ruan, Xiaoxiao Yu, Yuhang Li, Yicheng Liu and Zhiyi He
Energies 2026, 19(2), 551; https://doi.org/10.3390/en19020551 - 22 Jan 2026
Viewed by 94
Abstract
High renewable penetration in microgrids makes low-carbon economic dispatch under uncertainty challenging, and single-agent deep reinforcement learning (DRL) often yields unstable cost–emission trade-offs. This study proposes a dual-agent DRL framework that explicitly balances operational economy and environmental sustainability. A Proximal Policy Optimization (PPO) [...] Read more.
High renewable penetration in microgrids makes low-carbon economic dispatch under uncertainty challenging, and single-agent deep reinforcement learning (DRL) often yields unstable cost–emission trade-offs. This study proposes a dual-agent DRL framework that explicitly balances operational economy and environmental sustainability. A Proximal Policy Optimization (PPO) agent focuses on minimizing operating cost, while a Soft Actor–Critic (SAC) agent targets carbon emission reduction; their actions are combined through an adaptive weighting strategy. The framework is supported by carbon emission flow (CEF) theory, which enables network-level tracing of carbon flows, and a stepped carbon pricing mechanism that internalizes dynamic carbon costs. Demand response (DR) is incorporated to enhance operational flexibility. The dispatch problem is formulated as a Markov Decision Process, allowing the dual-agent system to learn policies through interaction with the environment. Case studies on a modified PJM 5-bus test system show that, compared with a Deep Deterministic Policy Gradient (DDPG) baseline, the proposed method reduces total operating cost, carbon emissions, and wind curtailment by 16.8%, 11.3%, and 15.2%, respectively. These results demonstrate that the proposed framework is an effective solution for economical and low-carbon operation in renewable-rich power systems. Full article
Show Figures

Figure 1

19 pages, 3742 KB  
Article
Short-Term Solar and Wind Power Forecasting Using Machine Learning Algorithms for Microgrid Operation
by Vidhi Rajeshkumar Patel, Havva Sena Cakar and Mohsin Jamil
Energies 2026, 19(2), 550; https://doi.org/10.3390/en19020550 - 22 Jan 2026
Viewed by 124
Abstract
Accurate short-term forecasting of renewable energy sources is essential for stable and efficient microgrid operation. Existing models primarily focus on either solar or wind prediction, often neglecting their combined stochastic behavior within isolated systems. This study presents a comparative evaluation of three machine-learning [...] Read more.
Accurate short-term forecasting of renewable energy sources is essential for stable and efficient microgrid operation. Existing models primarily focus on either solar or wind prediction, often neglecting their combined stochastic behavior within isolated systems. This study presents a comparative evaluation of three machine-learning models—Random Forest, ANN, and LSTM—for short-term solar and wind forecasting in microgrid environments. Historical meteorological data and power generation records are used to train and validate three ML models: Random Forest, Long Short-Term Memory, and Artificial Neural Networks. Each model is optimized to capture nonlinear and rapidly fluctuating weather dynamics. Forecasting performance is quantitatively evaluated using Mean Absolute Error, Root Mean Square Error, and Mean Percentage Error. The predicted values are integrated into a microgrid energy management system to enhance operational decisions such as battery storage scheduling, diesel generator coordination, and load balancing. Among the evaluated models, the ANN achieved the lowest prediction error with an MAE of 64.72 kW on the one-year dataset, outperforming both LSTM and Random Forest. The novelty of this study lies in integrating multi-source data into a unified ML-based predictive framework, enabling improved reliability, reduced fossil fuel usage, and enhanced energy resilience in remote microgrids. This research used Orange 3.40 software and Python 3.12 code for prediction. By enhancing forecasting accuracy, the project seeks to reduce reliance on fossil fuels, lower operational costs, and improve grid stability. Outcomes will provide scalable insights for remote microgrids transitioning to renewables. Full article
Show Figures

Figure 1

25 pages, 3615 KB  
Article
Adaptive Hybrid Grid-Following and Grid-Forming Control with Hybrid Coefficient Transition Regulation for Transient Current Suppression
by Wujie Chao, Liyu Dai, Yichen Feng, Junwei Huang, Jinke Wang, Xinyi Lin and Chunpeng Zhang
Energies 2026, 19(2), 549; https://doi.org/10.3390/en19020549 - 21 Jan 2026
Viewed by 156
Abstract
With the increasing integration of renewable energy into power grids, voltage source converter-based high-voltage direct current (VSC-HVDC) stations often adopt hybrid grid-following (GFL) and grid-forming (GFM) control strategies to improve adaptability to varying grid strengths. In many existing schemes, the hybrid coefficient changes [...] Read more.
With the increasing integration of renewable energy into power grids, voltage source converter-based high-voltage direct current (VSC-HVDC) stations often adopt hybrid grid-following (GFL) and grid-forming (GFM) control strategies to improve adaptability to varying grid strengths. In many existing schemes, the hybrid coefficient changes abruptly, which may produce large transient current overshoots and compromise the safe and stable operation of converters. An adaptive hybrid GFL-GFM control framework equipped with a hybrid coefficient transition regulation is proposed. Small-signal state–space models are established and eigenvalue analysis confirms stability over the considered short-circuit ratio (SCR) range. The regulating method is activated only during coefficient transitions and is inactive in steady-state, thereby preserving the operating-point eigenvalue properties. Dynamic equations of the converter current change rate are derived to reveal the key role of the hybrid-coefficient change rate in driving transient current overshoots, based on which a real-time hybrid coefficient regulating method is developed to shape coefficient transitions. Simulations on a 500 kV/2100 MW VSC-HVDC project demonstrate reduced transient current overshoot and power oscillations during SCR variations, with robustness under moderate parameter deviations as well as representative SCR assessment error and update delay. Full article
Show Figures

Figure 1

23 pages, 3417 KB  
Article
The Main Control Factors and Productivity Evaluation Method of Stimulated Well Production Based on an Interpretable Machine Learning Model
by Jin Li, Huiqing Liu, Lin Yan, Zhiping Wang, Hongliang Wang, Shaojun Wang, Xue Qin and Hui Feng
Energies 2026, 19(2), 548; https://doi.org/10.3390/en19020548 - 21 Jan 2026
Viewed by 120
Abstract
Low-permeability waterflooding reservoirs face numerous challenges, including low productivity per well, inadequate formation pressure maintenance, poor waterflood response, and low water injection utilization efficiency. Illustrated by Bai 153 Block in the Changqing Oilfield, the primary concern has shifted in recent years from fracture [...] Read more.
Low-permeability waterflooding reservoirs face numerous challenges, including low productivity per well, inadequate formation pressure maintenance, poor waterflood response, and low water injection utilization efficiency. Illustrated by Bai 153 Block in the Changqing Oilfield, the primary concern has shifted in recent years from fracture water breakthrough to formation blockages. Currently, low-yield wells (≤0.5 t) constitute a significant proportion (27.5%), with a recovery factor of only 0.41%. The effectiveness of stimulation treatments is influenced by reservoir properties, treatment types, process parameters, and production performance. Selecting candidate wells requires collecting and analyzing data such as individual well block characteristics. Evaluating treatment effectiveness involves substantial effort and complexity. Early fracturing treatments exhibited significant variations in effectiveness, and the primary controlling factors influencing fracturing success remained unclear. This paper proposes a big data analysis-based method for evaluating stimulation effectiveness in low-permeability waterflooding reservoirs. Utilizing preprocessed geological, construction, and production data from the target block, an integrated application of the Random Forest algorithm and Recursive Feature Elimination ranks the importance of factors affecting treatments and identifies the block’s main controlling factors. Using these factors as target parameters, a multivariate quantitative evaluation model for fracturing effectiveness is established. This model employs the Pearson correlation coefficient method, Recursive Feature Elimination, and the Random Forest algorithm. Results from the quantitative model indicate that the primary main controlling factors that significantly affect post-fracturing oil increment are production parameters, geological parameters such as vertical thickness, fracture pressure, and oil saturation; engineering parameters such as sand ratio, blowout volume, and fracturing method; and production parameters such as pre-measure cumulative fluid production, production months, and pre-measure cumulative oil production, which are most closely related to post-fracturing oil increment. These parameters show the strongest correlation with incremental oil production. The constructed quantitative model demonstrates a linear correlation rate exceeding 85% between predicted fracturing stimulation and actual well test production, verifying its validity. This approach provides a novel method and theoretical foundation for the post-evaluation of oil increment effectiveness from stimulation treatments in low-permeability waterflooding reservoirs. Full article
Show Figures

Figure 1

27 pages, 3674 KB  
Article
Optimizing the Trade-Off Among Comfort, Electricity Use, and Economic Benefits in Smart Buildings Within Renewable Electricity Communities
by Federico Mattana, Roberto Ricciu, Gianmarco Sitzia and Emilio Ghiani
Energies 2026, 19(2), 547; https://doi.org/10.3390/en19020547 - 21 Jan 2026
Viewed by 136
Abstract
The integration of smart electricity management models in buildings is a key strategy for improving living comfort and optimizing energy efficiency. The incentive mechanisms introduced by the Italian regulatory framework for widespread self-consumption and energy communities encourage the deployment of smart management systems [...] Read more.
The integration of smart electricity management models in buildings is a key strategy for improving living comfort and optimizing energy efficiency. The incentive mechanisms introduced by the Italian regulatory framework for widespread self-consumption and energy communities encourage the deployment of smart management systems within Collective Self-Consumption Groups (CSGs) and Renewable Energy Communities (RECs). These mechanisms drive the search for solutions that combine occupant well-being with economic benefits, thereby fostering citizen participation in aggregation models that play a key role in the transition towards a progressively decarbonized electricity system. In this context, an optimization model for the management of residential heat pumps is proposed, aimed at identifying the best compromise between thermal comfort, electricity consumption, and economic benefits. The approach developed in the research encourages citizens to take an active role without the need for burdensome commitments and/or significant changes in their daily habits, in line with the importance that users themselves attribute to these aspects. To demonstrate the potential of the proposed approach, a case study was developed on a residential building located in Sardinia (Italy). The implementation of an optimization model aimed at simultaneously maximizing economic benefits and indoor thermal comfort is simulated. The model’s economic and energy performance is assessed and compared with the results obtained using different advanced heat pump control and management strategies. Full article
Show Figures

Figure 1

30 pages, 5091 KB  
Article
Hierarchical Topology Knowledge Extraction for Five-Prevention Wiring Diagrams in Substations
by Hui You, Dong Yang, Tian Wu, Qing He, Wenyu Zhu, Xiang Ren and Jia Liu
Energies 2026, 19(2), 546; https://doi.org/10.3390/en19020546 - 21 Jan 2026
Viewed by 126
Abstract
Five prevention is an important technical means to prevent maloperations in substations, and knowledge extraction from wiring diagrams is the key to intelligent “five prevention logic verification”. To address the error accumulation caused by multimodal object matching in traditional methods, this paper proposes [...] Read more.
Five prevention is an important technical means to prevent maloperations in substations, and knowledge extraction from wiring diagrams is the key to intelligent “five prevention logic verification”. To address the error accumulation caused by multimodal object matching in traditional methods, this paper proposes a hierarchical recognition-based approach for topological knowledge extraction. This method establishes a multi-level recognition framework utilizing image tiling, decomposing the wiring diagram recognition task into three hierarchical levels from top to bottom: connection modes, bay types, and switching devices. A depth-first strategy is employed to establish parent–child node relationships, forming an initial topological structure. Based on the recognition results, the proposed approach performs regularized parsing and leverages a bay topology knowledge base to achieve automated matching of inter-device topological relationships. To enhance recognition accuracy, the model incorporates a Swin Transformer block to strengthen global feature perception and adds an ultra-small target detection layer to improve small-object recognition. The experimental results demonstrate that all recognition layers achieve mAP@0.5 exceeding 90%, with an overall precision of 93.9% and a recall rate of 91.7%, outperforming traditional matching algorithms and meeting the requirements for wiring diagram topology knowledge extraction. Full article
Show Figures

Figure 1

Previous Issue
Back to TopTop