Skip to Content

Batteries, Volume 12, Issue 2

2026 February - 40 articles

Cover Story: Sodium-ion batteries (SIBs) are an appealing alternative to the lithium-ion ones (LIBs) because they help to remarkably reduce the dependence on critical raw materials as Li, Co, Cu, Ni which, conversely, affect the LIB devices. However, SIBs are affected by safety issues due to the presence of volatile/flammable organic electrolytes. The replacement of organics with poorly flammable and/or flame-retardant components, called ionic liquids (ILs), represents a promising way forward.
In this preliminary paper, we propose the combination of diglymes with IL, aiming to enhance the transport properties, especially below 0 °C. This novel type of hybrid electrolyte, though rarely encountered in the literature for SIBs, may represent a reasonable compromise between high ion conduction and improved safety/reliability. View this paper
  • Issues are regarded as officially published after their release is announced to the table of contents alert mailing list .
  • You may sign up for email alerts to receive table of contents of newly released issues.
  • PDF is the official format for papers published in both, html and pdf forms. To view the papers in pdf format, click on the "PDF Full-text" link, and use the free Adobe Reader to open them.

Articles (40)

  • Article
  • Open Access
315 Views
15 Pages

20 February 2026

The transition to clean energy and electrification of transportation requires accurate, real-time monitoring of the state of health (SoH) of lithium-ion batteries, which serve as critical components for energy storage. Conventional SoH estimation met...

  • Review
  • Open Access
384 Views
48 Pages

19 February 2026

Accurate state-of-health (SOH) estimation is a cornerstone of safe, reliable, and cost-effective operation of lithium-ion batteries (LIBs) in electric vehicles and energy storage systems. In recent years, rapid advances in artificial intelligence tec...

  • Article
  • Open Access
244 Views
24 Pages

18 February 2026

This article focuses on the synthesis and characterization of an amorphous carbon derived from spent coffee grounds converted into a porous amorphous carbon (Cp1) by carbonization up to 900 °C and subsequently combined with aluminum via mechanoch...

  • Review
  • Open Access
711 Views
50 Pages

18 February 2026

Lithium-ion batteries (LIBs) are pivotal in electric vehicles (EVs), grid storage, and portable electronics, but their high energy density introduces safety risks, particularly thermal runaway (TR). TR can lead to fires, explosions, and hazardous emi...

  • Feature Paper
  • Article
  • Open Access
487 Views
20 Pages

Strategies for Enhancing Battery Life Under Fast Charging: Insights from NMC-Based Cell Cycling

  • Saiful Islam,
  • Pete Barnes,
  • Bumjun Park,
  • Bianca Yi Wen Mak,
  • Michael C. Evans,
  • Eric J. Dufek and
  • Tanvir R. Tanim

17 February 2026

Fast charging improves the usability of consumer electronics and electric vehicles (EVs) by reducing range anxiety and downtime but accelerates battery degradation and raises safety concerns. Optimizing operational conditions during fast-charging is...

  • Article
  • Open Access
495 Views
21 Pages

Architectural Evolution and Advanced Joining Techniques in High-Energy-Density Cylindrical Li-Ion Cells

  • Masilamani Chelladurai Asirvatham,
  • Puritut Nakhanivej,
  • Vincent A. Perry-French,
  • Ehman F. Altaf,
  • Melanie J. Loveridge,
  • Tanveerkhan S. Pathan and
  • James D. McLaggan

17 February 2026

This study presents a comparative analysis of cylindrical lithium-ion cell architectures, tracing the evolution from the conventional tabbed design (18650/21700) to the large-format 4680 cell with its tabless current collectors. This architectural sh...

  • Article
  • Open Access
245 Views
15 Pages

16 February 2026

Efficient and accurate characterization of lithium-ion battery packs is critical for both first-life applications and second-life reuse. Electrochemical Impedance Spectroscopy (EIS) provides detailed insight into internal electrochemical processes, b...

  • Article
  • Open Access
312 Views
19 Pages

15 February 2026

Lithium-rich manganese-based cathode materials (LRMs, Li1.2Mn0.54Ni0.13Co0.13O2) are promising prospects for subsequent-generation lithium-ion batteries owing to their elevated operating voltage, large specific capacity, and affordability. Nonetheles...

  • Article
  • Open Access
556 Views
23 Pages

15 February 2026

The corrosion behavior and passive-film stability of a β-TiZrNbTa (β-TZNT) alloy were investigated in artificial seawater (ASW), focusing on the effects of pH, temperature, immersion time, fluoride ion concentration, and potential scan rate...

  • Article
  • Open Access
640 Views
24 Pages

Toward Sustainable Anode Materials: LCA of Natural Graphite Processing in Québec

  • Gary Vegh,
  • Sajedi Sarah,
  • Ivan Kantor,
  • Khalil Amine,
  • Muskan Srivastava,
  • Mina Rezayi,
  • Anil Kumar Madikere Raghunatha Reddy and
  • Karim Zaghib

15 February 2026

Graphite is a critical mineral used to produce anodes for lithium-ion batteries (LIBs). Battery-grade anode active material (AAM) is derived from natural graphite. As the electric vehicle (EV) market continues to expand across North America, establis...

  • Article
  • Open Access
477 Views
24 Pages

15 February 2026

This research focuses on the passive behavior changes of 3 Ah pouch LiFePO4 (LFP) batteries during low-temperature storage, a point often neglected in previous studies. This experiment examines the low-temperature non-operational endurance of fully c...

  • Article
  • Open Access
263 Views
16 Pages

Research on Three-Dimensional Localization of Pressure Relief Sound Source of Energy Storage Battery Pack Based on BP Neural Networks

  • Shan Jiang,
  • Chen Zhang,
  • Qili Lin,
  • Xingtong Li,
  • Yangjun Wang,
  • Zhikuan Wang,
  • Yindi Wang,
  • Jian Zhao,
  • Zhengye Yang and
  • Jifeng Song
  • + 1 author

14 February 2026

Thermal runaway events in energy storage power stations exhibit distinct acoustic characteristic signals. Three-dimensional localization of the sound source is of significant importance for achieving precise firefighting interventions. This study pro...

  • Article
  • Open Access
355 Views
27 Pages

A Reusable Framework for Dynamic Simulation of Grid-Scale Lithium-Ion Battery Energy Storage

  • Renos Rotas,
  • Panagiotis Karafotis,
  • Petros Iliadis,
  • Nikolaos Nikolopoulos,
  • Dimitrios Rakopoulos and
  • Ananias Tomboulides

14 February 2026

This paper presents a modeling framework for large-capacity lithium-ion battery energy storage systems (BESSs), developed within the Modelica LIBSystems library and focused on system-level integration. The framework builds on a combined analysis of t...

  • Article
  • Open Access
374 Views
31 Pages

14 February 2026

Accurate estimation of the State of Charge (SOC) for lithium-ion batteries is a core function of the Battery Management System (BMS). However, LiFePO4 batteries present specific challenges for SOC estimation due to the characteristic plateau in their...

  • Article
  • Open Access
250 Views
28 Pages

14 February 2026

Multi-stack Polymer electrolyte Membrane Fuel Cell (PEMFC) systems are increasingly adopted in heavy-duty mobility to overcome the power limitations and thermal instability of single-stack configurations. However, the overall energy efficiency, hydro...

  • Article
  • Open Access
279 Views
16 Pages

14 February 2026

This paper proposed a stacking-based ensemble model to replace the traditional single machine learning model prediction approach, significantly improving the evaluation efficiency of SoC and SoH of lithium batteries. Firstly, a dataset was constructe...

  • Article
  • Open Access
323 Views
30 Pages

13 February 2026

Mass M (kg) and peak intrusion L (mm) are jointly minimized for a CFRP-enabled battery pack enclosure under the GB 38031-2025 −40° side-pole extrusion condition. A 50-run explicit FE design of experiments is conducted and deterministically...

  • Article
  • Open Access
354 Views
21 Pages

When Electrolytes Are Semiconductors: A Feature, Not a Bug for Solid-State Batteries

  • Beatriz M. Gomes,
  • Manuela C. Baptista and
  • M. Helena Braga

13 February 2026

The development of stable and efficient solid electrolytes is essential for advancing solid-state battery technologies. In this study, we present a comparative study of three sulfide-based electrolytes, Li6PS5Cl (LPSCl), Li6PS5Br (LPSBr), and Li10GeP...

  • Communication
  • Open Access
561 Views
9 Pages

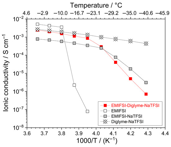
Hybrid Ionic Liquid–Organic Electrolyte Technologies for Sodium-Ion Batteries

  • Daniela Ariaudo,
  • Antonio Rinaldi,
  • Rodolfo Araneo,
  • Alessandro Dell’Era and
  • Giovanni Battista Appetecchi

12 February 2026

An innovative ionic liquid–organic hybrid electrolyte technology was developed to obtain safer and more reliable sodium-ion battery (SIB) systems. The formulation is based on the 1-ethyl-3-methyl-imidazolium bis(flurosulfonyl)imide (EMIFSI) ion...

  • Article
  • Open Access
333 Views
17 Pages

10 February 2026

Lithium-ion batteries are widely used in electrochemical energy storage due to their advantages such as fast response and good scalability, but they are prone to thermal runaway (TR) under abusive conditions. Liquid nitrogen has been proven effective...

  • Article
  • Open Access
262 Views
12 Pages

A Grape-like Co3O4@N-Doped Graphene Oxide/N-Doped Carbon Nanotube Ternary Nanocomposite for Efficient Supercapacitor Performance

  • Qianxin Liu,
  • Yuyang Zou,
  • Yudie Li,
  • Peigen Wang,
  • Yiren Chen,
  • Gang Chen,
  • Bo Han,
  • Yunfeng Tian and
  • Kaisheng Xia

9 February 2026

Cobalt-based oxides are promising candidates for supercapacitor electrodes, but their practical application is often hindered by poor electrical conductivity, limited ion diffusion, and insufficient cycling stability. Herein, we present a novel strat...

  • Article
  • Open Access
344 Views
21 Pages

8 February 2026

Battery energy storage systems (BESSs) are increasingly deployed by European Balance Responsible Parties (BRPs) to mitigate system-imbalance exposure; yet, techno-economic assessments often represent degradation using fixed-lifetime or equivalent-ful...

  • Article
  • Open Access
328 Views
30 Pages

6 February 2026

Accurately assessing battery health across mixed datasets remains a challenge due to differences in chemistry, format, and usage history. This study presents a reproducible framework for preparing battery cycling data using incremental capacity analy...

  • Article
  • Open Access
364 Views
19 Pages

Effects of Mechanical Deformation Depth and Size on the Electrochemical Impedance Response of Large-Format Lithium-Ion Batteries

  • Christoph Drießen,
  • Jun Yin,
  • Maximilian Schinagl,
  • Patrick Höschele and
  • Christian Ellersdorfer

6 February 2026

This study uses electrochemical impedance spectroscopy (EIS) to investigate coupled effects of mechanical deformation depth and size on impedance responses of large-format prismatic lithium-ion batteries (LIBs). Stepwise out-of-plane deformations wer...

  • Article
  • Open Access
377 Views
31 Pages

5 February 2026

The widespread adoption of electric mobility has accelerated decarbonization in transportation applications, increasing the reliance on lithium-ion batteries (Li-IBs) in electric vehicles (EVs) and energy storage systems. To analyze battery risk unde...

  • Article
  • Open Access
468 Views
23 Pages

Deep Neural Network Optimization for Lithium-Ion Battery State of Health Prediction in Electric Vehicles: Outperforming Hybrid Models

  • Saad El Fallah,
  • Jaouad Kharbach,
  • Jonas Vanagas,
  • Ahmed Lakhssassi,
  • Hassan Qjidaa and
  • Mohammed Ouazzani Jamil

4 February 2026

It is now crucial to accurately monitor the state of health (SoH) of batteries in a setting where the use of electric vehicles (EVs) and renewable energy technologies is still growing. To solve this issue and evaluate the SoH, this paper makes use of...

  • Review
  • Open Access
456 Views
50 Pages

Advances in All-Solid-State Batteries Based on Chloride Solid Electrolytes

  • Lihao Tang,
  • Zijun Cui,
  • Fei Xie,
  • Xiaohui Rong,
  • Yong-Sheng Hu and
  • Yaxiang Lu

4 February 2026

Driven by the imperative for enhanced battery safety, solid electrolytes have emerged as a leading strategy in next-generation energy storage technologies. Beyond conventional polymer, oxide, and sulfide systems, chloride-based inorganic solid electr...

  • Article
  • Open Access
381 Views
20 Pages

2 February 2026

Lithium-ion batteries are extensively employed in new energy vehicles, where accurate State of Charge (SOC) estimation is fundamental for optimal battery management. However, existing methods often rely on single-model approaches and fail to leverage...

  • Article
  • Open Access
289 Views
24 Pages

1 February 2026

Reliable state estimation is critical for the safe operation of second-life battery systems but is severely hindered by significant parameter heterogeneity arising from diverse historical aging conditions. Traditional static models struggle to adapt...

  • Article
  • Open Access
335 Views
18 Pages

1 February 2026

Accurate estimation of the State-of-Health (SOH) is essential for the reliable operation of lithium-ion batteries in electric vehicles and energy storage systems. However, conventional data-driven models often lack interpretability and show limited r...

  • Article
  • Open Access
392 Views
21 Pages

Thermally Aware Design of Large-Format Batteries Driven by an Equivalent Circuit Network-Based Electro-Thermal Model

  • Junlong Niu,
  • Hua Tang,
  • Hongwei Li,
  • Caiping Zhang,
  • Linjing Zhang,
  • Bingxiang Sun,
  • Kai Gao,
  • Tong Li and
  • Tao Zhu

30 January 2026

Large-format pouch cells enable higher pack-level energy density and simplified system architecture, yet they pose significant thermal challenges due to long internal conduction paths, pronounced spatial gradients, and limited access to core temperat...

  • Article
  • Open Access
473 Views
21 Pages

30 January 2026

The rapid integration of photovoltaic (PV) generation into modern power networks introduces significant operational challenges, including intermittent power production, uneven charge distribution, and reduced system reliability in multi-battery energ...

  • Article
  • Open Access
389 Views
24 Pages

Coupling Model and Early-Stage Internal Short Circuits Fault Diagnosis for Gel Electrolyte Lithium-Ion Batteries

  • Liye Wang,
  • Jinlong Wu,
  • Chunxiao Ma,
  • Xianzhong Sun,
  • Lifang Wang and
  • Chenglin Liao

28 January 2026

This paper presents a method for modeling and predicting ISC in gel-electrolyte lithium-ion batteries, addressing critical safety concerns in electric vehicles. While gel-electrolytes are highlighted for their superior stability and performance advan...

  • Article
  • Open Access
406 Views
14 Pages

Enhanced Electrochemical Performance of Surface-Modified LiNi0.5Mn1.5O4 Cathode at High Voltages

  • Zeng Yan,
  • Songsong Wang,
  • Fulong Hu,
  • Shuai Lu,
  • Yang Liu,
  • Qian Peng,
  • Zhen Yao and
  • Wei Liu

26 January 2026

Spinel LiNi0.5Mn1.5O4 (LNMO) has emerged as a highly competitive cobalt-free cathode material for higher-energy-density lithium-ion batteries. However, its practical application is hindered by severe capacity degradation, particularly under high-volt...

  • Article
  • Open Access
1 Citations
712 Views
30 Pages

Selective Extraction of Lithium from Li Batteries by Leaching the Black Mass in Oxalic Acid

  • Kristina Talianova,
  • Martina Laubertová,
  • Zita Takáčová,
  • Jakub Klimko,
  • Jaroslav Briančin,
  • Simon Nagy and
  • Dušan Oráč

25 January 2026

In this work, a method for leaching black mass from spent Li batteries using oxalic acid was developed and experimentally verified with the objective of selectively separating lithium and cobalt. Oxalic acid proved to be an efficient and selective le...

  • Article
  • Open Access
468 Views
27 Pages

Dynamic Estimation of Load-Side Virtual Inertia with High Power Density Support of EDLC Supercapacitors

  • Adrián Criollo,
  • Dario Benavides,
  • Danny Ochoa-Correa,
  • Paul Arévalo-Cordero,
  • Luis I. Minchala-Avila and
  • Daniel Jerez

23 January 2026

The increasing penetration of renewable energy has led to a decrease in system inertia, challenging grid stability and frequency regulation. This paper presents a dynamic estimation framework for load-side virtual inertia, supported with high-power-d...

  • Article
  • Open Access
427 Views
16 Pages

23 January 2026

In recent years, the energy revolution has driven the rapid development of lithium-ion batteries (LIBs). A fire suppression system capable of rapidly and effectively extinguishing LIB fires constitutes the last line of defense for ensuring the safe o...

  • Article
  • Open Access
263 Views
14 Pages

23 January 2026

The state of charge (SoC) is one of the critical parameters in battery management systems, as it directly determines the operational safety and reliability of batteries. To accurately predict the SoC of an electric forklift under varying operating co...

  • Article
  • Open Access
441 Views
21 Pages

23 January 2026

The widespread adoption of lithium-ion battery-powered electric vehicles has raised increasing concerns regarding battery safety under mechanical abuse conditions. However, mechanical abuse scenarios, such as battery extrusion, are highly diverse, ma...

XFacebookLinkedIn
Batteries - ISSN 2313-0105