A Reusable Framework for Dynamic Simulation of Grid-Scale Lithium-Ion Battery Energy Storage
Abstract
1. Introduction
- Development of a unified BESS model that couples electrical, thermal, and aging behavior using configurable ECM topologies, a semi-empirical degradation model, and thermal calculations accounting for temperature dynamics and thermal loads.
- Incorporation of grid-relevant system components, including dynamic models of power conversion systems and open-source parameter datasets representative of industrial BESS diversity, supporting reproducibility and adaptation to various deployment contexts.
- Validation of a semi-empirical aging model utilizing a wide range of test conditions, namely 16 calendar and 16 cycle aging tests.
- Quantitative assessment of system-level benefits through application of the developed framework to the isolated power system of Terceira Island, demonstrating improvements of up to 21 mHz (17%) in the frequency nadir and reduced settling times with the integration of a 10.5 MW/15 MWh BESS unit.
- Evaluation of long-term degradation under two operating strategies; a realistic profile based on historical data and a more aggressive constructed profile, highlighting the effectiveness of current dispatch strategies in limiting aging rates over 1000 days of continuous operation.
2. Modeling Framework
2.1. Power System
2.2. Power Conversion System
2.3. Battery Cell Model
- Electrical performance, capturing the voltage response and SoC.
- Thermal dynamics describing the heat generation, temperature evolution, and heat exchange.
- Degradation effects, representing the capacity fade and resistance growth.
2.3.1. Electrical Domain
- An OCV source, reflecting the cell equilibrium electrochemical potential;
- A series resistance (Rs) representing instantaneous ohmic losses;
- A variable number of RC branches, capturing transient voltage dynamics delays due to charge transfer and internal diffusion effects.
2.3.2. Thermal Domain
2.3.3. Degradation Domain
2.4. Cell-to-BESS-Level Configuration
- Simple upscaling represents the pack behavior by scaling a single cell model and assuming uniform temperature and aging trajectories across the entire battery system. This approach significantly reduces the computational cost and is therefore widely adopted in system-level studies, digital twin applications, and design-phase analyses, where fast simulations and numerical robustness are required [9]. However, simple upscaling inherently neglects CtCV in the capacity, internal resistance, thermal conditions, and aging behavior, which are known to arise even among cells from the same production batch. Such variations can lead to current and voltage imbalances, a reduced usable energy, and accelerated degradation in large battery systems, particularly under stressed operating conditions [35].
- A dynamic-size array instantiates a configurable array of individual cell models, enabling an explicit analysis of CtCV effects in the SoC, thermal distribution and SoH. This approach allows for a more detailed and physically accurate representation of pack-level behavior, especially when thermal gradients, aging heterogeneity, or imbalance effects are of interest. Nevertheless, the computational burden associated with simulating large numbers of individual cells limits its applicability to small- or medium-scale systems, or to studies where a detailed cell-level resolution is essential [19].
2.5. Parameter Records
3. Aging Model Validation
3.1. Dataset Description
3.2. Model Validation
3.2.1. Pre-Processing and Parameter-Fitting Procedure
3.2.2. Calendar Aging Fit
- f = 4.634⋅10−1 [1/day1/2].
- g = 4.917⋅10−1 [-].
- h = −1.416⋅103 [1/K].
3.2.3. Cycling Aging Fit
- a = 1.398 · 10−8 [1/(Ah·K2)]
- b = −1.131 · 10−5 [1/(Ah·K)]
- c = 2.239 · 10−3 [1/Ah]
- d = −2.033 · 10−2 [1/(K·C-rate)]
- e = 7.106 [1/C-rate]
3.2.4. Total Degradation Model
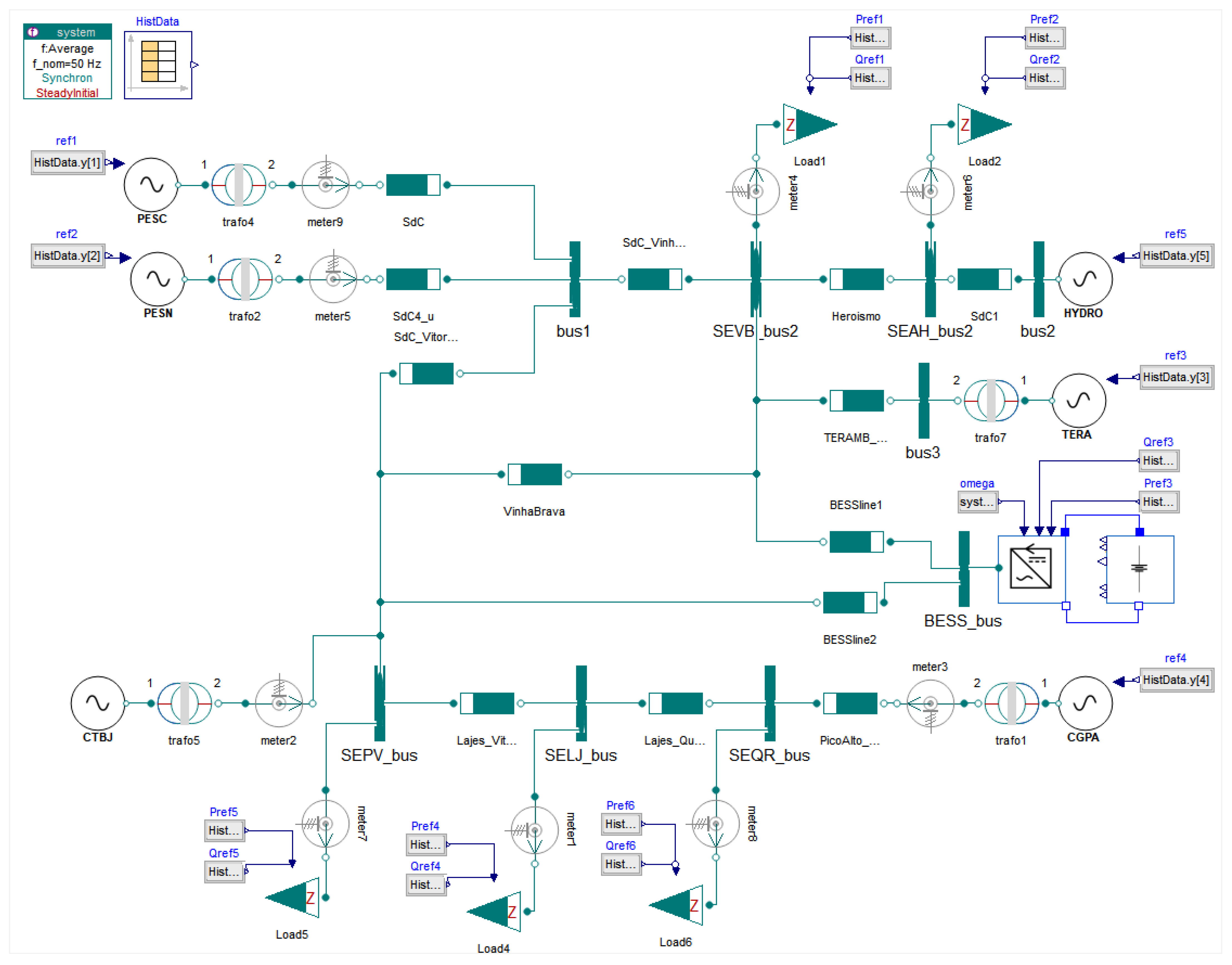
4. Application to the Terceira Isolated Power System
4.1. System Description and Model Setup
4.2. Short-Term Operation: Ancillary Services Under Disturbance
- High-RES (approximately 60%);
- Very high-RES (approximately 80%).
4.3. Long-Term Operation: Degradation Under Extended Cycling
- A historical profile, built by repeating a representative annual dispatch synthesized from a measured three-month dataset of the Terceira power system (as described in Section 4.1). This profile reflects typical battery usage under current operating conditions.
- An aggressive profile, created to emulate intensified cycling conditions with deeper and more frequent charge/discharge events, representing a future scenario with heavier reliance on the BESS for grid services.
5. Conclusions
Author Contributions
Funding
Data Availability Statement
Acknowledgments
Conflicts of Interest
Abbreviations
| BESS | Battery Energy Storage System |
| CtCV | Cell-to-Cell Variation |
| DoD | Depth of Discharge |
| DN | Distribution Network |
| ECM | Equivalent Circuit Model |
| EMS | Energy Management System |
| EV | Electric Vehicle |
| LIB | Li-Ion Battery |
| LCO | Lithium Cobalt Oxide |
| LFP | Lithium Iron Phosphate |
| LMO | Lithium Manganese Oxide |
| LUT | Lookup Table |
| LV | Low Voltage |
| MV | Medium Voltage |
| NCA | Lithium Nickel Cobalt Aluminum Oxide |
| NMC | Lithium Nickel Manganese Cobalt Oxide |
| OCV | Open-Circuit Voltage |
| RES | Renewable Energy Sources |
| RMSE | Root Mean Squared Error |
| SEI | Solid Electrolyte Interphase |
| SoC | State of Charge |
| SoH | State of Health |
| SPM | Single-Particle Model |
| TN | Transmission Network |
References
- Rancilio, G.; Lucas, A.; Kotsakis, E.; Fulli, G.; Merlo, M.; Delfanti, M.; Masera, M. Modeling a Large-Scale Battery Energy Storage System for Power Grid Application Analysis. Energies 2019, 12, 3312. [Google Scholar] [CrossRef]
- Amini, M.; Nazari, M.H.; Hosseinian, S.H. Predictive Energy Management Strategy for Battery Energy Storage Considering Battery Degradation Cost. IET Renew. Power Gener. 2023, 17, 1119–1138. [Google Scholar] [CrossRef]
- Biroon, R.A.; Pisu, P.; Schoenwald, D. Large-Scale Battery Energy Storage System Dynamic Model for Power System Stability Analysis. In Proceedings of the 2020 IEEE Texas Power and Energy Conference (TPEC), College Station, TX, USA, 6–7 February 2020; pp. 1–5. [Google Scholar]
- Qu, X.; Li, X. A Dynamic Model of Battery Energy Storage System Based on the External Characteristic Equivalent. MATEC Web Conf. 2018, 160, 03004. [Google Scholar] [CrossRef][Green Version]
- Krishnamoorthy, G.; Dubey, A. Hybrid Transmission Distribution Co-Simulation: Frequency Regulation Using Battery Energy Storage. arXiv 2019, arXiv:1912.07204. [Google Scholar] [CrossRef]
- Pourbeik, P.; Petter, J.K. Modeling and Validation of Battery Energy Storage Systems Using Simple Generic Models for Power System Stability Studies. Cigre Sci. Eng. 2017, 9, 63–72. [Google Scholar]
- Chang, C.-M.; Chang, H.-C.; Hung, C.-C.; Kuo, C.-C. The Impact of Energy Storage System Control Parameters on Frequency Regulation Strategies. IEEE Access 2025, 13, 34010–34022. [Google Scholar] [CrossRef]
- Grimaldi, A.; Minuto, F.D.; Perol, A.; Casagrande, S.; Lanzini, A. Ageing and Energy Performance Analysis of a Utility-Scale Lithium-Ion Battery for Power Grid Applications through a Data-Driven Empirical Modelling Approach. J. Energy Storage 2023, 65, 107232. [Google Scholar] [CrossRef]
- Reiter, A.; Lehner, S.; Bohlen, O.; Sauer, D.U. Electrical Cell-to-Cell Variations within Large-Scale Battery Systems—A Novel Characterization and Modeling Approach. J. Energy Storage 2023, 57, 106152. [Google Scholar] [CrossRef]
- Shamarova, N.; Suslov, K.; Ilyushin, P.; Shushpanov, I. Review of Battery Energy Storage Systems Modeling in Microgrids with Renewables Considering Battery Degradation. Energies 2022, 15, 6967. [Google Scholar] [CrossRef]
- Zheng, S.; Teh, J.; Alharbi, B.; Lai, C.-M. A Review of Equivalent-Circuit Model, Degradation Characteristics and Economics of Li-Ion Battery Energy Storage System for Grid Applications. J. Energy Storage 2024, 101, 113908. [Google Scholar] [CrossRef]
- Sitompul, S.; Hatakeyama, T.; Nakatani, M. Simplified Equivalent Circuit Model for Battery Energy Storage System Used for Grid Frequency Response. In Proceedings of the 2024 13th International Conference on Renewable Energy Research and Appliations (ICRERA), Nagasaki, Japan, 9 November 2024; pp. 432–437. [Google Scholar]
- Arifujjaman, M.; Avendano, M. Dynamic Simulation and Control of a Battery Energy Storage System. In Proceedings of the 2019 IEEE Green Energy and Smart Systems Conference (IGESSC), Long Beach, CA, USA, 4–5 November 2019; pp. 1–5. [Google Scholar]
- Parthasarathy, C.; Hafezi, H.; Laaksonen, H.; Kauhaniemi, K. Modelling and Simulation of Hybrid PV & BES Systems as Flexible Resources in Smartgrids—Sundom Smart Grid Case. In Proceedings of the 2019 IEEE Milan PowerTech, Milan, Italy, 23–27 June 2019; pp. 1–6. [Google Scholar]
- Parthasarathy, C.; Hafezi, H.; Laaksonen, H. Lithium-Ion BESS Integration for Smart Grid Applications—ECM Modelling Approach. In Proceedings of the 2020 IEEE Power & Energy Society Innovative Smart Grid Technologies Conference (ISGT), Washington, DC, USA, 17–20 February 2020; pp. 1–5. [Google Scholar]
- Parthasarathy, C.; Sirviö, K.; Hafezi, H.; Laaksonen, H. Modelling Battery Energy Storage Systems for Active Network Management—Coordinated Control Design and Validation. IET Renew. Power Gener. 2021, 15, 2426–2437. [Google Scholar] [CrossRef]
- Parthasarathy, C.; Laaksonen, H.; Redondo-Iglesias, E.; Pelissier, S. Aging Aware Adaptive Control of Li-Ion Battery Energy Storage System for Flexibility Services Provision. J. Energy Storage 2023, 57, 106268. [Google Scholar] [CrossRef]
- De Cassias Strobel, F.; Poubel, R.P.B.; Cupertino, A.F.; Do Couto Boaventura, W. Integration of a Battery Energy Storage System in the Distribution Networks: A Computational Model in OpenModelica. In Proceedings of the 2023 IEEE 8th Southern Power Electronics Conference and 17th Brazilian Power Electronics Conference (SPEC/COBEP), Florianopolis, Brazil, 26–29 November 2023; pp. 1–6. [Google Scholar]
- Cai, Y.; Cancian, M.; D’Arpino, M.; Rizzoni, G. A Generalized Equivalent Circuit Model for Large-Scale Battery Packs with Cell-o-Cell Variation. In Proceedings of the 2019 IEEE National Aerospace and Electronics Conference (NAECON), Dayton, OH, USA, 15–19 July 2019; pp. 24–30. [Google Scholar]
- Lucaferri, V.; Valentini, M.; De Lia, F.; Laudani, A.; Presti, R.L.; Schioppo, R.; Riganti Fulginei, F. Modeling and Optimization Method for Battery Energy Storage Systems Operating at Variable C-Rate: A Comparative Study of Lithium Technologies. J. Energy Storage 2023, 73, 109232. [Google Scholar] [CrossRef]
- Namor, E.; Sossan, F.; Scolari, E.; Cherkaoui, R.; Paolone, M. Experimental Assessment of the Prediction Performance of Dynamic Equivalent Circuit Models of Grid-Connected Battery Energy Storage Systems. In Proceedings of the 2018 IEEE PES Innovative Smart Grid Technologies Conference Europe (ISGT-Europe), Sarajevo, Bosnia and Herzegovina, 21–25 October 2018; IEEE: New York, NY, USA; pp. 1–6.
- Dai, Y.; Peng, Q.; Liu, T.; Meng, J.; Gao, F.; Blaabjerg, F. Negative Resistor-Based Equivalent Circuit Model of Lithium-Ion Batery Energy Storage System for Grid Inertia Support. IEEE Trans. Power Electron. 2024, 39, 15217–15230. [Google Scholar] [CrossRef]
- Misyris, G.S.; Tengner, T.; Marinopoulos, A.G.; Doukas, D.I.; Labridis, D.P. Battery Energy Storage Systems Modeling for Online Applications. In Proceedings of the 2017 IEEE Manchester PowerTech, Manchester, UK, 18–22 June 2017; pp. 1–6. [Google Scholar]
- Gwayi, I.; Ayeng’o, S.P.; Kimambo, C.Z.M. A Review of Lithium-Ion Battery Empirical and Semi-Empirical Aging Models for Off-Grid Renewable Energy Systems Application. Eng. Rep. 2025, 7, e70169. [Google Scholar] [CrossRef]
- Xu, J.; Li, H.; Hua, S.; Wang, H. Experimental Investigation of Grid Storage Modes Effect on Aging of LiFePO4 Battery Modules. Front. Energy Res. 2025, 13, 1528691. [Google Scholar] [CrossRef]
- Swierczynski, M.; Stroe, D.-I.; Stan, A.-I.; Teodorescu, R.; Laerke, R.; Kjaer, P.C. Field Tests Experience from 1.6MW/400kWh Li-on Battery Energy Storage System Providing Primary Frequency Regulation Service. In Proceedings of the IEEE PES ISGT Europe 2013, Lyngby, Denmark, 6–9 October 2013; pp. 1–5. [Google Scholar]
- Jafari, M.; Khan, K.; Gauchia, L. Deterministic Models of Li-Ion Battery Aging: It Is a Matter of Scale. J. Energy Storage 2018, 20, 67–77. [Google Scholar] [CrossRef]
- Li, X.; Wang, Q.; Yang, Y.; Kang, J. Correlation between Capacity Loss and Measurable Parameters of Lithium-Ion Batteries. Int. J. Electr. Power Energy Syst. 2019, 110, 819–826. [Google Scholar] [CrossRef]
- Barcellona, S.; Colnago, S.; Dotelli, G.; Latorrata, S.; Piegari, L. Aging Effect on the Variation of Li-Ion Battery Resistance as Function of Temperature and State of Charge. J. Energy Storage 2022, 50, 104658. [Google Scholar] [CrossRef]
- Motapon, S.N.; Lachance, E.; Dessaint, L.-A.; Al-Haddad, K. A Generic Cycle Life Model for Lithium-Ion Batteries Based on Fatigue Theory and Equivalent Cycle Counting. IEEE Open J. Ind. Electron. Soc. 2020, 1, 207–217. [Google Scholar] [CrossRef]
- Pakjoo, M.; Piegari, L.; Rancilio, G.; Colnago, S.; Mengou, J.E.; Bresciani, F.; Gorni, G.; Mandelli, S.; Merlo, M. A Review on Testing of Electrochemical Cells for Aging Models in BESS. Energies 2023, 16, 6887. [Google Scholar] [CrossRef]
- Gerl, J.; Janczyk, L.; Krüger, I.; Modrow, N. A Modelica Based Lithium Ion Battery Model. In Proceedings of the 10th International Modelica Conference, Lund, Sweden, 10–12 March 2014; pp. 335–341. [Google Scholar]
- Milishchuk, R.; Bogodorova, T. Thevenin-Based Battery Model with Ageing Effects in Modelica. In Proceedings of the 2022 IEEE 21st Mediterranean Electrotechnical Conference (MELECON), Palermo, Italy, 14–16 June 2022; pp. 243–248. [Google Scholar]
- Barcellona, S.; Colnago, S.; Montrasio, P.; Piegari, L. Integrated Electro-Thermal Model for Li-Ion Battery Packs. Electronics 2022, 11, 1537. [Google Scholar] [CrossRef]
- Reniers, J.M.; Howey, D.A. Digital Twin of a MWh-Scale Grid Battery System for Efficiency and Degradation Analysis. Appl. Energy 2023, 336, 120774. [Google Scholar] [CrossRef]
- Petit, M.; Prada, E.; Sauvant-Moynot, V. Development of an Empirical Aging Model for Li-Ion Batteries and Application to Assess the Impact of Vehicle-to-Grid Strategies on Battery Lifetime. Appl. Energy 2016, 172, 398–407. [Google Scholar] [CrossRef]
- Wang, J.; Purewal, J.; Liu, P.; Hicks-Garner, J.; Soukazian, S.; Sherman, E.; Sorenson, A.; Vu, L.; Tataria, H.; Verbrugge, M.W. Degradation of Lithium Ion Batteries Employing Graphite Negatives and Nickel–Cobalt–Manganese Oxide + Spinel Manganese Oxide Positives: Part 1, Aging Mechanisms and Life Estimation. J. Power Sources 2014, 269, 937–948. [Google Scholar] [CrossRef]
- Nájera, J.; Arribas, J.R.; De Castro, R.M.; Núñez, C.S. Semi-Empirical Ageing Model for LFP and NMC Li-Ion Battery Chemistries. J. Energy Storage 2023, 72, 108016. [Google Scholar] [CrossRef]
- Rotas, R.; Iliadis, P.; Nikolopoulos, N.; Rakopoulos, D.; Tomboulides, A. Dynamic Battery Modeling for Electric Vehicle Applications. Batteries 2024, 10, 188. [Google Scholar] [CrossRef]
- Rotas, R.; Iliadis, P.; Nikolopoulos, N.; Tomboulides, A. Evaluating Synergies between Electric Vehicles and Photovoltaics: A Comparative Study of Urban Environments. World Electr. Veh. J. 2024, 15, 397. [Google Scholar] [CrossRef]
- Rotas, R.; Iliadis, P.; Nikolopoulos, N.; Gkaidatzis, P.A.; Grigoropoulos, K.; Ioannidis, D.; Tzovaras, D.; Tamvakos, A.; Panou, M. Vehicle-to-Grid Dynamic Modeling in a Neighborhood of Utrecht Municipality. In Proceedings of the 2024 IEEE PES Innovative Smart Grid Technologies Europe (ISGT EUROPE), Dubrovnik, Croatia, 14–17 October 2024; pp. 1–5. [Google Scholar]
- Rotas, R.; Iliadis, P.; Nikolopoulos, N.; Tomboulides, A.; Kosmatopoulos, E. Dynamic Simulation and Performance Enhancement Analysis of a Renewable Driven Trigeneration System. Energies 2022, 15, 3688. [Google Scholar] [CrossRef]
- Ntomalis, S.; Iliadis, P.; Atsonios, K.; Nesiadis, A.; Nikolopoulos, N.; Grammelis, P. Dynamic Modeling and Simulation of Non-nterconnected Systems under High-RES Penetration: The Madeira Island Case. Energies 2020, 13, 5786. [Google Scholar] [CrossRef]
- Iliadis, P.; Ntomalis, S.; Atsonios, K.; Nesiadis, A.; Nikolopoulos, N.; Grammelis, P. Energy Management and Techno-economic Assessment of a Predictive Battery Storage System Applying a Load Levelling Operational Strategy in Island Systems. Int. J. Energy Res. 2021, 45, 2709–2727. [Google Scholar] [CrossRef]
- Kundur, P.; Paserba, J.; Ajjarapu, V.; Andersson, G.; Bose, A.; Canizares, C.; Hatziargyriou, N.; Hill, D.; Stankovic, A.; Taylor, C.; et al. Definition and Classification of Power System Stability IEEE/CIGRE Joint Task Force on Stability Terms and Definitions. IEEE Trans. Power Syst. 2004, 19, 1387–1401. [Google Scholar] [CrossRef]
- Machowski, J.; Lubosny, Z.; Bialek, J.W.; Bumby, J.R. Power System Dynamics: Stability and Control, 3rd ed.; John Wiley and Sons: Hoboken, NJ, USA, 2020; ISBN 978-1-119-52634-6. [Google Scholar]
- Cutsem, T.; Vournas, C. Voltage Stability of Electric Power Systems; Springer US: Boston, MA, USA, 1998; ISBN 978-0-387-75535-9. [Google Scholar]
- Wood, A.J.; Wollenberg, B.F.; Sheblé, G.B. Power Generation, Operation, and Control, 3rd ed.; John Wiley and Sons: Hoboken, NJ, USA, 2014; ISBN 978-0-471-79055-6. [Google Scholar]
- Levron, Y.; Belikov, J. Modeling Power Networks Using Dynamic Phasors in the Dq0 Reference Frame. Electr. Power Syst. Res. 2017, 144, 233–242. [Google Scholar] [CrossRef]
- Wu, F.-B.; Yang, B.; Ye, J.-L. (Eds.) Grid-Scale Energy Storage Systems and Applications; Academic Press: Cambridge, MA, USA, 2019; ISBN 978-0-12-815292-8. [Google Scholar]
- ElectricalEnergyStorage. Available online: https://github.com/modelica-3rdparty/ElectricalEnergyStorage (accessed on 15 July 2025).
- Koltsakis, G.; Koutsokeras, O.; Lampropoulos, Z.; Besinas, D.; Spyridopoulos, S.; Kanatas, A. Multi-Dimensional Simulation of Battery Degradation during Fast-Charging with Active Thermal Management. In SAE Technical Paper Series; SAE International: Capri, Italy, 2023. [Google Scholar]
- Stroe, D.-I.; Swierczynski, M.; Kar, S.K.; Teodorescu, R. Degradation Behavior of Lithium-Ion Batteries During Calendar Ageing—The Case of the Internal Resistance Increase. IEEE Trans. Ind. Appl. 2018, 54, 517–525. [Google Scholar] [CrossRef]
- Sarasketa-Zabala, E.; Gandiaga, I.; Rodriguez-Martinez, L.M.; Villarreal, I. Calendar Ageing Analysis of a LiFePO4/Graphite Cell with Dynamic Model Validations: Towards Realistic Lifetime Predictions. J. Power Sources 2014, 272, 45–57. [Google Scholar] [CrossRef]
- Tran, M.-K.; DaCosta, A.; Mevawalla, A.; Panchal, S.; Fowler, M. Comparative Study of Equivalent Circuit Models Performance in Four Common Lithium-Ion Batteries: LFP, NMC, LMO, NCA. Batteries 2021, 7, 51. [Google Scholar] [CrossRef]
- Rukavina, F.; Leko, D.; Matijašić, M.; Bralić, I.; Ugalde, J.M.; Vašak, M. Identification of Equivalent Circuit Model Parameters for a Li-Ion Battery Cell. In Proceedings of the 2023 IEEE 11th International Conference on Systems and Control (ICSC), Sousse, Tunisia, 18–20 December 2023; pp. 671–676. [Google Scholar]
- Lekouaghet, B.; Merrouche, W.; Bouguenna, E.; Himeur, Y. Identifying the Unknown Parameters of Equivalent Circuit Model for Li-Ion Battery Using Rao-1 Algorithm. In Proceedings of the 4th International Electronic Conference on Applied Sciences, Online, 26 October–10 November 2023; p. 228. [Google Scholar]
- Hamida, M.A.; El-Sehiemy, R.A.; Ginidi, A.R.; Elattar, E.; Shaheen, A.M. Parameter Identification and State of Charge Estimation of Li-Ion Batteries Used in Electric Vehicles Using Artificial Hummingbird Optimizer. J. Energy Storage 2022, 51, 104535. [Google Scholar] [CrossRef]
- Rotas, R.P. Lithium Ion Battery for Electric Vehicle Characteristics Analysis and Simulation Model Development. IFAC PapersOnLine 2020, 53, 14230–14235. [Google Scholar]
- Von Hohendorff Seger, P.; Redondo-Iglesias, E. Electrical Model Parameters of LFP 105Ah Cells. Recherche Data Gouv, Version V1. Engineering 2024. [Google Scholar] [CrossRef]
- Hassini, M.; Redondo-Iglesias, E.; Venet, P. Second-Life Batteries Modeling for Performance Tracking in a Mobile Charging Station. World Electr. Veh. J. 2023, 14, 94. [Google Scholar] [CrossRef]
- Sun, B.; He, X.; Zhang, W.; Ruan, H.; Su, X.; Jiang, J. Study of Parameters Identification Method of Li-Ion Battery Model for EV Power Profile Based on Transient Characteristics Data. IEEE Trans. Intell. Transp. Syst. 2021, 22, 661–672. [Google Scholar] [CrossRef]
- Wu, Y.; Chen, H.; Cao, L.; Duan, J.; Chen, X.; Zhai, J. Research on Online Identification of Lithium-Ion Battery Equivalent Circuit Model Parameters. In Proceedings of the 2022 9th International Forum on Electrical Engineering and Automation (IFEEA), Zhuhai, China, 4 November 2022; pp. 130–136. [Google Scholar]
- Beltran, H.; Ayuso, P.; Vicente, N.; Beltrán-Pitarch, B.; García-Cañadas, J.; Pérez, E. Equivalent Circuit Definition and Calendar Aging Analysis of Commercial Li(NiMnCo)O2/Graphite Pouch Cells. J. Energy Storage 2022, 52, 104747. [Google Scholar] [CrossRef]
- Zatta, N.; De Cesaro, B.; Dal Cin, E.; Carraro, G.; Cristofoli, G.; Trovò, A.; Lazzaretto, A.; Guarnieri, M. Holistic Testing and Characterization of Commercial 18650 Lithium-Ion Cells. Batteries 2024, 10, 248. [Google Scholar] [CrossRef]
- Shamsi, M.H. Analysis of an Electric Equivalent Circuit Model of a Li-Ion Battery to Develop Algorithms for Battery States Estimation. Master’s Thesis, Uppsala University, Uppsala, Sweden, 2016. [Google Scholar]
- Ceraolo, M.; Lutzemberger, G.; Poli, D.; Scarpelli, C. Model Parameters Evaluation for NMC Cells. In Proceedings of the 2019 IEEE International Conference on Environment and Electrical Engineering and 2019 IEEE Industrial and Commercial Power Systems Europe (EEEIC/I&CPS Europe), Genova, Italy, 11–14 June 2019; pp. 1–6. [Google Scholar]
- Pasquali, L. State of Charge and Parameter Estimation for a 48V Lithium-Ion Battery Based on Temperature Dependent Second-Order RC Model. Master’s Thesis, Politecnico di Torino, Torino, Italy, 2022. [Google Scholar]
- Kochrona, P. Development of an Algorithm for the Experimental Determination of Lithium Polymer Battery Parameters. Diploma Thesis, Aristotle University of Thessaloniki, Thessaloniki, Greece, 2018. [Google Scholar]
- Luh, M.; Blank, T. Comprehensive Battery Aging Dataset: Capacity and Impedance Fade Measurements of a Lithium-Ion NMC/C-SiO Cell. Sci. Data 2024, 11, 1004. [Google Scholar] [CrossRef]
- Nájera Álvarez, J. Study and Analysis of the Behavior of LFP and NMC Electric Vehicle Batteries Concerning Their Ageing and Their Integration into the Power Grid. Ph.D. Thesis, Universidad Politécnica de Madrid, Madrid, Spain, 2020. [Google Scholar]
- Virtanen, P.; Gommers, R.; Oliphant, T.E.; Haberland, M.; Reddy, T.; Cournapeau, D.; Burovski, E.; Peterson, P.; Weckesser, W.; Bright, J.; et al. SciPy 1.0: Fundamental Algorithms for Scientific Computing in Python. Nat. Methods 2020, 17, 261–272. [Google Scholar] [CrossRef] [PubMed]












| Reference | Chemistry | Capacity [Ah] | Nominal Voltage [V] | Voltage Range [V] |
|---|---|---|---|---|
| [53] | NMC | 3.2 | 3.6 | 2.5–4.2 |
| [53] | LFP | 2.6 | 3.2 | 2.0–3.65 |
| [53] | NCA | 3.2 | 3.6 | 2.5–4.2 |
| [53] | LMO | 2.6 | 3.7 | 2.5–4.2 |
| [55] | NCA | 48 | 3.6 | 2.5–4.2 |
| [56] | NCA | 3.4 | 3.6 | 2.5–4.2 |
| [57] | NMC | 40 | 3.7 | 2.7–4.2 |
| [58] | LFP | 2.3 | 3.3 | 2.0–4.2 |
| [59] | LFP | 105 | 3.2 | 2.0–3.65 |
| [60] | NMC | 3.0 | 3.68 | 2.7–4.15 |
| [61] | NMC | 2.75 | 3.6 | 2.5–4.2 |
| [62] | NMC | 2.5 | 3.6 | 2.5–4.2 |
| [63] | NMC | 63 | 3.7 | 3.0–4.2 |
| [64] | NMC (4 cells) | 2.8 and 3 | 3.6 | 2.5–4.2 |
| [21] | Unknown (large BESS) | 810 | 690 | 510–810 |
| [65] | NMC | 20 | 3.7 | 2.5–4.15 |
| [66] | NCA | 3.35 | 3.6 | 2.5–4.2 |
| [67] | LFP | 14 | 3.3 | 2.0–3.6 |
| [66] | LFP | 25 | 51.2 | 40–59.2 |
| [68] | LCO | 8 | 3.7 | 2.5–4.2 |
| SoC (Idle) | 10% | 50% | 90% | 100% | |
|---|---|---|---|---|---|
| Temperature | 0 °C | 3 | 3 | 3 | 3 |
| 10 °C | 3 | 3 | 3 | 3 | |
| 25 °C | 3 | 3 | 3 | 3 | |
| 40 °C | 3 | 3 | 3 | 3 | |
| Charging Rate | 1/3 C | 1 C | 5/3 C | ||||||||||
|---|---|---|---|---|---|---|---|---|---|---|---|---|---|
| Discharging Rate | −1/3 C | −1 C | |||||||||||
| SoC Lower Limit | 10% | 10% | 0% | 10% | 10% | 0% | 10% | 10% | 0% | 10% | 10% | 0% | |
| SoC Upper Limit | 90% | 100% | 100% | 90% | 100% | 100% | 90% | 100% | 100% | 90% | 100% | 100% | |
| Temperature | 0 °C | 3 | 3 | 3 | 3 | 3 | 3 | 3 | 3 | 3 | 3 | 3 | 3 |
| 10 °C | 3 | 3 | 3 | 3 | 3 | 3 | 3 | 3 | 3 | 3 | 3 | 3 | |
| 25 °C | 3 | 3 | 3 | 3 | 3 | 3 | 3 | 3 | 3 | 3 | 3 | 3 | |
| 40 °C | 3 | 3 | 3 | 3 | 3 | 3 | 3 | 3 | 3 | 3 | 3 | 3 | |
| Name | Type | Rated Capacity (MW) |
|---|---|---|
| Belo Jardim (CTBJ) | Thermoelectric | 58.1 |
| Pico Alto (CGPA) | Geothermal | 4.7 |
| Tera Waste Plant (TERA) | Waste-to-energy | 2.6 |
| Serra do Cume (PESC) | Wind | 9.0 |
| Serra do Cume Norte (PESN) | 3.6 | |
| City Water Power Plants (CHCD) | Hydro | 0.3 |
| Nasce d’Água (CHNA) | 0.7 | |
| São João (CHSJ) | 0.5 |
Disclaimer/Publisher’s Note: The statements, opinions and data contained in all publications are solely those of the individual author(s) and contributor(s) and not of MDPI and/or the editor(s). MDPI and/or the editor(s) disclaim responsibility for any injury to people or property resulting from any ideas, methods, instructions or products referred to in the content. |
© 2026 by the authors. Licensee MDPI, Basel, Switzerland. This article is an open access article distributed under the terms and conditions of the Creative Commons Attribution (CC BY) license.
Share and Cite
Rotas, R.; Karafotis, P.; Iliadis, P.; Nikolopoulos, N.; Rakopoulos, D.; Tomboulides, A. A Reusable Framework for Dynamic Simulation of Grid-Scale Lithium-Ion Battery Energy Storage. Batteries 2026, 12, 63. https://doi.org/10.3390/batteries12020063
Rotas R, Karafotis P, Iliadis P, Nikolopoulos N, Rakopoulos D, Tomboulides A. A Reusable Framework for Dynamic Simulation of Grid-Scale Lithium-Ion Battery Energy Storage. Batteries. 2026; 12(2):63. https://doi.org/10.3390/batteries12020063
Chicago/Turabian StyleRotas, Renos, Panagiotis Karafotis, Petros Iliadis, Nikolaos Nikolopoulos, Dimitrios Rakopoulos, and Ananias Tomboulides. 2026. "A Reusable Framework for Dynamic Simulation of Grid-Scale Lithium-Ion Battery Energy Storage" Batteries 12, no. 2: 63. https://doi.org/10.3390/batteries12020063
APA StyleRotas, R., Karafotis, P., Iliadis, P., Nikolopoulos, N., Rakopoulos, D., & Tomboulides, A. (2026). A Reusable Framework for Dynamic Simulation of Grid-Scale Lithium-Ion Battery Energy Storage. Batteries, 12(2), 63. https://doi.org/10.3390/batteries12020063

