-
Ethylene Dimerization Performance of NiBTCs Synthesized Using Different Solvents -
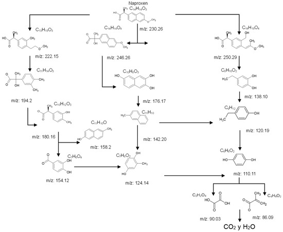
Green Oxidative Catalytic Processes for the Preparation of APIs and Precursors -
Straightforward and Efficient Deuteration of Terminal Alkynes with Copper Catalysis -
Catalytic Performance and Reaction Mechanisms of Ethyl Acetate Oxidation over the Au–Pd/TiO2 Catalysts
Journal Description
Catalysts
Catalysts
is a peer-reviewed open access journal of catalysts and catalyzed reactions published monthly online by MDPI. The Romanian Catalysis Society (RCS) are partners of Catalysts journal and its members receive a discount on the article processing charge.
- Open Access— free for readers, with article processing charges (APC) paid by authors or their institutions.
- High Visibility: indexed within Scopus, SCIE (Web of Science), Inspec, CAPlus / SciFinder, CAB Abstracts, and other databases.
- Journal Rank: JCR - Q2 (Chemistry, Physical) / CiteScore - Q1 (General Environmental Science)
- Rapid Publication: manuscripts are peer-reviewed and a first decision is provided to authors approximately 12.7 days after submission; acceptance to publication is undertaken in 3.3 days (median values for papers published in this journal in the second half of 2022).
- Recognition of Reviewers: reviewers who provide timely, thorough peer-review reports receive vouchers entitling them to a discount on the APC of their next publication in any MDPI journal, in appreciation of the work done.
Impact Factor:
4.501 (2021);
5-Year Impact Factor:
4.641 (2021)
Latest Articles
Laser Irradiation-Induced Pt-Based Bimetallic Alloy Nanostructures without Chemical Reducing Agents for Hydrogen Evolution Reaction
Catalysts 2023, 13(6), 1018; https://doi.org/10.3390/catal13061018 (registering DOI) - 18 Jun 2023
Abstract
Binary metallic alloy nanomaterials (NMs) have received significant attention because of their widespread application in photoelectrocatalysis, electronics, and engineering. Although various synthetic methods have been adopted to prepare binary alloy NMs, the formation of bimetallic alloy NMs by irradiating the mixed solutions of
[...] Read more.
Binary metallic alloy nanomaterials (NMs) have received significant attention because of their widespread application in photoelectrocatalysis, electronics, and engineering. Although various synthetic methods have been adopted to prepare binary alloy NMs, the formation of bimetallic alloy NMs by irradiating the mixed solutions of metal salts and metal powders, using a nanosecond pulsed laser in the absence of any reducing agent, is rarely reported. Herein, we report a simple method to fabricate PtX (X = Ag, Cu, Co, Ni) alloy NMs by laser irradiation. Taking PtAg alloys as an example, we present the growth dynamics of the PtAg alloys by laser irradiating a mixture solution of bulk Pt and AgNO3. The experimental process and evidenced characterization indicate that the photothermal evaporation induced by laser irradiation can cause the fragmentation of the bulk Pt into smaller parts, which alloy with Ag atoms extracted from Ag+ by solvated electrons (e−aq) and free radicals (Haq). These alloys were used as electrocatalysts for the hydrogen evolution reaction (HER), proving their potential application. Notably, in a 0.5 M H2SO4 solution, the PtNi alloy exhibited higher HER activity (44 mV at 10 mA/cm−2) compared to the untreated bulk Pt (72 mV). Our work provides unique insights into the growth processing of valuable Pt-based bimetallic alloy NMs by laser-assisted metallic alloying, which paves a path for the development of bimetallic alloy electrocatalysts.
Full article
(This article belongs to the Special Issue Advances in Photocatalysis and Electrocatalysis Applications)
►
Show Figures
Open AccessArticle
CO2 to Value-Added Chemicals: Synthesis and Performance of Mono- and Bimetallic Nickel–Cobalt Nanofiber Catalysts
by
, , , , , , , , , , , , and
Catalysts 2023, 13(6), 1017; https://doi.org/10.3390/catal13061017 (registering DOI) - 18 Jun 2023
Abstract
In an epoch dominated by escalating concerns over climate change and looming energy crises, the imperative to design highly efficient catalysts that can facilitate the sequestration and transformation of carbon dioxide (CO2) into beneficial chemicals is paramount. This research presents the
[...] Read more.
In an epoch dominated by escalating concerns over climate change and looming energy crises, the imperative to design highly efficient catalysts that can facilitate the sequestration and transformation of carbon dioxide (CO2) into beneficial chemicals is paramount. This research presents the successful synthesis of nanofiber catalysts, incorporating monometallic nickel (Ni) and cobalt (Co) and their bimetallic blend, NiCo, via a facile electrospinning technique, with precise control over the Ni/Co molar ratios. Application of an array of advanced analytical methods, including SEM, TGA–DSC, FTIR-ATR, XRD, Raman, XRF, and ICP-MS, validated the effective integration and homogeneous distribution of active Ni/Co catalysts within the nanofibers. The catalytic performance of these mono- and bimetallic Ni/Co nanofiber catalysts was systematically examined under ambient pressure conditions for CO2 hydrogenation reactions. The bimetallic NiCo nanofiber catalysts, specifically with a Ni/Co molar ratio of 1:2, and thermally treated at 1050 °C, demonstrated a high CO selectivity (98.5%) and a marked increase in CO2 conversion rate—up to 16.7 times that of monometallic Ni nanofiber catalyst and 10.8 times that of the monometallic Co nanofiber catalyst. This significant enhancement in catalytic performance is attributed to the improved accessibility of active sites, minimized particle size, and the strong Ni–Co–C interactions within these nanofiber structures. These nanofiber catalysts offer a unique model system that illuminates the fundamental aspects of supported catalysis and accentuates its crucial role in addressing pressing environmental challenges.
Full article
(This article belongs to the Special Issue Heterogeneous Catalysis for Clean Energy Production and Carbon Dioxide Utilization)
►▼
Show Figures

Figure 1
Open AccessArticle
Gas-Phase Deoxygenation of Biomass Pyrolysis Tar Catalyzed by Rare Earth Metal Loaded Hβ Zeolite
Catalysts 2023, 13(6), 1016; https://doi.org/10.3390/catal13061016 (registering DOI) - 17 Jun 2023
Abstract
Biomass pyrolysis tar (BPT) with a higher heating value of 24.23 MJ/kg was used as raw feed for the catalytic gas-phase deoxygenation (GDO) process using Hβ zeolite loaded with different amounts of active elements (Ce, La, and Nd). Acetone molecule was chosen as
[...] Read more.
Biomass pyrolysis tar (BPT) with a higher heating value of 24.23 MJ/kg was used as raw feed for the catalytic gas-phase deoxygenation (GDO) process using Hβ zeolite loaded with different amounts of active elements (Ce, La, and Nd). Acetone molecule was chosen as a model compound to test the activity of pure Hβ zeolite, 1 wt% Ce/Hβ zeolite, 5 wt% Ce/Hβ zeolite, 1 wt% La/Hβ zeolite, 5 wt% La/Hβ zeolite, 1 wt% Nd/Hβ zeolite, and 5 wt% Nd/Hβ zeolite at 400 °C and process time of 3 h. BPT characterization showed a wide range of oxygenated compounds with the main components including water: 0.71%, furfural: 5.85%, 4-ethylguaiacol: 2.14%, phenol: 13.63%, methylethyl ketone: 5.34%, cyclohexanone: 3.23%, isopropanol: 4.78%, ethanol: 3.67%, methanol: 3.13%, acetic acid: 41.06%, and acetone: 16.46%. BPT conversion using 1 wt% Ce/Hβ zeolite catalyst showed the highest values of degree of deoxygenation (DOD) (68%) and conversion (16% for phenol, 88% for acetic acid, and 38% for 4-ethlyguaiacol). Yields of water, liquid phase, and gas phase in the GDO reaction using 1%Ce/Hβ zeolite were 18.33%, 47.42%, and 34.25%, respectively. Alkyl-substituted phenols and aromatic hydrocarbons achieved the highest yields of 37.34% and 35.56%, respectively. The main interaction pathways for BPT-GDO are also proposed.
Full article
(This article belongs to the Special Issue Heterogeneous Catalysis for the Production of Biofuels and Biochemicals)
►▼
Show Figures

Figure 1
Open AccessArticle
Tungsten Oxide Morphology-Dependent Au/TiO2/WO3 Heterostructures with Applications in Heterogenous Photocatalysis and Surface-Enhanced Raman Spectroscopy
by
, , , , , , and
Catalysts 2023, 13(6), 1015; https://doi.org/10.3390/catal13061015 (registering DOI) - 17 Jun 2023
Abstract
Developing highly efficient Au/TiO2/WO3 heterostructures with applications in heterogeneous photocatalysis (photocatalytic degradation) and surface-enhanced Raman spectroscopy (dye detection) is currently of paramount significance. Au/TiO2/WO3 heterostructures were obtained via heat or time-assisted synthesis routes developed by slightly modifying
[...] Read more.
Developing highly efficient Au/TiO2/WO3 heterostructures with applications in heterogeneous photocatalysis (photocatalytic degradation) and surface-enhanced Raman spectroscopy (dye detection) is currently of paramount significance. Au/TiO2/WO3 heterostructures were obtained via heat or time-assisted synthesis routes developed by slightly modifying the Turkevich–Frens synthesis methods and were investigated by TEM, SEM, XRD, Raman spectroscopy, XPS, photoluminescence, and UV–vis DRS techniques. Structural features, such as WO3 crystalline phases, TiO2 surface defects, as well as the WO3 (220) to TiO2-A (101) ratio, were the key parameters needed to obtain heterostructures with enhanced photocatalytic activity for removing oxalic acid, phenol, methyl orange, and aspirin. Photodegradation efficiencies of 95.9 and 96.9% for oxalic acid; above 96% (except one composite) for phenol; 90.1 and 97.9% for methyl orange; and 81.6 and 82.1% for aspirin were obtained. By employing the SERS technique, the detection limit of crystal violet dye, depending on the heterostructure, was found to be between 10−7–10−8 M. The most promising composite was Au/TiO2/WO3-HW-TA it yielded conversion rates of 82.1, 95.9 and 96.8% for aspirin, oxalic acid, and phenol, respectively, and its detection limit for crystal violet was 10−8 M. Au/TiO2/WO3-NWH-HA achieved 90.1, 96.6 and 99.0% degradation efficiency for methyl orange, oxalic acid, and phenol, respectively, whereas its limit of detection was 10−7 M. The Au/TiO2/WO3 heterojunctions exhibited excellent stability as SERS substrates, yielding strong-intensity Raman signals of the pollutant molecules even after a long period of time.
Full article
(This article belongs to the Special Issue Exclusive Papers of the Editorial Board Members and Topical Advisory Panel Members of Catalysts in Section "Photocatalysis")
►▼
Show Figures

Graphical abstract
Open AccessFeature PaperArticle
Electrochemical Promotion of CO2 Hydrogenation Using Rh Catalysts Supported on O2− Conducting Solid Electrolyte
Catalysts 2023, 13(6), 1014; https://doi.org/10.3390/catal13061014 (registering DOI) - 16 Jun 2023
Abstract
Electrochemical promotion was used to modify the activity and selectivity of a Rh catalyst electrode in the CO2 hydrogenation reaction. The experiments were carried out in a temperature range of 350–430 °C at ambient pressure and at different CO2 to H
[...] Read more.
Electrochemical promotion was used to modify the activity and selectivity of a Rh catalyst electrode in the CO2 hydrogenation reaction. The experiments were carried out in a temperature range of 350–430 °C at ambient pressure and at different CO2 to H2 gas feeding ratios (1:2 to 4:1). The only reaction products observed were CO and CH4, both under open- and closed-circuit conditions. The CH4 formation rate was found to increase with both positive and negative potential or current application. The CO formation rate followed the opposite trend. The selectivity to CH4 increased under high values of hydrogen partial pressure and decreased at high pressures of CO2. The results demonstrate how electrochemical promotion can be used to finely tune activity and selectivity for a reaction of high technical and environmental importance.
Full article
(This article belongs to the Special Issue Innovative Catalytic Materials for Environmental Remediation and Energy Applications)
►▼
Show Figures

Figure 1
Open AccessArticle
Effect of Molecular Structure of C10 Hydrocarbons on Production of Light Olefins in Catalytic Cracking
Catalysts 2023, 13(6), 1013; https://doi.org/10.3390/catal13061013 - 16 Jun 2023
Abstract
The effect of the molecular structure of feedstock on the cracking reaction of C10 hydrocarbons to ethylene and propylene over H-ZSM-5 zeolite was investigated. To better compare the effect of decane on the production of light olefins, the thermal cracking and catalytic cracking
[...] Read more.
The effect of the molecular structure of feedstock on the cracking reaction of C10 hydrocarbons to ethylene and propylene over H-ZSM-5 zeolite was investigated. To better compare the effect of decane on the production of light olefins, the thermal cracking and catalytic cracking performance of decane were first investigated. As a comparison, the thermal cracking and catalytic cracking of decane were studied by cracking over quartz sand and H-ZSM-5. Compared with the thermal cracking reaction over quartz sand, the catalytic cracking reaction of decane over H-ZSM-5 has a significantly higher conversion and light olefins selectivity, especially when the reaction temperature was lower than 600 °C. On this basis, the catalytic cracking reactions of decane and decene over H-ZSM-5 were further compared. It was found that decene with a double bond structure had high reactivity over H-ZSM-5 and was almost completely converted, and the product was mainly olefin. Compared with decane as feedstock, it has a lower methane yield and higher selectivity of light olefins. Therefore, decene was more suitable for the production of light olefins than decane. To this end, we designed a new light olefin production process. Through olefin cracking, the yield of light olefins in the product can be effectively improved, and the proportion of different light olefins such as ethylene, propylene and butene can be flexibly adjusted.
Full article
(This article belongs to the Special Issue Catalytic Conversion of Low Carbon Alkane)
►▼
Show Figures

Figure 1
Open AccessFeature PaperArticle
The Self-Supporting NiMn-LDHs/rGO/NF Composite Electrode Showing Much Enhanced Electrocatalytic Performance for Oxygen Evolution Reaction
by
and
Catalysts 2023, 13(6), 1012; https://doi.org/10.3390/catal13061012 - 16 Jun 2023
Abstract
The poor conductivity and instability of layered dihydroxides (LDHs) limit their widespread application in oxygen evolution reaction (OER). In this study, the composite electrode of NiMn-LDHs, reduced graphene oxide (rGO) and nickel foam (NF), i.e., NiMn-LDHs/rGO/NF, was prepared by a hydrothermal method. When
[...] Read more.
The poor conductivity and instability of layered dihydroxides (LDHs) limit their widespread application in oxygen evolution reaction (OER). In this study, the composite electrode of NiMn-LDHs, reduced graphene oxide (rGO) and nickel foam (NF), i.e., NiMn-LDHs/rGO/NF, was prepared by a hydrothermal method. When subjected to oxygen evolution reaction (OER) catalytic performance in a solution of 1 M KOH, the NiMn-LDHs/rGO/NF composite catalyst exhibited an overpotential of only 140 mV at a current density of 10 mA cm−2 and a Tafel slope of 49 mV dec−1, which is not only better than the comparing RuO2/NF catalyst, but also better than most of the Mn-based and the Ni–Fe-containing bimetallic OER catalysts reported in the literature. The excellent electrocatalytic performance is ascribed to the efficient integration of ultrathin NiMn-LDH sheets, thin-layered rGO and NF, contributing significantly to the decrease in charge transfer resistance and the increase in electrochemically active surface area. Moreover, NF plays a role of current collector and a role of rigid support for the NiMn-LDHs/rGO composite, contributing extra conductivity and stability to the NiMn-LDHs/rGO/NF composite electrode.
Full article
(This article belongs to the Special Issue Carbon-Based Materials as Efficient Electrocatalysts for Oxygen Evolution Reaction)
►▼
Show Figures

Figure 1
Open AccessArticle
The Promotional Effect of Rare Earth on Pt for Ethanol Electro-Oxidation and Its Application on DEFC
Catalysts 2023, 13(6), 1011; https://doi.org/10.3390/catal13061011 - 16 Jun 2023
Abstract
Bimetallic Pt3Eu/C, Pt3La/C, and Pt3Ce/C electrocatalysts have been prepared, characterized, and tested for ethanol electro-oxidation (EEO). The materials were synthesized by chemical reduction with NaBH4, rendering nanosized particles with actual compositions close to the nominals
[...] Read more.
Bimetallic Pt3Eu/C, Pt3La/C, and Pt3Ce/C electrocatalysts have been prepared, characterized, and tested for ethanol electro-oxidation (EEO). The materials were synthesized by chemical reduction with NaBH4, rendering nanosized particles with actual compositions close to the nominals and no alloy formation. X-ray photoelectron spectroscopy (XPS) confirmed that the auxiliary rare-earth metals were present on the surface in oxide form. The electrochemical analyses in acid and alkaline EEO evidenced that, compared to Pt/C, the addition of rare earth metals in the form of oxides reduced the onset potential, increased the current density, and enhanced the stability. The results were fully confirmed in the DEFC single-cell measurements. Finally, the presence of rare earth metals in the oxidized form increased the percentage of acetic acid as the final product, making the electrocatalysts more selective and efficient than Pt/C, where acetaldehyde was the main product.
Full article
(This article belongs to the Special Issue New Electrocatalytic Materials for Energy Conversion and Storage: Fuel Cells, Electrolysis, and Metal-Air Batteries)
►▼
Show Figures

Graphical abstract
Open AccessArticle
Synthesis of CaCO3/Cu2O/GO Nanocomposite Catalysts for Hydrogen Production from NaBH4 Methanolysis
by
, , , , , and
Catalysts 2023, 13(6), 1010; https://doi.org/10.3390/catal13061010 - 16 Jun 2023
Abstract
The synthesis of CaCO3/Cu2O/GO nanocomposites was developed by sol-gel auto-combustion method. The analysis of structure was completed on X-ray diffraction (XRD), Fourier transform infrared spectroscopy (FTIR), Raman spectroscopy, and environmental scanning electron microscopy (ESEM). The XRD spectra of the
[...] Read more.
The synthesis of CaCO3/Cu2O/GO nanocomposites was developed by sol-gel auto-combustion method. The analysis of structure was completed on X-ray diffraction (XRD), Fourier transform infrared spectroscopy (FTIR), Raman spectroscopy, and environmental scanning electron microscopy (ESEM). The XRD spectra of the nanocomposites matched the crystal structure of CaCO3/Cu2O. The average crystal size was 20 nm for Cu2O and 25 nm for CaCO3 nanoparticles. FTIR data showed the absorption bands of Cu2O and GO. Raman spectroscopy data confirmed the formation of GO sheets. ESEM micrographs displayed spherical nanoparticles dispersed in GO sheets. X-ray photoelectron spectroscopy showed the peaks of Cu 2p, O 1s, C 1s, Cu 3s, and Ca 2p. The spectra of optical absorption revealed an absorption band of around 450 nm. The calcium content increase led to a decrease in the optical energy gap from 2.14 to 1.5 eV. The production of hydrogen from NaBH4 across the methanolysis reaction was accelerated by the CaCO3/Cu2O/GO nanocomposites. Therefore, these nanocomposites are superior in catalytic hydrogen production systems.
Full article
(This article belongs to the Special Issue Application of Nanosystems in Catalysis)
►▼
Show Figures

Figure 1
Open AccessArticle
NiO/AC Active Electrode for the Electrosorption of Rhodamine B: Structural Characterizations and Kinetic Study
Catalysts 2023, 13(6), 1009; https://doi.org/10.3390/catal13061009 - 15 Jun 2023
Abstract
In this work, the aim was to enhance the performance of activated carbon (AC) as an electroadsorbent by incorporating NiO particles, thereby increasing its electrochemical capacity and its ability to adsorb Rhodamine B (RhB) dye. The prepared NiO/AC material was characterized using X-ray
[...] Read more.
In this work, the aim was to enhance the performance of activated carbon (AC) as an electroadsorbent by incorporating NiO particles, thereby increasing its electrochemical capacity and its ability to adsorb Rhodamine B (RhB) dye. The prepared NiO/AC material was characterized using X-ray diffraction, scanning electron microscopy, BET surface area analysis, and infrared spectroscopy. The study involved the preparation of AC from almond shell biomass and the subsequent formation of a composite structure with NiO. The objective was to investigate the electrochemical adsorption capacity of the NiO/AC composite for RhB dye removal from simulated wastewaters. The experimental results demonstrated that the removal efficiency of RhB dye increased with an increase in the applied cell voltage. At a voltage of 1.4 V, a remarkable 100% removal efficiency was achieved. The electroadsorption process was well described by fitting the experimental data to the Freundlich isotherm model. The maximum adsorption capacities for RhB dye at concentrations of 7, 8, and 9 ppm were determined to be 149, 150, and 168 mg/g, respectively. Based on the obtained results, an electroadsorption mechanism was proposed to explain the observed behavior of the NiO/AC composite in adsorbing RhB dye. Overall, this study highlights the potential of the NiO/AC composite as an effective electroadsorbent for the removal of Rhodamine B dye from wastewater. The improved electrochemical capacity, coupled with the high adsorption capacity of the composite, makes it a promising material for wastewater treatment applications.
Full article
(This article belongs to the Special Issue Nanostructured Materials Used for Catalytic Treatment of Hazardous Organic Dye Polluted Wastewater)
►▼
Show Figures

Figure 1
Open AccessFeature PaperArticle
Identification of Cytochrome P450 Enzymes Responsible for Oxidative Metabolism of Synthetic Cannabinoid (1-Hexyl-1H-Indol-3-yl)-1-naphthalenyl-methanone (JWH-019)
Catalysts 2023, 13(6), 1008; https://doi.org/10.3390/catal13061008 - 15 Jun 2023
Abstract
(1-Hexyl-1H-indol-3-yl)-1-naphthalenyl-methanone (JWH-019) is one of the second-generation synthetic cannabinoids which as a group have been associated with severe adverse reactions in humans. Although metabolic activation can be involved in the mechanism of action, the metabolic pathway of JWH-019 has not been
[...] Read more.
(1-Hexyl-1H-indol-3-yl)-1-naphthalenyl-methanone (JWH-019) is one of the second-generation synthetic cannabinoids which as a group have been associated with severe adverse reactions in humans. Although metabolic activation can be involved in the mechanism of action, the metabolic pathway of JWH-019 has not been fully investigated. In the present study, we aimed to identify the enzymes involved in the metabolism of JWH-019. JWH-019 was incubated with human liver microsomes (HLMs) and recombinant cytochrome P450s (P450s or CYPs). An animal study was also conducted to determine the contribution of the metabolic reaction to the onset of action. Using an ultra-performance liquid chromatography system connected to a single-quadrupole mass detector, we identified 6-OH JWH-019 as the main oxidative metabolite in HLMs supplemented with NADPH. JWH-019 was extensively metabolized to 6-OH JWH-019 in HLMs with the KM and Vmax values of 31.5 µM and 432.0 pmol/min/mg. The relative activity factor method estimated that CYP1A2 is the primary contributor to the metabolic reaction in the human liver. The animal study revealed that JWH-019 had a slower onset of action compared to natural and other synthetic cannabinoids. CYP1A2 mediates the metabolic activation of JWH-019, contributing to the slower onset of its pharmacological action.
Full article
(This article belongs to the Special Issue Enzymes in Biomedical, Cosmetic and Food Application)
►▼
Show Figures

Figure 1
Open AccessFeature PaperArticle
Metal-Free Photoredox Intramolecular Cyclization of N-Aryl Acrylamides
Catalysts 2023, 13(6), 1007; https://doi.org/10.3390/catal13061007 - 14 Jun 2023
Abstract
A novel metal-free photoredox-catalyzed cyclization reaction of N-aryl acrylamide is herein reported that provides synthetically valuable oxindole derivatives through the bis-mediation of H2O and aldehyde. In this work, sustainable visible light was used as the energy source, and the organic
[...] Read more.
A novel metal-free photoredox-catalyzed cyclization reaction of N-aryl acrylamide is herein reported that provides synthetically valuable oxindole derivatives through the bis-mediation of H2O and aldehyde. In this work, sustainable visible light was used as the energy source, and the organic light-emitting molecule 4CzIPN served as the efficient photocatalyst. The main characteristics of this reaction are environmentally friendly and high yields.
Full article
(This article belongs to the Special Issue Radical-Mediated Functionalization of Alkenes)
►▼
Show Figures

Figure 1
Open AccessArticle
Black Phosphorus/WS2-TM (TM: Ni, Co) Heterojunctions for Photocatalytic Hydrogen Evolution under Visible Light Illumination
by
, , , , , and
Catalysts 2023, 13(6), 1006; https://doi.org/10.3390/catal13061006 - 14 Jun 2023
Abstract
Black phosphorus (BP) has recently emerged as a versatile photocatalyst owing to its unique photophysical properties and tunable bandgap. Nonetheless, the rapid recombination of the photogenerated charges of pristine BP samples has significantly hindered its practical applications in photocatalysis. Herein, we report, for
[...] Read more.
Black phosphorus (BP) has recently emerged as a versatile photocatalyst owing to its unique photophysical properties and tunable bandgap. Nonetheless, the rapid recombination of the photogenerated charges of pristine BP samples has significantly hindered its practical applications in photocatalysis. Herein, we report, for the first time, the effect of transition metal nanoparticles (Ni and Co) as co-catalysts on the photocatalytic activity of BP/tungsten disulfide (WS2) binary heterojunctions (BP/WS2-TM (TM: Ni, Co)) in the hydrogen evolution reaction (HER) under visible light irradiation (λ > 420 nm). Ternary heterojunctions named BP/WS2-TM (TM: Ni, Co) were synthesized via a chemical reduction method, leading to the formation of an S-scheme heterojunction, in which BP acts as a reduction catalyst and WS2 serves as an oxidation catalyst. BP/WS2-Ni and BP/WS2-Co performed substantial amounts of hydrogen generation of 9.53 mmol h−1g−1 and 12.13 mmol h−1g−1, respectively. Moreover, BP/WS2-Co exhibited about 5 and 15 times higher photocatalytic activity compared to the binary BP/WS2 heterojunctions and pristine BP, respectively. The enhanced photocatalytic activity of the heterojunction catalysts is attributed to the extended light absorption ability, enhanced charge separation, and larger active sites. This study is the first example of photocatalytic hydrogen evolution from water by using Ni- and Co-doped binary BP/WS2 heterojunctions.
Full article
(This article belongs to the Special Issue Photocatalytic Water Splitting: Challenges and Prospects)
►▼
Show Figures

Graphical abstract
Open AccessArticle
Techno-Economic Analysis of Electrocatalytic CO2 Reduction into Methanol: A Comparative Study between Alkaline Flow Cell and Neutral Membrane Electrode Assembly
Catalysts 2023, 13(6), 1005; https://doi.org/10.3390/catal13061005 - 14 Jun 2023
Abstract
Electrocatalytic CO2-reduction technology can convert CO2 into methanol and other chemicals using renewable electricity, but the techno-economic prospects of the large-scale electrocatalytic reduction in CO2 into methanol are not clear. This paper conducted sensitivity analysis to confirm the key
[...] Read more.
Electrocatalytic CO2-reduction technology can convert CO2 into methanol and other chemicals using renewable electricity, but the techno-economic prospects of the large-scale electrocatalytic reduction in CO2 into methanol are not clear. This paper conducted sensitivity analysis to confirm the key parameters affecting the cost of methanol production from an alkaline flow cell and a neutral MEA electrolyzer, compared the cost of the two electrolyzers under laboratory data and optimized data scenarios, and analyzed the key parameter requirements of the two electrocatalytic systems to achieve profitable methanol production. The results show that electricity price, Faradaic efficiency, cell voltage, and crossover/carbonate formation ratio are the most sensitive parameters affecting the cost of methanol production. The alkaline flow cell had higher energy efficiency than the MEA cell, but the saving cost of electricity and the eletrolyzer cannot cover the cost of the regeneration of the electrolyte and CO2 lost to carbonate/bicarbonate, resulting in higher methanol production costs than the MEA cell. When the crossover/carbonate formation ratio is zero, the cost of methanol production in an alkaline flow cell and a neutral MEA cell can reach under 400 USD/tonne in the cases of energy efficiency more than 70% and 50%, respectively. Therefore, enhancing energy efficiency and ensuring a low crossover/carbonate formation ratio is important for improving the economy of electrocatalytic methanol production from CO2 reduction. Finally, suggestions on the development of electrocatalytic CO2 reduction into methanol in the future were proposed.
Full article
(This article belongs to the Special Issue Catalytic CO2 Conversion)
►▼
Show Figures

Figure 1
Open AccessFeature PaperArticle
Valorization of Pyrolyzed Biomass Residues for the Transformation of Waste Cooking Oil into Green Diesel
by
, , , , and
Catalysts 2023, 13(6), 1004; https://doi.org/10.3390/catal13061004 - 14 Jun 2023
Abstract
This study aims to utilize biochars derived from residual biomass as supports for Ni-based catalysts. For the preparation of the biochars, byproducts of agro-industrial activities were used, such as espresso coffee residue (C) and rice husks (R). Sufficient quantities of the respective biochars
[...] Read more.
This study aims to utilize biochars derived from residual biomass as supports for Ni-based catalysts. For the preparation of the biochars, byproducts of agro-industrial activities were used, such as espresso coffee residue (C) and rice husks (R). Sufficient quantities of the respective biochars (BioC and BioR) were prepared via pyrolysis at 850 °C of the aforementioned materials under limited oxygen conditions. The biochars were further treated with hot water (WBioC, WBioR), H3PO4 or H2SO4 solution (BioC-P, BioC-S, BioR-P, BioR-S), and NaOH solution (BioC-A and BioR-A), and the obtained solids were characterized using various physicochemical techniques. The biochars produced were microporous with high surface areas (367–938 m2g−1). The most promising biochars were selected as supports for the preparation of nickel catalysts (10 wt.% Ni) with high Ni dispersion (mean crystal size: 8.2–9.8 nm) and suitable acidity. The catalysts were evaluated in a high-pressure semi-batch reactor for the transformation of waste cooking oil (WCO) into green diesel. The 10Ni_BioC-P catalyst exhibited the best performance, resulting in a complete conversion of the WCO but a low hydrocarbon yield (7.5%). Yield improvement was achieved by promoting this catalyst with molybdenum. The addition of Mo increased the hydrocarbon yield by almost three times (19.5%).
Full article
(This article belongs to the Section Biomass Catalysis)
►▼
Show Figures

Figure 1
Open AccessFeature PaperArticle
Green Approach for Synthesizing Copper-Containing ZIFs as Efficient Catalysts for Click Chemistry
by
, , , , and
Catalysts 2023, 13(6), 1003; https://doi.org/10.3390/catal13061003 - 14 Jun 2023
Abstract
ZIF-8 and ZIF-67 containing various percentages of copper were successfully synthesized through a green in-situ thermal (IST) approach based on 2-methylimidazole (2-MIM) as the organic linker. The IST method has several advantages over previously reported studies, including solvent and additive-free reaction conditions, a
[...] Read more.
ZIF-8 and ZIF-67 containing various percentages of copper were successfully synthesized through a green in-situ thermal (IST) approach based on 2-methylimidazole (2-MIM) as the organic linker. The IST method has several advantages over previously reported studies, including solvent and additive-free reaction conditions, a mild reaction temperature, a single-step procedure, no activation requirements, and the use of the smallest precursor ratio (M/L). The high catalytic performance of Cu/ZIF-8 and Cu/ZIF-67 in click chemistry is attributed to their high specific surface area, excellent porosity, and structural stability. To achieve these features, a range of parameters—such as time, temperature, gas atmosphere, and precursor ratio—were optimized. Several characterization methods were used to confirm the features of the produced catalysts. Overall, the synthesis strategy for achieving the targeted ZIFs with unique features is “green” and does not require further activation or treatment to eliminate side products. This method has great potential for manufacturing metal-organic frameworks on a large scale. Moreover, water was used as a solvent during the click reaction, resulting in high yields and making this an attractive, green, and eco-friendly procedure.
Full article
(This article belongs to the Special Issue Metal-Organic Framework Materials as Catalysts)
►▼
Show Figures

Graphical abstract
Open AccessArticle
An Efficient and Mild Method for the Alkylation of p-Cresol with tert-Butyl Alcohol
Catalysts 2023, 13(6), 1002; https://doi.org/10.3390/catal13061002 - 14 Jun 2023
Abstract
The synthesis 2-tert-butyl-4-methylphenol is of great significance because of its wide application in industry, and the development of a highly efficient catalyst is necessary for the alkylation of p-cresol and tert-butyl alcohol. Here, an efficient and mild method was established. Caprolactam was chosen
[...] Read more.
The synthesis 2-tert-butyl-4-methylphenol is of great significance because of its wide application in industry, and the development of a highly efficient catalyst is necessary for the alkylation of p-cresol and tert-butyl alcohol. Here, an efficient and mild method was established. Caprolactam was chosen as the hydrogen-bonding acceptor; p-toluenesulfonic acid was employed as the hydrogen-bonding donor, and a deep eutectic solvent (DES) was prepared to catalyze the alkylation reaction. The structure of the deep eutectic solvent catalyst was characterized by 1H NMR spectra, thermogravimetric analysis, and Fourier transform infrared spectra (FT-IR). In addition, response surface design based on the Box–Behnken method was employed to optimize the alkylation reaction process parameters, and the study of reaction kinetics was also carried out subsequently. The recycle performance of the catalyst was evaluated by recovery experiments, and a good result was obtained. By drawing comparisons with the literature reported, we provide a mild method for the synthesis of 2-tert-butyl-4-methylphenol.
Full article
(This article belongs to the Section Catalysis in Organic and Polymer Chemistry)
►▼
Show Figures

Figure 1
Open AccessArticle
Anodic Catalyst Support via Titanium Dioxide-Graphene Aerogel (TiO2-GA) for A Direct Methanol Fuel Cell: Response Surface Approach
Catalysts 2023, 13(6), 1001; https://doi.org/10.3390/catal13061001 - 14 Jun 2023
Abstract
The direct methanol fuel cell (DMFC) has the potential for portable applications. However, it has some drawbacks that make commercialisation difficult owing to its poor kinetic oxidation efficiency and non-economic cost. To enhance the performance of direct methanol fuel cells, various aspects should
[...] Read more.
The direct methanol fuel cell (DMFC) has the potential for portable applications. However, it has some drawbacks that make commercialisation difficult owing to its poor kinetic oxidation efficiency and non-economic cost. To enhance the performance of direct methanol fuel cells, various aspects should be explored, and operational parameters must be tuned. This research was carried out using an experimental setup that generated the best results to evaluate the effectiveness of these variables on electrocatalysis performance in a fuel cell system. Titanium dioxide-graphene aerogel (TiO2-GA) has not yet been applied to the electrocatalysis area for fuel cell application. As a consequence, this research is an attempt to boost the effectiveness of direct methanol fuel cell electrocatalysts by incorporating bifunctional PtRu and TiO2-GA. The response surface methodology (RSM) was used to regulate the best combination of operational parameters, which include the temperature of composite TiO2-GA, the ratio of Pt to Ru (Pt:Ru), and the PtRu catalyst composition (wt%) as factors (input) and the current density (output) as a response for the optimisation investigation. The mass activity is determined using cyclic voltammetry (CV). The best-operating conditions were determined by RSM-based performance tests at a composition temperature of 202 °C, a Pt/Ru ratio of (1.1:1), and a catalyst composition of 22%. The best response is expected to be 564.87 mA/mgPtRu. The verification test is performed, and the average current density is found to be 568.15 mA/mgPtRu. It is observed that, after optimisation, the PtRu/TiO2-GA had a 7.1 times higher current density as compared to commercial PtRu. As a result, a titanium dioxide-graphene aerogel has potential as an anode electrocatalyst in direct methanol fuel cells.
Full article
(This article belongs to the Special Issue Catalytic Methods for the Synthesis of Carbon Nanodots and Their Applications)
►▼
Show Figures

Figure 1
Open AccessFeature PaperArticle
Effects of Mott–Schottky Frequency Selection and Other Controlling Factors on Flat-Band Potential and Band-Edge Position Determination of TiO2
Catalysts 2023, 13(6), 1000; https://doi.org/10.3390/catal13061000 - 13 Jun 2023
Abstract
The use of titanium dioxide for tackling environmental pollution has attracted great research interest recently. The potential of a photocatalyst in removing contaminants depends mainly on its conduction and valence-band edges relative to the standard potential of reactive oxygen species. One of the
[...] Read more.
The use of titanium dioxide for tackling environmental pollution has attracted great research interest recently. The potential of a photocatalyst in removing contaminants depends mainly on its conduction and valence-band edges relative to the standard potential of reactive oxygen species. One of the methods used in determining these band-edge positions is via the Mott–Schottky analysis. Thus, the aim of this work was to investigate the influence of the Mott–Schottky frequency and different electrochemical conditions on flat-band potential values and band-edge positions of pure anatase or Degussa P25, calcined or uncalcined in a 0.2 M Na2SO4 solution. The results showed that the shift in the flat-band potential was not so frequency-dependent in the Mott–Schottky analysis, however, other reasons, such as immersion duration leading to thenardite Na2SO4 salt deposition on the surface, irradiation of sources and the change in the pH of the solution (in the range of 1.64–12.11) were also responsible for it. In general, both the calcined anatase and P25 had a less negative value of the flat-band potential compared to the uncalcined. On the other hand, the calcined anatase had a tendency to have a less negative value of the flat-band potential than the calcined P25. From this study, the frequency range for obtaining the flat-band potential within one standard deviation in the Mott–Schottky at a single-frequency analysis was found to be between 200 and 2000 Hz. The energy difference between the Fermi level and the conduction band edge for anatase and P25, either calcined or uncalcined, was 0.097–0.186 and 0.084–0.192 eV, respectively. On the other hand, the band-edge position of anatase or P25 tended to shift upwards when it was repeatedly used in the photoelectrochemical analysis.
Full article
(This article belongs to the Special Issue Photocatalysis in Air Purification)
►▼
Show Figures

Figure 1
Open AccessFeature PaperArticle
The Role of Ion Exchange Resins for Solving Biorefinery Catalytic Processes Challenges
by
, , , , , and
Catalysts 2023, 13(6), 999; https://doi.org/10.3390/catal13060999 - 13 Jun 2023
Abstract
Different possible applications of ion exchange resins in the framework of biorefinery catalytic applications are discussed in this article. Three case studies were selected for this approach, connected to three main routes for biomass upgrading: syngas upgrading to high-value chemicals, biomass hydrolysate upgrading,
[...] Read more.
Different possible applications of ion exchange resins in the framework of biorefinery catalytic applications are discussed in this article. Three case studies were selected for this approach, connected to three main routes for biomass upgrading: syngas upgrading to high-value chemicals, biomass hydrolysate upgrading, and direct upgrading of oily fraction. The tailored acidic properties of these materials, as well as their stability in the presence of water, have made them promising catalysts for applications such as obtaining biodiesel from activated sludge wastes in batch reactors and obtaining polyoxymethylene methyl ether from syngas (via formaldehyde and methylal, and working in a continuous fixed bed reactor). However, the acidity of these materials may still be too low for acid-catalyzed aldol condensation reactions in the aqueous phase.
Full article
(This article belongs to the Special Issue Advances in the Catalytic Behavior of Ion-Exchange Resins)
►▼
Show Figures

Graphical abstract
Journal Menu
► ▼ Journal Menu-
- Catalysts Home
- Aims & Scope
- Editorial Board
- Reviewer Board
- Topical Advisory Panel
- Instructions for Authors
- Special Issues
- Topics
- Sections & Collections
- Article Processing Charge
- Indexing & Archiving
- Editor’s Choice Articles
- Most Cited & Viewed
- Journal Statistics
- Journal History
- Journal Awards
- Society Collaborations
- Conferences
- Editorial Office
Journal Browser
► ▼ Journal BrowserHighly Accessed Articles
Latest Books
E-Mail Alert
News
Topics
Topic in
Catalysts, ChemEngineering, Energies, Materials, Nanomaterials
Materials and Catalysts for Pollutants and CO2 Capture and Transformation
Topic Editors: Vicente Montes, Rafael Estevez, Manuel ChecaDeadline: 30 June 2023
Topic in
Catalysts, Energies, Membranes, Nanoenergy Advances, Polymers
Membranes for Electrochemical Energy Conversion
Topic Editors: Byungchan Bae, Jang-Yong LeeDeadline: 31 July 2023
Topic in
Catalysts, Chemistry, Materials, Molbank, Molecules
Catalysis: Homogeneous and Heterogeneous
Topic Editors: Maria Luisa Di Gioia, Luísa Margarida Martins, Isidro M. PastorDeadline: 31 August 2023
Topic in
Catalysts, Energies, Hydrogen, Molecules, Nanomaterials
Hydrogen Generation, Storage, and Utilization
Topic Editors: In-Hwan Lee, Duy Thanh Tran, Vandung DaoDeadline: 31 October 2023
Conferences
Special Issues
Special Issue in
Catalysts
Nano-Porous Materials for Catalytic Systems in Green Chemistry Processes
Guest Editors: Roman Dziembaj, Lucjan ChmielarzDeadline: 30 June 2023
Special Issue in
Catalysts
New Trends in Photocatalytic Applications with Alkaline Earth Metal Titanates
Guest Editors: Tamás Gyulavári, Klára Hernádi, Zsolt PapDeadline: 7 July 2023
Special Issue in
Catalysts
Towards Artificial Photosynthesis: Sustainable Hydrogen Utilization for Photocatalytic Reduction of CO2 to High-Value Renewable Fuels
Guest Editors: Chinh Chien Nguyen, Akira NishimuraDeadline: 20 July 2023
Special Issue in
Catalysts
Catalytic and Functional Materials for Environment and Energy
Guest Editor: Jerry J. WuDeadline: 31 July 2023







