Journal Description
Metals
Metals
is an international, peer-reviewed, open access journal published monthly online by MDPI. The Spanish Materials Society (SOCIEMAT) is affiliated with Metals and their members receive discounts on the article processing charges.
- Open Access— free for readers, with article processing charges (APC) paid by authors or their institutions.
- High Visibility: indexed within Scopus, SCIE (Web of Science), Inspec, Ei Compendex, CAPlus / SciFinder, and other databases.
- Journal Rank: JCR - Q2 (Metallurgy and Metallurgical Engineering) / CiteScore - Q1 (Metals and Alloys)
- Rapid Publication: manuscripts are peer-reviewed and a first decision is provided to authors approximately 18.7 days after submission; acceptance to publication is undertaken in 2.7 days (median values for papers published in this journal in the second half of 2025).
- Recognition of Reviewers: reviewers who provide timely, thorough peer-review reports receive vouchers entitling them to a discount on the APC of their next publication in any MDPI journal, in appreciation of the work done.
- Companion journals for Metals include: Compounds, Alloys and Iron.
Impact Factor:
2.5 (2024);
5-Year Impact Factor:
2.8 (2024)
Latest Articles
Tribological Performance of Micro and Nano-Titanium Carbide-Reinforced Copper Composites Manufactured by Powder Metallurgy: Experimental Studies and Modelling
Metals 2026, 16(1), 66; https://doi.org/10.3390/met16010066 - 5 Jan 2026
Abstract
This study reports the fabrication of copper-based metal matrix composites reinforced with a combination of micro- and nano-sized titanium carbide (TiC) particles using the powder metallurgy route. The micro-TiC content was maintained at 5 wt.%, while the nano-TiC addition was systematically varied between
[...] Read more.
This study reports the fabrication of copper-based metal matrix composites reinforced with a combination of micro- and nano-sized titanium carbide (TiC) particles using the powder metallurgy route. The micro-TiC content was maintained at 5 wt.%, while the nano-TiC addition was systematically varied between 1 and 3 wt.% in increments of 1 wt.%. The consolidation of the blends was achieved by uniaxial compaction at 500 MPa, followed by sintering in a nitrogen atmosphere at 750–900 °C for 2 h. Tribological assessment under dry sliding conditions was performed using a pin-on-disk apparatus. Structural and microstructural examinations using X-ray diffraction (XRD), scanning electron microscopy (SEM), and energy-dispersive spectroscopy (EDS) confirmed a uniform incorporation of the reinforcements within the Cu matrix. The incorporation of nano-TiC up to 2 wt.% significantly enhanced density, hardness, and wear resistance, after which a marginal decline was observed. SEM analysis of worn surfaces revealed that adhesive wear, abrasion, and delamination were the primary wear mechanisms. To better understand the relationship between processing conditions and material responses, response surface methodology (RSM) was employed. The developed models for density, hardness, and wear loss showed good agreement with the experimental results, with confirmatory tests yielding errors of 1.59%, 2.06%, and 2%, respectively, thereby validating the approach’s reliability.
Full article
(This article belongs to the Special Issue Powder Metallurgy of Metals and Composites)
►
Show Figures
Open AccessArticle
Microstructural Evolution and Fatigue Behavior of Laser-Welded Joints in Air-Cooled Steel
by
Xing Fang, Yan-Xin Wu, Xin-Yue Liu, Wang-Nan Zuo, Xiao-Yu Yang, Qi Zhang, Fei-Da Chen, Yong-Gang Yang and Zhen-Li Mi
Metals 2026, 16(1), 65; https://doi.org/10.3390/met16010065 - 5 Jan 2026
Abstract
Air-cooled steel is a high-strength steel widely used in automotive subframe applications. In this study, the microstructural evolution and fatigue performance of air-cooled steel welded joints subjected to a one-step heat treatment and an additional two-step heat treatment were systematically investigated. The results
[...] Read more.
Air-cooled steel is a high-strength steel widely used in automotive subframe applications. In this study, the microstructural evolution and fatigue performance of air-cooled steel welded joints subjected to a one-step heat treatment and an additional two-step heat treatment were systematically investigated. The results indicate that, after the one-step heat treatment, the microstructure of the welded joints transformed from coarse lath martensite to a mixture of tempered martensite and newly formed martensite. After the two-step heat treatment, the microstructure of the welded joints evolved from coarse lath martensite to newly formed martensite, M-A islands, bainitic ferrite, and a small amount of polygonal ferrite. Under both heat treatment conditions, the fatigue limits of the welded specimens were lower than those of the base metal, which can be attributed to the reduced overall deformation compatibility induced by the welded joints. In addition, the welded joints exhibited superior crack propagation resistance compared with the base metal after both heat treatment processes, which is likely related to the enhanced ability of dislocation structures and grain boundaries to impede crack propagation.
Full article
(This article belongs to the Special Issue Innovations in Heat Treatment of Metallic Materials)
►▼
Show Figures

Figure 1
Open AccessArticle
Universal Empirical Criterion for Martensitic Transformation Temperature in Ni-Mn-Based Heusler Alloys
by
Michal Rameš and Oleg Heczko
Metals 2026, 16(1), 64; https://doi.org/10.3390/met16010064 - 4 Jan 2026
Abstract
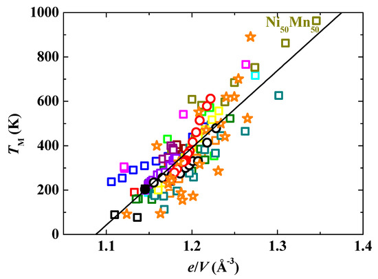
We studied the changes of martensite average temperature TM in a wide range of Heusler alloys derived from a Ni-Mn-Ga multifunctional compound prepared by arc melting. Based on prepared alloys and supplemented by the literature data, we demonstrated that criteria based on
[...] Read more.
We studied the changes of martensite average temperature TM in a wide range of Heusler alloys derived from a Ni-Mn-Ga multifunctional compound prepared by arc melting. Based on prepared alloys and supplemented by the literature data, we demonstrated that criteria based on valence electron or non-bonding electron concentration per atom often failed in many different cases, in particular for isoelectronic compounds and Heusler alloys with Sb and Sn. Thus, we suggest an empirical criterion for estimating the temperature of martensitic transformation TM in Ni-Mn-based Heusler alloys. It is built on valence electron concentration per atomic volume. Suggested criterion well-describes the experiment and data available in literature. Although it can be used for predicting TM in complexly alloyed Ni-Mn-based Heusler alloys.
Full article
(This article belongs to the Section Metallic Functional Materials)
►▼
Show Figures

Figure 1
Open AccessArticle
Impact of Diamond Indenter Sliding Velocity on Shear Deformation and Hardening of AISI 304 Steel Surface Layer in Nanostructuring Burnishing: Simulation and Experiment
by
Igor Tatarintsev, Viktor Kuznetsov, Igor Smolin, Ayan Akhmetov and Andrey Skorobogatov
Metals 2026, 16(1), 63; https://doi.org/10.3390/met16010063 - 4 Jan 2026
Abstract
This paper numerically and experimentally establishes a connection between shear deformation of the AISI 304 steel surface layer and the sliding velocity of a diamond indenter in multi-pass nanostructuring burnishing. Results of finite-element simulation of the process fully correspond to the experimental data
[...] Read more.
This paper numerically and experimentally establishes a connection between shear deformation of the AISI 304 steel surface layer and the sliding velocity of a diamond indenter in multi-pass nanostructuring burnishing. Results of finite-element simulation of the process fully correspond to the experimental data obtained when changing the sliding velocity from 40 to 280 m/min after one and five tool passes. The experiment’s burnishing force was assumed to be 150 and 175 N, and feed was 0.025 mm/min. After surface machining, the maximum microhardness reached 400 HV0.05 at the depth of 30 µm from the surface after five indenter passes with the sliding velocity values of 40 and 200 m/min and burnishing force of 175 N.
Full article
(This article belongs to the Special Issue Advanced Manufacturing and Processing Technology for Metallic Materials)
►▼
Show Figures

Graphical abstract
Open AccessArticle
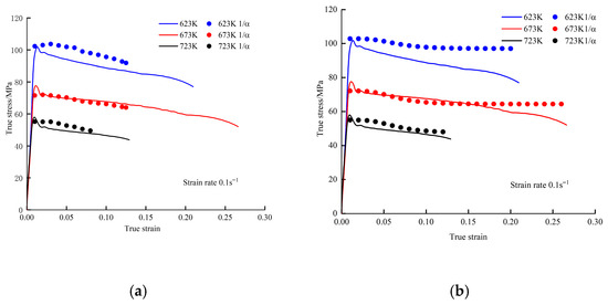
Modified Constitutive Model of Al-Zn-Mg-Cu-Er Alloy Sheet During High-Temperature Tensile Deformation Process
by
He Ren, Fuzhen Sun, Keqian Cai, Quanda Zhang and Bing Du
Metals 2026, 16(1), 62; https://doi.org/10.3390/met16010062 - 4 Jan 2026
Abstract
Rare-earth aluminum alloy materials exhibit excellent strength, plasticity, and toughness at room temperature, making them easily meet the lightweight requirements of structural components, and high-temperature plastic forming is widely applied. Accordingly, the present study is dedicated to investigating the rheological characteristics of rare-earth
[...] Read more.
Rare-earth aluminum alloy materials exhibit excellent strength, plasticity, and toughness at room temperature, making them easily meet the lightweight requirements of structural components, and high-temperature plastic forming is widely applied. Accordingly, the present study is dedicated to investigating the rheological characteristics of rare-earth aluminum alloys subjected to tensile deformation at elevated temperatures. High-temperature tensile tests were implemented across a temperature interval of 623 to 723 K and a strain rate spectrum ranging from 0.01 to 1.0 s−1. Experimental outcomes reveal that the flow stress exhibits a downward trend with the elevation in deformation temperature as well as the reduction in strain rate. It is also confirmed that flow stress correlates closely with the evolution of strain, which further motivates the construction of a modified Arrhenius constitutive equation integrated with strain compensation. Nevertheless, it is noted that the predictive precision of the strain-compensated Arrhenius constitutive model declines remarkably once the applied strain exceeds the scope covered by the experiments. Through error analysis, it was revealed that the material parameters of the Arrhenius-type constitutive model are influenced by strain, strain rate, and deformation temperature. On this basis, an optimized Arrhenius constitutive model was proposed in the current research. The parameter fitting was accomplished by comparing the calculated stresses from the model with experimental data, which involved strain compensation and a comprehensive consideration of the effects of temperature and strain rate. The resulting model is capable of precisely describing the material’s flow behavior within the experimental strain range and effectively predicting it beyond that range.
Full article
(This article belongs to the Section Metal Casting, Forming and Heat Treatment)
►▼
Show Figures

Figure 1
Open AccessArticle
Aging Kinetics and Activation Energy-Based Modeling of Electrical Conductivity Evolution in a Cu–4Ti Alloy
by
Guojin Sun, Hong Liu, Yingtang Zhang, Wenbin Wu and Qi Wang
Metals 2026, 16(1), 61; https://doi.org/10.3390/met16010061 - 4 Jan 2026
Abstract
The aging behavior and electrical performance evolution of Cu–4Ti alloy were systematically investigated through experimental characterization and theoretical modeling. A series of solution and aging treatments were conducted at temperatures ranging from 450 °C to 600 °C for durations of 1–420 min, with
[...] Read more.
The aging behavior and electrical performance evolution of Cu–4Ti alloy were systematically investigated through experimental characterization and theoretical modeling. A series of solution and aging treatments were conducted at temperatures ranging from 450 °C to 600 °C for durations of 1–420 min, with and without 50% cold deformation. Based on solid-state diffusion theory, the activation energy of the aging process was determined using the Arrhenius relationship combined with regression analysis. The calculated activation energies were 298.5 kcal·mol−1 for the solution-treated alloy and 136.1 kcal·mol−1 for the cold-deformed alloy, indicating that deformation-induced lattice defects substantially accelerate atomic diffusion and precipitation kinetics. A predictive model was further established to describe electrical conductivity as a function of aging temperature and time, with high correlation coefficients (R2 = 0.90 for the non-deformed and R2 = 0.89 for the deformed condition). The model accurately captures the conductivity evolution under various heat treatment conditions, demonstrating its strong predictive capability. Moreover, kinetic curves were constructed to intuitively represent the relationship between conductivity, temperature, and time, providing a rapid and visual tool for process optimization.
Full article
(This article belongs to the Special Issue Innovations in Heat Treatment of Metallic Materials)
►▼
Show Figures

Figure 1
Open AccessEditorial
New Trends in Powder Engineering and Additive Manufacturing (Editorial Board Members’ Collection Series)
by
Leszek Adam Dobrzański and Joan-Josep Suñol
Metals 2026, 16(1), 60; https://doi.org/10.3390/met16010060 - 3 Jan 2026
Abstract
The production of metal alloys and compounds in powder form has traditionally been linked to techniques such as gas atomization or mechanical alloying [...]
Full article
(This article belongs to the Special Issue New Trends of Powder Engineering and Additive Manufacturing (Editorial Board Members’ Collection Series))
Open AccessArticle
Roasting of Spodumene with Calcite at Atmospheric Pressure—Implications of Trace Potassium
by
Enrique Garcia-Franco, María-Pilar Martínez-Hernando, Roberto Paredes, Yolanda Sanchez-Palencia, Pedro Mora and Marcelo F. Ortega
Metals 2026, 16(1), 59; https://doi.org/10.3390/met16010059 - 2 Jan 2026
Abstract
Lithium is an essential material for lightweight batteries. Traditional mining of soluble salts expanded to include the extraction of hard rocks, which requires their solubilization through roasting. Among hard lithium rocks, spodumene has recently received attention from the scientific community. Its metallurgical processing
[...] Read more.
Lithium is an essential material for lightweight batteries. Traditional mining of soluble salts expanded to include the extraction of hard rocks, which requires their solubilization through roasting. Among hard lithium rocks, spodumene has recently received attention from the scientific community. Its metallurgical processing can be classified according to the type of reagents, as well as the operating temperature and pressure. The use of calcium carbonate as a natural alkali avoids aggressive chemicals such as sulfuric acid or caustic soda. In this article, 0.5 g of jewelry-grade spodumene was loaded into a ceramic crucible with 2.5 g of reducing agent in a tandem of roasting at 1050 °C-1 bar-30 min and leaching with neutral water at 90 °C-1 bar-20 min at a water/clinker mass ratio of 25. Measurements by XRD, ICP-OES, and SEM-EDX suggest a pathway of spodumene cracking because of poor contact with the reductant. Potassium present in the crucible acts as a flux and encapsulates spodumene crystals, causing lithium to end up bound to silica. While lithium metasilicate is barely soluble in water, leaching potassium aluminate hoards in the liquid. The empirical observations were supported with thermodynamic spontaneity studies, which required compiling the mineral properties based on open reference tabulations.
Full article
(This article belongs to the Special Issue Advances in Hydrometallurgy of Metals: Sources, Pretreatment, Leaching, Extraction, Recovery, Raffination)
►▼
Show Figures

Figure 1
Open AccessArticle
Influence of Single-Sided Ultrasonic Assistance on the Double-Sided Welding Forming Quality of Q355 Thin Plates
by
Peng Yin, Wenkai Li, Chunguang Xu, Zekai Wang, Tingting Hao and Lin Wang
Metals 2026, 16(1), 58; https://doi.org/10.3390/met16010058 - 2 Jan 2026
Abstract
To solve the problems of large deformation and poor welding quality commonly observed during the double-sided welding of Q355 thin plates, this study systematically investigated the effects of single-sided ultrasonic-assisted welding on the weld formation, microstructure, mechanical properties, and residual stresses of the
[...] Read more.
To solve the problems of large deformation and poor welding quality commonly observed during the double-sided welding of Q355 thin plates, this study systematically investigated the effects of single-sided ultrasonic-assisted welding on the weld formation, microstructure, mechanical properties, and residual stresses of the plates, and compared this welding process with conventional ones. Experimental results indicate that ultrasonic assistance is associated with improved weld shape and quality, contributing to a flatter weld surface and more symmetric cross-sectional profile. In contrast to conventional welds, welds produced by single-sided ultrasonic-assisted gas metal arc welding show no obvious oxide inclusions and a reduced tendency for columnar grain growth. In a single tensile test for each welding condition, the measured tensile strength was 552 MPa for conventional welding and 575 MPa for single-sided ultrasonic-assisted gas metal arc welding. These tensile results should be interpreted as indicative trends and require replication to assess scatter and statistical significance. Furthermore, single-sided ultrasonic-assisted gas metal arc welding is associated with lower welding residual stresses, with peak stress values reduced by up to 36.23% along the longitudinal path. This technique provides an engineering reference for improving weld-quality consistency during the double-sided welding of Q355 thin plates without altering the welding specifications.
Full article
(This article belongs to the Section Welding and Joining)
►▼
Show Figures

Figure 1
Open AccessArticle
Comparison of Microstructure and Fatigue Life of Laser Powder Bed Fusion and Forging/Rolling Inconel 718 Alloy After Solution Heat Treatment and Double Aging
by
Rafael Eringer Cubi, Rodolfo Luiz Prazeres Gonçalves, Marcos Massi, Gleicy de Lima Xavier Ribeiro, Luis Reis and Antonio Augusto Couto
Metals 2026, 16(1), 57; https://doi.org/10.3390/met16010057 - 1 Jan 2026
Abstract
Nickel superalloy Inconel 718 (IN718) is widely employed in harsh environments with prolonged cyclic stresses in the aerospace and energy sectors, due to its corrosion/oxidation resistance and mechanical strength obtained by precipitation hardening. This work investigates the mechanical behavior in fatigue of IN718
[...] Read more.
Nickel superalloy Inconel 718 (IN718) is widely employed in harsh environments with prolonged cyclic stresses in the aerospace and energy sectors, due to its corrosion/oxidation resistance and mechanical strength obtained by precipitation hardening. This work investigates the mechanical behavior in fatigue of IN718 manufactured by Additive Manufacturing (AM), specifically by Laser Powder Bed Fusion (PBF-LB), and compares its results with the material produced by forging and rolling. Samples from both processes were subjected to heat treatments of solution and double aging to increase their mechanical strength. Then, tensile, microhardness, microstructural characterization, and uniaxial fatigue tests were performed (with loading ratio R = −1). The results showed that, although the IN718 produced by AM had higher microhardness and a higher tensile strength limit than the forged and rolled material, its fatigue performance was lower. The S–N curve (stress vs. number of cycles) for the material obtained by PBF-LB demonstrated shorter fatigue life, especially under low and medium stresses. The analysis of the fracture surfaces revealed differences in the regions where the crack initiated and propagated. The shorter fatigue life of the material obtained by PBF-LB was attributed to typical process defects and microstructural differences, such as the shape of the grains, which act as points of crack nucleation.
Full article
(This article belongs to the Special Issue Research on Fabrication Technologies and Service Performance of Metal Materials in Additive Manufacturing)
►▼
Show Figures

Figure 1
Open AccessArticle
First-Principles Study on the Effect of Si Atoms on the Stability and Bonding Properties of Fe/Zn Interface
by
Degao Qiao, Peng Peng, Xingchang Tang, Junqiang Ren, Xuefeng Lu and Jie Sheng
Metals 2026, 16(1), 56; https://doi.org/10.3390/met16010056 - 1 Jan 2026
Abstract
►▼
Show Figures
The stability of the Fe/Zn interface during the hot-dip galvanizing process critically influences the coating’s quality and service performance. In this investigation, the impact of silicon atom positioning on the stability, bonding strength, and electronic structure of the Fe/Zn interface was systematically examined
[...] Read more.
The stability of the Fe/Zn interface during the hot-dip galvanizing process critically influences the coating’s quality and service performance. In this investigation, the impact of silicon atom positioning on the stability, bonding strength, and electronic structure of the Fe/Zn interface was systematically examined through first-principles calculations grounded in density functional theory, employing the CASTEP software and the GGA-PBE functional. By constructing the FeSi and ZnSi disordered solid solution models, low-energy stable configurations were selected, and 24 ZnSi/FeSi interface models (misfit < 5%) were further established. The interfacial adhesion work, interfacial energy, and electronic structure parameters were systematically calculated. The findings indicate that the position of Si atoms significantly affects interface stability, with Si atoms located on the Zn side exerting a more pronounced influence than those on the Fe side. The interfacial stability is optimal when the Si on the Fe side is far away from the interface and the Si on the Zn side is located at the interface. Notably, the S11Z32 model exhibited the highest adhesion work (4.763 J/m2) and the lowest interface energy (0.022 J/m2). This study elucidates the regulatory role of Si atoms in stabilizing the Fe/Zn interface and provides a theoretical foundation for optimizing the hot-dip galvanizing process and guiding the design of novel materials.
Full article

Figure 1
Open AccessArticle
Effect of Single-Pass DSR and Post-Annealing on the Static Recrystallization and Formability of Mg-Based Alloys
by
Christopher Hale, Zhigang Xu, Prithu Dhar, Svitlana Fialkova and Jagannathan Sankar
Metals 2026, 16(1), 55; https://doi.org/10.3390/met16010055 - 1 Jan 2026
Abstract
Differential speed rolling (DSR) has been recognized as a unique processing technique in recent years, which has been used to plastically deform Mg-based alloys and to investigate the role of dynamic recrystallization (DRX) and its influence on both microstructure and mechanical properties. In
[...] Read more.
Differential speed rolling (DSR) has been recognized as a unique processing technique in recent years, which has been used to plastically deform Mg-based alloys and to investigate the role of dynamic recrystallization (DRX) and its influence on both microstructure and mechanical properties. In this study, Mg–2Al–0.5Ca–0.5Mn (AXM20504) was solution-heat-treated (T4 condition) and subjected to single-pass DSR at both 20 and 40% thickness reductions, followed by post-annealing at temperatures of 350, 400, and 450 °C for the durations of 20, 40, and 60 min to evaluate the onset and development of static recrystallization (SRX) and its overall effect on the formability of Mg-based alloys. The results demonstrate how post-annealing yields nearly complete SRX at 400 °C for 60 min and 450 °C for 40 min with a significant improvement in ductility, increasing from 5% to 12% while maintaining an average tensile strength above 200 MPa. Thus, the improvement in mechanical properties demonstrates that post-annealing can deliver significant potential in terms of the enhanced formability of Mg alloys used in sheet metal forming applications.
Full article
(This article belongs to the Special Issue Light Alloy and Its Application (3rd Edition))
►▼
Show Figures

Graphical abstract
Open AccessArticle
On the Effect of Cooling Rate and Input Parameters on the Results of Thermal Analysis of Al-7.5%Si Alloys Continuously Cooled in Test Cups
by
Doru Michael Stefanescu, EungSu Kweon, DongHoon Roh, DongYoon Kang and HuiChan Kim
Metals 2026, 16(1), 54; https://doi.org/10.3390/met16010054 - 1 Jan 2026
Abstract
The paper presents a follow-up on the subject of the use of thermal analysis for the generation of fraction solid evolution in cast alloys, particularly in aluminum—silicon alloys. It discusses in detail the importance of correctly determining the characteristic temperatures of the cooling
[...] Read more.
The paper presents a follow-up on the subject of the use of thermal analysis for the generation of fraction solid evolution in cast alloys, particularly in aluminum—silicon alloys. It discusses in detail the importance of correctly determining the characteristic temperatures of the cooling curve, including the beginning of solidification, the eutectic temperature, and the end of solidification. It demonstrates the importance of the smoothing techniques applied to the experimentally recorded temperature (cooling curve). Newtonian and Fourier analyses are used to generate the evolution of fraction of solid and the latent heat on cups of different diameters, to assess the effect of cooling rate for Al-7.5%Si alloys. Calculation results are compared with the literature data. It was found that the maximum temperature of the alloy in the cup affected the overall results.
Full article
(This article belongs to the Special Issue Solidification and Casting of Light Alloys)
►▼
Show Figures

Figure 1
Open AccessArticle
W-Re/Cr Cosegregation Enhanced Thermodynamic Stability and Cohesion of the γ-Ni/γ′-Ni3Al Phase Boundary
by
Liang Peng, Hong-Tao Xue, Fawaz Alnoman Mohammed Ahmed, Jun-Qiang Ren, Fu-Ling Tang, Xue-Feng Lu and Jun-Chen Li
Metals 2026, 16(1), 53; https://doi.org/10.3390/met16010053 - 31 Dec 2025
Abstract
►▼
Show Figures
The thermodynamic instability and relatively low mechanical strength of γ/γ′ phase boundaries in Ni-based single-crystal superalloys compromise the service safety of these materials. The interfacial segregation behavior of alloying elements is expected to enhance the thermodynamic stability and mechanical strength of γ/γ′ phase
[...] Read more.
The thermodynamic instability and relatively low mechanical strength of γ/γ′ phase boundaries in Ni-based single-crystal superalloys compromise the service safety of these materials. The interfacial segregation behavior of alloying elements is expected to enhance the thermodynamic stability and mechanical strength of γ/γ′ phase boundaries. In the present research, first-principles computations grounded in density functional theory were performed to examine the unclarified cosegregation characteristics of W-Re/Cr solutes at the γ-Ni/γ′-Ni3Al phase boundary, as well as the impacts of such cosegregation on interfacial formation heat and Griffith fracture work. The results indicated that Re and Cr atoms tend to segregate preferentially at the γ-L1-3.52-cp site within the W-alloyed phase boundary. This phenomenon can be attributed to the attractive interactions between W and Re/Cr, along with the fact that this site exhibits the most negative segregation energy. The thermodynamic stability of W-Re and W-Cr cosegregated phase boundaries is significantly enhanced, being much higher than that of clean or W-segregated phase boundaries, which is ascribed to deeper pseudogaps at the Fermi level. Notably, the preferred fracture path remains in region-1 after cosegregation, as directly evidenced by its lower Griffith fracture work compared to region-2. This disparity is rationalized by charge density analysis, which reveals a pronounced charge accumulation and consequently stronger bonding in region-2. Our results may provide atomistic insights into the solute cosegregation behaviors and their interfacial strengthening and stabilizing effects, and also the interfacial composition manipulation of Ni-based single-crystal superalloys.
Full article

Figure 1
Open AccessArticle
Optimization of Synergistic Reduction of Copper Smelting Slag and Chromite for Production of Cu-Cr-Fe Master Alloys
by
Yaoan Xi, Yi Qu, Sui Xie, Jinfa Liao and Baojun Zhao
Metals 2026, 16(1), 52; https://doi.org/10.3390/met16010052 - 31 Dec 2025
Abstract
Cu and Cr are the essential alloying elements for low-Ni stainless steels. An effective and economical method has been developed for the direct production of Cu-Cr-Fe master alloys through the synergistic reduction of chromite and copper smelting slag. The smelting conditions for synergy
[...] Read more.
Cu and Cr are the essential alloying elements for low-Ni stainless steels. An effective and economical method has been developed for the direct production of Cu-Cr-Fe master alloys through the synergistic reduction of chromite and copper smelting slag. The smelting conditions for synergy reduction were systematically investigated by combining thermodynamic calculations and high-temperature experiments. The results indicate that synergistic reduction drives the reactions of Cr2O3, FeO, and Cu2O with carbon in a positive direction, which can increase their recovery and decrease the flux and fuel costs. The optimum slag composition was identified to control the (CaO + MgO)/(SiO2 + Al2O3) ratio between 0.62 and 0.72, where the slag is fully liquid, resulting in an efficient separation of the alloy from the slag. At 1550 °C, with 50 wt% chromite and 50 wt% copper smelting slag as raw materials, a Cu-Cr-Fe alloy containing 5.2 wt% Cu, 28.6 wt% Cr and 57.9 wt% Fe was produced, while the contents of FeO, Cu2O, and Cr2O3 in the final slag were 0.057 wt%, 0.059 wt%, and 0.23 wt%, respectively.
Full article
(This article belongs to the Special Issue Efficient Utilization of Metal Mineral Resources and Low-Carbon Metallurgy)
►▼
Show Figures

Figure 1
Open AccessArticle
Effect of Ultrasonic Surface Rolling Step Size on the Wear and Corrosion Behavior of Shot-Peened Cr8 Steel
by
Chen Liang, Huan Yan, Yujing Yin, Honglei Hu and Lei Li
Metals 2026, 16(1), 51; https://doi.org/10.3390/met16010051 - 31 Dec 2025
Abstract
►▼
Show Figures
Cr8 steel should be Steel containing ~8 wt.% of chromium is widely used in demanding die applications due to its excellent wear resistance; however, conventional shot peening, while enhancing strength, inevitably increases surface roughness, thereby compromising overall performance. To address this limitation, this
[...] Read more.
Cr8 steel should be Steel containing ~8 wt.% of chromium is widely used in demanding die applications due to its excellent wear resistance; however, conventional shot peening, while enhancing strength, inevitably increases surface roughness, thereby compromising overall performance. To address this limitation, this study systematically investigates the influence of ultrasonic surface rolling (USR) step size—comparing 0.06 mm and 0.12 mm—on mitigating surface degradation and improving surface integrity. Friction wear and electrochemical corrosion tests demonstrate that USR effectively reduces surface roughness and enhances microhardness. The 0.06 mm step size achieves superior results, yielding the lowest surface roughness (0.8317 μm), highest microhardness (647.47 HV), lowest friction coefficient (0.655), and optimal corrosion resistance (minimum corrosion rate reduction: 3.472 µA·cm−2, corresponding to an inhibition efficiency of 37.05%). These performance improvements are attributed to the synergistic effects of surface smoothing and work hardening, resulting from more uniform processing achieved under a smaller step size. Consequently, a 0.06 mm step size is determined to be optimal, establishing the integrated shot peening–USR process as a highly effective strategy for enhancing surface properties and extending the service life of critical Cr8 steel components in industrial applications.
Full article

Figure 1
Open AccessFeature PaperArticle
Effect of Carbon Addition on Mechanical and Corrosion Properties of CoCrFeNiMn High-Entropy Alloy
by
Huiling Zhou, Hongqun Liu, Ji Li, Chengtao Li, Haokun Yang and Yanxin Qiao
Metals 2026, 16(1), 50; https://doi.org/10.3390/met16010050 - 30 Dec 2025
Abstract
The CoCrFeNiMn High-Entropy Alloy (HEA) with 0, 0.5 and 1.0 at.% Carbon (C) addition has been evaluated by mechanical and corrosion testing, including tensile, wear and corrosion resistance testings. The result shows that the medium of 0.5 at.% C addition into HEA brings
[...] Read more.
The CoCrFeNiMn High-Entropy Alloy (HEA) with 0, 0.5 and 1.0 at.% Carbon (C) addition has been evaluated by mechanical and corrosion testing, including tensile, wear and corrosion resistance testings. The result shows that the medium of 0.5 at.% C addition into HEA brings higher tensile toughness with 27,213.6 MPa%, less wear damage (0.37 mm3) and superior thermodynamic stability (0.73 VSCE), compared with that of the other two compositions. The tensile fracture observation points out that the high C addition embrittles the HEA with poorer toughness and wear resistance with content increasing to 1.0 at.%. The HEA material with 0.5 at.% C addition has high corrosion potential and the lowest corrosion current density, indicating that the appropriate C-alloying plays a significant role in determining the corrosion properties of HEA. The current study shall provide meaningful instruction for high-performance C-alloyed HEA development.
Full article
(This article belongs to the Special Issue Progress in Advanced High-Entropy Alloy Design and Applications: Microstructures, Mechanical, Electrochemical and Tribological Properties)
►▼
Show Figures

Figure 1
Open AccessReview
Joining Technologies and Extended Producer Responsibility: A Review on Sustainability and End-of-Life Management of Metal Structures
by
Mariasofia Parisi and Guido Di Bella
Metals 2026, 16(1), 49; https://doi.org/10.3390/met16010049 - 30 Dec 2025
Abstract
Joining technologies play a decisive role in the sustainability, circularity, and end-of-life performance of metal structures. Despite the increasing emphasis on low-impact manufacturing and Extended Producer Responsibility (EPR), the connection between joining methods and producers’ environmental obligations remains underexplored. This review provides a
[...] Read more.
Joining technologies play a decisive role in the sustainability, circularity, and end-of-life performance of metal structures. Despite the increasing emphasis on low-impact manufacturing and Extended Producer Responsibility (EPR), the connection between joining methods and producers’ environmental obligations remains underexplored. This review provides a comprehensive assessment of conventional and emerging techniques, including fusion welding, solid-state welding, mechanical fastening, adhesive bonding, and hybrid and AM-assisted processes, examining how each technology influences material efficiency, durability, repairability, disassembly, and recyclability. Particular attention is devoted to the effects of joint characteristics on life-cycle impacts, waste generation, and the technical and economic feasibility of high-quality material recovery, using recent LCA evidence and industrial case studies from automotive, shipbuilding, aerospace, and consumer products. Building on this analysis, the review proposes qualitative checklists and semi-quantitative scoring schemes to compare joining options under EPR-relevant criteria and to identify best- and worst-case design scenarios. Finally, promising research directions are outlined, including reversible and debond-on-demand solutions, low-energy solid-state routes, joining strategies for multi-material yet recyclable structures, and the integration of digital twins and LCA-informed design tools, offering a roadmap for metal structures that align technical performance with EPR-driven end-of-life management.
Full article
(This article belongs to the Section Welding and Joining)
►▼
Show Figures

Figure 1
Open AccessArticle
Effect of Laser Power on Residual Stress in Bottom-Locking Welded Joints Between TC4 and TA18 Titanium Alloys: Numerical Modeling and Experiments
by
Ming Cao, Denggao Liu, Xiangyu Zhou, Wenqin Wang, Yanjun Wang, Chaohua Zhang and Xianfeng Xiao
Metals 2026, 16(1), 48; https://doi.org/10.3390/met16010048 - 30 Dec 2025
Abstract
In aerospace manufacturing, laser welding of TC4/TA18 dissimilar titanium alloys in bottom-locking configurations is essential for lightweight design, yet the residual stress behavior of such joints remains insufficiently understood. This study systematically examines the influence of laser power on residual stress distribution in
[...] Read more.
In aerospace manufacturing, laser welding of TC4/TA18 dissimilar titanium alloys in bottom-locking configurations is essential for lightweight design, yet the residual stress behavior of such joints remains insufficiently understood. This study systematically examines the influence of laser power on residual stress distribution in laser-welded TC4/TA18 bottom-locking tubular joints. Welded specimens were fabricated at three distinct laser power levels (600 W, 800 W, and 1000 W). Experimental characterization included macroscopic morphology analysis and residual stress measurement using the blind-hole drilling method, among other techniques. Concurrently, a three-dimensional thermo-elastic-plastic finite element model was established based on ABAQUS 2022 to simulate the transient temperature field and stress–strain field during the welding process. The results indicate that due to the differences in thermophysical properties between the two titanium alloys and the wall thickness effect, both the temperature field and residual stress distribution of the TC4/TA18 dissimilar titanium alloy bottom-locking joints exhibit significant asymmetry. Laser power exerts a selective influence on the residual stress field: within the parameter range of this study, increasing laser power can significantly reduce the peak hoop stress of TA18 thin-walled tubes and TC4 thick-walled tubes, as well as the peak axial stress of TC4 thick-walled tubes, while remarkably increasing the peak axial stress of TA18 thin-walled tubes. The numerical simulation results are in good agreement with the experimental data, verifying that the established finite element model is an effective tool for predicting welding outcomes.
Full article
(This article belongs to the Special Issue Properties and Residual Stresses of Welded Alloys)
►▼
Show Figures

Figure 1
Open AccessArticle
Comprehensive Failure Mechanisms of Industrial Mo–W Hot-Work Steel Dies in Hot Stamping: Microstructural Degradation, Reaction-Layer Evolution, and Synergistic Wear Behavior
by
Hubiao Wang, Xun Liu, Jiashuai Du, Hongyu Wang and Xuechang Zhang
Metals 2026, 16(1), 47; https://doi.org/10.3390/met16010047 - 30 Dec 2025
Abstract
Hot stamping dies fabricated from Mo–W hot-work steels are exposed to severe thermo-mechanical fatigue (TMF), high-temperature oxidation, and complex tribological loading, which collectively accelerate die degradation and reduce production stability. Although individual failure modes have been reported, an integrated understanding linking microstructural evolution,
[...] Read more.
Hot stamping dies fabricated from Mo–W hot-work steels are exposed to severe thermo-mechanical fatigue (TMF), high-temperature oxidation, and complex tribological loading, which collectively accelerate die degradation and reduce production stability. Although individual failure modes have been reported, an integrated understanding linking microstructural evolution, interfacial reactions, and wear mechanisms remains limited. A failed Mo–W hot-work steel die removed from an industrial B-pillar hot stamping line was examined using Rockwell hardness mapping, optical microscopy, scanning electron microscopy (SEM), energy-dispersive X-ray spectroscopy (EDS), and X-ray diffraction (XRD) with Williamson–Hall (W–H) microstrain analysis. Surface (0–2 mm) and subsurface (~8 mm) regions of 10 × 10 × 10 mm samples were compared. Pits, cracks, reaction layers, and debris were quantified from calibrated SEM images. A 17% hardness reduction from surface (46.2 HRC) to subsurface (37.6 HRC) revealed pronounced TMF-induced softening. W–H analysis indicated microstrain of ~0.0021 and crystallite sizes of 50–80 nm in the surface region, reflecting high dislocation density. SEM/EDS showed pit diameters of 150–600 μm, reaction-layer thicknesses of 15–40 μm, and crack lengths of 40–150 μm. Fe–O oxides, Fe–Al intermetallics, and FeSiAl4 reaction phases were identified as major constituents of brittle surface layers and debris. Wear morphology confirmed a mixed mode of adhesive galling and oxide-assisted abrasive plowing.
Full article
(This article belongs to the Special Issue Advances in the Fatigue and Fracture Behaviour of Metallic Materials)
►▼
Show Figures

Figure 1
Journal Menu
► ▼ Journal Menu-
- Metals Home
- Aims & Scope
- Editorial Board
- Reviewer Board
- Topical Advisory Panel
- Photography Exhibition
- Instructions for Authors
- Special Issues
- Topics
- Sections
- Article Processing Charge
- Indexing & Archiving
- Editor’s Choice Articles
- Most Cited & Viewed
- Journal Statistics
- Journal History
- Journal Awards
- Society Collaborations
- Conferences
- Editorial Office
Journal Browser
► ▼ Journal BrowserHighly Accessed Articles
Latest Books
E-Mail Alert
News
Topics
Topic in
JFB, Materials, Metals, Nanomanufacturing, Nanomaterials
Physical Methods for the Synthesis of Materials and Their Applications
Topic Editors: Vincenzo Amendola, Gregory GuisbiersDeadline: 31 March 2026
Topic in
Applied Sciences, Buildings, Construction Materials, CMD, Materials, Metals
Construction Materials: Corrosion, Prevention and Protection
Topic Editors: Sergio Lorenzi, Marco OrmelleseDeadline: 1 May 2026
Topic in
Analytica, Metals, Molecules, Processes, Separations
Advances in Solvent Extraction
Topic Editors: Guoquan Zhang, Weizao LiuDeadline: 31 May 2026
Topic in
Applied Mechanics, Applied Sciences, Materials, Polymers, Solids, Metals
Multi-scale Modeling and Optimisation of Materials
Topic Editors: Mustafa Awd, Frank WaltherDeadline: 31 August 2026
Conferences
Special Issues
Special Issue in
Metals
Tungsten and Tungsten Alloys
Guest Editor: Andrey M. LitnovskyDeadline: 10 January 2026
Special Issue in
Metals
Recent Advances in the Recycling and Reuse of Metallurgical Wastes and By-Products
Guest Editors: Valentina Colla, Ismael MatinoDeadline: 15 January 2026
Special Issue in
Metals
Recent Advances in Metal Ion Separation
Guest Editors: Maja Branko Đolić, Mirjana ĆujićDeadline: 15 January 2026
Special Issue in
Metals
Microstructure and Mechanical Behavior of High-Strength Steel
Guest Editor: Gang NiuDeadline: 20 January 2026






