Journal Description
Alloys
Alloys
is an international, peer-reviewed, open access journal on all aspects of alloys science and engineering, published quarterly online by MDPI.
- Open Access— free for readers, with article processing charges (APC) paid by authors or their institutions.
- High Visibility: indexed within Scopus and other databases.
- Journal Rank: CiteScore - Q2 (Metals and Alloys)
- Rapid Publication: manuscripts are peer-reviewed and a first decision is provided to authors approximately 19.1 days after submission; acceptance to publication is undertaken in 3.8 days (median values for papers published in this journal in the second half of 2025).
- Recognition of Reviewers: APC discount vouchers, optional signed peer review, and reviewer names published annually in the journal.
- Alloys is a companion journal of Metals.
Latest Articles
Investigation of Wear Behavior and LSTM-Based Friction Prediction in Cr/Nanodiamond-Coated Al10Cu Alloys
Alloys 2026, 5(1), 8; https://doi.org/10.3390/alloys5010008 - 23 Mar 2026
Abstract
►
Show Figures
Cr-based composite coatings with superior wear resistance are in growing demand for high-performance applications in the automotive, aerospace, and general manufacturing sectors. In this study, an Al10Cu alloy produced via powder metallurgy was coated with a chromium/nanodiamond (Cr/ND) composite layer using an electrodeposition
[...] Read more.
Cr-based composite coatings with superior wear resistance are in growing demand for high-performance applications in the automotive, aerospace, and general manufacturing sectors. In this study, an Al10Cu alloy produced via powder metallurgy was coated with a chromium/nanodiamond (Cr/ND) composite layer using an electrodeposition process to enhance its tribological performance. The coatings were characterized using scanning electron microscopy, energy-dispersive X-ray spectroscopy, and X-ray diffraction. The resulting Cr/ND layer exhibited a uniform thickness of 73.5–76.2 μm and markedly improved surface hardness (809.4 HV), representing a 15-fold increase over the uncoated alloy (53.6 HV). Pin-on-disk tribological testing under dry sliding conditions showed complete elimination of detectable mass loss (0.00 mg vs. 0.55 mg for uncoated) within the measurement system resolution, indicating excellent resistance to both abrasive and adhesive wear. XRD analysis revealed the formation of a hexagonal close-packed Cr2H phase with incorporated nanodiamond particles. To capture and predict the temporal evolution of the friction coefficient, a customized dual-layer long short-term memory neural network—optimized with a look-back window of 3 timesteps and ReLU-activated dense layers—was implemented. The model achieved superior predictive performance on the coated system, with validation and test R2 values of 0.9973 and 0.9965, respectively, demonstrating enhanced modeling accuracy for surface-engineered materials. These findings demonstrate a significant advancement in wear protection for aluminum alloys and introduce a robust data-driven approach for real-time friction prediction in engineered surfaces.
Full article
Open AccessReview
Machine Learning for Alloy Design: A Property-Oriented Review
by
Shamim Pourrahimi and Soroosh Hakimian
Alloys 2026, 5(1), 7; https://doi.org/10.3390/alloys5010007 - 6 Mar 2026
Abstract
Machine learning (ML) is becoming an established part of alloy research, offering new ways to link composition, processing routes, and microstructure with measured properties. In this work, recent studies using ML for predicting or optimizing alloy behavior are reviewed, covering mechanical, corrosion, phase-related,
[...] Read more.
Machine learning (ML) is becoming an established part of alloy research, offering new ways to link composition, processing routes, and microstructure with measured properties. In this work, recent studies using ML for predicting or optimizing alloy behavior are reviewed, covering mechanical, corrosion, phase-related, and physical properties. Unlike previous reviews organized by alloy system or modeling approach, this review is structured by target property (mechanical, corrosion, phase/structure, and physical), which helps identify the input features commonly used to model each property and highlights existing gaps in data and validation. For each study, the main property of interest, dataset features, model type, algorithm choice, use of hyperparameter tuning, and validation strategy were examined. Comparing these reports shows that ensemble models such as random forest and XGBoost, together with deep neural networks, usually perform better than linear approaches. At the same time, issues related to small datasets and inconsistent reporting remain major challenges. Attention is also drawn to new directions, particularly physics-based learning and multi-objective optimization, that are changing how ML is applied in materials design. Overall, this review summarizes current practices and outlines areas where closer integration of data-driven and experimental methods could accelerate the development of next-generation alloys.
Full article
(This article belongs to the Topic Microstructure and Properties in Metals and Alloys, 3rd Volume)
►▼
Show Figures

Figure 1
Open AccessArticle
Evaluation of the Damage Value of Steel Alloys Using a CDM Model
by
Y. S. Upadhyaya, Afham Ahmad and Vishwanath Madagali
Alloys 2026, 5(1), 6; https://doi.org/10.3390/alloys5010006 - 3 Mar 2026
Abstract
►▼
Show Figures
Damage is a phenomenon experienced when a material is subjected to external factors such as load and temperature. Damage is quantified through the damage value of a material, and its value typically ranges from 0 to 1, with 1 indicating complete damage. The
[...] Read more.
Damage is a phenomenon experienced when a material is subjected to external factors such as load and temperature. Damage is quantified through the damage value of a material, and its value typically ranges from 0 to 1, with 1 indicating complete damage. The damage value in this context primarily refers to the crack initiation condition, indicating failure. The damage value corresponding to this condition is referred to as critical damage. However, most materials tend to fail at a critical damage value of less than one. Researchers have developed different models to evaluate damage, and some of the prominent models are Lemaitre, Rice & Tracy, Gurson, and Bhattacharya & Ellingwood. This study uses the Bhattacharya & Ellingwood model to evaluate the damage value of 113 selected steel materials that play crucial roles in aerospace, automobile, and other industrial applications. This model uses monotonic properties of the material as the input and estimates the critical damage value (Dc). The study revealed that, for steel materials, the Dc value generally ranges from 0.1 to 0.7. This study highlights the variation in damage with plastic strain under monotonic loading, and this helps to quickly select a specific material when the damage criterion is crack initiation.
Full article

Figure 1
Open AccessArticle
A Study on the Bead Formation and Molten Pool Dynamics in Selective Arc Melting Additive Manufacturing of Inconel 718 and TiC/Inconel 718 Composite via High-Speed Photography
by
Weiran Xie, Xiaoming Duan and Xiaodong Yang
Alloys 2026, 5(1), 5; https://doi.org/10.3390/alloys5010005 - 27 Feb 2026
Abstract
In metal additive manufacturing, the molten pool directly influences the performance of the fabricated components. Therefore, a comprehensive understanding of the molten pool behavior is essential for improving the quality of the parts and mitigating the formation of defects. Selective arc melting (SAM)
[...] Read more.
In metal additive manufacturing, the molten pool directly influences the performance of the fabricated components. Therefore, a comprehensive understanding of the molten pool behavior is essential for improving the quality of the parts and mitigating the formation of defects. Selective arc melting (SAM) is a promising additive manufacturing method for fabricating metal matrix composites. However, the melting and solidification process of the powder layer under the arc heat source remains unrevealed. This study aims to elucidate the formation mechanisms of surface morphology during SAM processing and the influence of carbide addition on the melting and solidification behavior of Inconel 718 powder. In this study, thin-walled parts of Inconel 718 and TiC/Inconel 718 composite were fabricated and their microstructures were studied. The melting and solidification behavior of Inconel 718 and TiC/Inconel 718 composite during single-track single-layer deposition was investigated using high-speed photography. Focusing on the differences in the sidewall surface morphology of the Inconel 718 and TiC/Inconel 718 composite parts, the edge feature formation of the deposition track of both materials was studied. Furthermore, the formation mechanism of the differences in forming height at different positions of the deposition track was explored. The results indicate that the melted material in the molten pool of Inconel 718 mainly comes from the mass transport of the beads generated around the molten pool, while the liquid material in the molten pool of TiC/Inconel 718 composite mainly comes from the in situ powder melted under the arc center. During the melting process of Inconel 718 powder, beads at the edge of the heating area come into contact with the boundary of the molten pool and solidify in situ, forming protrusion features. The randomness in the bead size leads to different volumes of molten material at different positions within the same time, thereby causing variations in building height.
Full article
(This article belongs to the Collection Feature Paper Collection on Solidification, Deformation, and Mechanical Properties of Alloys)
►▼
Show Figures

Graphical abstract
Open AccessArticle
The Experimental Determination of Parameters for the Modeling of the Stamping Process of AA6005C Aluminum Alloy
by
Luiza Emília Vila Nova Mazzoni, Fernanda Mariano Pereira, Estefani Alves da Silva Calabria, Luca de Paulo Ferreira, Alfredo Rocha de Faria, Tamires de Souza Nossa and Kahl Dick Zilnyk
Alloys 2026, 5(1), 4; https://doi.org/10.3390/alloys5010004 - 15 Feb 2026
Abstract
►▼
Show Figures
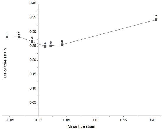
This study provides the first complete and experimentally validated Yoshida–Uemori (Y–U) parameter set for AA6005C aluminum alloy, enabling accurate constitutive modeling for stamping simulations. A comprehensive set of mechanical tests was conducted, comprising uniaxial tensile tests along 0°, 45°, and 90° to the
[...] Read more.
This study provides the first complete and experimentally validated Yoshida–Uemori (Y–U) parameter set for AA6005C aluminum alloy, enabling accurate constitutive modeling for stamping simulations. A comprehensive set of mechanical tests was conducted, comprising uniaxial tensile tests along 0°, 45°, and 90° to the rolling direction, hydraulic bulge tests, Nakajima tests for the forming limit curve (FLC), and cyclic tension-compression experiments. Results showed moderate planar anisotropy with R-values of 0.49–0.90, equi-biaxial yield stress around 105 MPa, and plane-strain FLC0 ≈ 0.25, typical for 6xxx-series alloys. The cyclic tests highlighted a strong Bauschinger effect and transient softening, which allowed precise calibration of the Yoshida-Uemori (Y-U) model. The resulting material parameters were validated using a U-bending case study, in which the predicted springback angle differed by only 2°, confirming the transferability of the calibrated model to forming conditions not used during parameter identification. The dataset generated in this work provides a robust foundation for finite element simulations of the AA6005C stamping processes and constitutes a practical reference for industrial implementation.
Full article

Figure 1
Open AccessReview
Compositional Design of High-Entropy Alloys: Advances in Structural and Hydrogen Storage Materials
by
Shaopeng Wu, Dongxin Wang, Nairan Wang, Xiaobo Ma, Zhongxiong Xu, Le Li, Mingda Han and Cheng Zhang
Alloys 2026, 5(1), 3; https://doi.org/10.3390/alloys5010003 - 7 Jan 2026
Cited by 1
Abstract
High-entropy alloys (HEAs) present a vast compositional design space, characterized by four core effects—high configurational entropy, sluggish diffusion, severe lattice distortion, and the cocktail effect—which collectively underpin their exceptional potential for both structural and hydrogen storage applications. This mini-review synthesizes recent advances in
[...] Read more.
High-entropy alloys (HEAs) present a vast compositional design space, characterized by four core effects—high configurational entropy, sluggish diffusion, severe lattice distortion, and the cocktail effect—which collectively underpin their exceptional potential for both structural and hydrogen storage applications. This mini-review synthesizes recent advances in the compositional design of HEAs with emphasis on structural materials and hydrogen storage. Firstly, it provides an overview of the definition of HEAs and the roles of principal alloying elements, then synthesizes solid solution formation rules based on representative descriptors—atomic size mismatch, electronegativity difference, valence electron concentration, mixing enthalpy, and mixing entropy—together with their applicability limits and common failure scenarios. A brief introduction is provided to the preparation methods of arc melting and powder metallurgy, which have a strong interaction with the composition. The design–structure–property links are then consolidated for structural materials (mechanical properties) and for hydrogen storage materials (hydrogen storage performance). Furthermore, the rules for the combined design of control systems for HEAs and the associated challenges were further discussed, and the future development prospects of HEAs in structural materials and hydrogen storage were also envisioned.
Full article
(This article belongs to the Special Issue High-Entropy Alloys)
►▼
Show Figures

Graphical abstract
Open AccessArticle
A Novel Approach to Friction Extrusion of Aluminum Alloy 2024
by
Alexander Eliseev and Olga Novitskaya
Alloys 2026, 5(1), 2; https://doi.org/10.3390/alloys5010002 - 1 Jan 2026
Abstract
►▼
Show Figures
Friction extrusion technology was first developed and patented in 1991 at The Welding Institute, but it remained largely unexplored for many years. Over the past decade, this technology has gained popularity due to its ability to recycle chips and produce composite materials. Typically,
[...] Read more.
Friction extrusion technology was first developed and patented in 1991 at The Welding Institute, but it remained largely unexplored for many years. Over the past decade, this technology has gained popularity due to its ability to recycle chips and produce composite materials. Typically, in friction extrusion, the applied force and extrusion direction are opposite; this configuration is commonly referred to as reverse extrusion. Additionally, the tool feed rate is often used as a control parameter. However, this approach introduces technological challenges and results in a heterogeneous product structure. This paper proposes a novel friction extrusion method in which the applied force and extrusion direction are co-directional, and no tool is used. Moreover, a constant load is maintained throughout the extrusion process. Experimental results demonstrate that the proposed scheme is feasible and enables wire extrusion without macroscopic defects. Although the current efficiency is low and the maximum sample size achieved is 45 mm, the cross-sectional microhardness of the samples remains stable. The material strength reached approximately 90% of that of the initial 2024 aluminum alloy.
Full article

Figure 1
Open AccessArticle
DFT Calculation of the Electronic Properties of Cubic Ti3Sb Crystals with Adsorbed and/or Partially Substituted Nitrogen
by
Mirsalim M. Asadov, Solmaz N. Mustafaeva and Saida O. Mammadova
Alloys 2026, 5(1), 1; https://doi.org/10.3390/alloys5010001 - 24 Dec 2025
Abstract
►▼
Show Figures
Intermetallic alloys based on A15-type compounds, including cubic Ti3Sb, attract increasing interest due to their tunable electronic properties and potential for surface-related functional applications. Here, the interaction of nitrogen with Ti3Sb is systematically investigated using spin-polarized density functional theory
[...] Read more.
Intermetallic alloys based on A15-type compounds, including cubic Ti3Sb, attract increasing interest due to their tunable electronic properties and potential for surface-related functional applications. Here, the interaction of nitrogen with Ti3Sb is systematically investigated using spin-polarized density functional theory within the GGA-PBE approximation. Nitrogen adsorption was analyzed on the Ti3Sb (111), (100), and (110) surfaces by considering top, bridge, and hollow sites at different surface coverages. Low nitrogen coverage was found to minimize lateral adsorbate interactions, allowing reliable evaluation of single-atom adsorption energies. Among the studied configurations, nitrogen adsorption at the hollow site of the Ti3Sb (111) surface is energetically most favorable. In addition, partial substitution of Ti or Sb atoms by nitrogen in Ti3Sb supercells was examined to assess its effect on bulk electronic properties. Nitrogen incorporation leads to pronounced modifications of the electronic band structure, density of states, and local magnetic moments, with a strong dependence on crystallographic direction. The calculated results reveal distinct electronic anisotropies originating from direction-dependent band dispersion and associated effective carrier masses. These findings clarify the role of nitrogen in tailoring both surface and bulk electronic characteristics of Ti3Sb and provide a theoretical basis for the targeted design of A15-type intermetallic materials for sensing, catalytic, and energy-related applications.
Full article

Figure 1
Open AccessArticle
Directional Solidification of a Refractory Complex Concentrated Alloy (RCCA) Using Optical Floating Zone (OFZ) Solidification Processing: Implications for Alloy Design and Development
by
Nik Tankov, Claire Utton and Panos Tsakiropoulos
Alloys 2025, 4(4), 29; https://doi.org/10.3390/alloys4040029 - 18 Dec 2025
Abstract
Some cast metallic alloys for ultra-high-temperature structural applications can have better mechanical properties compared with Ni-based superalloys. Research on the directional solidification (DS) of such alloys is limited. The production of DS components of these alloys with “tailor-made” microstructures in different parts of
[...] Read more.
Some cast metallic alloys for ultra-high-temperature structural applications can have better mechanical properties compared with Ni-based superalloys. Research on the directional solidification (DS) of such alloys is limited. The production of DS components of these alloys with “tailor-made” microstructures in different parts of the component has not been considered. This paper attempts to address these issues. A bar of the RCCA/RM(Nb)IC with nominal composition 3.5Al–4Crc6Ge–1Hf–5Mo–36Nb–22Si–1.5Sn–20Ti–1W (at.%) was directionally grown using OFZ processing, where the growth rate R increased from 1.2 to 6 and then to 15 cm/h. The paper studies how the macrosegregation of the elements affected the microstructure in different parts of the bar. It was shown that the synergy of macrosegregation and growth rate produced microstructures from the edge to the centre of the OFZ bar and along the length of the OFZ bar that differed in type and chemical composition as R increased. Contamination with oxygen was confined to the “root” of the part of the bar that was grown with R = 1.2 cm/h. The concentrations of elements in the bar were related (a) to each of the parameters VEC, Δχ, and δ for different sections, (i) across the thickness and (ii) along the length of the bar, or to each other for different sections of the bar, and demonstrated the synergy and entanglement of processing, parameters, and elements. In the centre of the bar, the phases were the Nbss and Nb5Si3 for all R values. In the bar, the silicide formed with Nb/(Ti + Hf) less or greater than one. There was synergy of solutes in the solid solution and the silicide for all R values, and synergy and entanglement of the two phases. Owing to the synergy and entanglement of processing, parameters, elements, and phases, properties would “emerge” in each part of the bar. The creep and oxidation properties of the bar were calculated as guided by the alloy design methodology NICE. It was suggested that, in principle, a component based on a metallic UHTM with “functionally graded” composition, microstructure and properties could be directionally grown.
Full article
(This article belongs to the Collection Feature Paper Collection on Solidification, Deformation, and Mechanical Properties of Alloys)
►▼
Show Figures

Figure 1
Open AccessArticle
Structural, Mechanical and Corrosion Properties of AZ31 Alloy Produced by Electron-Beam Additive Manufacturing
by
Veronika Utyaganova, Alexey Goncharov, Andrey Sliva, Dmitry Shishkin, Boris Zotov, Leonid Fedorenko and Viktor Semin
Alloys 2025, 4(4), 28; https://doi.org/10.3390/alloys4040028 - 5 Dec 2025
Abstract
►▼
Show Figures
A thin-walled product made of AZ31 magnesium alloy was successfully fabricated using wire-feed electron-beam additive manufacturing. The microstructure of the initial wire, used as a precursor, comprises a α-Mg(Al, Zn) solid solution and a minor amount of the Al8Mn5 intermetallic
[...] Read more.
A thin-walled product made of AZ31 magnesium alloy was successfully fabricated using wire-feed electron-beam additive manufacturing. The microstructure of the initial wire, used as a precursor, comprises a α-Mg(Al, Zn) solid solution and a minor amount of the Al8Mn5 intermetallic phase. The microstructure of the as-printed AZ31 alloy exhibits a three-phase structure: α-Mg(Al, Zn), Al8Mn5, and β-Mg17Al12. It was proposed that the secondary β-phase was formed via a primary solidification process upon the cooling of the welded layers. The texture effect was evident in the <01 2> direction, corresponding to the printing direction, while other crystallographic orientations demonstrated near-equal pole densities as the XRD lines. The yield strength for the as-printed alloy was found to be 86 MPa; the tensile strength reached 240 MPa; and the relative elongation was 21.5%. For the first time, the corrosion resistance of an EBAM-fabricated AZ31 alloy was studied. It was revealed that the corrosion current density in the referenced as-cast and as-printed alloys was below 2·10−4 A/cm2.
Full article

Figure 1
Open AccessArticle
Dry Sliding Wear Behavior and Microstructural Characterization of Chromium-Coated Al10Cu Alloy
by
Mihail Kolev, Vladimir Petkov, Rumyana Lazarova, Veselin Petkov, Krasimir Kolev and Shaban Uzun
Alloys 2025, 4(4), 27; https://doi.org/10.3390/alloys4040027 - 3 Dec 2025
Abstract
Aluminum–copper alloys have garnered significant attention in modern engineering applications due to their exceptional strength-to-weight ratio, corrosion resistance, and thermal conductivity properties. This study investigates the tribological performance optimization of Al10Cu alloys through chromium coating deposition, focusing on coefficient of friction and mass
[...] Read more.
Aluminum–copper alloys have garnered significant attention in modern engineering applications due to their exceptional strength-to-weight ratio, corrosion resistance, and thermal conductivity properties. This study investigates the tribological performance optimization of Al10Cu alloys through chromium coating deposition, focusing on coefficient of friction and mass wear analysis in dry sliding conditions. Cr-coated Al10Cu alloys were fabricated through powder metallurgy and electrodeposition techniques, with comprehensive tribological characterization performed using scanning electron microscopy combined with energy-dispersive X-ray spectroscopy, X-ray diffraction analysis, microhardness measurements, and dry sliding wear testing. The chromium coating exhibited exceptional surface hardness of 720.9 HV, representing a remarkable 15-fold improvement over the uncoated Al10Cu matrix hardness. Tribological evaluation demonstrated outstanding wear resistance with the Cr-coated Al10Cu system achieving only 0.10 mg mass loss compared to 0.55 mg for the uncoated alloy, representing an exceptional 81.8% reduction in material removal. Despite a nominal increase in the coefficient of friction from 0.618 to 0.733, the chromium coating effectively transformed the wear mechanism from severe material removal to a controlled mild wear regime. The results establish the Cr-coated Al10Cu system as a highly effective solution for applications requiring extended operational lifespans under dry sliding conditions.
Full article
(This article belongs to the Collection Feature Paper Collection on Solidification, Deformation, and Mechanical Properties of Alloys)
►▼
Show Figures

Figure 1
Open AccessArticle
Reduction Kinetics of Vanadium-Titanium Magnetite Sinter When Shale Gas Is Injected into the Blast Furnace
by
Xudong Gao, Jian Chen and Yuelin Qin
Alloys 2025, 4(4), 26; https://doi.org/10.3390/alloys4040026 - 4 Nov 2025
Abstract
►▼
Show Figures
Although the composition of hearth gas in a blast furnace is still composed of CO, H2, and N2, after injecting shale gas, which replaces some pulverized coal, the proportion of CO, H2, and N2 in the
[...] Read more.
Although the composition of hearth gas in a blast furnace is still composed of CO, H2, and N2, after injecting shale gas, which replaces some pulverized coal, the proportion of CO, H2, and N2 in the hearth gas will change with the introduction of H2. Further, the reduction process of vanadium-titanium magnetite sinter (VTMS) will be significantly impacted. Hence, the energy–mass balance and replacement ratio model was used to calculate the composition of hearth gas under different injection conditions using production data from a VTM blast furnace in the Panxi area of China. In order to investigate how shale gas injection affects the reduction process, the weight loss rates of VTMS under various reduction atmospheres were obtained through a series of thermogravimetric experiments. Additionally, X-ray diffraction (XRD) analysis was performed on select reduced samples to determine the alterations in sinter phases before and after the reaction. The impact of shale gas injection on the reduction process of VTMS was analyzed by phase transformation and kinetic analysis. The results of the research show that the reduction process of VTMS is improved with the increase in shale gas injection. Using the ln-ln analytical method, the linear relationship between ln(−ln(1 − α)) and lnt under different cases was found. The reaction mechanism of VTMS under shale gas injection circumstances is characterized by random nucleation, which is subsequently followed by growth. The integration formula associated with its dynamic function is G(α) = [−ln(1 − α)]3/4.
Full article

Figure 1
Open AccessArticle
Structural and Phase Characteristics of LaNi5-Based Materials Modified with Ti, Mn, and Co
by
Arman Miniyazov, Mazhyn Skakov, Nuriya Mukhamedova, Igor Sokolov, Aisara Sabyrtayeva, Ospan Oken, Riza Zhakiya and Zhanna Ospanova
Alloys 2025, 4(4), 25; https://doi.org/10.3390/alloys4040025 - 4 Nov 2025
Cited by 2
Abstract
►▼
Show Figures
In this work, the results of the structural and phase state of LaNi5-based alloys modified with Ti, Mn, and Co elements, obtained by mechanical alloying and subsequent spark plasma sintering, are presented. X-ray diffraction analysis was carried out to determine the
[...] Read more.
In this work, the results of the structural and phase state of LaNi5-based alloys modified with Ti, Mn, and Co elements, obtained by mechanical alloying and subsequent spark plasma sintering, are presented. X-ray diffraction analysis was carried out to determine the phase composition, lattice parameters, microstrain, and average crystallite size, as well as to study the morphology and microstructure of the synthesized samples. It was established that the ball-to-powder ratio (BPR) and the milling speed affect the degree of intermetallic phase formation and the level of accumulated microstrains. The optimal mechanical alloying parameters make it possible to form the necessary precursor components for subsequent spark plasma sintering (SPS). It was determined that the SPS process effectively promotes the formation of intermetallic phases such as TiNi, LaNi4Mn, LaNi3Mn2, and LaNi4Co, ensuring high crystallinity and a reduction in defects accumulated during mechanical alloying. The morphology and microstructure of the samples with titanium, manganese, and cobalt additions showed that at the mechanical alloying stage, all systems are characterized by a dispersed and agglomerated structure, a wide particle size distribution, and a developed surface. After SPS, all series exhibited material consolidation and the formation of a dense matrix with distinct grain boundaries.
Full article

Figure 1
Open AccessArticle
Microstructural Inheritance in Thick Slabs of Low-Carbon Microalloyed Steel and Its Impact on the Quality of Heavy Plates
by
Andrei Filatov, Eugene Goli-Oglu, Vitaliy Naumenko and Alexander Kazarin
Alloys 2025, 4(4), 24; https://doi.org/10.3390/alloys4040024 - 23 Oct 2025
Abstract
►▼
Show Figures
The quality of heavy plates produced from low-carbon steel is directly linked to the structural characteristics inherited from the initial continuously cast thick slabs. This study explores how different casting technologies affect the morphology and distribution of allotriomorphic ferrite along prior austenite grain
[...] Read more.
The quality of heavy plates produced from low-carbon steel is directly linked to the structural characteristics inherited from the initial continuously cast thick slabs. This study explores how different casting technologies affect the morphology and distribution of allotriomorphic ferrite along prior austenite grain boundaries (PAGBs) within these slabs. Using quantitative microstructural analysis based on advanced computer vision techniques (OpenCV), the research identifies significant variations in ferrite boundary thickness and volume fraction associated with different casting methods. These microstructural differences strongly correlate with variations in Charpy V-notch impact energy (KVZ20) and susceptibility to microcrack formation during subsequent rolling processes. The results obtained allow us to evaluate the influence of the cast structure on the formation of the initial structural characteristics of the material, especially on the formation of microcracks of the slab microstructure and their propagation during further processing.
Full article

Figure 1
Open AccessArticle
Effect of the Cooling Rate on the Solidification Structure and Phase of a 2:17 Samarium–Cobalt Alloy
by
Zhi Zhu, Yikun Fang, Wei Wu and Bo Zhao
Alloys 2025, 4(4), 23; https://doi.org/10.3390/alloys4040023 - 21 Oct 2025
Cited by 2
Abstract
►▼
Show Figures
Understanding the way samarium–cobalt alloys solidify at varying cooling rates and the regularities in alloying element distribution is crucial for optimizing subsequent homogenization and annealing processes, leading to an enhancement in the overall quality of the product. The study investigates the effects of
[...] Read more.
Understanding the way samarium–cobalt alloys solidify at varying cooling rates and the regularities in alloying element distribution is crucial for optimizing subsequent homogenization and annealing processes, leading to an enhancement in the overall quality of the product. The study investigates the effects of rapid water-cooled copper mold (600 °C/min), medium-speed copper mold (100 °C/min), and slow furnace cooling (10 °C/min) on the microstructural evolution, element distribution, and phase transformation of samarium–cobalt (Sm-Co) alloys. The results of the research show that the phase transition temperatures obtained via differential scanning calorimetry (DSC) closely matched those observed in situ by high-temperature laser scanning confocal microscopy (HT-LSCM). Higher cooling rates resulted in notable dendritic refinement and reduced precipitate size. Elemental analysis revealed that Co and Fe exhibited negative segregation, whereas Sm, Cu, and Zr showed positive segregation, with segregation intensity increasing alongside the cooling rate. The principal phases identified included Cu-rich and Zr-rich constituents, the matrix phase, and a gray phase morphologically distinct from the matrix. These correspond to the (Sm, Co, Fe, Cu, Zr)5 phase, (Sm, Zr)(Co, Fe, Cu)3 phase, Sm2(Co, Fe, Cu, Zr)17 phase, and Sm(Co, Fe, Cu, Zr)7 phase. The phase constitution remained consistent across different cooling rates.
Full article

Figure 1
Open AccessArticle
Deep Learning-Driven Insights into Hardness and Electrical Conductivity of Low-Alloyed Copper Alloys
by
Mihail Kolev, Juliana Javorova, Tatiana Simeonova, Yasen Hadjitodorov and Boyko Krastev
Alloys 2025, 4(4), 22; https://doi.org/10.3390/alloys4040022 - 10 Oct 2025
Abstract
►▼
Show Figures
Understanding the intricate relationship between composition, processing conditions, and material properties is essential for optimizing Cu-based alloys. Machine learning offers a powerful tool for decoding these complex interactions, enabling more efficient alloy design. This work introduces a comprehensive machine learning framework aimed at
[...] Read more.
Understanding the intricate relationship between composition, processing conditions, and material properties is essential for optimizing Cu-based alloys. Machine learning offers a powerful tool for decoding these complex interactions, enabling more efficient alloy design. This work introduces a comprehensive machine learning framework aimed at accurately predicting key properties such as hardness and electrical conductivity of low-alloyed Cu-based alloys. By integrating various input parameters, including chemical composition and thermo-mechanical processing parameters, the study develops and validates multiple machine learning models, including Multi-Layer Perceptron with Production-Aware Deep Architecture (MLP-PADA), Deep Feedforward Network with Multi-Regularization Framework (DFF-MRF), Feedforward Network with Self-Adaptive Optimization (FFN-SAO), and Feedforward Network with Materials Mapping (FFN-TMM). On a held-out test set, DFF-MRF achieved the best generalization (R2_test = 0.9066; RMSE_test = 5.3644), followed by MLP-PADA (R2_test = 0.8953; RMSE_test = 5.7080) and FFN-TMM (R2_test = 0.8914; RMSE_test = 5.8126), with FFN-SAO slightly lower (R2_test = 0.8709). Additionally, a computational performance analysis was conducted to evaluate inference time, memory usage, energy consumption, and batch scalability across all models. Feature importance analysis was conducted, revealing that aging temperature, Cr, and aging duration were the most influential factors for hardness. In contrast, aging duration, aging temperature, solution treatment temperature, and Cu played key roles in electrical conductivity. The results demonstrate the effectiveness of these advanced machine learning models in predicting critical material properties, offering insightful advancements for materials science research. This study introduces the first controlled, statistically validated, multi-model benchmark that integrates composition and thermo-mechanical processing with deployment-grade profiling for property prediction of low-alloyed Cu alloys.
Full article

Figure 1
Open AccessArticle
Microstructure Evolution and Mechanical Performance of AA6061-7075 Heterogeneous Composite Fabricated via Additive Friction Stir Deposition
by
Qian Qiao, Hongchang Qian, Zhong Li, Dawei Guo, Chi Tat Kwok, Shufei Jiang, Dawei Zhang and Lam Mou Tam
Alloys 2025, 4(4), 21; https://doi.org/10.3390/alloys4040021 - 30 Sep 2025
Cited by 2
Abstract
►▼
Show Figures
An AA6061-7075 composite with a heterogeneous structure was fabricated via the additive friction stir deposition (AFSD) method, and in situ processing data were monitored during the manufacturing process. The results show that the cross-section of the composite subjected to AFSD exhibits a lower
[...] Read more.
An AA6061-7075 composite with a heterogeneous structure was fabricated via the additive friction stir deposition (AFSD) method, and in situ processing data were monitored during the manufacturing process. The results show that the cross-section of the composite subjected to AFSD exhibits a lower degree of plastic deformation behavior compared to the surface and side of the composite, owing to serious heat accumulation during the layer-by-layer stacking process. The denser, heterogeneous structure, consisting of finer (softer) and coarser (harder) grains, which correspond to AA6061 and AA7075, was formed according to transmission electron microscopy (TEM) analysis. Furthermore, the obtained composite subjected to AFSD in this work presents outstanding mechanical properties compared to other as-fabricated AA6061/AA7075 depositions acquired by other additive manufacturing methods along the horizontal building direction, with the ultimate tensile strength (266 MPa) being 89% of that of AA6061-T6 and the elongation 1.1 times that of AA7075-T6. The findings provide useful guidelines for the in situ preparation of Al-based composites and offer ideas for manufacturing high-strength heterostructures for large-scale practical engineering applications.
Full article

Figure 1
Open AccessArticle
Inhibition of Microbiologically Influenced Corrosion of 304 Stainless Steel by Artemisia annua L. in Simulated Seawater
by
Gloria Zlatić Jelić, Ivana Martinović and Zora Pilić
Alloys 2025, 4(4), 20; https://doi.org/10.3390/alloys4040020 - 23 Sep 2025
Cited by 1
Abstract
The combination of electrochemical, surface, and spectroscopic techniques revealed that Pseudomonas aeruginosa biofilm accelerated corrosion of 304 stainless steel (SS), leading to localized pitting with depths up to 3.75 μm. Such damage did not occur on 304 SS treated with P. aeruginosa in
[...] Read more.
The combination of electrochemical, surface, and spectroscopic techniques revealed that Pseudomonas aeruginosa biofilm accelerated corrosion of 304 stainless steel (SS), leading to localized pitting with depths up to 3.75 μm. Such damage did not occur on 304 SS treated with P. aeruginosa in the presence of Artemisia annua L. extract, or in sterile seawater. Introducing A. annua into biotic seawater hindered biofilm development and prevented the formation of porous Fe(III) corrosion products. Instead, a compact Fe3O4 layer formed, indicating a shift in corrosion product morphology and stability. ATR-FTIR analysis confirmed phenolic groups from the extract were adsorbed onto the steel interface, supporting the dual inhibitory role of A. annua through both surface modification and antimicrobial action. A. annua extract demonstrated a 74.4 ± 4.4% reduction in MIC-induced corrosion of 304 SS in marine conditions.
Full article
(This article belongs to the Special Issue New Alloys for Surface Engineered Coatings, Interfaces and Films)
►▼
Show Figures

Graphical abstract
Open AccessArticle
The Effect of Interrupted Loading on the Lüder Phenomena in AISI 1524 Steel Alloy
by
Mohamed Almatroushi, Salman Pervaiz and Wael A. Samad
Alloys 2025, 4(3), 19; https://doi.org/10.3390/alloys4030019 - 17 Sep 2025
Abstract
►▼
Show Figures
Under specific temperature and strain rate conditions, certain materials, such as low-carbon steels and select magnesium and aluminum alloys, experience a localized deformation phenomenon known as the Lüders effect. This behavior manifests as a well-defined yield point, after which the stress–strain response transitions
[...] Read more.
Under specific temperature and strain rate conditions, certain materials, such as low-carbon steels and select magnesium and aluminum alloys, experience a localized deformation phenomenon known as the Lüders effect. This behavior manifests as a well-defined yield point, after which the stress–strain response transitions into a plateau phase. Experimentally observed through full-field tests, the Lüders effect appears in the form of a band(s). This manuscript presents, for the first time, a systematic study of interrupted loading on the Lüders phenomenon in AISI 1524 hot-rolled steel, using uniaxial tensile testing combined with digital image correlation (DIC). While similar approaches have been applied to other alloys, no prior work has reported on AISI 1524 steel under unloading–reloading cycles during the Lüders plateau. Interruptions in loading involved unloading at 25%, 50%, and 75% of the total plateau region independently until stress approached zero, followed by reloading at the same rate until failure. Each unloading case was subjected to two tests, alongside two additional control tests where loading proceeded without interruption. Based on the findings of this study, it can be inferred that the Lüders phenomenon in AISI 1524 steel exhibits a decrease in strain intensity upon unloading, along with an extension of the Lüders plateau when interrupted loading occurs up to halfway through the plateau region. However, implementing an interrupted loading regime at three-quarters of the plateau had minimal to no discernible effect on the phenomenon. The majority of samples displayed two Lüders bands, a few exhibited either a single band or three bands, suggesting a complex relationship with material heterogeneity and specific impurities present in each sample. The novelty of this work lies in showing how controlled unloading–reloading cycles alter both the propagation and characteristics of Lüders bands in AISI 1524 steel.
Full article

Figure 1
Open AccessReview
Recent Advances in Ceramic-Reinforced Aluminum Metal Matrix Composites: A Review
by
Surendra Kumar Patel and Lei Shi
Alloys 2025, 4(3), 18; https://doi.org/10.3390/alloys4030018 - 30 Aug 2025
Cited by 19
Abstract
Aluminium metal matrix composites (AMMCs) incorporate aluminium alloys reinforced with fibres (continuous/discontinuous), whiskers, or particulate. These materials were engineered as advanced solutions for demanding sectors including construction, aerospace, automotive, and marine. Micro- and nano-scale reinforcing particles typically enable attainment of exceptional combined properties,
[...] Read more.
Aluminium metal matrix composites (AMMCs) incorporate aluminium alloys reinforced with fibres (continuous/discontinuous), whiskers, or particulate. These materials were engineered as advanced solutions for demanding sectors including construction, aerospace, automotive, and marine. Micro- and nano-scale reinforcing particles typically enable attainment of exceptional combined properties, including reduced density with ultra-high strength, enhanced fatigue strength, superior creep resistance, high specific strength, and specific stiffness. Microstructural, mechanical, and tribological characterizations were performed, evaluating input parameters like reinforcement weight percentage, applied normal load, sliding speed, and sliding distance. Fabricated nanocomposites underwent tribometer testing to quantify abrasive and erosive wear behaviour. Multiple investigations employed the Taguchi technique with regression modelling. Analysis of variance (ANOVA) assessed the influence of varied test constraints. Applied load constituted the most significant factor affecting the physical/statistical attributes of nanocomposites. Sliding velocity critically governed the coefficient of friction (COF), becoming highly significant for minimizing COF and wear loss. In this review, the reinforcement homogeneity, fractural behaviour, and worn surface morphology of AMMCswere examined.
Full article
(This article belongs to the Topic Microstructure and Properties in Metals and Alloys, 3rd Volume)
►▼
Show Figures

Figure 1
Highly Accessed Articles
Latest Books
E-Mail Alert
News
Topics
Topic in
Materials, Applied Sciences, JCM, Alloys
Implants in Orthopaedics and Dentistry: Recent Achievements and Future Perspectives
Topic Editors: Mateusz Kopec, Zbigniew Kowalewski, Grzegorz Szczȩsny, Gaetano MarenziDeadline: 30 April 2026
Topic in
Alloys, Applied Mechanics, Crystals, J. Compos. Sci., Powders, Nanomaterials
Multiscale Characterization, Mechanical Behavior and Computational Simulation of Bulk Materials, Metallic Powders and/or Nanoparticles
Topic Editors: Xiangnan Pan, Qing Peng, Hui Qi, Raj DasDeadline: 30 June 2026
Topic in
Materials, Metals, Applied Sciences, JMMP, Alloys
Numerical Modelling on Metallic Materials, 2nd Edition
Topic Editors: Shuwen Wen, Yongle Sun, Xin ChenDeadline: 31 August 2026
Topic in
Alloys, Materials, Metals
Development of Light Alloys with Excellent Mechanical Properties
Topic Editors: Zhirou Zhang, Isaac ChangDeadline: 10 October 2026
Conferences
Special Issues
Special Issue in
Alloys
Lightweight Alloys
Guest Editor: Konstantinos GeorgarakisDeadline: 31 August 2026
Special Issue in
Alloys
High-Entropy Alloys
Guest Editors: Peter Hodgson, Daniel Fabijanic, Jithin JosephDeadline: 31 December 2026
Special Issue in
Alloys
New Alloys for Surface Engineered Coatings, Interfaces and Films
Guest Editors: Christopher C. Berndt, Andrew AngDeadline: 31 December 2026
Topical Collections
Topical Collection in
Alloys
Feature Paper Collection on Solidification, Deformation, and Mechanical Properties of Alloys
Collection Editors: Nikki Stanford, Panos Tsakiropoulos, Hans-Eckhardt Schaefer, Yingzhi Chen





