-
Heat Treatment Analysis and Mechanical Characterization of a Recycled Gravity Die Cast EN 42000 Alloy
-
The Influence of Hot Deformation on the Mechanical and Structural Properties of Mild Carbon Steel for Industrial Application
-
Cellular Automaton Simulation Model for Predicting the Microstructure Evolution of an Additively Manufactured X30Mn21 Austenitic Advanced High-Strength Steel
-
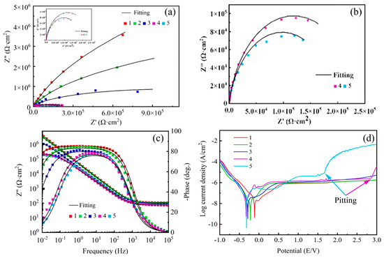
Influence of Microstructure and Heat Treatment on the Corrosion Resistance of Mg-1Zn Alloy Produced by Laser Powder Bed Fusion
Journal Description
Metals
Metals
is an international, peer-reviewed, open access journal published monthly online by MDPI. The Portuguese Society of Materials (SPM), and the Spanish Materials Society (SOCIEMAT) are affiliated with Metals and their members receive a discount on the article processing charges.
- Open Access— free for readers, with article processing charges (APC) paid by authors or their institutions.
- High Visibility: indexed within Scopus, SCIE (Web of Science), Inspec, Ei Compendex, CAPlus / SciFinder, and other databases.
- Journal Rank: JCR - Q2 (Metallurgy and Metallurgical Engineering) / CiteScore - Q1 (Metals and Alloys)
- Rapid Publication: manuscripts are peer-reviewed and a first decision is provided to authors approximately 18 days after submission; acceptance to publication is undertaken in 2.6 days (median values for papers published in this journal in the first half of 2025).
- Recognition of Reviewers: reviewers who provide timely, thorough peer-review reports receive vouchers entitling them to a discount on the APC of their next publication in any MDPI journal, in appreciation of the work done.
- Companion journals for Metals include: Compounds and Alloys.
Impact Factor:
2.5 (2024);
5-Year Impact Factor:
2.8 (2024)
Latest Articles
The Vanadium Micro-Alloying Effect on the Microstructure of HSLA Steel Welded Joints by GMAW
Metals 2025, 15(10), 1127; https://doi.org/10.3390/met15101127 (registering DOI) - 10 Oct 2025
Abstract
Structural applications that use High-Strength Low-Alloy (HSLA) steels require detailed microstructural analysis to manufacture welded components that combine strength and weldability. The balance of these properties depends on both the chemical composition and the welding parameters. Moreover, in multi-pass welds, thermal cycling results
[...] Read more.
Structural applications that use High-Strength Low-Alloy (HSLA) steels require detailed microstructural analysis to manufacture welded components that combine strength and weldability. The balance of these properties depends on both the chemical composition and the welding parameters. Moreover, in multi-pass welds, thermal cycling results in a complex Heat-Affected Zone (HAZ), characterized by sub-regions with a multitude of microstructural constituents, including brittle phases. This study investigates the influence of Vanadium addition on the microstructure and performance of the HAZ. Multi-pass welded joints were manufactured on 15 mm thick S355 steels with different Vanadium contents using a robotic GMAW process. A steel variant containing both Vanadium and Niobium was also considered, and the results were compared to those of standard S355 steel. Moving through the different sub-regions of the welded joints, the results show a heterogeneous microstructure characterized by ferrite, bainite and martensite/austenite (M/A) islands. The presence of Vanadium reduces carbon solubility during the phase transformations involved in the welding process. This results in the formation of very fine (average size 11 ± 4 nm) and dispersed precipitates, as well as a lower percentage of the brittle M/A phase, in the variant with a high Vanadium content (0.1 wt.%), compared to the standard S355 steel. Despite the presence of the brittle phase, the micro-alloyed variants exhibit strengthening without loss of ductility. The combined presence of both hard and soft phases in the HAZ provides stress-damping behavior, which, together with the very fine precipitates, promises improved resistance to crack propagation under different loading conditions.
Full article
(This article belongs to the Topic Microstructure and Properties in Metals and Alloys, 4th Edition)
►
Show Figures
Open AccessArticle
A Comparative Analysis of the Additive Manufacturing Alternatives for Producing Steel Parts
by
Mathias Sæterbø, Wei Deng Solvang and Pourya Pourhejazy
Metals 2025, 15(10), 1126; https://doi.org/10.3390/met15101126 (registering DOI) - 10 Oct 2025
Abstract
Companies are increasingly turning to additive manufacturing as the demand for one-off 3D-printed metal parts rises. The differences in available additive manufacturing technologies necessitate considering both cost and externalities to select the most suitable alternative. This study compares some of the most prevalent
[...] Read more.
Companies are increasingly turning to additive manufacturing as the demand for one-off 3D-printed metal parts rises. The differences in available additive manufacturing technologies necessitate considering both cost and externalities to select the most suitable alternative. This study compares some of the most prevalent metal additive manufacturing technologies through a shop floor-level operational analysis. A steel robotic gripper is considered as a case study, based on which of the complex, interconnected operational factors that influence costs over time are analyzed. The developed cost model facilitates the estimation of costs, identification of cost drivers, and analysis of the impact of various operations management decisions on overall costs. We found that cost performance across Powder-Bed Fusion (PBF), Wire Arc Additive Manufacturing (WAAM), and CNC machining is determined by part design, quantity, and machine utilization. Although producing parts with complex internal features favors additive manufacturing, CNC outperforms in terms of economy of scale. While PBF offers excellent design freedom and parallel production, it incurs high fixed costs per build in under-utilized situations. A rough but fast method, such as Directed-Energy Deposition (DED)-based additive manufacturing, is believed to be more cost-efficient for large, simple shapes, but is not suitable when fine details are required. Laser-based DED approaches address this limitation of WAAM.
Full article
(This article belongs to the Special Issue Metal Additive Manufacturing: Processes, Materials, Properties, and Challenges)
Open AccessArticle
Experimental and Machine Learning-Based Assessment of Fatigue Crack Growth in API X60 Steel Under Hydrogen–Natural Gas Blending Conditions
by
Nayem Ahmed, Ramadan Ahmed, Samin Rhythm, Andres Felipe Baena Velasquez and Catalin Teodoriu
Metals 2025, 15(10), 1125; https://doi.org/10.3390/met15101125 (registering DOI) - 10 Oct 2025
Abstract
Hydrogen-assisted fatigue cracking presents a critical challenge to the structural integrity of legacy carbon steel natural gas pipelines being repurposed for hydrogen transport, posing a major barrier to the deployment of hydrogen infrastructure. This study systematically evaluates the fatigue crack growth (FCG) behavior
[...] Read more.
Hydrogen-assisted fatigue cracking presents a critical challenge to the structural integrity of legacy carbon steel natural gas pipelines being repurposed for hydrogen transport, posing a major barrier to the deployment of hydrogen infrastructure. This study systematically evaluates the fatigue crack growth (FCG) behavior of API 5L X60 pipeline steel under varying hydrogen–natural gas (H2–NG) blending conditions to assess its suitability for long-term hydrogen service. Experiments are conducted using a custom-designed autoclave to replicate field-relevant environmental conditions. Gas mixtures range from 0% to 100% hydrogen by volume, with tests performed at a constant pressure of 6.9 MPa and a temperature of 25 °C. A fixed loading frequency of 8.8 Hz and load ratio (R) of 0.60 ± 0.1 are applied to simulate operational fatigue loading. The test matrix is designed to capture FCG behavior across a broad range of stress intensity factor values (ΔK), spanning from near-threshold to moderate levels consistent with real-world pipeline pressure fluctuations. The results demonstrate a clear correlation between increasing hydrogen concentration and elevated FCG rates. Notably, at 100% hydrogen, API X60 specimens exhibit crack propagation rates up to two orders of magnitude higher than those in 0% hydrogen (natural gas) conditions, particularly within the Paris regime. In the lower threshold region (ΔK ≈ 10 MPa·√m), the FCG rate (da/dN) increased nonlinearly with hydrogen concentration, indicating early crack activation and reduced crack initiation resistance. In the upper Paris regime (ΔK ≈ 20 MPa·√m), da/dNs remained significantly elevated but exhibited signs of saturation, suggesting a potential limiting effect of hydrogen concentration on crack propagation kinetics. Fatigue life declined substantially with hydrogen addition, decreasing by ~33% at 50% H2 and more than 55% in pure hydrogen. To complement the experimental investigation and enable predictive capability, a modular machine learning (ML) framework was developed and validated. The framework integrates sequential models for predicting hydrogen-induced reduction of area (RA), fracture toughness (FT), and FCG rate (da/dN), using CatBoost regression algorithms. This approach allows upstream degradation effects to be propagated through nested model layers, enhancing predictive accuracy. The ML models accurately captured nonlinear trends in fatigue behavior across varying hydrogen concentrations and environmental conditions, offering a transferable tool for integrity assessment of hydrogen-compatible pipeline steels. These findings confirm that even low-to-moderate hydrogen blends significantly reduce fatigue resistance, underscoring the importance of data-driven approaches in guiding material selection and infrastructure retrofitting for future hydrogen energy systems.
Full article
(This article belongs to the Special Issue Failure Analysis and Evaluation of Metallic Materials)
►▼
Show Figures

Figure 1
Open AccessArticle
Study on Double-Curvature Metal Plates Sequential Forming with Heat-Assisted Incremental Bending Based on Minimum Energy Method
by
Bo Wei, Feifei Zhang, Zhun Cheng and Bo Yuan
Metals 2025, 15(10), 1124; https://doi.org/10.3390/met15101124 - 10 Oct 2025
Abstract
This study presents a high-frequency heat-assisted incremental bending process for the high-efficiency, high-precision forming of medium-thickness (≥3 mm) double-curved metal plates, addressing the limitations of traditional stamping and line heating methods in aerospace and marine applications. A minimum energy loading path strategy is
[...] Read more.
This study presents a high-frequency heat-assisted incremental bending process for the high-efficiency, high-precision forming of medium-thickness (≥3 mm) double-curved metal plates, addressing the limitations of traditional stamping and line heating methods in aerospace and marine applications. A minimum energy loading path strategy is proposed to optimize the forming trajectory and reduce residual stress. A coupled thermomechanical finite element model was developed, incorporating high-frequency induction heating, temperature-dependent material properties, and Coulomb friction. The model was validated through experiments on Q235 steel plates. Results show that the proposed process reduces the peak forming force and decreases the number of forming points compared to conventional cold incremental bending. Springback is reduced, and the final shape accuracy reaches within 3 mm deviation from the target geometry. Double-curvature sail and saddle-shaped plates were successfully fabricated, demonstrating the feasibility and effectiveness of the method. This work provides a promising solution for low-cost, flexible manufacturing of complex medium-thickness components.
Full article
(This article belongs to the Special Issue Advances in Metal Forming and Plasticity)
►▼
Show Figures

Figure 1
Open AccessReview
Mechanical Testing Methods for Assessing Hydrogen Embrittlement in Pipeline Steels: A Review
by
Luca Paterlini, Giorgio Re, Arianna Curia, Marco Ormellese and Fabio Bolzoni
Metals 2025, 15(10), 1123; https://doi.org/10.3390/met15101123 - 10 Oct 2025
Abstract
As the transport of gaseous hydrogen and its use as a low carbon-footprint energy vector become increasingly likely scenarios, both the scientific literature and technical standards addressing the compatibility of pipeline steels with high-pressure hydrogen environments are rapidly expanding. This work presents a
[...] Read more.
As the transport of gaseous hydrogen and its use as a low carbon-footprint energy vector become increasingly likely scenarios, both the scientific literature and technical standards addressing the compatibility of pipeline steels with high-pressure hydrogen environments are rapidly expanding. This work presents a detailed review of the most relevant hydrogen embrittlement testing methodologies proposed in standards and the academic literature. The focus is placed on testing approaches that support design-oriented assessments, rather than simple alloy qualification for hydrogen service. Particular attention is given to tensile tests (conducted on smooth and notched specimens), as well as to J-integral and fatigue tests performed following the fracture mechanics’ approach. The influences of hydrogen partial pressure and deformation rate are critically examined, as these parameters are essential for ensuring meaningful comparisons across different studies.
Full article
(This article belongs to the Special Issue Recent Insights into Mechanical Properties of Metallic Alloys)
►▼
Show Figures

Figure 1
Open AccessArticle
Experimental Investigation Concerning the Influence of Face Sheet Thickness on the Blast Resistance of Aluminum Foam Sandwich Structures Subjected to Localized Impulsive Loading
by
Nan Ye, Zhiwei Sun, Qiyu Guo, Chicheng Ma and Zhenyu Shi
Metals 2025, 15(10), 1122; https://doi.org/10.3390/met15101122 - 10 Oct 2025
Abstract
This study presents an experimental investigation into the dynamic response and blast resistance of aluminum foam-cored sandwich panels with varied face sheet thicknesses under impulsive loading conditions. The primary focus is on analyzing how the thickness of front and back face sheets affects
[...] Read more.
This study presents an experimental investigation into the dynamic response and blast resistance of aluminum foam-cored sandwich panels with varied face sheet thicknesses under impulsive loading conditions. The primary focus is on analyzing how the thickness of front and back face sheets affects the deformation behavior and energy absorption capabilities of the sandwich panels. By employing a 3D digital image correlation (3D-DIC) system coupled with post-test analyses, the dynamic responses and permanent deformations were quantitatively characterized. Failure modes of the core layers, front face sheets, and back face sheets were identified and discussed. The results demonstrated that sandwich panels with thick front face sheets exhibited superior blast resistance and energy absorption performance than their thin-front counterparts under high localized impulsive loading. The findings provide important comparative insights about face sheet thickness distribution effects, though further studies with broader thickness variations are needed to establish comprehensive design guidelines.
Full article
(This article belongs to the Special Issue Porous Metallic Materials: Properties, Applications and Latest Research Progress)
►▼
Show Figures

Figure 1
Open AccessArticle
Rapid Screening of Liquid Metal Wetting for a Materials Compatibility Library
by
Shahryar Mooraj, Alexander Baker, Connor J. Rietema, Jesse Ahlquist, Hunter Henderson and Viktor Sukhotskiy
Metals 2025, 15(10), 1121; https://doi.org/10.3390/met15101121 - 10 Oct 2025
Abstract
►▼
Show Figures
Wetting behavior of molten metals on solid substrates is a critical phenomenon influencing numerous industrial applications, including welding, anti-corrosion coatings, and metal additive manufacturing (AM). In particular, molten metal jetting (MMJ), an emerging AM technology, requires that the molten metal remain pinned at
[...] Read more.
Wetting behavior of molten metals on solid substrates is a critical phenomenon influencing numerous industrial applications, including welding, anti-corrosion coatings, and metal additive manufacturing (AM). In particular, molten metal jetting (MMJ), an emerging AM technology, requires that the molten metal remain pinned at the nozzle exit. Thus, each new metal requires a specific nozzle material to ensure consistent droplet ejection and deposition, making it important to rapidly identify the appropriate wetting combinations. However, traditional measurements of wetting angles require expensive equipment and only allow one combination of materials to be investigated at a time which can be time consuming. This work introduces a rapid screening method based on sessile droplet experiments to evaluate wetting profiles across multiple metal–substrate combinations simultaneously. This study investigates the wetting interactions of molten Al alloy (Al4008), Cu, and Sn on various ceramic and metal substrates to identify optimal material combinations for MMJ nozzle designs. Results demonstrate that Al4008 achieves wetting on ceramic substrates such as AlN, TiO2, and SiC, with varying mechanisms including chemical reactions and weak surface interactions. Additionally, theoretical predictions regarding miscibility gaps and melting point differences were verified for Cu and Sn on refractory metals like Mo and W. Findings from this study contribute to the establishment of a materials compatibility library, enabling the selection of wetting/non-wetting combinations for stable MMJ operation. This resource not only advances MMJ technologies but also provides valuable insights for broader applications such as welding, coating, and printed electronics.
Full article

Figure 1
Open AccessArticle
Effect of Nb Content on the Oxidation Behavior and Microstructural Evolution of Ti2AlNb-Based Alloys
by
Yicheng Gong, Jiahong Liang, Shoujiang Qu, Guojian Cao, Hao Wang, Aihan Feng and Daolun Chen
Metals 2025, 15(10), 1120; https://doi.org/10.3390/met15101120 - 9 Oct 2025
Abstract
Ti2AlNb-based alloys are potential structural materials for high-temperature applications due to their low density and superior specific strength. However, their widespread application is limited by relatively poor oxidation resistance above 700 °C. While Ti2AlNb-based alloys exhibit promising mechanical properties,
[...] Read more.
Ti2AlNb-based alloys are potential structural materials for high-temperature applications due to their low density and superior specific strength. However, their widespread application is limited by relatively poor oxidation resistance above 700 °C. While Ti2AlNb-based alloys exhibit promising mechanical properties, their oxidation behavior remains inadequately characterized, particularly concerning the role of Nb content. In this study, the high-temperature oxidation behavior of Ti2AlNb-based alloys with different Nb contents was investigated at 800 °C in air. The results revealed a characteristic double-layered oxide structure consisting of an outer TiO2 layer and inner alternating TiO2-rich and AlNbO4-rich sublayers. Thermodynamic calculations confirmed the favorable formation of TiO2, Al2O3, Nb2O5, and AlNbO4 at high temperatures. However, the reaction between Nb2O5 and Al2O3 hinders the formation of a protective Al2O3 layer. Increasing the Nb content was found to replace Ti atoms, reducing the diffusion rate of oxygen and simultaneously decreasing the thickness of porous TiO2 regions. Nevertheless, the inadequate rate of aluminum diffusion inhibited adequate Al2O3 formation, leading to limited overall oxidation protection. These findings elucidate the composition–oxidation relationship in Ti2AlNb-based alloys and provide valuable insights for tailoring Nb and Al contents to achieve a balanced combination of mechanical properties and high-temperature oxidation resistance.
Full article
(This article belongs to the Special Issue Properties, Microstructure and Forming of Intermetallics)
►▼
Show Figures

Figure 1
Open AccessArticle
Residual Temperature Prediction in Selective Laser Melting by Deep Neural Networks
by
Nikolaos Papadimitriou, Emmanuel Stathatos and George-Christopher Vosniakos
Metals 2025, 15(10), 1119; https://doi.org/10.3390/met15101119 - 9 Oct 2025
Abstract
Selective laser melting (SLM) builds metal parts layer by layer by locally melting powder with a fine laser beam, generating complex, geometry-dependent temperature gradients that govern density, microstructure, defects, and residual stresses. Resolving these gradients with high-fidelity finite-element (FE) models is prohibitively slow
[...] Read more.
Selective laser melting (SLM) builds metal parts layer by layer by locally melting powder with a fine laser beam, generating complex, geometry-dependent temperature gradients that govern density, microstructure, defects, and residual stresses. Resolving these gradients with high-fidelity finite-element (FE) models is prohibitively slow because the temperature field must be evaluated at dense points along every scan track across multiple layers, while the laser spot is orders of magnitude smaller than typical layer dimensions. This study replaces FE analysis with a deep neural network that predicts the end-of-build temperature field orders of magnitude faster. A benchmark part containing characteristic shape features is introduced to supply diverse training cases, and a novel control-volume-based geometry-abstraction scheme encodes arbitrary workpiece shapes into compact, learnable descriptors. Thermal simulation data from the benchmark train the network, which then predicts the residual temperature field of an unseen, geometrically dissimilar part with a mean absolute error of ~10 K and a mean relative error of ~1% across 500–1300 K. The approach thus offers a rapid, accurate surrogate for FE simulations, enabling efficient temperature-driven optimization of SLM process parameters and part designs.
Full article
(This article belongs to the Special Issue Computational Methods in Metallic Materials Manufacturing Processes 2025)
►▼
Show Figures

Figure 1
Open AccessArticle
Effects of Pre-Peening on Fatigue Performance of Gas-Nitrided SCM 440 Steel
by
Hao Chen, Tai-Cheng Chen, Wen-Han Chen, Hsiao-Hung Hsu and Leu-Wen Tsay
Metals 2025, 15(10), 1118; https://doi.org/10.3390/met15101118 - 9 Oct 2025
Abstract
Gas nitriding was implemented in the current work at a constant nitrogen potential (KN) of 2.0 for 8 h to enhance the fatigue properties of SCM 440 steel, and the results were compared with those of the substrate tempered at the
[...] Read more.
Gas nitriding was implemented in the current work at a constant nitrogen potential (KN) of 2.0 for 8 h to enhance the fatigue properties of SCM 440 steel, and the results were compared with those of the substrate tempered at the nitriding temperature (475 °C). Fine particle peening (FPP) prior to nitriding imposed a refined structure and induced compressive residual stress (CRS) in the near-surface peened zone. The fine-grained structure provided numerous paths to enhance nitrogen diffusion inwards during nitriding. The compound layer formed on the nitrided SCM 440 steel primarily comprised a mixture of Fe3N and Fe4N; however, the pre-peened and nitrided (SPN) specimens exhibited a higher proportion of Fe3N and a thicker compound layer than the non-peened and nitrided (NPN) counterparts. In addition, FPP prior to nitriding increased both the case depth and the magnitude of the CRS field compared with nitriding alone. The fatigue limits of the substrate (SB), NPN, and SPN samples were approximately 750, 1050, and 1400 MPa, respectively. Gas-nitriding at 475 °C significantly improved the fatigue performance of SCM 440 steel. Moreover, pre-peening prior to nitriding further enhanced fatigue strength and life of the treated SCM 440 steel by introducing a deeper case depth and higher CRS field. Multiple cracks initiation at the outer surface of the SB sample accounted for its lowest fatigue limit among the tested samples. Surface microcracks and pits on the surface of the NPN specimen would be crack initiation sites and harmful to its fatigue resistance. These surface dents were considered to be responsible for fatigue crack initiation in the SPN specimens. Therefore, polishing after nitriding to reduce surface roughness and/or microcracks was expected to further increase the fatigue resistance and the reliability of nitrided SCM 440 steel.
Full article
(This article belongs to the Special Issue Fatigue and Fracture Behavior of Metallic Components and Structures Under Various Loading Conditions)
►▼
Show Figures

Figure 1
Open AccessReview
Research Progress on the Preparation and Properties of Graphene–Copper Composites
by
Wenjie Liu, Xingyu Zhao, Hongliang Li and Yi Ding
Metals 2025, 15(10), 1117; https://doi.org/10.3390/met15101117 - 8 Oct 2025
Abstract
The persistent conflict between strength and electrical conductivity in copper-based materials presents a fundamental limitation for next-generation high-performance applications. Graphene, with its unique two-dimensional architecture and exceptional intrinsic characteristics, has become a promising reinforcement phase for copper matrices. This comprehensive review synthesizes recent
[...] Read more.
The persistent conflict between strength and electrical conductivity in copper-based materials presents a fundamental limitation for next-generation high-performance applications. Graphene, with its unique two-dimensional architecture and exceptional intrinsic characteristics, has become a promising reinforcement phase for copper matrices. This comprehensive review synthesizes recent advancements in graphene–copper composites (CGCs), focusing particularly on structural design innovations and scalable manufacturing approaches such as powder metallurgy, molecular-level mixing, electrochemical deposition, and chemical vapor deposition. The analysis examines pathways for optimizing key properties—including mechanical strength, thermal conduction, and electrical performance—while investigating the fundamental reinforcement mechanisms and charge/heat transport phenomena. Special consideration is given to how graphene morphology, concentration, structural quality, interfacial chemistry, and processing conditions collectively determine composite behavior. Significant emphasis is placed on interface engineering strategies, graphene alignment, consolidation control, and defect management to minimize electron and phonon scattering while improving stress transfer efficiency. The review concludes by proposing research directions to resolve the strength–conductivity paradox and broaden practical implementation domains, thereby offering both methodological frameworks and theoretical foundations to support the industrial adoption of high-performance CGCs.
Full article
(This article belongs to the Special Issue Study on the Preparation and Properties of Metal Functional Materials)
►▼
Show Figures

Figure 1
Open AccessArticle
Corrosion Behavior of Advanced High-Strength Steels (AHSS) in Chloride Solutions for Automotive Applications
by
Facundo Almeraya-Calderón, Marvin Montoya-Rangel, Demetrio Nieves-Mendoza, Jesus Manuel Jáquez-Muñoz, Abel Diaz-Olivares, Maria Lara-Banda, Erick Maldonado-Bandala, Francisco Estupinan-Lopez, Jose Cabral-Miramontes, Javier Olguin-Coca and Citlalli Gaona-Tiburcio
Metals 2025, 15(10), 1116; https://doi.org/10.3390/met15101116 - 8 Oct 2025
Abstract
The automotive industry utilizes high-strength low-alloy (HSLA) steels and advanced high-strength steels (AHSS) to manufacture various components, including front and rear rails, chassis, and roll bars, among others. In countries where de-icing salts are used, these steels are exposed to a localized corrosive
[...] Read more.
The automotive industry utilizes high-strength low-alloy (HSLA) steels and advanced high-strength steels (AHSS) to manufacture various components, including front and rear rails, chassis, and roll bars, among others. In countries where de-icing salts are used, these steels are exposed to a localized corrosive environment. This research aims to characterize the corrosion behavior of AHSS [dual-phase (DP), ferrite–bainite (FB), and complex-phase (CP)] using electrochemical techniques such as cyclic potentiodynamic polarization (CPP) curves and electrochemical noise (EN), by immersing the steels in NaCl, CaCl2, and MgCl2 solutions. Optical microscopy (OM) is used to observe the microstructure of the tested samples. The CPP corrosion behavior of AHSS exposed to chloride solutions exhibits corrosion densities in the range of 10−2 and 10−3 mA/cm2. The results generally indicated that AHSS are susceptible to localized corrosion due to the presence of positive hysteresis in the CPP. Zn results show that DP780 presented higher corrosion resistance, with 845 Ω·cm2, whereas FB780 presented 253 Ω·cm2 when exposed to NaCl. Additionally, the type of corrosion is localized.
Full article
(This article belongs to the Special Issue Advanced High-Performance Steels: From Fundamental to Applications)
►▼
Show Figures

Figure 1
Open AccessReview
Application of Ultrasonic-Enhanced Leaching for the Recovery of Metal Elements from Mineral Raw Materials and Secondary Resources
by
Yusufujiang Mubula, Mingming Yu, Heyue Niu, Zhehan Zhu and Kun Xu
Metals 2025, 15(10), 1115; https://doi.org/10.3390/met15101115 - 8 Oct 2025
Abstract
Driven by the practical needs of reducing mining costs and protecting the environment, and with the growing focus on the green and efficient recovery of metal elements (Cu, Mn, Ni, Co, Li, V, Al, Fe, REEs) from mineral raw materials and secondary resources,
[...] Read more.
Driven by the practical needs of reducing mining costs and protecting the environment, and with the growing focus on the green and efficient recovery of metal elements (Cu, Mn, Ni, Co, Li, V, Al, Fe, REEs) from mineral raw materials and secondary resources, ultrasonic-enhanced leaching has emerged as an effective method for achieving the resource recovery of the aforementioned metals. As the ultrasonic-enhanced leaching process can effectively recover metal elements from mineral resources and secondary resources, it can effectively reduce the energy consumption, shorten the recycling time, and effectively improve the efficiency of the recovery of metal elements in the recycling process. This paper provides a comprehensive overview of the latest references and scientific knowledge in the field of ultrasonic-enhanced leaching, classifies and summarizes the application of ultrasonic-enhanced leaching in the recovery of metal elements from mineral resources and secondary resources, and discusses the mechanisms of ultrasonic-enhanced leaching in detail.
Full article
(This article belongs to the Special Issue Metal Leaching and Recovery)
►▼
Show Figures

Graphical abstract
Open AccessReview
Powder Bed Fabrication of Copper: A Comprehensive Literature Review
by
Vi Ho, Leila Ladani, Jafar Razmi, Samira Gruber, Anthony Bruce Murphy, Cherry Chen, Daniel East and Elena Lopez
Metals 2025, 15(10), 1114; https://doi.org/10.3390/met15101114 - 8 Oct 2025
Abstract
Powder bed fusion of copper has been extensively investigated using both laser-based (PBF-LB/M) and electron beam-based (PBF-EB/M) additive manufacturing technologies. Each technique offers unique benefits as well as specific limitations. Near-infrared (NIR) laser-based LPBF is widely accessible; however, the high reflectivity of copper
[...] Read more.
Powder bed fusion of copper has been extensively investigated using both laser-based (PBF-LB/M) and electron beam-based (PBF-EB/M) additive manufacturing technologies. Each technique offers unique benefits as well as specific limitations. Near-infrared (NIR) laser-based LPBF is widely accessible; however, the high reflectivity of copper limits energy absorption, thereby resulting in a narrow processing window. Although optimized parameters can yield relative densities above 97%, issues such as keyhole porosity, incomplete melting, and anisotropy remain concerns. Green lasers, with higher absorptivity in copper, offer broader process windows and enable more consistent fabrication of high-density parts with superior electrical conductivity, often reaching or exceeding 99% relative density and 100% International Annealed Copper Standard (IACS). Mechanical properties, including tensile and yield strength, are also improved, though challenges remain in surface finish and geometrical resolution. In contrast, Electron Beam Powder Bed Fusion (EB-PBF) uses high-energy electron beams in a vacuum, eliminating oxidation and leveraging copper’s high conductivity to achieve high energy absorption at lower volumetric energy densities (~80 J/mm3). This results in consistently high relative densities (>99.5%) and excellent electrical and thermal conductivity, with additional benefits including faster scanning speeds and in situ monitoring capabilities. However, EB-PBF faces its own limitations, such as surface roughness and powder smoking. This paper provides a comprehensive review of the current state of laser-based (PBF-LB/M) and electron beam-based (PBF-EB/M) powder bed fusion processes for the additive manufacturing of copper, summarizing key trends, material properties, and process innovations. Both approaches continue to evolve, with ongoing research aimed at refining these technologies to enable the reliable and efficient additive manufacturing of high-performance copper components.
Full article
(This article belongs to the Section Additive Manufacturing)
►▼
Show Figures

Figure 1
Open AccessArticle
Selective Recovery of Cobalt and Nickel from Spent Lithium-Ion Battery NMC Cathodes Using a Hydrophobic Deep Eutectic Solvent
by
Rashid Nadirov, Kaster Kamunur, Lyazzat Mussapyrova, Aisulu Batkal and Olesya Tyumentseva
Metals 2025, 15(10), 1113; https://doi.org/10.3390/met15101113 - 7 Oct 2025
Abstract
A hydrophobic deep eutectic solvent (HDES) composed of Aliquat 336, decanoic acid, and n-hexanol, diluted with kerosene, was investigated for the selective leaching of LiNi0.33Mn0.33Co0.33O2 (NMC-111) cathode materials. While conventional choline chloride-based DESs co-dissolve Li and
[...] Read more.
A hydrophobic deep eutectic solvent (HDES) composed of Aliquat 336, decanoic acid, and n-hexanol, diluted with kerosene, was investigated for the selective leaching of LiNi0.33Mn0.33Co0.33O2 (NMC-111) cathode materials. While conventional choline chloride-based DESs co-dissolve Li and transition metals almost completely, the present HDES–acid hybrid system deliberately sacrifices maximum recovery to achieve selectivity. In combination with a low concentration of H2SO4, the HDES enabled preferential dissolution of Co and Ni (~84% and ~80% after 6 h at 90 °C, respectively), while Li and Mn largely remained in the solid residue (>93%). Kinetic modeling indicated that the process is controlled by a surface chemical reaction with apparent activation energies of ~~49 kJ mol−1 (for Ni recovery) and ~51 kJ mol−1 (for Co recovery). The leaching residues were enriched in stable Li-Mn-O phases in a way that offers a basis for stepwise recovery. These findings show that hydrophobic eutectic media coupled with mild acid activation provide a sustainable pathway for the selective recycling of LIB cathodes.
Full article
(This article belongs to the Section Extractive Metallurgy)
►▼
Show Figures

Figure 1
Open AccessArticle
Bioleaching of Lithium-Ion Battery Black Mass: A Comparative Study on Gluconobacter oxydans and Acidithiobacillus thiooxidans
by
Matthias Markus Mandl, Reinhard Lerchbammer and Eva Gerold
Metals 2025, 15(10), 1112; https://doi.org/10.3390/met15101112 - 7 Oct 2025
Abstract
The growing demand for lithium-ion batteries (LIBs) requires efficient and sustainable recycling solutions. This study investigates bioleaching as an alternative to conventional hydrometallurgical methods, focusing on (i) organic acid-mediated leaching with Gluconobacter oxydans and (ii) sulfuric acid bioleaching with Acidithiobacillus thiooxidans. Experiments
[...] Read more.
The growing demand for lithium-ion batteries (LIBs) requires efficient and sustainable recycling solutions. This study investigates bioleaching as an alternative to conventional hydrometallurgical methods, focusing on (i) organic acid-mediated leaching with Gluconobacter oxydans and (ii) sulfuric acid bioleaching with Acidithiobacillus thiooxidans. Experiments were conducted at 26 °C with leaching durations of one to three weeks, depending on the microbial system, at pH 1.35 for sulfuric acid treatments, and with liquid-to-solid ratios equivalent to 100 mL g−1 (A. thiooxidans) or 100 mL g−1 in culture medium (G. oxydans). Results show that indirect bioleaching with G. oxydans achieved high recovery rates for cobalt (96%), manganese (100%), nickel (65%), and lithium (68%), while the direct approach was less effective due to microbial inhibition by black mass components. Similarly, biologically produced sulfuric acid exhibited moderate leaching efficiencies, but chemically synthesized sulfuric acid outperformed it, particularly for nickel (93%) and lithium (76%) after one week of leaching. These findings suggest that bioleaching is a promising, eco-friendly alternative for LIB recycling but requires further process optimization to improve metal recovery and industrial scalability. Future research should explore hybrid approaches combining bioleaching with conventional leaching techniques.
Full article
(This article belongs to the Special Issue New Science-Based Concepts for Enhancing Efficiency in Battery Recycling)
►▼
Show Figures

Figure 1
Open AccessArticle
The Role and Modeling of Ultrafast Heating in Isothermal Austenite Formation Kinetics in Quenching and Partitioning Steel
by
Jiang Chang, Mai Wang, Xiaoyu Yang, Yonggang Yang, Yanxin Wu and Zhenli Mi
Metals 2025, 15(10), 1111; https://doi.org/10.3390/met15101111 - 6 Oct 2025
Abstract
A modified Johnson–Mehl–Avrami–Kolmogorov (JMAK) model, including the heating rates, was proposed in this study to improve the accuracy of isothermal austenite formation kinetics prediction. Since the ultrafast heating process affects the behavior of ferrite recrystallization and austenite formation before the isothermal process, which
[...] Read more.
A modified Johnson–Mehl–Avrami–Kolmogorov (JMAK) model, including the heating rates, was proposed in this study to improve the accuracy of isothermal austenite formation kinetics prediction. Since the ultrafast heating process affects the behavior of ferrite recrystallization and austenite formation before the isothermal process, which in turn influences the subsequent isothermal austenite formation kinetics, the effects of varying austenitization temperatures and heating rates on isothermal austenite formation in cold-rolled quenching and partitioning (Q&P) steel, which remain insufficiently understood, were systematically investigated. Under a constant heating rate, the austenite formation rate initially increases and subsequently decreases as the austenitization temperature rises from formation start temperature Ac1 to finish temperature Ac3, and complete austenitization is achieved more quickly at elevated temperatures. At a given austenitization temperature, an increased heating rate was found to accelerate the isothermal transformation kinetics and significantly reduce the duration required to achieve complete austenitization. The experimental results revealed that both the transformation activation energy ( ) and material constant ( ) decreased with increasing heating rates, while the Avrami exponent ( ) showed a progressive increase, leading to the development of the heating-rate-dependent modified JMAK model. The model accurately characterizes the effect of varying heating rates on isothermal austenite formation kinetics, enabling kinetic curves prediction under multiple heating rates and austenitization temperatures and overcoming the limitation of single heating rate prediction in existing models, with significantly broadened applicability.
Full article
(This article belongs to the Special Issue Green Super-Clean Steels)
►▼
Show Figures

Figure 1
Open AccessArticle
Fatigue Strength Study of WAAM-Fabricated Shafts with Stacked Steel Ring Substrates Using Advanced Modeling
by
Pham Son Minh, Quang Tri Truong and Van-Minh Nguyen
Metals 2025, 15(10), 1110; https://doi.org/10.3390/met15101110 - 6 Oct 2025
Abstract
This study investigates the fatigue performance of 3D-printed metal shafts fabricated via Wire Arc Additive Manufacturing (WAAM) with stacked steel ring substrates under rotating bending (ISO 1143:2021). A Taguchi L25 orthogonal array was used to analyze five process parameters: ring diameter, current intensity,
[...] Read more.
This study investigates the fatigue performance of 3D-printed metal shafts fabricated via Wire Arc Additive Manufacturing (WAAM) with stacked steel ring substrates under rotating bending (ISO 1143:2021). A Taguchi L25 orthogonal array was used to analyze five process parameters: ring diameter, current intensity, torch speed, ring thickness, and contact tip to workpiece distance (CTWD). Analysis of Variance (ANOVA) identified ring diameter as the dominant factor, significantly enhancing fatigue life at 14.0 mm by reducing stress concentrations. Current intensity (125 A) and torch speed (550 mm/min) further improve weld quality and microstructure, while ring thickness (1.0 mm) and CTWD (1.5 mm) have minor effects. A linear regression model (R2 = 0.9603) accurately predicts fatigue life, with optimal settings yielding 299,730 cycles. The stacked-ring configuration enables intricate structures like cooling channels, ideal for aerospace and automotive applications. The 3.5% unexplained variance suggests parameter interactions, warranting further investigation into shielding gas effects and multiaxial loading to broaden material and loading applicability.
Full article
(This article belongs to the Special Issue Advances in Directed Energy Deposition Technology for Metallic Materials)
►▼
Show Figures

Figure 1
Open AccessArticle
Vacuum Diffusion Bonding Process Optimization for the Lap Shear Strength of 7B04 Aluminum Alloy Joints with a 7075 Aluminum Alloy Powder Interlayer Using the Response Surface Method
by
Ning Wang, Lansheng Xie and Minghe Chen
Metals 2025, 15(10), 1109; https://doi.org/10.3390/met15101109 - 6 Oct 2025
Abstract
The high-strength aluminum alloy 7B04 used in aircraft structures poses challenges in welding. In this study, 7075 aluminum alloy powder is used as an interlayer to strengthen the vacuum diffusion bonding (DB) joint of 7B04 aluminum alloy. Surface treatments with plasma activation before
[...] Read more.
The high-strength aluminum alloy 7B04 used in aircraft structures poses challenges in welding. In this study, 7075 aluminum alloy powder is used as an interlayer to strengthen the vacuum diffusion bonding (DB) joint of 7B04 aluminum alloy. Surface treatments with plasma activation before DB can effectively increase the bonding rate and lap shear strength (LSS) of the joint. The effects of DB temperature, pressure, and holding time on the joint LSS were analyzed by developing a quadratic regression model based on the response surface method (RSM). The model’s determination coefficient reached 99.52%, with a relative error of about 5%, making it suitable for 7B04 aluminum alloy DB process parameters optimization and joint performance prediction. Two sets of process parameters (505 °C-5.7 h-4.5 MPa and 515 °C-7.5 h-4.4 MPa) were acquired using the satisfaction function optimization method. Experimental results confirmed that the error between measured and predicted LSS is approximately 5%, and a higher LSS of 174 MPa was achieved at 515 °C-7.5 h-4.4 MPa.
Full article
(This article belongs to the Section Welding and Joining)
►▼
Show Figures

Graphical abstract
Open AccessArticle
Optimization of Red Mud and Blast Furnace Sludge Self-Reducing Briquettes Propaedeutic for Subsequent Magnetic Separation
by
Sara Scolari, Gianluca Dall’Osto, Alberto Tuveri, Davide Mombelli and Carlo Mapelli
Metals 2025, 15(10), 1108; https://doi.org/10.3390/met15101108 - 4 Oct 2025
Abstract
►▼
Show Figures
Red mud, a by-product of aluminum production, leads to significant environmental challenges due to its alkalinity and presence of soluble compounds. This study explores its valorization through agglomeration with blast furnace sludge as a reducing agent to form self-reducing briquettes. Five C/Fe2
[...] Read more.
Red mud, a by-product of aluminum production, leads to significant environmental challenges due to its alkalinity and presence of soluble compounds. This study explores its valorization through agglomeration with blast furnace sludge as a reducing agent to form self-reducing briquettes. Five C/Fe2O3 ratios (0.131, 0.262, 0.523, 0.840 and 1.000) were tested to determine the most effective reducing condition, with 0.840 emerging as optimal based on thermal analysis (mass loss of 27.44 wt.% at 1200 °C and iron formation specific energy of 450 J g−1). Briquettes prepared with three agglomeration methods varying in water content (water/starch ratios of 6:1, 12:1 and 18:1) were evaluated through drop, compression and abrasion tests. The agglomeration method with a 12:1 water/solid ratio, involving both starch gelatinization and red mud water absorption, produced the most mechanically resistant briquettes (19.210 MPa). The mechanical and metallurgical properties of the 0.840-2W briquettes after reduction at 700, 950, 1200 and 1450 °C (temperature maintenance for 15 min) were assessed to define the best compromise between the reduction degree and mechanical strength. While reduction at 950 °C led to the weakest structure (0.449 MPa) but poor metallization, 1450 °C ensured the highest degree of reduction (94%) with adequate brittleness to facilitate a possible subsequent magnetic separation.
Full article

Figure 1

Journal Menu
► ▼ Journal Menu-
- Metals Home
- Aims & Scope
- Editorial Board
- Reviewer Board
- Topical Advisory Panel
- Photography Exhibition
- Instructions for Authors
- Special Issues
- Topics
- Sections
- Article Processing Charge
- Indexing & Archiving
- Editor’s Choice Articles
- Most Cited & Viewed
- Journal Statistics
- Journal History
- Journal Awards
- Society Collaborations
- Conferences
- Editorial Office
Journal Browser
► ▼ Journal BrowserHighly Accessed Articles
Latest Books
E-Mail Alert
News
Topics
Topic in
Energies, Materials, Catalysts, Metals, Hydrogen
Hydrogen—The New Energy Vector for the Transition of Industries "Hard to Abate"
Topic Editors: Pasquale Cavaliere, Geoffrey BrooksDeadline: 20 October 2025
Topic in
Alloys, Materials, Metals
Development of Light Alloys with Excellent Mechanical Properties
Topic Editors: Zhirou Zhang, Isaac ChangDeadline: 31 December 2025
Topic in
JFB, Materials, Metals, Nanomanufacturing, Nanomaterials
Physical Methods for the Synthesis of Materials and Their Applications
Topic Editors: Vincenzo Amendola, Gregory GuisbiersDeadline: 31 March 2026
Topic in
Applied Sciences, Buildings, Construction Materials, CMD, Materials, Metals
Construction Materials: Corrosion, Prevention and Protection
Topic Editors: Sergio Lorenzi, Marco OrmelleseDeadline: 1 May 2026

Conferences
Special Issues
Special Issue in
Metals
Experimental Mineralogy and Crystallography of Metal-Based Materials
Guest Editor: Vilma PetkovaDeadline: 10 October 2025
Special Issue in
Metals
Green Super-Clean Steels
Guest Editor: Yanling ZhangDeadline: 15 October 2025
Special Issue in
Metals
Hydrogen Embrittlement of Metals: Behaviors and Mechanisms
Guest Editors: Kai Xu, Guiying QiaoDeadline: 15 October 2025
Special Issue in
Metals
Laser, Plasma and Radiation Processing of Metals, Alloys, and Composite Materials
Guest Editors: Milton Sergio Fernandes de Lima, Catalin-Daniel ConstantinescuDeadline: 15 October 2025