Previous Issue
Volume 13, November
 
 

Machines, Volume 13, Issue 12 (December 2025) – 71 articles

  • Issues are regarded as officially published after their release is announced to the table of contents alert mailing list.
  • You may sign up for e-mail alerts to receive table of contents of newly released issues.
  • PDF is the official format for papers published in both, html and pdf forms. To view the papers in pdf format, click on the "PDF Full-text" link, and use the free Adobe Reader to open them.
Order results
Result details
Section
Select all
Export citation of selected articles as:
53 pages, 2845 KB  
Review
Digital Twin Approaches for Gear NVH Optimization: A Literature Review of Modeling, Data Integration, and Validation Gaps
by Krisztian Horvath and Ambrus Zelei
Machines 2025, 13(12), 1141; https://doi.org/10.3390/machines13121141 (registering DOI) - 15 Dec 2025
Abstract
Quiet drivetrains have become a central requirement in modern electric vehicles, where the absence of engine masking makes even subtle gear tones clearly audible. As a result, manufacturers are looking for more reliable ways to understand how design choices, manufacturing variability, and operating [...] Read more.
Quiet drivetrains have become a central requirement in modern electric vehicles, where the absence of engine masking makes even subtle gear tones clearly audible. As a result, manufacturers are looking for more reliable ways to understand how design choices, manufacturing variability, and operating conditions shape gear noise and vibration. Digital Twin (DT) approaches—linking high-fidelity models with measured data throughout the product lifecycle—offer a potential route to achieve this, but their use in gear NVH is still emerging. This review examines recent work from the past decade on DT concepts applied to gears and drivetrain NVH, drawing together advances in simulation, metrology, sensing, and data exchange standards. The survey shows that several building blocks of an NVH-oriented twin already exist, yet they are rarely combined into an end-to-end workflow. Clear gaps remain. Current models still struggle with high-frequency behavior. Real-time operation is also limited. Manufacturing and test data are often disconnected from simulations. Validation practices lack consistent NVH metrics. Hybrid and surrogate modeling methods are used only to a limited extent. The sustainability benefits of reducing prototypes are rarely quantified. These gaps define the research directions needed to make DTs a practical tool for future gear NVH development. A research Gap Map is presented, categorizing these gaps and their impact. For each gap, we propose actionable future directions—from multiscale “hybrid twins” that merge test data with simulations, to benchmark datasets and standards for DT NVH validation. Closing these gaps will enable more reliable gear DTs that reduce development costs, improve acoustic quality, and support sustainable, data-driven NVH optimization. Full article
36 pages, 3105 KB  
Review
Reinforcement Learning for Industrial Automation: A Comprehensive Review of Adaptive Control and Decision-Making in Smart Factories
by Yasser M. Alginahi, Omar Sabri and Wael Said
Machines 2025, 13(12), 1140; https://doi.org/10.3390/machines13121140 - 15 Dec 2025
Abstract
The accelerating integration of Artificial Intelligence (AI) in Industrial Automation has established Reinforcement Learning (RL) as a transformative paradigm for adaptive control, intelligent optimization, and autonomous decision-making in smart factories. Despite the growing literature, existing reviews often emphasize algorithmic performance or domain-specific applications, [...] Read more.
The accelerating integration of Artificial Intelligence (AI) in Industrial Automation has established Reinforcement Learning (RL) as a transformative paradigm for adaptive control, intelligent optimization, and autonomous decision-making in smart factories. Despite the growing literature, existing reviews often emphasize algorithmic performance or domain-specific applications, neglecting broader links between methodological evolution, technological maturity, and industrial readiness. To address this gap, this study presents a bibliometric review mapping the development of RL and Deep Reinforcement Learning (DRL) research in Industrial Automation and robotics. Following the PRISMA 2020 protocol to guide the data collection procedures and inclusion criteria, 672 peer-reviewed journal articles published between 2017 and 2026 were retrieved from Scopus, ensuring high-quality, interdisciplinary coverage. Quantitative bibliometric analyses were conducted in R using Bibliometrix and Biblioshiny, including co-authorship, co-citation, keyword co-occurrence, and thematic network analyses, to reveal collaboration patterns, influential works, and emerging research trends. Results indicate that 42% of studies employed DRL, 27% focused on Multi-Agent RL (MARL), and 31% relied on classical RL, with applications concentrated in robotic control (33%), process optimization (28%), and predictive maintenance (19%). However, only 22% of the studies reported real-world or pilot implementations, highlighting persistent challenges in scalability, safety validation, interpretability, and deployment readiness. By integrating a review with bibliometric mapping, this study provides a comprehensive taxonomy and a strategic roadmap linking theoretical RL research with practical industrial applications. This roadmap is structured across four critical dimensions: (1) Algorithmic Development (e.g., safe, explainable, and data-efficient RL), (2) Integration Technologies (e.g., digital twins and IoT), (3) Validation Maturity (from simulation to real-world pilots), and (4) Human-Centricity (addressing trust, collaboration, and workforce transition). These insights can guide researchers, engineers, and policymakers in developing scalable, safe, and human-centric RL solutions, prioritizing research directions, and informing the implementation of Industry 5.0–aligned intelligent automation systems emphasizing transparency, sustainability, and operational resilience. Full article
Show Figures

Figure 1

17 pages, 3780 KB  
Article
A Weighted Control Strategy Based on Current Imbalance Degree for Vienna Rectifiers Under Unbalanced Grid
by Haigang Wang, Zongwei Liu and Muqin Tian
Machines 2025, 13(12), 1139; https://doi.org/10.3390/machines13121139 - 12 Dec 2025
Viewed by 58
Abstract
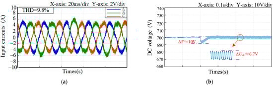
Under unbalanced grid conditions, the three-phase Vienna rectifier exhibits significant voltage fluctuations in dc-link and asymmetric input currents. Traditional control methods cannot simultaneously suppress the voltage ripples in dc-link and balance the input currents. Therefore, a weighted control strategy based on the degree [...] Read more.
Under unbalanced grid conditions, the three-phase Vienna rectifier exhibits significant voltage fluctuations in dc-link and asymmetric input currents. Traditional control methods cannot simultaneously suppress the voltage ripples in dc-link and balance the input currents. Therefore, a weighted control strategy based on the degree of current imbalance is proposed in this paper. The strategy is implemented within a dual closed-loop architecture, featuring a finite-set model predictive control (FS-MPC) method in the current loop and a sliding mode control (SMC) method in the voltage loop. In the current loop, the two control objectives of voltage in dc-link and input current are weighted, and the weighting factor is dynamically adjusted based on the degree of current imbalance. This strategy can simultaneously achieve control for input current symmetry and dc-link voltage balance under unbalanced grid conditions. Finally, a 2 kW Vienna rectifier experimental platform was independently constructed. Simulation and experimental results indicate that under unbalanced grid conditions, the proposed control strategy achieves approximately 10% lower total harmonic distortion (THD) and maintains DC-link voltage fluctuation within 5 V, compared to traditional control methods. Full article
(This article belongs to the Section Electrical Machines and Drives)
Show Figures

Figure 1

20 pages, 7938 KB  
Article
Combination of Finite Element Spindle Model with Drive-Based Cutting Force Estimation for Assessing Spindle Bearing Load of Machine Tools
by Chris Schöberlein, Daniel Klíč, Michal Holub, Holger Schlegel and Martin Dix
Machines 2025, 13(12), 1138; https://doi.org/10.3390/machines13121138 - 12 Dec 2025
Viewed by 122
Abstract
Monitoring spindle bearing load is essential for ensuring machining accuracy, reliability, and predictive maintenance in machine tools. This paper presents an approach that combines drive-based cutting force estimation with a finite element method (FEM) spindle model. The drive-based method reconstructs process forces from [...] Read more.
Monitoring spindle bearing load is essential for ensuring machining accuracy, reliability, and predictive maintenance in machine tools. This paper presents an approach that combines drive-based cutting force estimation with a finite element method (FEM) spindle model. The drive-based method reconstructs process forces from the motor torque signal of the feed axes by modeling and compensating motion-related torque components, including static friction, acceleration, gravitation, standstill, and periodic disturbances. The inverse mechanical and control transfer behavior is also considered. Input signals include the actual motor torque, axis position, and position setpoint, recorded by the control system’s internal measurement function at the interpolator clock rate. Cutting forces are then calculated in MATLAB/Simulink and used as inputs for the FEM spindle model. Rolling elements are replaced by bushing joints with stiffness derived from datasheets and adjusted through experiments. Force estimation was validated on a DMC 850 V machining center using a standardized test workpiece, with results compared against a dynamometer. The spindle model was validated separately on a MCV 754 Quick machine under static loading. The combined approach produced consistent results and identified the front bearing as the most critically loaded. The method enables practical spindle bearing load estimation without external sensors, lowering system complexity and cost. Full article
(This article belongs to the Special Issue Machines and Applications—New Results from a Worldwide Perspective)
Show Figures

Figure 1

23 pages, 6327 KB  
Article
The Product Variety Costing Method (PVCM): A Data-Driven Approach to Resource Allocation and Cost Evaluation
by Morten Nørgaard, Jakob Meinertz Grønvald, Carsten Keinicke Fjord Christensen and Niels Henrik Mortensen
Machines 2025, 13(12), 1137; https://doi.org/10.3390/machines13121137 - 12 Dec 2025
Viewed by 123
Abstract
This study introduces the Product Variety Costing Method (PVCM), a data-driven framework that addresses the limitations of existing costing approaches, which fail to accurately present the cost of product and part variety, thereby constraining cost-informed decision-making in modular product development. Traditional cost allocation [...] Read more.
This study introduces the Product Variety Costing Method (PVCM), a data-driven framework that addresses the limitations of existing costing approaches, which fail to accurately present the cost of product and part variety, thereby constraining cost-informed decision-making in modular product development. Traditional cost allocation methods often lack one or more of the following: a full life-cycle perspective, a lower level of granularity according to the product structure, or a combined integration of qualitative and quantitative data. The PVCM bridges these gaps by combining Time-Driven Activity-Based Costing (TDABC) with hierarchical product structures and empirical enterprise data, enabling the quantification of variety-induced resource consumption across components, subsystems, and complete products. An industrial application demonstrates that the PVCM enhances cost accuracy and transparency by linking resource use directly to specific product abstraction levels, thereby highlighting the true cost impact of product variety. In this case, results revealed deviations of up to 60% in the adjusted contribution margin ratio relative to traditional overhead-based methods, clearly indicating the influence of product variety on cost assessments. The method supports design and managerial decision-making by allowing evaluation of modularization based on detailed cost insights. While the study’s scope is limited to selected life-cycle phases and a single company case, the findings highlight the method’s future potential as a generalizable tool for evaluating economic benefits of modularization. Ultimately, the PVCM contributes to a more transparent and analytically grounded understanding of the cost of variety in complex product portfolios. Full article
(This article belongs to the Special Issue Assessing New Trends in Sustainable and Smart Manufacturing)
Show Figures

Figure 1

22 pages, 1402 KB  
Article
Spacecraft Health Status Monitoring Method Based on Multidimensional Data Fusion
by Hanyu Liang, Chengrui Liu, Wenjing Liu, Wenbo Li and Yan Zhang
Machines 2025, 13(12), 1136; https://doi.org/10.3390/machines13121136 - 12 Dec 2025
Viewed by 56
Abstract
To address the difficulty of detecting on-orbit faults of spacecraft under complex operating conditions in time, rational monitoring and assessment of spacecraft health status are essential for ensuring its safe, stable, and reliable operation. Considering the complexity, coupling, and multidimensionality of telemetry data, [...] Read more.
To address the difficulty of detecting on-orbit faults of spacecraft under complex operating conditions in time, rational monitoring and assessment of spacecraft health status are essential for ensuring its safe, stable, and reliable operation. Considering the complexity, coupling, and multidimensionality of telemetry data, this paper proposes a method for monitoring the health status of spacecraft based on multidimensional data fusion for a key electromechanical component of a spacecraft control system. The method first extracts the explicit and implicit features of the multidimensional coupled telemetry parameters via physical feature formulas and a stacked autoencoder. Then, the extracted features are fused and filtered to obtain the health factor—a performance degradation trend described the evolution law of key component health status over runtime. Moreover, the different degradation stages are identified via an unsupervised clustering algorithm. Finally, a Bidirectional Long Short-Term Memory (Bi-LSTM) is used to construct a health status prediction model in stages. By taking Control Moment Gyroscopes (CMGs) as experimental verification subjects, the proposed method demonstrates significantly superior performance compared to other methods across prediction accuracy metrics including MSE, RMSE, and R2. This study provides robust technical support for health status monitoring of key spacecraft electromechanical components under specific fault modes. Full article
Show Figures

Figure 1

16 pages, 565 KB  
Article
Analytical Regression and Geometric Validation of the Blade Arc Segment BC in a Michell–Banki Turbine
by Mauricio A. Díaz Raby, Gonzalo A. Moya Navarrete and Jacobo Hernandez-Montelongo
Machines 2025, 13(12), 1135; https://doi.org/10.3390/machines13121135 - 12 Dec 2025
Viewed by 141
Abstract
This study introduces a systematic methodology for modelling the radius of curvature of the arc-shaped section BC in a Michell–Banki cross-flow turbine blade. The method combines geometric modeling in polar coordinates with nonlinear regression, using both two- and three-parameter formulations estimated through [...] Read more.
This study introduces a systematic methodology for modelling the radius of curvature of the arc-shaped section BC in a Michell–Banki cross-flow turbine blade. The method combines geometric modeling in polar coordinates with nonlinear regression, using both two- and three-parameter formulations estimated through the Ordinary Least Squares (OLS) method. Model performance is assessed through two complementary criteria: the coefficient of determination (R2) and the computed arc length, ensuring that statistical accuracy aligns with geometric fidelity. The methodology was validated on digital measurements obtained from CATIA, using datasets with N=187 and a reduced subset of N=48 points. Results demonstrate that even with fewer data points, the regression model maintains high predictive accuracy and geometric consistency. The best-performing three-parameter model achieved R2=0.958, with a five-point Gauss–Legendre quadrature yielding an arc length of approximately 145mm, representing 98.8% agreement with the reference value of 146.78mm. By representing the arc as a single smooth exponential function rather than a piecewise mapping, the approach simplifies analysis and enhances reproducibility. Coupling regression precision with arc-length verification provides a robust and reproducible basis for curvature modeling. This methodology supports turbine blade design, manufacturing, and quality control by ensuring that the blade geometry is validated with high statistical confidence and physical accuracy. Future research will focus on deriving analytical arc-length integrals and integrating the procedure into automated design and inspection workflows. Full article
(This article belongs to the Special Issue Non-Conventional Machining Technologies for Advanced Materials)
Show Figures

Figure 1

30 pages, 4814 KB  
Article
Cross-Embodiment Kinematic Behavioral Cloning (X-EKBC): An Energy-Based Framework for Human–Robot Imitation Learning with the Embodiment Gap
by Yoshiki Tsunekawa, Masaki Tanaka and Kosuke Sekiyama
Machines 2025, 13(12), 1134; https://doi.org/10.3390/machines13121134 - 10 Dec 2025
Viewed by 111
Abstract
In imitation learning with the embodiment gap, directly transferring human motions to robots is challenging due to differences in body structures. Therefore, it is necessary to reconstruct human motions in accordance with each robot’s embodiment. Our previous work focused on the right arm [...] Read more.
In imitation learning with the embodiment gap, directly transferring human motions to robots is challenging due to differences in body structures. Therefore, it is necessary to reconstruct human motions in accordance with each robot’s embodiment. Our previous work focused on the right arm of a humanoid robot, which limited the generality of the approach. To address this, we propose Cross-Embodiment Kinematic Behavioral Cloning (X-EKBC), an imitation learning framework that enables movement-level imitation on a one-to-one basis between humans and multiple robots with embodiment gaps. We introduce a joint matrix that represents the structural correspondence between the human and robot bodies, and by solving kinematics based on this matrix, the system can efficiently reconstruct motions adapted to each robot’s embodiment. Furthermore, by employing Implicit Behavioral Cloning (IBC), the proposed method achieves both imitation learning of the reconstructed motions and quantitative evaluation of embodiment gaps using energy-based modeling. As a result, motion reconstruction through the joint matrix became feasible, enabling both imitation learning and quantitative embodiment evaluation based on reconstructed behaviors. Future work will aim to extend this framework toward motion-level imitation that captures higher-level behavioral outcomes. Full article
(This article belongs to the Special Issue Robots with Intelligence: Developments and Applications)
Show Figures

Figure 1

25 pages, 2873 KB  
Article
Dynamic Attention Analysis of Body Parts in Transformer-Based Human–Robot Imitation Learning with the Embodiment Gap
by Yoshiki Tsunekawa and Kosuke Sekiyama
Machines 2025, 13(12), 1133; https://doi.org/10.3390/machines13121133 - 10 Dec 2025
Viewed by 108
Abstract
In imitation learning between humans and robots, the embodiment gap is a key challenge. By focusing on a specific body part and compensating for the rest according to the robot’s size, the embodiment gap can be overcome. In this paper, we analyze dynamic [...] Read more.
In imitation learning between humans and robots, the embodiment gap is a key challenge. By focusing on a specific body part and compensating for the rest according to the robot’s size, the embodiment gap can be overcome. In this paper, we analyze dynamic attention to body parts in imitation learning between humans and robots based on a Transformer model. To adapt human imitation movements to a robot, we solved forward and inverse kinematics using the Levenberg–Marquardt method and performed feature extraction using the k-means method to make the data suitable for Transformer input. The imitation learning process is carried out using the Transformer. UMAP is employed to visualize the attention layer within the Transformer. As a result, this system enabled imitation of movements while focusing on multiple body parts between humans and robots with an embodiment gap, revealing the transitions of body parts receiving attention and their relationships in the robot’s acquired imitation movements. Full article
(This article belongs to the Special Issue Robots with Intelligence: Developments and Applications)
Show Figures

Figure 1

19 pages, 2938 KB  
Article
Adaptive Funnel Control of Hydraulic Excavator Based on Neural Network
by Yuhe Li and Xiaowen Qi
Machines 2025, 13(12), 1132; https://doi.org/10.3390/machines13121132 - 9 Dec 2025
Viewed by 116
Abstract
To address the challenge of controlling the hydraulic excavator’s precise motion, a nonlinear backstepping control algorithm is designed, combining a funnel function and a neural network (NN), which effectively compensates for the influence of unmodeled dynamics and external disturbances on the hydraulic excavator’s [...] Read more.
To address the challenge of controlling the hydraulic excavator’s precise motion, a nonlinear backstepping control algorithm is designed, combining a funnel function and a neural network (NN), which effectively compensates for the influence of unmodeled dynamics and external disturbances on the hydraulic excavator’s control system. Specifically, an improved funnel function is introduced to characterize both the steady-state and transient performance of the system simultaneously, thereby limiting the joint tracking error within predetermined performance constraints and enhancing the trajectory tracking accuracy. Two RBFNN estimators are employed to address the uncertain coupled mechanical dynamics and nonlinear hydraulic dynamics, respectively. The weight updating law is generated based on the gradient descent method, which can prevent high-gain feedback and enhance the system’s robustness. Finally, the stability of the closed-loop system is rigorously proven using the Lyapunov function analysis method. To verify the effectiveness of the proposed algorithm, simulations and experimental research are conducted under various external disturbances, using the excavator’s flat working condition as a case study. The results demonstrate that the controller maintains good control performance and robustness even in the presence of uncertainties and external disturbances within the system. Full article
(This article belongs to the Section Automation and Control Systems)
Show Figures

Figure 1

20 pages, 20968 KB  
Article
Influence of the Tool Geometry on the Surface Properties in Ultrasonic Vibration Superimposed Machining of Bronze
by Hendrik Liborius, Jonas Maximilian Werner, Andreas Nestler, Welf-Guntram Drossel and Andreas Schubert
Machines 2025, 13(12), 1131; https://doi.org/10.3390/machines13121131 - 9 Dec 2025
Viewed by 98
Abstract
Ultrasonic vibration superimposed turning represents a highly efficient method for surface microstructuring, which enables a combination with finish machining. However, there are almost no industrial applications of this process due to the special kinematics. Furthermore, the effects of the varying cutting conditions combined [...] Read more.
Ultrasonic vibration superimposed turning represents a highly efficient method for surface microstructuring, which enables a combination with finish machining. However, there are almost no industrial applications of this process due to the special kinematics. Furthermore, the effects of the varying cutting conditions combined with the tool geometry on the resulting surfaces and process stability are not yet fully understood. In experimental investigations, specimens consisting of bronze (CuSn7Pb15-C) are machined by ultrasonic vibration superimposed turning. The influence of the geometry of the MCD-tipped indexable inserts on the surface microstructure is analyzed. Indexable inserts with different rake angles (0°, −10°, and −20°) and artificially generated flank wear lands (widths 50 µm and 100 µm) are used. Moreover, the influences of the cutting speed (120 m/min, 480 m/min) and the feed (0.05 mm, 0.1 mm) are analyzed. While machining, the strain of the sonotrode is detected by an integrated fiber Bragg grating. Subsequent to machining, geometrical surface properties are determined by SEM and 3D surface analysis using focus variation. Furthermore, kinematic simulations are realized, enabling the comparison with the generated surfaces. Generally, there is a high concordance between the simulated and the generated surfaces. However, in particular when the tool flank face gets in contact with the specimen, deviations are visible, especially the formation of burr. Summarized, the research improves the understanding of the mechanisms in ultrasonic vibration superimposed turning and the formation of the surface microstructures. Full article
(This article belongs to the Special Issue Recent Advances in Surface Integrity with Machining and Milling)
Show Figures

Figure 1

27 pages, 16096 KB  
Article
Effect of Dynamic Tilting Speed on the Flow Field of Distributed Multi-Propeller Tilt-Wing Aircraft During Transition Flight
by Jiahao Zhu, Yongjie Shi, Taihang Ma, Guohua Xu and Zhiyuan Hu
Machines 2025, 13(12), 1130; https://doi.org/10.3390/machines13121130 - 9 Dec 2025
Viewed by 158
Abstract
Advances in distributed electric propulsion and urban air mobility technologies have spurred a surge of research on electric Vertical Take-Off and Landing (eVTOL) aircraft. Distributed Multi-Propeller Tilting-Wing (DMT) eVTOL configurations offer higher forward flight speed and efficiency. However, aerodynamic challenges during the transition [...] Read more.
Advances in distributed electric propulsion and urban air mobility technologies have spurred a surge of research on electric Vertical Take-Off and Landing (eVTOL) aircraft. Distributed Multi-Propeller Tilting-Wing (DMT) eVTOL configurations offer higher forward flight speed and efficiency. However, aerodynamic challenges during the transition phase have limited their practical application. This study develops a high-fidelity body-fitted mesh CFD numerical simulation method for flow field calculations of DMT aircraft. Using the reverse overset assembly method and CPU-GPU collaborative acceleration technology, the accuracy and efficiency of flow field simulations are enhanced. Using the established method, the influence of dynamic tilting speeds on the flow field of this configuration is investigated. This paper presents the variations in the aerodynamic characteristics of the tandem propellers and tilt-wings throughout the full tilt process under different tilting speeds, analyzes the mechanisms behind reductions in the propeller’s aerodynamic performance and tilt-wing lift overshoot, and conducts a detailed comparison of flow field distribution characteristics under fixed-angle tilting, slow tilting, and fast tilting conditions. The study explores the influence mechanism of tilting speed on blade tip vortex-lifting surface interactions and interference between tandem propellers and tilt-wings, providing valuable conclusions for the aerodynamic design and safe transition implementation of DMT aircraft. Full article
(This article belongs to the Section Machine Design and Theory)
Show Figures

Figure 1

25 pages, 3616 KB  
Article
A Deep Learning-Driven Semantic Mapping Strategy for Robotic Inspection of Desalination Facilities
by Albandari Alotaibi, Reem Alrashidi, Hanan Alatawi, Lamaa Duwayriat, Aseel Binnouh, Tareq Alhmiedat and Ahmad Al-Qerem
Machines 2025, 13(12), 1129; https://doi.org/10.3390/machines13121129 - 8 Dec 2025
Viewed by 152
Abstract
The area of robot autonomous navigation has become essential for reducing labor-intensive tasks. These robots’ current navigation systems are based on sensed geometrical structures of the environment, with the engagement of an array of sensor units such as laser scanners, range-finders, and light [...] Read more.
The area of robot autonomous navigation has become essential for reducing labor-intensive tasks. These robots’ current navigation systems are based on sensed geometrical structures of the environment, with the engagement of an array of sensor units such as laser scanners, range-finders, and light detection and ranging (LiDAR) in order to obtain the environment layout. Scene understanding is an important task in the development of robots that need to act autonomously. Hence, this paper presents an efficient semantic mapping system that integrates LiDAR, RGB-D, and odometry data to generate precise and information-rich maps. The proposed system enables the automatic detection and labeling of critical infrastructure components, while preserving high spatial accuracy. As a case study, the system was applied to a desalination plant, where it interactively labeled key entities by integrating Simultaneous Localization and Mapping (SLAM) with vision-based techniques in order to determine the location of installed pipes. The developed system was validated using an efficient development environment known as Robot Operating System (ROS) and a two-wheel-drive robot platform. Several simulations and real-world experiments were conducted to validate the efficiency of the developed semantic mapping system. The obtained results are promising, as the developed semantic map generation system achieves an average object detection accuracy of 84.97% and an average localization error of 1.79 m. Full article
Show Figures

Figure 1

19 pages, 1375 KB  
Review
Recent Developments in Electroadhesion Grippers for Automated Fruit Grasping
by Turac I. Ozcelik, Enrico Masi, Seyyed Masoud Kargar, Chiara Scagliarini, Adyan Fatima, Rocco Vertechy and Giovanni Berselli
Machines 2025, 13(12), 1128; https://doi.org/10.3390/machines13121128 - 8 Dec 2025
Viewed by 170
Abstract
As global food demand rises and agricultural labor shortages intensify, robotic automation has become essential for sustainable fruit grasping. Among emerging technologies, ElectroAdhesion (EA) grippers offer a promising alternative to traditional mechanical end-effectors, enabling gentle, low-pressure handling through electrostatically induced adhesion. This paper [...] Read more.
As global food demand rises and agricultural labor shortages intensify, robotic automation has become essential for sustainable fruit grasping. Among emerging technologies, ElectroAdhesion (EA) grippers offer a promising alternative to traditional mechanical end-effectors, enabling gentle, low-pressure handling through electrostatically induced adhesion. This paper presents a methodical review of EA grippers applied to fruit grasping, focusing on their advantages, limitations, and key design considerations. A targeted literature search identified ten EA-based and hybrid EA gripping systems tested on fruit manipulation, though none has yet been tested in real-world environments such as fields or greenhouses. Despite a significant variability in experimental setups, materials, and grasp types, qualitative insights are drawn from our analysis demonstrating the potentialities of EA technologies. The EA grippers found in the targeted review are effective on diverse fruits, shapes, and surface textures; they can hold load capacities ranging from 10 g (~0.1 N) to 600 g (~6 N) and provide minimal compressive stress at high electrostatic shear forces. Along with custom EA grippers designed accordingly to specific use cases, field and greenhouse testing will be crucial for advancing the technology readiness level of EA grippers and unlocking their full potential in automated crop harvesting. Full article
Show Figures

Figure 1

30 pages, 470 KB  
Article
Clustered Reverse Resumable A* Algorithm for Warehouse Robot Pathfinding
by Gábor Csányi and László Z. Varga
Machines 2025, 13(12), 1127; https://doi.org/10.3390/machines13121127 - 8 Dec 2025
Viewed by 182
Abstract
Robots are widely used to carry goods in automated warehouses. Planning collision-free paths for multiple robots which are continuously given new goals is called Lifelong Multi-Agent Pathfinding. In a lifelong environment, conflicts may emerge among the robots, and continuous replanning is needed. We [...] Read more.
Robots are widely used to carry goods in automated warehouses. Planning collision-free paths for multiple robots which are continuously given new goals is called Lifelong Multi-Agent Pathfinding. In a lifelong environment, conflicts may emerge among the robots, and continuous replanning is needed. We propose, develop, implement, and evaluate the novel approach called the Clustered Reverse Resumable A* (CRRA*) algorithm to enhance the continuous computation of the shortest path from the changing position of a robot to its goal. The Priority Inheritance with Backtracking (PIBT) algorithm is the currently known most efficient algorithm to handle the pathfinding of thousands of robots in a warehouse. The PIBT algorithm requires that in each step each robot evaluates the distances from its surrounding positions to its goal; therefore, we integrate the CRRA* algorithm with the PIBT algorithm to evaluate CRRA*. The evaluation results show that the CRRA* leads to a significant reduction in computation time, especially in larger warehouses where the obstacles form well-separated spaces. At the same time, the degradation in solution quality is minimal. The CRRA* algorithm is more efficient in larger warehouses than the plain Reverse Resumable A* (RRA*) algorithm. The faster computation of slightly suboptimal paths can be useful in many practical applications, especially in situations where real-time planning is more important than finding the optimal paths. CRRA* can also be used as a heuristic in any multi-agent pathfinding solution to obtain a faster, nearly accurate heuristic. Full article
(This article belongs to the Special Issue Autonomous Navigation of Mobile Robots and UAVs, 2nd Edition)
Show Figures

Figure 1

23 pages, 21889 KB  
Article
Multi-Stage Domain-Adapted 6D Pose Estimation of Warehouse Load Carriers: A Deep Convolutional Neural Network Approach
by Hisham ElMoaqet, Mohammad Rashed and Mohamed Bakr
Machines 2025, 13(12), 1126; https://doi.org/10.3390/machines13121126 - 8 Dec 2025
Viewed by 216
Abstract
Intelligent autonomous guided vehicles (AGVs) are of huge importance in facilitating the automation of load handling in the era of Industry 4.0. AGVs heavily rely on environmental perception, such as the 6D poses of objects, in order to execute complex tasks efficiently. Therefore, [...] Read more.
Intelligent autonomous guided vehicles (AGVs) are of huge importance in facilitating the automation of load handling in the era of Industry 4.0. AGVs heavily rely on environmental perception, such as the 6D poses of objects, in order to execute complex tasks efficiently. Therefore, estimating the 6D poses of objects in warehouses is crucial for proper load handling in modern intra-logistics warehouse environments. This study presents a deep convolutional neural network approach for estimating the pose of warehouse load carriers. Recognizing the paucity of labeled real 6D pose estimation data, the proposed approach uses only synthetic RGB warehouse data to train the network. Domain adaption was applied using a Contrastive Unpaired Image-to-Image Translation (CUT) Network to generate domain-adapted training data that can bridge the domain gap between synthetic and real environments and help the model generalize better over realistic scenes. In order to increase the detection range, a multi-stage refinement detection pipeline is developed using consistent multi-view multi-object 6D pose estimation (CosyPose) networks. The proposed framework was tested with different training scenarios, and its performance was comprehensively analyzed and compared with a state-of-the-art non-adapted single-stage pose estimation approach, showing an improvement of up to 80% on the ADD-S AUC metric. Using a mix of adapted and non-adapted synthetic data along with splitting the state space into multiple refiners, the proposed approach achieved an ADD-S AUC performance greater than 0.81 over a wide detection range, from one and up to five meters, while still being trained on a relatively small synthetic dataset for a limited number of epochs. Full article
(This article belongs to the Special Issue Industry 4.0: Intelligent Robots in Smart Manufacturing)
Show Figures

Figure 1

26 pages, 4415 KB  
Article
A Module Configuration Design Approach for Complex Equipment of Port Shipping Based on Heterogeneous Customer Requirements and Product Operational Data
by Xiaozhen Lian, Xinyi Luo and Deying Su
Machines 2025, 13(12), 1125; https://doi.org/10.3390/machines13121125 - 7 Dec 2025
Viewed by 126
Abstract
Modularization fails to adequately meet the diverse customer requirements and the product operational data for complex equipment of port shipping (CEPS). To address this challenge, we propose a module configuration design approach (MCDA) that incorporates module parameter planning (MPP) and service module customization [...] Read more.
Modularization fails to adequately meet the diverse customer requirements and the product operational data for complex equipment of port shipping (CEPS). To address this challenge, we propose a module configuration design approach (MCDA) that incorporates module parameter planning (MPP) and service module customization (SMC). Initially, the design ranges and weights of functional requirements are established using fuzzy information derived from customer requirements, facilitated by fuzzy quality function deployment. Subsequently, a multi-objective model of MPP is developed, incorporating the cost utility, information content, and delivery time of module and product based on a probabilistic assessment of module instances from operational data. The non-dominated sorting genetic algorithm II (NSGA-II) is employed to derive the solution set for MPP. The personalized configuration of the Pareto solution set for SMC is derived based on each objective function pair. Finally, we illustrate the effectiveness of the proposed approach through a case study involving a wheel loader and method comparison. Full article
Show Figures

Figure 1

25 pages, 1472 KB  
Article
Predicting Operational Reliability of the Directional Control Valves of the Hydraulic Press System Using Taguchi Method and Regression Analysis
by Borivoj Novaković, Mica Djurdjev, Luka Djordjević, Vesna Drakulović, Ljiljana Radovanović and Velibor Premčevski
Machines 2025, 13(12), 1124; https://doi.org/10.3390/machines13121124 - 7 Dec 2025
Viewed by 200
Abstract
This paper presents a study that investigates the operational reliability of directional control valves used in hydraulic press systems by applying the Taguchi method and regression analysis. The research focuses on key hydraulic parameters—kinematic viscosity, internal leakage, pressure, and temperature—to identify their influence [...] Read more.
This paper presents a study that investigates the operational reliability of directional control valves used in hydraulic press systems by applying the Taguchi method and regression analysis. The research focuses on key hydraulic parameters—kinematic viscosity, internal leakage, pressure, and temperature—to identify their influence on valve reliability. Three valves (DCV1–DCV3) were tested under identical conditions using an L8 orthogonal array to optimize the experimental design while maintaining statistical validity. The Taguchi analysis revealed that internal leakage is the dominant factor affecting valve reliability, consistently confirmed across all statistical evaluations, including signal-to-noise (S/N) ratios and ANOVA results. Regression models were developed for each valve to quantify the effect of each factor and showed excellent predictive accuracy (R2 > 98%). The study concludes that minimizing internal leakage, maintaining lower temperatures, and applying higher operating pressures significantly enhance valve reliability, while viscosity had negligible effect within the tested range. Valve DCV2 demonstrated the highest predicted reliability. These findings offer valuable insights for the optimization of hydraulic valve design and maintenance strategies, contributing to the improved performance and longevity of industrial hydraulic systems. Full article
Show Figures

Figure 1

24 pages, 2506 KB  
Article
A Predictive Maintenance Approach for Composting Plants Based on ERP and Digital Twin Integration
by Hamed Nozari and Agnieszka Szmelter-Jarosz
Machines 2025, 13(12), 1123; https://doi.org/10.3390/machines13121123 - 6 Dec 2025
Viewed by 220
Abstract
This study presents an integrated predictive maintenance framework for industrial machinery, designed through the combined use of digital twin technology, enterprise resource planning (ERP) systems, and machine learning algorithms. The proposed system focuses on enhancing machine reliability and operational automation by connecting physical [...] Read more.
This study presents an integrated predictive maintenance framework for industrial machinery, designed through the combined use of digital twin technology, enterprise resource planning (ERP) systems, and machine learning algorithms. The proposed system focuses on enhancing machine reliability and operational automation by connecting physical assets with their virtual counterparts and management systems. The digital twin acts as a real-time virtual model of critical equipment—such as aeration motors, mixers, and reactors—enabling continuous monitoring, dynamic simulation, and predictive fault detection. Meanwhile, the ERP system provides an integrated environment for maintenance scheduling, data management, and resource allocation, ensuring that maintenance decisions are data-driven and synchronized with operational workflows. Machine learning algorithms, implemented using hybrid physical–data models, predict equipment degradation trends and optimize maintenance interventions. The proposed framework was validated in an industrial-scale composting facility, where results demonstrated a 40% increase in mean time to failure (MTTF), a 35% reduction in repair time, and a 30% decrease in maintenance costs, resulting in a return on investment of 42.5% within the first year. The system’s modular architecture and high adaptability to different machinery types confirm its potential applicability to broader machine design and automation contexts, supporting the transition toward intelligent, self-maintaining industrial systems. Full article
Show Figures

Figure 1

26 pages, 24094 KB  
Article
Determining Relevant 3D Roughness Parameters for Sandblasted Surfaces: A Methodological Approach
by Maxence Bigerelle, Eddy Chevallier, Julie Lemesle, Raphael Deltombe, Frederic Robache, Romain Vayron, Nadiia Zubchuk, Ingrid Proriol-Serre, Stephane Benayoun and Karine Anselme
Machines 2025, 13(12), 1122; https://doi.org/10.3390/machines13121122 - 5 Dec 2025
Viewed by 260
Abstract
This study presents a robust methodology for analyzing 3D roughness parameters to characterize sandblasted surfaces, identifying the most relevant descriptors for process optimization. Sandblasting with irregularly shaped corundum particles is performed using five grit sizes (25, 50, 90, 125, and 250 µm) and [...] Read more.
This study presents a robust methodology for analyzing 3D roughness parameters to characterize sandblasted surfaces, identifying the most relevant descriptors for process optimization. Sandblasting with irregularly shaped corundum particles is performed using five grit sizes (25, 50, 90, 125, and 250 µm) and three pressure levels (2, 3, and 4 bar). The resulting surfaces are characterized through eight 3D roughness parameters: Sa, Spc, Sal, Sfd, Sdq, Sdr, Spd, and Str. A linear model of the form Q = a + b.D + d.D.P, where Q represents the roughness parameter, D is the average grit size, and P is the sandblasting pressure, is employed. For Spd, a nonlinear model, Spd = (a + b.D + d.D.P)2, yields a significantly improved determination coefficient, demonstrating the model’s enhanced ability to capture the complexity of the Spd parameter. The double-bootstrap analysis validates the statistical significance of all models, providing confidence intervals for each parameter. This approach emphasizes the importance of advanced 3D roughness descriptors for accurately analyzing surface textures in sandblasting processes, offering a reliable framework for surface characterization and industrial optimization. Full article
Show Figures

Figure 1

32 pages, 6322 KB  
Article
Development of a Robotic Manipulator for Piano Performance via Numbered Musical Notation Recognition
by Pu-Sheng Tsai, Ter-Feng Wu and Chen-Ting Liao
Machines 2025, 13(12), 1121; https://doi.org/10.3390/machines13121121 - 5 Dec 2025
Viewed by 293
Abstract
This paper presents a piano-playing robotic system that integrates numbered musical notation recognition with automated manipulator control. The system captures the notation using a camera, applies four-point detection for perspective correction, and performs measure segmentation through an orthogonal projection method. A pixel-scanning technique [...] Read more.
This paper presents a piano-playing robotic system that integrates numbered musical notation recognition with automated manipulator control. The system captures the notation using a camera, applies four-point detection for perspective correction, and performs measure segmentation through an orthogonal projection method. A pixel-scanning technique is then used to locate the positions of numerical notes, pitch dots, and rhythmic markers. Digit recognition is achieved using a CNN model trained on both the MNIST handwritten digit dataset and a custom computer-font digit dataset (CFDD), enabling robust identification of numerical symbols under varying font styles. The hardware platform consists of a 3D-printed robotic hand mounted on a linear rail and driven by an ESP32-based embedded controller with custom driver circuits. According to the recognized musical notes, the manipulator executes lateral positioning and vertical key-press motions to reproduce piano melodies. Experimental results demonstrate reliable notation recognition and accurate performance execution, confirming the feasibility of combining computer vision and robotic manipulation for low-cost, automated musical performance. Full article
(This article belongs to the Special Issue Advances and Challenges in Robotic Manipulation)
Show Figures

Figure 1

26 pages, 2026 KB  
Article
Advancing Intelligent Fault Diagnosis Through Enhanced Mechanisms in Transfer Learning
by Hadi Abbas and Ratna B. Chinnam
Machines 2025, 13(12), 1120; https://doi.org/10.3390/machines13121120 - 5 Dec 2025
Viewed by 243
Abstract
Intelligent Fault Diagnosis (IFD) systems are integral to predictive maintenance and real-time monitoring but often encounter challenges such as data scarcity, non-linearity, and changing operational conditions. To address these challenges, we propose an enhanced transfer learning framework that integrates the Universal Adaptation Network [...] Read more.
Intelligent Fault Diagnosis (IFD) systems are integral to predictive maintenance and real-time monitoring but often encounter challenges such as data scarcity, non-linearity, and changing operational conditions. To address these challenges, we propose an enhanced transfer learning framework that integrates the Universal Adaptation Network (UAN) with Spectral-normalized Neural Gaussian Process (SNGP), WideResNet, and attention mechanisms, including self-attention and an outlier attention layer. UAN’s flexibility bridges diverse fault conditions, while SNGP’s robustness enables uncertainty quantification for more reliable diagnostics. WideResNet’s architectural depth captures complex fault patterns, and the attention mechanisms focus the diagnostic process. Additionally, we employ Optuna for hyperparameter optimization, using a structured study to fine-tune model parameters and ensure optimal performance. The proposed approach is evaluated on benchmark datasets, demonstrating superior fault identification accuracy, adaptability to varying operational conditions, and resilience against data anomalies compared to existing models. Our findings highlight the potential of advanced machine learning techniques in IFD, setting a new standard for applying these methods in complex diagnostic environments. Full article
Show Figures

Graphical abstract

13 pages, 1819 KB  
Article
Development and Experimental Verification of a Thermal Elongation Prediction Model for Electric Spindles
by Xinyu Liu, Lefu Jiang and Han Ye
Machines 2025, 13(12), 1119; https://doi.org/10.3390/machines13121119 - 5 Dec 2025
Viewed by 208
Abstract
Thermal elongation in high-speed motorized spindles constitutes a major source of machining error in five-axis machine tools, critically impacting machining precision. This study aims to develop and validate a cumulative thermal error compensation model for predicting spindle thermal elongation, subsequently enabling effective compensation [...] Read more.
Thermal elongation in high-speed motorized spindles constitutes a major source of machining error in five-axis machine tools, critically impacting machining precision. This study aims to develop and validate a cumulative thermal error compensation model for predicting spindle thermal elongation, subsequently enabling effective compensation via a dedicated control algorithm. Key thermal error factors, primarily spindle speed and cumulative thermal error, were identified through analysis. An innovative numerical prediction model incorporating these factors was established. Its performance was evaluated through experiments utilizing eddy-current displacement sensors for high-speed, high-precision thermal elongation measurement. The validation results demonstrated the model’s strong predictive capability: During spindle startup, prediction errors exhibited minor transients, stabilizing near zero once the operating speed was reached. Under dynamic speed changes, the maximum prediction error was only 1.28 μm, with the overall maximum residual error recorded at 2.04 μm. These findings confirm the model’s high accuracy. Furthermore, the model exhibits excellent generalization capability, delivering significant compensation effectiveness across diverse variable-speed operating conditions. This work successfully developed a highly accurate numerical model and a practical compensation strategy, significantly enhancing the positioning accuracy of high-speed spindles against thermal disturbances. The proposed approach offers substantial engineering utility for thermal error compensation in precision machining applications. Full article
Show Figures

Figure 1

20 pages, 5165 KB  
Article
Development of a Test Rig for Detecting Fatigue Cracks in a Plastic Component of a Medical Device via Acoustic Signal Acquisitions
by Luigi Leopardi, Valerio Mangeruga, Matteo Giacopini, Marco Di Settimi and Roberto Rosi
Machines 2025, 13(12), 1118; https://doi.org/10.3390/machines13121118 - 4 Dec 2025
Viewed by 131
Abstract
This work presents the design and implementation of a mechanical test bench developed for the comparative evaluation of three configurations of a mechanical biomedical device: the reference version and two optimized alternatives aimed at improving long-term reliability and functional performance. The test bench [...] Read more.
This work presents the design and implementation of a mechanical test bench developed for the comparative evaluation of three configurations of a mechanical biomedical device: the reference version and two optimized alternatives aimed at improving long-term reliability and functional performance. The test bench performs mechanical fatigue testing under controlled and repeatable conditions, simulating the cyclic loads typical of real-world operation. A key innovation of this system is the integration of a non-invasive acoustic acquisition module, which continuously monitors the dynamic behavior of the device during testing. The analysis of acoustic signals allows for the early detection of wear, looseness, deformation, and the onset of structural defects, providing valuable insight into the device’s mechanical health without altering its configuration. This study also details the engineering design of the control system, emphasizing both hardware integration and software architecture supporting real-time signal processing. Experimental results demonstrate that acoustic analysis represents an effective non-destructive approach for evaluating the endurance and reliability of compact plastic biomedical devices. The proposed methodology contributes to more accurate service life estimation, supports product validation, and promotes continuous improvements in the safety and quality of mechanical systems used in biomedical applications. Full article
Show Figures

Figure 1

27 pages, 5669 KB  
Article
Vibration Spectrum Analysis of Rolling Bearings Based on Nonlinear Stiffness Model
by Dawei Guo, Hong He, Zhuyao Li, Chong Zhang and Jiyou Fei
Machines 2025, 13(12), 1117; https://doi.org/10.3390/machines13121117 - 4 Dec 2025
Viewed by 187
Abstract
This paper addresses the issue of fault diagnosis in high-speed train bogie bearings under complex working conditions and proposes a method for calculating the characteristic frequency of rolling bearings that takes into account the influence of radial clearance. By establishing a five-degree-of-freedom nonlinear [...] Read more.
This paper addresses the issue of fault diagnosis in high-speed train bogie bearings under complex working conditions and proposes a method for calculating the characteristic frequency of rolling bearings that takes into account the influence of radial clearance. By establishing a five-degree-of-freedom nonlinear dynamic model, this study systematically analyzes the modulation mechanism of radial clearance on the fault characteristic frequency of bearings and verifies the findings through an experimental platform. The results indicate that an increase in clearance not only leads to significant attenuation of the fault characteristic frequency amplitude, but also induces sideband modulation effects, thereby interfering with fault diagnosis accuracy. The experimental data show good agreement with the theoretical calculations, verifying the effectiveness of the proposed method. Specifically, the nonlinear stiffness-based characteristic frequency calculation reduces the prediction error from 6.9–5.7% under traditional theory to 2.3–3.4% across a wide range of rotational speeds. Meanwhile, the clearance-induced amplitude attenuation predicted by the model is also experimentally confirmed, with measured amplitude reductions of 35–42% as clearance increases from 0.2 μm to 0.5 μm. These results not only demonstrate the accuracy and engineering applicability of the method but also provide new theoretical foundations and practical references for health monitoring and early fault diagnosis of high-speed train bearings. Full article
(This article belongs to the Section Machine Design and Theory)
Show Figures

Figure 1

21 pages, 2192 KB  
Article
Development, Implementation and Experimental Assessment of Path-Following Controllers on a 1:5 Scale Vehicle Testbed
by Luca Biondo, Angelo Domenico Vella and Alessandro Vigliani
Machines 2025, 13(12), 1116; https://doi.org/10.3390/machines13121116 - 3 Dec 2025
Viewed by 269
Abstract
The development of control strategies for autonomous vehicles requires a reliable and cost-effective validation approach. In this context, testbeds enabling repeatable experiments under controlled conditions are gaining relevance. Scaled vehicles have proven to be a valuable alternative to full-scale or simulation-based testing, enabling [...] Read more.
The development of control strategies for autonomous vehicles requires a reliable and cost-effective validation approach. In this context, testbeds enabling repeatable experiments under controlled conditions are gaining relevance. Scaled vehicles have proven to be a valuable alternative to full-scale or simulation-based testing, enabling experimental validation while reducing costs and risks. This work presents a 1:5 scale modular vehicle platform, derived from a commercial Radio-Controlled (RC) vehicle and adapted as experimental testbed for control strategy validation and vehicle dynamics studies. The vehicle features an electric powertrain, operated through a Speedgoat Baseline Real-Time Target Machine (SBRTM). The hardware architecture includes a high-performance Inertial Measurement Unit (IMU) with embedded Global Navigation Satellite System (GNSS). An Extended Kalman Filter (EKF) is implemented to enhance positioning accuracy by fusing inertial and GNSS data, providing reliable estimates of the vehicle position, velocity, and orientation. Two path-following algorithms, i.e., Stanley Controller (SC) and the Linear Quadratic Regulator (LQR), are designed and integrated. Outdoor experimental tests enable the evaluation of tracking accuracy and robustness. The results demonstrate that the proposed scaled testbed constitutes a reliable and flexible platform for benchmarking autonomous vehicle controllers and enabling experimental testing. Full article
Show Figures

Figure 1

33 pages, 3790 KB  
Article
Block–Neighborhood-Based Multi-Objective Evolutionary Algorithm for Distributed Resource-Constrained Hybrid Flow Shop with Machine Breakdown
by Ying Xu, Shulan Lin and Junqing Li
Machines 2025, 13(12), 1115; https://doi.org/10.3390/machines13121115 - 3 Dec 2025
Viewed by 287
Abstract
Production scheduling that involves distributed factories, machine maintenance, and resource constraints plays a crucial role in manufacturing. However, these realistic constraints have rarely been considered simultaneously in the hybrid flow shop (HFS). To address this issue, a distributed resource-constrained hybrid flow shop scheduling [...] Read more.
Production scheduling that involves distributed factories, machine maintenance, and resource constraints plays a crucial role in manufacturing. However, these realistic constraints have rarely been considered simultaneously in the hybrid flow shop (HFS). To address this issue, a distributed resource-constrained hybrid flow shop scheduling problem with machine breakdowns (DRCHFSP-MB) is studied. There are two optimization objectives, i.e., makespan and total energy consumption (TEC). To solve the strongly NP-hard problem, a mathematical model is established and a block–neighborhood-based multi-objective evolutionary algorithm (BNMOEA) is developed. In the proposed algorithm, an efficient hybrid initialization method is adopted to obtain high-quality individuals to participate in the evolutionary process of the population. Next, to enhance the search capability of the BNMOEA, three well-designed crossover operators are used in the global search. Then, the convergence of the proposed algorithm is improved by utilizing eight critical factory-based local search operators combined with block–neighborhood. Finally, the BNMOEA is compared with several of the most advanced multi-objective algorithms; the results indicate that the BNMOEA has an outstanding performance in solving DRCHFSP-MB. Full article
Show Figures

Figure 1

19 pages, 3496 KB  
Article
Evaluating Low Temperature’s Impact on Lithium-Ion Batteries: Examination of Performance Metrics with Respect to Size and Chemistry
by Ahmed Abdelrahman, Yuxin Hu and Jie Liu
Machines 2025, 13(12), 1114; https://doi.org/10.3390/machines13121114 - 2 Dec 2025
Viewed by 699
Abstract
This study explores the effects of low temperatures on the performance of various lithium-ion batteries (LIBs), comparing different sizes and chemical compositions. Experiments were conducted in a sub-zero temperature environment, examining discharge behavior, internal resistance, and capacity retention. The findings reveal that smaller-sized [...] Read more.
This study explores the effects of low temperatures on the performance of various lithium-ion batteries (LIBs), comparing different sizes and chemical compositions. Experiments were conducted in a sub-zero temperature environment, examining discharge behavior, internal resistance, and capacity retention. The findings reveal that smaller-sized batteries (18650, 21700) have a marked resilience to cold, outperforming larger 26650 cells, with smaller average capacity declines noted in both LiCoO2 and LiMn2O2 chemistries. The study also introduces a new adaptive filtering technique for better battery behaviour analysis at low temperatures, which avoids distortion of important electrochemical signals. Full article
(This article belongs to the Section Robotics, Mechatronics and Intelligent Machines)
Show Figures

Figure 1

24 pages, 1571 KB  
Article
Improved FMEA Risk Assessment Based on Load Sharing and Its Application to a Magnetic Lifting System
by Bo Sun, Lei Wang, Jian Zhang and Ning Ding
Machines 2025, 13(12), 1113; https://doi.org/10.3390/machines13121113 - 2 Dec 2025
Viewed by 237
Abstract
Failure Mode and Effects Analysis (FMEA) is a systematic risk assessment tool that effectively evaluates the safety and reliability of products prior to their deployment. However, traditional FMEA fails to consider and leverage inherent system-specific information during risk assessment, while also neglecting the [...] Read more.
Failure Mode and Effects Analysis (FMEA) is a systematic risk assessment tool that effectively evaluates the safety and reliability of products prior to their deployment. However, traditional FMEA fails to consider and leverage inherent system-specific information during risk assessment, while also neglecting the weights of risk factors (RFs) when processing data related to the Risk Priority Number (RPN). This leads to significant subjectivity in the final risk ranking of failure modes. To overcome these drawbacks, this study proposes an improved FMEA risk assessment method based on load sharing, aiming to develop an improved FMEA method that addresses the critical limitations of traditional approaches by integrating load sharing principles and systematic weight determination, thereby enhancing risk assessment objectivity and accuracy in complex multi-component systems. First, probabilistic linguistic terms are adopted to quantify experts’ risk assessment information, and the geometric mean method is then used to aggregate assessments from multiple experts. Second, the Fuzzy Best–Worst Method (FBWM) is employed to determine the relative weights of the three RPN factors (Occurrence, Severity, and Detection). Additionally, partial system structural data are obtained through load sharing, and these data—combined with the calculated factor weights—are integrated into the Technique for Order Preference by Similarity to Ideal Solution (TOPSIS) to generate the final risk ranking of failure modes. Finally, a case study of a magnetic crane is conducted to verify the feasibility and effectiveness of the proposed method, supplemented by comparative experiments to demonstrate its superiority. Full article
(This article belongs to the Section Advanced Manufacturing)
Show Figures

Figure 1

21 pages, 34821 KB  
Article
The Study and Application of Quadrilateral Space-Time Absolute Nodal Coordinate Formulation Cable Element
by Dekun Chen, Jia Feng, Naidan Hou and Zhou Huang
Machines 2025, 13(12), 1112; https://doi.org/10.3390/machines13121112 - 2 Dec 2025
Viewed by 196
Abstract
The construction of a high-order shape function is a key and difficulty for unstructured grid mesh and sliding boundary problems. In this paper, a construction method of space-time absolute nodal coordinate formulation quadrilateral cable (SACQ) is proposed, and the accuracy of the SACQ [...] Read more.
The construction of a high-order shape function is a key and difficulty for unstructured grid mesh and sliding boundary problems. In this paper, a construction method of space-time absolute nodal coordinate formulation quadrilateral cable (SACQ) is proposed, and the accuracy of the SACQ element is studied and verified with three different applications. First, the shape function of SACQ is constructed with spatiotemporal reduction coordinates, and the action integral of SACQ is composed with the Lagrangian function and discrete with perspective transformation. Second, the numerical convergence region is discussed and determined with the Courant number. Furthermore, a space-time nodal dislocation and its relation with the Courant number are studied. The simulation and verification are focusing on some realistic problems. Finally, a one-sided impact, a free-flexible pendulum, a taut string with a sliding boundary and a deployable guyed mast under an impact transverse wave are simulated. In these problems, an unstructured grid meshed with SACQ has similar energy convergence and accuracy to a structured grid but shows better efficiency. Full article
(This article belongs to the Section Advanced Manufacturing)
Show Figures

Figure 1

Previous Issue
Back to TopTop