Abstract
Under unbalanced grid conditions, the three-phase Vienna rectifier exhibits significant voltage fluctuations in dc-link and asymmetric input currents. Traditional control methods cannot simultaneously suppress the voltage ripples in dc-link and balance the input currents. Therefore, a weighted control strategy based on the degree of current imbalance is proposed in this paper. The strategy is implemented within a dual closed-loop architecture, featuring a finite-set model predictive control (FS-MPC) method in the current loop and a sliding mode control (SMC) method in the voltage loop. In the current loop, the two control objectives of voltage in dc-link and input current are weighted, and the weighting factor is dynamically adjusted based on the degree of current imbalance. This strategy can simultaneously achieve control for input current symmetry and dc-link voltage balance under unbalanced grid conditions. Finally, a 2 kW Vienna rectifier experimental platform was independently constructed. Simulation and experimental results indicate that under unbalanced grid conditions, the proposed control strategy achieves approximately 10% lower total harmonic distortion (THD) and maintains DC-link voltage fluctuation within 5 V, compared to traditional control methods.
1. Introduction
The three-phase Vienna rectifier is widely employed in applications such as electric vehicle charging stations, aerospace power systems, and industrial motor drives, owing to its advantages of simple topology, high power density, and low voltage stress across its power switches [1,2,3,4]. Its high reliability and efficiency make it an ideal choice for the rectifier side of converters used in coal mine environments [5,6]. However, unbalanced grid conditions frequently occur due to factors such as the switching of high-power equipment and line-to-ground faults [7,8]. When the grid becomes unbalanced, traditional dual-loop control strategies, designed for balanced operation, fail to effectively suppress negative-sequence components. This asymmetry in AC-side currents leads to severe consequences, including significantly increased power losses in transmission lines, overheating of grid-tied transformers and rotating machinery, and the potential for resonance issues [9]. Additionally, the asymmetry can generate a zero-sequence current that triggers protection systems and leads to equipment shutdowns [10,11]. Furthermore, the negative-sequence currents on the AC side induce significant voltage fluctuations in the dc-link, affecting the stable operation of downstream loads [12].
Under the condition of an unbalanced grid, traditional control methods mainly include balanced positive-sequence current control (BPSC) and instantaneous active power control (IAPC) [13,14,15,16]. In Ref. [17], a direct decoupling synchronous method was proposed to extract the positive and negative sequence voltage components, with the objective of reducing voltage ripple in dc-link. This method uses a PI controller and a PR controller in the control loop, successfully achieving the control objective. However, it does not consider the impact of an unbalanced current. A finite-set predictive power control strategy was introduced in [18] to effectively suppress the second-order harmonic in the instantaneous power. However, its main drawback is a variable switching frequency, which places greater demand on hardware components and can lead to significant overshoot in the current input. Reference [19] proposes a model predictive duty-cycle control (MPDCC) method, which achieves decoupled control of the input current and voltage in dc-link by directly deriving and modifying the three-phase duty cycles. The method utilizes an additional degree of freedom to precisely regulate the voltage in dc-link. However, its performance under unbalanced grid conditions was not considered. Reference [20] introduces a negative-sequence current regulation coefficient to actively modify the phase relationship between the input current and the reference voltage. However, the calculation process for this coefficient is computationally intensive, as it involves complex state evaluation and solution steps. The work in [21] achieved multi-objective control by using power compensation to regulate system parameters, but the controller has a complex structure and exhibits large voltage deviations in dc-link with slow recovery times during load variations. A virtual flux direct power control method was proposed in [22] to indirectly obtain grid voltage information by estimating the virtual grid flux. However, this method is highly dependent on the accuracy of system model parameters. A decoupling control framework was proposed in [23] to address the dual imbalance problems on the AC and DC sides. This method regulates the voltage in dc-link and input current using algebraic modulation and a controlled impedance source method. Reference [24] proposes and analyzes a converter topology with a zero-sequence current path, which increases the degrees of freedom for system control by introducing zero-sequence current. This strategy can effectively reduce the current stress in the faulty phase compared with traditional three-wire converters. More recently, a power control strategy based on negative sequence current regulation was presented in [25], which introduced adjustment factors to balance active power delivery and current harmonic suppression, though the selection of these adjustment factors adds to the control complexity. Similarly, a composite strategy combining finite-set model predictive direct power control (FCS-MPDPC) with linear active disturbance rejection control (LADRC) was proposed in [26], but the parameters for the LADRC voltage loop are considerably more complex than for a conventional PI controller. The work in [27] proposes a space-vector modulation (SVM) suppression strategy that fundamentally addresses grid voltage imbalance by calculating a negative-sequence current regulation coefficient, k. This approach suppresses the oscillating active power, thereby eliminating input current zero-crossing distortion and stabilizing the DC-link voltage. Nevertheless, based on its simulation and experimental outcomes, asymmetry in the input current persists. A nonlinear control strategy based on sliding mode control is proposed in [28]. Compared with traditional linear controllers, it significantly enhances the dynamic response speed and robustness of the converter and simplifies the control design. A SMC strategy for Vienna rectifiers under unbalanced grid conditions was proposed in [29]. Its outer voltage loop employs sliding mode control, which enhances control robustness compared to traditional PI control, effectively suppressing input current harmonics and DC-link voltage fluctuations. However, the issue of output current asymmetry remains.
Following the above analysis, this paper proposes a weighted control strategy based on the degree of current imbalance to address the inherent problem between maintaining balanced input currents and ensuring voltage stability in dc-link under unbalanced grid conditions. The strategy is implemented within a dual-loop architecture, featuring an FS-MPC current loop for current regulation and an SMC voltage loop for voltage regulation. A weighting factor, dynamically adjusted based on the degree of current imbalance, is introduced to manage the two control objectives. This approach enables the Vienna rectifier to satisfy a specified requirement for AC-side input current asymmetry while simultaneously minimizing the resulting dc-link voltage fluctuations.
2. Mathematical Modeling of Vienna Rectifier
The topology of the three-phase Vienna rectifier is depicted in Figure 1. The rectifier is connected to the three-phase AC source, represented by grid voltages ex (x = a, b, c). Ls and Rs are the inductance and resistance of the grid-side filter, respectively. With the direction of current flow into the dc-link defined as positive, ix is the input phase current. Each phase leg is composed of a power switch Sx and a pair of diodes Dx1 and Dx2. The upper and lower capacitors C1 and C2 have equal capacitance values, while RL is the output resistance.
Figure 1.
The topology of the three-phase Vienna rectifier.
The output voltage for phase x of the Vienna rectifier is determined by its switching state, as summarized in Table 1. Under balanced dc-link conditions, the voltages on the upper and lower capacitors are equal, such that Udc1 = Udc2 = E. Sx (x = a, b, c) represents the switching status of the switching devices in the Vienna rectifier, where ‘1’ signifies device conduction and ‘0’ signifies device turn-off. SX (x = a, b, c) defines the output connection state of phase x of the Vienna rectifier. When the phase current ix is positive, ‘1’ indicates that the phase is connected to the positive capacitor of the dc-link. When ix is negative, ‘1’ indicates that the phase is connected to the negative capacitor of the dc-link. If SX is ‘0’, it signifies that the phase x is connected to the midpoint of the dc-link.
Table 1.
The switching status of the Vienna rectifier.
Based on the inherent current-forced commutation characteristic of the Vienna rectifier, the switching function SX (X = A, B, C) for phase x can be expressed as
Then the output voltage uxo of the Vienna rectifier can be expressed as:
Here, sgn(ix) represents the sign function, which can be expressed as
Based on the circuit structure of the Vienna rectifier, the voltage transfer equation in the three-phase stationary coordinate system, the two-phase stationary coordinate system, and the d − q coordinate system can be derived as
3. Control Methods Under Unbalanced Grid
Since the Vienna rectifier is connected in a three-phase three-wire system, the influence of zero-sequence voltage can be ignored under unbalanced grid conditions. Thus, the grid voltage and current are expressed as
where and are the positive and negative sequence components of the grid voltage in the d − q coordinate system, and are the positive and negative sequence components of the grid input current in the d − q coordinate system, and ω represents the frequency of the grid. Based on the instantaneous power theory [30,31], the instantaneous input active power of the Vienna rectifier can be expressed as
where the superscript “*” stands for the complex conjugate. The active power and reactive power of the Vienna rectifier can be expressed as follows
where P0 and Q0 represent the average values of active and reactive power, respectively, Pc2 and Ps2 represent the respective cosine and sine amplitudes of the second-harmonic active power ripple, Qc2 and Qs2 are the respective cosine and sine amplitudes of the second-harmonic reactive power ripple.
3.1. The Symmetrical Control of Input Current
The symmetry of the input current can be achieved by suppressing the negative sequence component of the current, that is = = 0. Thus, the expressions for active and reactive power in (9) are modified as
The reference current can be expressed as
When the control objective is to maintain the symmetrical of the input currents, the active power still exhibits a second-order harmonic.
3.2. The Suppression of Voltage Fluctuations in Dc-Link
The suppression of voltage fluctuations in dc-link can be achieved by eliminating the second harmonic of the active power, that is = = 0 [17]. Thus, the expressions for active and reactive power in (9) are modified as
The reference current can be expressed as
As shown in (13), when the control objective is to suppress the voltage fluctuation in the dc-link, the negative-sequence current component still exists, leading to asymmetrical input currents.
4. Implementation of the Proposed Method
From the above analysis, the traditional control strategies cannot simultaneously address current imbalance and dc-link voltage fluctuations under unbalanced grid conditions, which affects the stable operation of the Vienna rectifier. Here, this paper proposes a weighted control strategy that introduces a weighting factor λ in the current loop to balance the two conflicting objectives: maintaining input current symmetry and ensuring dc-link voltage stability. Additionally, a sliding mode control method is employed in voltage loop to maintain the stability of the input power.
4.1. Current Loop Control
When the control objective is to achieve balanced input currents, the reference current in the current loop can be obtained from (14).
When the control objective is to suppress voltage fluctuations in dc-link, the reference current in the current loop can be obtained from (15).
By introducing weighting factors λ, the final reference current in the current loop is obtained.
The imbalance degree ε represents the degree of current asymmetry, which can be expressed as
where I− is the RMS value of the negative sequence component of the current, and I+ is the RMS value of the positive sequence component of the current. This paper dynamically adjusts the value of the weighting factor λ based on the feedback of the current imbalance degree ε.
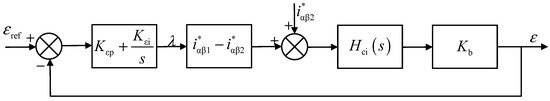
The control structure diagram is shown in Figure 2. As shown in the figure, Kεp and Kεi are the gains of the proportional and integral terms of the current imbalance PI controller, respectively. εref is the reference value for the current imbalance, that is, the permissible current imbalance during rectifier operation. To simplify calculations, − is replaced by its maximum value Ki, and the disturbance of is ignored. Hci(s) is the transfer function of the current loop, which can be regarded as an inertial link with a time constant of Tci. Kb represents the current imbalance control loop, which can be regarded as an inertial link with a time constant of Tb. The combined inertial link can be expressed as
where Ti = Tci + Tb. The simplified control structure diagram is shown in Figure 3. The open-loop transfer function of the current imbalance control system can be expressed as
where K = Kεi × Ki, the closed-loop transfer function is
Figure 2.
The control structure diagram of current imbalance degree.
Figure 3.
Simplified control structure diagram of current imbalance degree.
For the Vienna rectifier studied in this paper, the switching frequency is set to 10 kHz. Typically, the bandwidth of the current control loop is selected to be between 1/10 and 1/4 of the switching frequency. With a current loop bandwidth set at 2 kHz, the time constant Ti is approximately calculated to be 0.0001 s (0.1 ms).
The Bode Diagram of the closed-loop control system for imbalance degree is shown in Figure 4. The analysis indicates that parameter τε has a negligible effect on system performance. With τε = 30 and K = 1.2, the closed-loop transfer function of the system exhibits an amplitude gain of −3 dB at approximately 2 kHz.
Figure 4.
Bode diagram of the current imbalance closed-loop control system.
This paper employs the FS-MPC method to generate the switching signals for the Vienna rectifier’s power switches. The discretized current expression of the Vienna rectifier can be represented as
where iα(k + 1) and iβ(k + 1) represent the predicted values of the input current at time instant k + 1. iα(k) and iβ(k) represent the sampled values of the input current at time instant k. eα(k) and eβ(k) represent the sampled values of the grid voltage at time instant k. uα(k) and uβ(k) represent the output voltage of the Vienna rectifier.
The cost function of can be written as
where and represent the reference values of the input current at time instant k. and represent the reference values of the input current at time instant k + 1. γ is the weight coefficient for the neutral point potential balancing.
4.2. Voltage Loop Control
When the grid is unbalanced, the power equation of the dc-link in the αβ two-phase stationary coordinate system is
The sliding surface of the system selected in the paper is
where Ep =− and Ep = Qref − Q. Kp and Kq are the adjustment parameters for active power and reactive power, respectively. When the system operates in the unity power factor state, the reference value for reactive power Qref = 0. At this time, the system will operate on the sliding mode surface S1 = 0. To ensure reachability, the complete control law with an introduced saturation function can be expressed as:
Here, η is a design constant for the control system, and b represents the boundary layer thickness of the saturation function. According to sliding mode control theory, the reachability condition needs to be satisfied:
It can be obtained from (24) and (25) that
From (24) and (28), it can be derived that
When far from the sliding surface, the saturation function can be equivalently approximated as the switching function sgn(s).
For intuitive analysis, ds1/dt is divided into two parts: one representing the system’s inherent dynamics along with the equivalent control F(x,t), and the other representing the effect of the control law itself on the system. Thus
The quadratic Lyapunov function is selected as follows
It can be derived that
It is known that the sign of s1 is always opposite to that of the sign function sgn(s1) in (30). Therefore, the above expression can be simplified as follows.
From the above equation, it can be analyzed that there exists a positive constant η such that dV/dt < 0, and the time derivative of the Lyapunov function is definitely negative. Hence, the control system becomes asymptotically stable.
To achieve bandwidth decoupling for the cascaded control system, the voltage loop bandwidth is set to 1/5 of the current loop’s bandwidth, i.e., 400 Hz. For the voltage loop, with a fundamental system frequency of 50 Hz, its bandwidth is chosen to be approximately 8 times the fundamental frequency, ensuring a sufficiently fast response to effectively suppress Dc-link voltage disturbances. Concurrently, as the sliding mode dynamic equation of the system is a standard first-order linear differential equation, the sliding mode control parameter Kp is approximated as Kp = 2πfsmc ≈ 2500.
Above all, the overall control block diagram of the Vienna rectifier under an imbalance grid is shown in Figure 5. In this control strategy, the voltage loop adopts an SMC structure to obtain the reference value of the active power Pref, and the current loop adopts an MPC structure. Then, the AC current balancing module generates reference values and , and the dc-link voltage stabilization control module generates current reference values and . The two control objectives are weighted by factor λ, which is dynamically adjusted based on the current imbalance degree ε. Finally, the PWM switching signals are generated through the cost function in MPC structure, achieving the stable operation of the Vienna rectifier.
Figure 5.
The overall control block diagram of Vienna rectifier.
5. Simulation Verification
A control simulation model was built in Matlab R2019b/Simulink to verify the effectiveness of the proposed control strategy, and the simulation parameters are shown in Table 2. Simulations were conducted to compare the control performance of the proposed strategy with traditional methods, and the stability and robustness of the proposed strategy were subsequently validated. The traditional strategy adopts a voltage and current double closed-loop PI controller (PI dual-closed-loop controller) and uses CBPWM for modulation output signals. The switching frequency is 10 kHz.
Table 2.
Simulation Parameters.
Figure 6 shows the input current and dc-link voltage waveforms when the voltage of phase B drops by 30% under the ordinary double-loop control strategy. It can be seen that due to the current zero-crossing distortion (CZCD) inherent in the Vienna rectifier, the input current exhibits severe distortion, resulting in a THD of 10.9% and a significant reduction in AC power supply quality. Concurrently, the dc-link experiences substantial fluctuations, with a maximum deviation reaching up to 10 V.
Figure 6.
The waveform under PI dual-closed-loop control during a 30% grid voltage drop in phase B. (a) input current. (b) DC voltage.
The waveforms of the input current and dc-link voltage under different degrees of current asymmetry with the proposed control strategy are shown in Figure 7. When the current asymmetry degree is 1%, the THD is 2.36% and the maximum dc-link voltage fluctuation is 5 V. When the current asymmetry degree is 3%, the THD is 2.75% and the maximum dc-link voltage fluctuation is 3.5 V. When the current asymmetry degree is 6%, the THD is 3.2% and the maximum dc-link voltage fluctuation is 2 V. Compared with Figure 7, The proposed control strategy achieves good control effects under different degrees of current asymmetry.
Figure 7.
The control waveforms of the proposed strategy illustrating different degrees of current asymmetry during a 30% voltage sag in grid phase B. (a) 1%, (b) 1%, (c) 3%, (d) 3%, (e) 6%, and (f) 6%.
To test the system’s performance under voltage sag conditions, simulation conditions were set for a 30% drop in the B-phase voltage. The dynamic performance of the proposed control strategy is shown in Figure 8. The current asymmetric degree rises from 0% to 3.5%, then decreases to 2%, and finally stabilizes. The maximum DC voltage fluctuation increases from 1 V to approximately 2.5 V. Figure 8d presents the waveforms of the weight factor variation under different degrees of current asymmetry. Prior to the voltage drop in phase B of the grid, the three-phase input currents remained symmetrical. In this state, according to Equation (16), the control system’s primary objective is to maintain dc link voltage stability; thus, the weight factor λ is set to 1. Upon the occurrence of a voltage drop in phase B, the input currents become asymmetrical. Analysis reveals that after a brief dynamic response period, the weight factor λ is rapidly adjusted and stabilizes around 0.9. This action aims to inject the necessary reference current component into the controller to maintain three-phase current balance, thereby counteracting grid disturbances. It can be concluded from the simulation that the proposed control strategy demonstrates good stability and dynamic performance under unbalanced grid voltage conditions.
Figure 8.
Transient response waveforms of the system under a 30% B-phase voltage drop (a) input current. (b) DC voltage. (c) The current asymmetry degree. (d) The waveform of weight factor.
6. Experimental Verification
An experimental platform for a 2 kW Vienna rectifier was independently developed for this work and is illustrated in Figure 9. The power supply used was a three-phase programmable AC power source (CHROMA 61703, Chroma ATE Inc., Taoyuan City, Taiwan) with a phase voltage of 220 V, the control processor is the TMS320F28377D (Nanjing Yanxu Electric Technology Co., Ltd., Nanjing, China), and the load resistance was 150 Ω. To verify the effectiveness of the proposed control strategy, comparative experiments were conducted. The experiments were performed under the condition of a 30% voltage drop in phase B of the grid, aiming to evaluate the performance of different control strategies during grid disturbances. Specifically, the following three scenarios were compared: (1) The traditional PI dual-closed-loop voltage and current control strategy; (2) The proposed control strategy without the weighting factor; and (3) The proposed weighted control strategy. By analyzing and comparing the control performance under these strategies, the superiority of the proposed control strategy was validated.
Figure 9.
The experimental platform.
Figure 10 illustrates the input current and Dc-link voltage waveforms under the traditional PI dual-closed-loop control during a 30% voltage drop in grid phase B. As shown in Figure 10a, influenced by the inherent current zero-crossing distortion characteristic of the Vienna rectifier, the input current experiences distortion near the zero crossings, leading to a total harmonic distortion (THD) of 9.8%. Figure 10b shows that the Dc-link voltage drops from a steady-state value of 700 V to approximately 690 V, resulting in a deviation of 10 V. Furthermore, upon re-establishment of steady state, a ripple of about 6.7 V persists in the Dc-link voltage.
Figure 10.
Control performance of the traditional PI dual-closed-loop controller. (a) Input current waveform. (b) DC voltage waveform.
The output waveforms of the proposed unweighted control strategy are shown in Figure 11. This strategy generates the required reference current for the controller by suppressing the second harmonic of the active power, corresponding to the case where the weight factor λ = 1. As depicted in Figure 11a, under the proposed unweighted control strategy, the input current distortion rate is significantly reduced to 5.8%, showing a marked improvement compared to the traditional PI dual-closed-loop control. Figure 11b illustrates that during the instant of grid voltage drop, the Dc-link voltage experiences only a minor fluctuation before rapidly recovering and stabilizing around 700 V, with a steady-state voltage ripple of approximately 1.9 V. The experimental results indicate that the proposed inner-outer loop control strategy exhibits superior control performance compared to traditional methods when responding to grid disturbances.
Figure 11.
Output waveforms of the proposed control strategy without weighting: (a) input current waveform; (b) DC voltage waveform.
Figure 12 presents the control waveforms under the proposed weighted control strategy. Under conditions of 2%, 4%, and 6% current asymmetry, the output current THD achieved by the proposed strategy were 2.1%, 3.5%, and 4.1%, respectively. Concurrently, under the same asymmetry conditions, the fluctuation ranges of the Dc-link voltage upon reaching steady state were 4.8 V, 4.1 V, and 2.6 V, respectively. Furthermore, as observed from the DC voltage waveforms (as shown in Figure 12b), the DC voltage rapidly responds and recovers to its steady-state value when the Vienna rectifier experiences grid voltage fluctuations.
Figure 12.
Output waveforms of the proposed weighted control strategy under different degrees of current asymmetry. (a) 2%, (b) 2%, (c) 4%, (d) 4%, (e) 8%, and (f) 8%.
Figure 13 illustrates the DC voltage deviation waveform under the proposed weighted control strategy, with a 30% voltage drop in grid phase B and a set current asymmetry of 4%. As shown in Figure 13, under this extreme condition, the voltage difference between the upper and lower capacitors on the Dc-link (i.e., the voltage deviation) is maintained within 3 V, ensuring the overall Dc-link voltage remains around 700 V. This indicates that the strategy effectively suppresses capacitor voltage imbalance, thereby maintaining the stability of the Dc-link voltage.
Figure 13.
The waveform of DC voltage deviation in dc-link.
To verify the robustness and performance of the proposed control strategy under extreme grid voltage drop conditions, a comparative experiment with a 70% voltage drop in phase B was conducted. Figure 14 presents the control waveforms under this extreme operating condition. The λ was set to 4%. As observed from the input current waveform in Figure 14a, despite the severe voltage drop, the current total harmonic distortion (THD) was maintained at a low level of 3.7%. The Dc-link voltage waveform shown in Figure 14b indicates that during the extreme voltage drop, the DC voltage could be rapidly stabilized and maintained within a narrow range around its steady-state value, with its fluctuation amplitude effectively controlled.
Figure 14.
Control waveforms of the proposed weighted control strategy during a 70% voltage drop in grid phase B. (a) Input current waveform; (b) DC voltage waveform.
Based on the comparative analysis presented, the proposed weighted control strategy effectively suppresses Dc-link voltage fluctuations while maintaining a given current asymmetry threshold. Under various levels of current asymmetry, this strategy demonstrates smaller DC voltage ripples compared to the traditional PI dual-closed-loop control and offers a significant advantage in rapid recovery to the steady-state value. This indicates that the weighted control strategy, while keeping grid-side current distortion within controllable limits, substantially enhances the stability and disturbance rejection capability of the DC side voltage.
7. Conclusions
This paper proposes a weighted control strategy based on the degree of current imbalance to address the issues of input current imbalance and dc-link voltage fluctuation in Vienna rectifiers under unbalanced grid conditions. The strategy achieves dynamic regulation for input current balance and DC voltage fluctuation suppression by dynamically adjusting the weighting factor through real-time feedback of the current imbalance degree. Simulation and experimental results demonstrate that compared to traditional control methods, the proposed control strategy effectively reduces grid-side harmonics and suppresses dc-link voltage fluctuations. Furthermore, this strategy demonstrates effective control and strong robustness in maintaining performance during grid voltage drops across various operating conditions. The control strategy presented in this paper provides an effective solution for Vienna rectifiers under an unbalanced grid and has significant theoretical and practical value in renewable energy generation and DC charging technologies. This study’s validation of the proposed control strategy was primarily focused on grid voltage sags, a prevalent issue in our target operational environment. Comprehensive evaluation of its performance under other complex grid conditions, such as phase shift and harmonic pollution, remains an area for future exploration.
Author Contributions
Conceptualization, H.W.; Validation, H.W.; Writing—Original Draft, H.W.; Writing—Review and Editing, Z.L. and M.T. All authors have read and agreed to the published version of the manuscript.
Funding
This research was funded by the Natural Science Foundation of Shanxi Province, China (Grant No. 202303021211077).
Data Availability Statement
The original contributions presented in this study are included in the article. Further inquiries can be directed to the corresponding author.
Acknowledgments
This work was supported by the Key Laboratory of Mining Electrical Equipment and Intelligent Control of Shanxi Province, China.
Conflicts of Interest
The authors declare no conflicts of interest. The funders had no role in the design of the study; in the collection, analyses, or interpretation of data; in the writing of the manuscript; or in the decision to publish the results.
Abbreviations
| FS-MPC | Finite-set model predictive control |
| SMC | Sliding mode control |
| THD | Total harmonic distortion |
| BPSC | Balanced positive-sequence current control |
| IAPC | Instantaneous active power control |
| MPDCC | Model predictive duty-cycle control |
| FCS-MPDPC | Finite-set model predictive direct power control |
| LADRC | Linear active disturbance rejection control |
| SVM | Space-vector modulation |
| CZCD | Current zero-crossing distortion |
References
- Rajaei, A.; Mohamadian, M.; Varjani, A.Y. Vienna-rectifier-based direct torque control of PMSG for wind energy application. IEEE Trans. Ind. Electron. 2012, 60, 2919–2929. [Google Scholar] [CrossRef]
- Xu, Z.; Ren, X.; Zheng, Z.; Zhang, Z.; Chen, Q.; Hao, Z. A quadrature signal-based control strategy for Vienna rectifier under unbalanced aircraft grids. IEEE J. Emerg. Sel. Topi. Power Electron. 2022, 10, 5280–5289. [Google Scholar] [CrossRef]
- Liu, C.; Xing, X.; Du, C.; Zhang, B.; Zhang, C.; Blaabjerg, F. An improved model predictive control method using optimized voltage vectors for Vienna rectifier with fixed switching frequency. IEEE Trans. Power Electron. 2022, 38, 358–371. [Google Scholar] [CrossRef]
- Zhu, W.; Li, X.; Cao, X.; Li, Y.; Zhou, K. An improved modulation strategy without current zero-crossing distortion and control method for Vienna rectifier. IEEE Trans. Power Electron. 2023, 38, 15199–15213. [Google Scholar] [CrossRef]
- Zhou, G.; Xing, X.; Liu, H.; Zhang, S.; Li, X.; Zhang, R. A Modulation Method with Current Zero-Crossing Distortion Elimination and Voltage Balance Control for the RSHMC Converter. IEEE Trans. Power Electron. 2024, 39, 15536–15547. [Google Scholar] [CrossRef]
- Li, X.; Han, J.; Sun, Y.; Su, M.; Lin, J.; Xie, S.; Huang, S. A generalized design framework for neutral point voltage balance of three-phase Vienna rectifiers. IEEE Trans. Power Electron. 2019, 34, 10221–10232. [Google Scholar] [CrossRef]
- Jabbarnejad, A.; Vaez-Zadeh, S.; Khalilzadeh, M. Sensorless virtual flux combined control of grid connected converters with high power quality under unbalanced grid operation. IEEE Trans. Sustain. Energy 2020, 12, 785–793. [Google Scholar] [CrossRef]
- Xie, S.; Sun, Y.; Lin, J.; Su, M.; Li, X.; Zhang, X. Resistance-emulating control strategy for three-phase voltage source rectifiers under unbalanced grids. IEEE Trans. Ind. Electron. 2022, 69, 1103–1113. [Google Scholar] [CrossRef]
- Miao, Z. Impact of unbalance on electrical and torsional resonances in power electronic interfaced wind energy systems. IEEE Trans. Power Syst. 2013, 28, 3105–3113. [Google Scholar] [CrossRef]
- Kim, S.-P.; Song, S.-G.; Park, S.-J.; Kang, F.-S. Imbalance compensation of the grid current using effective and reactive power for split DC-link capacitor 3-leg inverter. IEEE Access 2021, 9, 81189–81201. [Google Scholar] [CrossRef]
- Enjeti, P.N.; Choudhury, S.A. A new control strategy to improve the performance of a PWM AC to DC converter under unbalanced operating conditions. IEEE Trans. Power Electron. 1993, 8, 493–500. [Google Scholar] [CrossRef]
- Wu, M.; Ding, L.; Xu, X.; Wang, K.; Lu, Q.; Li, Y.W. A common-mode voltage elimination scheme by reference voltage decomposition for back-to-back two-level converters. IEEE Trans. Ind. Electron. 2024, 71, 4463–4473. [Google Scholar] [CrossRef]
- Jiang, W.; Wang, Y.; Wang, J.; Wang, L.; Huang, H. Maximizing instantaneous active power capability for PWM rectifier under unbalanced grid voltage dips considering the limitation of phase current. IEEE Trans. Ind. Electron. 2016, 63, 5998–6009. [Google Scholar] [CrossRef]
- Jiang, W.; Ma, W.; Wang, J.; Wang, L.; Gao, Y. Deadbeat control based on current predictive calibration for grid-connected converter under unbalanced grid voltage. IEEE Trans. Ind. Electron. 2017, 64, 5479–5491. [Google Scholar] [CrossRef]
- Lyu, J.; Wang, J.; Hu, W.; Yan, Y. A neutral-point voltage controller with hybrid parameters for NPC three-level grid-connected inverters under unbalanced grid conditions. IEEE J. Emerg. Sel. Top. Power Electron. 2020, 8, 4367–4381. [Google Scholar] [CrossRef]
- Jiang, W.; Hu, Y.; Zhang, Y.; Zhao, D.; Wang, L. Different control objectives for grid-connected converter under unbalanced grid voltage using forgotten iterative filter as phase lock loop. IET Power Electron. 2015, 8, 1798–1807. [Google Scholar] [CrossRef]
- Hang, L.; Zhang, H.; Liu, S.; Xie, X.; Zhao, C.; Liu, S. A Novel Control Strategy Based on Natural Frame for Vienna-Type Rectifier Under Light Unbalanced-Grid Conditions. IEEE Trans. Ind. Electron. 2015, 62, 1353–1362. [Google Scholar] [CrossRef]
- Adhikari, J.; Prasanna, I.V.; Panda, S.K. Reduction of input current harmonic distortions and balancing of output voltages of the Vienna rectifier under supply voltage disturbances. IEEE Trans. Power Electron. 2017, 32, 5802–5812. [Google Scholar] [CrossRef]
- Zhang, M.; Hang, L.; Yao, W.; Lu, Z.; Tolbert, L.M. A novel strategy for three-phase/switch/level (Vienna) rectifier under severe unbalanced grids. IEEE Trans. Ind. Electron. 2012, 60, 4243–4252. [Google Scholar] [CrossRef]
- Xu, B.; Liu, K.; Ran, X.; Huai, Q.; Yang, S. Model predictive duty cycle control for three-phase Vienna rectifiers with reduced neutral-point voltage ripple under unbalanced DC links. IEEE J. Emerg. Sel. Top. Power Electron. 2022, 10, 5578–5590. [Google Scholar] [CrossRef]
- Shi, Z.; Wu, Y.; Gao, X.; Zhang, H.; Fang, J.; Cheng, H.; Dong, L. A novel suppression method for input current zero-crossing distortion of the Vienna rectifier based on negative-sequence current regulation under the unbalanced grid. IEEE J. Emerg. Sel. Top. Power Electron. 2024, 12, 3699–3714. [Google Scholar] [CrossRef]
- Rasouli, M.; Shekari, M.; Ghoreishy, H.; Gholamian, S.A. Virtual flux direct power control for Vienna rectifier under unbalanced grid. IEEE Trans. Power Electron. 2023, 38, 8115–8125. [Google Scholar] [CrossRef]
- Ha, L.; Wang, H.; Xie, S.; Lin, J.; Yu, B.; Sun, Y.; Su, M. An Algebraic Modulation and Controlled-Impedance-Source Method for Vienna Rectifier Under Unbalanced Conditions. IEEE Trans. Ind. Electron. 2025, 72, 1113–1125. [Google Scholar] [CrossRef]
- Ma, K.; Chen, W.; Liserre, M.; Blaabjerg, F. Power controllability of a three-phase converter with an unbalanced AC source. IEEE Trans. Power Electron. 2014, 30, 1591–1604. [Google Scholar] [CrossRef]
- Zhang, Z.; Zhang, G.; Liu, W.; Hu, B.; Wang, J.; Wang, G.; Xu, D. Negative sequence current regulation based power control strategy for Vienna rectifier under unbalanced grid voltage dips. IEEE Trans. Ind. Electron. 2023, 71, 1170–1180. [Google Scholar] [CrossRef]
- Feng, X.; Sun, Y.; Cui, X.; Ma, W.; Wang, Y. A compound control strategy of three-phase Vienna rectifier under unbalanced grid voltage. IET Power Electron. 2021, 14, 2574–2584. [Google Scholar] [CrossRef]
- Shi, Z.; Li, N.; Yang, Y.; Fan, Z. A Novel Strategy for Current Distortion Suppression Based on Space Vector Modulation for Vienna Rectifiers Under the Wide-Range Unbalanced Grids. IEEE Trans. Power Electron. 2026, 41, 2134–2147. [Google Scholar] [CrossRef]
- Debbat, M.B.; Farag, A.Y.; Mattavelli, P.; Dominguez-García, J.L. Nonlinear Control of the Four-Wire Y-Converter for Grid Integration of 400V DC Microgrids. In Proceedings of the 2025 IEEE 7th International Conference on DC Microgrids, Tallinn, Estonia, 4–6 June 2025; pp. 1–6. [Google Scholar]
- Tian, Y.; Yuan, H.; Zhu, W.; Li, X.; Li, Y. Sliding mode control of Vienna rectifier under unbalanced weak power grid. IEEE Access 2024, 12, 39095–39109. [Google Scholar] [CrossRef]
- Montanari, A.A.; Gole, A.M. Enhanced instantaneous power theory for control of grid connected voltage sourced converters under unbalanced conditions. IEEE Trans. Power Electron. 2016, 32, 6652–6660. [Google Scholar] [CrossRef]
- Izadinia, A.R.; Karshenas, H.R. Current shaping in a hybrid 12-pulse rectifier using a Vienna rectifier. IEEE Trans. Power Electron. 2017, 33, 1135–1142. [Google Scholar] [CrossRef]
Disclaimer/Publisher’s Note: The statements, opinions and data contained in all publications are solely those of the individual author(s) and contributor(s) and not of MDPI and/or the editor(s). MDPI and/or the editor(s) disclaim responsibility for any injury to people or property resulting from any ideas, methods, instructions or products referred to in the content. |
© 2025 by the authors. Licensee MDPI, Basel, Switzerland. This article is an open access article distributed under the terms and conditions of the Creative Commons Attribution (CC BY) license (https://creativecommons.org/licenses/by/4.0/).













