-
A Novel Railgun-Based Actuation System for Ultrafast DC Circuit Breakers in EV Fast-Charging Applications -
The Impact of Weight Distribution in Heavy Battery Electric Vehicles on Pavement Performance: A Preliminary Study -
Equity Considerations in Public Electric Vehicle Charging: A Review -
Efficient Drone Data Collection in WSNs: ILP and mTSP Integration with Quality Assessment -
Enhancing Thermal Comfort and Efficiency in Fuel Cell Trucks: A Predictive Control Approach for Cabin Heating
Journal Description
World Electric Vehicle Journal
World Electric Vehicle Journal
is the first peer-reviewed, international, scientific journal that comprehensively covers all studies related to battery, hybrid, and fuel cell electric vehicles. The journal is owned by the World Electric Vehicle Association (WEVA) and its members, the E-Mobility Europe, Electric Drive Transportation Association (EDTA), and Electric Vehicle Association of Asia Pacific (EVAAP). It has been published monthly online by MDPI since Volume 9, Issue 1 (2018).
- Open Access— free for readers, with article processing charges (APC) paid by authors or their institutions.
- High Visibility: indexed within Scopus, ESCI (Web of Science), Ei Compendex, and other databases.
- Journal Rank: JCR - Q2 (Engineering, Electrical and Electronic) / CiteScore - Q2 (Automotive Engineering)
- Rapid Publication: manuscripts are peer-reviewed and a first decision is provided to authors approximately 17.6 days after submission; acceptance to publication is undertaken in 2.9 days (median values for papers published in this journal in the first half of 2025).
- Recognition of Reviewers: reviewers who provide timely, thorough peer-review reports receive vouchers entitling them to a discount on the APC of their next publication in any MDPI journal, in appreciation of the work done.
Impact Factor:
2.6 (2024)
Latest Articles
Advanced Fault Classification in Induction Motors for Electric Vehicles Using A Stacking Ensemble Learning Approach
World Electr. Veh. J. 2025, 16(11), 614; https://doi.org/10.3390/wevj16110614 (registering DOI) - 9 Nov 2025
Abstract
This study proposes an innovative stacking ensemble learning framework for classifying faults in induction motors utilized in Electric Vehicles (EVs). Employing a comprehensive dataset comprising motor data, such as speed, torque, current, and voltage, the analysis encompasses six distinct conditions: normal operating mode,
[...] Read more.
This study proposes an innovative stacking ensemble learning framework for classifying faults in induction motors utilized in Electric Vehicles (EVs). Employing a comprehensive dataset comprising motor data, such as speed, torque, current, and voltage, the analysis encompasses six distinct conditions: normal operating mode, over-voltage fault, under-voltage fault, overloading fault, phase-to-phase fault, and phase-to-ground fault. The proposed model integrates Gradient Boosting (GB), K-Nearest Neighbors (KNN), Gradient Boosting (XGBoost), Support Vector Machine (SVM), Decision Tree (DT), and Random Forest (RF) algorithms in a synergistic manner. The findings reveal that the RF–GB–DT–XGBoost combination achieves a remarkable accuracy of 98.53%, significantly surpassing other methods reported in the literature. Performance is evaluated through metrics including accuracy, precision, sensitivity, and F1-score, with results analyzed in comparison to practical applications and existing studies. Validated with real-world data, this study demonstrates that the proposed model offers a groundbreaking solution for predictive maintenance systems in the EV industry, exhibiting high generalization capacity despite complex operating conditions. This approach holds transformative potential for both academic research and industrial applications. The dataset used in this study was generated using a MATLAB 2018/Simulink-based Variable Frequency Drive (VFD) model that emulates real-world EV operating conditions rather than relying solely on laboratory data. This ensures that the developed model accurately reflects practical electric vehicle environments.
Full article
(This article belongs to the Special Issue Dynamic Modeling, Identification, and Advanced Control of Intelligent Electric Vehicles)
Open AccessArticle
Comprehensive DEA-Based Evaluation of Charging Station Operational Efficiency
by
Jinyu Wang, Houzhi Li, Yang Hu, Jiejin Yan, Chunhua Jin, Zhuowen Zhang and Zhen Yang
World Electr. Veh. J. 2025, 16(11), 613; https://doi.org/10.3390/wevj16110613 (registering DOI) - 9 Nov 2025
Abstract
►▼
Show Figures
This study aims to evaluate the operational efficiency of electric vehicle (EV) charging stations and explore optimization strategies to enhance resource utilization and service performance. A systematic review approach was first applied to identify the main evaluation indicators and influencing factors from existing
[...] Read more.
This study aims to evaluate the operational efficiency of electric vehicle (EV) charging stations and explore optimization strategies to enhance resource utilization and service performance. A systematic review approach was first applied to identify the main evaluation indicators and influencing factors from existing studies. Subsequently, a super-efficiency Data Envelopment Analysis (DEA) model was used to assess the efficiency of six EV charging stations in a certain City, China. The robustness analysis was carried out, and the output variables were replaced, and the evaluation results did not change. The results show substantial disparities in efficiency across stations: C1 exhibits the highest operational efficiency, while C3 performs the lowest. The inefficiencies primarily result from supply–demand mismatches and redundant capacity investment. Based on these findings, the study proposes both overall and localized optimization strategies to improve operational performance. The results provide valuable insights for urban energy infrastructure planning and contribute to the enhancement of high-quality, low-carbon transportation development in China.
Full article

Figure 1
Open AccessArticle
Adaptive Large Neighborhood Search for a Flexible Truck–Drone Routing Problem with Multi-Visit and Cost Trade-Offs
by
Jiang Bian, Rui Zhou and Qingbin Meng
World Electr. Veh. J. 2025, 16(11), 612; https://doi.org/10.3390/wevj16110612 - 7 Nov 2025
Abstract
Extending the truck–drone mothership system, this paper addresses a flexible multi-visit truck and drone joint routing problem (FMTDJRP). A mixed integer linear program is proposed to minimize total travel cost. An adaptive large neighborhood search with a knowledge-based acceleration strategy yields near-optimal solutions.
[...] Read more.
Extending the truck–drone mothership system, this paper addresses a flexible multi-visit truck and drone joint routing problem (FMTDJRP). A mixed integer linear program is proposed to minimize total travel cost. An adaptive large neighborhood search with a knowledge-based acceleration strategy yields near-optimal solutions. Experiments across varied customer distributions, drone specs, and truck-–drone cost ratios confirm flexibility, adaptability, and cost efficiency.
Full article
(This article belongs to the Special Issue Changes in Travel Behavior When Autonomous Vehicles Are Integrated into the Existing Transport System in Urban Cities)
►▼
Show Figures

Figure 1
Open AccessReview
Application of Psychoacoustic Metrics in the Noise Assessment of Geared Drives
by
Krisztian Horvath
World Electr. Veh. J. 2025, 16(11), 611; https://doi.org/10.3390/wevj16110611 - 6 Nov 2025
Abstract
►▼
Show Figures
Psychoacoustic metrics offer a valuable complement to traditional noise evaluation methods for gear transmissions, as they account for the human perception of sound quality rather than relying solely on physical measurements. While parameters such as overall sound pressure level (SPL) and spectral content
[...] Read more.
Psychoacoustic metrics offer a valuable complement to traditional noise evaluation methods for gear transmissions, as they account for the human perception of sound quality rather than relying solely on physical measurements. While parameters such as overall sound pressure level (SPL) and spectral content quantify noise intensity and frequency distribution, they often fail to reflect subjective annoyance caused by tonal or high-frequency components common in gear systems. This review provides a structured overview of how psychoacoustic metrics—including loudness, sharpness, roughness, fluctuation strength, and tonality—are applied in the analysis of gear transmission noise. Relevant studies were identified through a comprehensive search across multiple scientific databases, with 54 meeting the inclusion criteria. The findings highlight both the benefits and limitations of these metrics, and present examples of their industrial application in automotive and mechanical engineering contexts. The review also identifies gaps in current research, particularly in integrating psychoacoustic evaluation with predictive modelling and machine learning, and suggests directions for future work.
Full article

Figure 1
Open AccessArticle
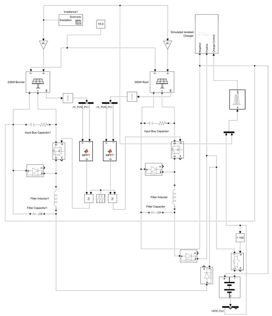
Feasibility Analysis and Optimisation of Vehicle-Integrated Photovoltaic (VIPV) Systems for Sustainable Transportation
by
Mark Smitheram and Ehsan Gatavi
World Electr. Veh. J. 2025, 16(11), 610; https://doi.org/10.3390/wevj16110610 - 6 Nov 2025
Abstract
This paper investigates the feasibility of vehicle-integrated photovoltaic (VIPV) systems for light vehicles by developing and simulating an intelligent solar integration design based on the Tesla Model 3. The proposed system incorporates roof and bonnet-mounted photovoltaic modules, each managed by independent buck converters
[...] Read more.
This paper investigates the feasibility of vehicle-integrated photovoltaic (VIPV) systems for light vehicles by developing and simulating an intelligent solar integration design based on the Tesla Model 3. The proposed system incorporates roof and bonnet-mounted photovoltaic modules, each managed by independent buck converters employing maximum power point tracking (MPPT) for optimal energy extraction. A novel fuzzy logic controller was designed to dynamically allocate auxiliary battery charging between the traction battery and the solar subsystem, using real-time irradiance and state-of-charge (SOC) inputs. The system was implemented in MATLAB/Simulink with location-specific data for Melbourne, Australia. Simulation results demonstrate high converter efficiencies of 94–95%, stable MPPT convergence within 0.5 s and an estimated annual solar contribution of 930 kWh, confirming effective control and energy management under varying conditions. This work highlights the innovative application of adaptive fuzzy control and dual MPPT coordination within VIPV systems and provides a validated basis for future optimisation and real-world integration.
Full article
(This article belongs to the Section Energy Supply and Sustainability)
►▼
Show Figures

Graphical abstract
Open AccessArticle
Simulation and Experimental Validation of a 1D Cabin Thermal Model for Electric Trucks with Enhanced Insulation and Heating Panels
by
Imre Gellai, Milán Kardos, Mirza Popovac and Dragan Šimić
World Electr. Veh. J. 2025, 16(11), 609; https://doi.org/10.3390/wevj16110609 - 5 Nov 2025
Abstract
To reduce emissions in the existing transportation system and lower carbon dioxide (CO2) output, battery electric vehicles (BEVs) offer a promising approach due to their higher energy efficiency. However, their driving range still falls short compared to conventional vehicles. Optimizing the
[...] Read more.
To reduce emissions in the existing transportation system and lower carbon dioxide (CO2) output, battery electric vehicles (BEVs) offer a promising approach due to their higher energy efficiency. However, their driving range still falls short compared to conventional vehicles. Optimizing the heating, ventilation, and air conditioning (HVAC) system can help save energy and improve passenger comfort. This study investigates an advanced thermal management system for an electric truck cabin with heating panels and added insulation. A one-dimensional (1D) cabin thermal model was also developed and validated with experimental data. The model integrates insulation, heating panels, and a 1D comfort simulation. It is functional mock-up unit (FMU) compatible and connects to larger system simulations and real-time applications. The results show that energy consumption can be reduced by up to 50% with these thermal measures. In the future, further research and new approaches will be necessary to identify even more efficient subsystems and cost-effective solutions.
Full article
(This article belongs to the Section Vehicle and Transportation Systems)
►▼
Show Figures

Figure 1
Open AccessArticle
Optimisation and Evaluation of a Fuzzy-Based One-Pedal Driving Strategy for Enhancing Energy Efficiency and Driving Comfort
by
Tim Hammer, Thomas Mitsching, Marius Heydrich and Valentin Ivanov
World Electr. Veh. J. 2025, 16(11), 608; https://doi.org/10.3390/wevj16110608 - 4 Nov 2025
Abstract
►▼
Show Figures
Electric Vehicles (EVs) are still facing prejudices about limited range, making them unattractive for many customers. However, their locally emission-free operation and the ability to recover kinetic energy during braking manoeuvres are significant advances against conventional drivetrains. Especially the function of one-pedal driving
[...] Read more.
Electric Vehicles (EVs) are still facing prejudices about limited range, making them unattractive for many customers. However, their locally emission-free operation and the ability to recover kinetic energy during braking manoeuvres are significant advances against conventional drivetrains. Especially the function of one-pedal driving (OPD) can further reduce the energy consumption of EVs if properly realized and tuned. In this research, the optimisation and evaluation of an adaptive OPD strategy for a battery electric vehicle (BEV) with the aim of improving energy efficiency and driving comfort, which was previously introduced by the authors, is presented. Therefore, an adaptive pedal curve was designed first and extended through the integration of a fuzzy controller that considers the trade-off between efficient operation and driver intention based on vehicle speed and the drive pedal position signals. The strategy was extended by the incorporation of another input to represent the traffic area. The efficiency was evaluated in a proband study using virtual driving tests in a static simulator, in which different configurations were analysed and rated. It was found that the optimised strategy achieved the best overall result. Compared to pure regenerative braking as the benchmark, energy consumption as well as the amount of pedal changes were reduced by 8.45% as well as 62.27%, respectively, and the rate of energy recovery was increased by 67.8%.
Full article

Figure 1
Open AccessSystematic Review
Electric Vehicle Range Prediction Models: A Systematic Review of Machine Learning, Mathematical, and Simulation Approaches
by
Al Amin, Mohammad Shafenoor Amin, Hyejin Park and Daea Lee
World Electr. Veh. J. 2025, 16(11), 607; https://doi.org/10.3390/wevj16110607 - 4 Nov 2025
Abstract
This review examines 80 research studies on electric vehicle (EV) range prediction published between 2013 and 2024. We categorized all studies into three methodological groups such as machine learning (ML), mathematical modeling (MM), and simulation modeling (SM). The analysis reveals a clear dominance
[...] Read more.
This review examines 80 research studies on electric vehicle (EV) range prediction published between 2013 and 2024. We categorized all studies into three methodological groups such as machine learning (ML), mathematical modeling (MM), and simulation modeling (SM). The analysis reveals a clear dominance of ML models (48.8% of studies), followed by simulation models (32.5%), mathematical models (12.5%), and hybrid models (6.2%). Among the ML techniques, Neural Networks (25%), Multiple Linear Regression (17.5%), and Decision Trees (16.25%) were the most frequently employed, highlighting the growing emphasis on data-driven and adaptive methods. While simulation techniques are most prevalent within MM studies. Hybrid models, which integrate multiple methods, are gaining popularity for improving prediction accuracy. We also reviewed performance metrics such as Mean Absolute Error (MAE) and Root Mean Squared Error (RMSE) which reflect the diversity of evaluation strategies across the field. We highlight unsolved challenges including robust feature selection, real-time data integration, and battery degradation modeling. Finally, We suggest future research should focus on combining different modeling approaches, using more advanced data-driven methods, and improving reliability through data sharing and collaboration.
Full article
(This article belongs to the Special Issue The Contribution of Electric Vehicles to Realization of Dual Carbon Goal)
►▼
Show Figures

Figure 1
Open AccessArticle
Understanding EV Charging Pain Points Through Deep Learning Analysis
by
Jason Clifford, Mayuresh Savargaonkar, Paden Rumsey, Benny Varghese, John Smart and Casey Quinn
World Electr. Veh. J. 2025, 16(11), 606; https://doi.org/10.3390/wevj16110606 - 4 Nov 2025
Abstract
Current and potential electric vehicle (EV) owners express concerns about the charging infrastructure, mentioning non-functional chargers, prolonged charging times, inconvenient charger locations, long wait times, and high costs as major barriers. Addressing these issues often requires analyzing actual vehicle charging data, which is
[...] Read more.
Current and potential electric vehicle (EV) owners express concerns about the charging infrastructure, mentioning non-functional chargers, prolonged charging times, inconvenient charger locations, long wait times, and high costs as major barriers. Addressing these issues often requires analyzing actual vehicle charging data, which is typically proprietary and inconsistent due to diverse standards and protocols. To understand and improve the EV charging experience, customer reviews are typically used to identify common customer pain points (CPPs). However, there is not a comprehensive method to map customer reviews to a standardized set of CPPs. In collaboration with the National Charging Experience (ChargeX) Consortium, this study bridges these gaps by proposing a Systematic Categorization and Analysis of Large-scale EV-charging Reviews (SCALER) framework. SCALER is an integrated, deep learning framework that segments, actively labels, analyzes, and classifies EV charging customer reviews into six CPP categories. To test its effectiveness, we used SCALER to analyze over 72,000 reviews from customers charging various EV models on different networks across the United States. SCALER achieves a classification accuracy of 92.5%, with an F1 score exceeding 85.7%. By demonstrating real-world applications of SCALER, we enhance the industry’s ability to understand and address CPPs to improve the EV charging experience.
Full article
(This article belongs to the Section Charging Infrastructure and Grid Integration)
►▼
Show Figures

Figure 1
Open AccessArticle
Research on Path Planning Based on Multi-Dimensional Optimized RRT Algorithm
by
Jinbo Wang, Tongjia Pang, Weihai Zhang, Wei Liao and Tingwei Du
World Electr. Veh. J. 2025, 16(11), 605; https://doi.org/10.3390/wevj16110605 - 2 Nov 2025
Abstract
The Rapidly Exploring Random Tree (RRT) is widely employed in the field of intelligent vehicles, but traditional RRT has issues like inefficient blind expansion, tortuous/discontinuous paths, and slow convergence. Thus, a multi-dimensional optimized RRT is proposed. First, a heuristic search method is adopted
[...] Read more.
The Rapidly Exploring Random Tree (RRT) is widely employed in the field of intelligent vehicles, but traditional RRT has issues like inefficient blind expansion, tortuous/discontinuous paths, and slow convergence. Thus, a multi-dimensional optimized RRT is proposed. First, a heuristic search method is adopted to reduce blind sampling, guiding sampling toward the target and cutting irrelevant searches. Second, to fix RRT’s inability to adjust step size dynamically (limiting complex road adaptability), step size is optimized based on environmental information. Third, since treating vehicles as mass points leads to unreasonable paths, sampling points are expanded for practicality. Finally, redundant points are removed via a greedy strategy, and paths are smoothed with quasi-uniform cubic B-splines to meet ride comfort needs. MATLAB R2022b simulations validate the algorithm: in simple scenarios, optimized RRT reduces sampling points to 232 (24.4% of traditional RRT), runtime to 3.25 s (79.4% cut), path length to 673.84 m (15.6% reduction); in complex scenarios, 636 points (37.0%), 11.07 s runtime (58.8% cut), 699.61 m path (21.6% reduction), outperforming traditional RRT and Q-RRT*.
Full article
(This article belongs to the Section Propulsion Systems and Components)
►▼
Show Figures

Figure 1
Open AccessArticle
Validation Method of Torsional Stiffness for a Single-Seater Car Chassis
by
Roberto Capata, Leone Martellucci, Daniele Buccolini, Crescenzo De Felice and Marco Giannini
World Electr. Veh. J. 2025, 16(11), 604; https://doi.org/10.3390/wevj16110604 - 31 Oct 2025
Abstract
In this paper, the torsional stiffness simulation and validation process for a fully electric Formula Student car are reported. The optimization of the performance and efficiency of the cars affects various aspects of both the powertrain and the car body. Three crucial themes
[...] Read more.
In this paper, the torsional stiffness simulation and validation process for a fully electric Formula Student car are reported. The optimization of the performance and efficiency of the cars affects various aspects of both the powertrain and the car body. Three crucial themes can be identified for the development of the cars: the power maps the inverter uses to manage the electric motor, the aerodynamic kit installed onboard, and the overall weight of the car. In this regard, in fact, it is not obvious that a higher value of chassis torsional stiffness leads to better performance in terms of speed or energy consumption. To achieve the best balance between torsional stiffness and weight, different simulations are needed. In this paper, we report a way to validate the simulation of the torsional stiffness value, reproducing the forces exchanged between the chassis and the suspension system. The forces used to simulate the torsion are obtained from track tests. To achieve the goal, the analysis is conducted with several experimental tests on two different chassis: the 2021 steel frame tube and the 2023 carbon fiber monocoque of the “Sapienza Fast Charge” Formula Student Electric team. The main result of the research presented here has been achieved; the numerical calculation procedure for the stiffness of Formula Student-type frames has been experimentally validated, allowing design modifications and developments to be studied by quickly verifying their influence on the stiffness of the new frame. A realistic comparison was also made between the two frames, the 2021 frame with space-frame technology and the 2023 frame with a carbon fiber monocoque. The results obtained, both in simulations and experimentally, clearly show that the monocoque frame has 350% greater torsional stiffness than the space-frame type. This result was obtained with the two bare chassis having the same weight.
Full article
(This article belongs to the Special Issue Advanced Design Theory and Methods of Intelligent Electric Vehicle Chassis)
►▼
Show Figures

Figure 1
Open AccessReview
EV and Renewable Energy Integration in Residential Buildings: A Global Perspective on Deep Learning, Strategies, and Challenges
by
Ahmad Mohsenimanesh, Christopher McNevin and Evgueniy Entchev
World Electr. Veh. J. 2025, 16(11), 603; https://doi.org/10.3390/wevj16110603 - 31 Oct 2025
Abstract
Charging electric vehicles (EVs) and integrating renewable energy sources (RESs) are becoming key aspects of residential energy systems. However, the variability of RES generation, combined with uncontrolled EV charging, poses challenges for reliability, power quality, and supply-demand balancing within communities. The challenges only
[...] Read more.
Charging electric vehicles (EVs) and integrating renewable energy sources (RESs) are becoming key aspects of residential energy systems. However, the variability of RES generation, combined with uncontrolled EV charging, poses challenges for reliability, power quality, and supply-demand balancing within communities. The challenges only grow when considering other electrified building loads as well. Accurate forecasting of power demand and renewable generation is essential for efficient and sustainable grid operation, optimal use of RESs, and effective energy trading within communities. Deep learning (DL), including supervised, unsupervised, and reinforcement learning (RL), has emerged as a promising solution for predicting consumer demand, renewable generation, and managing energy flows in residential environments. This paper provides a comprehensive review of the development and application of these methods for forecasting and energy management in residential communities. Evaluation metrics across studies indicate that supervised learning can achieve highly accurate forecasting results, especially when integrated with unsupervised K-means clustering and data decomposition. These methods help uncover patterns and relationships within the data while reducing noise, thereby enhancing prediction accuracy. RL shows significant potential in control applications, particularly for charging strategies. Similarly to how V2G-simulators model individual EV usage and simulate large fleets to generate grid-scale predictions, RL can be applied to various aspects of EV fleet management, including vehicle dispatching, smart scheduling, and charging coordination. Traditional methods are also used across different applications and help utilities with planning. However, these methods have limitations and may not always be completely accurate. Our review suggests that integrating hybrid supervised-unsupervised learning methods with RL can significantly improve the sustainability and resilience of energy systems. This approach can improve demand and generation forecasting while enabling smart charging coordination and scheduling for scalable EV fleets integrated with building electrification measures. Furthermore, the review introduces a unifying conceptual framework that links forecasting, optimization, and policy coupling through hierarchical deep learning layers, enabling scalable coordination of EV charging, renewable generation, and building energy management. Despite methodological advances, real-world deployment of hybrid and deep learning frameworks remains constrained by data-privacy restrictions, interoperability issues, and computational demands, highlighting the need for explainable, privacy-preserving, and standardized modeling approaches. To be effective in practice, these methods require robust data acquisition, optimized forecasting and control models, and integrated consideration of transport, building, and grid domains. Furthermore, deployment must account for data privacy regulations, cybersecurity safeguards, model interpretability, and economic feasibility to ensure resilient, scalable, and socially acceptable solutions.
Full article
(This article belongs to the Section Energy Supply and Sustainability)
►▼
Show Figures

Figure 1
Open AccessArticle
Research on Control Algorithm Based on Braking Force Observer in Electromechanical Braking Device
by
Runze Ji, Wengjie Zhuang, Rana Md Sohel and Kai Liu
World Electr. Veh. J. 2025, 16(11), 602; https://doi.org/10.3390/wevj16110602 - 30 Oct 2025
Abstract
Achieving high-precision clamping force control is crucial for Electro-Mechanical Braking (EMB) systems but remains challenging due to significant nonlinear friction (e.g., static, Coulomb, and viscous friction) within the transmission mechanism. To address this, a comprehensive model integrating the electrical and mechanical dynamics of
[...] Read more.
Achieving high-precision clamping force control is crucial for Electro-Mechanical Braking (EMB) systems but remains challenging due to significant nonlinear friction (e.g., static, Coulomb, and viscous friction) within the transmission mechanism. To address this, a comprehensive model integrating the electrical and mechanical dynamics of the EMB actuator is first established. This pressure-oriented model, which explicitly accounts for the nonlinear frictions, is developed and validated in MATLAB/Simulink 2022b. Furthermore, physical experiments under typical braking scenarios are conducted to investigate the system’s friction characteristics, leading to the identification of a displacement–pressure load curve for the actuator. This curve serves as a key reference for braking force observation. Finally, a braking force observer-based controller is designed, implemented via an Auto-Disturbance Rejection Control (ADRC) algorithm. Experimental results from step and sinusoidal braking force tests demonstrate that the proposed controller not only effectively compensates for nonlinear disturbances but also achieves robust and stable clamping force control.
Full article
(This article belongs to the Section Propulsion Systems and Components)
►▼
Show Figures

Figure 1
Open AccessArticle
Optimization of Energy Balance and Powertrain for Electric Mining Dump Trucks in Coal Mine Reclamation Operations
by
Pavel V. Shishkin, Boris V. Malozyomov, Nikita V. Martyushev, Viktor V. Kondratiev, Evgeniy M. Dorofeev, Roman V. Kononenko and Galina Yu. Vit’kina
World Electr. Veh. J. 2025, 16(11), 601; https://doi.org/10.3390/wevj16110601 - 30 Oct 2025
Abstract
The reclamation of exhausted open-pit coal mines is an energy-intensive and costly process. Traditional methods offer no economic return. This study explores the feasibility of using autonomous electric dump trucks (EDTs) to fill the pit, leveraging regenerative braking during descent to generate energy
[...] Read more.
The reclamation of exhausted open-pit coal mines is an energy-intensive and costly process. Traditional methods offer no economic return. This study explores the feasibility of using autonomous electric dump trucks (EDTs) to fill the pit, leveraging regenerative braking during descent to generate energy and reduce operational costs. A comprehensive energy balance model was developed based on the operational cycle of the Komatsu HD605-7 (E-Dumper) in the unique downhill-loaded logistics of the Pery quarry. The model incorporates vehicle dynamics equations, including rolling resistance, gradient, and aerodynamic forces, to calculate net energy consumption per cycle. Three energy storage system (ESS) configurations were compared: NMC/NCA batteries, LiFePO4 (LFP) batteries, and a hybrid LFP + supercapacitor (SC) system. Simulation results demonstrate that the net energy per cycle decreases with increasing payload capacity, even becoming negative (net energy generation) for loads above 110 tons due to powerful regenerative braking on the 13% descent grade. The hybrid LFP + SC system proved most efficient, achieving the lowest specific energy consumption (kWh/ton) by effectively capturing high-power regenerative currents. While LFP batteries have a lower energy density, their superior cycle life, thermal stability, and safety make them the optimal choice for the harsh mining environment. The proposed operation strategy, utilizing EDTs in a downhill-loaded cycle, transforms mine reclamation from a cost center into a potentially energy-neutral or even energy-positive process. A hybrid ESS with LFP batteries and supercapacitors is recommended as the most reliable and efficient solution for this specific application.
Full article
(This article belongs to the Special Issue Dynamic Modeling, Identification, and Advanced Control of Intelligent Electric Vehicles)
►▼
Show Figures

Figure 1
Open AccessArticle
Towards Sustainable EV Infrastructure: Site Selection and Capacity Planning with Charger Type Differentiation and Queuing-Theoretic Modeling
by
Zhihao Wang, Jinting Zou, Jintong Tu, Xuexin Li, Jianwei Liu and Haiwei Wu
World Electr. Veh. J. 2025, 16(11), 600; https://doi.org/10.3390/wevj16110600 - 29 Oct 2025
Abstract
The rapid adoption of electric vehicles (EVs) requires efficient charging infrastructure planning. This study proposes a multi-objective optimization model for siting and capacity planning of EV charging stations, distinguishing between fast and slow chargers. The model integrates investment, dynamic electricity costs, and user
[...] Read more.
The rapid adoption of electric vehicles (EVs) requires efficient charging infrastructure planning. This study proposes a multi-objective optimization model for siting and capacity planning of EV charging stations, distinguishing between fast and slow chargers. The model integrates investment, dynamic electricity costs, and user experience, factoring in congestion-adjusted travel distances, time-of-use pricing, and queuing delays using an enhanced M/M/c approach. A comparison of algorithm reveals that the simulated annealing (SA) algorithm outperforms the genetic algorithm (GA) and ant colony optimization (ACO) in minimizing total costs. A case study in Changchun’s urban core demonstrates the model’s applicability, resulting in an optimal plan of 15 stations with 110 fast and 40 slow chargers, providing 11,544 kVA capacity at an annual cost of 38.2651 million yuan. Compared to traditional models that ignore charger types and simplify delays, the proposed model reduces total system costs by 4.31%, investment costs by 5.31%, and user costs by 3%, while easing delays in high-demand areas. This framework provides practical insights for urban planners and policymakers, helping balance investment and user satisfaction, and promoting sustainable EV mobility.
Full article
(This article belongs to the Section Charging Infrastructure and Grid Integration)
►▼
Show Figures

Figure 1
Open AccessArticle
The Design Optimization of a Harmonic-Excited Synchronous Machine Operating in the Field-Weakening Region
by
Vladimir Prakht, Vladimir Dmitrievskii, Vadim Kazakbaev, Eduard Valeev and Victor Goman
World Electr. Veh. J. 2025, 16(11), 599; https://doi.org/10.3390/wevj16110599 - 29 Oct 2025
Abstract
In this paper, the optimization of a harmonic-excited synchronous machine (HESM) is carried out. A two-phase harmonic exciter winding of the HESM provides brushless excitation and sufficient starting torque at any rotor position. The HESM under consideration is intended to be used for
[...] Read more.
In this paper, the optimization of a harmonic-excited synchronous machine (HESM) is carried out. A two-phase harmonic exciter winding of the HESM provides brushless excitation and sufficient starting torque at any rotor position. The HESM under consideration is intended to be used for applications requiring speed control, especially in the field-weakening region. The novelty of the proposed approach is that a two-level optimization based on a two-stage model is used to reduce the computational burden. It includes a finite-element model that takes into account only the fundamental current harmonic (basic model). Using the output of the basic model, a reduced-order model (ROM) is parametrized. The ROM considers pulse-width-modulated components of the inverter output current, zero-sequence current injected into the stator winding, and harmonic excitation winding currents. A two-level optimization technique is developed based on the Nelder–Mead method, taking into account the significantly different computational complexity of the basic and reduced-order models. Optimization is performed considering two operating points: base and maximum speed. The results show that an optimized design provides significantly higher efficiency and reduced inverter power requirements. This allows the use of more compact and cheaper power switches. Therefore, the advantage of the presented approach lies in the computationally effective optimization of HESMs (optimization time is reduced by approximately three orders of magnitude compared to calculations using FEA alone), which enhances HESMs’ performance in various applications.
Full article
(This article belongs to the Special Issue Design, Analysis and Optimization of Electrical Machines and Drives for Electric Vehicles, 2nd Edition)
►▼
Show Figures

Figure 1
Open AccessArticle
Structural Safety Performance Simulation Analysis of a Certain Electric Vehicle Battery Pack Based on Multi-Working-Condition Safety Evaluation
by
Jinbo Wang, Wei Liao, Weihai Zhang and Tingwei Du
World Electr. Veh. J. 2025, 16(11), 598; https://doi.org/10.3390/wevj16110598 - 29 Oct 2025
Abstract
This study takes the power battery pack of a pure electric vehicle as the research object, focusing on safety—a core concern widely emphasized in the automotive industry. In practical application scenarios, evaluating the safety of the power battery pack through a single operating
[...] Read more.
This study takes the power battery pack of a pure electric vehicle as the research object, focusing on safety—a core concern widely emphasized in the automotive industry. In practical application scenarios, evaluating the safety of the power battery pack through a single operating condition fails to fully reflect its comprehensive safety performance throughout the vehicle’s entire life cycle. To overcome this limitation, a systematic analysis process was established. First, Catia geometric modeling software was used to simplify the battery pack structure, and HyperMesh was then employed for mesh generation. Second, three core analyses were conducted: static analysis, modal analysis, and extrusion condition analysis. A multi-condition safety evaluation system for electric vehicle battery packs during computer simulation analysis was proposed, which evaluates the battery pack from three dimensions: “dynamic stiffness-static strength-extrusion safety”. Results show that: modal analysis reveals the battery pack’s low-order natural frequencies exceed the vehicle’s excitation frequency (excitation point on the case cover); static analysis confirms it meets operational requirements; extrusion verification proves its safety complies with new national standards. The coupling effect of this multi-dimensional analysis breaks through the limitations of safety performance evaluation under a single operating condition, more realistically reflecting the battery pack’s comprehensive safety over its life cycle and providing a more systematic basis for power battery pack optimization.
Full article
(This article belongs to the Section Storage Systems)
►▼
Show Figures

Figure 1
Open AccessArticle
Experimental Study on Low-Temperature Thermal Management of Lithium Battery with Pulsating Heat Pipe
by
Keyong Li and Xianchao Wang
World Electr. Veh. J. 2025, 16(11), 597; https://doi.org/10.3390/wevj16110597 - 29 Oct 2025
Abstract
To address the serious decline in charge and discharge performance of lithium batteries in low temperatures, this paper proposes a thermal management scheme with pulsating heat pipes, which effectively achieves the advantages of pulsating heat transfer in heat pipes and large-scale equalization heating
[...] Read more.
To address the serious decline in charge and discharge performance of lithium batteries in low temperatures, this paper proposes a thermal management scheme with pulsating heat pipes, which effectively achieves the advantages of pulsating heat transfer in heat pipes and large-scale equalization heating in aluminum plates. Optimal energy consumption thermal management strategies (OECTMS) and optimal performance thermal management strategies (OPTMS) were proposed. The OECTMS aims to reduce the system energy consumption while ensuring thermal management performance, whereas the OPTMS is intended to maximize the performance of the heating system, ensuring that lithium batteries achieve optimal thermal and electrical performance. Experimental results show that in low-temperature discharge scenarios (−10 °C, −20 °C, and −30 °C), compared with batteries without TMS, the OECTMS implements intermittent heating for the battery, achieving discharge capacities as high as 60.06 Ah, 54.76 Ah, and 48.66 Ah, which correspond to increases of 10.67%, 14.11%, and 29.83%, respectively. For the OPTMS, which applies continuous heating to the battery, the discharge capacities are increased by 19.5%, 23.7%, and 56.6% compared with batteries without TMS at a 0.5C rate. Notably, the battery with the OPTMS, which originally could not discharge at all under −30 °C, achieves a discharge capacity of 61.55 Ah, exhibiting a higher discharge capacity at a 1.5C rate. Furthermore, compared with the OECTMS, the battery temperature under the OPTMS is consistently maintained above 0 °C, and the temperature changes stably throughout the discharge process without temperature spikes. This manuscript introduces pulsating heat pipe technology and proposes a novel low-temperature thermal management scheme and provides new insights for the efficient operation of lithium batteries in low-temperature environments.
Full article
(This article belongs to the Section Storage Systems)
►▼
Show Figures

Figure 1
Open AccessArticle
The Reverse Path Tracking Control of Articulated Vehicles Based on Nonlinear Model Predictive Control
by
Pengcheng Liu, Guoxing Bai, Zeshuo Liu, Yu Meng and Fusheng Zhang
World Electr. Veh. J. 2025, 16(11), 596; https://doi.org/10.3390/wevj16110596 - 29 Oct 2025
Abstract
Mining articulated vehicles (MAVs) are widely used as primary transportation equipment in both underground and open-pit mines. These include various machines such as Load–Haul–Dump machines and mining trucks. Path tracking control for MAVs has been an important research topic. Most current research focuses
[...] Read more.
Mining articulated vehicles (MAVs) are widely used as primary transportation equipment in both underground and open-pit mines. These include various machines such as Load–Haul–Dump machines and mining trucks. Path tracking control for MAVs has been an important research topic. Most current research focuses on path tracking control during forward driving. However, there are relatively limited studies on reverse path tracking control. Reversing plays a crucial role in the operation of MAVs. Nevertheless, existing methods typically use the center of the front axle as the control point; therefore, the positioning system is usually installed at the front axle. In practice, however, this means the positioning system is actually located at the rear axle during reverse operations. While it is theoretically possible to infer the position and orientation of the front axle from the rear axle, a strong nonlinear relationship exists between the motion states of the front and rear axles, which introduces significant errors in the system. As a result, these existing methods are not suitable for reverse driving conditions. To address this issue, this paper proposes a nonlinear model predictive control (NMPC) method for path tracking during mining-articulated vehicle (MAV) reverse operations. This method innovatively reconstructs the reverse-motion model by selecting the center of the rear axle as the control point, effectively addressing the instability issues encountered in traditional control methods during reverse maneuvers without requiring additional positioning devices. A comparative analysis with other control strategies, such as NMPC for forward driving, reverse NMPC using the front axle model, and reverse linear model predictive control (LMPC), reveals that the proposed NMPC method achieves excellent control accuracy. Displacement and heading error amplitudes do not exceed 0.101 m and 0.0372 rad, respectively. The maximum solution time per control period is 0.007 s. In addition, as the complexity of the reverse path increases, it continues to perform excellently. Simulation results show that as the curvature of the U-shaped curve increases, the proposed NMPC method consistently maintains high accuracy under various operational conditions.
Full article
(This article belongs to the Special Issue Motion Planning and Control of Autonomous Vehicles)
►▼
Show Figures

Figure 1
Open AccessArticle
High-Precision Low-Speed Measurement for Permanent Magnet Synchronous Motors Using an Improved Extended State Observer
by
Runze Ji, Kai Liu, Yingsong Wang and Rana Md Sohel
World Electr. Veh. J. 2025, 16(11), 595; https://doi.org/10.3390/wevj16110595 - 28 Oct 2025
Abstract
High-precision speed measurement at low speeds in PMSM drives is hindered by encoder quantization noise. This paper proposes an enhanced extended state observer (ESO)-based method to overcome limitations of conventional approaches such as direct differentiation with the low-pass filter (high noise), the phase-locked
[...] Read more.
High-precision speed measurement at low speeds in PMSM drives is hindered by encoder quantization noise. This paper proposes an enhanced extended state observer (ESO)-based method to overcome limitations of conventional approaches such as direct differentiation with the low-pass filter (high noise), the phase-locked loop (PLL)-based method (limited dynamic response), and standard ESO (sensitivity to disturbance). The improved ESO incorporates reference torque feedforward and disturbance feedback, significantly suppressing noise and enhancing robustness. Simulations and experiments demonstrate that the proposed method reduces steady-state speed fluctuation by up to 42% compared to standard ESO and over 90.1% relative to differentiation-based methods, while also improving transient performance. It exhibits superior accuracy and stability across various low-speed conditions, offering a practical solution for high-performance servo applications.
Full article
(This article belongs to the Section Propulsion Systems and Components)
►▼
Show Figures

Figure 1
Journal Menu
► ▼ Journal Menu-
- WEVJ Home
- Aims & Scope
- Editorial Board
- Topical Advisory Panel
- Instructions for Authors
- Special Issues
- Topics
- Sections
- Article Processing Charge
- Indexing & Archiving
- Editor’s Choice Articles
- Most Cited & Viewed
- Journal Statistics
- Journal History
- Journal Awards
- Society Collaborations
- Conferences
- Editorial Office
Journal Browser
► ▼ Journal BrowserHighly Accessed Articles
Latest Books
E-Mail Alert
News
Topics
Conferences
Special Issues
Special Issue in
WEVJ
Smart Charging Strategies for Plug-In Electric Vehicles
Guest Editors: Gregorio Cappuccino, Giovanni PedeDeadline: 15 November 2025
Special Issue in
WEVJ
Recent Advances in Autonomous Vehicles
Guest Editors: Soualmi Boussaad, Duc-Thang NguyenDeadline: 30 November 2025
Special Issue in
WEVJ
Dynamic Modeling, Identification, and Advanced Control of Intelligent Electric Vehicles
Guest Editor: Te ChenDeadline: 30 November 2025
Special Issue in
WEVJ
The Contribution of Electric Vehicles to Realization of Dual Carbon Goal
Guest Editors: Yongxing Wang, Chaoru Lu, Dongfan XieDeadline: 30 November 2025




