Journal Description
Gases
Gases
is an international, peer-reviewed, open access journal on the field of applied science and engineering advances in natural gas, greenhouse gas control, and gas sensors, published quarterly online by MDPI.
- Open Access— free for readers, with article processing charges (APC) paid by authors or their institutions.
- High Visibility: indexed within Scopus, EBSCO, ProQuest and other databases.
- Journal Rank: CiteScore - Q2 (Environmental Science (miscellaneous))
- Rapid Publication: manuscripts are peer-reviewed and a first decision is provided to authors approximately 30.9 days after submission; acceptance to publication is undertaken in 5.3 days (median values for papers published in this journal in the second half of 2025).
- Recognition of Reviewers: APC discount vouchers, optional signed peer review, and reviewer names published annually in the journal.
- Journal Cluster of Energy and Fuels: Energies, Batteries, Hydrogen, Biomass, Electricity, Wind, Fuels, Gases, Solar, ESA and Methane.
Latest Articles
Experimental Investigation of Injection Pressure and Permeability Effect on CO2 EOR for Light Oil Reservoirs
Gases 2026, 6(1), 5; https://doi.org/10.3390/gases6010005 - 17 Jan 2026
Abstract
►
Show Figures
Gas injection is a well-established method for enhancing oil recovery by improving oil mobility, primarily through viscosity reduction. While its application in heavy oil reservoirs is extensively studied, the specific impact of carbon dioxide (CO2) injection pressure on fluid viscosity reduction
[...] Read more.
Gas injection is a well-established method for enhancing oil recovery by improving oil mobility, primarily through viscosity reduction. While its application in heavy oil reservoirs is extensively studied, the specific impact of carbon dioxide (CO2) injection pressure on fluid viscosity reduction and the ultimate recovery factor from light oil reservoirs has not been fully investigated. To address this gap, this experimental study systematically explores the effects of CO2 injection pressure and reservoir permeability on light oil recovery. This study conducted miscible, near-miscible, and immiscible gas injection experiments on two core samples with distinct permeabilities (13.4 md and 28 md), each saturated with light oil. CO2 was injected at five different pressures, including conditions ranging from immiscible to initial reservoir pressure. The primary metrics for evaluation were the recovery factor (measured at gas breakthrough, end of injection, and abandonment pressure) and the viscosity reduction of the produced oil. The results conclusively demonstrate that CO2 injection significantly enhances light oil production. A direct proportional relationship was established between both the injection pressure and the recovery factor and between permeability and overall oil production at the gas breakthrough. However, a key finding was the inverse relationship observed between permeability and viscosity reduction: the lower-permeability sample (13.4 md) consistently exhibited a greater percentage of viscosity reduction across all injection pressures than the higher-permeability sample (28 md). This unexpected trend is aligned with the inverse relationship between the permeability and the recovery factor after the gas breakthrough. This outcome suggests that enhanced CO2 solubility, driven by higher confinement pressures within the nanopores of the lower-permeability rock, promotes a localized, near-miscible state. This effect was even evident during immiscible injection, where the low-permeability sample showed a noticeable viscosity reduction and superior long-term production. These findings highlight the critical role of pore-scale confinement in governing CO2 miscibility and its associated viscosity reduction, which should be incorporated into enhanced oil recovery design for unconventional reservoirs.
Full article
Open AccessArticle
Impact of Alternative Fuels on IMO Indicators
by
José Miguel Mahía-Prados, Ignacio Arias-Fernández and Manuel Romero Gómez
Gases 2026, 6(1), 4; https://doi.org/10.3390/gases6010004 - 8 Jan 2026
Abstract
►▼
Show Figures
This study provides a comprehensive analysis of the impact of different marine fuels such as heavy fuel oil (HFO), methane, methanol, ammonia, or hydrogen, on energy efficiency and pollutant emissions in maritime transport, using a combined application of the Energy Efficiency Design Index
[...] Read more.
This study provides a comprehensive analysis of the impact of different marine fuels such as heavy fuel oil (HFO), methane, methanol, ammonia, or hydrogen, on energy efficiency and pollutant emissions in maritime transport, using a combined application of the Energy Efficiency Design Index (EEDI), Energy Efficiency Operational Indicator (EEOI), and Carbon Intensity Indicator (CII). The results show that methane offers the most balanced alternative, reducing CO2 by more than 30% and improving energy efficiency, while methanol provides an intermediate performance, eliminating sulfur and partially reducing emissions. Ammonia and hydrogen eliminate CO2 but generate NOx (nitrogen oxides) emissions that require mitigation, demonstrating that their environmental impact is not negligible. Unlike previous studies that focus on a single fuel or only on CO2, this work considers multiple pollutants, including SOx (sulfur oxides), H2O, and N2, and evaluates the economic cost of emissions under the European Union Emissions Trading System (EU ETS). Using a representative model ship, the study highlights regulatory gaps and limitations within current standards, emphasizing the need for a global system for monitoring and enforcing emissions rules to ensure a truly sustainable and decarbonized maritime sector. This integrated approach, combining energy efficiency, emissions, and economic evaluation, provides novel insights for the scientific community, regulators, and maritime operators, distinguishing itself from previous multicriteria studies by simultaneously addressing operational performance, environmental impact, and regulatory gaps such as unaccounted NOx emissions.
Full article

Figure 1
Open AccessReview
Analysis of Fuel Gasification Using Solar Technology: A Patent Review
by
Mikhail Zhumagulov, Aizhan Omirbayeva and Davide Papurello
Gases 2026, 6(1), 3; https://doi.org/10.3390/gases6010003 - 7 Jan 2026
Abstract
Solar energy enhances the energy and environmental performance of coal gasification by lowering carbon emissions and increasing the yield and quality of synthesis gas. This patent review surveys recent global advances in solar thermochemical reactors for coal gasification, focusing on key innovations disclosed
[...] Read more.
Solar energy enhances the energy and environmental performance of coal gasification by lowering carbon emissions and increasing the yield and quality of synthesis gas. This patent review surveys recent global advances in solar thermochemical reactors for coal gasification, focusing on key innovations disclosed in patent applications and grants, with particular attention to technologies that improve process efficiency and sustainability. The novelty of the review is that unlike most patent reviews that focus primarily on statistical indicators such as application counts, geography, and classification, this work integrates qualitative analysis of specific technical solutions alongside statistical evaluation. This combined approach enables a deeper assessment of technological maturity and practical applicability. Fifteen patents from different countries were reviewed. The largest number (8, 53%) belongs to the United States. China has the second place with 4 (27%). The remaining countries (the EU, Korea, and Russia) hold 1 patent (7% each). The present work emphasises the technological and engineering solutions associated with the integration of solar energy into gasification processes. The author’s design is free of the disadvantages of its counterparts and is a simplified design with a high degree of adaptability to various types of fuel, including brown coal, biomass, and other carbon-containing materials.
Full article
(This article belongs to the Special Issue Bio-Energy: Biogas, Biomethane and Green-Hydrogen)
►▼
Show Figures

Graphical abstract
Open AccessArticle
Computational Investigation of Methoxy Radical-Driven Oxidation of Dimethyl Sulfide: A Pathway Linked to Methane Oxidation
by
Bruce M. Prince, Daniel Vrinceanu, Mark C. Harvey, Michael P. Jensen, Maria Zawadowicz and Chongai Kuang
Gases 2026, 6(1), 2; https://doi.org/10.3390/gases6010002 - 2 Jan 2026
Abstract
Methoxy radicals (CH3O•), formed as intermediates during methane oxidation, may play an underexplored but locally significant role in the atmospheric oxidation of dimethyl sulfide (DMS), a key sulfur-containing compound emitted primarily by marine phytoplankton. This study presents a comprehensive computational investigation
[...] Read more.
Methoxy radicals (CH3O•), formed as intermediates during methane oxidation, may play an underexplored but locally significant role in the atmospheric oxidation of dimethyl sulfide (DMS), a key sulfur-containing compound emitted primarily by marine phytoplankton. This study presents a comprehensive computational investigation of the reaction mechanisms and kinetics of DMS oxidation initiated by CH3O•, using density functional theory B3LYP-D3(BJ)/6-311++G(3df,3pd), CCSD(T)/6-311++G(3df,3pd), and UCBS-QB3 methods. Our calculations show that DMS reacts with CH3O• via hydrogen atom abstraction to form the methyl-thiomethylene radical (CH3SCH2•), with a rate constant of 3.05 × 10−16 cm3/molecule/s and a Gibbs free energy barrier of 14.2 kcal/mol, which is higher than the corresponding barrier for reaction with hydroxyl radicals (9.1 kcal/mol). Although less favorable kinetically, the presence of CH3O• in localized, methane-rich environments may still allow it to contribute meaningfully to DMS oxidation under specific atmospheric conditions. While the short atmospheric lifetime of CH3O• limits its global impact on large-scale atmospheric sulfur cycling, in marine layers where methane and DMS emissions overlap, CH3O• may play a meaningful role in forming sulfur dioxide and downstream sulfate aerosols. These secondary organic aerosols lead to cloud condensation nuclei (CCN) formation, subsequent changes in cloud properties, and can thereby influence local radiative forcing. The study’s findings underscore the importance of incorporating CH3O• driven oxidation pathways into atmospheric models to enhance our understanding of regional sulfur cycling and its impacts on local air quality, cloud properties and radiative forcing. These findings provide mechanistic insights that improve data interpretation for atmospheric models and extend predictions of localized variations in sulfur oxidation, aerosol formation, and radiative forcing in methane-rich environments.
Full article
(This article belongs to the Section Natural Gas)
►▼
Show Figures

Graphical abstract
Open AccessArticle
Testing the Experimental Unit at PT Lab for Collecting Data of CO2 Solubility in Solvents
by
Stefania Moioli
Gases 2026, 6(1), 1; https://doi.org/10.3390/gases6010001 - 23 Dec 2025
Abstract
Carbon Capture, Utilization and Storage (CCUS) is a critical area of research due to its potential to significantly reduce CO2 emissions from industrial processes and fossil fuel-based power generation. Aqueous amine solutions are commonly used as chemical solvents for CO2 capture.
[...] Read more.
Carbon Capture, Utilization and Storage (CCUS) is a critical area of research due to its potential to significantly reduce CO2 emissions from industrial processes and fossil fuel-based power generation. Aqueous amine solutions are commonly used as chemical solvents for CO2 capture. However, their application is disfavoured by the high energy requirements and related operational costs, toxicity, and corrosion issues. To address these limitations, research is in general focused on developing novel solvents that can overcome the drawbacks of traditional amines. This development needs the study of phase equilibria in systems for which detailed physicochemical data are often scarce in the literature. In particular, understanding the solubility of gases (CO2) in possible solvent mixtures is essential for evaluating their suitability for chemical or physical absorption processes. In this work, a dedicated setup was installed to generate the experimental data for these novel systems. This unit was designed to measure the solubility and diffusivity of gases in low-volatility liquids that could be alternative CO2 solvents. A detailed experimental procedure was established, and the unit was initially validated by measuring CO2 solubility in a 30 wt% monoethanolamine (MEA) solution, one of the most widely used industrial solvents. The experiments were conducted under conditions representing both the absorption and the regeneration sections of a CO2 removal plant. The resulting equilibrium data were analyzed by employing several thermodynamic models, and the model providing the best representation was selected.
Full article
(This article belongs to the Section Gas Emissions)
►▼
Show Figures

Figure 1
Open AccessArticle
Evaluation of Hydrogen-Powered Gas Turbines for Offshore FLNG Applications
by
We Lin Chan and Arun Dev
Gases 2025, 5(4), 29; https://doi.org/10.3390/gases5040029 - 16 Dec 2025
Abstract
►▼
Show Figures
Global carbon emissions are driving the maritime industry toward cleaner fuels, with LNG already established as a transitional option that reduces SOx, NOx, and particulate emissions relative to conventional marine fuels and in line with decarbonisation strategies. This research aimed to explore the
[...] Read more.
Global carbon emissions are driving the maritime industry toward cleaner fuels, with LNG already established as a transitional option that reduces SOx, NOx, and particulate emissions relative to conventional marine fuels and in line with decarbonisation strategies. This research aimed to explore the transition of offshore and marine platforms from conventional marine fuels to cleaner alternatives, with liquefied natural gas (LNG) emerging as the principal transitional fuel. Subsequently, floating liquefied natural gas (FLNG) platforms are increasingly being deployed to harness offshore gas resources, yet they face critical challenges related to weight, space, and energy efficiency. The study proposes pathways for transitioning FLNG energy systems from LNG to zero-carbon fuels, such as hydrogen derived directly from LNG resources, to optimise fuel supply under the unique operational constraints of FLNG units. The work unifies the independent domains of pure-fuel and blending-fuel processes for LNG and hydrogen, viewed in the context of thermodynamic processes, to optimise hydrogen–LNG co-firing gas turbine performance and meet the base power line of 50 MW. Furthermore, the research article will contribute to the development of other floating production platforms, such as FPSOs and FSRUs. It will be committed to clean energy policies that mandate support for green alternatives to hydrocarbon fuels.
Full article

Figure 1
Open AccessArticle
Density and Viscosity of CO2 Binary Mixtures with SO2, H2S, and CH4 Impurities: Molecular Dynamics Simulations and Thermodynamic Model Validation
by
Mohammad Hassan Mahmoodi, Pezhman Ahmadi and Antonin Chapoy
Gases 2025, 5(4), 28; https://doi.org/10.3390/gases5040028 - 28 Nov 2025
Abstract
►▼
Show Figures
The aim of this study is to generate density and viscosity data for carbon capture utilization and storage (CCUS) mixtures using equilibrium molecular dynamics (EMD) simulations. Binary CO2 mixtures with SO2 and H2S impurities at mole fractions of 0.05,
[...] Read more.
The aim of this study is to generate density and viscosity data for carbon capture utilization and storage (CCUS) mixtures using equilibrium molecular dynamics (EMD) simulations. Binary CO2 mixtures with SO2 and H2S impurities at mole fractions of 0.05, 0.10, and 0.20 were constructed. Simulations were performed across a temperature range of 223–323.15 K and at pressures up to 27.5 MPa using ms2 software. The simulation results were compared with predictions from established models. These included the Multi-Fluid Helmholtz Energy Approximation (MFHEA) for density, and the Lennard-Jones (LJ), Residual Entropy Scaling (ES-NIST), and Extended Corresponding States (SUPERTRAPP) models for viscosity. Available experimental data from the literature were also used for validation. Density predictions showed excellent agreement with MFHEA, especially for CO2 + SO2 mixtures, with %AARD values below 1% for 0.05 and 0.10, and 1.60% for 0.20 mole fraction SO2. For CO2 + H2S mixtures, deviations also increased with impurity concentration, reaching a maximum %AARD of 4.72% at 0.20 mole fraction. Viscosity data were validated against experimental values from the literature for a CO2 + CH4 (xCH4 = 0.25) mixture, showing strong agreement with both models and experiments. This confirms the reliability of the MD approach and the thermodynamic models, even for systems lacking experimental data. However, viscosity estimates showed higher uncertainty at lower temperatures and higher densities, a known limitation of the Green–Kubo method. This highlights the importance of selecting an appropriate correlation time to ensure the pressure correlation functions reach a plateau, avoiding inaccurate or uncertain viscosity values.
Full article

Graphical abstract
Open AccessProject Report
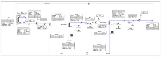
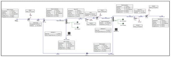
Technical Analysis Between Distillation and Membrane for the Production of Heavy-Duty 5% Propane
by
Yousef Alqaheem, Abdulaziz A. Alomair and Mohammad Alobaid
Gases 2025, 5(4), 27; https://doi.org/10.3390/gases5040027 - 24 Nov 2025
Abstract
►▼
Show Figures
The demand for heavy-duty 5% (HD5) propane is expected to increase in the future due to the use of the gas as a fuel for engines. A refinery produces HD10 propane, and it is looking to upgrade to HD5 propane using either the
[...] Read more.
The demand for heavy-duty 5% (HD5) propane is expected to increase in the future due to the use of the gas as a fuel for engines. A refinery produces HD10 propane, and it is looking to upgrade to HD5 propane using either the conventional process (distillation) or an energy-saving unit (membrane). This study compared the two technologies in terms of product quality and quantity using process simulation in UniSIM®. The software also provided the design parameters and power consumption for the two processes. The results show that the membrane was competitive with distillation and was capable of producing 96 mol% propane with a recovery of 99.3%. On the other hand, distillation achieved a maximum propane quality of 95 mol% with a recovery of 99.9%. Surprisingly, the energy consumption in the membrane was 669 kWh, which was higher than that of distillation (540 kWh) due to the requirement for a pre-heating step. Therefore, the technology should be selected based on either the quality or quantity of propane.
Full article

Figure 1
Open AccessArticle
Underground Hydrogen Storage: Steady-State Measurement of Hydrogen–Brine Relative Permeability with Gas Slip Correction
by
Emmanuel Appiah Kubi, Hamid Rahnema, Abdul-Muaizz Koray and Babak Shabani
Gases 2025, 5(4), 26; https://doi.org/10.3390/gases5040026 - 20 Nov 2025
Cited by 2
Abstract
►▼
Show Figures
Large-scale underground hydrogen storage in saline aquifers requires an understanding of hydrogen–brine two-phase flow properties, particularly relative permeability, which influences reservoir injectivity and hydrogen recovery. However, such hydrogen–brine relative permeability data remain scarce, hindering the predictive modeling of hydrogen injection and withdrawal. In
[...] Read more.
Large-scale underground hydrogen storage in saline aquifers requires an understanding of hydrogen–brine two-phase flow properties, particularly relative permeability, which influences reservoir injectivity and hydrogen recovery. However, such hydrogen–brine relative permeability data remain scarce, hindering the predictive modeling of hydrogen injection and withdrawal. In this study, steady-state hydrogen–brine co-injection coreflood experiments were conducted on an Austin Chalk core sample to measure the relative permeabilities. Klinkenberg slip corrections were applied to the gas flow measurements to determine the intrinsic (slip-free) hydrogen permeability. The core’s brine permeability was 13.2 mD, and the Klinkenberg-corrected hydrogen gas permeability was 13.8 mD (approximately a 4.5% difference). Both raw and slip-corrected hydrogen relative permeability curves were obtained, showing that the gas-phase conductivity increased as the water saturation decreased. Gas slippage caused higher apparent gas permeability in the raw data, and slip correction significantly reduced hydrogen relative permeability at lower hydrogen saturations. The core’s irreducible water saturation was 39%, at which point the hydrogen relative permeability reached 0.8 (dropping to 0.69 after slip correction), which is indicative of strongly water-wet behavior. These results demonstrate a measurable impact of gas slippage on hydrogen flow behavior and highlight the importance of accounting for slip effects when evaluating hydrogen mobility in brine-saturated formations.
Full article

Figure 1
Open AccessArticle
AERQ: Leveraging IoT and HPC for Urban Air Quality Monitoring
by
Guido Satta, Pierluigi Cau, Davide Muroni, Carlo Milesi and Carlino Casari
Gases 2025, 5(4), 25; https://doi.org/10.3390/gases5040025 - 17 Nov 2025
Abstract
►▼
Show Figures
Emerging technologies such as the Internet of Things (IoT), big data, mobile devices, high-performance computing, and advanced modeling are reshaping urban management. When integrated with conventional tools, these innovations enable smarter governance—particularly in air quality control—improving public health and quality of life. Yet,
[...] Read more.
Emerging technologies such as the Internet of Things (IoT), big data, mobile devices, high-performance computing, and advanced modeling are reshaping urban management. When integrated with conventional tools, these innovations enable smarter governance—particularly in air quality control—improving public health and quality of life. Yet, urban expansion driven by economic growth continues to worsen pollution and its health impacts. This study presents AERQ, a decision support system (DSS) designed to address urban air quality challenges through real-time sensor data and the AERMOD dispersion model. Applied to Cagliari (Italy), AERQ is used to evaluate key traffic-related pollutants (CO, PM, NO2) and simulate mitigation scenarios. Results are delivered via a user-friendly web-based platform for policymakers, technicians, and citizens. AERQ supports data-driven planning and near real-time responses, demonstrating the potential of integrated digital tools for sustainable urban governance. In the case study, it achieved 10 m spatial and 1 h temporal resolution, while reducing simulation time by 99%—delivering detailed five-year scenarios in just 15 h.
Full article

Figure 1
Open AccessArticle
Evaluating Concentrations of PM10, PM2.5, SO2, NO2, CO, O3, and H2S Emitted by Artisanal Brick Kilns in Juliaca, Peru, Using a Low-Cost Sensor Network and AERMOD Model
by
José Luis Pineda-Tapia, Edwin Huayhua-Huamaní, Milton Edward Humpiri-Flores, Kevin Fidel Quispe-Monroy, Deyna Lozano-Ccopa, Robinson Chaiña-Sucasaca, Milagros Lupe Salas-Huahuachampi, Dennis Enrique Mamani-Vilca and Cristian Abraham Cutipa-Flores
Gases 2025, 5(4), 24; https://doi.org/10.3390/gases5040024 - 31 Oct 2025
Abstract
►▼
Show Figures
The aim of this study was to rigorously quantify and analyse the concentrations of atmospheric pollutants (PM10, PM2.5, SO2, NO2, CO, H2S, and O3) emitted by artisanal brick kilns in Juliaca
[...] Read more.
The aim of this study was to rigorously quantify and analyse the concentrations of atmospheric pollutants (PM10, PM2.5, SO2, NO2, CO, H2S, and O3) emitted by artisanal brick kilns in Juliaca City, Peru. The AERMOD dispersion model and a network of low-cost sensors (LCSs) were employed to characterise air quality at specific receptor sites. A georeferenced inventory of kiln operations was created to determine their parameters and operational intensity, providing a foundation for estimating emission factors and rates. Data were obtained from the United States Environmental Protection Agency (EPA) and supplemented with locally gathered meteorological records, which were processed for integration into the AERMOD model. The findings revealed that brick kilns are a principal source of atmospheric pollution in the region, with carbon monoxide (CO) emissions being especially pronounced. The LCSs facilitated the identification of pollutant concentrations at various locations and enabled the quantification of the specific contribution of brick production to ambient aerosol levels. Comparative assessments determined that these sources account for approximately 85% of CO emissions within the study area, underscoring a significant adverse impact on air quality and public health. Background pollutant levels, emission rates, spatial distributions, and concentration patterns were analysed within the assessment zones, resulting in solid model performance. These results provide a sound scientific basis for the formulation and implementation of targeted environmental mitigation policies in urban areas and the outskirts of Juliaca.
Full article

Figure 1
Open AccessReview
Experimental and Molecular Dynamics Simulation of Interfacial Tension Measurements in CO2–Brine/Oil Systems: A Literature Review
by
Nadieh Salehi, Mohammad Kazemi, Mohammad Amin Esmaeilbeig, Abbas Helalizadeh and Mehdi Bahari Moghaddam
Gases 2025, 5(4), 23; https://doi.org/10.3390/gases5040023 - 16 Oct 2025
Cited by 1
Abstract
►▼
Show Figures
Carbon dioxide (CO2), a major greenhouse gas, contributes significantly to global warming and environmental degradation. Carbon Capture, Utilization, and Storage (CCUS) is a promising strategy to mitigate atmospheric CO2 levels. One widely applied utilization approach involves injecting captured CO2
[...] Read more.
Carbon dioxide (CO2), a major greenhouse gas, contributes significantly to global warming and environmental degradation. Carbon Capture, Utilization, and Storage (CCUS) is a promising strategy to mitigate atmospheric CO2 levels. One widely applied utilization approach involves injecting captured CO2 into depleted oil reservoirs to enhance oil recovery—a technique known as CO2-Enhanced Oil Recovery (CO2-EOR). The effectiveness of CO2-EOR largely depends on complex rock–fluid interactions, including mass transfer, wettability alteration, capillary pressure, and interfacial tension (IFT). Various factors, such as the presence of asphaltenes, salinity, pressure, temperature, and rock type, influence these interactions. This review explores the impact of these parameters on the IFT between CO2 and oil/water systems, drawing on findings from both experimental studies and molecular dynamics (MD) simulations. The literature indicates that increased temperature, reduced pressure, lower salinity, and the presence of asphaltenes tend to reduce IFT at the oil–water interface. Similarly, elevated temperature and pressure, along with asphaltene content, also lower the surface tension between CO2 and oil. Most MD simulations employ synthetic oil mixtures of various alkanes and use tools such as LAMMPS and GROMACS. Experimentally, the pendant drop method is most commonly used with crude oil and brine samples. Future research employing actual reservoir fluids and alternative measurement techniques may yield more accurate and representative IFT data, further advancing the application of CO2-EOR.
Full article

Figure 1
Open AccessReview
Review of Biomass Gasifiers: A Multi-Criteria Approach
by
Julián Cardona-Giraldo, Laura C. G. Velandia, Daniel Marin, Alejandro Argel, Samira García-Freites, Marco Sanjuan, David Acosta, Adriana Aristizabal, Santiago Builes and Maria L. Botero
Gases 2025, 5(4), 22; https://doi.org/10.3390/gases5040022 - 13 Oct 2025
Cited by 1
Abstract
Gasification of residual biomass has emerged as an efficient thermochemical conversion process, applicable to a wide range of uses, such as electricity generation; chemical manufacturing; and the production of liquid biofuels, BioSNG (biomass-based synthetic natural gas), and hydrogen. Thus, gasification of biomass residues
[...] Read more.
Gasification of residual biomass has emerged as an efficient thermochemical conversion process, applicable to a wide range of uses, such as electricity generation; chemical manufacturing; and the production of liquid biofuels, BioSNG (biomass-based synthetic natural gas), and hydrogen. Thus, gasification of biomass residues not only constitutes an important contribution toward decarbonizing the economy but also promotes the efficient utilization of renewable resources. Although a variety of gasification technologies are available, there are no clear guidelines for selecting the type of gasifier appropriate depending on the feedstock and the desired downstream products. Herein, we propose a gasifier classification model based on an extensive literature review, combined with a multi-criteria decision-making approach. A comprehensive and up-to-date literature review was conducted to gain a thorough understanding of the current state of knowledge in biomass gasification. The different features of the different types of gasifiers, in the context of biomass gasification, are presented and compared. The gasifiers were reviewed and evaluated considering criteria such as processing capacity, syngas quality, process performance, feedstock flexibility, operational and capital costs, environmental impact, and specific equipment features. A multi-criteria classification methodology was evaluated for assessing biomass gasifiers. A case study of such methodology was a applied to determine the best gasifiers for BioSNG inclusion in the natural gas distribution system in a small-scale scenario. Validation was conducted by comparing the matrix findings with commercially implemented gasification projects worldwide.
Full article
(This article belongs to the Section Natural Gas)
►▼
Show Figures

Graphical abstract
Open AccessArticle
Prototyping and Evaluation of 1D Cylindrical and MEMS-Based Helmholtz Acoustic Resonators for Ultra-Sensitive CO2 Gas Sensing
by
Ananya Srivastava, Rohan Sonar, Achim Bittner and Alfons Dehé
Gases 2025, 5(3), 21; https://doi.org/10.3390/gases5030021 - 9 Sep 2025
Abstract
This work presents a proof of concept including simulation and experimental validations of acoustic gas sensor prototypes for trace CO2 detection up to 1 ppm. For the detection of lower gas concentrations especially, the dependency of acoustic resonances on the molecular weights
[...] Read more.
This work presents a proof of concept including simulation and experimental validations of acoustic gas sensor prototypes for trace CO2 detection up to 1 ppm. For the detection of lower gas concentrations especially, the dependency of acoustic resonances on the molecular weights and, consequently, the speed of sound of the gas mixture, is exploited. We explored two resonator types: a cylindrical acoustic resonator and a Helmholtz resonator intrinsic to the MEMS microphone’s geometry. Both systems utilized mass flow controllers (MFCs) for precise gas mixing and were also modeled in COMSOL Multiphysics 6.2 to simulate resonance shifts based on thermodynamic properties of binary gas mixtures, in this case, N2-CO2. We performed experimental tracking using Zurich Instruments MFIA, with high-resolution frequency shifts observed in µHz and mHz ranges in both setups. A compact and geometry-independent nature of MEMS-based Helmholtz tracking showed clear potential for scalable sensor designs. Multiple experimental trials confirmed the reproducibility and stability of both configurations, thus providing a robust basis for statistical validation and system reliability assessment. The good simulation experiment agreement, especially in frequency shift trends and gas density, supports the method’s viability for scalable environmental and industrial gas sensing applications. This resonance tracking system offers high sensitivity and flexibility, allowing selective detection of low CO2 concentrations down to 1 ppm. By further exploiting both external and intrinsic acoustic resonances, the system enables highly sensitive, multi-modal sensing with minimal hardware modifications. At microscopic scales, gas detection is influenced by ambient factors like temperature and humidity, which are monitored here in a laboratory setting via NDIR sensors. A key challenge is that different gas mixtures with similar sound speeds can cause indistinguishable frequency shifts. To address this, machine learning-based multivariate gas analysis can be employed. This would, in addition to the acoustic properties of the gases as one of the variables, also consider other gas-specific variables such as absorption, molecular properties, and spectroscopic signatures, reducing cross-sensitivity and improving selectivity. This multivariate sensing approach holds potential for future application and validation with more critical gas species.
Full article
(This article belongs to the Section Gas Sensors)
►▼
Show Figures

Figure 1
Open AccessArticle
Study on the Temporal and Spatial Migration Patterns of Blast Smoke in the Mining Area and Optimization of Effective Range
by
Li Chen, Yuan Tian, Nana Zhang, Ziyi Xu and Zhisheng Li
Gases 2025, 5(3), 20; https://doi.org/10.3390/gases5030020 - 1 Sep 2025
Abstract
►▼
Show Figures
To prevent toxic and harmful gas suffocation accidents in underground metal mine stopes, the Fluent numerical simulation method was employed to investigate the wind field distribution patterns and the diffusion laws of blasting fumes in stopes with and without middle–end roadways under varying
[...] Read more.
To prevent toxic and harmful gas suffocation accidents in underground metal mine stopes, the Fluent numerical simulation method was employed to investigate the wind field distribution patterns and the diffusion laws of blasting fumes in stopes with and without middle–end roadways under varying effective ranges. The simulation accuracy was validated through laboratory experiments. The results demonstrate that over time, the CO concentration in the blasting area decreases, while in other regions of the stope, it initially increases before declining. The presence or absence of a middle roadway does not significantly alter the migration and diffusion behavior of blasting fumes in the stope. When the effective range is ER–1, the simulation error is only 8 s. As the effective range increases, the time required to reduce the CO concentration to 24 ppm on the respiratory plane, across the entire space, and at the monitoring point follows a linearly increasing trend. Meanwhile, the maximum wind speed at the working face exhibits a linearly decreasing trend, whereas the peak CO concentration shows a linearly increasing trend. Under the ER–1 effective range, the CO concentration can be reduced to a safe threshold more rapidly. The experimental and simulation results exhibit an error margin within 16.97%, confirming the accuracy of the numerical simulation.
Full article

Figure 1
Open AccessArticle
Modeling of Greenhouse Gases Emissions from Hong Kong’s Air Transport Industry: 2011 to 2030
by
Wai Ming To and Billy T. W. Yu
Gases 2025, 5(3), 19; https://doi.org/10.3390/gases5030019 - 18 Aug 2025
Abstract
►▼
Show Figures
The air transport industry has played a crucial role in Hong Kong’s economic growth. However, aircraft operations produce a considerable volume of greenhouse gases emissions. By analyzing aviation kerosene consumption data from the first quarter of 2011 to the fourth quarter of 2018,
[...] Read more.
The air transport industry has played a crucial role in Hong Kong’s economic growth. However, aircraft operations produce a considerable volume of greenhouse gases emissions. By analyzing aviation kerosene consumption data from the first quarter of 2011 to the fourth quarter of 2018, this study developed a seasonal autoregressive integrated moving average (ARIMA) model—ARIMA(1,1,0)(0,1,1)4—that accurately reflects the actual consumption patterns. This model was then utilized to forecast aviation kerosene consumption from the first quarter of 2019 to the fourth quarter of 2024, a period marked by Hong Kong’s social unrest, followed by the pandemic and post-pandemic effects of COVID-19. As COVID-19 transitioned to an endemic stage, the number of aircraft movements has steadily risen over the past three years, resulting in increased aviation kerosene consumption. This study assessed the reduction in aviation kerosene consumption and the corresponding greenhouse gases emissions during the first quarter of 2020 to the fourth quarter of 2024, primarily attributed to the impacts of the COVID-19 pandemic. It was determined that the reduction reached a peak of 15,973 kT of CO2 in 2022, subsequently falling to 7020 kT of CO2 in 2024. Utilizing both actual and forecasted consumption data, this study estimated greenhouse gases emissions from the Hong Kong air transport industry for the years 2011 to 2030.
Full article

Figure 1
Open AccessArticle
Unveiling Radon Concentration in Geothermal Installation: The Role of Indoor Conditions and Human Activity
by
Dimitrios-Aristotelis Koumpakis, Savvas Petridis, Apostolos Tsakirakis, Ioannis Sourgias, Alexandra V. Michailidou and Christos Vlachokostas
Gases 2025, 5(3), 18; https://doi.org/10.3390/gases5030018 - 5 Aug 2025
Abstract
►▼
Show Figures
The naturally occurring radioactive gas radon presents a major public health danger mainly affecting people who spend time in poorly ventilated buildings. The periodic table includes radon as a noble gas which forms through uranium decay processes in soil, rock, and water. The
[...] Read more.
The naturally occurring radioactive gas radon presents a major public health danger mainly affecting people who spend time in poorly ventilated buildings. The periodic table includes radon as a noble gas which forms through uranium decay processes in soil, rock, and water. The accumulation of radon indoors in sealed or poorly ventilated areas leads to dangerous concentrations that elevate human health risks of lung cancer. The research examines environmental variables affecting radon concentration indoors by studying geothermal installations and their drilling activities, which potentially increase radon emissions. The study was conducted in the basement of the plumbing educational building at the Aristotle University of Thessaloniki to assess the potential impact of geothermal activity on indoor radon levels, as the building is equipped with a geothermal heating system. The key findings based on 150 days of continuous data showed that radon levels peak during the cold days, where the concentration had a mean value of 41.5 Bq/m3 and reached a maximum at about 95 Bq/m3. The reason was first and foremost poor ventilation and pressure difference. The lowest concentrations were on days with increased human activity with measures that had a mean value of 14.8 Bq/m3, which is reduced by about 65%. The results that are presented confirm the hypotheses and the study is making clear that ventilation and human activity are crucial in radon mitigation, especially on geothermal and energy efficient structures.
Full article

Figure 1
Open AccessArticle
An Integrated–Intensified Adsorptive-Membrane Reactor Process for Simultaneous Carbon Capture and Hydrogen Production: Multi-Scale Modeling and Simulation
by
Seckin Karagoz
Gases 2025, 5(3), 17; https://doi.org/10.3390/gases5030017 - 2 Aug 2025
Abstract
Minimizing carbon dioxide emissions is crucial due to the generation of energy from fossil fuels. The significance of carbon capture and storage (CCS) technology, which is highly successful in mitigating carbon emissions, has increased. On the other hand, hydrogen is an important energy
[...] Read more.
Minimizing carbon dioxide emissions is crucial due to the generation of energy from fossil fuels. The significance of carbon capture and storage (CCS) technology, which is highly successful in mitigating carbon emissions, has increased. On the other hand, hydrogen is an important energy carrier for storing and transporting energy, and technologies that rely on hydrogen have become increasingly promising as the world moves toward a more environmentally friendly approach. Nevertheless, the integration of CCS technologies into power production processes is a significant challenge, requiring the enhancement of the combined power generation–CCS process. In recent years, there has been a growing interest in process intensification (PI), which aims to create smaller, cleaner, and more energy efficient processes. The goal of this research is to demonstrate the process intensification potential and to model and simulate a hybrid integrated–intensified adsorptive-membrane reactor process for simultaneous carbon capture and hydrogen production. A comprehensive, multi-scale, multi-phase, dynamic, computational fluid dynamics (CFD)-based process model is constructed, which quantifies the various underlying complex physicochemical phenomena occurring at the pellet and reactor levels. Model simulations are then performed to investigate the impact of dimensionless variables on overall system performance and gain a better understanding of this cyclic reaction/separation process. The results indicate that the hybrid system shows a steady-state cyclic behavior to ensure flexible operating time. A sustainability evaluation was conducted to illustrate the sustainability improvement in the proposed process compared to the traditional design. The results indicate that the integrated–intensified adsorptive-membrane reactor technology enhances sustainability by 35% to 138% for the chosen 21 indicators. The average enhancement in sustainability is almost 57%, signifying that the sustainability evaluation reveals significant benefits of the integrated–intensified adsorptive-membrane reactor process compared to HTSR + LTSR.
Full article
(This article belongs to the Topic Carbon Capture, Storage and Utilisation Technologies (CCS/CCU)—2nd Volume)
►▼
Show Figures

Figure 1
Open AccessArticle
Vertical Equilibrium Model Analysis for CO2 Storage
by
Mohammadsajjad Zeynolabedini and Ashkan Jahanbani Ghahfarokhi
Gases 2025, 5(3), 16; https://doi.org/10.3390/gases5030016 - 16 Jul 2025
Cited by 1
Abstract
►▼
Show Figures
This work uses the MATLAB Reservoir Simulation Toolbox (MRST) to reduce the 3D reservoir model into a 2D version in order to investigate CO2 storage in the Aurora model using the vertical equilibrium (VE) model. For this purpose, we used an open-source
[...] Read more.
This work uses the MATLAB Reservoir Simulation Toolbox (MRST) to reduce the 3D reservoir model into a 2D version in order to investigate CO2 storage in the Aurora model using the vertical equilibrium (VE) model. For this purpose, we used an open-source reservoir simulator, MATLAB Reservoir Simulation Toolbox (MRST). MRST is an open-source reservoir simulator, with supplementary modules added to enhance its versatility in addition to a core set of procedures. A fully implicit discretization is used in the numerical formulation of MRST-co2lab enabling the integration of simulators with vertical equilibrium (VE) models to create hybrid models. This model is then compared with the Eclipse model in terms of properties and simulation results. The relative permeability of water and gas can be compared to verify that the model fits the original Eclipse model. Comparing the fluid viscosities used in MRST and Eclipse also reveals comparable tendencies. However, reservoir heterogeneity is the reason for variations in CO2 plume morphologies. The upper layers of the Eclipse model have lower permeability than the averaged MRST model, which has a substantial impact on CO2 transport. According to the study, after 530 years, about 17 MT of CO2 might be stored, whereas 28 MT might escape the reservoir, since after 530 years CO2 plume reaches completely the open northern boundary. Additionally, a sensitivity analysis study has been conducted on permeability, porosity, residual gas saturation, rock compressibility, and relative permeability curves which are the five uncertain factors in this model. Although plume migration is highly sensitive to permeability, porosity, and rock compressibility variation, it shows a slight change with residual gas saturation and relative permeability curve in this study.
Full article

Figure 1
Open AccessArticle
Numerical Investigation of CO2 Injection Effects on Shale Caprock Integrity: A Case Study of Opalinus Clay
by
Haval Kukha Hawez, Hawkar Bakir, Karwkh Jamal, Matin Kakakhan, Karzan Hussein and Mohammed Omar
Gases 2025, 5(3), 15; https://doi.org/10.3390/gases5030015 - 8 Jul 2025
Cited by 2
Abstract
►▼
Show Figures
Carbon dioxide (CO2) geosequestration is a critical technology for reducing greenhouse gas emissions, with shale caprocks, such as Opalinus Clay (OPA), serving as essential seals to prevent CO2 leakage. This study employs computational fluid dynamics and finite element analysis to
[...] Read more.
Carbon dioxide (CO2) geosequestration is a critical technology for reducing greenhouse gas emissions, with shale caprocks, such as Opalinus Clay (OPA), serving as essential seals to prevent CO2 leakage. This study employs computational fluid dynamics and finite element analysis to investigate the hydromechanical behavior of OPA during CO2 injection, integrating qualitative and quantitative insights. Validated numerical models indicate that capillary forces are the most critical factor in determining the material’s reaction, with an entry capillary pressure of 2–6 MPa serving as a significant threshold for CO2 breakthrough. The numbers show that increasing the stress loading from 5 to 30 MPa lowers permeability by 0.3–0.45% for every 5 MPa increase. Porosity, on the other hand, drops by 9.2–9.4% under the same conditions. The OPA is compacted, and axial displacements confirm numerical models with an error margin of less than 10%. Saturation analysis demonstrates that CO2 penetration becomes stronger at higher injection pressures (8–12 MPa), although capillary barriers slow migration until critical pressures are reached. These results demonstrate how OPA’s geomechanical stability and fluid dynamics interact, indicating that it may be utilized as a caprock for CO2 storage. The study provides valuable insights for enhancing injection techniques and assessing the safety of long-term storage.
Full article

Figure 1
Highly Accessed Articles
Latest Books
E-Mail Alert
News
Topics
Topic in
Applied Sciences, Energies, JMSE, Processes, Resources, Gases
Exploitation and Underground Storage of Oil and Gas
Topic Editors: Jianjun Liu, Rui Song, Liuke Huang, Yao Wang, Mingyang Wu, Gang HuiDeadline: 30 September 2026
Topic in
Applied Sciences, Energies, Molecules, Processes, Resources, Gases
Petroleum and Gas Engineering, 2nd edition
Topic Editors: Xiaochuan Wang, Yulong ZhaoDeadline: 1 December 2026
Topic in
Atmosphere, Gases, Sustainability, Toxics, IJERPH
Ecosystems and Climate Change: Understanding Impacts to Shape the Future
Topic Editors: Pasquale Avino, Mario LovrićDeadline: 31 December 2026
Topic in
Energies, Materials, Sustainability, ChemEngineering, Processes, Separations, Gases, Powders
Carbon Capture, Storage and Utilisation Technologies (CCS/CCU)—3rd Edition
Topic Editors: Federica Raganati, Paola AmmendolaDeadline: 31 January 2027
Special Issues
Special Issue in
Gases
Bio-Energy: Biogas, Biomethane and Green-Hydrogen
Guest Editor: João Fernando Pereira GomesDeadline: 31 May 2026



