-
Techno-Economic Evaluation of Scalable and Sustainable Hydrogen Production Using an Innovative Molten-Phase Reactor -
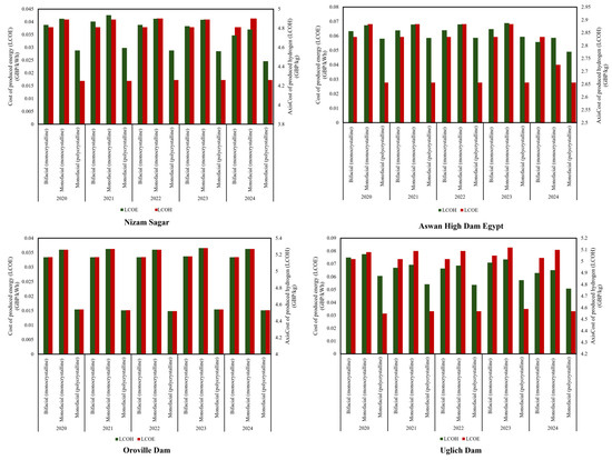
Techno-Economic Evaluation of a Floating Photovoltaic-Powered Green Hydrogen for FCEV for Different Köppen Climates -
Undoped CeP5O14-Polybenzimidazole Membranes for Fuel Cells at 200 °C -
Numerical Simulations of Large-Amplitude Acoustic Oscillations in Cryogenic Hydrogen at Pipe Exit -
Hydrogen-Enabled Power Systems: Technologies’ Options Overview and Effect on the Balance of Plant
Journal Description
Hydrogen
- Open Access— free for readers, with article processing charges (APC) paid by authors or their institutions.
- High Visibility: indexed within ESCI (Web of Science), Scopus, Ei Compendex, CAPlus / SciFinder, and other databases.
- Rapid Publication: manuscripts are peer-reviewed and a first decision is provided to authors approximately 17.6 days after submission; acceptance to publication is undertaken in 2.9 days (median values for papers published in this journal in the first half of 2025).
- Journal Rank: CiteScore - Q1 (Engineering (miscellaneous))
- Recognition of Reviewers: APC discount vouchers, optional signed peer review, and reviewer names published annually in the journal.
- Journal Cluster of Energy and Fuels: Energies, Batteries, Hydrogen, Biomass, Electricity, Wind, Fuels, Gases, Solar, ESA and Methane.
Latest Articles
E-Mail Alert
News
Topics
Deadline: 1 November 2026
Deadline: 31 December 2026
Deadline: 31 March 2027
Conferences
Special Issues
Deadline: 31 December 2025
Deadline: 31 January 2026
Deadline: 31 March 2026
Deadline: 30 April 2026





















