Sign in to use this feature.

Years

Between: -

Subjects

remove_circle_outline
remove_circle_outline
remove_circle_outline
remove_circle_outline
remove_circle_outline
remove_circle_outline
remove_circle_outline
remove_circle_outline
remove_circle_outline

Journals

remove_circle_outline
remove_circle_outline
remove_circle_outline
remove_circle_outline
remove_circle_outline
remove_circle_outline
remove_circle_outline
remove_circle_outline
remove_circle_outline
remove_circle_outline
remove_circle_outline
remove_circle_outline
remove_circle_outline
remove_circle_outline
remove_circle_outline

Article Types

Countries / Regions

remove_circle_outline
remove_circle_outline
remove_circle_outline
remove_circle_outline
remove_circle_outline
remove_circle_outline

Search Results (752)

Search Parameters:
Keywords = age-friendly development

Order results
Result details
Results per page
Select all
Export citation of selected articles as:
30 pages, 10659 KB  
Article
Performance Analysis of Artificial Neural Network and Its Optimized Models on Compressive Strength Prediction of Recycled Cement Mortar
by Lin-Bin Li, Guang-Ji Yin, Jing-Jing Shao, Ling Miao, Yu-Jie Lang, Jia-Jia Zhu and Shan-Shan Cheng
Materials 2025, 18(24), 5694; https://doi.org/10.3390/ma18245694 - 18 Dec 2025
Abstract
In the background of sustainable development in the construction industry, recycled cement mortar (RCM) has emerged as a research hotspot due to its eco-friendly features, where mechanical properties serve as critical indicators for evaluating its engineering applicability. This study proposes an artificial neural [...] Read more.
In the background of sustainable development in the construction industry, recycled cement mortar (RCM) has emerged as a research hotspot due to its eco-friendly features, where mechanical properties serve as critical indicators for evaluating its engineering applicability. This study proposes an artificial neural network (ANN) model optimized by intelligent algorithms, including the GWO (grey wolf optimizer), PSO (particle swarm optimization), and a GA (genetic algorithm), to predict the compressive strength of recycled mortar. By integrating experimental and prediction data, we establish a comprehensive database with eight input variables, including the water–cement ratio (W/C), cement–sand ratio (C/S), fly ash content (FA), aggregate replacement rate (ARR), and curing age. The predictive performance of neural network models with different database sizes (database 1: experimental data of RCM; database 2: experimental data of RCM and ordinary mortar; database 3: model prediction data of RCM, experimental data of RCM, and ordinary mortar) is analyzed. The results show that the intelligent optimization algorithms significantly enhance the predictive performance of the ANN model. Among them, the PSO-ANN model demonstrates optimal performance, with R2 = 0.92, MSE = 0.007, and MAE = 0.0632, followed by the GA-ANN model and the GWO-ANN model. SHAP analysis reveals that the W/C, C/S, and curing age are the key variables influencing the compression strength. Furthermore, the size of the dataset does not significantly influence the computation time for the above models but is primarily governed by the complexity of the optimization algorithms. This study provides an efficient data-driven method for the mix design of RCM and a theoretical support for its engineering applications. Full article
Show Figures

Figure 1

27 pages, 6258 KB  
Article
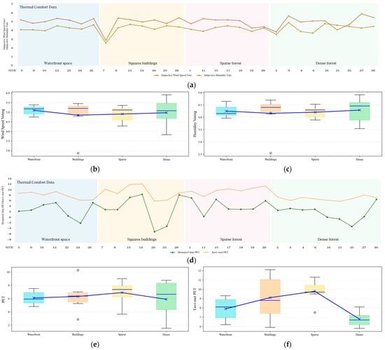
Optimization of Thermal Comfort Evaluation for Elderly Individuals in Winter Urban Parks Based on Plant Elements Within Landscape Spaces—Taking Beijing Zizhuyuan and Taoranting Parks as Examples
by Yan Lu, Zirui Wang, Yiyang Li and Shuyi Yan
Land 2025, 14(12), 2440; https://doi.org/10.3390/land14122440 - 17 Dec 2025
Abstract
Against the backdrop of accelerating population aging, urban green spaces have become primary venues for elderly daily activities, with their winter thermal comfort emerging as a critical determinant of senior wellbeing. However, existing studies lack quantitative guidelines on how plant characteristics affect thermal [...] Read more.
Against the backdrop of accelerating population aging, urban green spaces have become primary venues for elderly daily activities, with their winter thermal comfort emerging as a critical determinant of senior wellbeing. However, existing studies lack quantitative guidelines on how plant characteristics affect thermal comfort, limiting age-friendly design. Thirty representative landscape space sites (waterfront, square, dense forest, and sparse forest) in Beijing’s Zizhuyuan and Taoranting Parks were analyzed through microclimate measurements, 716 questionnaires, and scoring evaluations, supplemented by PET field data and ENVI-met simulations. A scoring system was developed based on tree density, plant traits (height, crown spread), and spatial features (canopy closure, structure, enclosure, and evergreen coverage). Key findings: (1) Sparse forests showed the best overall thermal comfort. Square building spaces were objectively comfortable but subjectively poor, while waterfront spaces showed the opposite. Dense forests performed worst in both aspects. (2) Wind speed and humidity were key drivers of both subjective and objective thermal comfort, and differences in plant configurations and landscape space types shaped how these factors were perceived. (3) Differentiated optimal scoring thresholds exist across the four landscape space types: waterfront (74 points), square building (52 points), sparse forest (61 points), and dense forest (88 points). (4) The landscape space design prioritizes sparse forest spaces, with moderate retention of waterfront and square areas and a reduction in dense forest zones. Optimization should proceed by first controlling enclosure and shading, then adjusting canopy closure and evergreen ratio, and finally refining tree traits to improve winter thermal comfort for the elderly. This study provides quantitative evidence and optimization strategies for improving both subjective and objective thermal comfort under diverse plant configurations. Full article
Show Figures

Figure 1

17 pages, 2105 KB  
Article
Enhancing Polydimethylsiloxane with Silver Nanoparticles for Biomedical Coatings
by Axel Bachoux, Cédric Desroches, Laurence Bois, Catherine Journet, Aurore Berthier, Frédérique Bessueille-Barbier, Bérangère Toury and Nina Attik
Biomimetics 2025, 10(12), 846; https://doi.org/10.3390/biomimetics10120846 - 17 Dec 2025
Abstract
Silver nanoparticles (AgNPs) are widely used as antibacterial agents either as colloidal solutions or deposited on surfaces. However, the high concentration of AgNPs can lead to cytotoxicity, posing a hazard to healthy cells and tissues. Achieving a balance between antibacterial efficacy and cytocompatibility [...] Read more.
Silver nanoparticles (AgNPs) are widely used as antibacterial agents either as colloidal solutions or deposited on surfaces. However, the high concentration of AgNPs can lead to cytotoxicity, posing a hazard to healthy cells and tissues. Achieving a balance between antibacterial efficacy and cytocompatibility is crucial for biomedical applications. Polymeric coatings, especially those made from polydimethylsiloxane (PDMS) like Sylgard 184, are popular in biomedical applications due to their user-friendliness. We have developed a cost-effective method to reduce silver ions using the Si-H silane functions of PDMS in situ. Tetrahydrofuran (THF) acts as a solvent, inducing a swelling effect in PDMS, allowing silver ions from silver tetrafluoroborate (AgBF4) dissolved in THF to diffuse into the polymer and undergo reduction. This process results in PDMS functionalized with well-distributed 10 nm silver AgNPs. The resulting metal–polymer nanocomposites (MPNs) exhibit yellow shades and, based on qualitative Live/Dead staining observations, show no apparent cytotoxicity on human gingival fibroblasts. In addition, SEM analyses indicate a qualitative reduction in E. coli adhesion, suggesting an antibacterial anti-adhesive potential against this bacterial strain. Further studies should investigate the release profile of AgNPs in these composites, which could guide the development of new biocompatible coatings for phototherapy devices and enhance their long-term clinical performance. Full article
Show Figures

Figure 1

14 pages, 3172 KB  
Article
Dietary Pineapple Pomace Complex Improves Growth Performance and Reduces Fecal Odor in Weaned Piglets by Modulating Fecal Microbiota, SCFAs, and Indoles
by Shengnan Yu, Jiahao Jin, Minglin Zheng, Fuquan Yin, Wenchao Liu, Zhihui Zhao, Liyuan Wang and Yuxia Chen
Animals 2025, 15(24), 3600; https://doi.org/10.3390/ani15243600 - 15 Dec 2025
Viewed by 106
Abstract
This study aimed to investigate the effects of pineapple pomace as a functional feed additive on growth performance, fecal microbiota composition, short-chain fatty acids (SCFAs), and odor substance emissions in weaned piglets. The experiment utilized 90 weaned three-way crossbred piglets (Duroc–Yorkshire–Guoshou Black Pig) [...] Read more.
This study aimed to investigate the effects of pineapple pomace as a functional feed additive on growth performance, fecal microbiota composition, short-chain fatty acids (SCFAs), and odor substance emissions in weaned piglets. The experiment utilized 90 weaned three-way crossbred piglets (Duroc–Yorkshire–Guoshou Black Pig) at 28 days of age, randomly divided into three groups of 10 pigs each: the control group (CON, basal diet), the fish meal group (FM, basal diet + 2% imported fish meal), and the pineapple pomace group (PPC, basal diet + 2% pineapple pomace compound). The results indicated the PPC group exhibited significantly higher average daily gain (ADG) (p < 0.05) and significantly lower feed conversion ratio (FCR) (p < 0.05) than the CON group. 16S rRNA sequencing analysis revealed that the PPC group significantly increased fecal microbiota species richness and diversity (p < 0.01) while enriching beneficial bacteria including Lactobacillus, Bifidobacterium, and butyrate-producing bacteria such as Blautia. Concurrently, acetic acid and butyric acid levels in feces were significantly elevated in the PPC group (p < 0.05), with butyric acid production markedly higher than in the FM group (p < 0.05). However, no significant differences were observed in the levels of branched-chain fatty acids (BCFAs), such as isobutyric acid and isovaleric acid (p < 0.05). Moreover, PPC supplementation led to a significant decrease in fecal levels of indole and 3-methylindole (skatole) (p < 0.05). In summary, dietary inclusion of 2% pineapple pomace improves growth performance and intestinal health in weaned piglets by modulating the fecal microbiota, promoting beneficial SCFA production, and inhibiting protein putrefaction. These findings support PPC as an effective and sustainable alternative to fish meal, contributing to the development of environmentally friendly feeding strategies in pig production. Full article
Show Figures

Figure 1

19 pages, 1583 KB  
Article
Production and Characterization of a Pullulan-Based Facial Mask Incorporating Grape Seed Flour Extract for Cosmeceutical Applications
by Ester Ferreira, Bárbara Encarnação, José Francisco Cascalheira, Eugenia Gallardo, Susana Ferreira, Ana Ramos, Fernanda Domingues and Ângelo Luís
Int. J. Mol. Sci. 2025, 26(24), 11845; https://doi.org/10.3390/ijms262411845 - 8 Dec 2025
Viewed by 135
Abstract
This study aimed to develop and characterize an eco-friendly facial mask based on the pullulan biopolymer incorporating grape seed flour extract, a sustainable source of polyphenols. The extract was characterized by its phenolic content, antioxidant capacity, enzyme inhibition and antimicrobial activity. High total [...] Read more.
This study aimed to develop and characterize an eco-friendly facial mask based on the pullulan biopolymer incorporating grape seed flour extract, a sustainable source of polyphenols. The extract was characterized by its phenolic content, antioxidant capacity, enzyme inhibition and antimicrobial activity. High total phenolic and flavonoid contents, along with the presence of trans-resveratrol, conferred strong antioxidant activity. The extract effectively inhibited tyrosinase and elastase enzymes, indicating its anti-aging potential, and exhibited antimicrobial effects particularly against Staphylococcus aureus. The incorporation of the extract in pullulan films increased thickness and coloration while maintaining transparency and improving barrier properties. The bioactive films showed strong antioxidant activity and displayed selective antibacterial activity against S. aureus, including MRSA strains. A facial mask prototype was successfully produced, demonstrating flexibility, solubility, and potential for topical applications. Overall, the developed pullulan–grape seed extract films exhibit multifunctional cosmeceutical potential combining antioxidant, antimicrobial, and anti-aging effects with sustainable valorization of wine industry by-products. Full article
Show Figures

Figure 1

29 pages, 13940 KB  
Article
Evaluation of Mechanical Properties of Concrete with Plastic Waste Using Random Forest and XGBoost Algorithms
by Mohammed K. Alkharisi and Hany A. Dahish
Sustainability 2025, 17(24), 10941; https://doi.org/10.3390/su172410941 - 7 Dec 2025
Viewed by 287
Abstract
The increasing global production of plastic (P) waste presents a critical environmental challenge, while the construction industry’s demand for sustainable materials continues to grow. The building industry’s reliance on natural aggregates, a contributor to environmental degradation, requires sustainable alternatives. Utilizing plastic waste as [...] Read more.
The increasing global production of plastic (P) waste presents a critical environmental challenge, while the construction industry’s demand for sustainable materials continues to grow. The building industry’s reliance on natural aggregates, a contributor to environmental degradation, requires sustainable alternatives. Utilizing plastic waste as a partial aggregate substitute in concrete offers dual advantages: preserving limited resources and redirecting waste from landfills. This research uses advanced machine learning (ML) to forecast the mechanical properties of P waste concrete. Random Forest (RF) and eXtreme Gradient Boosting (XGBoost) models with particle swarm optimization (PSO) were developed to predict compressive and tensile strengths of P waste concrete. A comprehensive dataset comprising 196 datapoints for compressive strength (CS) and 100 datapoints for tensile strength (TS) of P waste concrete was collected from the literature. The input parameters encompassed the plastic (P), cement (C), water-to-cement ratio (W/C), coarse aggregate (CA), fine aggregate (FA), and curing age (Age), while the outputs were CS and TS of P waste concrete. The constructed models were assessed utilizing various statistical metrics. The findings indicate that coefficient of determination of both XGBoost (CS, R2 = 0.9911, and TS, R2 = 0.9947) and RF (CS, R2 = 0.9757, and TS, R2 = 0.9737) models performed well, with XGBoost indicating better performance with fewer prediction errors. SHAP analysis emphasizes the substantial effect of P waste on concrete strength properties followed by C and Age. Furthermore, GUIs for predicting TS and CS of concrete containing P waste utilizing both RF and XGBoost models were developed. Overall, this study not only achieves superior accuracy through hybrid PSO-ML models but also contributes to sustainable construction materials and computational material science, offering a data-driven framework for optimizing mix designs that incorporate plastic waste, which can accelerate its adoption in eco-friendly engineering applications. Full article
Show Figures

Figure 1

25 pages, 1271 KB  
Article
Engaging Older Adults to Guide the Development of Passive Home Health Monitoring to Support Aging in Place
by Elinor Randi Schoenfeld, Tracy Trimboli, Kaylyn Schwartz, Givenchy Ayisi-Boahene, Patricia Bruckenthal, Erez Zadok, Shelley Horwitz and Fan Ye
Sensors 2025, 25(24), 7413; https://doi.org/10.3390/s25247413 - 5 Dec 2025
Viewed by 512
Abstract
By 2050, most adults aged 65 and older in the United States will want to age independently at home, a goal that will strain healthcare resources. Adults aged 50 and older (N = 112) were recruited for study participation between 2018 and 2022. [...] Read more.
By 2050, most adults aged 65 and older in the United States will want to age independently at home, a goal that will strain healthcare resources. Adults aged 50 and older (N = 112) were recruited for study participation between 2018 and 2022. They completed surveys and participated in discussion sessions to explore their needs and opinions regarding smart home sensors. Survey results indicated that older adults’ comfort with smart home sensors increased with their perceived need for monitoring when home alone (OR = 1.46; p = 0.012) or sick/recovering from an illness (OR = 2.21; p < 0.001). When sick compared to when healthy, individuals were 2.65 times more likely to prefer installing multiple sensors in the living room, 1.75 times more likely in the kitchen, 3.66 times more likely in the bedroom, and 3.41 times more likely in the bathroom (p < 0.05). Regarding data sharing, participants were most willing to share information with healthcare providers and family members on a regular basis (80 and 81%, respectively) and 71% on a regular basis or when sick/recovering. Comfort with data sharing with professional caregivers (OR = 1.67; p = 0.0017) and monitoring companies (OR = 1.34; p = 0.030) significantly increased when sick/recovering. Discussion sessions highlighted overwhelming concerns about personal security/privacy, loss of independence, and ethical issues in data collection. Participants emphasized the need for new systems to be flexible, cost-effective, user-friendly, and respectful of user autonomy, accommodating diverse life stages, comfort levels, home environments, income levels, and support structures. Insights are now informing sensor data collection in our model home. Study findings underscore the importance of involving potential users in technology development to create effective and acceptable solutions for aging in place. Full article
Show Figures

Figure 1

25 pages, 1229 KB  
Article
Determinants of Property Reuse for Age-Friendly Social Housing Development in Shrinking and Ageing Cities: Evidence from Latvia
by Rashmi Jaymin Sanchaniya, Jurgita Cerneckiene, Ineta Geipele, Antra Kundzina, Leo Jansons, Edgars Pudzis and Peteris Drukis
Land 2025, 14(12), 2375; https://doi.org/10.3390/land14122375 - 4 Dec 2025
Viewed by 298
Abstract
Demographic decline and population ageing present unprecedented challenges to housing systems in post-socialist Europe. With one of the European Union (EU)’s fastest shrinking populations, an underdeveloped social housing sector, and an ageing housing stock dominated by Soviet-era multi-family blocks, Latvia exemplifies these difficulties. [...] Read more.
Demographic decline and population ageing present unprecedented challenges to housing systems in post-socialist Europe. With one of the European Union (EU)’s fastest shrinking populations, an underdeveloped social housing sector, and an ageing housing stock dominated by Soviet-era multi-family blocks, Latvia exemplifies these difficulties. Adaptive property reuse—repurposing underutilised buildings into age-friendly social housing—offers a potential solution, but its feasibility depends on complex economic, regulatory, social, and environmental determinants. This study investigated these determinants using a mixed-methods approach. Data were drawn from 312 survey responses, 15 policymaker interviews, 10 developer interviews, and focus group of 25 senior residents across Latvia. Exploratory Factor Analysis (EFA) was used to extract six determinant clusters: site selection, feasibility analysis, design and planning, implementation strategies, monitoring and evaluation, and scaling strategies. The findings demonstrate: (1) economic feasibility and regulatory clarity dominate stakeholder concerns, with financing gaps receiving the lowest ratings (M = 2.91); (2) implementation strategies emerged as the highest-priority determinant, emphasising governance capacity and structured execution; (3) significant trust deficits exist between developers and municipal authorities, undermining collaboration; (4) seniors prioritise design inclusivity and social integration, while developers emphasise cost efficiency and regulatory certainty; and (5) environmental sustainability consistently ranked lower (M ≈ 3.34) across all stakeholder groups due to pressing affordability concerns. Although municipal officers were intentionally oversampled (58%) due to their central role in Latvia’s housing governance, robustness checks confirmed the six-factor structure remained stable across stakeholder groups. This study contributes theoretically by contextualising adaptive reuse within shrinking cities and ageing societies and practically by providing a determinant-based framework for housing policy. Full article
Show Figures

Figure 1

25 pages, 8944 KB  
Article
Highly Effective Injection Composites with Fly Ash and Microsilica for Soil Stabilization
by Yasin Onuralp Özkılıç, Alexey N. Beskopylny, Ceyhun Aksoylu, Sergey A. Stel’makh, Evgenii M. Shcherban’, Emrah Madenci, Diana M. Shakhalieva, Andrei Chernil’nik and Alexey Kosykh
J. Compos. Sci. 2025, 9(12), 675; https://doi.org/10.3390/jcs9120675 - 4 Dec 2025
Viewed by 283
Abstract
Injection composites based on mineral binders are widely used for soil stabilization, using jet grouting technology to solve various geotechnical problems. Cement, which contains toxic components and worsens the ecology of the environment, is typically the main mineral component used to manufacture injection [...] Read more.
Injection composites based on mineral binders are widely used for soil stabilization, using jet grouting technology to solve various geotechnical problems. Cement, which contains toxic components and worsens the ecology of the environment, is typically the main mineral component used to manufacture injection composites. Reducing cement consumption in the production of building materials is currently of great importance. This study developed highly effective, environmentally friendly injection composites for soil stabilization based on three mineral components: Portland cement, fly ash (FA), and microsilica (MS). FA was introduced into the composites as a partial Portland cement substitute, in amounts ranging from 5 to 50% in 5% increments. The properties of fresh and hardened composites, including the density, flow rate, water separation, compressive strength at 7 and 28 days, and the structure and phase composition of the composites, were studied. The inclusion of FA in the composition of composites contributes to a decrease in density by 16.9%, from 1.89 g/cm3 to 1.57 g/cm3, and cone spread by 9%, from 30.1 cm to 27.4 cm, and an increase in water bleeding by 91.4%, from 3.5% to 6.7%, respectively. Based on the results of the experimental studies, the most effective dosage of FA was determined, which amounted to 20%. An increase in compressive strength was recorded for composites at the age of 7 days of 8.3%, from 33.6 MPa to 36.4 MPa, and for compressive strength at the age of 28 days of 9.4%, from 41.3 MPa to 45.2 MPa, respectively. SEM and XRD analysis results show that including FA and MS promotes the formation of additional calcium hydrosilicates (CSH) and the development of a compact and organized composite structure. The developed composites with FA contents of up to 50% exhibit the required properties and can be used for their intended purpose in real-world construction for soil stabilization. Full article
(This article belongs to the Section Composites Applications)
Show Figures

Figure 1

23 pages, 2824 KB  
Article
Functional and Nutritional Properties of Lion’s Mane Mushrooms in Oat-Based Desserts for Dysphagia and Healthy Ageing
by Samiddhi Gunathilake, Supuni Aluthge, Asgar Farahnaky, Tien Huynh, Geoffrey Ssepuuya and Mahsa Majzoobi
Foods 2025, 14(23), 4153; https://doi.org/10.3390/foods14234153 - 3 Dec 2025
Viewed by 657
Abstract
Hericium erinaceus (Lion’s Mane mushroom) is a medicinal species recognised for its neuroprotective and antioxidant properties. This study investigated its potential as a functional ingredient in oat milk-based desserts formulated for individuals with dysphagia. Freeze-dried Lion’s Mane powder (LMP), containing high-quality protein (~16%, [...] Read more.
Hericium erinaceus (Lion’s Mane mushroom) is a medicinal species recognised for its neuroprotective and antioxidant properties. This study investigated its potential as a functional ingredient in oat milk-based desserts formulated for individuals with dysphagia. Freeze-dried Lion’s Mane powder (LMP), containing high-quality protein (~16%, amino acid score 88%), dietary fibre (~31%), and phenolic compounds (72.15 mg GAE/g), was incorporated at varying levels using gelatin or iota-carrageenan (IC) as gelling agents. Incorporation of up to 5% LMP significantly improved the nutritional composition and maintained favourable texture and sensory characteristics while meeting the International Dysphagia Diet Standardisation Initiative (IDDSI) Level 6 criteria. Both manual and instrumental fork pressure tests confirmed that all samples were soft and easy to compress without stickiness or deformation recovery, ensuring safe swallowing. Higher inclusion levels of LMP or hydrocolloids increased hardness and firmness but adversely affected colour and mouthfeel. Carrageenan-based formulations further supported the development of vegan-friendly options with stable structure and desirable rheology. Overall, the study demonstrates that Lion’s Mane-enriched soft foods can deliver enhanced nutrition and texture suitable for dysphagic diets, offering a novel, plant–fungal approach to supporting healthy ageing with potential neuroprotective properties. Full article
(This article belongs to the Special Issue Edible Mushroom: Nutritional Properties and Its Utilization in Foods)
Show Figures

Graphical abstract

29 pages, 4503 KB  
Article
Comparative Performance Analysis of Machine Learning Models for Compressive Strength Prediction in Concrete Mix Design
by Junyu Liu, Dayou Guan and Xi Liu
Math. Comput. Appl. 2025, 30(6), 128; https://doi.org/10.3390/mca30060128 - 27 Nov 2025
Cited by 1 | Viewed by 502
Abstract
Recycled aggregate concrete (RAC) is a sustainable alternative to conventional concrete, reducing environmental hazards and conserving resources. Accurate compressive strength (CS) prediction is critical for its broader acceptance. This study uses machine learning (ML) models (elastic net regression, KNN, ANN, SVR, RF, XGBoost, [...] Read more.
Recycled aggregate concrete (RAC) is a sustainable alternative to conventional concrete, reducing environmental hazards and conserving resources. Accurate compressive strength (CS) prediction is critical for its broader acceptance. This study uses machine learning (ML) models (elastic net regression, KNN, ANN, SVR, RF, XGBoost, CatBoost, symbolic regression, stacking) trained on 1030 conventional concrete mixtures from UCI to support RAC’s CS prediction. The best model achieved R2 = 0.92; performance order: CatBoost > XGBoost > RF > SVR > ANN > symbolic regression > KNN > elastic net regression. Stacking improved RMSE by 6% over CatBoost. During the testing, sensitivity analysis revealed that CS exhibits pronounced sensitivity to the cement (C) content and testing age (TA). This aligns with existing experimental research. External validation, which is often neglected by prediction model research, was performed, from which a high-quality evaluating model was used for generalizability and reliability, enhancing the heterogenicity of its usefulness. Lastly, a user-friendly graphical interface was developed that allows users to input custom parameters to obtain sustainable RAC mixtures. This study offers insights into optimizing concrete mix designs for RAC, improving its performance and sustainability. It also advances the knowledge of cementitious materials, aligning with industrial and environmental objectives. Full article
Show Figures

Figure 1

21 pages, 8033 KB  
Article
Agar/Carboxymethyl Cellulose Blended Films with Green-Synthesised Silver Nanoparticles as a Sustainable Alternative for Food Packaging Applications
by Seyedeh Fatemeh Mirpoor, Alessio Massironi, Danielle Winning, Stella Lignou, Sameer Khalil Ghawi, Federico Trotta and Dimitris Charalampopoulos
Polymers 2025, 17(23), 3126; https://doi.org/10.3390/polym17233126 - 25 Nov 2025
Viewed by 564
Abstract
The shelf life of food can be affected by storage and transport conditions. The development of a biodegradable, eco-friendly active bioplastic for food packaging could delay food deterioration during these stages, while minimising the environmental impact of non-degradable conventional plastics. In this study, [...] Read more.
The shelf life of food can be affected by storage and transport conditions. The development of a biodegradable, eco-friendly active bioplastic for food packaging could delay food deterioration during these stages, while minimising the environmental impact of non-degradable conventional plastics. In this study, blended films of agar with carboxymethyl cellulose (CMC) were integrated with different concentrations of silver nanoparticles (AgNPs) that were produced by a green synthesis method. The incorporation of silver nanoparticles into the blended films increased the stiffness of the film and improved the water vapour barrier and hydrophobicity. The thermal stability and the Fourier transform infrared spectra of the films were not affected by the different concentrations of AgNPs incorporated. The film microstructure was affected by the concentration of AgNPs and resulted in an increase in the film’s pore size. Films with the highest concentration of AgNPs showed antibacterial activity against foodborne pathogens, L. monocytogenes, Staphylococcus aureus, Pseudomonas aeruginosa and E. coli, and provided the material with the highest UV protection and bio-disintegration in soil and simulated seawater environments compared to the other developed films. The developed agar/CMC blended films with improved physicochemical properties present a viable alternative to conventional plastics in active food packaging applications. Full article
Show Figures

Graphical abstract

16 pages, 4085 KB  
Article
Vacuum Distillation-Assisted Hydrometallurgical Route for Industrial Production of 99.999% Pure Gold from Au–Ag Alloys Feedstocks
by Weihuang Wu and Guozheng Zha
Metals 2025, 15(11), 1271; https://doi.org/10.3390/met15111271 - 20 Nov 2025
Viewed by 377
Abstract
In response to the growing industrial demand for ultra-high-purity gold, a vacuum distillation-assisted hydrometallurgical process is developed in this study for the industrial-scale production of 99.999% pure (5N) gold from crude Au–Ag alloy feedstocks. This integrated approach combines vacuum distillation, aqua regia dissolution, [...] Read more.
In response to the growing industrial demand for ultra-high-purity gold, a vacuum distillation-assisted hydrometallurgical process is developed in this study for the industrial-scale production of 99.999% pure (5N) gold from crude Au–Ag alloy feedstocks. This integrated approach combines vacuum distillation, aqua regia dissolution, solvent extraction, and in situ reduction. An alloy containing approximately 56.47 wt% Au and 43.06 wt% Ag was first vacuum distilled, yielding a pre-enriched alloy with 94.76 wt% Au and less than 5.17 wt% Ag. The enriched Au alloy was subjected to aqua regia dissolution, solvent extraction, and Na2SO3-assisted reduction. The influence of the liquid-to-solid ratio, settling time, phase ratio, extraction time, and centrifugation speed on gold purity and recovery was systematically investigated. Under optimized conditions, the process achieved 99.999% purity and over 99.5% overall recovery, meeting the GB/T 25933-2010 standard. The use of Na2SO3 as a combined reducing and stripping agent simplified the operation, lowered reagent consumption, and improved environmental compatibility. This method provides a scalable, cost-effective, and environmentally friendly alternative to conventional refining techniques and is suitable for advanced manufacturing applications. Full article
(This article belongs to the Special Issue Green Technologies in Metal Recovery)
Show Figures

Figure 1

25 pages, 3683 KB  
Article
How Do Sense of Place and Perceived Restorativeness Affect Psychological Benefits from Urban Green Spaces for Older Adults? A Cross-Sectional Study
by Fan Zhang, Gang Zhou, Kuo-Hsun Wen, Tianyin Jiang and Gwon-Soo Bahn
Land 2025, 14(11), 2288; https://doi.org/10.3390/land14112288 - 19 Nov 2025
Viewed by 698
Abstract
With the intensifying trend of population aging, the positive effects of Urban Green Space (UGS) on Psychological Well-being (PW) among older adults have garnered increasing attention. Previous studies examined the unidirectional pathways through which objective UGS exposure indicators influenced PW via Sense of [...] Read more.
With the intensifying trend of population aging, the positive effects of Urban Green Space (UGS) on Psychological Well-being (PW) among older adults have garnered increasing attention. Previous studies examined the unidirectional pathways through which objective UGS exposure indicators influenced PW via Sense of Place (SOP) or Perceived Restorativeness (PR). However, little empirical work has addressed how UGS exposure affects PW in older adults through a dual mediation pathway encompassing both SOP and PR. To address this gap, this study investigated representative urban parks in Fuzhou, China. Using the Normalized Difference Vegetation Index (NDVI) and Normalized Difference Water Index (NDWI) as objective exposure indicators, along with survey data capturing older adults’ perceived characteristics (PC) of UGS, SOP, and PR, we developed a multilevel structural equation model to explore how NDVI, NDWI, and PC influence PW through the dual mediators of SOP and PR. Results indicated that (1) NDVI and PC influence PW either directly or indirectly via the mediators SOP and PR, with PC exhibiting a significantly stronger effect than NDVI; (2) NDWI has no significant effect on SOP and PW, but it indirectly influences PW through PR; (3) PR moderated the link between SOP and PW; (4) under the dual-pathway mechanism, PR contributes more substantially to PW than SOP. This study enriches the understanding of how UGS contributes to PW and advocates for integrating exposure characteristics, place qualities, and restorative elements into the framework of age-friendly city planning to guide targeted health interventions for the elderly. Moreover, SOP–PR insights from an East Asian city inform global aging urbanism. Full article
Show Figures

Figure 1

30 pages, 3788 KB  
Article
A Spatial Spectrum Framework for Age-Friendly Environments: Integrating Docility and Life Space Concepts
by Yeun Sook Lee, Da Young Lee and Eun Jung Jun
Buildings 2025, 15(22), 4164; https://doi.org/10.3390/buildings15224164 - 19 Nov 2025
Viewed by 459
Abstract
As societies confront rapid demographic aging, developing inclusive and age-friendly environments has become a central challenge in urban and housing research. This study proposes an integrated conceptual framework for Aging in Community, extending the traditional Aging in Place model through a multi-scalar perspective. [...] Read more.
As societies confront rapid demographic aging, developing inclusive and age-friendly environments has become a central challenge in urban and housing research. This study proposes an integrated conceptual framework for Aging in Community, extending the traditional Aging in Place model through a multi-scalar perspective. Grounded in Lawton’s Docility Hypothesis and the Life Space Theory, the framework reinterprets aging not as a linear contraction but as a process of adaptive spatial integration across individual, communal, and urban scales. Drawing on spatial spectrum modeling and illustrative cases from South Korea, the analysis demonstrates how universal design principles and intergenerational living strategies can promote mobility, emotional well-being, and social participation among older adults. The study highlights the dynamic interaction between built environments and functional autonomy, revealing how spatial structure and perceived accessibility jointly sustain participation and independence. By conceptualizing Extended Community Space, the research bridges fragmented models such as AIP, NORC, and AFC into a cohesive continuum and positions Korea as an anticipatory laboratory for high-density aging societies. Ultimately, the AIC framework offers both theoretical and policy-level insights for advancing age-friendly design, guiding planners, architects, and policymakers toward adaptive, inclusive, and sustainable approaches that transform longevity into a foundation for collective well-being and social resilience. Full article
(This article belongs to the Section Architectural Design, Urban Science, and Real Estate)
Show Figures

Figure 1

Back to TopTop