Journal Description
Wind
Wind
is an international, peer-reviewed, open access journal on wind-related technologies, environmental and sustainability studies published quarterly online by MDPI.
- Open Access— free for readers, with article processing charges (APC) paid by authors or their institutions.
- High Visibility: indexed within ESCI (Web of Science), Scopus, and other databases.
- Journal Rank: CiteScore - Q2 (Engineering (miscellaneous))
- Rapid Publication: manuscripts are peer-reviewed and a first decision is provided to authors approximately 28.3 days after submission; acceptance to publication is undertaken in 6.7 days (median values for papers published in this journal in the first half of 2025).
- Recognition of Reviewers: APC discount vouchers, optional signed peer review, and reviewer names published annually in the journal.
- Journal Cluster of Energy and Fuels: Energies, Batteries, Hydrogen, Biomass, Electricity, Wind, Fuels, Gases, Solar, ESA and Methane.
Impact Factor:
1.7 (2024);
5-Year Impact Factor:
1.6 (2024)
Latest Articles
Wind Resource Assessment over Extremely Diverse Terrain
Wind 2025, 5(4), 32; https://doi.org/10.3390/wind5040032 - 26 Nov 2025
Abstract
►
Show Figures
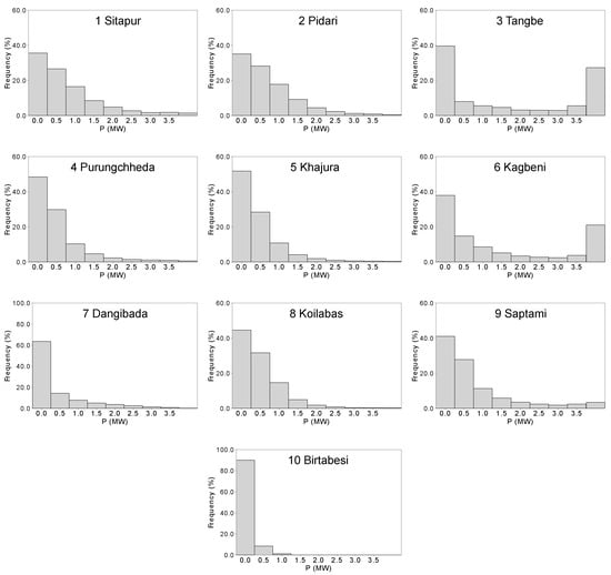
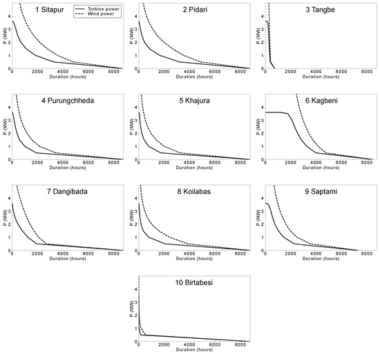
The current study investigates the effect of terrain features on wind resources in a region with extremely diverse terrain. To that end, a case study of Nepal based on annual wind data collected from 10 different sites is performed. The evaluation of mean
[...] Read more.
The current study investigates the effect of terrain features on wind resources in a region with extremely diverse terrain. To that end, a case study of Nepal based on annual wind data collected from 10 different sites is performed. The evaluation of mean wind speeds using Weibull probability density functions (PDFs) shows that complex-terrain sites exhibit greater variability in 10-min average wind speeds relative to the annual average wind speeds. This pattern is also evident in comparisons of short- and long-term average wind speeds. At the complex-terrain sites, the wind speeds exhibited strong short-term variations, suggesting that local terrain effects dominate over seasonal wind variation. Terrain complexity also strongly affected turbulence. The flat-terrain sites showed turbulence intensities below the lowest IEC category turbulence profile, while the complex-terrain sites exceeded the highest IEC profile. This indicates that the IEC standard may require modification based on site complexity parameters, such as the standard deviation of elevation fluctuations. The power law exponent ( ), used to extrapolate wind speeds to higher elevations, deviated notably from the typical 1/7 value, even in flat terrain. Finally, a power potential analysis indicated that three sites with higher mean wind speeds achieved higher capacity factors.
Full article
Open AccessArticle
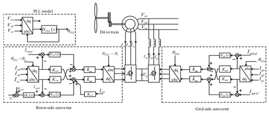
Comparative Performance Evaluation of Wind Energy Systems Using Doubly Fed Induction Generator and Permanent Magnet Synchronous Generator
by
Areeg Ebrahiem Elngar, Asmaa Sobhy Sabik, Ahmed Hassan Adel and Adel S. Nada
Wind 2025, 5(4), 31; https://doi.org/10.3390/wind5040031 - 21 Nov 2025
Abstract
Wind energy has become a cornerstone of sustainable electricity generation, yet the reliable integration of wind energy conversion systems (WECSs) into modern grids remains challenged by dynamic variations in wind speed and stringent fault ride-through (FRT) requirements. Among the available technologies, the Doubly
[...] Read more.
Wind energy has become a cornerstone of sustainable electricity generation, yet the reliable integration of wind energy conversion systems (WECSs) into modern grids remains challenged by dynamic variations in wind speed and stringent fault ride-through (FRT) requirements. Among the available technologies, the Doubly Fed Induction Generator (DFIG) and the Permanent Magnet Synchronous Generator (PMSG) dominate commercial applications; however, a comprehensive comparative assessment under diverse grid and fault scenarios is still limited. This study addresses this gap by systematically evaluating the performance of DFIG- and PMSG-based WECSs across three operating stages: (i) normal operation at constant speed, (ii) variable wind speed operation, and (iii) grid fault conditions including single-line-to-ground, line-to-line, and three-phase faults. To enhance fault resilience, a DC-link Braking Chopper is integrated into both systems, ensuring a fair evaluation of transient stability and compliance with low-voltage ride-through (LVRT) requirements. The analysis, performed using MATLAB/Simulink, focuses on active and reactive power, rotor speed, pitch angle, and DC-link voltage dynamics. The results reveal that PMSG exhibits smoother transient responses and lower overshoot compared to DFIG. Under fault conditions, the DC-link Braking Chopper effectively suppresses voltage spikes in both systems, with DFIG achieving faster reactive power recovery in line with grid code requirements, while PMSG ensures more stable rotor dynamics with lower oscillations. The findings highlight the complementary strengths of both technologies and provide useful insights for selecting appropriate WECS configurations to improve grid integration and fault ride-through capability.
Full article
(This article belongs to the Topic Wind Energy in Multi Energy Systems)
►▼
Show Figures

Figure 1
Open AccessArticle
MW-Level Performance Comparison of Contra Rotating Generators for Wind Power Applications
by
Mehroz Fatima, Wasiq Ullah, Faisal Khan and U. B. Akuru
Wind 2025, 5(4), 30; https://doi.org/10.3390/wind5040030 - 6 Nov 2025
Abstract
►▼
Show Figures
The scaling effect of machines from kW to MW greatly affects electromagnetic performance and needs to be investigated for different machines. Therefore, this paper presents a comprehensive comparative study on the intriguing electromagnetic performance of contra-rotating permanent-magnet vernier machines and dual-port, wound-field-excited, flux-switching
[...] Read more.
The scaling effect of machines from kW to MW greatly affects electromagnetic performance and needs to be investigated for different machines. Therefore, this paper presents a comprehensive comparative study on the intriguing electromagnetic performance of contra-rotating permanent-magnet vernier machines and dual-port, wound-field-excited, flux-switching machines at the MW power level for contra-rotating wind turbine applications. The analysis evaluates both machines across various slot/pole combinations while maintaining constant key design parameters. The electromagnetic performance analysis reveals that the permanent-magnet vernier machine (PMVM) exhibits superior torque and power, with minimal cogging torque compared to the wound-field flux-switching machine (WFFSM). Conversely, the WFFSM outperforms the PMVM in terms of power factor and efficiency. This study provides valuable perspectives on the strengths and weaknesses of each machine, highlighting their potential for contra-rotating turbine and wind power generation. Finally, to justify the findings of the finite element analysis and the proof of concept, an experimental prototype is tested to validate the study.
Full article

Figure 1
Open AccessSystematic Review
A Systematic Review of Wind Energy Forecasting Models Based on Deep Neural Networks
by
Edgar A. Manzano, Ruben E. Nogales and Alberto Rios
Wind 2025, 5(4), 29; https://doi.org/10.3390/wind5040029 - 3 Nov 2025
Abstract
The present study focuses on wind power forecasting (WPF) models based on deep neural networks (DNNs), aiming to evaluate current approaches, identify gaps, and provide insights into their importance for the integration of Renewable Energy Sources (RESs). The systematic review was conducted following
[...] Read more.
The present study focuses on wind power forecasting (WPF) models based on deep neural networks (DNNs), aiming to evaluate current approaches, identify gaps, and provide insights into their importance for the integration of Renewable Energy Sources (RESs). The systematic review was conducted following the methodology of Kitchenham and Charters, including peer-reviewed articles from 2020 to 2024 that focused on WPF using deep learning (DL) techniques. Searches were conducted in the ACM Digital Library, IEEE Xplore, ScienceDirect, Springer Link, and Wiley Online Library, with the last search updated in April 2024. After the first phase of screening and then filtering using inclusion and exclusion criteria, risk of bias was assessed using a Likert-scale evaluation of methodological quality, validity, and reporting. Data extraction was performed for 120 studies. The synthesis established that the state of the art is dominated by hybrid architectures (e.g., CNN-LSTM) integrated with signal decomposition techniques like VMD and optimization algorithms such as GWO and PSO, demonstrating high predictive accuracy for short-term horizons. Despite these advancements, limitations include the variability in datasets, the heterogeneity of model architectures, and a lack of standardization in performance metrics, which complicate direct comparisons across studies. Overall, WPF models based on DNNs demonstrate substantial promise for renewable energy integration, though future work should prioritize standardization and reproducibility. This review received no external funding and was not prospectively registered.
Full article
(This article belongs to the Topic Solar and Wind Power and Energy Forecasting, 2nd Edition)
►▼
Show Figures

Figure 1
Open AccessArticle
Gated Lag and Feature Selection for Day-Ahead Wind Power Forecasting Using On-Site SCADA Data
by
Inajara Rutyna
Wind 2025, 5(4), 28; https://doi.org/10.3390/wind5040028 - 3 Nov 2025
Abstract
►▼
Show Figures
Day-ahead wind power forecasting is often limited to on-site Supervisory Control and Data Acquisition (SCADA) datasets without Numerical Weather Prediction (NWP) information. In this regime, practitioners extend autoregressive windows over many variables, so the input size grows with both features and lags. Many
[...] Read more.
Day-ahead wind power forecasting is often limited to on-site Supervisory Control and Data Acquisition (SCADA) datasets without Numerical Weather Prediction (NWP) information. In this regime, practitioners extend autoregressive windows over many variables, so the input size grows with both features and lags. Many lag–feature pairs are redundant, increasing the training time and overfitting risk. A lightweight, differentiable joint gate over the lag–feature plane trained with a temperature-annealed sigmoid is proposed. Sparsity is induced by capped penalties that (i) bound the total open mass to the top-M features and (ii), within each selected feature, bound the mass to the top-k lags. An additional budget-aware off-state term pushes unused logits negative in proportion to the excess density over the budget. A lightweight, per-feature softmax pooling head supplies the forecasting loss during selection. After training, the learned probabilities are converted into compact, non-contiguous lag–feature subsets (top-M features; per-feature top-k lags) and reused by downstream predictors. Tests on the Offshore Renewable Energy (ORE) Catapult Platform for Operational Data (POD) from the Levenmouth Demonstration Turbine (LDT) dataset show that the joint gate reduces the input dimensionality and training time while improving accuracy and stability relative to Pearson’s correlation, mutual information, and cross-correlation function selectors.
Full article

Figure 1
Open AccessArticle
Advancing Bridge Aerodynamics: Open-Jet Testing, Reynolds Number Effects, and Sustainable Mitigation Through Green Energy Integration
by
Aly Mousaad Aly and Hannah DiLeo
Wind 2025, 5(4), 27; https://doi.org/10.3390/wind5040027 - 21 Oct 2025
Abstract
►▼
Show Figures
Bridges, as critical transportation infrastructure, are highly vulnerable to aerodynamic forces, particularly vortex-induced vibrations (VIV), which severely compromise their structural integrity and operational safety. These low-frequency, high-amplitude vibrations are a primary challenge to serviceability and fatigue life. Ensuring the resilience of these structures
[...] Read more.
Bridges, as critical transportation infrastructure, are highly vulnerable to aerodynamic forces, particularly vortex-induced vibrations (VIV), which severely compromise their structural integrity and operational safety. These low-frequency, high-amplitude vibrations are a primary challenge to serviceability and fatigue life. Ensuring the resilience of these structures demands advanced understanding and robust mitigation strategies. This paper comprehensively addresses the multifaceted challenges of bridge aerodynamics, presenting an in-depth analysis of contemporary testing methodologies and innovative solutions. We critically examine traditional wind tunnel modeling, elucidating its advantages and inherent limitations, such as scale effects, Reynolds number dependence, and boundary interference, which can lead to inaccurate predictions of aerodynamic forces and vibration amplitudes. This scale discrepancy is critical, as demonstrated by peak pressure coefficients being underestimated by up to 64% in smaller-scale wind tunnel environments compared to high-Reynolds-number open-jet testing. To overcome these challenges, the paper details the efficacy of open-jet testing at facilities like the Windstorm Impact, Science, and Engineering (WISE) Laboratory, demonstrating its superior capability in replicating realistic atmospheric boundary layer flow conditions and enabling larger-scale, high-Reynolds-number testing for more accurate insights into bridge behavior under dynamic wind loads. Furthermore, we explore the design principles and applications of various aerodynamic mitigation devices, including handrails, windshields, guide vanes, and spoilers, which are essential for altering airflow patterns and suppressing vortex-induced vibrations. The paper critically investigates the innovative integration of green energy solutions, specifically solar panels, with bridge structures. This study presents the application of solar panel arrangements to provide both renewable energy production and verifiable aerodynamic mitigation. This strategic incorporation is shown not only to harness renewable energy but also to actively improve aerodynamic performance and mitigate wind-induced vibrations, thereby fostering both bridge safety and sustainable infrastructure development. Unlike previous studies focusing primarily on wind loads on PV arrays, this work demonstrates how the specific geometric integration of solar panels can serve as an active aerodynamic mitigation device for bridge decks. This dual functionality—harnessing renewable energy while simultaneously serving as a passive geometric countermeasure to vortex-induced vibrations—marks a novel advancement over single-purpose mitigation technologies. Through this interdisciplinary approach, the paper seeks to advance bridge engineering towards more resilient, efficient, and environmentally responsible solutions.
Full article

Figure 1
Open AccessArticle
Modernizing Wind Load Standards for Ireland
by
David Cunningham, Rubina Ramponi, Reamonn MacReamoinn and Jennifer Keenahan
Wind 2025, 5(4), 26; https://doi.org/10.3390/wind5040026 - 17 Oct 2025
Abstract
In anticipation of the implementation of the Second-Generation Eurocodes, evaluating the suitability of these standards is necessary to ensure the structural safety and sustainable design of Ireland’s future building stock. This paper provides a detailed comparative analysis of the wind loading codes of
[...] Read more.
In anticipation of the implementation of the Second-Generation Eurocodes, evaluating the suitability of these standards is necessary to ensure the structural safety and sustainable design of Ireland’s future building stock. This paper provides a detailed comparative analysis of the wind loading codes of practice relevant to Ireland: The Irish National Annex to EN1991-1-4 (2005) and the draft version of the Second-Generation Eurocode, EN1991-1-4 (2025). Quantitative evaluation is conducted across a range of building typologies, with calculations performed for various sites and structural geometries. The findings reveal marked differences in wind load predictions between the codes, particularly affecting base shear values and net pressure coefficients. Areas of concern regarding structural design efficiency and safety for future building structures in Ireland are outlined. The significant inconsistencies between provisions within the codes of practice are identified and critically evaluated from both theoretical and practical perspectives, providing insight into the optimal solution for implementation in Irish engineering practice.
Full article
(This article belongs to the Special Issue Wind Effects on Civil Infrastructure)
►▼
Show Figures

Figure 1
Open AccessArticle
Lift-Based Rotor Optimization of HAWTs via Blade Element Momentum Theory and CFD
by
Rossen Iliev
Wind 2025, 5(4), 25; https://doi.org/10.3390/wind5040025 - 13 Oct 2025
Abstract
►▼
Show Figures
This article presents a methodology for the synthesis of horizontal-axis wind turbines operating on the principle of lift. The profile geometry is synthesized using the Vortex–source distribution method following Glauert’s approach. The blade shape is developed using the Blade Element Momentum Theory. Efficiency
[...] Read more.
This article presents a methodology for the synthesis of horizontal-axis wind turbines operating on the principle of lift. The profile geometry is synthesized using the Vortex–source distribution method following Glauert’s approach. The blade shape is developed using the Blade Element Momentum Theory. Efficiency is determined with Computational Fluid Dynamics. The methodology uses a multifactor numerical experiment, with the objective function defined as maximizing lift-to-drag ratio of the blade profile. Validation of the obtained power curves is performed with QBlade and XFoil and confirmed experimentally on a laboratory test bench. The proposed methodology demonstrates improved accuracy in predicting the power coefficient and the optimal operation regime of horizontal-axis wind turbines at low Reynolds numbers.
Full article

Figure 1
Open AccessArticle
Incorporating the Effect of Windborne Debris on Wind Pressure Calculation of ASCE 7 Provisions
by
Karim Farokhnia
Wind 2025, 5(4), 24; https://doi.org/10.3390/wind5040024 - 13 Oct 2025
Abstract
►▼
Show Figures
Windborne debris generated during tornadoes and hurricanes plays a critical role in building damage. This damage occurs either through direct impact on structural and nonstructural components or indirectly by increasing internal pressure when debris penetrates openings (e.g., windows and doors) or creates new
[...] Read more.
Windborne debris generated during tornadoes and hurricanes plays a critical role in building damage. This damage occurs either through direct impact on structural and nonstructural components or indirectly by increasing internal pressure when debris penetrates openings (e.g., windows and doors) or creates new ones. These breaches can significantly raise internal pressure, even at lower wind speeds compared to debris-free conditions. Current provisions in ASCE 7, the nationally adopted standard for wind load calculations in the United States, account for factors such as building geometry, location, and exposure category. However, they do not consider the effects of windborne debris on internal pressure coefficients. This study proposes an enhancement to ASCE 7 by incorporating debris effects through the use of a more conservative enclosure classification. Real-world damage observations from three tornado-impacted residential buildings are presented, followed by a failure mechanism analysis, supporting analytical fragility data, and numerical simulations of debris effects on building damage. The findings suggest that treating buildings as Partially Enclosed under ASCE 7 can more accurately reflect debris-induced internal pressures and improve building resilience under extreme wind events.
Full article

Figure 1
Open AccessArticle
Structural Topology Optimisation of a Composite Wind Turbine Blade Under Various Constraints
by
Mohamed Noufel Ajmal Khan and Mertol Tüfekci
Wind 2025, 5(4), 23; https://doi.org/10.3390/wind5040023 - 28 Sep 2025
Abstract
►▼
Show Figures
This study investigates the topology optimisation of a composite wind turbine blade with the objective of improving its structural performance under static and dynamic constraints. Two distinct optimisation strategies—based on static deformation limits and modal frequency enhancement—are employed to achieve mass reduction while
[...] Read more.
This study investigates the topology optimisation of a composite wind turbine blade with the objective of improving its structural performance under static and dynamic constraints. Two distinct optimisation strategies—based on static deformation limits and modal frequency enhancement—are employed to achieve mass reduction while maintaining or improving mechanical performance. The optimisation process incorporates modal characterisation of the first ten natural frequencies and a detailed static stress analysis. Results indicate that the optimised designs achieve a notable increase in the fundamental natural frequency of the blade—from 2.32 Hz to 2.99 Hz—and reduce the overall mass by approximately 49%, lowering it from 4.55 × 105 kg to around 2.34 × 105 kg compared to the original configuration. In particular, the optimised geometry offers improved stiffness and a more uniform stress distribution, especially in the flapwise bending and torsional modes. Higher-order torsional frequencies remain well-separated from typical excitation sources, minimising resonance risks. These findings highlight the effectiveness of constraint-driven topology optimisation in enhancing structural performance and reducing material usage in wind turbine blade design.
Full article

Figure 1
Open AccessSystematic Review
Current Status and Sustainable Utilization of Wind Energy Resources in Mexico: A Systematic Review
by
Uriel Castilla Batun, Mohamed E. Zayed, Mohamed Ghazy and Shafiqur Rehman
Wind 2025, 5(4), 22; https://doi.org/10.3390/wind5040022 - 24 Sep 2025
Abstract
►▼
Show Figures
Mexico holds significant potential for wind energy development, owing to its strategic geographic location and extensive coastlines. This review article systematically explores the technical, environmental, and economic aspects of wind energy in five different climatic zones in Mexico, reviewing potential zones for wind
[...] Read more.
Mexico holds significant potential for wind energy development, owing to its strategic geographic location and extensive coastlines. This review article systematically explores the technical, environmental, and economic aspects of wind energy in five different climatic zones in Mexico, reviewing potential zones for wind energy development, with the focus on the key case studies, ongoing project, and wind power performance metrics. It also critically examines the key challenges and opportunities within Mexico’s wind energy portfolio, with a focus on social, economic, environmental, and regulatory dimensions that influence the sector’s development and long-term sustainability. The results indicate that Oaxaca leads Mexico’s onshore wind potential with a power density of 761 W/m2, followed by strong resources in Tamaulipas and Baja California, where wind speeds exceed 6 m/s. For offshore wind potential, Isthmus of Tehuantepec demonstrates outstanding offshore potential, with wind power densities exceeding 1000 W/m2 and wind speeds above 8 m/s. Major challenges include inconsistent or unclear governmental policies regarding renewable energy incentives, regulatory uncertainties, and social resistance from local communities concerned about environmental impacts and land use. These obstacles underline the need for integrated, transparent policies and inclusive engagement strategies to carry out the full potential of wind energy in Mexico.
Full article

Figure 1
Open AccessReview
An Overview of Natural Cooling and Ventilation in Vernacular Architectures
by
Amineddin Salimi, Ayşegül Yurtyapan, Mahmoud Ouria, Zihni Turkan and Nuran K. Pilehvarian
Wind 2025, 5(3), 21; https://doi.org/10.3390/wind5030021 - 29 Aug 2025
Cited by 1
Abstract
►▼
Show Figures
Natural cooling and ventilation have been fundamental principles in vernacular architecture for millennia, shaping sustainable building practices across diverse climatic regions. This paper examines the historical evolution, technological advancements, environmental benefits, and prospects of passive cooling strategies, with a particular focus on wind
[...] Read more.
Natural cooling and ventilation have been fundamental principles in vernacular architecture for millennia, shaping sustainable building practices across diverse climatic regions. This paper examines the historical evolution, technological advancements, environmental benefits, and prospects of passive cooling strategies, with a particular focus on wind catchers. Originating in Mesopotamian, Egyptian, Caucasia, and Iranian architectural traditions, these structures have adapted over centuries to maximize air circulation, thermal regulation, and humidity control, ensuring comfortable indoor environments without reliance on mechanical ventilation. This study analyzes traditional wind catcher designs, highlighting their geometric configurations, airflow optimization, and integration with architectural elements such as courtyards and solar chimneys. Through a comparative assessment, this paper contrasts passive cooling systems with modern HVAC technologies, emphasizing their energy neutrality, low-carbon footprint, and long-term sustainability benefits. A SWOT analysis evaluates their strengths, limitations, opportunities for technological integration, and challenges posed by urbanization and regulatory constraints. This study adopts a comparative analytical method, integrating a literature-based approach with qualitative assessments and a SWOT analysis framework to evaluate passive cooling strategies against modern HVAC systems. Methodologically, the research combines historical review, typological classification, and sustainability-driven performance comparisons to derive actionable insights for climate-responsive design. The research is grounded in a comparative assessment of traditional and modern cooling strategies, supported by typological analysis and evaluative frameworks. Looking toward the future, the research explores hybrid adaptations incorporating solar energy, AI-driven airflow control, and retrofitting strategies for smart cities, reinforcing the enduring relevance of vernacular cooling techniques in contemporary architecture. By bridging historical knowledge with innovative solutions, this paper contributes to ongoing discussions on climate-responsive urban planning and sustainable architectural development.
Full article

Figure 1
Open AccessArticle
Modeling Power Curve of Wind Turbine Using Support Vector Regression with Dynamic Analysis
by
Ahmed M. Agwa and Mamdouh I. Elamy
Wind 2025, 5(3), 20; https://doi.org/10.3390/wind5030020 - 20 Aug 2025
Abstract
►▼
Show Figures
Recordings of wind velocity and associated wind turbine (WT) power possess noise, owing to inaccurate sensor measurements, atmosphere conditions, working stops, and flaws. The measurements still contain noise even after purification, so the fit curve of the wind turbine power might be different
[...] Read more.
Recordings of wind velocity and associated wind turbine (WT) power possess noise, owing to inaccurate sensor measurements, atmosphere conditions, working stops, and flaws. The measurements still contain noise even after purification, so the fit curve of the wind turbine power might be different from the datasheet. The model of wind turbine power (MWTP) is significant, owing to its utilization for predicting and managing the wind energy. There are two types of MWTP, namely the parametric and the non-parametric types. Parameter identification of the parametric MWTP can be treated as a high nonlinear optimization problem. The fitness function is to minimize the root average squared errors (RASEs) between the calculated and measured wind powers while subject to a set of parameter constraints. The non-parametric MWTP is identified through training through machine learning. In this article, machine learning, namely the support vector regression (SVR), is innovatively applied for the identification of the non-parametric MWTP. Additionally, the dynamic force and the eigen parameters of WTs at different wind velocities are studied theoretically. The theoretical model for analyzing the natural frequencies of WT is validated using two techniques, namely the finite element method and the Euler–Bernoulli beam theory. The simulations are executed using MATLAB. The SVR is assessed via the comparison of its results with those of three parametric MWTP, viz. the 5-, 6-parameter logistic functions, and the modified hyperbolic tangent. It can be affirmed that the SVR execution is excellent and can produce the non-parametric MWTP with a RASE less than other algorithms by 0.4% to 93.8%, with a small computation cost.
Full article

Figure 1
Open AccessReview
Increased Velocity (INVELOX) Wind Delivery System: A Review of Performance Enhancement Advances
by
Anesu Godfrey Chitura, Patrick Mukumba and Ngwarai Shambira
Wind 2025, 5(3), 19; https://doi.org/10.3390/wind5030019 - 4 Aug 2025
Abstract
►▼
Show Figures
Residential areas are characterized by closely packed buildings which disturb wind flow resulting in low wind speeds (below 2 m/s) with a high turbulence intensity (above 20%). In order to interface between off-the-shelf wind turbines and low-quality wind, the Increased velocity (INVELOX) wind
[...] Read more.
Residential areas are characterized by closely packed buildings which disturb wind flow resulting in low wind speeds (below 2 m/s) with a high turbulence intensity (above 20%). In order to interface between off-the-shelf wind turbines and low-quality wind, the Increased velocity (INVELOX) wind delivery system is an attractive wind augmentation option for such regions. The INVELOX setup can harness more energy than conventional bare wind turbines under the same incident wind conditions. However, these systems also have drawbacks and challenges that they face in their operation, which amplify the need to review, understand, and expose gaps and flaws in pursuit of increased power production in low wind quality environments. This paper seeks to review and simplify the advances done by various scholars towards improving the INVELOX delivery system. It provides the mathematical foundation on which these advances are rooted and gives an understanding of how the improvements better the geometric properties of INVELOX. The article concludes by proposing future research directions.
Full article

Figure 1
Open AccessReview
Review of Artificial Intelligence-Based Design Optimization of Wind Power Systems
by
Zhihong Jiang, Han Li, Hao Yang, Han Wu, Wenzhou Liu and Zhe Chen
Wind 2025, 5(3), 18; https://doi.org/10.3390/wind5030018 - 11 Jul 2025
Cited by 2
Abstract
►▼
Show Figures
This paper reviews the applications of artificial intelligence (AI) in the design optimization of wind power systems, mainly including (1) wind farm layout optimization; (2) wind turbine design optimization; and (3) wind farm electrical system design optimization. Firstly, this paper introduces the general
[...] Read more.
This paper reviews the applications of artificial intelligence (AI) in the design optimization of wind power systems, mainly including (1) wind farm layout optimization; (2) wind turbine design optimization; and (3) wind farm electrical system design optimization. Firstly, this paper introduces the general considerations in the optimal design of wind power systems and the AI methods commonly used for the optimal design of wind power systems. Then the applications of AI in the optimal design of wind farms are reviewed in detail. Finally, further research directions of using AI methods in the optimal design of wind power systems are recommended.
Full article

Figure 1
Open AccessArticle
Wind Estimation Methods for Nearshore Wind Resource Assessment Using High-Resolution WRF and Coastal Onshore Measurements
by
Taro Maruo and Teruo Ohsawa
Wind 2025, 5(3), 17; https://doi.org/10.3390/wind5030017 - 7 Jul 2025
Abstract
►▼
Show Figures
Accurate wind resource assessment is essential for offshore wind energy development, particularly in nearshore sites where atmospheric stability and internal boundary layers significantly influence the horizontal wind distribution. In this study, we investigated wind estimation methods using a high-resolution, 100 m grid Weather
[...] Read more.
Accurate wind resource assessment is essential for offshore wind energy development, particularly in nearshore sites where atmospheric stability and internal boundary layers significantly influence the horizontal wind distribution. In this study, we investigated wind estimation methods using a high-resolution, 100 m grid Weather Research and Forecasting (WRF) model and coastal onshore wind measurement data. Five estimation methods were evaluated, including a control WRF simulation without on-site measurement data (CTRL), observation nudging (NDG), two offline methods—temporal correction (TC) and the directional extrapolation method (DE)—and direct application of onshore measurement data (DA). Wind speed and direction data from four nearshore sites in Japan were used for validation. The results indicated that TC provided the most accurate wind speed estimate results with minimal bias and relatively high reproducibility of temporal variations. NDG exhibited a smaller standard deviation of bias and a slightly higher correlation with the measured time series than CTRL. DE could not reproduce temporal variations in the horizontal wind speed differences between points. These findings suggest that TC is the most effective method for assessing nearshore wind resources and is thus recommended for practical use.
Full article

Figure 1
Open AccessReview
The Potential of Utility-Scale Hybrid Wind–Solar PV Power Plant Deployment: From the Data to the Results
by
Luis Arribas, Javier Domínguez, Michael Borsato, Ana M. Martín, Jorge Navarro, Elena García Bustamante, Luis F. Zarzalejo and Ignacio Cruz
Wind 2025, 5(3), 16; https://doi.org/10.3390/wind5030016 - 7 Jul 2025
Cited by 1
Abstract
The deployment of utility-scale hybrid wind–solar PV power plants is gaining global attention due to their enhanced performance in power systems with high renewable energy penetration. To assess their potential, accurate estimations must be derived from the available data, addressing key challenges such
[...] Read more.
The deployment of utility-scale hybrid wind–solar PV power plants is gaining global attention due to their enhanced performance in power systems with high renewable energy penetration. To assess their potential, accurate estimations must be derived from the available data, addressing key challenges such as (1) the spatial and temporal resolution requirements, particularly for renewable resource characterization; (2) energy balances aligned with various business models; (3) regulatory constraints (environmental, technical, etc.); and (4) the cost dependencies of the different components and system characteristics. When conducting such analyses at the regional or national scale, a trade-off must be achieved to balance accuracy with computational efficiency. This study reviews existing experiences in hybrid plant deployment, with a focus on Spain, identifying the lack of national-scale product cost models for HPPs as the main gap and establishing a replicable methodology for hybrid plant mapping. A simplified example is shown using this methodology for a country-level analysis.
Full article
(This article belongs to the Topic Solar and Wind Power and Energy Forecasting, 2nd Edition)
►▼
Show Figures

Figure 1
Open AccessArticle
Vibrations from Wind Turbines Increased Self-Pollination of Native Forbs, and White Bases Attracted Pollinators: Evidence Along a 28 km Gradient in a Natural Area
by
Lusha M. Tronstad, Michelle Weschler, Amy Marie Storey, Joy Handley and Bryan P. Tronstad
Wind 2025, 5(2), 15; https://doi.org/10.3390/wind5020015 - 19 Jun 2025
Cited by 1
Abstract
►▼
Show Figures
Knowledge of how wind turbines interact with vertebrate animals is growing rapidly; however, less is known about plants and insects. Turbines produce infrasound (≤20 Hz), and these vibrations decrease with distance from turbines. We measured seed set and pollinators at six sites 0
[...] Read more.
Knowledge of how wind turbines interact with vertebrate animals is growing rapidly; however, less is known about plants and insects. Turbines produce infrasound (≤20 Hz), and these vibrations decrease with distance from turbines. We measured seed set and pollinators at six sites 0 to 28 km from turbines. We measured the number and mass of seeds produced by self-pollination, insect pollination, and when pollen was not limiting for nine native plants. We assessed pollinators by target netting bees and butterflies during transects, and by using blue vane traps (bees only). Most plants produced fewer or lighter developed seeds through self-pollination. Seed set did not vary between the open- and hand-pollinated treatments, indicating that the pollen was not limiting. The number and mass of seeds in the self-pollination treatment decreased with distance from the turbines. Bees and butterflies were more abundant near the wind facility, based on transects. The vane traps collected the fewest insects within the wind facility, likely due to bees being attracted to the turbine bases. The pollinator assemblage at the wind facility was distinct compared to other sites. Infrasound produced by the turbines appeared to enhance self-pollination, and the turbine bases attracted pollinators. We provide data on a seldom studied yet critical topic to inform land management and agricultural decisions, and to promote new strategies as wind energy development grows.
Full article

Figure 1
Open AccessArticle
A Novel Approach to Wavelet Neural Network-Based Wind Power Forecasting
by
Fedora Lia Dias and Anant J. Naik
Wind 2025, 5(2), 14; https://doi.org/10.3390/wind5020014 - 9 Jun 2025
Cited by 1
Abstract
►▼
Show Figures
Wind energy is a renewable energy resource that can be harnessed to generate electrical energy. In this paper, a novel Artificial Neural Network (ANN) approach using wavelet analysis for wind energy forecasting is proposed and tested with wind data from Kanyakumari, India, for
[...] Read more.
Wind energy is a renewable energy resource that can be harnessed to generate electrical energy. In this paper, a novel Artificial Neural Network (ANN) approach using wavelet analysis for wind energy forecasting is proposed and tested with wind data from Kanyakumari, India, for different seasons. The wavelet decomposition is used to decom-pose the wind power time series data into different frequency components. The model simulates the complex mapping of historical wind power to allow the forecasting of wind power data for the next 3 h or the next 24 h. The predicted components are then reconstructed to obtain the overall predicted wind energy time series. The proposed models give more promising prediction results than the model without the use of wavelets. The regression coefficient and Mean Square Error (MSE) are computed and observed in order to assess the model’s performance.
Full article

Figure 1
Open AccessArticle
Turbulent Flow over a Rough Surface in a Wind Tunnel
by
Raúl Sánchez-García and Roberto Gómez-Martínez
Wind 2025, 5(2), 13; https://doi.org/10.3390/wind5020013 - 28 May 2025
Abstract
The estimation of the aerodynamic characteristics of a rough surface (zero displacement plane and aerodynamic roughness length ) is important in the simulation of atmospheric boundary layer wind in a wind tunnel, since they are parameters involved in various
[...] Read more.
The estimation of the aerodynamic characteristics of a rough surface (zero displacement plane and aerodynamic roughness length ) is important in the simulation of atmospheric boundary layer wind in a wind tunnel, since they are parameters involved in various problems of meteorological and wind engineering activities. In this study, morphometric methods were used to present parameterizations of and as functions of roughness and areal density based on wind tunnel measurements of airflow over a rough surface. Vertical profiles of mean wind speed, turbulence intensity, boundary layer depth, and spectral density functions are presented.
Full article
(This article belongs to the Special Issue New Fluid Mechanics Research in Wind Engineering)
►▼
Show Figures

Figure 1
Highly Accessed Articles
Latest Books
E-Mail Alert
News
Topics
Topic in
Applied Mechanics, Energies, Processes, Sustainability, Wind
Wind Energy in Multi Energy Systems
Topic Editors: Zhe Chen, Davide Astolfi, Tingting ZhuDeadline: 31 December 2025
Topic in
Applied Sciences, Energies, Forecasting, Solar, Wind, Batteries
Solar and Wind Power and Energy Forecasting, 2nd Edition
Topic Editors: Emanuele Ogliari, Alessandro Niccolai, Sonia LevaDeadline: 31 July 2026
Topic in
Applied Sciences, Energies, J. Compos. Sci., JMSE, Machines, Wind, Fluids
Advancements in Cost-Effective and Reliable Floating Offshore Wind Technologies: From Innovative Design to System Integration
Topic Editors: Yanfei Deng, Mingming Zhang, Xiaowei DengDeadline: 30 November 2026
Topic in
Applied Sciences, Energies, JMSE, Sustainability, Wind
Advances in Structural Wind-Resistant Analysis and Disaster Mitigation
Topic Editors: Tianyou Tao, Haojun Tang, Fei DingDeadline: 31 December 2026
Special Issues
Special Issue in
Wind
O&M and Innovative Solutions Bringing Scale and Speed to Wind Energy Engineering
Guest Editors: Pablo Jaen Sola, Erkan OterkusDeadline: 31 December 2025
Special Issue in
Wind
Novel Research on Permeable and Porous Elements in Wind Engineering
Guest Editors: Mao Xu, Yukio Tamura, Jingxue Wang, Luca PatrunoDeadline: 31 March 2026
Special Issue in
Wind
New Fluid Mechanics Research in Wind Engineering
Guest Editors: Costin Cosoiu, Horia HanganDeadline: 30 June 2026
Special Issue in
Wind
Wind Effects on Civil Infrastructure
Guest Editor: Mihail IancoviciDeadline: 31 August 2026


