Journal Description
Gels
Gels
is an international, peer-reviewed, open access journal on physical and chemical gels, published monthly online by MDPI.
- Open Access— free for readers, with article processing charges (APC) paid by authors or their institutions.
- High visibility: indexed within Scopus, SCIE (Web of Science), PubMed, PMC, CAPlus / SciFinder, and other databases.
- Journal Rank: JCR - Q1 (Polymer Science) / CiteScore - Q1 (Organic Chemistry)
- Rapid Publication: manuscripts are peer-reviewed and a first decision is provided to authors approximately 13.5 days after submission; acceptance to publication is undertaken in 2.6 days (median values for papers published in this journal in the second half of 2025).
- Recognition of Reviewers: reviewers who provide timely, thorough peer-review reports receive vouchers entitling them to a discount on the APC of their next publication in any MDPI journal, in appreciation of the work done.
- Testimonials: See what our editors and authors say about Gels.
- Journal Cluster of Polymer and Macromolecular Science: Polymers, Gels, Polysaccharides, Textiles, Macromol, Microplastics and Adhesives.
Impact Factor:
5.3 (2024);
5-Year Impact Factor:
5.4 (2024)
Latest Articles
3D Printing with Tragacanth-Gum-Based Bioinks: A New Frontier in Bioprinting Materials
Gels 2026, 12(2), 152; https://doi.org/10.3390/gels12020152 (registering DOI) - 7 Feb 2026
Abstract
Extrusion-based bioprinting is widely used for fabricating cell-laden constructs; however, its success is highly dependent on the rheological and biological performance of the bioink. Natural polysaccharide gums have emerged as promising bioink components due to their biocompatibility and tunable properties. Among them, tragacanth
[...] Read more.
Extrusion-based bioprinting is widely used for fabricating cell-laden constructs; however, its success is highly dependent on the rheological and biological performance of the bioink. Natural polysaccharide gums have emerged as promising bioink components due to their biocompatibility and tunable properties. Among them, tragacanth gum (TG), a complex anionic heteropolysaccharide composed of tragacanthin and bassorin fractions, has gained increasing attention for extrusion bioprinting applications. TG exhibits pronounced shear-thinning behavior, high water uptake, and spontaneous gel-forming ability, which collectively enhance the printability, shape fidelity, and structural stability of bioinks. This review critically summarizes recent advances in TG-based hydrogels and bioinks, with emphasis on their molecular characteristics, rheological and physicochemical properties, and biological performance in extrusion bioprinting systems. The role of TG as a functional component in composite bioinks, particularly in improving mechanical integrity, extrusion consistency, and cytocompatibility, is discussed. Finally, current challenges and future research directions are highlighted to support the development and clinical translation of TG-based bioinks for tissue engineering applications.
Full article
(This article belongs to the Special Issue 3D Printing of Gel-Based Materials (2nd Edition))
Open AccessArticle
Time-Dependent Network-Forming Dispersion Behavior of Barium Titanate Slurries and Their Impact on Green Sheet Properties
by
Haejin Park, Seongho Lee, Yunbi Lee, Seohyeon Lee, Yewon Lee, Yujeong Ahn, Hyunchul Ahn and Junheon Lee
Gels 2026, 12(2), 150; https://doi.org/10.3390/gels12020150 (registering DOI) - 7 Feb 2026
Abstract
In the fabrication of ultrathin multilayer ceramic capacitors (MLCCs), the long-term stability of ceramic slurries is a critical yet often overlooked factor that can significantly influence coating uniformity, interfacial adhesion, and process reproducibility. Despite its industrial importance, the time-dependent evolution of slurry dispersion
[...] Read more.
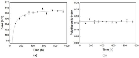
In the fabrication of ultrathin multilayer ceramic capacitors (MLCCs), the long-term stability of ceramic slurries is a critical yet often overlooked factor that can significantly influence coating uniformity, interfacial adhesion, and process reproducibility. Despite its industrial importance, the time-dependent evolution of slurry dispersion structures during storage and its direct impact on green sheet properties remain insufficiently understood. This study examined the time-dependent physicochemical evolution of barium titanate (BaTiO3)-based green sheet slurries, which behave as colloidal gel-like dispersion systems, and their influence on the structural, optical, and interfacial properties of the resulting sheets. Dynamic light scattering revealed progressive yet uniform particle aggregation, while viscosity measurements indicated a gradual ~10% decrease over 960 h, reflecting reduced dispersion stability and progressive weakening of the slurry gel network during extended storage. The slurry, consisting of BaTiO3 particles, polymeric binders, and plasticizers, forms a three-dimensional transient gel network, in which particle–particle and particle–binder interactions govern rheological behavior. The observed viscosity decrease and turbidity reduction indicate gel network relaxation and partial gel–sol–like transition behavior driven by aggregation. Cross-sectional scanning electron microscopy demonstrated that these changes produced a measurable reduction in final green sheet thickness, despite identical processing conditions. Furthermore, peel tests revealed that interfacial adhesion strength increased with storage time, attributable to localized solid enrichment within the slurry gel matrix and enhanced bonding at the release film interface. The reduced coating thickness also contributed to lower optical haze, reflecting a shortened light-transmission path. Collectively, these findings demonstrate that even moderate aggregation in a ceramic network-forming dispersion system substantially alters coating behavior, adhesion, and optical performance. The results underscore the importance of managing gel-network stability and rheology to ensure reliable green sheet fabrication and storage in MLCC manufacturing.
Full article
(This article belongs to the Special Issue Recent Progress and Advances in Conductive or Smart Functional Polymer Gels)
►▼
Show Figures

Figure 1
Open AccessEditorial
Special Issue: “Synthesis, Characterization and Pharmaceutical Applications of Gels”
by
Kalliopi Dodou
Gels 2026, 12(2), 149; https://doi.org/10.3390/gels12020149 (registering DOI) - 7 Feb 2026
Abstract
The continuous advancement and improved understanding of technologies for gel synthesis and formulation have enabled the development of novel gel systems with diverse pharmaceutical applications [...]
Full article
(This article belongs to the Special Issue Synthesis, Characterization and Pharmaceutical Applications of Gels)
Open AccessArticle
Mechanistic Investigation of Microdroplet Formation in High-Viscosity Shear-Thinning Hydrogel Bioinks
by
Qiang Gao, Yanling Mi, Kaicheng Yu, Youyun Shang, Lihua Lu, Yongqiang Gao and Peng Zhang
Gels 2026, 12(2), 148; https://doi.org/10.3390/gels12020148 - 6 Feb 2026
Abstract
High-resolution biofabrication requires precise microscale deposition, yet drop-on-demand (DOD) inkjet bioprinting is constrained by a narrow printable viscosity window. Many biocompatible hydrogel precursors display high zero-shear viscosity and strong shear-thinning, so stable droplet ejection typically requires dilution or reformulation that can compromise the
[...] Read more.
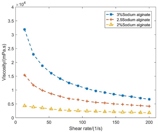
High-resolution biofabrication requires precise microscale deposition, yet drop-on-demand (DOD) inkjet bioprinting is constrained by a narrow printable viscosity window. Many biocompatible hydrogel precursors display high zero-shear viscosity and strong shear-thinning, so stable droplet ejection typically requires dilution or reformulation that can compromise the biochemical microenvironment. We present a transient shear-enabled jetting method that exploits intrinsic shear-thinning by using a high-frequency electromagnetic microvalve to deliver short, high-pressure pulses. The resulting localized shear dynamically lowers apparent viscosity in the nozzle region and promotes controlled nucleation, ligament formation, necking, and pinch-off. A coupled, rheology-informed modeling framework (axisymmetric transient CFD, valve dynamics, and electromagnetic FEM) links actuation parameters to droplet volume and stability and guides hardware optimization. Experiments with 2.5% (w/v) sodium alginate validate stable droplet generation and tunable droplet size via stroke length and driving conditions. These results define a practical process window for high-resolution droplet printing of high-viscosity shear-thinning hydrogel inks.
Full article
(This article belongs to the Special Issue Biosoursed and Bioinspired Gels for Biomedical Applications (2nd Edition))
►▼
Show Figures

Figure 1
Open AccessReview
A Comprehensive Review on Innovative Food Gelling Strategies for Sustainable Production of Meat Analogs and Restructured Meat
by
AMM Nurul Alam, Abdul Samad, Ayesha Muazzam, So-Hee Kim, Chan-Jin Kim, Young-Hwa Hwang and Seon-Tea Joo
Gels 2026, 12(2), 147; https://doi.org/10.3390/gels12020147 - 5 Feb 2026
Abstract
The growing need for ecologically sound and ethical protein sources has contributed to the development of meat analogs (MAs) and restructured meat products (RMPs). Next generation MA and RMP production requires sustainable structuring techniques to imitate the physical, chemical, and sensory characteristics of
[...] Read more.
The growing need for ecologically sound and ethical protein sources has contributed to the development of meat analogs (MAs) and restructured meat products (RMPs). Next generation MA and RMP production requires sustainable structuring techniques to imitate the physical, chemical, and sensory characteristics of conventional meat. Innovative gelling techniques are essential for attaining optimal texture, chewiness, and structural firmness in MAs and RMPs. Food gels can modulate water and fat retention, as well as the physical and mechanical characteristics of MA and RMP. Different gelling systems such as hydrogels, emulsion gels, oleogels, and hybrid gels contribute to texture formation, water and fat retention, juiciness, and structural integrity, which are essential for mimicking conventional meat. The role of gels as key structuring elements is integrated with advanced processing technologies such as high-moisture extrusion and 3D printing. This review discusses how protein, polysaccharide, lipid, and hybrid gelling techniques facilitate the development of MAs and RMPs with enhanced texture, sensory quality, nutritional value, and sustainability. Advanced structuring techniques, such as high-moisture extrusion, shear cell processing, and 3D printing, are explained regarding their integration of tailored gels (hydrogels, emulsion gels, oleogels, and hybrid gels) to fabricate imitated meat structures. Moreover, this article investigates the sensory and nutritional ramifications of various gelling techniques, spanning their role in juiciness and flavor composition. This review emphasizes significant research deficiencies and suggests more extensive future studies to facilitate the further development of economically viable and sustainable MAs and RMPs.
Full article
(This article belongs to the Special Issue Gels for Plant-Based Food Applications (2nd Edition))
►▼
Show Figures

Graphical abstract
Open AccessReview
Nanostructured Hydrogels: A Method to Prevent Biofilms on Implantable Medical Devices
by
Hasani G. Jayasinghe, Ujith S. K. Madduma-Bandarage and Sundar V. Madihally
Gels 2026, 12(2), 146; https://doi.org/10.3390/gels12020146 - 5 Feb 2026
Abstract
Microbial biofilms pose significant health risks by causing infections associated with prosthetic and indwelling medical devices. Factors such as the high tolerance levels of biofilm microorganisms to antibiotics and the inability of antimicrobial agents to penetrate the biofilm matrix render antibiotic-based treatment methods
[...] Read more.
Microbial biofilms pose significant health risks by causing infections associated with prosthetic and indwelling medical devices. Factors such as the high tolerance levels of biofilm microorganisms to antibiotics and the inability of antimicrobial agents to penetrate the biofilm matrix render antibiotic-based treatment methods ineffective against biofilm-related infections. Surfaces patterned with nanoscale topographical features have shown promising results in controlling the attachment of microorganisms. Therefore, nanopatterning of surfaces provides an excellent alternative to the existing antibiotic-based therapies. There are many techniques, such as photolithography and soft lithography, for patterning polymer or metal surfaces. However, depending on the cost, toxicity, feature size, and material compatibility, these methods have limitations. Although hydrogels have garnered special interest as biomaterials due to their biocompatibility and resemblance to the natural biological environment, hydrogels with surface nanopatterns have not been widely investigated as anti-biofouling materials. The applicability of hydrogels in biomedical applications and the importance of inhibiting microbial biofilms underscore the need for further research into the manufacturing of nanoengineered hydrogels with diverse topographical features. In this review, we discuss how nanostructured hydrogels inhibit biofilm formation. Further, we discuss nanopatterning methods, their limitations, advantages, and disadvantages. This article also highlights the current state of research on nanostructured hydrogels and associated challenges.
Full article
(This article belongs to the Special Issue Polymeric Hydrogels for Biomedical Application (2nd Edition))
►▼
Show Figures

Figure 1
Open AccessArticle
Structure and Performance of Bentonite-Enhanced Superabsorbent Gels for Water Absorption and Methylene Blue Adsorption
by
Yunxiang Zheng, Xingzhou Wen, Yonghan Wang, Chunxiao Zhang and Xiangpeng Wang
Gels 2026, 12(2), 145; https://doi.org/10.3390/gels12020145 - 5 Feb 2026
Abstract
To address the limitations of conventional superabsorbent polymers in complex aqueous environments, a novel ternary composite gel (BT-SAP) based on xanthan gum, poly(acrylic acid-co-acrylamide), and bentonite was synthesized via a facile one-pot polymerization. Characterization confirmed the formation of a stable organic–inorganic hybrid three-dimensional
[...] Read more.
To address the limitations of conventional superabsorbent polymers in complex aqueous environments, a novel ternary composite gel (BT-SAP) based on xanthan gum, poly(acrylic acid-co-acrylamide), and bentonite was synthesized via a facile one-pot polymerization. Characterization confirmed the formation of a stable organic–inorganic hybrid three-dimensional network. The gel demonstrated outstanding comprehensive performance: a maximum water absorption capacity of 378.6 g/g; good adaptability to various pH levels, salt ions, and real water bodies; and rapid absorption kinetics and reusable potential over multiple cycles. Simultaneously, it exhibited a high adsorption capacity of 181.3 mg/g for methylene blue. The adsorption isotherm followed the Freundlich model, indicating adsorption on a heterogeneous surface. Kinetic studies revealed that the process was best described by the pseudo-second-order model, suggesting chemisorption as the rate-controlling step. XPS analysis further elucidated that the adsorption primarily occurred through the synergistic effect of electrostatic attraction from carboxyl groups and hydrogen bonding from amide/hydroxyl groups within the gel. This work provides a new strategy for developing smart materials integrating efficient water absorption and dye removal functionalities.
Full article
(This article belongs to the Section Gel Applications)
►▼
Show Figures

Figure 1
Open AccessArticle
Gelatin–Chitosan–PVA Hydrogels Incorporating Trichoderma and Their Application in the Control of Phytopathogens
by
Lizbeth de Jesús Martínez-Vela, Mayra Itzcalotzin Montero-Cortés, Joaquín Alejandro Qui-Zapata, Vania Sbeyde Farias-Cervantes, Julio César López-Velázquez, Arturo Moisés Chávez-Rodríguez, Jonathan M. Barba-Godínez and Zaira Yunuen García-Carvajal
Gels 2026, 12(2), 144; https://doi.org/10.3390/gels12020144 - 4 Feb 2026
Abstract
The utilization of microorganisms as biocontrol agents represents a sustainable alternative to agrochemicals. Trichoderma spp. has been identified as a fungus that promotes plant growth and suppresses phytopathogens. Nonetheless, conventional commercial formulations are constrained by factors such as their limited shelf life, environmental
[...] Read more.
The utilization of microorganisms as biocontrol agents represents a sustainable alternative to agrochemicals. Trichoderma spp. has been identified as a fungus that promotes plant growth and suppresses phytopathogens. Nonetheless, conventional commercial formulations are constrained by factors such as their limited shelf life, environmental sensitivity, and inadequate carrier systems. In this study, Trichoderma harzianum (T22) and T. viride (T18) strains were encapsulated in a hydrogel composed of chitosan, gelatin, and polyvinyl alcohol, which was prepared by pH-induced gelation via alkaline precipitation. The characterization of the hydrogels was conducted in several domains. Initially, the water absorption of the samples was examined at varying pH values. Secondly, the morphology of the samples was investigated using scanning electron microscopy (SEM) and stereo microscopy. Thirdly, the chemical interactions in the hydrogels were analyzed by Fourier-transform infrared spectroscopy (FTIR). The final stage of the experiment involved assessing the degradation behaviour of the hydrogels in both sterile and inoculated soils. The efficacy of the isolates in protecting chilli plants from Phytophthora capsici was subsequently evaluated. As demonstrated in the extant research, encapsulation techniques have been shown to preserve the viability of fungal organisms and promote their growth after 10 days of storage at ambient temperature. These effects have been observed to exhibit strain-dependent variations. It is noteworthy that hydrogels loaded with T. viride (HT18) induced resistance against P. capsici, resulting in complete symptom suppression and enhanced plant growth, whereas hydrogels loaded with T. harzianum (HT22) showed no protective effect. These results demonstrate the potential of the hydrogel formulated with T18 as an effective carrier, as it maintains Trichoderma spp. viability and protects chilli plants against P. capsici infection.
Full article
(This article belongs to the Special Issue Recent Advances in Biopolymer Gels (2nd Edition))
Open AccessEditorial
Synthesis, Properties, and Applications of Novel Polymer-Based Gels
by
Zhen Gao, Peng Zhang and Yuanxun Zheng
Gels 2026, 12(2), 143; https://doi.org/10.3390/gels12020143 - 3 Feb 2026
Abstract
Polymer gels, as a class of soft materials with three-dimensional cross-linked networks, have garnered escalating attention in recent decades due to their exceptional capacity to absorb and retain solvents, coupled with tunable mechanical, chemical, and responsive properties [...]
Full article
(This article belongs to the Special Issue Synthesis, Properties, and Applications of Novel Polymer-Based Gels)
Open AccessArticle
Design and Biological Evaluation of a Gelatin/Recombinant Type III Collagen/CMC Composite Hydrogel for Wound Healing
by
Ruixue Wu, Yunjie Shi, Yusi Hu, Jielei Han, Zhenyu Wang, Zhouguang Wang and Qian Xu
Gels 2026, 12(2), 142; https://doi.org/10.3390/gels12020142 - 3 Feb 2026
Abstract
Effective chronic skin wound healing remains challenging due to excessive inflammation, insufficient vascular support, and impaired extracellular matrix remodeling. By rationally designing and integrating complementary biomaterials, it is possible to synergistically tailor physicochemical properties and biological performance for tissue repair and regeneration. In
[...] Read more.
Effective chronic skin wound healing remains challenging due to excessive inflammation, insufficient vascular support, and impaired extracellular matrix remodeling. By rationally designing and integrating complementary biomaterials, it is possible to synergistically tailor physicochemical properties and biological performance for tissue repair and regeneration. In this study, a gelatin-based composite hydrogel incorporating recombinant type III collagen (rColIII) and carboxymethyl cellulose (CMC) was developed via EDC/NHS-mediated crosslinking and evaluated for wound repair. By tuning the rColIII/CMC ratio, the hydrogel mechanical modulus (G′) increased from ~1.2 kPa to ~2.6 kPa, and enzymatic degradation could be modulated, as reflected by changes in the remaining material mass. The optimized Gel/rCol/CMC-1 formulation supported 3T3 cell migration (1.8-fold increase at 24 h) and promoted a pro-regenerative (M2-like) macrophage phenotype in vitro. In a full-thickness diabetic wound model, Gel/rCol/CMC-1 accelerated wound closure (82.3 ± 4.7% vs. 56.9 ± 5.1% at day 14) and enhanced tissue quality, evidenced by more organized collagen deposition and increased CD31+/α-SMA+ vessel density. These results demonstrate that formulation-driven tuning of gelatin/rColIII/CMC matrices creates a supportive microenvironment for coordinated wound repair, highlighting their potential as regenerative hydrogel dressings for difficult-to-heal wounds.
Full article
(This article belongs to the Special Issue Advances in Hydrogels for Regenerative Medicine)
►▼
Show Figures

Graphical abstract
Open AccessArticle
From Surface Energetics to Environmental Functionality: Mechanistic Insights into Hg(II) Removal by L-Cysteine-Modified Silica Gel
by
Rene G. Moran-Salazar, Ricardo Manríquez-González, Alejandro A. Peregrina-Lucano, José A. Gutierréz-Ortega, Agustín Lara, Eulogio Orozco-Guareño, Adriana M. Macias-Lamas, Jessica Badillo-Camacho, Ilya G. Shenderovich, Milton Vazquez-Lepe and Sergio Gómez-Salazar
Gels 2026, 12(2), 141; https://doi.org/10.3390/gels12020141 - 3 Feb 2026
Abstract
The development of oxidation-resistant and regenerable materials remains a major challenge for mercury removal from contaminated waters and industrial effluents. In this study, a zwitterionic mesoporous silica gel functionalized with L-cysteine (SG-3PS-Cys) was synthesized, where the thiol group is covalently anchored to the
[...] Read more.
The development of oxidation-resistant and regenerable materials remains a major challenge for mercury removal from contaminated waters and industrial effluents. In this study, a zwitterionic mesoporous silica gel functionalized with L-cysteine (SG-3PS-Cys) was synthesized, where the thiol group is covalently anchored to the silica framework, preventing oxidative degradation while preserving –NH3+ and –COO− groups for Hg(II) coordination. Spectroscopic analyses (FTIR, XPS, and 13C NMR) confirmed the formation of a stable, thiol-free binding environment in which mercury interacts through carboxylate oxygen atoms, electrostatically stabilized by neighboring ammonium groups. The material exhibited a high surface area (134 m2 g−1) and uniform mesoporosity (9.8 nm), achieving a maximum Hg(II) uptake of 82.7 mg g−1 at pH 3 with rapid kinetics and cooperative S-type isotherms. The adsorbent retained 72% of its capacity after five regeneration cycles and maintained 38.7% selectivity toward Hg(II) in multicomponent solutions. DFT-based surface energy distribution analysis supported the zwitterionic coordination mechanism, revealing energetically homogeneous and high-affinity binding domains. Beyond its chemical stability, the material introduces a sustainable route for mercury remediation, linking surface energy, electrostatic effects, and porosity to achieve durable performance under acidic and complex aqueous conditions. These findings provide a mechanistic and design framework for the next generation of non-thiol adsorbents capable of selective and reusable Hg(II) removal in environmentally relevant scenarios.
Full article
(This article belongs to the Special Issue Recent Advances in Biopolymer Gels (2nd Edition))
►▼
Show Figures

Graphical abstract
Open AccessArticle
Fabrication and Characterization of Lignocellulose-Based Porous Materials via Chemical Crosslinking
by
Sa Rang Choi and Jung Myoung Lee
Gels 2026, 12(2), 140; https://doi.org/10.3390/gels12020140 - 3 Feb 2026
Abstract
This study presents a simple method for producing chemically crosslinked porous materials from lignocellulosic fibers with different particle sizes and lignin contents. Porous materials were prepared from organosolv pulp (OP), kneaded organosolv pulp (KOP), lignin-rich microfibrillated cellulose (LMFC), and enzyme cellulose nanofiber (ECNF)
[...] Read more.
This study presents a simple method for producing chemically crosslinked porous materials from lignocellulosic fibers with different particle sizes and lignin contents. Porous materials were prepared from organosolv pulp (OP), kneaded organosolv pulp (KOP), lignin-rich microfibrillated cellulose (LMFC), and enzyme cellulose nanofiber (ECNF) and were crosslinked using epichlorohydrin, glutaraldehyde, and glycerol diglycidyl ether (GDE). Among the crosslinkers, GDE provided the best dimensional stability and elastic recovery after repeated compression–recovery cycles in water. Notably, KOP-based porous materials outperformed those derived from LMFC and ECNF, despite being produced via a simple kneading process without energy-intensive fibrillation. KOP-derived materials exhibited excellent dimensional stability and high water absorption exceeding 5890%, demonstrating strong potential for bio-based absorbent applications such as hygiene and packaging.
Full article
(This article belongs to the Special Issue Cellulose Gels: Properties and Prospective Applications)
►▼
Show Figures

Figure 1
Open AccessArticle
Gum Arabic Modulates Redox–Ionic Microenvironments via Rheology and Kinetics to Induce Selective Cytotoxicity in Colorectal Cancer Cells
by
Emre Cebeci, Büşra Yüksel, Reyhan Aliusta, Şahin Yılmaz, Ertuğrul Osman Bursalıoğlu, Mustafa Eray Bozyel, Halise Betül Gökçe, Şaban Kalay, Şükran Özdatlı Kurtuluş, Ahmet Arif Kurt, Fikrettin Şahin and Ismail Aslan
Gels 2026, 12(2), 139; https://doi.org/10.3390/gels12020139 - 3 Feb 2026
Abstract
Background: Gum Arabic (GA) is a natural polysaccharide widely recognized for its antioxidant and anti-inflammatory properties; however, its functional behavior as a biopolymeric gel and the mechanisms underlying its selective effects on cancer-related redox microenvironments remain insufficiently characterized. It is imperative to note
[...] Read more.
Background: Gum Arabic (GA) is a natural polysaccharide widely recognized for its antioxidant and anti-inflammatory properties; however, its functional behavior as a biopolymeric gel and the mechanisms underlying its selective effects on cancer-related redox microenvironments remain insufficiently characterized. It is imperative to note that the interaction between its physicochemical properties and its biological activity in colorectal cancer remains to be fully clarified. Methods: This study aimed to evaluate the antineoplastic potential of GA in human colorectal cancer (CRC) cell lines (HT-29 and HCT-116) compared to normal fibroblasts (MRC-5) using the MTS assay. Oxidative stress-related molecular responses were assessed by quantitative PCR analysis of GPX4, GSTA2, CAT, NFKB, and SOD1 expression. In parallel, extracellular concentrations of key metal ions (Fe2+, Zn2+, Mn2+, Mg2+, Cu2+, and Al3+) were quantified following GA exposure. To establish its functional gel characteristics, rheological measurements were performed to assess viscosity and shear-dependent behavior, and USP-compliant in vitro kinetic studies were conducted to evaluate time-dependent release properties. Results: GA induced dose-dependent cytotoxicity in HT-29 and HCT-116 colorectal cancer cells, while MRC-5 fibroblasts exhibited comparatively higher viability across the tested concentration range, indicating reduced sensitivity in normal cells. Rheological analysis revealed concentration- and ion-dependent viscoelastic behavior, identifying a 10% (w/w) GA formulation as optimal due to its balanced low-shear viscosity and controlled shear-thinning properties. Kinetic studies demonstrated a defined, diffusion-governed release profile under physiologically relevant conditions. At the molecular level, significant upregulation of GPX4 and GSTA2 was observed in both cancer cell lines, whereas NFKB expression increased selectively in HT-29 cells, with no notable changes in CAT or SOD1 expression. Additionally, GA treatment resulted in marked increases in Fe2+, Zn2+, and Mn2+ levels, indicating modulation of the redox–ionic microenvironment. Conclusions: These findings demonstrate that GA functions as a natural, ion-responsive biopolymeric system with defined rheological and kinetic properties, capable of selectively targeting colorectal cancer cells through coordinated genetic and ionic regulation of oxidative stress. Collectively, the results position GA as a promising functional gel-based platform for future redox-modulated therapeutic strategies in colorectal cancer.
Full article
(This article belongs to the Special Issue Novel Functional Gels for Biomedical Applications (2nd Edition))
►▼
Show Figures

Figure 1
Open AccessReview
Design and Application of Stimuli-Responsive Hydrogels for 4D Printing: A Review of Adaptive Materials in Engineering
by
Muhammad F. Siddique, Farag K. Omar and Ali H. Al-Marzouqi
Gels 2026, 12(2), 138; https://doi.org/10.3390/gels12020138 - 2 Feb 2026
Abstract
Stimuli-responsive hydrogels are an emerging class of smart materials with immense potential across biomedical engineering, soft robotics, environmental systems, and advanced manufacturing. In this review, we present an in-depth exploration of their material design, classification, fabrication strategies, and real-world applications. We examine how
[...] Read more.
Stimuli-responsive hydrogels are an emerging class of smart materials with immense potential across biomedical engineering, soft robotics, environmental systems, and advanced manufacturing. In this review, we present an in-depth exploration of their material design, classification, fabrication strategies, and real-world applications. We examine how a wide range of external stimuli—such as temperature, pH, moisture, ions, electricity, magnetism, redox conditions, and light—interact with polymer composition and crosslinking chemistry to shape the responsive behavior of hydrogels. Special attention is given to the growing field of 4D printing, where time-dependent shape and property changes enable dynamic, programmable systems. Unlike existing reviews that often treat materials, stimuli, or applications in isolation, this work introduces a multidimensional comparative framework that connects stimulus-response behavior with fabrication techniques and end-use domains. We also highlight key challenges that limit practical deployment—including mechanical fragility, slow actuation, and scale-up difficulties—and outline engineering solutions such as hybrid material design, anisotropic structuring, and multi-stimuli integration. Our aim is to offer a forward-looking perspective that bridges material innovation with functional design, serving as a resource for researchers and engineers working to develop next-generation adaptive systems.
Full article
(This article belongs to the Special Issue 3D Printing of Gel-Based Materials (2nd Edition))
►▼
Show Figures

Figure 1
Open AccessArticle
Comprehensive Characterisation of Photocurable PEGDA/Gelatine Hydrogels for Extrusion-Based 3D Printing
by
Corona Morató-Cecchini, David Rodríguez-González, Lucía Celada, Lucía Sánchez-Suárez, Manuel Alejandro Fernández, Enrique Aguilar and Helena Herrada-Manchón
Gels 2026, 12(2), 137; https://doi.org/10.3390/gels12020137 - 2 Feb 2026
Abstract
The development of photocurable hydrogel biomaterial inks with suitable rheology, low cytotoxicity, and tuneable mechanical properties is essential for reliable biofabrication. This study aimed to formulate PEGDA–gelatine–collagen inks using lithium phenyl-2,4,6-trimethylbenzoylphosphinate (LAP) as photoinitiator. Rheological characterisation and flow-model fitting were performed, mechanical stiffness
[...] Read more.
The development of photocurable hydrogel biomaterial inks with suitable rheology, low cytotoxicity, and tuneable mechanical properties is essential for reliable biofabrication. This study aimed to formulate PEGDA–gelatine–collagen inks using lithium phenyl-2,4,6-trimethylbenzoylphosphinate (LAP) as photoinitiator. Rheological characterisation and flow-model fitting were performed, mechanical stiffness modulation under different light intensities was evaluated, complex structures were printed using direct extrusion and FRESH methodologies, and PEGDA/LAP extractables were quantified by NMR after controlled washing procedures. In vitro assays assessed cell viability and proliferation on the resulting scaffolds. The Herschel–Bulkley model best described the flow behaviour across formulations; while viscoelastic measurements showed that increasing light intensity progressively enhanced hydrogel stiffness, enabling fine control over final mechanical properties. NMR analysis showed that washing removed a substantial fraction of residual LAP, in agreement with the biological findings: fibroblasts failed to survive on unwashed scaffolds but exhibited robust proliferation and recovered their characteristic elongated morphology on washed constructs. Among all inks, PeGeCol_10_2 provided the best combination of shear-thinning behaviour, structural integrity, low residual photoinitiator, and tuneable mechanics. Using this formulation, we successfully printed large anatomical models with high fidelity and excellent handling properties, underscoring its potential for soft-tissue prosthetics and broader tissue-engineering applications.
Full article
(This article belongs to the Special Issue Application of Hydrogels in 3D Bioprinting for Tissue Engineering)
►▼
Show Figures

Graphical abstract
Open AccessArticle
Imbibition and Oil Drainage Mechanisms of Nanoparticle Compound Polymer Fracturing Fluids
by
Herui Fan, Tianyu Jiang, Ruoxia Li, Yu Si, Yunbo Dong, Mingwei Zhao, Zhongzheng Xu and Lin Li
Gels 2026, 12(2), 136; https://doi.org/10.3390/gels12020136 - 2 Feb 2026
Abstract
Unconventional low-permeability reservoirs present significant production challenges due to the poor imbibition and displacement efficiency of conventional polymer fracturing fluids. The injection of nanoparticle (NP) compounds into polymer fracturing fluid base systems, such as linear gels or slickwater, has garnered significant research interest
[...] Read more.
Unconventional low-permeability reservoirs present significant production challenges due to the poor imbibition and displacement efficiency of conventional polymer fracturing fluids. The injection of nanoparticle (NP) compounds into polymer fracturing fluid base systems, such as linear gels or slickwater, has garnered significant research interest due to their superior performance. However, previous studies have primarily focused on evaluating the fluid’s properties, while its imbibition and oil displacement mechanisms within reservoirs remain unclear. Herein, the imbibition mechanism of nanoparticle composite polymer fracturing fluid was systematically investigated from macro and micro perspectives using low-field nuclear magnetic resonance (LF-NMR), atomic force microscopy (AFM), interfacial rheology, and other technical means. The results showed that the imbibition recovery using polymer fracturing fluid was 10.91% higher than that achieved with conventional slickwater. Small and medium pores were identified as the primary contributors to oil drainage. Nanoparticles can be adsorbed on the rock wall in the deep reservoir to realize wettability reversal from oil-wet to water-wet, reducing crude oil adhesion. Furthermore, a strong interaction between the adsorbed NPs and cleanup agents at the oil–water interface was observed, which reduces interfacial tension to 0.95 mN·m−1, mitigates the Jamin effect, and enhances interfacial film deformability. NPs increase the interfacial dilatational modulus from 6.0 to 14.4 mN·m−1, accelerating fluid exchange and oil stripping. This work provides a consolidated mechanistic framework linking NP-induced interfacial modifications to enhanced pore-scale drainage, offering a scientific basis for designing next-generation fracturing fluids. We conclude that NP-compound systems hold strong potential for low-permeability reservoir development, and future efforts must focus on optimizing NP parameters for specific reservoir conditions and overcoming scalability challenges for field deployment.
Full article
(This article belongs to the Section Gel Applications)
►▼
Show Figures

Figure 1
Open AccessArticle
Eco-Friendly In Situ Fabrication of Silver Nanoparticle-Loaded Chitosan Nanogels for Antibacterial Applications
by
Tianji Li, Minghui Zhao, Luohui Wang, Delong Dai, Youming Dong, Fei Xiao, Cheng Li, Xiuhong Zhu and Jianwei Zhang
Gels 2026, 12(2), 135; https://doi.org/10.3390/gels12020135 - 2 Feb 2026
Abstract
Eco-friendly chitosan nanogels (CSNG) with an average diameter of 48.5 nm were synthesized via alkali/urea dissolution and employed as templates for in situ silver nanoparticle fabrication. Silver nanoparticle size was controlled by adjusting CSNG to AgNO3 mass ratios, with the optimal ratio
[...] Read more.
Eco-friendly chitosan nanogels (CSNG) with an average diameter of 48.5 nm were synthesized via alkali/urea dissolution and employed as templates for in situ silver nanoparticle fabrication. Silver nanoparticle size was controlled by adjusting CSNG to AgNO3 mass ratios, with the optimal ratio of 18:1 producing ultrasmall particles of 3.72 nm, uniformly dispersed in the matrix. The nanocomposites demonstrated superior antibacterial activity, with inhibition zones of 14.3 mm against E. coli and 12.1 mm against S. aureus, significantly exceeding pure CSNGs at 7.4 mm and 6.9 mm, respectively. Rheological analysis revealed shear-thinning behavior, with viscosity decreasing from 450 Pa·s to 0.1 Pa·s, confirming excellent injectability. Cytotoxicity evaluation showed cell viability exceeding 82.3% at 100 μg/mL, which was substantially superior to conventional silver formulations. Thermogravimetric analysis and FTIR spectroscopy verified enhanced thermal stability and coordination interactions between chitosan and silver species. This green synthesis approach yields injectable, size-tunable nanocomposites with combined antibacterial efficacy and biocompatibility for biomedical applications.
Full article
(This article belongs to the Special Issue Advances in Biomass-Based Gels: Synthesis, Structure, Properties and Applications)
►▼
Show Figures

Figure 1
Open AccessArticle
A De Novo Sacrificial-MOF Strategy for Fabricating Cellulose Nanofibers/ZIF-8/PANI Gel Composite Membranes for High-Performance Flexible Supercapacitors
by
Shan-Shan Li, Peng-Jiu Wu, Zhi-Yao Ming, Chang-Hai Liu, Wen-Chang Wang and Zhi-Dong Chen
Gels 2026, 12(2), 134; https://doi.org/10.3390/gels12020134 - 2 Feb 2026
Abstract
Cellulose nanofibers/metal-organic framework (CNFs/MOF) composites hold promise for energy storage thanks to high porosity, large specific surface area, and inherent flexibility, but their poor conductivity limits applications to environmental remediation and gas adsorption. Herein, flexible CNFs served as substrates for in situ growth
[...] Read more.
Cellulose nanofibers/metal-organic framework (CNFs/MOF) composites hold promise for energy storage thanks to high porosity, large specific surface area, and inherent flexibility, but their poor conductivity limits applications to environmental remediation and gas adsorption. Herein, flexible CNFs served as substrates for in situ growth of continuous ZIF-8 nanolayers via interfacial synthesis, with a CNFs/ZIF-8 gel network built to enhance structural integrity and flexibility. A novel strategy first regulated the layered pore structure: ZIF-8 in CNFs/ZIF-8 nanofibers was etched in the acidic environment of aniline in situ polymerization, constructing a hierarchical porous architecture with interconnected micropores and mesopores. CNFs/ZIF-8/PANI gel composite membranes were then fabricated. As self-supporting electrodes for symmetric supercapacitors, the composites showed excellent electrochemical performance: 1350 F/g at 1 A/g for the electrode, and the flexible solid-state device delivered a specific capacitance of 220.9 F/g at 0.5 A/g, along with a capacitance retention rate of 74% after 5000 charge–discharge cycles at 10 A/g. The superior performance stems from synergistic hierarchical pore structure regulation via partial MOF sacrificial templating and gel matrix-mediated rapid ion diffusion, offering a feasible approach for high-performance flexible energy storage devices.
Full article
(This article belongs to the Special Issue Gel Formation Processes and Materials for Functional Thin Films)
►▼
Show Figures

Figure 1
Open AccessArticle
Performance and Numerical Simulation of Gel–Foam Systems for Profile Control and Flooding in Fractured Reservoirs
by
Junhui Bai, Yingwei He, Jiawei Li, Yue Lang, Zhengxiao Xu, Tongtong Zhang, Qiao Sun, Xun Wei and Fengrui Yang
Gels 2026, 12(2), 133; https://doi.org/10.3390/gels12020133 - 2 Feb 2026
Abstract
Enhanced oil recovery (EOR) in fractured reservoirs presents significant challenges due to fluid channeling and poor sweep efficiency. In this study, a synergistic EOR system was developed with polymer-based weak gel as the primary component and foam as the auxiliary enhancer. The system
[...] Read more.
Enhanced oil recovery (EOR) in fractured reservoirs presents significant challenges due to fluid channeling and poor sweep efficiency. In this study, a synergistic EOR system was developed with polymer-based weak gel as the primary component and foam as the auxiliary enhancer. The system utilizes a low-concentration polymer (1000 mg·L−1) that forms a weakly cross-linked three-dimensional viscoelastic gel network in the aqueous phase, inheriting the core functions of viscosity enhancement and profile control from polymer flooding. Foam acts as an auxiliary component, leveraging the high sweep efficiency and strong displacement capability of gas in fractures. These two components synergistically create a multiscale enhancement mechanism of “bulk-phase stability control and interfacial-driven displacement.” Systematic screening of seven foaming agents identified an optimal formulation of 0.5% SDS and 1000 mg·L−1 polymer. Two-dimensional visual flow experiments demonstrated that the polymer-induced gel network significantly improves mobility control and sweep efficiency under various injection volumes (0.1–0.7 PV) and gravity segregation conditions. Numerical simulation in a 3D fractured network model confirmed the superiority of this enhanced system, achieving a final oil recovery rate of 75%, significantly outperforming gas flooding (65%) and water flooding (59%). These findings confirm that weakly cross-linked polymer gels serve as the principal EOR material, with foam providing complementary reinforcement, offering robust conformance control and enhanced recovery potential in fracture-dominated reservoirs.
Full article
(This article belongs to the Special Issue Polymer Gels for Oil Recovery and Industry Applications)
►▼
Show Figures

Figure 1
Open AccessArticle
Response Surface Optimization of Curcumin Oil-Loaded Dual-Crosslinked PVOH/CMC/Gellan Gum Hydrogels with Controlled Release and Anti-Inflammatory Activity
by
Suthaphat Kamthai, Ratana Banjerdpongchai, Aree Deenu, Kamonwan Tachai and Patompong Khaw-on
Gels 2026, 12(2), 132; https://doi.org/10.3390/gels12020132 - 2 Feb 2026
Abstract
Wound-related inflammatory pain is a major contributor to wound healing success and requires wound-specific therapeutic platforms with minimal systemic adverse effects. This study builds a dual-crosslinked polyvinyl alcohol (PVOH)/carboxymethyl cellulose (CMC)/gellan gum hydrogel system with optimized mechanical strength and sustained anti-inflammatory drug delivery
[...] Read more.
Wound-related inflammatory pain is a major contributor to wound healing success and requires wound-specific therapeutic platforms with minimal systemic adverse effects. This study builds a dual-crosslinked polyvinyl alcohol (PVOH)/carboxymethyl cellulose (CMC)/gellan gum hydrogel system with optimized mechanical strength and sustained anti-inflammatory drug delivery by developing predictive mathematical models using response surface methodology with central composite design. The effects of citric acid (5–15% w/w) and dialdehyde carboxymethyl cellulose (DCMC, 0.0125–0.0375% w/w) on mechanical properties were systematically evaluated. The optimal formulation (2.23 g low-acyl gellan gum, 1.00 g high-acyl gellan gum, 0.02% DCMC, 10.21% citric acid) achieved firmness of 1.27 ± 0.06 N, rupture strength of 24.24 ± 0.52 N, and compressive strength of 41.91 ± 0.62 kPa. Curcumin oil incorporation yielded 82% cumulative release over 360 min following Korsmeyer–Peppas kinetics (R2 = 0.9887, n = 0.8773). Cell viability exceeded 70% throughout the release period, confirming biocompatibility. The hydrogel strongly inhibited reactive oxygen species (ROS) and nitric oxide (NO) production in lipopolysaccharide-stimulated macrophages (p < 0.001) and enhanced macrophage migration, increasing wound closure from 40–80% (p < 0.001). This dual-crosslinked hydrogel shows great potential for localized inflammatory pain relief.
Full article
(This article belongs to the Special Issue Innovative Approaches of Biopolymer-Based Hydrogels: Development, Characterization, and Biomedical Applications)
►▼
Show Figures

Figure 1
Journal Menu
► ▼ Journal Menu-
- Gels Home
- Aims & Scope
- Editorial Board
- Reviewer Board
- Topical Advisory Panel
- Instructions for Authors
- Special Issues
- Topics
- Sections & Collections
- Article Processing Charge
- Indexing & Archiving
- Editor’s Choice Articles
- Most Cited & Viewed
- Journal Statistics
- Journal History
- Journal Awards
- Conferences
- Editorial Office
Journal Browser
► ▼ Journal BrowserHighly Accessed Articles
Latest Books
E-Mail Alert
News
Topics
Topic in
Gels, Polymers, Nanomaterials, Pharmaceutics, Environments, J. Compos. Sci.
Polymer and Biopolymer Nanocomposites for Emerging Medical, Industrial, and Environmental Applications
Topic Editors: Madhappan Santhamoorthy, Seongcheol KimDeadline: 28 February 2026
Topic in
Applied Sciences, Chemistry, Gels, Nanomaterials, Polymers, Environments, Materials
Functionalized Materials for Environmental Applications
Topic Editors: Luca Burratti, Iole Venditti, Paolo ProspositoDeadline: 30 March 2026
Topic in
Batteries, Catalysts, Gels, Molecules, Nanomaterials, IJMS
Advanced Nanomaterials and Technologies for Sustainable Development
Topic Editors: Shuijian He, Haoqi Yang, Hua ZhangDeadline: 30 June 2026
Topic in
Energies, Processes, Resources, Gels, Applied Sciences, JMSE
Advanced Technology for Oil and Nature Gas Exploration
Topic Editors: Jiafeng Jin, Lipei FuDeadline: 31 July 2026
Conferences
Special Issues
Special Issue in
Gels
Advances in Carbon Gels: From Synthesis to Electrochemical and (Bio)analytical Applications
Guest Editors: Ana Casanova, Sébastien SchaeferDeadline: 15 February 2026
Special Issue in
Gels
Liposomal and Ethosomal Gels: From Design to Application (2nd Edition)
Guest Editors: Maddalena Sguizzato, Rita CortesiDeadline: 15 February 2026
Special Issue in
Gels
Cellulose-Based Hydrogels for Advanced Applications
Guest Editor: Diana Elena CiolacuDeadline: 15 February 2026
Special Issue in
Gels
Gels with Health-Promoting Properties
Guest Editors: Masumi Kamiyama, Tetsuya AdachiDeadline: 20 February 2026
Topical Collections
Topical Collection in
Gels
Recent Advances and Future Perspectives in Stimuli-Responsive Gels
Collection Editors: Dirk Kuckling, Sandra Van Vlierberghe
Topical Collection in
Gels
Hydrogel in Tissue Engineering and Regenerative Medicine
Collection Editor: Esmaiel Jabbari
Topical Collection in
Gels
Recent Advances and Future Perspectives in Organogels and Organogelators Research
Collection Editor: Jean-Michel Guenet




