-
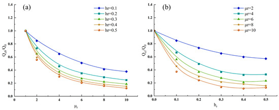
A Survey on Topologies and Modulation Strategies of Dual Inverters in Industrial Applications -
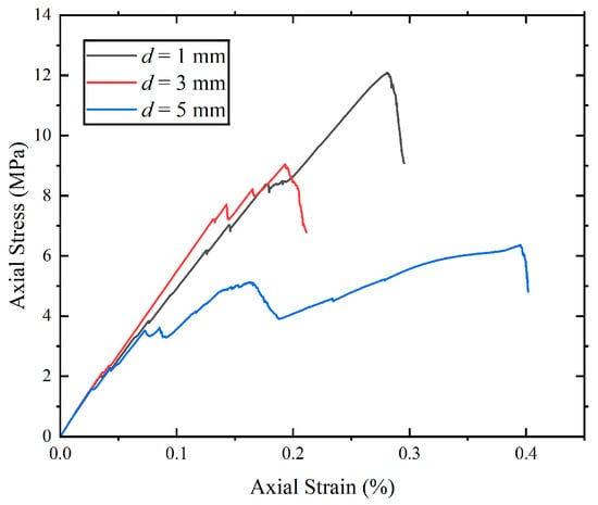
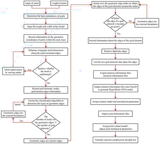
Enhancing Dry-Sliding Wear Performance of a Powder-Metallurgy-Processed “Metal Matrix–Carbide” Composite via Laser Surface Modification -
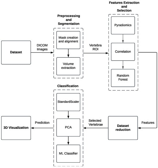
Artificial Intelligence in Glioma Diagnosis: A Narrative Review of Radiomics and Deep Learning for Tumor Classification and Molecular Profiling Across Positron Emission Tomography and Magnetic Resonance Imaging -
Optimised Hydration and Durability of Non-Autoclaved Aerated Concrete via Lignin-Based Ionic Additive -
Comprehensive Efficiency Analysis of Ethanol–Gasoline Blends in Spark Ignition Engines
Journal Description
Eng
- Open Access— free for readers, with article processing charges (APC) paid by authors or their institutions.
- High Visibility: indexed within ESCI (Web of Science), Scopus, Ei Compendex, EBSCO and other databases.
- Journal Rank: JCR - Q2 (Engineering, Multidisciplinary) / CiteScore - Q2 (Engineering (miscellaneous))
- Rapid Publication: manuscripts are peer-reviewed and a first decision is provided to authors approximately 18 days after submission; acceptance to publication is undertaken in 4.5 days (median values for papers published in this journal in the second half of 2025).
- Recognition of Reviewers: APC discount vouchers, optional signed peer review, and reviewer names published annually in the journal.
Latest Articles
Highly Accessed Articles
Latest Books
E-Mail Alert
News
Topics
Deadline: 31 January 2026
Deadline: 28 February 2026
Deadline: 30 April 2026
Deadline: 31 May 2026
Conferences
Special Issues
Deadline: 28 February 2026
Deadline: 28 February 2026
Deadline: 31 March 2026
Deadline: 31 March 2026


















