-
A Novel Railgun-Based Actuation System for Ultrafast DC Circuit Breakers in EV Fast-Charging Applications -
The Impact of Weight Distribution in Heavy Battery Electric Vehicles on Pavement Performance: A Preliminary Study -
Equity Considerations in Public Electric Vehicle Charging: A Review -
Efficient Drone Data Collection in WSNs: ILP and mTSP Integration with Quality Assessment -
Enhancing Thermal Comfort and Efficiency in Fuel Cell Trucks: A Predictive Control Approach for Cabin Heating
Journal Description
World Electric Vehicle Journal
World Electric Vehicle Journal
(WEVJ) is the first international, peer-reviewed, open access journal that comprehensively covers all studies related to battery, hybrid, and fuel cell electric vehicles, and is published monthly online. It is the official journal of the World Electric Vehicle Association (WEVA) and its members, the E-Mobility Europe, Electric Drive Transportation Association (EDTA), and Electric Vehicle Association of Asia Pacific (EVAAP).
- Open Access— free for readers, with article processing charges (APC) paid by authors or their institutions.
- High Visibility: indexed within Scopus, ESCI (Web of Science), Ei Compendex, and other databases.
- Journal Rank: JCR - Q2 (Engineering, Electrical and Electronic) / CiteScore - Q2 (Automotive Engineering)
- Rapid Publication: manuscripts are peer-reviewed and a first decision is provided to authors approximately 17.6 days after submission; acceptance to publication is undertaken in 2.9 days (median values for papers published in this journal in the first half of 2025).
- Recognition of Reviewers: reviewers who provide timely, thorough peer-review reports receive vouchers entitling them to a discount on the APC of their next publication in any MDPI journal, in appreciation of the work done.
Impact Factor:
2.6 (2024)
Latest Articles
Analysis of the Technical and Commercial Factors That Influence the Acquisition of Hybrid Vehicles in the City of Guayaquil
World Electr. Veh. J. 2025, 16(12), 656; https://doi.org/10.3390/wevj16120656 (registering DOI) - 30 Nov 2025
Abstract
Urban air pollution and emission reduction commitments have stimulated interest in cleaner vehicle technologies in Latin America, yet hybrid vehicle penetration in Ecuador, particularly in Guayaquil, remains limited. This study analyzes technical and commercial determinants of purchase intention using a mixed-methods design that
[...] Read more.
Urban air pollution and emission reduction commitments have stimulated interest in cleaner vehicle technologies in Latin America, yet hybrid vehicle penetration in Ecuador, particularly in Guayaquil, remains limited. This study analyzes technical and commercial determinants of purchase intention using a mixed-methods design that combines a survey of 384 consumers with interviews of 20 dealership representatives. Within this male-dominated sample, Spearman’s rank correlation coefficients ( ) (all two-sided tests yielded ) indicate that technical attributes show stronger associations with purchase intention than commercial variables: technology and performance ( ) and maintenance ( ) are the most influential, followed by Social Influence ( ); public policies ( ) and purchase price ( ) display moderate effects. Overall, 51.5% of respondents report a favorable intention to purchase a hybrid vehicle in the short to medium term. Interviews confirm an information gap on tax incentives at the point of sale and underscore the potential of financing schemes to mitigate upfront cost barriers. Findings suggest that, in this market, narratives emphasizing long-term operating savings and reliability are more persuasive than generic sustainability messages. We discuss implications for dealership communication, targeted credit programs, and public policy instruments with information campaigns to accelerate sustainable mobility transitions in urban Ecuador. While price is widely cited as decisive (84.2%), variation in technical attributes explains more of the variation in stated purchase intention than price within our sample. The survey sample was collected at an auto show and dealerships and is predominantly male (87.5%). Thus, results describe a male-skewed subset of potential buyers and should not be generalized to households or the broader consumer base.
Full article
(This article belongs to the Special Issue Electric Vehicles and Charging Facilities for a Sustainable Transport Sector)
►
Show Figures
Open AccessArticle
Short-Term Utilization Forecasting of Electric Vehicle Charging Infrastructures
by
Sascha Gohlke and Zoltán Nochta
World Electr. Veh. J. 2025, 16(12), 655; https://doi.org/10.3390/wevj16120655 (registering DOI) - 30 Nov 2025
Abstract
To operate electric vehicle (EV) fleets in a safe and efficient manner, many companies have been deploying charging infrastructures (CIs) at their premises. Forecasting of different system parameters of a CI, such as how many charging points will be occupied during the day,
[...] Read more.
To operate electric vehicle (EV) fleets in a safe and efficient manner, many companies have been deploying charging infrastructures (CIs) at their premises. Forecasting of different system parameters of a CI, such as how many charging points will be occupied during the day, can help create accurate charge plans. In this paper, we deal with the applicability of continuous Nowcasting, i.e., frequently executed short-term forecasts, to predict the next few data points based on the past and current situation in a CI. Specifically, we forecast the number of charging EVs over a rolling two-hour horizon using XGBoost and LSTM. In the experiments, we apply different weighting schemes to emphasize the relevance of the most recent observations combined with different multi-horizon forecasting strategies. Experimental results using a real-world dataset show that a linear weighting schema combined with a direct forecasting strategy using XGBoost achieves the lowest RMSE value of 0.906 for the 15 min forecasting horizon when predicting the number of active charging stations. For the 2 h horizon, the best RMSE of 2.545 is achieved with XGBoost using the strategy Direct, but with an exponential weighting strategy. We then illustrate how short-term predictions can be used to improve the operational efficiency of an example CI by dynamically adjusting power limits based on the latest prediction results.
Full article
(This article belongs to the Section Charging Infrastructure and Grid Integration)
►▼
Show Figures

Figure 1
Open AccessArticle
A Study of Human-like Lane-Changing Strategies Considering Driving Style Characteristics
by
Xingwei Zhang, Wen Sun, Jingbo Zhao and Jiangtao Wang
World Electr. Veh. J. 2025, 16(12), 654; https://doi.org/10.3390/wevj16120654 (registering DOI) - 29 Nov 2025
Abstract
►▼
Show Figures
To address the ‘mechanical’ return to original lane and similar non-humanized lane-changing issues that may occur in existing intelligent driving systems after completing overtaking maneuvers, this study proposes a humanized lane-changing decision method that incorporates driving style characteristics. First, based on the NGSIM
[...] Read more.
To address the ‘mechanical’ return to original lane and similar non-humanized lane-changing issues that may occur in existing intelligent driving systems after completing overtaking maneuvers, this study proposes a humanized lane-changing decision method that incorporates driving style characteristics. First, based on the NGSIM dataset, we employ cluster analysis to systematically dissect human drivers’ lane-changing behavior patterns, laying the theoretical foundation for constructing a human-like decision framework. Second, a game model is established to precisely represent diverse driving styles by adjusting the weights of safety, efficiency, and comfort objectives. A reference line dynamic switching mechanism is then proposed to optimize lane-change paths by integrating vehicle speed and safety distance. Joint simulation results demonstrate superiority over dynamic programming (DP) methods in multiple aspects: under conservative driving mode, dual safety thresholds for following distance and speed significantly enhance safety and reliability. In general driving mode, driving stability and smoothness improved by 2.64% and 75.28%, respectively; in aggressive driving mode, lane-change speed increased by 7.06%. These improvements demonstrate that the human-like lane-changing strategy can autonomously achieve the optimal dynamic balance between safety, comfort, and efficiency tailored to different driving styles, providing an effective pathway for constructing high-performance autonomous driving decision systems.
Full article

Figure 1
Open AccessArticle
Research on Braking Force Distribution Strategy for Race Cars Based on PID Algorithm
by
Jigang Liu, Yingfeng Hua, Zhicheng Zhou and Yushuo Pan
World Electr. Veh. J. 2025, 16(12), 653; https://doi.org/10.3390/wevj16120653 (registering DOI) - 28 Nov 2025
Abstract
►▼
Show Figures
This study proposes a dynamic braking force distribution strategy based on a PID algorithm for Formula Student electric racing cars, addressing the limitations of fixed-ratio distribution methods in adapting to dynamic braking conditions. The strategy utilizes a PID controller targeting the desired slip
[...] Read more.
This study proposes a dynamic braking force distribution strategy based on a PID algorithm for Formula Student electric racing cars, addressing the limitations of fixed-ratio distribution methods in adapting to dynamic braking conditions. The strategy utilizes a PID controller targeting the desired slip ratio to dynamically adjust the braking force distribution coefficient (β) between the front and rear axles. The proposed method was validated through co-simulation using CarSim and Simulink, as well as real vehicle testing. Simulation results show a 7.7% reduction in braking distance under emergency braking at 100 km/h with the PID control strategy, while real vehicle testing confirmed a braking distance of 30 m, with a 5.6% deviation from the simulation. Additionally, both yaw and roll angles were significantly reduced, improving vehicle stability during braking. Experimental data confirmed that the system dynamically maintains an optimal pressure difference of approximately 1.6 MPa between the front and rear axles, effectively preventing rear wheel lock-up and ensuring stable braking performance. The research demonstrates that this PID-based brake-by-wire distribution strategy significantly enhances both braking efficiency and driving stability, providing valuable insights for the development of high-performance electric vehicles.
Full article

Figure 1
Open AccessEditorial
Design Theory, Method, and Control of Intelligent and Safe Vehicles
by
Yaoji Deng
World Electr. Veh. J. 2025, 16(12), 652; https://doi.org/10.3390/wevj16120652 (registering DOI) - 28 Nov 2025
Abstract
The automotive industry is undergoing a profound transformation, driven by the powerful trends of electrification, intelligence, and connectivity [...]
Full article
(This article belongs to the Special Issue Design Theory, Method and Control of Intelligent and Safe Vehicles)
Open AccessArticle
Methodology for Implementing Autonomous Vehicles Using Virtual Tracks
by
Adam Skokan, Lucie Šimonová and Štěpán Křehlík
World Electr. Veh. J. 2025, 16(12), 651; https://doi.org/10.3390/wevj16120651 (registering DOI) - 28 Nov 2025
Abstract
►▼
Show Figures
This document deals with the implementation of virtual tracks as an innovative element for autonomous vehicle navigation. A virtual track improves the driving accuracy, safety, and efficiency of autonomous vehicle operation in various environments. The methodology provides a theoretical framework; analyzes legislative (Czech
[...] Read more.
This document deals with the implementation of virtual tracks as an innovative element for autonomous vehicle navigation. A virtual track improves the driving accuracy, safety, and efficiency of autonomous vehicle operation in various environments. The methodology provides a theoretical framework; analyzes legislative (Czech and EU legal framework) and technical aspects, as well as traffic psychological aspects; defines infrastructure requirements; and describes implementation procedures. It also assesses the impact of technology on the existing transport infrastructure. The outputs of the methodology serve autonomous vehicle operators, municipalities, and legislative authorities as a key tool for planning and implementing autonomous systems. The document contributes to the development of intelligent mobility and the future integration of autonomous vehicles into mainstream traffic.
Full article

Figure 1
Open AccessArticle
On-Site Localization of Unmanned Vehicles in Large-Scale Outdoor Environments
by
Jianbiao Yan, Lizuo Xin, Hongjin Fang and Hanxiao Zhou
World Electr. Veh. J. 2025, 16(12), 650; https://doi.org/10.3390/wevj16120650 - 28 Nov 2025
Abstract
►▼
Show Figures
This paper proposes a method for the on-site localization of autonomous vehicles in large-scale outdoor environments, where a single sensor cannot achieve the high precision for localization. The method is based on an improved Kalman filter by fusion of odometry and LiDAR, and
[...] Read more.
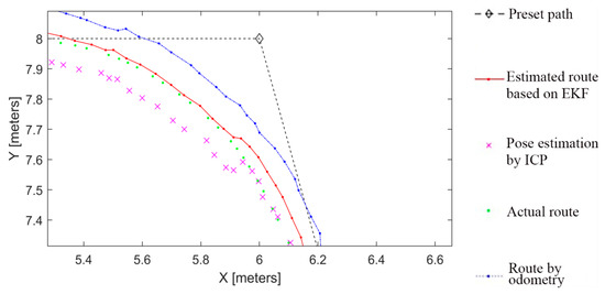
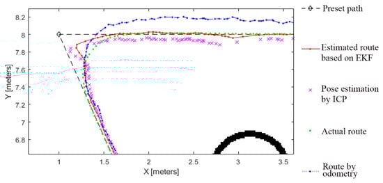
This paper proposes a method for the on-site localization of autonomous vehicles in large-scale outdoor environments, where a single sensor cannot achieve the high precision for localization. The method is based on an improved Kalman filter by fusion of odometry and LiDAR, and it is intended to address the challenge of localization in large-scale environments. Given the complex nature of such environments and the difficulty of identifying natural features at the worksite accurately, the paper uses artificial landmarks to model the working environment. The Iterative Closest Point (ICP) algorithm matches local features of landmarks that were scanned by LiDAR at the current time with local landmark features from the past to obtain the vehicle’s on-site pose. Within the extended Kalman filter (EKF) framework, odometry information is fused with the pose information obtained by the ICP algorithm to further enhance the accuracy of the vehicle’s localization. Simulation results demonstrate that the localization accuracy of unmanned vehicles optimized by the EKF algorithm improves by 9.21% and 53.91% compared to the ICP algorithm and odometry, respectively. This reduces the noise error of measurements, which improves the precise movement and on-site localization performance of unmanned vehicles in large-scale outdoor environments.
Full article

Figure 1
Open AccessArticle
Design of a New Energy-Absorbing Box for Lightweight Electric Vehicles and Research on Vehicle Crashworthiness
by
Guangcai Tang, Zhanjiao She, Yi Zhang, Jiansong Li, Renhua Feng and Huiqiang Shu
World Electr. Veh. J. 2025, 16(12), 649; https://doi.org/10.3390/wevj16120649 - 28 Nov 2025
Abstract
This study addresses the critical issue of high casualty rates in frontal collisions by proposing structural optimization methods for the energy-absorbing box of lightweight electric vehicles. A small pure electric car was selected as the research object. A finite element model for frontal
[...] Read more.
This study addresses the critical issue of high casualty rates in frontal collisions by proposing structural optimization methods for the energy-absorbing box of lightweight electric vehicles. A small pure electric car was selected as the research object. A finite element model for frontal collision was established in HyperMesh and solved using the LS-DYNA explicit dynamics solver. The parameters such as the acceleration of the B-pillar of the vehicle, the compression distance of the energy absorption box and the energy absorption are analyzed in this study. Energy absorption was used as the primary crashworthiness indicator while ensuring that the peak collision force, compression distance of the energy-absorbing box, and acceleration of the B-pillar complied with safety standards. Results demonstrate that Scheme 2 (featuring reduced wall thickness and a single induced groove) outperformed other designs, increasing energy absorption by 3% and reducing mass by 17% compared to the baseline model. This conclusion can provide a reference basis for the subsequent vehicle collision analysis.
Full article
(This article belongs to the Section Vehicle and Transportation Systems)
►▼
Show Figures

Figure 1
Open AccessArticle
Simulation Design Research on Adaptive Temperature Control System for Thermal Management of Passenger Compartment
by
Zhiqiang Zhu, Wenchen Xie and Xianfeng Du
World Electr. Veh. J. 2025, 16(12), 648; https://doi.org/10.3390/wevj16120648 - 28 Nov 2025
Abstract
►▼
Show Figures
In order to solve the problems of thermal management efficiency and temperature control accuracy in the passenger compartment of electric vehicles, the phase change thermal storage design concept and the model-free adaptive control method are applied to the thermal management temperature control system
[...] Read more.
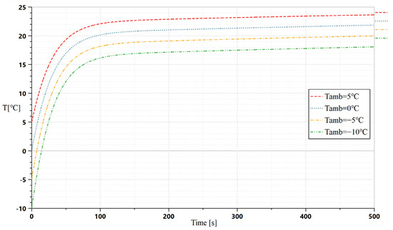
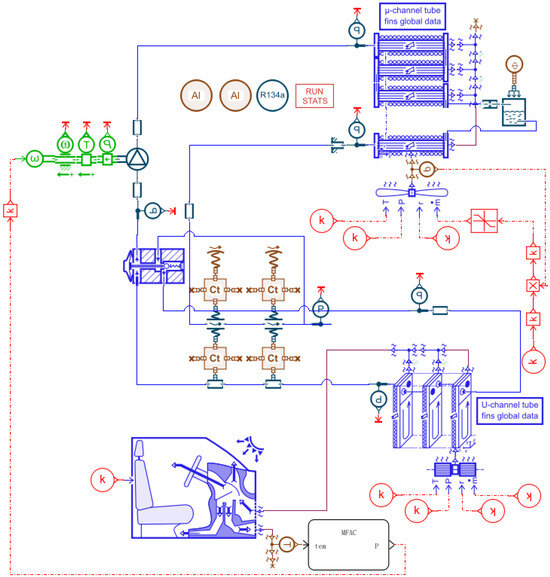
In order to solve the problems of thermal management efficiency and temperature control accuracy in the passenger compartment of electric vehicles, the phase change thermal storage design concept and the model-free adaptive control method are applied to the thermal management temperature control system of the passenger compartment. Aiming at the characteristics of waste heat utilization of the whole vehicle and the preheating demand of the passenger compartment, an integrated vehicle thermal management model with a heat exchanger and storage function and an intelligent temperature control system scheme for the passenger compartment is designed. Aiming at the demand for adaptive control of the thermal management system of the passenger compartment of the whole vehicle, a composite strategy of PID control of compressor speed and model-free adaptive control of water pump speed are proposed, and the effect of the application of different control strategies under the demand for temperature control of the passenger compartment is compared and analyzed in simulation. The study shows that the phase change heat storage system and its model-free adaptive control in this paper are more stable, with smaller overshoot and high temperature regulation accuracy; the overshoot of PID control and fuzzy PID control is 14.17% and 8.58%, respectively, while the overshoot of model-free adaptive control is only 0.42%, which verifies the superiority of the designed thermal management system and the effectiveness of the control algorithm, and will effectively enhance the thermal comfort of the passenger compartment of electric vehicles.
Full article

Figure 1
Open AccessArticle
A Comparative Study of Private EV Charging Stations Using Grid-Connected Solar and Wind Energy Systems in Kuwait with HOMER Software
by
Jasem Alazemi, Jasem Alrajhi, Ahmad Khalfan and Khalid Alkhulaifi
World Electr. Veh. J. 2025, 16(12), 647; https://doi.org/10.3390/wevj16120647 - 28 Nov 2025
Abstract
The rapid adoption of electric vehicles (EVs) has increased the need for sustainable charging infrastructure supported by renewable energy. This study presents a comprehensive techno-economic and environmental analysis of private EV charging stations in Kuwait powered by grid-connected solar and wind systems using
[...] Read more.
The rapid adoption of electric vehicles (EVs) has increased the need for sustainable charging infrastructure supported by renewable energy. This study presents a comprehensive techno-economic and environmental analysis of private EV charging stations in Kuwait powered by grid-connected solar and wind systems using the HOMER Pro 3.18.4 optimization software. Four configurations—grid-only, grid–solar, grid–wind, and grid–solar–wind—were modelled and evaluated in terms of energy output, cost performance, and carbon emission reduction under Kuwait’s climatic conditions. HOMER simulated 484 systems, of which 244 were technically feasible. The optimal configuration, combining grid, 5 kW photovoltaic (PV) (BEIJIAYI 600 W panels), and a 5.1 kW AWS wind turbine, achieved a renewable fraction of 78%, reducing grid dependency by 78.1% and annual CO2 emissions by approximately 7027 kg. Although the hybrid system required a higher initial investment (USD 7662) than the grid-only setup (USD 1765), it achieved the lowest Levelized Cost of Energy (LCOE = USD 0.017/kWh) and long-term cost competitiveness through reduced operating expenses. Sensitivity analysis confirmed the hybrid system’s robustness against ±15% variations in wind speed and ±10% changes in solar irradiance. The results highlight that hybrid solar–wind systems can effectively mitigate intermittency through diurnal complementarity, where daytime solar generation and nighttime wind activity ensure continuous supply. The findings demonstrate that integrating renewables into Kuwait’s EV charging infrastructure enhances economic viability, energy security, and environmental sustainability. The study provides practical insights to guide renewable policy development, pilot deployment, and smart grid integration under Kuwait Vision 2030’s clean-energy framework.
Full article
(This article belongs to the Section Charging Infrastructure and Grid Integration)
►▼
Show Figures

Figure 1
Open AccessArticle
From Technology Follower to Global Leader: The Evolution of China’s New Energy Vehicle Innovation Ecosystem Through Patent Cooperation Networks
by
Xiaozhong Lyu, Yu Yao, Jian Wang, Hao Li, Zanjie Huang, Mingxing Jiang and Qilin Wu
World Electr. Veh. J. 2025, 16(12), 646; https://doi.org/10.3390/wevj16120646 - 26 Nov 2025
Abstract
►▼
Show Figures
This study employs an industry-specific patent classification methodology (ISPCM) and conducts complex network analysis across temporal, industrial, and spatial dimensions to examine China’s new energy vehicle (NEV) patent collaboration network and to uncover the mechanisms underlying China’s global rise in the NEV sector.
[...] Read more.
This study employs an industry-specific patent classification methodology (ISPCM) and conducts complex network analysis across temporal, industrial, and spatial dimensions to examine China’s new energy vehicle (NEV) patent collaboration network and to uncover the mechanisms underlying China’s global rise in the NEV sector. The results demonstrate the effectiveness of the ISPCM and reveal a three-phase growth pattern that is driven by policy initiatives and market expansion. Domestic entities dominate the patent landscape, with a noticeable shift from invention patents to utility model patents, which reflects a focus on application-oriented innovation. The collaboration network exhibits a heavy-tailed characteristic, and it forms an oligopolistic structure in which state-owned enterprises (SOEs) act as “innovation orchestrators,” while private firms concentrate on specialized R&D. Across the industrial chain, the component segment forms the largest network, the complete vehicle segment comprises the smallest network, and the aftermarket is clustered around battery recycling. A clear divide between domestic and foreign entities suggests potential decoupling risks. The findings reveal a dual-circulation innovation model that combines state-led coordinated research with market-driven independent research, offering valuable insights for sustainable industrial transformation.
Full article

Figure 1
Open AccessArticle
Generational Differences Among Users of Self-Driving Vehicles
by
Patrik Viktor and Gábor Kiss
World Electr. Veh. J. 2025, 16(12), 645; https://doi.org/10.3390/wevj16120645 - 25 Nov 2025
Abstract
►▼
Show Figures
The rapid technological advancement of autonomous vehicles (AVs)—as exemplified by recent research such as Enhancing High-Speed Cruising Performance of Autonomous Vehicles Through Integrated Deep Reinforcement Learning Framework (IEEE Transactions on Intelligent Transportation Systems, 2025)—raises pressing societal questions about their acceptance. Although numerous studies
[...] Read more.
The rapid technological advancement of autonomous vehicles (AVs)—as exemplified by recent research such as Enhancing High-Speed Cruising Performance of Autonomous Vehicles Through Integrated Deep Reinforcement Learning Framework (IEEE Transactions on Intelligent Transportation Systems, 2025)—raises pressing societal questions about their acceptance. Although numerous studies have examined attitudes toward autonomous vehicles in recent years, most research is limited to a single country, age group, or small sample. As a result, there is still a lack of empirical analyses comparing multiple generations and conducted on large samples that would provide a comprehensive picture of the age-determining factors of social acceptance of AVs. The present study aims to fill this gap with a questionnaire survey of 8663 people, which examines the trust, technology acceptance, and willingness to use autonomous vehicles among the Baby Boomer, X, Y, Z, and Alpha generations using Likert scale items. We used the Kruskal–Wallis test to explore the differences between generations. Our results show significant differences: while Generations Z and Alpha show remarkable openness and trust in AV technology, the Baby Boomer generation shows marked skepticism. The novelty of the research is that it provides large-scale, multi-generational comparative data, thus shedding light from a new perspective on the cultural, experiential, and trust patterns that determine the social acceptance of autonomous vehicles, beyond technological factors. The limitations of the study include self-reported data collection, geographical limitations (Hungary), and the lack of actual driving experience among the Alpha generation, which may affect the validity of the responses. However, these factors point the way for future international and qualitative research. The results can provide practical guidance for decision-makers, developers, and urban planners in developing inclusive, generation-sensitive transportation policies and communication strategies.
Full article

Figure 1
Open AccessArticle
The Brazilian Program for Functional Safety Labeling of Critical Subsystems in Electric Vehicles: A Framework Based on Risk and Evidence
by
Rodrigo Leão Mianes, Afonso Reguly and Carla Schwengber ten Caten
World Electr. Veh. J. 2025, 16(12), 644; https://doi.org/10.3390/wevj16120644 - 25 Nov 2025
Abstract
►▼
Show Figures
The lack of standardized functional safety information limits the adoption of electric vehicles (EVs) in Brazil. This study proposes a voluntary Brazilian safety labeling program for critical EV subsystems, based on ISO 26262:2018 (Functional Safety) and ISO 21448:2022 (Safety of the Intended Functionality,
[...] Read more.
The lack of standardized functional safety information limits the adoption of electric vehicles (EVs) in Brazil. This study proposes a voluntary Brazilian safety labeling program for critical EV subsystems, based on ISO 26262:2018 (Functional Safety) and ISO 21448:2022 (Safety of the Intended Functionality, SOTIF), adapted to the Brazilian regulatory context. The framework integrates (i) comparative analysis of international vehicle labeling programs; (ii) hazard analysis and risk assessment (HARA) for four critical subsystems (battery management, electric powertrain, charging system, HV cables/connectors); and (iii) a document reliability index (DRI) that weights generic relative risk (RRI_gen) by the robustness of technical documentation (Evidence Score). The DRI calculation assumes statistical independence among subsystems as a simplification, to be validated in the pilot phase. Application to a simulated dataset of 100 BEV models yielded DRI scores ranging from 1.6 to 9.3 (mean = 5.0, SD = 1.8, CV = 36.7%). Vehicles were classified into five safety classes (1–5), with approximately 85% distributed across intermediate classes 2–4, demonstrating strong discriminatory power. Results are communicated via a physical label integrated into Brazil’s National Energy Conservation Label (ENCE), with QR codes linking to detailed subsystem data. The proposal can reduce consumer risk perceptions, stimulate industrial innovation in safety documentation, support regulatory harmonization with ISO standards, and advance electric mobility adoption in emerging markets.
Full article

Graphical abstract
Open AccessArticle
A Block Controller with Integral Super-Twisting Algorithm for the Path Following of a Self-Driving Electric Vehicle Considering Actuator Dynamics
by
Luis Arturo Torres-Romero and Luis Enrique González-Jiménez
World Electr. Veh. J. 2025, 16(12), 643; https://doi.org/10.3390/wevj16120643 - 25 Nov 2025
Abstract
►▼
Show Figures
This research presents the design of a robust nonlinear controller for the lateral dynamics of a self-driving car. It is based on the block control and super-twisting sliding mode control techniques in order to effectively mitigate the uncertainties and disturbances of the vehicle.
[...] Read more.
This research presents the design of a robust nonlinear controller for the lateral dynamics of a self-driving car. It is based on the block control and super-twisting sliding mode control techniques in order to effectively mitigate the uncertainties and disturbances of the vehicle. The dynamic model of the system is composed of the standard bicycle dynamic model (not kinematic) for the vehicle and the dynamics of a BLDC motor connected to a steering rack system as the steering actuator. Moreover, the control scheme considers an inner loop for controlling the actuator position based on the field-oriented control (FOC) and PID control approaches. The controller’s overall performance is validated through its application to a mathematical model of a brushless direct current (BLDC) motor, acting as the actuator, plus the steering rack dynamics and the lateral dynamic model of the vehicle. Measurements of voltages and currents are taken in both the abc and dq reference frames, the latter being commonly used in the field-oriented control (FOC) technique. Additionally, the system’s performance is evaluated in terms of trajectory tracking, orientation, and lateral deviation from the lane center.
Full article

Figure 1
Open AccessArticle
Enhancing Intrusion Detection in Autonomous Vehicles Using Ontology-Driven Mitigation
by
Manale Boughanja, Zineb Bakraouy, Tomader Mazri and Ahmed Srhir
World Electr. Veh. J. 2025, 16(12), 642; https://doi.org/10.3390/wevj16120642 - 24 Nov 2025
Abstract
With the increasing complexity of Autonomous Vehicle networks, enhanced cyber security has become a critical challenge. Traditional security techniques often struggle to adapt dynamically to evolving threats. Overcoming these limitations, this paper presents a novel domain ontology to structure knowledge concerning AV security
[...] Read more.
With the increasing complexity of Autonomous Vehicle networks, enhanced cyber security has become a critical challenge. Traditional security techniques often struggle to adapt dynamically to evolving threats. Overcoming these limitations, this paper presents a novel domain ontology to structure knowledge concerning AV security threats, intrusion characteristics, and corresponding mitigation techniques. Unlike previous work, which mainly focused on static classifications or direct integration within Intrusion Detection Systems, our approach has the distinctive feature of creating a formalized and coherent semantic representation. The ontology was designed using Protégé 4.3 and Web Ontology Language (OWL), modeled from the core cyber security concepts of AVs, and it provides a more nuanced threat classification and significantly superior automated reasoning capability. An important feature of our design is that the ontology formalization was done independently of any real-time IDS integration. A PoC was carried out to prove that the ontology could select the most appropriate method of mitigation, using as input the output of machine-learning-based IDS; SPARQL queries retrieve mitigation instance, type, and effectiveness. This design choice enables us to concentrate strictly on validating the foundational semantic coherence and reasoning power of the knowledge structure, hence providing a robust and reliable analytical framework for further reactive and predictive security applications. The experimental evaluation confirms enhanced effectiveness in knowledge organization and reduces inconsistencies in security threat analysis. Specifically, class classification was performed in 1.049 s, while consistency check required just 0.044 s, hence validating the model’s robustness against classification principles and concept inferences. This work thus paves the way for the development of more intelligent and adaptive security frameworks. In the future, research will be focused on the integration with real-time security monitoring and IDS frameworks and on the study of optimization techniques, such as genetic algorithms, to improve the real-time selection of the countermeasures.
Full article
(This article belongs to the Section Automated and Connected Vehicles)
►▼
Show Figures

Graphical abstract
Open AccessArticle
Simulating the Electrification of Cape Town’s Last-Mile Motorcycle Fleet: Grid Impact and Resource Requirements
by
Halloran Stratford and Marthinus Johannes Booysen
World Electr. Veh. J. 2025, 16(12), 641; https://doi.org/10.3390/wevj16120641 - 22 Nov 2025
Abstract
►▼
Show Figures
The rapid growth of on-demand services in Sub-Saharan Africa has intensified reliance on internal combustion engine (ICE) motorcycles for last-mile delivery, with Cape Town exemplifying both the opportunities and challenges of this trend. While motorcycles provide affordable and flexible mobility, their disproportionate emissions,
[...] Read more.
The rapid growth of on-demand services in Sub-Saharan Africa has intensified reliance on internal combustion engine (ICE) motorcycles for last-mile delivery, with Cape Town exemplifying both the opportunities and challenges of this trend. While motorcycles provide affordable and flexible mobility, their disproportionate emissions, high operating costs, and exposure to volatile fuel prices create pressing economic and environmental concerns. This paper investigates the implications of electrifying Cape Town’s last-mile delivery fleet by modelling the operational dynamics of 39,005 delivery trips performed by 385 motorcycles. Using empirical data, the study simulates fleet electrification under two battery-swapping scenarios—daytime swapping only and a hybrid swapping plus overnight charging model—while testing unmanaged and managed charging strategies. Results show that downsizing the fleet could reduce system resources by more than 50%, lowering capital and grid burdens, with managed charging offering long-term operational savings. Managed charging approaches, particularly off-peak balancing and solar-following, successfully mitigate grid strain and enhance solar utilisation, though they demand larger battery pools, a trade-off quantified by a techno-economic analysis. Crucially, pairing electrification with decentralised solar generation demonstrates the potential for a resilient, net-zero system insulated from load shedding. The findings provide a transferable framework for African cities to decarbonise urban logistics while safeguarding rider livelihoods and grid stability.
Full article

Figure 1
Open AccessArticle
HL-YOLO: Improving Vehicle Damage Detection with Heterogeneous Convolutions and Large-Kernel Attention
by
Weijun Li, Huawei Xie, Peiteng Lin and Liyan Huang
World Electr. Veh. J. 2025, 16(12), 640; https://doi.org/10.3390/wevj16120640 - 21 Nov 2025
Abstract
Accurate vehicle damage detection is essential in intelligent transportation systems, insurance claim assessment, and automotive maintenance. Although conventional detection models demonstrate strong performance, they still struggle to capture fine-grained details and long-range dependencies, which can constrain their effectiveness in real-world applications. To address
[...] Read more.
Accurate vehicle damage detection is essential in intelligent transportation systems, insurance claim assessment, and automotive maintenance. Although conventional detection models demonstrate strong performance, they still struggle to capture fine-grained details and long-range dependencies, which can constrain their effectiveness in real-world applications. To address these limitations, we propose HL-YOLO, an enhanced YOLO11-based architecture that integrates Heterogeneous Convolutions (HetConv) to improve feature extraction diversity and Large-Kernel Attention (LSKA) to strengthen contextual representation. Model evaluation results on a vehicle damage dataset demonstrate that HL-YOLO consistently outperforms the YOLO11 baseline, achieving relative improvements of 2.5% in precision, 5.8% in recall, 3.9% in mAP50, and 3.1% in mAP50–95. These results underscore the model’s robustness in identifying complex damage types, ranging from scratches and dents to accident-induced damage. Although inference latency increased moderately due to the added architectural complexity, the overall accuracy gains confirm the effectiveness of HL-YOLO in scenarios where detection reliability is prioritized over real-time speed. The proposed model shows strong potential for deployment in insurance automation, intelligent traffic monitoring, and vehicle after-service systems, providing a reliable framework for accurate vehicle damage assessment.
Full article
(This article belongs to the Section Vehicle and Transportation Systems)
►▼
Show Figures

Figure 1
Open AccessArticle
A Particle Swarm Optimized Multi-Model Framework for Remaining Useful Life Prediction of Lithium-Ion Batteries Using Domain-Driven Feature Engineering
by
Farrukh Hafeez, Zeeshan Ahmad Arfeen, Gohar Ali, Muhammad I. Masud, Muhammad Hamid, Mohammed Aman, Muhammad Salman Saeed and Touqeer Ahmed Jumani
World Electr. Veh. J. 2025, 16(11), 639; https://doi.org/10.3390/wevj16110639 - 20 Nov 2025
Abstract
With respect to battery management and safe operation and maintenance scheduling of electric vehicles (EVs), it is very important to predict the remaining useful life (RUL) of lithium-ion batteries (LIBs). Accurate prediction of RUL can bring secure working conditions, avert internal and external
[...] Read more.
With respect to battery management and safe operation and maintenance scheduling of electric vehicles (EVs), it is very important to predict the remaining useful life (RUL) of lithium-ion batteries (LIBs). Accurate prediction of RUL can bring secure working conditions, avert internal and external failure, and, last, avoid any undesirable consequences. However, achieving accurate prediction of RUL is complicated for EV applications due to various reasons such as the complex operational characteristics, dynamic changes in the model parameters during the aging process, extraction of battery parameters, data preparation, and hyper-parameter tuning of the predictive model. This research proposes a novel approach that integrates Particle Swarm Optimization (PSO) with a multi-model technique for RUL prediction. The framework integrates many machine learning (ML) models and deep learning (DL) models. Combining domain knowledge, advanced optimization techniques, and learning models to make high-accuracy RUL predictions reduces maintenance costs and improves battery management systems. This study uses domain-driven feature engineering to extract battery-specific indicators, including voltage drops, charging time, and temperature fluctuations, to increase model accuracy. Among the evaluated models, LSTM demonstrates superior performance, achieving a mean absolute error (MAE) of 0.34, a root mean square error (RMSE) of 0.76, and an R2 of 0.93, providing the best results in RUL prediction. The proposed research uniquely integrates PSO-based optimization with domain-driven feature engineering across multiple machine learning and deep learning models, demonstrating a unified and novel approach that significantly improves the prediction accuracy of RUL in LIBs.
Full article
(This article belongs to the Special Issue Material Synthesis, Manufacturing and Electrochemical Modelling for Lithium-Ion Batteries in Electric Vehicle)
►▼
Show Figures

Graphical abstract
Open AccessReview
AI-Enhanced Circular Economy and Sustainability in the Indian Electric Two-Wheeler Industry: A Review
by
Dilip K. Achal and Gangoor S. Vijaya
World Electr. Veh. J. 2025, 16(11), 638; https://doi.org/10.3390/wevj16110638 - 20 Nov 2025
Abstract
►▼
Show Figures
Drastically cutting carbon footprints to reduce global warming is now a universal norm, in keeping with the United Nations’ Convention on Climate Change 2015. The global proliferation of electric vehicles (EVs) is, hence, appropriate. India (Niti Aayog) has given a determined call for
[...] Read more.
Drastically cutting carbon footprints to reduce global warming is now a universal norm, in keeping with the United Nations’ Convention on Climate Change 2015. The global proliferation of electric vehicles (EVs) is, hence, appropriate. India (Niti Aayog) has given a determined call for ‘only EV’ on road by 2030, a transition which will be led by electric two-wheelers (E2Ws) with 80% of the market. The Indian E2W (IE2W) industry needs to adopt green manufacturing and sustainable supply chain management (SSCM), addressing environmental, economic, and social issues. The battery supply chain (an environmental gray area) must also follow circularity and sustainability principles. With artificial intelligence (AI) having come into play in industry and manufacturing, it will undoubtedly influence the circular economy (CE) and sustainability concerns in the IE2W space. This review aims to critically study the available literature on AI’s contribution to CE and sustainability in the IE2W sector. The study has revealed a lack of sufficient research, specifically in the IE2W sector, including AI’s effect on waste management, government policies, etc. For the government, the study recommends a higher outlay for R&D, bridging skill gaps, and strengthening regulatory frameworks and ethics; and, for the IE2W industry, this study recommends increased focus on CE, public awareness, compliance with ethical norms for AI deployment, and prioritizing a fleet-first model. The study is expected to enhance value for the IE2W sector, the government, the public, and the environment.
Full article

Graphical abstract
Open AccessArticle
Enhancing Intelligent Transportation Safety with Explainable AI: A Framework for Uncovering Crash Severity Factors at Highway–Rail Grade Crossings
by
Dongming Wang, Qin He, Jinwen Peng and Gen Li
World Electr. Veh. J. 2025, 16(11), 637; https://doi.org/10.3390/wevj16110637 - 20 Nov 2025
Abstract
Improving road safety is a fundamental goal of Intelligent Transportation Systems (ITS). However, the complex interplay of factors in accident-prone scenarios, such as highway–rail grade crossings, poses significant challenges for conventional analysis. This paper addresses this gap by proposing and validating a novel
[...] Read more.
Improving road safety is a fundamental goal of Intelligent Transportation Systems (ITS). However, the complex interplay of factors in accident-prone scenarios, such as highway–rail grade crossings, poses significant challenges for conventional analysis. This paper addresses this gap by proposing and validating a novel explainable artificial intelligence (XAI) framework, which integrates Extreme Gradient Boosting (XGBoost) with Shapley Additive Explanations (SHAP), to enhance safety analysis within ITS. Applying this framework to a comprehensive dataset of highway–rail grade crossing collisions, our research moves beyond simple correlation to uncover the nonlinear relationships and interaction effects governing injury severity. The model identifies speed-related factors, driver age, and traffic exposure as primary predictors. More critically, the SHAP analysis quantitatively reveals significant synergistic risks, demonstrating that the combination of non-dry road surfaces and poor lighting conditions drastically amplifies injury severity. These findings offer granular insights for the “smart management” and development of “resilient infrastructures,” enabling targeted interventions like adaptive lighting systems and dynamic risk warnings. This study not only provides critical safety solutions for grade crossings but also showcases the power of XAI as a robust tool for “advanced analysis” across various complex transportation safety problems, ultimately contributing to the creation of safer and more reliable ITS.
Full article
(This article belongs to the Special Issue Theory, Method and Application of New Energy and Intelligent Transportation)
►▼
Show Figures

Figure 1
Journal Menu
► ▼ Journal Menu-
- WEVJ Home
- Aims & Scope
- Editorial Board
- Topical Advisory Panel
- Instructions for Authors
- Special Issues
- Topics
- Sections
- Article Processing Charge
- Indexing & Archiving
- Editor’s Choice Articles
- Most Cited & Viewed
- Journal Statistics
- Journal History
- Journal Awards
- Society Collaborations
- Conferences
- Editorial Office
Journal Browser
► ▼ Journal BrowserHighly Accessed Articles
Latest Books
E-Mail Alert
News
Topics
Conferences
Special Issues
Special Issue in
WEVJ
The Contribution of Electric Vehicles to Realization of Dual Carbon Goal
Guest Editors: Yongxing Wang, Chaoru Lu, Dongfan XieDeadline: 30 November 2025
Special Issue in
WEVJ
Dynamic Modeling, Identification, and Advanced Control of Intelligent Electric Vehicles
Guest Editor: Te ChenDeadline: 30 November 2025
Special Issue in
WEVJ
Recent Advances in Autonomous Vehicles
Guest Editors: Soualmi Boussaad, Duc-Thang NguyenDeadline: 30 November 2025
Special Issue in
WEVJ
Vehicle System Dynamics and Intelligent Control for Electric Vehicles
Guest Editors: Leilei Zhao, Liguo Zang, Yuewei Yu, Jian WangDeadline: 31 December 2025






