Journal Description
Galaxies
                    Galaxies 
                    
                is an international, peer-reviewed, open access journal on astronomy, astrophysics, and cosmology published bimonthly online by MDPI.
- Open Access— free for readers, with article processing charges (APC) paid by authors or their institutions.
- High Visibility: indexed within Scopus, ESCI (Web of Science), Astrophysics Data System, INSPIRE, Inspec, and other databases.
- Journal Rank: JCR - Q2 (Astronomy and Astrophysics) / CiteScore - Q2 (Astronomy and Astrophysics)
- Rapid Publication: manuscripts are peer-reviewed and a first decision is provided to authors approximately 23.4 days after submission; acceptance to publication is undertaken in 4.8 days (median values for papers published in this journal in the first half of 2025).
- Recognition of Reviewers: reviewers who provide timely, thorough peer-review reports receive vouchers entitling them to a discount on the APC of their next publication in any MDPI journal, in appreciation of the work done.
                                            Impact Factor: 
                        3.8 (2024);
                        5-Year Impact Factor: 
                        3.1 (2024)
                                    
                
                                
            Latest Articles
        
        
                    
    
        
    
    A Century of Studies of the Object with the B[e] Phenomenon HD 50138
                        
    
                
            
                
        Galaxies 2025, 13(6), 122; https://doi.org/10.3390/galaxies13060122 - 30 Oct 2025
    
                            
    
                    
        
                    Abstract 
            
            
                        
        
        
►
             Show Figures
         
            HD 50138 is a 6.6 mag emission-line B–type star, whose nature is still controversial. It has been thought to be a pre-main-sequence Herbig Be star and an evolved object with the B[e] phenomenon, possibly a mass-transferring binary system. However, it has mostly been
             [...] Read more.
        
        
            HD 50138 is a 6.6 mag emission-line B–type star, whose nature is still controversial. It has been thought to be a pre-main-sequence Herbig Be star and an evolved object with the B[e] phenomenon, possibly a mass-transferring binary system. However, it has mostly been studied on short timescales. We collected ∼1000 medium- and high-resolution spectra and available optical photometric data, which cover a time frame from 1981 to 2025, and extended the study from emission lines to a range of absorption lines. A few episodes of dramatic emission-line strength variations were uncovered as well as fast variations of the absorption line widths on timescales of several days. We also found a few previously unreported fadings of the star’s optical brightness seemingly associated with the Hα line profile changes. At the same time, it is still unclear whether the object is a single star or a binary system, as no regular variations of its observed parameters have been detected.
            Full article
        
    Open AccessArticle
    
    EZ Lyn: A Confirmed Period-Bouncer Cataclysmic Variable Below the Period Minimum
                        
            by
                    Nadezhda L. Vaidman, Almansur T. Agishev, Serik A. Khokhlov and Aldiyar T. Agishev        
    
                
        
        Galaxies 2025, 13(6), 121; https://doi.org/10.3390/galaxies13060121 - 30 Oct 2025
    
                            
    
                    
        
                    Abstract 
            
            
                        
        
        
►▼
             Show Figures
         
            We model the short-period cataclysmic variable EZ Lyn with MESA binary evolution and infer its present-day parameters through a staged statistical search. First, we compute a coarse grid of tracks in 
        
            We model the short-period cataclysmic variable EZ Lyn with MESA binary evolution and infer its present-day parameters through a staged statistical search. First, we compute a coarse grid of tracks in 
    
Figure 1
Open AccessArticle
    
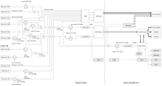
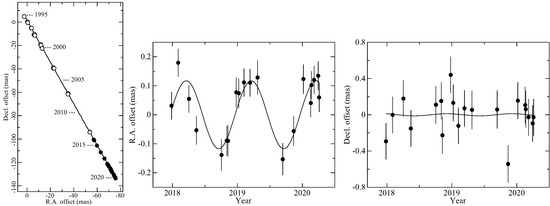
    VERA’s 20 yr Evolution in Science and Technology
                        
            by
                    Mareki Honma, Tomoya Hirota, Tomoaki Oyama and Akiharu Nakagawa        
    
                
        
        Galaxies 2025, 13(6), 120; https://doi.org/10.3390/galaxies13060120 - 27 Oct 2025
    
                            
    
                    
        
                    Abstract 
            
            
                        
    
            We review the past 20 yr evolution of VERA (VLBI Exploration of Radio Astrometry) in both science and techinology. VERA is a VLBI array in Japan which consists of four 20 m-diameter telescopes, originally dedicated to phase-referencing VLBI astrometry. Its main observing bands
             [...] Read more.
        
        
            We review the past 20 yr evolution of VERA (VLBI Exploration of Radio Astrometry) in both science and techinology. VERA is a VLBI array in Japan which consists of four 20 m-diameter telescopes, originally dedicated to phase-referencing VLBI astrometry. Its main observing bands are K (22 GHz) and Q (43 GHz) for conducting astrometry observations of H2O and SiO maser sources. In its 20 yr history, VERA has conducted astrometry observations of ∼100 maser sources, revealing the three-dimensional structure of the Milky Way Galaxy. Its long-term observations of Sgr A* resulted in the first parallax detection of the super-massive black hole at the Galaxy center. Observations of maser sources also revealed physical properties of star-forming regions and provided calibration of AGB stars’ distances and their Period–Luminosity relation. In parallel, several upgrades have been carried out in receivers as well as digital back-ends and correlator to extend the frequency bands and the data rate.
            Full article
        
    
        
        
                    (This article belongs to the  Special Issue Recent Advances in Radio Astronomy)
            
        
        
►▼
             Show Figures
         
Figure 1
Open AccessArticle
    
    Natural Constants Determined to High Precision from Boltzmann’s Constant and Avogadro’s Number—A Challengeto Experiments and Astrophysical Observations to Match the Precision of the Results
                        
            by
                    Dimitris M. Christodoulou, Demosthenes Kazanas and Silas G. T. Laycock        
    
                
        
        Galaxies 2025, 13(6), 119; https://doi.org/10.3390/galaxies13060119 - 27 Oct 2025
    
                            
    
                    
        
                    Abstract 
            
            
                        
    
            In this investigation, we explore previously unknown relations between natural constants by taking the following steps: (1) We discard Dirac’s constant ℏ from the universal man-made constants of physics, which we redefine in terms of Planck’s constant h. (2) Working in the
             [...] Read more.
        
        
            In this investigation, we explore previously unknown relations between natural constants by taking the following steps: (1) We discard Dirac’s constant ℏ from the universal man-made constants of physics, which we redefine in terms of Planck’s constant h. (2) Working in the SI system of units, we determine Newton’s gravitational constant G from Boltzmann’s constant 
    
        
        
                    (This article belongs to the Collection A Trip across the Universe: Our Present Knowledge and Future Perspectives)
            
        
        
    Open AccessArticle
    
    The Physical and Mathematical Meaning of Temperature and Its Implications for Astronomy
                        
            by
                    Robert E. Criss and Anne M. Hofmeister        
    
                
        
        Galaxies 2025, 13(6), 118; https://doi.org/10.3390/galaxies13060118 - 24 Oct 2025
    
                            
    
                    
        
                    Abstract 
            
            
                        
    
            Temperatures reported for astronomical objects are commonly extreme, and all are ascertained indirectly, using spectroscopy. However, narrow spectral peaks record microscopic behavior (transitions), whereas temperature is a macroscopic (bulk) feature of an object. Using macroscopic theories of heat, light, and their transport, we
             [...] Read more.
        
        
            Temperatures reported for astronomical objects are commonly extreme, and all are ascertained indirectly, using spectroscopy. However, narrow spectral peaks record microscopic behavior (transitions), whereas temperature is a macroscopic (bulk) feature of an object. Using macroscopic theories of heat, light, and their transport, we show that temperature is best defined in terms of the radiant flux of an object (Stefan–Boltzmann law)—including that from large gas bodies—because this flux defines which objects are hotter or colder, and because relevance to mathematical order is the essential attribute of any measurable quantity. Laboratory examples further show that spectroscopic determinations of temperature require the following: (1) use of a large spectral range relevant to that temperature; (2) observation of the unique peak shape characteristic of thermal emissions; (3) accounting for reflections at surfaces; and, most importantly, (4) that conditions are optically thick, a condition fostered by large object size and high temperatures. Temperature of monatomic gas is accurately described by classical kinetic theory because molecular translations are unaffected by electron dynamics. Inelastic molecular collisions provide continuous thermal emissions under optically thick conditions attained in immense astronomical environments. We show how thermal and non-thermal spectroscopic features can be distinguished. Our findings are applied to star-forming regions, intergalactic media, lightning, the Sun’s surface and the corona. Our results resolve long-standing problems regarding heat sources.
            Full article
        
    
        
        
                    (This article belongs to the  Special Issue Alternative Interpretations of Observed Galactic Behaviors)
            
        
        
►▼
             Show Figures
         
Figure 1
Open AccessReview
    
    Dwarf Galaxies in Focus: A Survey of Observational and Theoretical Studies
                        
            by
                    Komiljon Tillaboev, Ikram Tadjibaev, Kamolidin Mamadaliyev, Dildor Otajonova, Malokhat Atajonova and Bagzodbek Abdullayev        
    
                
        
        Galaxies 2025, 13(5), 117; https://doi.org/10.3390/galaxies13050117 - 21 Oct 2025
    
                            
    
                    
        
                    Abstract 
            
            
                        
        
        
►▼
             Show Figures
         
            This paper presents provides a comprehensive survey of dwarf galaxies, which represent the most numerous and diverse systems in the Universe. We discuss their definitions and morphological classifications, emphasizing the unique properties that distinguish them from globular clusters and giant galaxies. Special attention
             [...] Read more.
        
        
            This paper presents provides a comprehensive survey of dwarf galaxies, which represent the most numerous and diverse systems in the Universe. We discuss their definitions and morphological classifications, emphasizing the unique properties that distinguish them from globular clusters and giant galaxies. Special attention is given to their formation and evolutionary processes in the framework of hierarchical structure formation and ΛCDM cosmology, including the role of environmental mechanisms and stellar feedback. Star formation histories are explored based on observations and simulations, highlighting both bursty and extended activity across different dwarf types. We further examine the crucial role of dark matter in shaping the dynamics and structure of dwarf galaxies, as well as the core–cusp and missing satellites problems. Finally, we summarize insights from numerical simulations and theoretical models, which provide a bridge between observations and cosmological predictions. This synthesis demonstrates that dwarf galaxies remain essential laboratories for testing galaxy formation theories and probing the nature of dark matter.
            Full article
        
    
Figure 1
Open AccessArticle
    
    Stark Broadening of O I Spectral Lines
                        
            by
                    Milan S. Dimitrijević and Sylvie Sahal-Bréchot        
    
                
        
        Galaxies 2025, 13(5), 116; https://doi.org/10.3390/galaxies13050116 - 15 Oct 2025
    
                            
    
                    
        
                    Abstract 
            
            
                        
    
            We do not know a priori chemical composition of a star. However, with more high resolution spectra becoming more abundant thanks to the development of space-born observations, atomic data including Stark broadening parameters for various spectral lines for elements in various ionisation stages
             [...] Read more.
        
        
            We do not know a priori chemical composition of a star. However, with more high resolution spectra becoming more abundant thanks to the development of space-born observations, atomic data including Stark broadening parameters for various spectral lines for elements in various ionisation stages are becoming more feasible. Particularly are important spectral lines of C-N-O peak in the distribution of abundances of chemical elements. For the calculation of Stark broadening parameters, spectral line full widths at half intensity maximum (FWHM) and shifts, we used semiclassical perturbation method. As the result, Stark widths and shifts for 36 spectral lines of neutral oxygen, broadened by the collisions with electrons, protons and helium ions, have been obtained and compared with other theoretical calculations. These data are of interest for a number of problems in astrophysics, plasma physics, as well as for inertial fusion and various plasmas in technology.
            Full article
        
    
        
        
                    (This article belongs to the  Special Issue Stellar Spectroscopy, Molecular Astronomy and Atomic Astronomy)
            
        
        
    Open AccessArticle
    
    Evolution of Size, Mass, and Density of Galaxies Since Cosmic Dawn
                        
            by
                    Rajendra P. Gupta        
    
                
        
        Galaxies 2025, 13(5), 115; https://doi.org/10.3390/galaxies13050115 - 10 Oct 2025
    
                            
    
                    
        
                    Abstract 
            
            
                        
        
        
►▼
             Show Figures
         
            The formation and evolution of galaxies and other astrophysical objects have become of great interest, especially since the launch of the James Webb Space Telescope in 2021. The mass, size, and density of objects in the early universe appear to be drastically different
             [...] Read more.
        
        
            The formation and evolution of galaxies and other astrophysical objects have become of great interest, especially since the launch of the James Webb Space Telescope in 2021. The mass, size, and density of objects in the early universe appear to be drastically different from those predicted by the standard cosmology—the 
    
Figure 1
Open AccessSystematic Review
    
    A Systematic Literature Review of Machine Learning Techniques for Observational Constraints in Cosmology
                        
            by
                    Luis Rojas, Sebastián Espinoza, Esteban González, Carlos Maldonado and Fei Luo        
    
                
        
        Galaxies 2025, 13(5), 114; https://doi.org/10.3390/galaxies13050114 - 9 Oct 2025
    
                            
    
                    
        
                    Abstract 
            
            
                        
        
        
►▼
             Show Figures
         
            This paper presents a systematic literature review focusing on the application of machine learning techniques for deriving observational constraints in cosmology. The goal is to evaluate and synthesize existing research to identify effective methodologies, highlight gaps, and propose future research directions. Our review
             [...] Read more.
        
        
            This paper presents a systematic literature review focusing on the application of machine learning techniques for deriving observational constraints in cosmology. The goal is to evaluate and synthesize existing research to identify effective methodologies, highlight gaps, and propose future research directions. Our review identifies several key findings: (1) Various machine learning techniques, including Bayesian neural networks, Gaussian processes, and deep learning models, have been applied to cosmological data analysis, improving parameter estimation and handling large datasets. However, models achieving significant computational speedups often exhibit worse confidence regions compared to traditional methods, emphasizing the need for future research to enhance both efficiency and measurement precision. (2) Traditional cosmological methods, such as those using Type Ia Supernovae, baryon acoustic oscillations, and cosmic microwave background data, remain fundamental, but most studies focus narrowly on specific datasets. We recommend broader dataset usage to fully validate alternative cosmological models. (3) The reviewed studies mainly address the 
    
Figure 1
Open AccessCommunication
    
    Nucleosynthesis of Cobalt and Copper
                        
            by
                    Beatriz Barbuy, Amâncio C. S. Friaça and Heitor Ernandes        
    
                
        
        Galaxies 2025, 13(5), 113; https://doi.org/10.3390/galaxies13050113 - 22 Sep 2025
    
                            
    
                    
        
                    Abstract 
            
            
                        
    
            Chemical abundances of cobalt (Co; Z = 27) and copper (Cu; Z = 29) in bulge and halo stars are presented and compared with chemical evolution models. The aim is to distinguish if Co and Cu are dominantly produced by neutron-capture or the
             [...] Read more.
        
        
            Chemical abundances of cobalt (Co; Z = 27) and copper (Cu; Z = 29) in bulge and halo stars are presented and compared with chemical evolution models. The aim is to distinguish if Co and Cu are dominantly produced by neutron-capture or the alpha-rich freeze-out processes. Neutron-capture can be identified by a secondary behaviour in the [X/Fe] vs. [Fe/H] plot, and alpha-rich freeze-out would give rather a primary behaviour.
            Full article
        
    
        
        
                    (This article belongs to the  Special Issue Neutron Capture Processes in the Universe)
            
        
        
►▼
             Show Figures
         
Figure 1
Open AccessReview
    
    GW170817: A Short Review of the First Multimessenger Event in Gravitational Astronomy
                        
            by
                    Rosa Poggiani        
    
                
        
        Galaxies 2025, 13(5), 112; https://doi.org/10.3390/galaxies13050112 - 19 Sep 2025
    
                            
    
                    
        
                    Abstract 
            
            
                        
    
            The first detection of gravitational waves from the binary black merger GW150914 started the era of gravitational astronomy. The observation of the binary neutron star merger GW170817 and of its associated electromagnetic counterpart GRB 170817A started multi-messenger gravitational astronomy. This short review discusses
             [...] Read more.
        
        
            The first detection of gravitational waves from the binary black merger GW150914 started the era of gravitational astronomy. The observation of the binary neutron star merger GW170817 and of its associated electromagnetic counterpart GRB 170817A started multi-messenger gravitational astronomy. This short review discusses the discovery of GW170817 and the follow-up of the electromagnetic counterpart, together with the broad range of results in astrophysics and fundamental physics, including the Gamma-Ray Burst field. The GW170817/GRB 170817A observation showed that binary neutron star mergers can explain at least a fraction of short Gamma-Ray Bursts. The optical and infrared evolution of the associated AT 2017gfo transient showed that binary neutron star mergers are sites of r-process nucleo-synthesis. The combination of gravitational and electromagnetic observations has been used to estimate the Hubble parameter, the speed of gravitational waves, and the equation of state of nuclear matter. The increasing sensitivity of interferometric detectors and the forthcoming operation of third generation detectors will lead to an improved statistics of binary neutron star mergers.
            Full article
        
    
        
        
                    (This article belongs to the  Special Issue Gamma-Ray Bursts in Multiwavelength: Theory, Observational Correlations and GRB Cosmology)
            
        
        
►▼
             Show Figures
         
Figure 1
Open AccessReview
    
    Timing Analysis of Black Hole X-Ray Binaries with Insight-HXMT
                        
            by
                    Haifan Zhu and Wei Wang        
    
                
        
        Galaxies 2025, 13(5), 111; https://doi.org/10.3390/galaxies13050111 - 19 Sep 2025
    
                            
    
                    
        
                    Abstract 
            
            
                        
        
        
►▼
             Show Figures
         
            The Hard X-ray Modulation Telescope (HXMT), China’s first X-ray astronomy satellite, has significantly contributed to the study of fast variability in black hole X-ray binaries through its broad energy coverage (1–250 keV), high timing resolution, and sensitivity to hard X-rays. This review presents
             [...] Read more.
        
        
            The Hard X-ray Modulation Telescope (HXMT), China’s first X-ray astronomy satellite, has significantly contributed to the study of fast variability in black hole X-ray binaries through its broad energy coverage (1–250 keV), high timing resolution, and sensitivity to hard X-rays. This review presents a comprehensive overview of timing analysis techniques applied to black hole X-ray binaries using Insight-HXMT data. We introduce the application and comparative strengths of several time-frequency analysis methods, including traditional Fourier analysis, wavelet transform, bicoherence analysis, and Hilbert-Huang transform. These methods offer complementary insights into the non-stationary and nonlinear variability patterns observed in black hole X-ray binaries, particularly during spectral state transitions and quasi-periodic oscillations. We discuss how each technique has been employed in recent Insight-HXMT studies to characterize timing features such as low-frequency QPOs, phase lags, and power spectrum evolution across different energy bands. Moreover, we present novel phenomena revealed by Insight-HXMT observations, including the detection of high-energy QPOs, spectral parameter modulation with QPO phase, and a new classification scheme for QPO types. The integration of multiple analysis methods enables a more nuanced understanding of the accretion dynamics and the geometry of the inner accretion flow, shedding light on fundamental physical processes in relativistic environments.
            Full article
        
    
Figure 1
Open AccessArticle
    
    Comparative Photometry of the Quiet Quasar PDS 456 and the Radio-Loud Blazar 3C 273
                        
            by
                    Alberto Silva Betzler, Ingrid dos Santos Delfino, Agábio Brasil dos Santos, Roberto Mendes Dias and Orahcio Felicio de Sousa        
    
                
        
        Galaxies 2025, 13(5), 110; https://doi.org/10.3390/galaxies13050110 - 15 Sep 2025
    
                            
    
                    
        
                    Abstract 
            
            
                        
        
        
►▼
             Show Figures
         
            A comparative analysis of the photometric variability of the blazar 3C 273 and the quasar PDS 456 using multi-band data from ground- and space-based platforms (2015–2025) reveals contrasting behaviors. For 3C 273, a statistically significant secular dimming was detected in the ATLASc
             [...] Read more.
        
        
            A comparative analysis of the photometric variability of the blazar 3C 273 and the quasar PDS 456 using multi-band data from ground- and space-based platforms (2015–2025) reveals contrasting behaviors. For 3C 273, a statistically significant secular dimming was detected in the ATLASc-band light curve 
    
Figure 1
Open AccessReview
    
    Optical and X-Ray Variability of Gamma Cas Analogs
                        
            by
                    Alexander Kholtygin        
    
                
        
        Galaxies 2025, 13(5), 109; https://doi.org/10.3390/galaxies13050109 - 15 Sep 2025
    
                            
    
                    
        
                    Abstract 
            
            
            
                        
    
        
        
                    (This article belongs to the  Special Issue Circumstellar Matter in Hot Star Systems)
            
        
        
►▼
             Show Figures
         
Figure 1
Open AccessArticle
    
    Testing CCC+TL Cosmology with Galaxy Rotation Curves
                        
            by
                    Rajendra P. Gupta        
    
                
        
        Galaxies 2025, 13(5), 108; https://doi.org/10.3390/galaxies13050108 - 12 Sep 2025
    
                Cited by 1            
    
                    
        
                    Abstract 
            
            
                        
    
            This paper aims to explore whether astrophysical observations, primarily galaxy rotation curves, result from covarying coupling constants (CCC) rather than from dark matter. We have shown in earlier papers that cosmological observations, such as supernovae type 1a (Pantheon+), the small size of galaxies
             [...] Read more.
        
        
            This paper aims to explore whether astrophysical observations, primarily galaxy rotation curves, result from covarying coupling constants (CCC) rather than from dark matter. We have shown in earlier papers that cosmological observations, such as supernovae type 1a (Pantheon+), the small size of galaxies at cosmic dawn, baryon acoustic oscillations (BAO), the sound horizon in the cosmic microwave background (CMB), and time dilation effect, can be easily accounted for without requiring dark energy and dark matter when coupling constants are permitted to evolve in an expanding Universe, as predicted by Dirac, and the redshift is considered jointly due to the Universe’s expansion and Zwicky’s tired light (TL) effect. Here, we show that the CCC parameter α is responsible for generating the illusion of dark matter and dark energy, which we call α-matter and α-energy, and is influenced by the baryonic matter density distribution. While cosmologically α is a constant determined for the homogenous and isotropic Universe, e.g., by fitting Pantheon+ data, it can vary locally due to the extreme anisotropy of the matter distribution. Thus, in high baryonic density regions, one expects α-matter and α-energy densities to be relatively low and vice versa. We present its application to a few galaxy rotation curves from the SPARC database and find the results promising.
            Full article
        
    
        
        
                    (This article belongs to the  Special Issue Alternative Interpretations of Observed Galactic Behaviors)
            
        
        
►▼
             Show Figures
         
Figure 1
Open AccessArticle
    
    The Murchison Widefield Array Enters Adolescence: A Personal Review of the Early Years of Operations
                        
            by
                    Steven J. Tingay        
    
                
        
        Galaxies 2025, 13(5), 107; https://doi.org/10.3390/galaxies13050107 - 11 Sep 2025
    
                            
    
                    
        
                    Abstract 
            
            
                        
    
            The Murchison Widefield Array (MWA) is a low frequency radio interferometer designed and developed by an international consortium, operated on behalf of the consortium by Curtin University. The MWA is a Precursor for the low frequency Square Kilometre Array (SKA) and is located
             [...] Read more.
        
        
            The Murchison Widefield Array (MWA) is a low frequency radio interferometer designed and developed by an international consortium, operated on behalf of the consortium by Curtin University. The MWA is a Precursor for the low frequency Square Kilometre Array (SKA) and is located at the SKA site in Western Australia, Inyarrimanha Ilgari Bundara, the CSIRO Murchison Radio-astronomy Observatory. Commencing science operations in 2013 after an extended development period, the MWA has performed observations over a wide set of science objectives, has been upgraded multiple times, and has played a fundamental role in the development of the low frequency SKA. As MWA Program Manager from 2008 to 2011, as Director from 2011 until 2015, and then again from 2021 to the present, I describe some personal reflections on the MWA’s activities and successes in these different dimensions, as well as my view of some of the approaches that have enabled these successes. I offer some of the lessons I’ve perceived over the last 17+ years in the project.
            Full article
        
    
        
        
                    (This article belongs to the  Special Issue Recent Advances in Radio Astronomy)
            
        
        
    Open AccessArticle
    
    Dynamics of Compact Stellar Solutions Admitting Anisotropic Fluid: A Comparative Analysis of GR and Non-Conserved Rastall Gravity
                        
            by
                    Tayyab Naseer, Muhammad Sharif, Fatima Chand, Baiju Dayanandan and Ali Elrashidi        
    
                
        
        Galaxies 2025, 13(5), 106; https://doi.org/10.3390/galaxies13050106 - 9 Sep 2025
    
                            
    
                    
        
                    Abstract 
            
            
                        
        
        
►▼
             Show Figures
         
            This study proposes a couple of analytical solutions that characterize the anisotropic dense celestial bodies within the Rastall-Rainbow theoretical framework. The analysis assumes a static spherically symmetric matter distribution and derives the corresponding modified field equations. By utilizing well-established radial metric functions and
             [...] Read more.
        
        
            This study proposes a couple of analytical solutions that characterize the anisotropic dense celestial bodies within the Rastall-Rainbow theoretical framework. The analysis assumes a static spherically symmetric matter distribution and derives the corresponding modified field equations. By utilizing well-established radial metric functions and merging them with the two principal pressures, we obtain differential equations related to the time component. Subsequently, we perform the integration of these equations to determine the remaining geometric quantity that encompasses various integration constants. The proposed interior solutions are then matched with the Schwarzschild exterior metric at the boundary of the compact object, facilitating the determination of the constants. Additionally, the incorporation of the non-minimal coupling parameter into these constants is accomplished by enforcing the null radial pressure at the boundary. Afterwards, we rigorously examine the physical characteristics and critical stability conditions of the formulated models under observational data from two pulsars, say 4U 1820-30 and LMC X-4. It is concluded that our models are well-aligned with essential criteria required to ensure the physical viability of stellar structures, subject to specific parametric values.
            Full article
        
    
Figure 1
Open AccessArticle
    
    Photometric Monitoring of the First Eclipsing Binary Be Star: V658 Car
                        
            by
                    Tajan H. de Amorim, Alex C. Carciofi, Alexandre Zanardo, Carlos Colesanti, Cristóvão Jacques, Denis Kulh, João Antonio Mattei, Marcelo Domingues, Marco Rocca, Sérgio Silva, Tasso Napoleão and Jonathan Labadie-Bartz        
    
                
        
        Galaxies 2025, 13(5), 105; https://doi.org/10.3390/galaxies13050105 - 8 Sep 2025
    
                            
    
                    
        
                    Abstract 
            
            
                        
    
            V658 Car is the first known eclipsing binary system involving a classical Be star and an sdOB companion, offering a unique opportunity to study disk physics and binary interactions in unprecedented detail. From TESS data and multi-color observations from the comissão para a
             [...] Read more.
        
        
            V658 Car is the first known eclipsing binary system involving a classical Be star and an sdOB companion, offering a unique opportunity to study disk physics and binary interactions in unprecedented detail. From TESS data and multi-color observations from the comissão para a colaboração entre profissionais e amadores collaboration, we analyze the system’s color–magnitude diagram and compare it with radiative transfer models that include the Be star, its circumstellar disk, and the sdOB companion. While the stellar eclipses are well reproduced, two features observed in the multi-color photometry challenge the current modeling paradigm: the discrepancy between the observed reddening and the modeled blueing during the first attenuation phase and the complete lack of modeled attenuation around the second stellar eclipse. These issues highlight the need for more sophisticated modeling approaches to capture the complex interplay between disk opacity and binary dynamics.
            Full article
        
    
        
        
                    (This article belongs to the  Special Issue Circumstellar Matter in Hot Star Systems)
            
        
        
►▼
             Show Figures
         
Figure 1
Open AccessArticle
    
    One-Dimensional Analytical Solutions of the Transport Equations for Incompressible Magnetohydrodynamic (MHD) Turbulence
                        
            by
                    Bingbing Wang, Gary P. Zank, Laxman Adhikari and Swati Sharma        
    
                
        
        Galaxies 2025, 13(5), 104; https://doi.org/10.3390/galaxies13050104 - 3 Sep 2025
    
                            
    
                    
        
                    Abstract 
            
            
                        
        
        
►▼
             Show Figures
         
            We derive one-dimensional (1D) analytical solutions for the transport equations of incompressible magnetohydrodynamic (MHD) turbulence, including the Elsässer energies and the correlation lengths. The solutions are suitable for an arbitrary given background convection speed and Alfvén speed profiles but require near equipartition of
             [...] Read more.
        
        
            We derive one-dimensional (1D) analytical solutions for the transport equations of incompressible magnetohydrodynamic (MHD) turbulence, including the Elsässer energies and the correlation lengths. The solutions are suitable for an arbitrary given background convection speed and Alfvén speed profiles but require near equipartition of turbulent kinetic energy and magnetic field energy. These analytical solutions provide a simple tool to investigate the evolution of turbulence and resulting energetic particle diffusion coefficients in various space and astrophysical environments that possess simple geometry.
            Full article
        
    
Figure 1
Open AccessReview
    
    A Review of Lunar Environment and In-Situ Resource Utilization for Achieving Long-Term Lunar Habitation
                        
            by
                    Chang Wang, Guoqing Zhang, Yaohui Wang and Lei Song        
    
                
        
        Galaxies 2025, 13(5), 103; https://doi.org/10.3390/galaxies13050103 - 3 Sep 2025
    
                            
    
                    
        
                    Abstract 
            
            
                        
        
        
►▼
             Show Figures
         
            The Moon’s unique environment, strategic position, and resource abundance make it a key target for deep space exploration. As lunar missions evolve from research to long-term habitation, leveraging local resources is essential to reduce dependence on Earth-based supply chains. Despite significant studies on
             [...] Read more.
        
        
            The Moon’s unique environment, strategic position, and resource abundance make it a key target for deep space exploration. As lunar missions evolve from research to long-term habitation, leveraging local resources is essential to reduce dependence on Earth-based supply chains. Despite significant studies on the lunar environment and in-situ resource utilization (ISRU), a unified framework that integrates these findings remains lacking. This article addresses this gap by systematically reviewing and synthesizing current research to support sustainable lunar development. It first explores the use of extreme lunar environmental factors such as thermal gradients, weak magnetic fields, subsurface cavities, and geographic advantages. It then examines lunar water and mineral resource development, highlighting methods for detection, extraction, purification, and storage, alongside strategies for utilizing various minerals. The article further reviews recent progress in in-situ manufacturing, construction technologies, energy regeneration, and closed-loop life-support systems vital for lunar base establishment. These advances are crucial for creating sustainable infrastructure and maintaining life on the Moon. Finally, the paper outlines the challenges and limitations associated with ISRU and offers perspectives on future directions, aiming to inform the design of next-generation lunar missions and facilitate permanent human presence on the Moon.
            Full article
        
    
Figure 1
 
            
            
            Journal Menu
► ▼ Journal Menu- 
                        - Galaxies Home
- Aims & Scope
- Editorial Board
- Reviewer Board
- Topical Advisory Panel
- Instructions for Authors
- Special Issues
- Topics
- Topical Collections
- Article Processing Charge
- Indexing & Archiving
- Editor’s Choice Articles
- Most Cited & Viewed
- Journal Statistics
- Journal History
- Journal Awards
- Conferences
- Editorial Office
 
Journal Browser
► ▼ Journal BrowserHighly Accessed Articles
Latest Books
E-Mail Alert
News
Topics
            Topic in 
            Symmetry, Galaxies, Universe, Particles, Astronomy
        Dark Matter, Dark Energy and Cosmological Anisotropy
    Topic Editors: Kazuharu Bamba, Panayiotis Stavrinos, Ivan De MartinoDeadline: 31 December 2026
 
                    Conferences
Special Issues
                            Special Issue in 
                    Galaxies
        Alternative Interpretations of Observed Galactic Behaviors
    Guest Editors: Anne M. Hofmeister, Robert E. CrissDeadline: 15 November 2025
                            Special Issue in 
                    Galaxies
        Origins and Models of Planetary Nebulae, 2nd Edition
    Guest Editors: Andreas Ritter, Xuan FangDeadline: 15 November 2025
                            Special Issue in 
                    Galaxies
        Challenges for Third-Generation Gravitational Wave Detectors and Beyond
    Guest Editors: Annalisa Allocca, Lucia Trozzo, Valeria SequinoDeadline: 15 December 2025
                            Special Issue in 
                    Galaxies
        Physics of Black Hole Spins
    Guest Editors: George Wong, Alejandro Cárdenas-Avendaño, Delilah Gates, Javier GarciaDeadline: 31 December 2025
Topical Collections
                            Topical Collection in 
                    Galaxies
        A Trip across the Universe: Our Present Knowledge and Future Perspectives
    Collection Editor: Emilio Elizalde





