Abstract
This paper proposes a non-smooth controller optimization method and shows the results of ongoing research on the implementation of this method for gravitational-wave applications. Typical performance requirements concerning these type of suspensions are defined in terms of both - and -type constraints. A non-smooth optimization approach is investigated, which allows the use of non-convex cost functions that are often a result of mixed optimization problems. Besides the controller, the distribution of the actuation is integrated with the optimization to investigate the feasibility of simultaneous controller and actuator optimization. The results demonstrate that the proposed non-smooth optimization method is able to find suitable solutions for the control and actuator distribution that satisfy all required performance and design constraints.
1. Introduction
Observations of gravitational waves made by the LIGO–Virgo–KAGRA collaboration [1,2,3,4,5,6,7] are the result of decades of innovation of the ground-based detectors LIGO [8], Virgo [9], and KAGRA [10]. All of these detectors employ laser-interferometry to detect gravitational waves that pass through the earth. The mirrors, or test masses, that reflect the laser at the ends of the interferometer arms are isolated from vibration by means of extensive suspension systems that include both active and passive vibration isolation strategies [11,12]. Although current and future detectors have adapted different vibration isolation techniques, each observatory’s vibration isolation involves a ‘payload’ suspension that refers to the final stages of the vibration isolation. Actuation on the payload is the primary method for compensating residual disturbances and ‘locking’ the interferometer. The global feedback controllers, required to lock the optical resonators, are usually designed via classical loop-shaping methods [13]. While these methods are effective, they tend to be challenging for less experienced control designers, and it is time-consuming to develop many such controllers during the design phase of the suspension system and payload.
More modern approaches for the design of control systems are automated controller optimization strategies, where and synthesis are among the most commonly employed methods [14], and they have already been applied for gravitational-wave applications [15,16,17]. Typically, the computation of a suitable control algorithm that meets the control-system requirements is performed by a computer program, and the responsibility of the control-system designer is shifted to translating the design requirements into a relevant optimization problem. When requirements or models of noise sources change, the benefit of optimal controller design is that the optimizer automatically computes a new controller that complies with the changes in the system. Compared with classical controller-design methods, this optimal approach can simplify and accelerate the design of suitable control algorithms. Moreover, optimization methods allow quick performance evaluations for a wide range of suspension configurations during the conceptual design phase, enabling more holistic controls and mechanics design processes. As such, optimal control methods are especially interesting for third-generation gravitational-wave detectors such as the Einstein Telescope (ET) and Cosmic Explorer (CE) that are still in the development phase [18,19]. Specifically, the sensitivity design curve and requirements for the low-frequency optimized interferometer of the Einstein Telescope, ET-LF, are considered in this study. Requirements and the complexity of the payload for the new-generation observatories are still evolving. Once more details or changes in requirements become available, the optimization problem should be changed accordingly. The proposed optimizer then allows us to quickly compute a new solution in the form of a controller to meet the requirements of the suspension.
This paper investigates optimal controller synthesis for a problem that is constrained by both and system norms. The cost function of such a mixed optimization is non-convex and cannot be solved by utilizing conventional Riccati-based solvers. Therefore, a non-smooth optimization algorithm [20,21] is utilized, which finds optimal solutions via a gradient descent algorithm. This approach was successfully applied to similar applications within the precision engineering field [22]. A simplified model of the suspension is considered to illustrate how this optimization approach fits the actuation requirements typical for a payload suspension in gravitational-wave detectors [23]. Moreover, the optimization of the distribution of the actuator forces is considered, opening the possibility to simultaneously design both the controller and the mechatronic design in a single optimization.
2. Modeling
In order to demonstrate non-smooth optimization methods, the dynamics of the payload suspension can be represented with sufficient accuracy by a multi-pendulum system. In this study, we consider a three-stage, three degree-of-freedom (DoF) pendulum that is actuated at the mirror and both upper stages. A schematic model of the plant is shown in Figure 1. The mass of each stage is denoted as , indicating the platform, marionette and mirror, respectively. The length of each pendulum is Here, , and , derived from [24].
The residual seismic disturbance at the base of the payload suspension is denoted by the signal . The state vector of the suspension is given by the angles of the pendulums as . Although the pendulum angles are used to express the equations of motion that describe the dynamics of the suspension, the measured coordinate that we are actually interested in is the displacement of the mirror. When the equations of motion are converted into state-space representation, the C-matrix converts angles into displacement such that the output of the model is . The aim of the suspension system is to minimize the coupling of to the motion of the mirror. The general form of the linearized dynamics of the payload suspension is given by the following equation, assuming the small angle approximation:
where
3. Problem Formulation
The motion of the mirror is interferometrically sensed by the observatory’s primary laser through the ‘global’ interferometer sensing and control system. The main objective for the global interferometer control system is to ‘lock’ the interferometer by keeping it within its small linear operating range. This is necessary to achieve the extreme sensitivities that enable the detection of gravitational waves. A driving requirement of this control system is to limit the differential motion of the optical resonators within the detector arms. This motion must be reduced to less than a picometer [11]. We assume a root mean square (RMS) value of m in this work. The dominant contribution to this differential motion is the residual seismic motion leaking through the active and passive isolation stages at low frequencies, typically between 0.02 Hz and 0.2 Hz.
Control of this motion is distributed over the final stages of the mirrors’ suspension. This necessarily requires actuators that introduce (Digital to Analog Converter) DAC noise to the system, since the control system is implemented digitally. Since the sensitivity of a gravitational-wave detector is often expressed as a combination of the open-loop equivalent contributions from several sources, the contribution of the open-loop equivalent DAC noise may not exceed the observatory’s design sensitivity curve at any point over the entire sensitive frequency range. Tables of all the signals and dynamic systems that will appear in the following paragraphs are given in Appendix A.1.
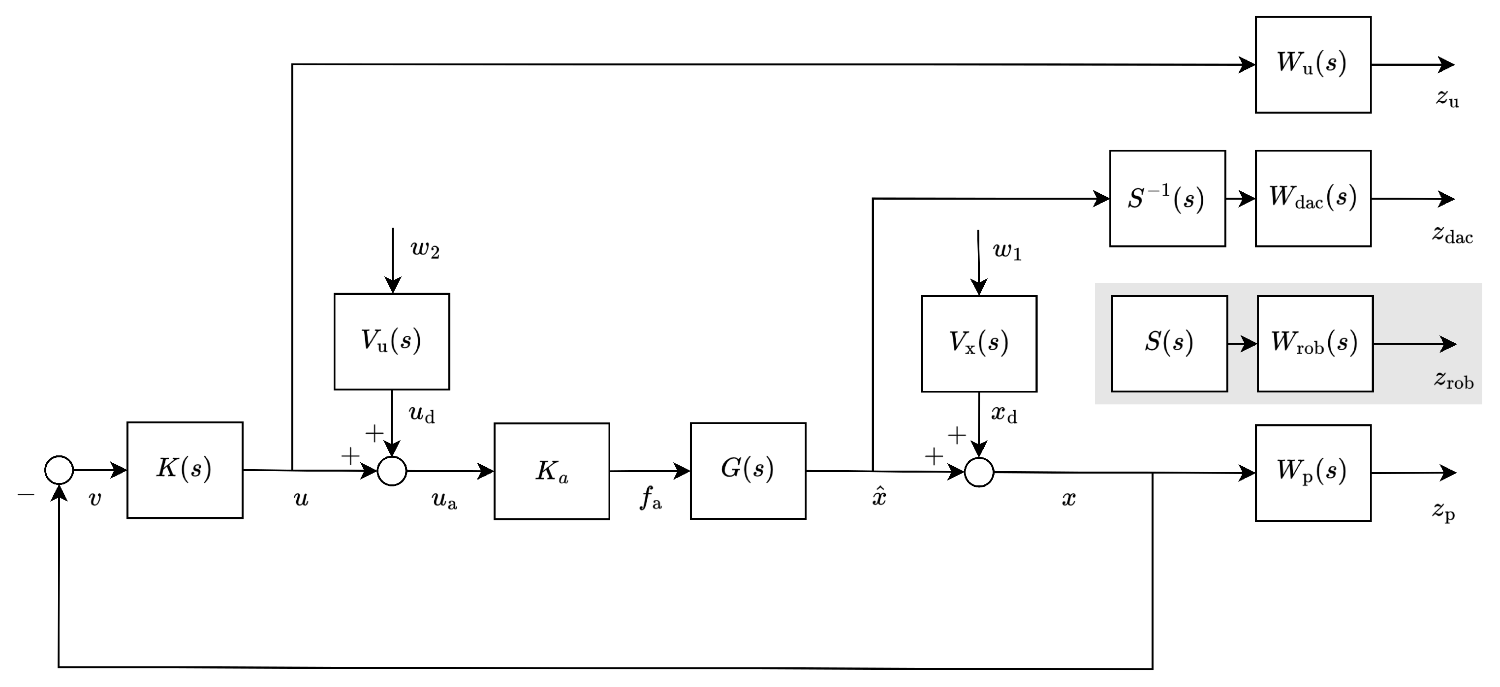
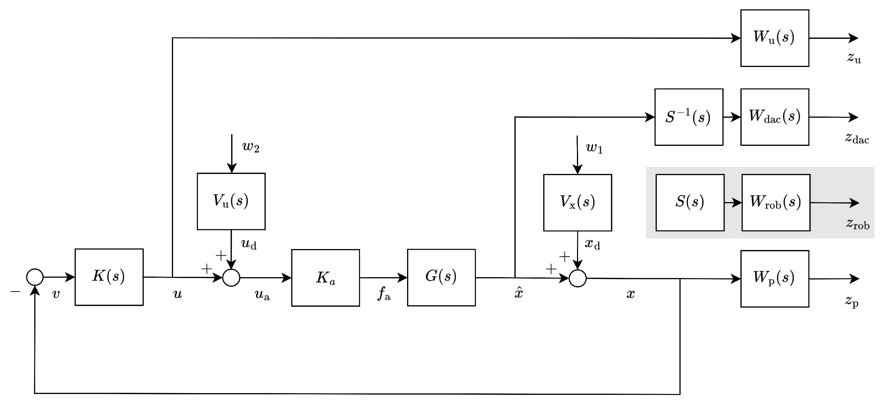
The main performance objective of the control system is to find a controller and actuator distribution that limits the closed-loop RMS of the mirror’s residual motion. This is a typical -control problem, since an -optimal controller effectively minimizes the variance of selected closed-loop control signals. The requirement on the DAC noise is a hard limit. The open-loop equivalent spectra must not exceed the detector’s sensitivity curve. This can be captured by an -norm on the open-loop equivalent DAC noise spectrum. Moreover, desired robustness margins typically manifest as additional -constraints. Figure 2 shows a block diagram of the payload suspension control system.
Figure 2.
Block diagram of the payload suspension control system, with the payload dynamics G. -performances, and , and -performances, and are shown. Blocks denoted by K are tuned by the optimizer. The blocks denoted V or W are (white) input, or output weighting filters, respectively. Blocks denoted by S are the loop’s sensitivity function.
The transfer function is a model of the suspension that maps actuator forces to the mirror motion. The dynamics of the actuators are represented by a constant matrix [N/V] such that the actuators can be simultaneously optimized together with the controller to reduce the coupling of DAC noise into the system. Choosing a flat gain to represent the actuator dynamics simplifies the optimization problem, since we are neglecting high-frequency dynamics that are not interesting for this problem. The gain represents the size of the actuator, such that the optimizer can return an optimal distribution of the actuation over the three stages of the suspension. The total transfer from input voltage to displacement of the mirror is then given by . The signal x denotes the total mirror motion, including the residual seismic disturbance, that is present at the mirror. Channels for both relevant and constraints are also included in the block diagram.
An additional -constraint on the control signal u is introduced to prevent the RMS of this signal from exceeding the DAC range. The RMS requirement is captured by the weight , which is a constant gain. The hard limit on the open-loop-equivalent DAC noise is dictated by the filter , which modeled as the approximate inverse of the sensitivity curve of the detector [25].
Notice that the inverse of the sensitivity function is introduced to emphasize that the DAC noise-optimization channel is related to an open-loop requirement. An -optimal controller often results in a closed-loop system with very small stability margins, which is often undesirable for any control system. A robustness margin can be defined as the distance between the critical point and the loop gain in the Nyquist plot. This robustness margin is guaranteed by introducing an additional -constraint that is applied to the sensitivity function to maintain a desired distance between the loop gain and the critical point on the Nyquist plot. The sensitivity is the closed-loop transfer function that maps the seismic disturbance to the mirror motion x and is defined as
Peaking of this sensitivity function is constrained with an bound, since the robustness margin of the system is inversely proportional to the norm.
4. Optimization
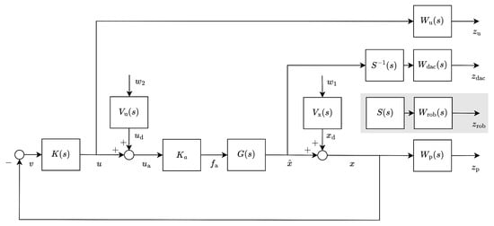
Consider the generalized plant formulation of Figure 3. The generalized plant is the open-loop mapping from disturbances , controller command , and actuator output to the performance outputs , controller input , and actuator input . The plant includes the noise models and weighting filters. The controller and actuator dynamics are taken out of the loop because both are to be optimized by the algorithm. Since the disturbances do not have a unitary white power spectrum, we need to include noise models that color white noise to the realistic disturbance spectra [26]. The matrix is a matrix with linear time-invariant noise-coloring models on the diagonal. The individual entries color white noise such that the colored noise represents the actual disturbance and . The entries of thus consist of the DAC noise model, , and the seismic disturbance model, . The model is derived from known seismic disturbance spectra [27] and includes the suspension dynamics, such that the seismic disturbance can be modeled as an additive noise source at the output of the plant. The matrix is a diagonal matrix with designer-specified and potentially frequency-dependent weighting filters on the diagonal and combines the performance and robustness constraints.
Figure 3.
Generalized plant formulation of the control problem, rearranged from Figure 2. White input weights V, performance output weights W and ‘controllers’ to be optimized K and have been explicitly separated. contains the rest of the blocks and forms the generalized plant with V and W.
The closed-loop system, consisting of the plant, actuators and controller is denoted by the transfer function , equivalent to the closed-loop system that maps . The optimization problem is then defined by the following statement
where the actuator gains can be tuned by the optimizer, bounded by lower limit and upper limit . The first constraint is a limit on the open-loop equivalent spectrum of the DAC noise. The second constraint determines the robustness, and the last -constraint ensures that each of the actuator outputs remain with the DAC range. Typically, the cost function that is associated with such a mixed -optimization problem is no longer convex. Although there exist methods to convexify this optimization problem [28], these can lead to conservative controller design; hence, a non-smooth optimization algorithm [20,21] is utilized to solve for a controller as well as the optimal actuator distribution . This optimization algorithm is implemented in Matlab’s systune() function of the Control System Toolbox. The optimizer is initialized at 100 random initialization points within the optimization space. The maximum number of iterations per initialization is set to 300. The optimizer is terminated when the closed-loop RMS mirror motion decreases less than m within 10 iterations.
5. Results
The results of a controller optimization for the suspension model that is described in Section 2 are expressed in the open-loop DAC noise equivalence requirement and the suppression of the seismic disturbance. Figure 4 shows the cumulative RMS of the open and closed-loop mirror motion. The cumulative RMS value is computed by integrating the spectra from high to low frequencies, such that the left most point approximately corresponds to the true RMS. The approximate model is included. This simplified model is matched in RMS with the actual disturbance seen by the main observatory laser, x. The RMS value of the closed-loop seismic disturbance at the mirror is reduced to a value of m, such that the seismic disturbance suppression requirement is satisfied.
Figure 4.
Closed-loop seismic disturbance, green, compared with its open-loop equivalent, orange. The simplified model is used in the optimizer, but performance is computed using the detailed open-loop disturbance. The RMS residual seismic motion at the mirror is m in closed-loop.
Figure 5 shows the open-loop equivalent DAC noise and the inverse of the weighting filter, . The requirement includes a safety factor of 6 to keep the open-loop DAC noise well below the ET-LF sensitivity design curve. It can be seen that the open-loop DAC noise is tuned such that it touches the inverse of the weighting filter at around 2–5 Hz, with , which is something that one can typically expect from an -optimal controller since the objective according to Equation (7) is to minimize the channel, as long as the limits allow this.
Figure 5.
Open-loop equivalent DAC noise spectrum, blue, compared with its requirement, solid black, and its approximation for optimization the inverse of , dashed black. For comparison, the design sensitivity of ET-LF is also shown in orange. The optimized DAC noise generally stays well below the requirement and touches it at 6 Hz, satisfying the requirements for ET-LF.
Additionally, the robustness constraint allows obtaining a desired modulus margin to guarantee sufficient margin against process variations. Usually, the dynamics of the suspension are well known for gravitational-wave applications and the operating conditions are assumed to be rather constant. Therefore, it is not required to achieve large stability margins. The stability of the system is assessed via Nyquist stability requirement and the corresponding Nyquist diagram for the loop gain is shown in Figure 6. The loop gain, resulting from the optimization, can be found in Appendix A.2.
Figure 6.
Nyquist plot of the loop gain L, in blue. Left shows the full view and right is zoomed in around the critical point . The enforced stability margin, a modulus margin of , is indicated by the dashed green circle.
From the Nyquist plot, it can be concluded that the closed-loop system is stable and a requested modulus margin of 0.25 is guaranteed, which can be deduced from the green circle that indicates the area for which the distance to the critical point is less than 0.25. From this plot, it can be seen that the sensitivity is tuned such that this closed-loop transfer function coincides exactly with at multiple instances, reflected by a value of . Since the sensitivity touches the inverse robustness weighting filter at about 2–8 , the suppression of the low-frequency seismic disturbance should be minimally affected by increased robustness margins.
6. Discussion
This study demonstrates a method for situating the control requirements, typical for a gravitational-wave observatory’s test-mass suspension, within a non-convex, mixed optimization problem. The result of this study demonstrates that this methodology produces a controller and actuator distribution that satisfies the basic control requirements of the test-mass suspensions. Additionally, the optimizer allows to define open-loop weighting channels. For nominal or synthesis, it is often not possible to directly define such an open-loop requirement.
The controller is able to suppress the seismic noise sufficiently, such that the detectors’ sensitivity is not degraded by the effects of the residual seismic noise that is present at the mirror stage. From the open-loop DAC plot from Figure 5, it can be seen that the graph closely meets the inverse of the weighting filter. This means that the controller is optimized such that the seismic motion is suppressed until the open-loop DAC noise injection limit is reached. Additionally, the weighting on the controller commands ensures that the signal u stays below the capacity of the actuators and drives. Finally, the Nyquist plot shows how an additional robustness constraint allows enforcement of a desired robustness margin such that the system is sufficiently far away from instability. This is necessary in order to account for process variations, such as process delays, which are inherently present to some extent in any control system.
A great benefit of optimization-based control-system design is that it alleviates the need for the manual tuning of filters, allowing the global interferometric control distribution to be verified early in the design phase. Moreover, automated optimal control techniques allow effective assessment of many possible suspension configurations within the design space. It is often not possible to achieve this utilizing manual control-design techniques and thus poses a great benefit in terms of allowable exploration of a more effective suspension design.
This specific case study involves for a simultaneously optimized actuator distribution for the suspension stages; however, there are many more possibilities to study. The optimizer allows explicit tuning of parametrized models of dynamic systems. This allows simultaneous controller and suspension dynamics optimization. Most of the time, extensive models of the suspension are present. Therefore, this method lends itself well to integrate a suspension parameter optimization to fully benefit from the optimization strategy. The feasibility of topology changes in the suspension can be quickly evaluated using non-smooth optimization. For the case presented in this paper, the optimizer could rapidly evaluate the effect of changes in the masses and lengths of the suspension stages. This way, even better performance of the system may be achieved by having the optimizer aiding as a design tool for both controller algorithms and plant dynamics.
Finally, the controller that is tuned for this case study is a single transfer function matrix with three entries. Additionally, possible benefits of a multi degree-of-freedom controller may be studied. The implementation of a feed-forward compensator, combined with the feedback loop, might be of interest to include to further increase the performance of the system. All of these suggestions could be seamlessly integrated with the optimization study that was shown previously.
7. Conclusions
We showed that the combination of seismic disturbance variance minimization and frequency-dependent bounded requirements regarding the DAC noise can be condensed in a mixed -optimization problem. Additional constraints, such as robustness and control signal variance constraints, can be integrated seamlessly with the optimization. Non-smooth synthesis was utilized to avoid conservative controller design. This method also explicitly allows for optimizing the actuation distribution and, moreover, lends itself well to include optimization of the mechanics or an additional feed-forward controller.
Author Contributions
Conceptualization, S.K.S., P.S., N.A.H., S.T.S., W.B.J.H. and C.M.M.-L.; methodology, S.K.S., S.T.S. and W.B.J.H.; software, S.K.S.; validation, S.K.S., W.B.J.H. and C.M.M.-L.; formal analysis, S.K.S., S.T.S., W.B.J.H.; investigation, S.K.S., P.S., S.T.S. and W.B.J.H.; resources, P.S., N.A.H. and C.M.M.-L.; data curation, S.K.S.; writing—original draft preparation, S.K.S., P.S., N.A.H., S.T.S., W.B.J.H. and C.M.M.-L.; writing—review and editing, S.K.S., N.A.H., W.B.J.H. and C.M.M.-L.; visualization, S.K.S., W.B.J.H. and C.M.M.-L.; supervision, P.S., S.T.S., W.B.J.H. and C.M.M.-L.; project administration, W.B.J.H. and C.M.M.-L. All authors have read and agreed to the published version of the manuscript.
Funding
This research received no external funding.
Data Availability Statement
The original data presented in the study are openly available in Zenodo; DOI 10.5281/zenodo.15126221.
Acknowledgments
The authors thank M. Valentini for useful discussions and input. This project has received funding from the European Research Council (ERC) under the European Union’s Horizon 2020 research and innovation program (grant agreement No. 865816).
Conflicts of Interest
The authors declare no conflicts of interest.
Appendix A
Appendix A.1
Table A1 shows all control signals that appear in the figures and equations throughout this text. The following control signals can be identified. The argument is omitted for readability.
Table A1.
Summary of the control signals, identified in the optimization problem.
Table A1.
Summary of the control signals, identified in the optimization problem.
| Signal | Meaning | Unit |
|---|---|---|
| Actuator effort | [N] | |
| u | Controller command voltage | [V] |
| Actuator voltage, sum of u and DAC noise | [V] | |
| DAC noise | [V] | |
| v | Controller input | [m] |
| White noise, colored by | [-] | |
| White noise, colored by | [-] | |
| Robustness constraint input, | [m] | |
| x | Total mirror motion | [m] |
| Seismic disturbance felt at the mirror stage | [m] | |
| Real disturbance felt at the mirror stage | [m] | |
| Output of the suspension model | [m] | |
| Open-loop DAC noise channel, bounded | [-] | |
| Seismic disturbance suppression channel, bounded | [-] | |
| Robustness channel, bounded | [-] | |
| Controller energy channel, bounded | [-] |
Table A2 shows all control signals that appear in the figures and equations throughout this text. The following control signals can be identified. The argument is omitted for readability.
Table A2.
Summary of the systems and models identified in the optimization problem.
Table A2.
Summary of the systems and models identified in the optimization problem.
| Model | Meaning | Unit |
|---|---|---|
| G | Actuator effort | [m/N] |
| K | Controller | [N/m] |
| Actuator dynamics | [N/V] | |
| P | Generalized plant | [-] |
| Generalized plant without weights and noise models | [-] | |
| Q | Linear fractional transformation of P, K and | [-] |
| S | Sensitivity transfer function | [-] |
| V | Matrix with noise models on the diagonal | [-] |
| Seismic disturbance model | [m] | |
| DAC noise model | [V] | |
| W | Matrix with weighting filters on the diagonal | [-] |
| -weight open-loop DAC noise | [-] | |
| -weight seismic disturbance | [-] | |
| -weight robustness filter | [-] | |
| -weight controller command | [-] |
Appendix A.2
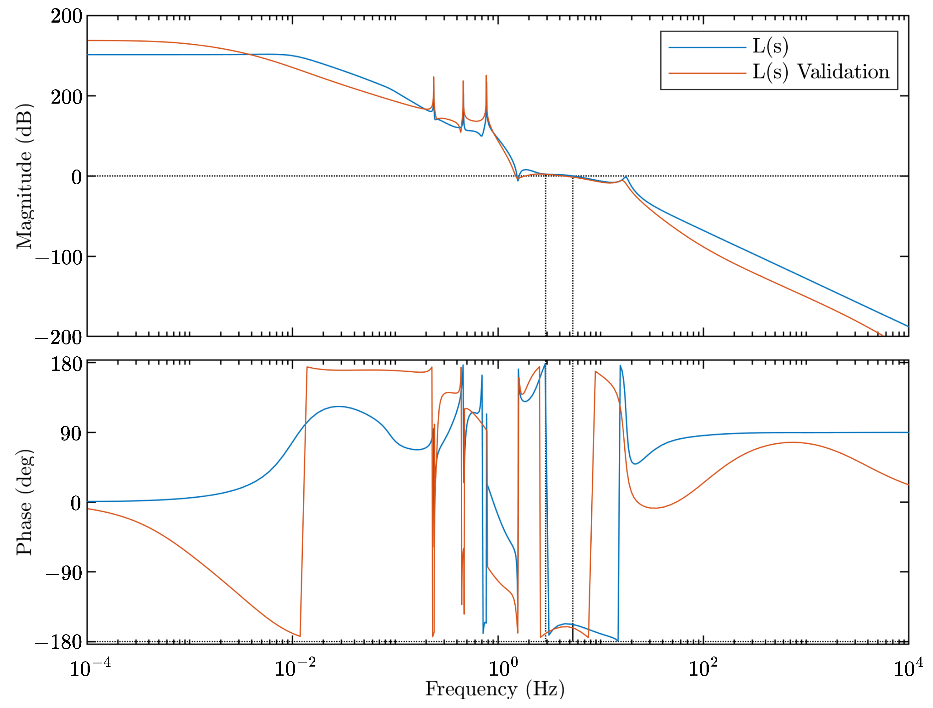
The open-loop gain resulting from the optimization presented in the paper is shown in Figure A1. A validation plot from a second run of optimizations, using the optimization code from the repository mentioned in the data availability statement, is included to see how close to a global optimum the optimizer reaches. The gain and phase margin for the validation case are and , respectively. The closed-loop RMS of the mirror motion for the validation case is found to be , at the expense of a decreased phase margin. The open-loop DAC criterion is also met with , which indicates that the open-loop DAC barely exceeds but still remains well below the sensitivity design curve. The validation plot shows that both results are very similar. The small differences can be expected, since the optimizer produces locally optimal solutions, initiated from random starting points within the optimization space.
Figure A1.
Bode plot of the loop gain and validation. The stability margins are shown for the blue plot, corresponding to the results that are presented in the main text.
Figure A1.
Bode plot of the loop gain and validation. The stability margins are shown for the blue plot, corresponding to the results that are presented in the main text.

The sizing of the actuators is expressed in terms of achievable displacement in meters per volt for each actuator. The sizing is then computed as . The values resulting from the optimization study are summarized in Table A3 below, as well as the RMS of the control commands for each channel.
Table A3.
Sizing of the actuators, resulting from the optimization study.
Table A3.
Sizing of the actuators, resulting from the optimization study.
| Top Actuator | Middle Actuator | Bottom Actuator | |
|---|---|---|---|
| m/V | m/V | m/V | |
| 6.0 V | 1.5 V | 1.3 V |
References
- Abbott, B.P.; Abbott, R.; Abbott, T.D.; Abernathy, M.R.; Acernese, F.; Ackley, K.; Adams, C.; Adams, T.; Addesso, P.; Adhikari, R.X.; et al. Observation of Gravitational Waves from a Binary Black Hole Merger. Phys. Rev. Lett. 2016, 116, 061102. [Google Scholar] [CrossRef] [PubMed]
- Abbott, B.P.; Abbott, R.; Abbott, T.D.; Acernese, F.; Ackley, K.; Adams, C.; Adams, T.; Addesso, P.; Adhikari, R.X.; Adya, V.B.; et al. Multi-messenger Observations of a Binary Neutron Star Merger. Astrophys. J. Lett. 2017, 848, L12. [Google Scholar] [CrossRef]
- Abbott, B.P.; Abbott, R.; Abbott, T.D.; Acernese, F.; Ackley, K.; Adams, C.; Adams, T.; Addesso, P.; Adhikari, R.X.; Adya, V.B.; et al. Observation of Gravitational Waves from a Binary Neutron Star Inspiral. Phys. Rev. Lett. 2017, 119, 161101. [Google Scholar] [CrossRef]
- Abbott, R.; Abbott, T.D.; Acernese, F.; Ackley, K.; Adams, C.; Adhikari, N.; Adhikari, R.X.; Adya, V.B.; Affeldt, C.; Agarwal, D.; et al. Compact Binary Coalescences Observed by LIGO and Virgo during the Second Part of the Third Observing Run. Phys. Rev. X 2023, 13, 041039. [Google Scholar] [CrossRef]
- Abbott, R.; Abbott, T.D.; Abraham, S.; Acernese, F.; Ackley, K.; Adams, A.; Adams, C.; Adhikari, R.X.; Adya, V.B.; Affeldt, C.; et al. Compact Binary Coalescences Observed by LIGO and Virgo during the First Half of the Third Observing Run. Phys. Rev. X 2021, 11, 021053. [Google Scholar] [CrossRef]
- Abbott, B.P.; Abbott, R.; Abbott, T.; Abraham, S.; Acernese, F.; Ackley, K.; Adams, C.; Adhikari, R.X.; Adya, V.B.; Affeldt, C.; et al. A Gravitational-Wave Transient Catalog of Compact Binary Mergers Observed by LIGO and Virgo during the First and Second Observing Runs. Phys. Rev. X 2019, 9, 031040. [Google Scholar] [CrossRef]
- Abbott, R.; Abbott, T.D.; Acernese, F.; Ackley, K.; Adams, C.; Adhikari, N.; Adhikari, R.X.; Adya, V.B.; Affeldt, C.; Agarwal, D.; et al. Deep extended catalog of compact binary coalescences observed by LIGO and Virgo during the first half of the third observing run. Phys. Rev. D 2024, 109, 022001. [Google Scholar] [CrossRef]
- Aasi, J.; Abbott, B.P.; Abbott, R.; Abbott, T.; Abernathy, M.R.; Ackley, K.; Adams, C.; Adams, T.; Addesso, P.; Adhikari, R.X.; et al. Advanced Ligo. Class. Quantum Gravity 2015, 32, 074001. [Google Scholar]
- Acernese, F.; Agathos, M.; Agatsuma, K.; Aisa, D.; Allemandou, N.; Allocca, A.; Amarni, J.; Astone, P.; Balestri, G.; Ballardin, G.; et al. Advanced Virgo: A second-generation interferometric gravitational wave detector. Class. Quantum Gravity 2015, 32, 024001. [Google Scholar] [CrossRef]
- Akutsu, T.; Ando, M.; Araki, S.; Araya, A.; Arima, T.; Aritomi, N.; Asada, H.; Aso, Y.; Atsuta, S.; Awai, K.; et al. Construction of KAGRA: An Underground Gravitational Wave Observatory. Prog. Theor. Exp. Phys. 2018, 2018, 013F01. [Google Scholar] [CrossRef]
- Aston, S.M.; Barton, M.A.; Bell, A.S.; Beveridge, N.; Bland, B.; Brummitt, A.J.; Cagnoli, G.; Cantley, C.A.; Carbone, L.; Cumming, A.V.; et al. Update on quadruple suspension design for Advanced LIGO. Class. Quantum Gravity 2012, 29, 235004. [Google Scholar] [CrossRef]
- Bertocco, A.; Bruno, M.; De Rosa, R.; Di Fiore, L.; D’Urso, D.; Frasconi, F.; Gennai, A.; Lucchesi, L.; Refat, M.; Pilo, F.; et al. New Generation of Superattenuator for Einstein Telescope: Preliminary studies. Class. Quantum Gravity 2024, 41, 117004. [Google Scholar] [CrossRef]
- Matichard, F.; Lantz, B.; Mittleman, R.; Mason, K.; Kissel, J.; Abbott, B.; Biscans, S.; McIver, J.; Abbott, R.; Abbott, S.; et al. Seismic isolation of Advanced LIGO: Review of strategy, instrumentation and performance. Class. Quantum Gravity 2015, 32, 185003. [Google Scholar] [CrossRef]
- Skogestad, S.; Postlethwaite, I. Multivariable Feedback Control, 2nd ed.; John Wiley & Sons, Ltd.: Bognor, UK, 2006. [Google Scholar]
- van Dael, M.; Casanueva, J.; Witvoet, G.; Swinkels, B.; Bersanetti, D.; Pinto, M.; Ruggi, P.; Mantovani, M.; de Rossi, C.; Spinicelli, P.; et al. Control of the laser frequency in the Virgo interferometer: Dynamic noise budgeting for controller optimization. Astropart. Phys. 2025, 164, 103028. [Google Scholar] [CrossRef]
- Tsang, T.T.L.; Li, T.G.F.; Dehaeze, T.; Collette, C. Optimal sensor fusion method for active vibration isolation systems in ground-based gravitational-wave detectors. Class. Quantum Gravity 2022, 39, 185007. [Google Scholar] [CrossRef]
- Saffarieh, P.; Holland, N.A.; Valentini, M.; van Dongen, J.; Mitchell, A.; Sijtsma, S.; Numic, A.; Hakvoort, W.; Mow-Lowry, C. Multi-scale optimal control for Einstein Telescope active seismic isolation. arXiv 2025, arXiv:2507.15398. [Google Scholar] [CrossRef]
- Chamberlain, K.; Junes, N. Theoretical physics implications of gravitational wave observation with future detectors. Phys. Rev. D 2017, 96, 084039. [Google Scholar] [CrossRef]
- ET-0007C-20; Einstein Telescope Steering Committee, Design Report Update 2020: For the Einstein Telescope. Einstein Telescope Collaboration: Sardinia, Italy, 2020.
- Apkarian, P.; Noll, D.; Rondepierre, A. Mixed H2/H∞ Control Via Nonsmooth Optimization. SIAM J. Control Optim. 2009, 47, 1516–1546. [Google Scholar] [CrossRef]
- Apkarian, P.; Noll, D.; Pellanda, P. Non-smooth H∞ Synthesis. IEEE Trans. Autom. Control 2006, 51, 71–86. [Google Scholar] [CrossRef]
- Spanjer, S.; Köroğlu, H.; Hakvoort, W. The Potential of Active Vibration Isolation Systems. In Proceedings of the 38th ASPE Annual Meeting, Boston, MA, USA, 12–17 November 2023; pp. 11–16. [Google Scholar]
- Losurdo, G.; Calamai, G.; Cuoco, E.; Fabbroni, L.; Guidi, G.; Mazzoni, M.; Stanga, R.; Vetrano, F.; Holloway, L.; Passuello, D.; et al. Inertial control of the mirror suspensions of the VIRGO interferometer for gravitational wave detection. Rev. Sci. Instrum. 2001, 72, 3653–3661. [Google Scholar] [CrossRef]
- Koroveshi, X.; Busch, L.; Majorana, E.; Puppo, P.; Rapagnani, P.; Ricci, F.; Ruggi, P.; Grohmann, S. Cryogenic payloads for the Einstein Telescope: Baseline design with heat extraction, suspension thermal noise modeling, and sensitivity analyses. Phys. Rev. D 2023, 108, 123009. [Google Scholar] [CrossRef]
- Moore, C.; Cole, R. Gravitational Wave Sensitivity Curves. Class. Quantum Gravity 2015, 32, 015014. [Google Scholar] [CrossRef]
- Jabben, L. Mechatronic Design of a Magnetically Suspended Rotating Platform. Ph.D. Thesis, Technical University Delft, Delft, The Netherlands, 2007. [Google Scholar]
- Mow-Lowry, C.; Martynov, D. A 6D interferometric inertial isolation system. Class. Quantum Gravity 2019, 36, 245006. [Google Scholar] [CrossRef]
- Scherer, C. Mixed H2/H∞ Control. Trends in Control: A European Perspective; Springer: London, UK, 1995. [Google Scholar]
Disclaimer/Publisher’s Note: The statements, opinions and data contained in all publications are solely those of the individual author(s) and contributor(s) and not of MDPI and/or the editor(s). MDPI and/or the editor(s) disclaim responsibility for any injury to people or property resulting from any ideas, methods, instructions or products referred to in the content. |
© 2025 by the authors. Licensee MDPI, Basel, Switzerland. This article is an open access article distributed under the terms and conditions of the Creative Commons Attribution (CC BY) license (https://creativecommons.org/licenses/by/4.0/).





