VERA’s 20 yr Evolution in Science and Technology
Abstract
1. Introduction
2. Initial Observing System of VERA
3. Astrometry Results: SFR and Galaxy Structure
3.1. Galactic Astrometry
| Method | (kpc) | Reference |
|---|---|---|
| VLBI astrometry of 189 maser sources | [10] | |
| VLBI astrometry of 147 maser sources | 8.15 ± 0.15 | [14] |
| VLBI astrometry of Sgr A* | [20] | |
| Orbital motions of S0-2 around Sgr A* | [15] | |
| Orbital motion of S2 around Sgr A* | [17] |
3.2. Comparison with Gaia
3.3. Star-Formation Processes
4. Astrometry of SgrA*
4.1. Parallax Measurement
4.2. Peculiar Motions
5. VLBI Astrometry of Pulsating AGB Stars
5.1. Period–Luminosity Relation of Mira Variables
5.2. Single-Dish Monitoring of AGB Stars

5.3. The Importance of VLBI Astrometry of AGB Stars in the Gaia Era
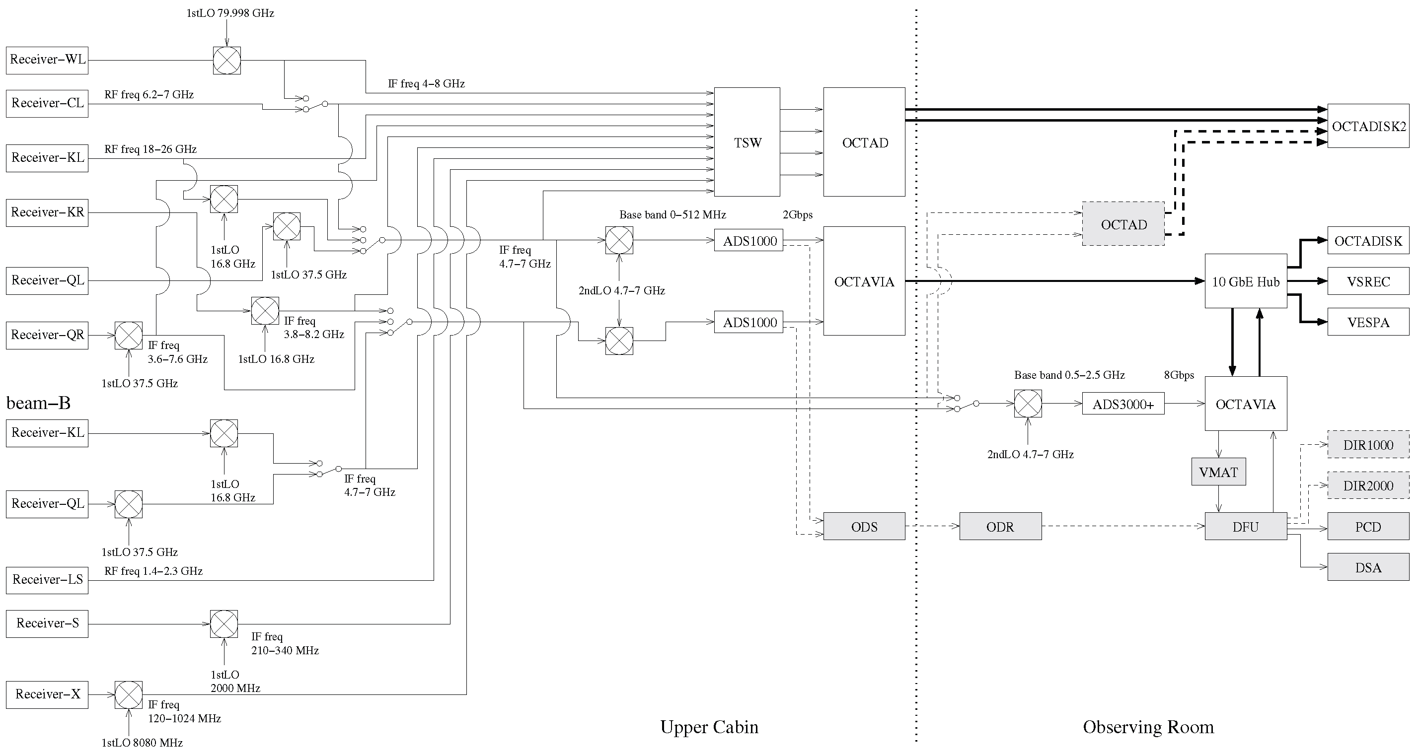
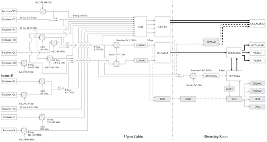
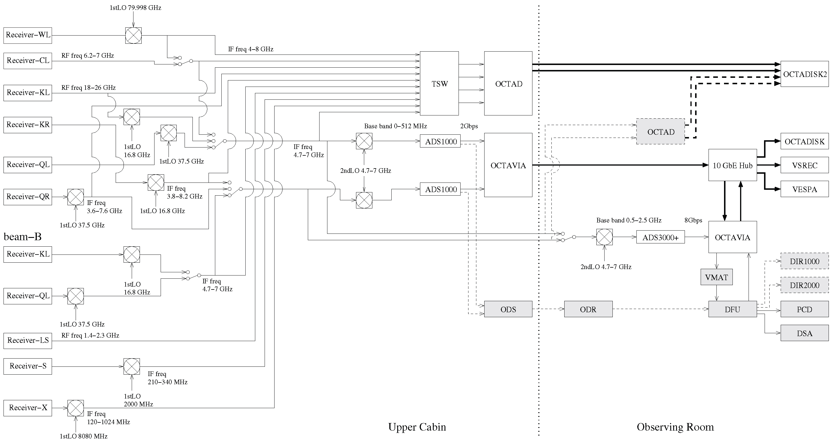
6. Developments and Recent Upgrades
6.1. OCTAVE Digital Back-End
- OCTAD (OCTAve A/D Converter): High-speed RF (≤28 GHz) sampling A/D converter.
- OCTAVIA (OCTAve VSI Adapter): VSI-H ⇔ 10 GigE (VDIF: VLBI Data Interchange Format) converter.
- OCTADISK (OCTAve DISK drive): Disk recorder compliant with VDIF specifications.
- VSREC (VDIF Software RECorder): software sender and receiver of VDIF packets.
- OCTADISK2 (OCTAve DISK drive2): PC recorder using VSREC.
- OCTACOR (OCTAve CORrelator): Gigabit real-time hardware correlator (VSI-H).
- OCTACOR2 (OCTAve CORrelator 2): Software correlator system with the GICO3.
6.1.1. OCTAD
6.1.2. OCTAVIA
6.1.3. OCTADISK/OCTADISK2/VSREC
6.1.4. OCTACOR/OCTACOR2
6.2. Broad-Band Data Streams in VERA
6.3. Correlators
7. Future Direction
Author Contributions
Funding
Data Availability Statement
Conflicts of Interest
References
- Hara, T.; Okamoto, I.; Sasao, T. The Japanese VLBI project VERA (VLBI for the Earth rotation study and astrometry). In Vistas in Astronomy; Elsevier: Amsterdam, The Netherlands, 1988; Volume 31, pp. 647–652. [Google Scholar]
- Honma, M.; Kawaguchi, N.; Sasao, T. Science with VERA: VLBI exploration of radio astrometry. In Proceedings of the SPIE, Radio Telescopes, Munich, Germany, 27 March–1 April 2000; Volume 4015, pp. 624–631. [Google Scholar]
- Kawaguchi, N.; Sasao, T.; Manabe, S. Dual-beam VLBI techniques for precision astrometry of the VERA project. In Proceedings of the SPIE, Radio Telescopes, Munich, Germany, 27 March–1 April 2000; Volume 4015, pp. 544–551. [Google Scholar]
- Kobayashi, H.; Sasao, T.; Manabe, S.; Omodaka, T.; Kameya, O.; Shibata, K.M.; Miyaji, T.; Honma, M.; Tamura, Y.; Hirota, T.; et al. VERA: A New VLBI Instrument Free from the Atmosphere; Minh, Y.C., Ed.; Astronomical Society of the Pacific Conference Series; ASP: San Francisco, CA, USA, 2003; Volume 306, pp. 367–371. [Google Scholar]
- Honma, M.; Kijima, M.; Suda, H.; Kawaguchi, N.; Kobayashi, H.; Bushimata, T.; Shimizu, R.; Yoshimura, A.; Sasao, T.; Hirota, T.; et al. Dual-Beam Delay Calibration for VERA. Publ. Astron. Soc. Jpn. 2008, 60, 935. [Google Scholar] [CrossRef]
- Iguchi, S.; Kkurayama, T.; Kawaguchi, N.; Kawakami, K. Gigabit Digital Filter Bank: Digital Backend Subsystem in the VERA Data-Acquisition System. Publ. Astron. Soc. Jpn. 2005, 57, 259. [Google Scholar] [CrossRef]
- Shibata, K.M.; Kameno, S.; Inoue, M. Mitaka Correlator for the Space VLBI. In ASP Conference Series, IAU Colloquium 164; Zensus, J.A., Taylor, G.B., Wrobel, J.M., Eds.; Astronomical Society of the Pacific: San Francisco, CA, USA, 1998; Volume 144, 413p. [Google Scholar]
- Honma, M.; Nagayama, T.; Ando, K.; Bushimata, T.; Choi, Y.K.; Handa, T.; Hirota, T.; Imai, H.; Jike, T.; Kim, M.K.; et al. Fundamental Parameters of the Milky Way Galaxy Based on VLBI astrometry. Publ. Astron. Soc. Jpn. 2012, 64, 136. [Google Scholar] [CrossRef]
- Honma, M.; Nagayama, T.; Sakai, N. Determining dynamical parameters of the Milky Way Galaxy based on high-accuracy radio astrometry. Publ. Astron. Soc. Jpn. 2015, 67, 70. [Google Scholar] [CrossRef]
- Hirota, T. et al. [VERA Collaboration] The First VERA Astrometry Catalog. Publ. Astron. Soc. Jpn. 2020, 72, 50. [Google Scholar]
- Nagayama, T.; Kobayashi, H.; Hirota, T.; Honma, M.; Jike, T.; Kim, M.K.; Nakagawa, A.; Omodaka, T.; Oyama, T.; Sakai, D.; et al. Performance of VERA in 10 micro-arcsecond astrometry. Publ. Astron. Soc. Jpn. 2020, 72, 52. [Google Scholar] [CrossRef]
- Reid, M.J.; Menten, K.M.; Zheng, X.W.; Brunthaler, A.; Moscadelli, L.; Xu, Y.; Zhang, B.; Sato, M.; Honma, M.; Hirota, T.; et al. Trigonometric Parallaxes of Massive Star-Forming Regions. VI. Galactic Structure, Fundamental Parameters, and Noncircular Motions. Astrophys. J. 2009, 700, 137. [Google Scholar] [CrossRef]
- Reid, M.J.; Menten, K.M.; Brunthaler, A.; Zheng, X.W.; Dame, T.M.; Xu, Y.; Wu, Y.; Zhang, B.; Sanna, A.; Sato, M.; et al. Trigonometric Parallaxes of High Mass Star Forming Regions: The Structure and Kinematics of the Milky Way. Astrophys. J. 2014, 783, 130. [Google Scholar] [CrossRef]
- Reid, M.J.; Menten, K.M.; Brunthaler, A.; Zheng, X.W.; Dame, T.M.; Xu, Y.; Li, J.; Sakai, N.; Wu, Y.; Immer, K.; et al. Trigonometric Parallaxes of High-mass Star-forming Regions: Our View of the Milky Way. Astrophys. J. 2019, 885, 131. [Google Scholar] [CrossRef]
- Do, T.; Hees, A.; Ghez, A.; Martinez, G.D.; Chu, D.S.; Jia, S.; Sakai, S.; Lu, J.R.; Gautam, A.K.; O’Neil, K.K.; et al. Relativistic redshift of the star S0-2 orbiting the Galactic Center supermassive black hole. Science 2019, 365, 664. [Google Scholar] [CrossRef]
- Abuter, R. et al. [GRAVITY Collaboration] A geometric distance measurement to the Galactic center black hole with 0.3% uncertainty. Astron. Astrophys. 2019, 625, L10. [Google Scholar]
- Abuter, R. et al. [GRAVITY Collaboration] Improved GRAVITY astrometric accuracy from modeling optical aberrations. Astron. Astrophys. 2021, 647, A59. [Google Scholar]
- Reid, M.J.; Brunthaler, A. The Proper Motion of Sagittarius A*. II. The Mass of Sagittarius A*. Astrophys. J. 2004, 616, 872. [Google Scholar] [CrossRef]
- Reid, M.J.; Brunthaler, A. The Proper Motion of Sagittarius A*. III. The Case for a Supermassive Black Hole. Astrophys. J. 2020, 892, 39. [Google Scholar] [CrossRef]
- Oyama, T.; Nagayama, T.; Yamauchi, A.; Sakai, D.; Imai, H.; Honma, M.; Asakura, Y.; Hada, K.; Hagiwara, Y.; Hirota, T.; et al. Trigonometric parallax and proper motion of Sagittarius A* measured by VERA using the new broad-band back-end system OCTAVE-DAS. Publ. Astron. Soc. Jpn. 2024, 76, 163. [Google Scholar] [CrossRef]
- Kerr, F.J.; Lynden-Bell, D. Review of galactic constants. Mon. Not. R. Astron. Soc. 1986, 221, 1023. [Google Scholar] [CrossRef]
- Schönrich, R.; Binney, J.; Dehnen, W. Local kinematics and the local standard of rest. Mon. Not. R. Astron. Soc. 2010, 403, 1829. [Google Scholar] [CrossRef]
- Vallenari, A. et al. [Gaia Collaboration] Gaia Data Release 3. Summary of the content and survey properties. Astron. Astrophys. 2023, 674, A1. [Google Scholar]
- Drimmel, R. et al. [Gaia Collaboration] Gaia Data Release 3. Mapping the asymmetric disc of the Milky Way. Astron. Astrophys. 2023, 674, A37. [Google Scholar]
- Hirota, T.; Imai, H.; Menten, K.; Pihlström, Y. Cosmic Masers: Proper Motion Toward the Next-Generation Large Projects; Cambridge University Press: Cambridge, UK, 2024; Volume 380, pp. f1–f23. [Google Scholar]
- Burns, R.A.; Imai, H.; Handa, T.; Omodaka, T.; Nakagawa, A.; Nagayama, T.; Ueno, Y. A ’water spout’ maser jet in S235AB-MIR. Mon. Not. R. Astron. Soc. 2015, 453, 3163. [Google Scholar] [CrossRef]
- Beltrán, M.T.; Cesaroni, R.; Moscadelli, L.; Sánchez-Monge, Á.; Hirota, T.; Kumar, M.S.N. Binary system and jet precession and expansion in G35.20-0.74N. Astron. Astrophys. 2016, 593, A49. [Google Scholar] [CrossRef]
- Motogi, K.; Sorai, K.; Honma, M.; Hirota, T.; Hachisuka, K.; Niinuma, K.; Sugiyama, K.; Yonekua, Y.; Fujisawa, K. Accelerating a water maser face-on jet from a high mass young stellar object. Publ. Astron. Soc. Jpn. 2016, 68, 69. [Google Scholar] [CrossRef]
- Burns, R.A.; Handa, T.; Nagayama, T.; Sunada, K.; Omodaka, T. H2O masers in a jet-driven bow shock: Episodic ejection from a massive young stellar object. Mon. Not. R. Astron. Soc. 2016, 460, 283. [Google Scholar] [CrossRef]
- Burns, R.A.; Handa, T.; Imai, H.; Nagayama, T.; Omodaka, T.; Hirota, T.; Motogi, K.; van Langevelde, H.J.; Bann, W.A. Trigonometric distance and proper motions of H2O maser bowshocks in AFGL 5142. Mon. Not. R. Astron. Soc. 2017, 467, 2367. [Google Scholar]
- Meyer, D.M.-A.; Vorobyov, E.I.; Kuiper, R.; Kley, W. On the existence of accretion-driven bursts in massive star formation. Mon. Not. R. Astron. Soc. 2017, 464, L90. [Google Scholar] [CrossRef]
- Hunter, T.R.; Brogan, C.L.; MacLeod, G.; Cyganowski, C.J.; Chandler, C.J.; Chibueze, J.O.; Friesen, R.; Indebetouw, R.; Thesner, C.; Young, K.H. An Extraordinary Outburst in the Massive Protostellar System NGC6334I-MM1: Quadrupling of the Millimeter Continuum. Astrophys. J. Lett. 2017, 837, L29. [Google Scholar] [CrossRef]
- Caratti o Garatti, A.; Stecklum, B.; Garcia Lopez, R.; Eislöffel, J.; Ray, T.P.; Sanna, A.; Cesaroni, R.; Walmsley, C.M.; Oudmaijer, R.D.; de Wit, W.J.; et al. Disk-mediated accretion burst in a high-mass young stellar object. Nat. Phys. 2017, 13, 276. [Google Scholar] [CrossRef]
- Fujisawa, K.; Yonekura, Y.; Sugiyama, K.; Horiuchi, H.; Hayashi, T.; Hachisuka, K.; Matsumoto, N.; Niinuma, K. A flare of methanol maser in S255. Astron. Telegr. 2015, 8286, 1. [Google Scholar]
- Hunter, T.R.; Brogan, C.L.; MacLeod, G.C.; Cyganowski, C.J.; Chibueze, J.O.; Friesen, R.; Hirota, T.; Smits, D.P.; Chandler, C.J.; Indebetouw, R. The Extraordinary Outburst in the Massive Protostellar System NGC 6334I-MM1: Emergence of Strong 6.7 GHz Methanol Masers. Astrophys. J. 2018, 854, 170. [Google Scholar] [CrossRef]
- Cesaroni, R.; Moscadelli, L.; Caratti o Garatti, A.; Eislöffel, J.; Fedriani, R.; Neri, R.; Ray, T.; Sanna, A.; Stecklum, B. Radio outburst from a massive (proto)star. III. Unveiling the bipolarity of the radio jet from S255IR NIRS 3. Astron. Astrophys. 2024, 683, L15. [Google Scholar] [CrossRef]
- Hirota, T.; Cesaroni, R.; Moscadelli, L.; Sugiyama, K.; Burns, R.A.; Kim, J.; Sunada, K.; Yonekura, Y. Water maser variability in a high-mass YSO outburst. VERA and ALMA observations of S255 NIRS 3. Astron. Astrophys. 2021, 647, A23. [Google Scholar]
- Vorster, J.M.; Chibueze, J.O.; Hirota, T.; MacLeod, G.C.; van der Walt, D.J.; Vorobyov, E.I.; Sobolev, A.M.; Juvela, M. Identifying the mechanisms of water maser variability during the accretion burst in NGC6334I. Astron. Astrophys. 2024, 691, A157. [Google Scholar] [CrossRef]
- Brogan, C.L.; Hunter, T.R.; Cyganowski, C.J.; Chibueze, J.O.; Friesen, R.K.; Hirota, T.; MacLeod, G.C.; McGuire, B.A.; Sobolev, A.M. The Extraordinary Outburst in the Massive Protostellar System NGC 6334I-MM1: Flaring of the Water Masers in a North-South Bipolar Outflow Driven by MM1B. Astrophys. J. 2018, 866, 87. [Google Scholar] [CrossRef]
- Hirota, T.; Tsuboi, M.; Fujisawa, K.; Honma, M.; Kawaguchi, N.; Kim, M.K.; Kobayashi, H.; Imai, H.; Omodaka, T.; Shibata, K.M.; et al. Identification of Bursting Water Maser Features in Orion KL. Astrophys. J. Lett. 2011, 739, L59. [Google Scholar] [CrossRef]
- Hirota, T.; Tsuboi, M.; Kurono, Y.; Fujisawa, K.; Honma, M.; Kim, M.K.; Imai, H.; Yonekura, Y. VERA and ALMA observations of the H2O supermaser burst in Orion KL. Publ. Astron. Soc. Jpn. 2014, 66, 106. [Google Scholar] [CrossRef]
- Honma, M.; Choi, Y.K.; Bushimata, T.; Fujii, T.; Hirota, T.; Horiai, K.; Imai, H.; Inomata, N.; Ishitsuka, J.; Iwadate, K.; et al. VERA Observation of the W49N H2O Maser Outburst in 2003 October. Publ. Astron. Soc. Jpn. 2004, 56, L15. [Google Scholar]
- Shimoikura, T.; Kobayashi, H.; Omodaka, T.; Diamond, P.J.; Matveyenko, L.I.; Fujisawa, K. VLBA Observations of a Bursting Water Maser in Orion KL. Astrophys. J. 2005, 634, 459. [Google Scholar] [CrossRef]
- Karakas, A.I.; Lattanzio, J.C. The Dawes Review 2: Nucleosynthesis and Stellar Yields of Low- and Intermediate-Mass Single Stars. Publ. Astron. Soc. Aust. 2014, 31, e030. [Google Scholar] [CrossRef]
- Habing, H.J. Circumstellar envelopes and Asymptotic Giant Branch stars. Astron. Astrophys. Rev. 1996, 7, 97. [Google Scholar] [CrossRef]
- Wood, P.R.; Alcock, C.; Allsman, R.A.; Alves, D.; Axelrod, T.S.; Becker, A.C.; Bennett, D.P.; Cook, K.H.; Drake, A.J.; Freeman, K.C.; et al. MACHO observations of LMC red giants: Mira and semi-regular pulsators, and contact and semi-detached binaries. In IAU Symposium No. 191 Asymptotic Giant Branch Stars; Astronomical Society of the Pacific: San Francisco, CA, USA, 1999; Volume 191, p. 151. [Google Scholar]
- Ita, Y.; Tanabé, T.; Matsunaga, N.; Nakajima, Y.; Nagashima, C.; Nagayama, T.; Kato, D.; Kurita, M.; Nagata, T.; Sato, S.; et al. Variable stars in the Magellanic Clouds—II. The data and infrared properties. Mon. Not. R. Astron. Soc. 2004, 353, 705. [Google Scholar] [CrossRef]
- Matsuno, M.; Nakagawa, A.; Morita, A.; Kurayama, T.; Omodaka, T.; Nagayama, T.; Honma, M.; Shibata, K.M.; Ueno, Y.; Jike, T.; et al. Annual parallax measurement of the Mira variable star BX Camelopardalis with VERA. Publ. Astron. Soc. Jpn. 2020, 72, 56. [Google Scholar] [CrossRef]
- Nakagawa, A.; Kurayama, T.; Matsui, M.; Omodaka, T.; Honma, M.; Shibata, K.M.; Sato, K.; Jike, T. Parallax of a Mira variable R Ursae Majoris studied with astrometric VLBI. Publ. Astron. Soc. Jpn. 2016, 68, 78. [Google Scholar] [CrossRef]
- Nakagawa, A.; Tsushima, M.; Ando, K.; Bushimata, T.; Choi, Y.K.; Hirota, T.; Honma, M.; Imai, H.; Iwadate, K.; Jike, T.; et al. VLBI Astrometry of AGB Variables with VERA—A Semiregular Variable S Crateris. Publ. Astron. Soc. Jpn. 2008, 60, 1013. [Google Scholar] [CrossRef]
- Nakagawa, A.; Omodaka, T.; Handa, T.; Honma, M.; Kawaguchi, N.; Kobayashi, H.; Oyama, T.; Sato, K.; Shibata, K.M.; Shizugami, M.; et al. VLBI astrometry of AGB variables with VERA: A Mira-type variable T Lepus. Publ. Astron. Soc. Jpn. 2014, 66, 101. [Google Scholar] [CrossRef]
- Le Bouquin, J.-B.; Lacour, S.; Renard, S.; Thiébaut, E.; Merand, A.; Verhoelst, T. Pre-maximum spectro-imaging of the Mira star T Leporis with AMBER/VLTI. Astron. Astrophys. 2009, 496, L1. [Google Scholar] [CrossRef]
- Nakagawa, A.; Morita, A.; Sakai, N.; Kurayama, T.; Sudou, H.; Orosz, G.; Yuda, A.; Kaseda, D.; Matsuno, M.; Hamada, S.; et al. Astrometric VLBI observations of H2O masers in an extreme OH/IR star candidate NSV 17351. Publ. Astron. Soc. Jpn. 2023, 75, 529. [Google Scholar] [CrossRef]
- Wright, E.L.; Eisenhardt, P.R.M.; Mainzer, A.K.; Ressler, M.E.; Cutri, R.M.; Jarrett, T.; Kirkpatrick, J.D.; Padgett, D.; McMillan, R.S.; Skrutskie, M.; et al. The Wide-field Infrared Survey Explorer (WISE): Mission Description and Initial On-orbit Performance. Astron. J. 2010, 140, 1868. [Google Scholar] [CrossRef]
- Mainzer, A.; Bauer, J.; Grav, T.; Masiero, J.; Cutri, R.M.; Dailey, J.; Eisenhardt, P.; McMillan, R.S.; Wright, E.; Walker, R.; et al. Preliminary Results from NEOWISE: An Enhancement to the Wide-field Infrared Survey Explorer for Solar System Science. Astrophys. J. 2011, 731, 53. [Google Scholar] [CrossRef]
- Meisner, A.M.; Caselden, D.; Schlafly, E.F.; Kiwy, F. unTimely: A Full-sky, Time-domain unWISE Catalog. Astron. J. 2023, 165, 36. [Google Scholar] [CrossRef]
- Nakagawa, A.; Kurayama, T.; Sudou, H.; Orosz, G. Implication of the period-magnitude relation for massive AGB stars and its astronomical applications. IAU Symp. 2024, 376, 159. [Google Scholar] [CrossRef]
- Kawaguchi, N.; Fujisawa, K.; Nakajima, J.; Uose, H.; Iwamura, S.; Hoshino, T.; Hashimoto, T.; Takagi, H. Gigabit Data Acquisition and the Transmission Experiment. NTT R&D 2001, 50, 824. [Google Scholar]
- Oyama, T.; Kono, Y.; Suzuki, S.; Mizuno, S.; Bushimata, T.; Jike, T.; Kawaguchi, N.; Kobayashi, H.; Kimura, M. New VLBI Observing System ’OCTAVE-Family’ to Support VDIF Specifications with 10 GigE for VERA, JVN, and Japanese e-VLBI (OCTAVE). In Proceedings of the Seventh General Meeting (GM2012) of the International VLBI Service for Geodesy and Astrometry (IVS), Madrid, Spain, 4–9 March 2012; pp. 91–95. [Google Scholar]
- Kimura, M.; Nakajima, J. The implementation of the PC based Giga bit VLBI system. IVS CRL Technol. Dev. Cent. News 2002, 21, 31. [Google Scholar]
- Takeuchi, H.; Kimura, M.; Nakajima, J.; Kondo, T.; Koyama, Y.; Ichikawa, R.; Sekido, M.; Kawai, E. Development of a 4 Gbps Multifunctional Very Long Baseline Interferometry Data Acquisition System. Publ. Astron. Soc. Pac. 2006, 118, 1739. [Google Scholar] [CrossRef]
- Takefuji, K.; Takeuchi, H.; Tsutsumi, M.; Koyama, Y. Next-generation A/D Sampler ADS3000+ for VLBI2010. In Proceedings IVS 2010 General Meeting; Behrend, D., Baver, K.D., Eds.; NASA Goddard Space Flight Center: Greenbelt, MD, USA, 2010; pp. 378–382. [Google Scholar]
- An, T.; Sohn, B.W.; Imai, H. Capabilities and prospects of the East Asia Very Long Baseline Interferometry Network. Nat. Astron. 2018, 2, 118–125. [Google Scholar] [CrossRef]
- Cui, Y.; Hada, K.; Kino, M.; Sohn, B.W.; Park, J.; Ro, H.W.; Sawada-Satoh, S.; Wu, J.; Cui, L.; Honma, M.; et al. East Asian VLBI Network observations of active galactic nuclei jets: Imaging with KaVA+Tianma+Nanshan. Res. Astron. Astrophys. 2021, 21, 205. [Google Scholar] [CrossRef]
- Akiyama, K.; Algaba, J.C.; An, T.; Asada, K.; Asanok, K.; Byun, D.Y.; Chanapote, T.; Chen, W.; Chen, Z.; Cheng, X.; et al. Overview of the Observing System and Initial Scientific Accomplishments of the East Asian VLBI Network (EAVN). Galaxies 2022, 10, 113. [Google Scholar] [CrossRef]
- Cui, Y.; Hada, K.; Kawashima, T.; Kino, M.; Lin, W.; Mizuno, Y.; Ro, H.; Honma, M.; Yi, K.; Park, J.; et al. Precessing jet nozzle connecting to a spinning black hole in M87. Nature 2023, 621, 711–715. [Google Scholar] [CrossRef]
- Algaba, J.C.; Anczarski, J.; Asada, K.; Baloković, M.; Chandra, S.; Cui, Y.Z.; Falcone, A.D.; Giroletti, M.; Goddi, C.; Hada, K.; et al. Broadband Multi-wavelength Properties of M87 during the 2017 Event Horizon Telescope Campaign. Astrophys. J. Lett. 2021, 911, L11. [Google Scholar]
- Algaba, J.C.; Baloković, M.; Chandra, S.; Cheong, W.Y.; Cui, Y.Z.; D’Ammando, F.; Falcone, A.D.; Ford, N.M.; Giroletti, M.; Goddi, C.; et al. Broadband multi-wavelength properties of M87 during the 2018 EHT campaign including a very high energy flaring episode. Astron. Astrophys. 2024, 692, A140. [Google Scholar] [CrossRef]
- Hagiwara, Y.; Hada, K.; Takamura, M.; Oyama, T.; Yamauchi, A.; Suzuki, S. Demonstration of Ultrawideband Polarimetry Using VLBI Exploration of Radio Astrometry (VERA). Galaxies 2022, 10, 114. [Google Scholar] [CrossRef]
- Kameyama, A.; Kondo, S.; Dakie, S.; Okada, N.; Sawada-Satoh, S.; Ogawa, H.; Onishi, T.; Yamasaki, Y.; Masui, S.; Sunada, K.; et al. Development of 86 GHz low-noise wideband receiver. In Proceedings of the SPIE, Yokohama, Japan, 16–22 June 2024; Volume 13102, p. 1310229. [Google Scholar]








| VERA | |||||
|---|---|---|---|---|---|
| Parameter | Reid et al. 2009 [12] | Honma et al. 2012 [8] | Reid et al. 2014 [13] | Reid et al. 2019 [14] | Collaboration et al. 2020 [10] |
| 18 | 52 | 103 | 199 | 224 * | |
| 8.4 ± 0.6 | 8.05 ± 0.45 | 8.34 ± 0.16 | 8.15 ± 0.15 | 7.92 ± 0.16 | |
| 254 ± 16 | 238 ± 14 | 240 ± 8 | 236 ± 7 | 227 ± 8 |
Disclaimer/Publisher’s Note: The statements, opinions and data contained in all publications are solely those of the individual author(s) and contributor(s) and not of MDPI and/or the editor(s). MDPI and/or the editor(s) disclaim responsibility for any injury to people or property resulting from any ideas, methods, instructions or products referred to in the content. |
© 2025 by the authors. Licensee MDPI, Basel, Switzerland. This article is an open access article distributed under the terms and conditions of the Creative Commons Attribution (CC BY) license (https://creativecommons.org/licenses/by/4.0/).
Share and Cite
Honma, M.; Hirota, T.; Oyama, T.; Nakagawa, A. VERA’s 20 yr Evolution in Science and Technology. Galaxies 2025, 13, 120. https://doi.org/10.3390/galaxies13060120
Honma M, Hirota T, Oyama T, Nakagawa A. VERA’s 20 yr Evolution in Science and Technology. Galaxies. 2025; 13(6):120. https://doi.org/10.3390/galaxies13060120
Chicago/Turabian StyleHonma, Mareki, Tomoya Hirota, Tomoaki Oyama, and Akiharu Nakagawa. 2025. "VERA’s 20 yr Evolution in Science and Technology" Galaxies 13, no. 6: 120. https://doi.org/10.3390/galaxies13060120
APA StyleHonma, M., Hirota, T., Oyama, T., & Nakagawa, A. (2025). VERA’s 20 yr Evolution in Science and Technology. Galaxies, 13(6), 120. https://doi.org/10.3390/galaxies13060120

