- Systematic Review
A Systematic Review of Wind Energy Forecasting Models Based on Deep Neural Networks
- Edgar A. Manzano,
- Ruben E. Nogales and
- Alberto Rios
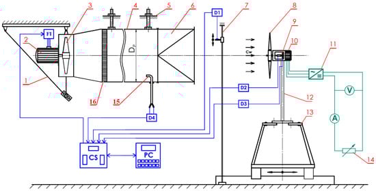
The present study focuses on wind power forecasting (WPF) models based on deep neural networks (DNNs), aiming to evaluate current approaches, identify gaps, and provide insights into their importance for the integration of Renewable Energy Sources (R...

