Obtaining Bixin- and Tocotrienol-Rich Extracts from Peruvian Annatto Seeds Using Supercritical CO2 Extraction: Experimental and Economic Evaluation
Abstract
1. Introduction
2. Materials and Methods
2.1. Materials and Reagents
2.2. Characterization of Annatto Seeds
2.3. Extraction Experiments
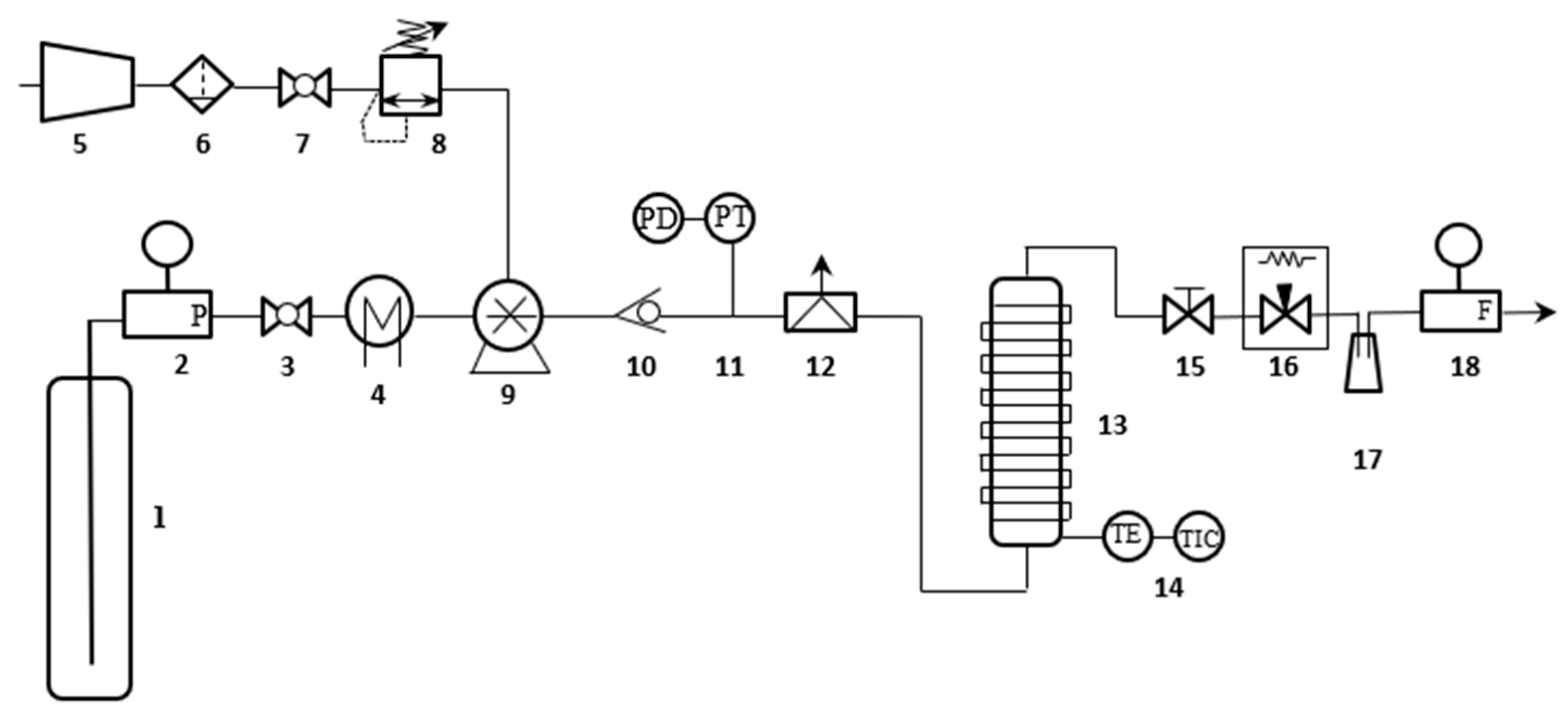
Supercritical Fluid Extraction (SFE)
2.4. Extract Characterization
2.4.1. Global Extraction Yield
2.4.2. Analysis of Bixin
2.4.3. Analysis of Tocopherols and Tocotrienols
2.4.4. Antioxidant Activity by DPPH Free-Radical Scavenging Assay
2.5. Statistical Analysis
2.6. Economic Evaluation of SFE Process
3. Results and Discussion
3.1. Characterization of Annatto Seeds
3.2. Global Extraction Yield
3.3. Bixin Content in Extracts
3.4. Tocotrienol and Tocopherol Contents in Extracts
3.5. Antioxidant Activity by DPPH Free-Radical Scavenging Assay in Extracts
3.6. Cost of Manufacturing of Extracts
4. Conclusions
Author Contributions
Funding
Institutional Review Board Statement
Informed Consent Statement
Data Availability Statement
Acknowledgments
Conflicts of Interest
References
- Oliveira, S.D.; Araújo, R.D.; da Silva, G.A.; Leitão, J.H.; da Silva Sousa, S.A.; Fonseca, L.P.; Carvalho, J.C.; Cantuária, P.; Hage-Melim, L.I.; Ferreira, I.M. Bixa orellana L. from northern Brazil: Morphological analysis, phenolic content, antioxidant and antibacterial activities. Braz. J. Bot. 2022, 45, 883–896. [Google Scholar] [CrossRef]
- Manco, E. Accesiones Promisorias Banco de Germoplasma de la SUDIRGEB, 1st ed.; National Food and Agriculture Research and Technology Institute of Perú: Lima, Perú, 2009; pp. 9–14. [Google Scholar]
- Annatto Market Size & Share Analysis—Growth Trends & Forecasts (2024–2029). Available online: https://www.mordorintelligence.com/industry-reports/annatto-market (accessed on 9 November 2023).
- World Intellectual Property Organization. Available online: https://patentscope.wipo.int/search/es/search.jsf (accessed on 9 November 2023).
- Szewczyk, K.; Chojnacka, A.; Górnicka, M. Tocopherols and tocotrienols—Bioactive dietary compounds; what is certain, what is doubt? Int. J. Mol. Sci. 2021, 22, 6222. [Google Scholar] [CrossRef] [PubMed]
- Azzi, A. Tocopherols, tocotrienols and tocomonoenols: Many similar molecules but only one vitamin E. Redox Biol. 2019, 26, 101259. [Google Scholar] [CrossRef]
- Albuquerque, C.L.; Meireles, M.A. Defatting of annatto seeds using supercritical carbon dioxide as a pretreatment for the production of bixin: Experimental, modeling and economic evaluation of the process. J. Supercrit. Fluids 2012, 66, 86–95. [Google Scholar] [CrossRef]
- Taham, T.; Cabral, F.A.; Barrozo, M.A. Extraction of bixin from annatto seeds using combined technologies. J. Supercrit. Fluids 2015, 100, 175–183. [Google Scholar] [CrossRef]
- Zabot, G.L.; Moraes, M.N.; Meireles, M.A. Process integration for producing tocotrienols-rich oil and bixin-rich extract from annatto seeds: A techno-economic approach. Food Bioprod. Process. 2018, 109, 122–138. [Google Scholar] [CrossRef]
- Vardanega, R.; Nogueira, G.C.; Nascimento, C.D.; Faria-Machado, A.F.; Meireles, M.A. Selective extraction of bioactive compounds from annatto seeds by sequential supercritical CO2 process. J. Supercrit. Fluids 2019, 150, 122–127. [Google Scholar] [CrossRef]
- Nolasco Chumpitaz, J.; Ccoyllo-Llacsa, P.; Koc-Sanchez, G.; Medina-Morales, P. Collection and morphological characterization of 149 accessions of achiote (Bixa orellana L.) from seven departments in Perú. Peruv. J. Agron. 2020, 4, 93–103. [Google Scholar] [CrossRef]
- FAO. Manuals of food quality control (14/7). In Food Analysis: General Techniques, Additives, Contaminants and Composition, 3rd ed.; Food and Agriculture Organization of the United Nations: Roma, Italy, 1986; pp. 203–209. [Google Scholar]
- Nobre, B.P.; Mendes, R.L.; Queiroz, E.M.; Pessoa, F.L.; Coelho, J.P.; Palavra, A.F. Supercritical carbon dioxide extraction of pigments from Bixa orellana seeds (experiments and modeling). Braz. J. Chem. Eng. 2006, 23, 251–258. [Google Scholar] [CrossRef]
- The National Institute of Standards and Technology WebBook. Available online: https://webbook.nist.gov/cgi/cbook.cgi?ID=124-38-9 (accessed on 5 October 2023).
- Joint FAO/WHO Expert Committee on Food Additives. Compendium of Food Additive Specifications: Joint FAO/WHO Expert Committee on Food Additives. In Proceedings of the 67th Meeting 2006, Rome, Italy, 20–29 June 2006.
- Brand-Williams, W.; Cuvelier, M.E.; Berset, C. Use of a free radical method to evaluate antioxidant activity. Food Sci. Technol. 1995, 28, 25–30. [Google Scholar] [CrossRef]
- Alvarez-Parrilla, E.; Mercado-Mercado, G.; La Rosa, L.A.; Díaz, J.A.; Wall-Medrano, A.; González-Aguilar, G.A. Antioxidant activity and prevention of pork meat lipid oxidation using traditional Mexican condiments (pasilla dry pepper, achiote, and mole sauce). Food Sci. Technol. 2014, 34, 371–378. [Google Scholar] [CrossRef]
- Green, D.; Perry, R. Perry’s Chemical Engineers’ Handbook, 8th ed.; McGraw-Hill Education: New York, NY, USA, 2007. [Google Scholar]
- Smith, R. Chemical Process Design and Integration, 1st ed.; Wiley: Chichester, UK, 2005. [Google Scholar]
- Turton, R.; Bailie, R.C.; Whiting, W.B.; Shaeiwitz, J.A.; Bhattacharyya, D. Analysis, Synthesis and Design of Chemical Processes, 4th ed.; Prentice Hall: Upper Saddle River, NJ, USA, 2012. [Google Scholar]
- Peters, M.S.; Timmerhaus, K.D. Plant Design and Economics for Chemical Engineers, 4th ed; McGraw-Hill: Auckland, New Zealand, 1991. [Google Scholar]
- Bureau of Labor Statistics. Available online: http://www.bls.gov/fls/country/brazil.htm (accessed on 2 December 2023).
- Jesus, S.P.; Calheiros, M.N.; Hense, H.; Meireles, M.A. A simplified model to describe the kinetic behavior of supercritical fluid extraction from a rice bran oil byproduct. Food Public Health 2013, 3, 215–222. [Google Scholar] [CrossRef][Green Version]
- Pingale, S. Study of extraction, optimization and purification of natural food colorant from the seeds of annatto. World J. Pharm. Res. 2016, 5, 1458–1467. [Google Scholar]
- Moraes, M.N.; Zabot, G.L.; Meireles, M.A. Extraction of tocotrienols from annatto seeds by a pseudo continuously operated SFE process integrated with low-pressure solvent extraction for bixin production. J. Supercrit. Fluids 2015, 96, 262–271. [Google Scholar] [CrossRef]
- Sganzerla, W.G.; Silva, M.F.; Zabot, G.L.; Goldbeck, R.; Mussatto, S.I.; Forster-Carneiro, T. Techno-economic assessment of subcritical water hydrolysis of brewer’s spent grains to recover xylo-oligosaccharides. J. Supercrit. Fluids 2023, 196, 105895. [Google Scholar] [CrossRef]
- Chani-Paucar, L.O.; Flores, J.C.; Zabot, G.L.; Meireles, M.A. Technical and economic evaluation of supercritical CO2 extraction of oil from sucupira branca seeds. J. Supercrit. Fluids 2022, 181, 105494. [Google Scholar] [CrossRef]
- Pereira, D.T.; Zabot, G.L.; Reyes, F.G.; Iglesias, A.H.; Martínez, J. Integration of pressurized liquids and ultrasound in the extraction of bioactive compounds from passion fruit rinds: Impact on phenolic yield, extraction kinetics and technical-economic evaluation. Innov. Food Sci. Emerg. Technol. 2021, 67, 102549. [Google Scholar] [CrossRef]







| T (°C) | P (Bar) | Density (kg/m3) |
|---|---|---|
| 40 | 100 | 628.6 |
| 40 | 150 | 780.2 |
| 40 | 250 | 879.5 |
| 50 | 100 | 384.3 |
| 50 | 150 | 699.8 |
| 50 | 250 | 834.2 |
| 60 | 100 | 290.0 |
| 60 | 150 | 604.1 |
| 60 | 250 | 786.6 |
| Economic Parameter | Value | Dimension |
|---|---|---|
| Fixed capital investment (FCI) | ||
| Total cost of SFE (200 L) a,b | 1,356,000.00 | (USD) |
| Total cost of SFE (2000 L) a,b | 5,401,000.00 | (USD) |
| Annual depreciation rate c | 10 | (%) |
| Annual maintenance rate c | 6 | (%) |
| Project lifetime | 25 | (years) |
| Annual time worked | 7920 | (h/year) |
| Cost of raw material (CRM) | ||
| Annatto seeds d | 3.67 | (USD/kg) |
| Transport and pre-processing of annatto seeds e | 40 | (USD/ton) |
| Industrial CO2 d | 3.89 | (USD/kg) |
| Water (for direct use in the process) d | 4.00 | (USD/ton) |
| Cost of operational labor (COL) | ||
| Wage (with benefits and administration) f | 16.80 | (USD/h.worker) |
| Number of workers per shift | 2 | (Worker/shift) |
| Total wage per day (3 shifts/day) | 806.40 | (USD/day) |
| Cost of utilities (CUT) | ||
| Water (for cooling and cleaning) d | 1.00 | (USD/ton) |
| Steam d | 12.00 | (USD/ton) |
| Glycol solution d | 10.00 | (USD/ton) |
| Electricity d | 0.25 | (USD/kW.h) |
| Component | Composition (%) | ||
|---|---|---|---|
| This Work | [8] | [7] | |
| Moisture | 11.26 ± 0.07 | 11.5 | 12.3 ± 0.1 |
| Protein | 15.62 ± 0.11 | 10.34 | 12.1 ± 0.2 |
| Ash | 4.93 ± 0.04 | 3.82 | 6.2 ± 0.1 |
| Lipids | 3.04 ± 0.01 | 4.99 | 3.7 ± 0.0 |
| T (°C) | P (Bar) | Density (kg/m3) | Global Extraction Yield (g Extract/100 g d.b.) * |
|---|---|---|---|
| 40 | 100 | 628.6 | 1.22 ± 0.01 C |
| 40 | 150 | 780.2 | 1.42 ± 0.04 A |
| 40 | 250 | 879.5 | 1.21 ± 0.01 C |
| 50 | 100 | 384.3 | 0.24 ±0.03 E |
| 50 | 150 | 699.8 | 1.35 ± 0.03 AB |
| 50 | 250 | 834.2 | 1.31 ± 0.06 B |
| 60 | 100 | 290.0 | 0.14 ± 0.01 F |
| 60 | 150 | 604.1 | 1.04 ± 0.01 D |
| 60 | 250 | 786.6 | 1.40 ± 0.01 A |
| T (°C) | P (Bar) | Bixin Content (g Bixin/g Extract) * |
|---|---|---|
| 40 | 100 | 0.036 ± 0.006 E |
| 40 | 150 | 0.239 ± 0.008 C |
| 40 | 250 | 0.546 ± 0.015 B |
| 50 | 100 | 0.031 ± 0.001 E |
| 50 | 150 | 0.099 ± 0.006 D |
| 50 | 250 | 0.577 ± 0.026 A |
| 60 | 100 | 0.031 ± 0.005 E |
| 60 | 150 | 0.034 ± 0.001 E |
| 60 | 250 | 0.564 ± 0.005 AB |
| T (°C) | P (Bar) | δ-Tocotrienol (mg/g Extract) | γ-Tocotrienol (mg/g Extract) | β-Tocopherol (mg/g Extract) |
|---|---|---|---|---|
| 40 | 150 | 236.9 | 30.3 | n.d. |
| 40 | 250 | 312.5 | 38.7 | 2.4 |
| 50 | 150 | 161.0 | 20.4 | n.d. |
| 50 | 250 | 232.3 | 28.3 | 1.4 |
| 60 | 150 | 51.4 | 5.1 | n.d. |
| 60 | 250 | 307.8 | 39.2 | 2.0 |
| T (°C) | P (Bar) | IC50 (μg/mL) |
|---|---|---|
| 40 | 150 | 1626.53 |
| 40 | 250 | 818.51 |
| 50 | 150 | 1997.07 |
| 50 | 250 | 1066.14 |
| 60 | 150 | 5573.93 |
| 60 | 250 | 989.96 |
| Scenario | T (°C) | P (Bar) | t (min) | COM (USD/kg) | CRM (%) | COL (%) | FCI (%) | CUT (%) |
|---|---|---|---|---|---|---|---|---|
| 1 | 40 | 100 | 5 | 2649.39 | 92.83 | 4.14 | 2.63 | 0.40 |
| 2 | 40 | 100 | 10 | 1528.28 | 91.79 | 4.77 | 3.04 | 0.40 |
| 3 | 40 | 100 | 20 | 868.53 | 89.80 | 5.85 | 3.73 | 0.62 |
| 4 | 40 | 100 | 30 | 630.48 | 88.00 | 6.83 | 4.35 | 0.82 |
| 5 | 40 | 100 | 45 | 470.05 | 85.57 | 8.15 | 5.19 | 1.09 |
| 6 | 40 | 100 | 60 | 407.75 | 83.43 | 9.31 | 5.93 | 1.33 |
| 7 | 40 | 100 | 90 | 399.89 | 80.40 | 10.66 | 6.79 | 2.15 |
| 8 | 40 | 100 | 120 | 367.87 | 76.91 | 12.85 | 8.19 | 2.05 |
| 9 | 50 | 100 | 5 | 4290.15 | 92.72 | 4.13 | 2.63 | 0.52 |
| 10 | 50 | 100 | 10 | 3867.66 | 91.68 | 4.77 | 3.04 | 0.51 |
| 11 | 50 | 100 | 20 | 3038.89 | 89.70 | 5.85 | 3.72 | 0.73 |
| 12 | 50 | 100 | 30 | 2679.63 | 87.89 | 6.82 | 4.35 | 0.94 |
| 13 | 50 | 100 | 45 | 2370.15 | 85.46 | 8.14 | 5.18 | 1.22 |
| 14 | 50 | 100 | 60 | 2157.28 | 83.32 | 9.30 | 5.92 | 1.46 |
| 15 | 50 | 100 | 90 | 2142.77 | 80.28 | 10.64 | 6.78 | 2.30 |
| 16 | 50 | 100 | 120 | 1895.82 | 76.79 | 12.83 | 8.18 | 2.20 |
| 17 | 60 | 100 | 5 | 4585.00 | 92.62 | 4.13 | 2.63 | 0.62 |
| 18 | 60 | 100 | 10 | 4514.21 | 91.59 | 4.76 | 3.03 | 0.62 |
| 19 | 60 | 100 | 20 | 4089.62 | 89.60 | 5.84 | 3.72 | 0.85 |
| 20 | 60 | 100 | 30 | 3789.52 | 87.79 | 6.81 | 4.34 | 1.06 |
| 21 | 60 | 100 | 45 | 3445.60 | 85.35 | 8.13 | 5.18 | 1.34 |
| 22 | 60 | 100 | 60 | 3402.06 | 83.21 | 9.29 | 5.92 | 1.58 |
| 23 | 60 | 100 | 90 | 3291.09 | 79.60 | 11.24 | 7.16 | 2.00 |
| 24 | 60 | 100 | 120 | 3244.33 | 76.68 | 12.82 | 8.16 | 2.34 |
| 25 | 40 | 150 | 5 | 992.63 | 92.75 | 4.03 | 2.56 | 0.66 |
| 26 | 40 | 150 | 10 | 545.05 | 91.73 | 4.65 | 2.96 | 0.66 |
| 27 | 40 | 150 | 20 | 344.29 | 89.79 | 5.85 | 3.72 | 0.64 |
| 28 | 40 | 150 | 30 | 294.38 | 87.97 | 6.83 | 4.35 | 0.85 |
| 29 | 40 | 150 | 45 | 272.94 | 85.54 | 8.14 | 5.19 | 1.13 |
| 30 | 40 | 150 | 60 | 271.77 | 83.39 | 9.30 | 5.93 | 1.38 |
| 31 | 40 | 150 | 90 | 288.94 | 79.77 | 11.26 | 7.17 | 1.80 |
| 32 | 40 | 150 | 120 | 315.01 | 76.84 | 12.84 | 8.18 | 2.14 |
| 33 | 50 | 150 | 5 | 1287.89 | 92.64 | 4.02 | 2.56 | 0.78 |
| 34 | 50 | 150 | 10 | 727.58 | 91.63 | 4.64 | 2.96 | 0.77 |
| 35 | 50 | 150 | 20 | 442.76 | 89.68 | 5.84 | 3.72 | 0.76 |
| 36 | 50 | 150 | 30 | 352.55 | 87.87 | 6.82 | 4.34 | 0.97 |
| 37 | 50 | 150 | 45 | 321.72 | 85.43 | 8.13 | 5.18 | 1.26 |
| 38 | 50 | 150 | 60 | 307.64 | 83.28 | 9.29 | 5.92 | 1.51 |
| 39 | 50 | 150 | 90 | 314.94 | 79.66 | 11.24 | 7.16 | 1.94 |
| 40 | 50 | 150 | 120 | 333.58 | 76.73 | 12.82 | 8.17 | 2.28 |
| 41 | 60 | 150 | 5 | 1702.10 | 92.52 | 4.02 | 2.56 | 0.90 |
| 42 | 60 | 150 | 10 | 1089.16 | 91.53 | 4.63 | 2.95 | 0.89 |
| 43 | 60 | 150 | 20 | 654.04 | 89.58 | 5.83 | 3.72 | 0.87 |
| 44 | 60 | 150 | 30 | 518.72 | 87.76 | 6.81 | 4.34 | 1.09 |
| 45 | 60 | 150 | 45 | 446.91 | 85.32 | 8.12 | 5.17 | 1.39 |
| 46 | 60 | 150 | 60 | 415.67 | 83.17 | 9.28 | 5.91 | 1.64 |
| 47 | 60 | 150 | 90 | 415.87 | 79.55 | 11.23 | 7.15 | 2.07 |
| 48 | 60 | 150 | 120 | 432.59 | 76.62 | 12.80 | 8.16 | 2.42 |
| 49 | 40 | 250 | 5 | 744.93 | 92.71 | 4.02 | 2.56 | 0.71 |
| 50 | 40 | 250 | 10 | 447.61 | 91.70 | 4.64 | 2.96 | 0.70 |
| 51 | 40 | 250 | 20 | 324.38 | 89.75 | 5.84 | 3.72 | 0.69 |
| 52 | 40 | 250 | 30 | 296.36 | 87.92 | 6.82 | 4.34 | 0.92 |
| 53 | 40 | 250 | 45 | 293.18 | 85.47 | 8.13 | 5.18 | 1.22 |
| 54 | 40 | 250 | 60 | 302.33 | 83.30 | 9.29 | 5.92 | 1.49 |
| 55 | 40 | 250 | 90 | 333.88 | 79.66 | 11.24 | 7.16 | 1.94 |
| 56 | 40 | 250 | 120 | 370.91 | 76.72 | 12.81 | 8.16 | 2.31 |
| 57 | 50 | 250 | 5 | 723.38 | 92.59 | 4.02 | 2.56 | 0.83 |
| 58 | 50 | 250 | 10 | 436.62 | 91.59 | 4.64 | 2.95 | 0.82 |
| 59 | 50 | 250 | 20 | 306.28 | 89.65 | 5.83 | 3.72 | 0.80 |
| 60 | 50 | 250 | 30 | 278.67 | 87.82 | 6.81 | 4.34 | 1.03 |
| 61 | 50 | 250 | 45 | 272.94 | 85.36 | 8.12 | 5.12 | 1.34 |
| 62 | 50 | 250 | 60 | 280.67 | 83.20 | 9.28 | 5.91 | 1.62 |
| 63 | 50 | 250 | 90 | 309.36 | 79.55 | 11.22 | 7.15 | 2.08 |
| 64 | 50 | 250 | 120 | 343.45 | 76.60 | 12.80 | 8.15 | 2.45 |
| 65 | 60 | 250 | 5 | 713.12 | 92.49 | 4.01 | 2.56 | 0.94 |
| 66 | 60 | 250 | 10 | 416.50 | 91.49 | 4.63 | 2.95 | 0.93 |
| 67 | 60 | 250 | 20 | 287.82 | 89.55 | 5.83 | 3.71 | 0.91 |
| 68 | 60 | 250 | 30 | 260.42 | 87.71 | 6.80 | 4.33 | 1.16 |
| 69 | 60 | 250 | 45 | 255.30 | 85.25 | 8.11 | 5.17 | 1.47 |
| 70 | 60 | 250 | 60 | 263.45 | 83.08 | 9.27 | 5.90 | 1.75 |
| 71 | 60 | 250 | 90 | 290.35 | 79.43 | 11.21 | 7.14 | 2.22 |
| 72 | 60 | 250 | 120 | 322.84 | 76.49 | 12.77 | 8.15 | 2.59 |
| Scenario | T (°C) | P (Bar) | t (min) | COM (USD/kg) | CRM (%) | COL (%) | FCI (%) | CUT (%) |
|---|---|---|---|---|---|---|---|---|
| 1 | 40 | 100 | 5 | 2396.49 | 96.22 | 0.84 | 2.12 | 0.82 |
| 2 | 40 | 100 | 10 | 1356.14 | 95.74 | 0.97 | 2.47 | 0.82 |
| 3 | 40 | 100 | 20 | 754.40 | 94.60 | 1.17 | 2.98 | 1.25 |
| 4 | 40 | 100 | 30 | 537.73 | 93.58 | 1.35 | 3.44 | 1.63 |
| 5 | 40 | 100 | 45 | 390.31 | 92.25 | 1.59 | 4.03 | 2.13 |
| 6 | 40 | 100 | 60 | 331.59 | 91.12 | 1.79 | 4.54 | 2.55 |
| 7 | 40 | 100 | 90 | 290.07 | 89.29 | 2.11 | 5.36 | 3.24 |
| 8 | 40 | 100 | 120 | 282.30 | 87.86 | 2.36 | 6.00 | 3.78 |
| 9 | 50 | 100 | 5 | 3869.66 | 96.00 | 0.84 | 2.12 | 1.04 |
| 10 | 50 | 100 | 10 | 3414.47 | 95.53 | 0.97 | 2.46 | 1.04 |
| 11 | 50 | 100 | 20 | 2659.94 | 94.38 | 1.17 | 2.97 | 1.48 |
| 12 | 50 | 100 | 30 | 2288.76 | 93.36 | 1.35 | 3.43 | 1.86 |
| 13 | 50 | 100 | 45 | 1969.80 | 92.03 | 1.58 | 4.02 | 2.37 |
| 14 | 50 | 100 | 60 | 1760.21 | 90.90 | 1.78 | 4.53 | 2.79 |
| 15 | 50 | 100 | 90 | 1556.76 | 89.06 | 2.11 | 5.34 | 3.49 |
| 16 | 50 | 100 | 120 | 1455.01 | 87.63 | 2.36 | 5.98 | 4.03 |
| 17 | 60 | 100 | 5 | 4106.44 | 95.79 | 0.83 | 2.11 | 1.27 |
| 18 | 60 | 100 | 10 | 4008.71 | 95.32 | 0.97 | 2.45 | 1.26 |
| 19 | 60 | 100 | 20 | 3554.72 | 94.17 | 1.17 | 2.97 | 1.70 |
| 20 | 60 | 100 | 30 | 3230.53 | 93.14 | 1.35 | 3.42 | 2.09 |
| 21 | 60 | 100 | 45 | 2863.16 | 91.81 | 1.58 | 4.01 | 2.60 |
| 22 | 60 | 100 | 60 | 2765.43 | 90.67 | 1.78 | 4.51 | 3.04 |
| 23 | 60 | 100 | 90 | 2588.67 | 88.82 | 2.10 | 5.33 | 3.74 |
| 24 | 60 | 100 | 120 | 2492.33 | 87.39 | 2.35 | 5.97 | 4.29 |
| 25 | 40 | 150 | 5 | 861.42 | 96.14 | 0.83 | 2.10 | 0.93 |
| 26 | 40 | 150 | 10 | 467.21 | 95.67 | 0.96 | 2.44 | 0.93 |
| 27 | 40 | 150 | 20 | 299.31 | 94.56 | 1.17 | 2.98 | 1.29 |
| 28 | 40 | 150 | 30 | 250.76 | 93.53 | 1.35 | 3.43 | 1.69 |
| 29 | 40 | 150 | 45 | 226.73 | 92.18 | 1.59 | 4.02 | 2.21 |
| 30 | 40 | 150 | 60 | 221.11 | 91.03 | 1.79 | 4.53 | 2.65 |
| 31 | 40 | 150 | 90 | 227.45 | 89.17 | 2.11 | 5.35 | 3.37 |
| 32 | 40 | 150 | 120 | 241.83 | 87.73 | 2.36 | 5.99 | 3.93 |
| 33 | 50 | 150 | 5 | 1116.89 | 95.92 | 0.83 | 2.10 | 1.15 |
| 34 | 50 | 150 | 10 | 622.97 | 95.46 | 0.96 | 2.44 | 1.14 |
| 35 | 50 | 150 | 20 | 385.27 | 94.34 | 1.17 | 2.97 | 1.52 |
| 36 | 50 | 150 | 30 | 310.61 | 93.31 | 1.35 | 3.42 | 1.92 |
| 37 | 50 | 150 | 45 | 267.28 | 91.96 | 1.58 | 4.01 | 2.45 |
| 38 | 50 | 150 | 60 | 250.46 | 90.80 | 1.78 | 4.52 | 2.90 |
| 39 | 50 | 150 | 90 | 248.05 | 88.94 | 2.10 | 5.34 | 3.62 |
| 40 | 50 | 150 | 120 | 256.25 | 87.49 | 2.35 | 5.97 | 4.19 |
| 41 | 60 | 150 | 5 | 1484.69 | 95.71 | 0.83 | 2.09 | 1.37 |
| 42 | 60 | 150 | 10 | 938.00 | 95.24 | 0.96 | 2.43 | 1.37 |
| 43 | 60 | 150 | 20 | 568.23 | 94.13 | 1.17 | 2.96 | 1.74 |
| 44 | 60 | 150 | 30 | 442.66 | 93.08 | 1.35 | 3.42 | 2.15 |
| 45 | 60 | 150 | 45 | 371.52 | 91.73 | 1.58 | 4.00 | 2.69 |
| 46 | 60 | 150 | 60 | 338.61 | 90.57 | 1.78 | 4.51 | 3.14 |
| 47 | 60 | 150 | 90 | 327.64 | 88.71 | 2.10 | 5.32 | 3.87 |
| 48 | 60 | 150 | 120 | 332.49 | 87.26 | 2.35 | 5.95 | 4.44 |
| 49 | 40 | 250 | 5 | 670.87 | 95.86 | 0.80 | 2.03 | 1.31 |
| 50 | 40 | 250 | 10 | 396.38 | 95.42 | 0.93 | 2.35 | 1.30 |
| 51 | 40 | 250 | 20 | 282.28 | 94.48 | 1.17 | 2.97 | 1.38 |
| 52 | 40 | 250 | 30 | 252.52 | 93.42 | 1.35 | 3.42 | 1.81 |
| 53 | 40 | 250 | 45 | 243.78 | 92.03 | 1.58 | 4.01 | 2.38 |
| 54 | 40 | 250 | 60 | 246.23 | 90.85 | 1.78 | 4.52 | 2.85 |
| 55 | 40 | 250 | 90 | 263.02 | 88.94 | 2.10 | 5.33 | 3.63 |
| 56 | 40 | 250 | 120 | 284.95 | 87.45 | 2.35 | 5.96 | 4.24 |
| 57 | 50 | 250 | 5 | 651.42 | 95.64 | 0.80 | 2.02 | 1.54 |
| 58 | 50 | 250 | 10 | 386.82 | 95.19 | 0.93 | 2.35 | 1.53 |
| 59 | 50 | 250 | 20 | 266.29 | 94.26 | 1.17 | 2.96 | 1.61 |
| 60 | 50 | 250 | 30 | 237.56 | 93.19 | 1.35 | 3.42 | 2.04 |
| 61 | 50 | 250 | 45 | 226.97 | 91.81 | 1.58 | 4.00 | 2.61 |
| 62 | 50 | 250 | 60 | 228.61 | 90.61 | 1.78 | 4.51 | 3.10 |
| 63 | 50 | 250 | 90 | 243.77 | 88.70 | 2.10 | 5.32 | 3.88 |
| 64 | 50 | 250 | 120 | 264.03 | 87.22 | 2.34 | 5.95 | 4.49 |
| 65 | 60 | 250 | 5 | 641.48 | 95.42 | 0.80 | 2.02 | 1.76 |
| 66 | 60 | 250 | 10 | 369.20 | 94.98 | 0.92 | 2.34 | 1.76 |
| 67 | 60 | 250 | 20 | 250.39 | 94.04 | 1.17 | 2.96 | 1.83 |
| 68 | 60 | 250 | 30 | 222.13 | 92.98 | 1.34 | 3.41 | 2.27 |
| 69 | 60 | 250 | 45 | 212.39 | 91.58 | 1.57 | 3.99 | 2.86 |
| 70 | 60 | 250 | 60 | 214.65 | 90.39 | 1.77 | 4.49 | 3.35 |
| 71 | 60 | 250 | 90 | 228.94 | 88.47 | 2.09 | 5.30 | 4.14 |
| 72 | 60 | 250 | 120 | 248.35 | 86.98 | 2.34 | 5.93 | 4.75 |
Disclaimer/Publisher’s Note: The statements, opinions and data contained in all publications are solely those of the individual author(s) and contributor(s) and not of MDPI and/or the editor(s). MDPI and/or the editor(s) disclaim responsibility for any injury to people or property resulting from any ideas, methods, instructions or products referred to in the content. |
© 2024 by the authors. Licensee MDPI, Basel, Switzerland. This article is an open access article distributed under the terms and conditions of the Creative Commons Attribution (CC BY) license (https://creativecommons.org/licenses/by/4.0/).
Share and Cite
Cárdenas-Toro, F.P.; Meza-Coaquira, J.H.; Nakama-Hokamura, G.K.; Zabot, G.L. Obtaining Bixin- and Tocotrienol-Rich Extracts from Peruvian Annatto Seeds Using Supercritical CO2 Extraction: Experimental and Economic Evaluation. Foods 2024, 13, 1549. https://doi.org/10.3390/foods13101549
Cárdenas-Toro FP, Meza-Coaquira JH, Nakama-Hokamura GK, Zabot GL. Obtaining Bixin- and Tocotrienol-Rich Extracts from Peruvian Annatto Seeds Using Supercritical CO2 Extraction: Experimental and Economic Evaluation. Foods. 2024; 13(10):1549. https://doi.org/10.3390/foods13101549
Chicago/Turabian StyleCárdenas-Toro, Fiorella P., Jennifer H. Meza-Coaquira, Gabriela K. Nakama-Hokamura, and Giovani Leone Zabot. 2024. "Obtaining Bixin- and Tocotrienol-Rich Extracts from Peruvian Annatto Seeds Using Supercritical CO2 Extraction: Experimental and Economic Evaluation" Foods 13, no. 10: 1549. https://doi.org/10.3390/foods13101549
APA StyleCárdenas-Toro, F. P., Meza-Coaquira, J. H., Nakama-Hokamura, G. K., & Zabot, G. L. (2024). Obtaining Bixin- and Tocotrienol-Rich Extracts from Peruvian Annatto Seeds Using Supercritical CO2 Extraction: Experimental and Economic Evaluation. Foods, 13(10), 1549. https://doi.org/10.3390/foods13101549

