Next Issue
Volume 116, AEE 2025
Previous Issue
Volume 114, AdvaMAP 2025
 
 
engproc-logo

Journal Browser

Journal Browser

Eng. Proc., 2025, JIEE 2025

The XXXIII Conference on Electrical and Electronic Engineering

Quito, Ecuador | 11–14 November 2025

Volume Editors:
Jackeline Abad, Escuela Politécnica Nacional, Quito, Ecuador
Diego Echeverría, Escuela Politécnica Nacional, Quito, Ecuador
Christian Tipantuña, Escuela Politécnica Nacional, Quito, Ecuador
Pablo Proaño, Escuela Politécnica Nacional, Quito, Ecuador

Number of Papers: 26
  • Issues are regarded as officially published after their release is announced to the table of contents alert mailing list.
  • You may sign up for e-mail alerts to receive table of contents of newly released issues.
  • PDF is the official format for papers published in both, html and pdf forms. To view the papers in pdf format, click on the "PDF Full-text" link, and use the free Adobe Reader to open them.
Cover Story (view full-size image): The XXXIII Electrical and Electronic Engineering Conference (JIEE 2025) was organized by the Faculty of Electrical and Electronic Engineering at the National Polytechnic School, Ecuador, from 11 to [...] Read more.
Order results
Result details
Select all
Export citation of selected articles as:

Editorial

Jump to: Other

3 pages, 172 KB  
Editorial
Preface and Statement of Peer Review: XXXIII Conference on Electrical and Electronic Engineering
by Jackeline Abad, Christian Tipantuña, Diego Echeverría, Pablo Proaño and Marcelo Pozo
Eng. Proc. 2025, 115(1), 26; https://doi.org/10.3390/engproc2025115026 - 17 Nov 2025
Viewed by 383
Abstract
The XXXIII Electrical and Electronic Engineering Conference (XXXIII JIEE-2025) is an annual scientific and academic event organized by the Facultad de Ingeniería Eléctrica y Electrónica (FIEE) of the Escuela Politécnica Nacional (EPN), Quito, Ecuador [...] Full article
(This article belongs to the Proceedings of The XXXIII Conference on Electrical and Electronic Engineering)

Other

Jump to: Editorial

10 pages, 534 KB  
Proceeding Paper
Evaluation Framework for False Positives in Open-Source WAFs Based on OWASP CRS Paranoia Levels: A Systematic Approach for Comparative Measurement
by Aldrin Reyes Narváez, Michael Curipallo Martínez, Emerson Reyes Narváez, Fernando Lara, Edison Patricio Reyes Narváez and Hernan Barba Molina
Eng. Proc. 2025, 115(1), 1; https://doi.org/10.3390/engproc2025115001 - 15 Nov 2025
Cited by 1 | Viewed by 1302
Abstract
This work presents a systematic and modular framework to evaluate the detection of false positives (FPs) in open-source Web Application Firewalls (WAFs), implementing the OWASP Core Rule Set (CRS) and considering four different paranoia levels (PL1–PL4). The experimental design includes controlled generation of [...] Read more.
This work presents a systematic and modular framework to evaluate the detection of false positives (FPs) in open-source Web Application Firewalls (WAFs), implementing the OWASP Core Rule Set (CRS) and considering four different paranoia levels (PL1–PL4). The experimental design includes controlled generation of legitimate traffic, sequential application of sensitivity levels, monitoring of WAF behavior, and statistical analysis of FP rates. As a proof of concept, a virtualized laboratory environment is implemented using ModSecurity 2.9 and OWASP CRS 3.3.7 as a reverse proxy, applying 30 groups of progressively increasing legitimate requests, each carried out 20 times per paranoia level. The results show that PL1 does not generate FPs, while PL2, PL3, and PL4 progressively increase the FP rate, although no statistically significant differences are found among them. The proposed framework provides a foundation for comparative quantitative evaluations across multiple WAF solutions and deployment scenarios, supporting informed decisions prior to production environment implementation. Full article
(This article belongs to the Proceedings of The XXXIII Conference on Electrical and Electronic Engineering)
Show Figures

Figure 1

8 pages, 1356 KB  
Proceeding Paper
IoT System for Monitoring and Controlling Microclimates in a Fruit Fly Breeding Chamber
by Luigi O. Freire, Jessica N. Castillo, E. Freddy Robalino, Luis Antonio Flores and Danilo Fabricio Trujillo
Eng. Proc. 2025, 115(1), 2; https://doi.org/10.3390/engproc2025115002 - 17 Nov 2025
Cited by 1 | Viewed by 974
Abstract
Controlling the microclimate is vital in fruit fly breeding. This project develops an automated IoT system for monitoring and controlling temperature and relative humidity in chambers, optimizing processes through accessible and flexible technology. It uses a multi-layer system starting with the application layer [...] Read more.
Controlling the microclimate is vital in fruit fly breeding. This project develops an automated IoT system for monitoring and controlling temperature and relative humidity in chambers, optimizing processes through accessible and flexible technology. It uses a multi-layer system starting with the application layer with the ESP32 for data acquisition and actuator control. The second layer is the network layer, and the perception layer uses VisionFive2 with MQTT and HTTP protocols for communication, as well as NodeRed for flow orchestration and MySQL for data management and storage. In the validation, there are absolute errors of ±0.434 °C and ±0.5 RH, which are values within the acceptable ranges for these applications. Full article
(This article belongs to the Proceedings of The XXXIII Conference on Electrical and Electronic Engineering)
Show Figures

Figure 1

10 pages, 1488 KB  
Proceeding Paper
Extended Kalman Filter-Based 2D Pose Estimation for Omnidirectional Mecanum Robots via Sensor Fusion: A SO(2) Lie Group Formulation
by Dayanara Tata, William Chamorro, Diego Maldonado and Ronald Pillajo
Eng. Proc. 2025, 115(1), 3; https://doi.org/10.3390/engproc2025115003 - 15 Nov 2025
Viewed by 1746
Abstract
This article presents a 2D pose estimation method for an omnidirectional mobile robot with Mecanum wheels, using an extended Kalman filter (EKF) formulated on the Lie group SO(2). The purpose is estimate the robot’s position and orientation by fusing [...] Read more.
This article presents a 2D pose estimation method for an omnidirectional mobile robot with Mecanum wheels, using an extended Kalman filter (EKF) formulated on the Lie group SO(2). The purpose is estimate the robot’s position and orientation by fusing angular velocity measurements from the wheel encoders with data from an IMU. Employing Lie algebra, the EKF provides a consistent and compact representation of rotational motion, improving prediction and update steps. The filter was implemented in ROS 1 and validated in simulation using Gazebo, with a reference trajectory and real measurements used for evaluation. The system delivers higher pose estimation precision, validating the effectiveness in rotational maneuvers. Full article
(This article belongs to the Proceedings of The XXXIII Conference on Electrical and Electronic Engineering)
Show Figures

Figure 1

9 pages, 1406 KB  
Proceeding Paper
Artificial-Intelligence-Enhanced Virtual Sensor System for Smart Farming: Modeling Ancestral Cultivation Practices in Simulink
by Alan Cuenca Sánchez, Pablo Proaño and Santiago Moises Quinte
Eng. Proc. 2025, 115(1), 4; https://doi.org/10.3390/engproc2025115004 - 15 Nov 2025
Viewed by 760
Abstract
This study presents a validated AI-based data acquisition system for precision agriculture, fully modeled in MATLAB/Simulink R2025a. The system integrates virtual sensors, convolutional neural networks (CNNs), and image-based root analysis to support the ancestral “Huacho Rosado” potato cultivation technique. It is structured into [...] Read more.
This study presents a validated AI-based data acquisition system for precision agriculture, fully modeled in MATLAB/Simulink R2025a. The system integrates virtual sensors, convolutional neural networks (CNNs), and image-based root analysis to support the ancestral “Huacho Rosado” potato cultivation technique. It is structured into three layers: Environmental Data Acquisition, AI-driven processing, and agronomic Decision Support. Virtual sensors simulate soil temperature, moisture, and density, while CNN modules classify soil texture, estimate moisture, and detect root density using RGB images. The decision-support layer computes agronomic forces—bit, shear, and inertial—which are essential for soil management. Simulation results demonstrate real-time inference below 200 ms, moisture prediction errors under 5%, and root density classification accuracy of 90%. A continuous 24-h simulation confirmed the system’s stability and responsiveness. This approach provides a low-cost, scalable, and reproducible framework that bridges indigenous knowledge with modern AI tools, supporting sustainable agriculture in resource-limited environments. Full article
(This article belongs to the Proceedings of The XXXIII Conference on Electrical and Electronic Engineering)
Show Figures

Figure 1

9 pages, 1953 KB  
Proceeding Paper
Visual Mapping and Autonomous Navigation Using AprilTags in Omnidirectional Mobile Robots: A Realistic ROS-Gazebo Simulation Framework
by Brad Steven Herrera, Mateo García, William Chamorro and Diego Maldonado
Eng. Proc. 2025, 115(1), 5; https://doi.org/10.3390/engproc2025115005 - 15 Nov 2025
Viewed by 1868
Abstract
This paper presents a modular, high-fidelity simulation framework for the autonomous navigation of omnidirectional mobile robots using visual localization with AprilTags. The proposed system integrates realistic robot dynamics, a dual-layer path planning architecture, and interchangeable trajectory tracking controllers, all within the ROS Noetic [...] Read more.
This paper presents a modular, high-fidelity simulation framework for the autonomous navigation of omnidirectional mobile robots using visual localization with AprilTags. The proposed system integrates realistic robot dynamics, a dual-layer path planning architecture, and interchangeable trajectory tracking controllers, all within the ROS Noetic and Gazebo simulation environment. AprilTags are employed as low-cost fiducial markers for map construction, eliminating the need for LiDAR or GPS. The architecture supports global path planning via the A* algorithm and local reactive replanning to avoid unexpected obstacles while preserving trajectory continuity. Three control strategies—Lyapunov-based, null-space Lyapunov, and proportional–integral (PI) control—are implemented and evaluated in multiple maze-like environments. Experimental results in the simulation demonstrate accurate trajectory tracking, successful visual mapping, and effective obstacle avoidance under realistic conditions. Full article
(This article belongs to the Proceedings of The XXXIII Conference on Electrical and Electronic Engineering)
Show Figures

Figure 1

11 pages, 1346 KB  
Proceeding Paper
Reactive Power Support from Distributed Generation to Maximize Active Power Injection in Distribution Networks
by Edison Novoa and Jaime Cepeda
Eng. Proc. 2025, 115(1), 6; https://doi.org/10.3390/engproc2025115006 - 15 Nov 2025
Cited by 1 | Viewed by 796
Abstract
This paper investigates the role of reactive power support from Distributed Generation (DG) units in improving voltage compliance and maximizing active power injection in medium-voltage distribution networks. Using the IEEE 34-Node Test Feeder as a case study, a simplified single-phase equivalent model was [...] Read more.
This paper investigates the role of reactive power support from Distributed Generation (DG) units in improving voltage compliance and maximizing active power injection in medium-voltage distribution networks. Using the IEEE 34-Node Test Feeder as a case study, a simplified single-phase equivalent model was developed, excluding voltage regulators, shunt capacitors, and step-down transformers to focus on the intrinsic voltage behavior of the feeder. An AC Optimal Power Flow (OPF) model was formulated in Pyomo and solved with Interior Point Optimizer (IPOPT) to evaluate two operational scenarios: (i) DG injecting a fixed 1 MW of active power without reactive power support, and (ii) DG injecting the same active power with optimized reactive power dispatch within ±0.5 MVAr, subject to apparent power constraints. Simulation results show that allowing reactive power flexibility increases the number of feasible DG connection points, improves minimum bus voltages, and reduces the occurrence of voltage limit violations. The findings suggest that modest reactive power capabilities can significantly enhance the hosting capacity of radial distribution feeders without requiring costly network reinforcements. Full article
(This article belongs to the Proceedings of The XXXIII Conference on Electrical and Electronic Engineering)
Show Figures

Figure 1

10 pages, 3127 KB  
Proceeding Paper
Smart Automation for Residential Spaces with PLC-ESP32 Architecture
by María Daniela Villegas, Edgar David Paredes, José Alfredo Arévalo, Angélica Quito Carrión, Ronald Pillajo, Alan Cuenca Sánchez and Pablo Proaño
Eng. Proc. 2025, 115(1), 7; https://doi.org/10.3390/engproc2025115007 - 15 Nov 2025
Cited by 1 | Viewed by 2309
Abstract
This paper presents the design, development, and testing of a smart home automation system that integrates a Siemens LOGO! programmable logic controller (PLC) with an ESP32 microcontroller to enable dual-mode control—manual and voice-activated. The system automates essential home functions such as lighting, irrigation, [...] Read more.
This paper presents the design, development, and testing of a smart home automation system that integrates a Siemens LOGO! programmable logic controller (PLC) with an ESP32 microcontroller to enable dual-mode control—manual and voice-activated. The system automates essential home functions such as lighting, irrigation, gate control, and ventilation. Through the use of the fauxmoESP library, the ESP32 communicates with Amazon Alexa, converting voice commands into GPIO signals interpreted by the PLC. Manual control is retained via pushbuttons, ensuring operational redundancy in case of network or hardware failure. The system architecture includes optocouplers and relays to ensure voltage compatibility and device protection between the 3.3 V microcontroller and the 12–24 V PLC inputs. Functional tests revealed a 100% success rate in manual operations and over 95% in voice-controlled actions, with notable differences in response times. A cost breakdown and risk analysis are also included to assess feasibility and sustainability. This prototype highlights a practical, low-cost solution for residential automation, with scalability potential for broader smart home applications and educational or industrial implementations. Full article
(This article belongs to the Proceedings of The XXXIII Conference on Electrical and Electronic Engineering)
Show Figures

Figure 1

8 pages, 1717 KB  
Proceeding Paper
Design and Implementation of a Virtual Reality Environment for Safety Training in Key Stages of the Brewing Industrial Process
by Kevin Mauricio Quishpe, Ney Medrano and Maria Fernanda Trujillo
Eng. Proc. 2025, 115(1), 8; https://doi.org/10.3390/engproc2025115008 - 15 Nov 2025
Viewed by 724
Abstract
This article addresses the need to modernize industrial safety training in production plants, as traditional methods have proven to be ineffective and tedious. An immersive virtual environment was developed using Unreal Engine 5, based on 3D reconstructions, allowing users to interact with simulated [...] Read more.
This article addresses the need to modernize industrial safety training in production plants, as traditional methods have proven to be ineffective and tedious. An immersive virtual environment was developed using Unreal Engine 5, based on 3D reconstructions, allowing users to interact with simulated hazards in a virtualized industrial space. The system was validated through surveys conducted with operational personnel, obtaining 100% acceptance and recommendation for implementation. The results show a high perception of realism and usefulness, positioning the environment as a viable alternative to traditional safety training methodologies. Full article
(This article belongs to the Proceedings of The XXXIII Conference on Electrical and Electronic Engineering)
Show Figures

Figure 1

9 pages, 1301 KB  
Proceeding Paper
IoT-Based System for Detecting and Monitoring LPG Leaks in Residential Settings
by E. Freddy Robalino P., Andrés Llerena, Luis Antonio Flores, Fabricio Trujillo, Luigi O. Freire and Fernando Lara
Eng. Proc. 2025, 115(1), 9; https://doi.org/10.3390/engproc2025115009 - 15 Nov 2025
Cited by 1 | Viewed by 3510
Abstract
This project presents the design and implementation of an IoT-based system for early detection of Liquefied Petroleum Gas (LPG) leaks in residential environments. Three functional prototypes were developed, integrating gas sensors, microcontrollers, actuators, and wireless modules. The system achieved 89.48% service availability and [...] Read more.
This project presents the design and implementation of an IoT-based system for early detection of Liquefied Petroleum Gas (LPG) leaks in residential environments. Three functional prototypes were developed, integrating gas sensors, microcontrollers, actuators, and wireless modules. The system achieved 89.48% service availability and response times under 2 s from leak detection to data storage and visualization. Operating under a distributed architecture, it enables continuous monitoring, automatic shut-off, and real-time alerts. The novelty lies in the applied integration of electronics, embedded systems, and automation into an affordable, replicable solution, that enhances household safety, promotes preventive behavior, and supports the adoption of affordable, replicable technologies in vulnerable domestic settings. Full article
(This article belongs to the Proceedings of The XXXIII Conference on Electrical and Electronic Engineering)
Show Figures

Figure 1

10 pages, 2134 KB  
Proceeding Paper
Bilateral Teleoperation of a Formation of Mobile Robot Using Proportional Control and Obstacle Avoidance: Experimental Results
by Juan Cabrera, Gabriela M. Andaluz, Paulo Leica and Oscar Camacho
Eng. Proc. 2025, 115(1), 10; https://doi.org/10.3390/engproc2025115010 - 15 Nov 2025
Viewed by 855
Abstract
This article proposes a distributed formation control strategy for mobile robots (using TurtleBot3 Burger platforms) based on teleoperation using artificial forces and mechanical impedance modeling. The proposed control law is structured in cascade, consisting of an external loop responsible for maintaining the formation [...] Read more.
This article proposes a distributed formation control strategy for mobile robots (using TurtleBot3 Burger platforms) based on teleoperation using artificial forces and mechanical impedance modeling. The proposed control law is structured in cascade, consisting of an external loop responsible for maintaining the formation and an internal loop dedicated to obstacle avoidance. Bilateral teleoperation is enabled by integrating the Novint Falcon haptic device, which allows the human operator to issue velocity commands to the formation and receive force feedback based on the robots’ physical interactions with congested environments. This strategy improves remote perception of the environment and promotes safe and collaborative navigation, validated through experiments in real-world environments. Full article
(This article belongs to the Proceedings of The XXXIII Conference on Electrical and Electronic Engineering)
Show Figures

Figure 1

15 pages, 3619 KB  
Proceeding Paper
Experimental Study of the Interaction of UHF Electromagnetic Waves with Fuel-Contaminated Water
by Kevin Iza Arteaga, Gabriel Palma Batallas, Pablo Lupera Morillo and Darwin Flores Osorio
Eng. Proc. 2025, 115(1), 11; https://doi.org/10.3390/engproc2025115011 - 15 Nov 2025
Viewed by 594
Abstract
This work presents an experimental study of the electromagnetic behavior of water and its interaction with gasoline in the frequency range of 1.9 to 2.6 GHz, corresponding to the UHF band. This interval lies within the dielectric relaxation region of water, where significant [...] Read more.
This work presents an experimental study of the electromagnetic behavior of water and its interaction with gasoline in the frequency range of 1.9 to 2.6 GHz, corresponding to the UHF band. This interval lies within the dielectric relaxation region of water, where significant absorption and reflection phenomena occur. The results show qualitative differences in the electromagnetic responses of water, gasoline, and their mixtures, particularly in the stability of amplitudes and phase variability. The mixtures exhibit an intermediate behavior between the pure liquids, highlighting the direct influence of the dielectric properties of the medium on the reflected signal. Furthermore, it was identified that the band between 2400 and 2550 MHz presents a more predictable amplitude response, making it a promising frequency range for the non-invasive detection of gasoline as a contaminant in aquatic environments. Full article
(This article belongs to the Proceedings of The XXXIII Conference on Electrical and Electronic Engineering)
Show Figures

Figure 1

10 pages, 1785 KB  
Proceeding Paper
Bridging Theory and Simulation: Parametric Identification and Validation for a Multirotor UAV in PX4—Gazebo
by Erick Loyaga, Estefano Quinatoa, Edgar Haro, William Chamorro, Jackeline Abad, Iván Changoluisa and Esteban Valencia
Eng. Proc. 2025, 115(1), 12; https://doi.org/10.3390/engproc2025115012 - 15 Nov 2025
Cited by 1 | Viewed by 2229
Abstract
This paper introduces a structured methodology for bridging the gap between theoretical modeling and high-fidelity simulation of multirotor Unmanned Aerial Systems (UAS) through the construction of digital twins in PX4 v1.12 Software-in-the-Loop (SITL) environments. A key challenge addressed is the absence of standardized [...] Read more.
This paper introduces a structured methodology for bridging the gap between theoretical modeling and high-fidelity simulation of multirotor Unmanned Aerial Systems (UAS) through the construction of digital twins in PX4 v1.12 Software-in-the-Loop (SITL) environments. A key challenge addressed is the absence of standardized procedures for translating physical UAV characteristics into simulation-ready parameters, which often results in inconsistencies between virtual and real-world behavior. To overcome this, we propose a hybrid parametric identification pipeline that combines analytical modeling with experimental characterization. Critical parameters—such as inertial properties, thrust and torque coefficients, drag factors, and motor response profiles—are obtained through a combination of physical measurements and theoretical derivation. The proposed methodology is demonstrated on a custom-built heavy-lift quadrotor, and the resulting digital twin is validated by executing autonomous missions and comparing simulated outputs against flight logs from real-world tests. Full article
(This article belongs to the Proceedings of The XXXIII Conference on Electrical and Electronic Engineering)
Show Figures

Figure 1

9 pages, 7105 KB  
Proceeding Paper
AI-Enhanced Embedded IoT System for Real-Time Industrial Sensor Calibration
by Alan Cuenca-Sánchez, Jeampier Iza, Pablo Proaño and Javier Valenzuela
Eng. Proc. 2025, 115(1), 13; https://doi.org/10.3390/engproc2025115013 - 15 Nov 2025
Cited by 1 | Viewed by 1811
Abstract
This study presents the design and validation of an AI-enhanced embedded IoT system for real-time industrial sensor calibration. The proposed platform integrates a PT100 temperature sensor and a 4–20 mA pressure transmitter with an ESP32 microcontroller, enabling on-device data acquisition, processing, and wireless [...] Read more.
This study presents the design and validation of an AI-enhanced embedded IoT system for real-time industrial sensor calibration. The proposed platform integrates a PT100 temperature sensor and a 4–20 mA pressure transmitter with an ESP32 microcontroller, enabling on-device data acquisition, processing, and wireless transmission. A lightweight multilayer perceptron (MLP) neural network, trained in Python with a hybrid dataset (synthetic and experimental) and deployed on the ESP32 via JSON weight files, performs local inference to estimate ideal sensor outputs and compute key performance metrics. Experimental tests under controlled laboratory conditions confirmed high accuracy, with efficiency above 98.6%, RMSE below 0.005 V, and absolute uncertainty margins of ±0.5 °C and ±0.07 bar. Additionally, 95% confidence intervals for RMSE and standard deviation demonstrated statistical reliability across all operating points. The prototype also addresses practical constraints, including ESP32 ADC nonlinearity, energy consumption, and multi-sensor scalability, while remaining portable and low-cost. The integration of edge AI capabilities demonstrates the feasibility of executing accurate neural network models directly on embedded microcontrollers, eliminating reliance on cloud-based processing. The proposed solution provides a robust proof-of-concept that is scalable, cost effective, and suitable for industrial IoT applications, predictive maintenance, and Industry 4.0 environments, with future work focusing on long-term drift evaluation and validation under real industrial conditions. Full article
(This article belongs to the Proceedings of The XXXIII Conference on Electrical and Electronic Engineering)
Show Figures

Figure 1

10 pages, 10050 KB  
Proceeding Paper
Smart IoT-Enabled Embedded Platform for Real-Time Energy Efficiency Assessment in Heat Pumps
by Jefferson Paguay, Alan Cuenca-Sánchez and Pablo Proaño
Eng. Proc. 2025, 115(1), 14; https://doi.org/10.3390/engproc2025115014 - 15 Nov 2025
Viewed by 645
Abstract
This study presents the design, implementation, and field validation of a low-cost Internet of Things (IoT)-enabled embedded platform for real-time energy efficiency assessment of heat pump systems. The platform integrates an ESP32-based microcontroller with calibrated temperature, flow rate, and electrical current sensors to [...] Read more.
This study presents the design, implementation, and field validation of a low-cost Internet of Things (IoT)-enabled embedded platform for real-time energy efficiency assessment of heat pump systems. The platform integrates an ESP32-based microcontroller with calibrated temperature, flow rate, and electrical current sensors to automate the determination of the coefficient of performance (COP). Unlike conventional studies that rely on high-cost instrumentation or laboratory-only trials, this work emphasizes a portable and scalable solution deployable in real environments. A three-month continuous deployment demonstrated high measurement accuracy against certified reference instruments, achieving mean absolute error (MAE) values of 0.29 °C (temperature), 0.0027 L/min (flow rate), and 0.110 A (current). Under steady-state conditions, the daily COP ranged from 1.43 to 4.43, diverging from the nominal manufacturer value of 3.83 and confirming the influence of operational and environmental factors reported by field studies. These results indicate that the platform serves not only as a diagnostic and monitoring tool but also as a replicable framework for predictive maintenance, operational optimization, and sustainable energy management in both grid-connected and off-grid applications, bridging the gap between engineering implementation and scientific assessment of heat pump performance. Full article
(This article belongs to the Proceedings of The XXXIII Conference on Electrical and Electronic Engineering)
Show Figures

Figure 1

9 pages, 1176 KB  
Proceeding Paper
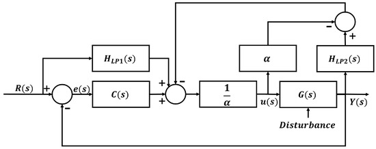
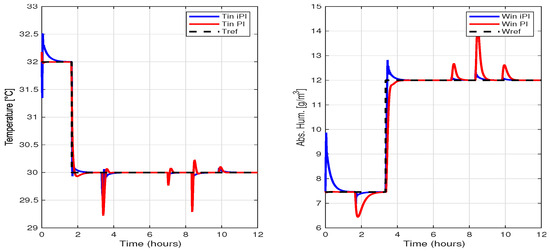
Model-Free Control for Greenhouse Automation with Hardware-in-the-Loop and Raspberry Pi Implementation
by Alexis Montalvo, Sebastian Vega, Danilo Chavez and Oscar Camacho
Eng. Proc. 2025, 115(1), 15; https://doi.org/10.3390/engproc2025115015 - 15 Nov 2025
Cited by 1 | Viewed by 906
Abstract
This paper presents the design, implementation, and experimental validation of a model-free control strategy for greenhouse climate automation. The proposed approach integrates a real-time embedded controller based on a Raspberry Pi within a Cyber-Physical System (CPS) framework. A Hardware-in-the-Loop (HIL) simulation architecture was [...] Read more.
This paper presents the design, implementation, and experimental validation of a model-free control strategy for greenhouse climate automation. The proposed approach integrates a real-time embedded controller based on a Raspberry Pi within a Cyber-Physical System (CPS) framework. A Hardware-in-the-Loop (HIL) simulation architecture was developed, where the physical controller interacts with a high-fidelity digital twin (DT) of the greenhouse modeled in MATLAB/Simulink. This configuration allows a realistic assessment of the control performance, enabling the evaluation of system dynamics, actuator limitations, and response to disturbances before actual deployment. The control strategy is based on an intelligent Proportional–Integral (iPI) model-free algorithm, which avoids reliance on explicit process modeling and is well-suited for nonlinear and time-varying environments. Experimental results demonstrate the effectiveness, robustness, and practical feasibility of the proposed approach for real-time greenhouse automation. The use of low-cost hardware and the modular nature of the system make it scalable and attractive for precision agriculture and educational applications. Full article
(This article belongs to the Proceedings of The XXXIII Conference on Electrical and Electronic Engineering)
Show Figures

Figure 1

17 pages, 740 KB  
Proceeding Paper
Life Cycle Assessment and Capitalized Cost of Transformer Overload: A Multi-Regional Study in Ecuador
by Juan David Ramírez, Jorge Paúl Muñoz, David Muñoz and Oswaldo Menéndez
Eng. Proc. 2025, 115(1), 16; https://doi.org/10.3390/engproc2025115016 - 15 Nov 2025
Cited by 1 | Viewed by 1035
Abstract
This study presents an integrated thermo-economic framework for evaluating the impact of daily overload on the aging and cost performance of oil-immersed distribution transformers. The methodology combines international transformer thermal aging models, widely accepted in transformer loading guides such as those established by [...] Read more.
This study presents an integrated thermo-economic framework for evaluating the impact of daily overload on the aging and cost performance of oil-immersed distribution transformers. The methodology combines international transformer thermal aging models, widely accepted in transformer loading guides such as those established by IEEE and IEC, with an equivalent annual cost (EAC) model, enabling a unified assessment of insulation degradation and operational expenditures. Using a residential load profile with 15 min resolution and climate data from three Ecuadorian regions (Quito, Guayaquil, and the Amazon), we analyze the influence of varying overload levels, peak durations, cooling methods Oil Natural Air Natural (ONAN), Oil Natural Air Forced (ONAF), and Oil Forced Air Forced (OFAF), and installation environments (indoor/outdoor) on transformer lifetime and ownership costs. Parametric simulations reveal that ambient temperature is the dominant factor in thermal degradation, with Guayaquil showing service life reductions of up to 70% compared to Quito under identical loading conditions. While larger transformers with forced cooling exhibit enhanced thermal resilience, the economic performance deteriorates non-linearly beyond 120–130% loading due to compounding losses and replacement costs. The results demonstrate that (i) overload tolerance is climate dependent, (ii) indoor installations incur systematic thermal penalties, and (iii) the IEC and IEEE models yield similar outcomes under moderate conditions but diverge under severe stress. The proposed approach provides utilities with a robust decision-support tool to optimize transformer loading strategies, replacement planning, and cooling system upgrades in geographically diverse power systems. Full article
(This article belongs to the Proceedings of The XXXIII Conference on Electrical and Electronic Engineering)
Show Figures

Figure 1

9 pages, 1802 KB  
Proceeding Paper
Web Application Protection Optimization Through Coraza WAF: Performance Assessment Against OWASP Risks in Reverse Proxy Configurations
by Michael Curipallo Martínez, Alexander Guevara-Vega, Aldrin Reyes Narváez, Geovanny Raura and Hernan Barba Molina
Eng. Proc. 2025, 115(1), 17; https://doi.org/10.3390/engproc2025115017 - 15 Nov 2025
Cited by 1 | Viewed by 2584
Abstract
This study presents an evaluation of Coraza Web Application Firewall (WAF) performance when integrated with two reverse proxy environments, Caddy and Envoy, which utilize the Open Web Application Security Project (OWASP) Core Rule Set version 4.15.0. This research is motivated by the increasing [...] Read more.
This study presents an evaluation of Coraza Web Application Firewall (WAF) performance when integrated with two reverse proxy environments, Caddy and Envoy, which utilize the Open Web Application Security Project (OWASP) Core Rule Set version 4.15.0. This research is motivated by the increasing need for lightweight, open-source WAF solutions that offer reliable protection against OWASP Top-Ten vulnerabilities while maintaining low false positive rates. A virtual testing laboratory is implemented using vulnerable web servers and a secure HTTPS application to simulate both attack and legitimate traffic. The analysis is conducted in two phases: detection of attack vectors across the ten OWASP categories and measurement of false positives generated under legitimate traffic at four CRS-defined sensitivity levels (Paranoia Levels PL1–PL4). Results indicate that while both proxies successfully block malicious traffic, false positive rates vary significantly depending on the proxy and paranoia level. Envoy exhibited better precision at PL2 and PL3, whereas Caddy outperformed Envoy in maintaining stability at PL4. Statistical analysis using Levene’s test and Welch’s t-test confirmed these differences as significant. The findings highlight the importance of proxy-specific characteristics in WAF performance and provide guidance for selecting optimal deployment configurations for Coraza WAF in security-sensitive environments. Full article
(This article belongs to the Proceedings of The XXXIII Conference on Electrical and Electronic Engineering)
Show Figures

Figure 1

11 pages, 3043 KB  
Proceeding Paper
IoT System for Catering Service in Hospitals
by Marcos Erazo-Perez, Juan Escobar-Naranjo and Ana Pamela Castro-Martin
Eng. Proc. 2025, 115(1), 18; https://doi.org/10.3390/engproc2025115018 - 15 Nov 2025
Viewed by 998
Abstract
In hospitals, IoT has facilitated connectivity between patients and medical services using historical health data. However, its adoption in hospital catering services has been slower. This work describes the implementation of an IoT system with a three-layer architecture: the first layer collects data [...] Read more.
In hospitals, IoT has facilitated connectivity between patients and medical services using historical health data. However, its adoption in hospital catering services has been slower. This work describes the implementation of an IoT system with a three-layer architecture: the first layer collects data on patient diets and environmental conditions from the food warehouse, the second layer processes this information, establishing rules and converting raw data into valuable information, and the third layer stores the data in the cloud, presenting it in a web application. A functional system was obtained that meets the needs of catering service personnel and the hospital in which it was implemented. Full article
(This article belongs to the Proceedings of The XXXIII Conference on Electrical and Electronic Engineering)
Show Figures

Figure 1

11 pages, 2513 KB  
Proceeding Paper
Technical Guideline for Time and Frequency Diversity in OFDM Systems Under Rician Fading: MATLAB Simulation Framework
by Carlos Cacuango-Collaguazo, Micaela Ortiz-Fiscal and Martha Cecilia Paredes-Paredes
Eng. Proc. 2025, 115(1), 19; https://doi.org/10.3390/engproc2025115019 - 15 Nov 2025
Viewed by 997
Abstract
This paper presents a practical guideline to implement and evaluate time and frequency diversity techniques in Orthogonal Frequency Division Multiplexing (OFDM) systems under Rician fading using MATLAB R2024a. The MATLAB framework allows flexible configuration for several parameters, such as modulation schemes, cyclic prefix [...] Read more.
This paper presents a practical guideline to implement and evaluate time and frequency diversity techniques in Orthogonal Frequency Division Multiplexing (OFDM) systems under Rician fading using MATLAB R2024a. The MATLAB framework allows flexible configuration for several parameters, such as modulation schemes, cyclic prefix lengths, and channel parameters. We present the results in terms of Bit Error Rate (BER) versus Signal-to-Noise Ratio (SNR) and Power Spectral Density (PSD). Our software aims to facilitate the study of different diversity techniques in OFDM systems for both academics and students. Full article
(This article belongs to the Proceedings of The XXXIII Conference on Electrical and Electronic Engineering)
Show Figures

Figure 1

10 pages, 1497 KB  
Proceeding Paper
Evaluating the FER of IEEE 802.15.4 Frames Between UAVs and Wireless Sensor Nodes
by Christian Tipantuña, Carlos Egas Acosta, Luis Criollo, Jorge Carvajal-Rodriguez, Saúl Montalván, Jonathan Quizhpe, Xavier Hesselbach and Jessica Shagñay
Eng. Proc. 2025, 115(1), 20; https://doi.org/10.3390/engproc2025115020 - 17 Nov 2025
Viewed by 709
Abstract
Evaluating the noise on the transmitted bits or frames and its effect on connectivity is essential in Wireless Sensor Networks when designing and deploying IoT networks. When the sensor nodes are positioned on the ground, the number of correctly received frames can fluctuate [...] Read more.
Evaluating the noise on the transmitted bits or frames and its effect on connectivity is essential in Wireless Sensor Networks when designing and deploying IoT networks. When the sensor nodes are positioned on the ground, the number of correctly received frames can fluctuate due to obstructions, interference, and the processing capacity of the nodes. Therefore, implementing strategies and systems to monitor and evaluate the rate of lost frames is required. This paper presents the implementation of a system designed to assess the rate of erroneous IEEE 802.15.4 frames within a communication setup that includes a ground control station, an unmanned aerial vehicle, and surface-based sensor nodes. Full article
(This article belongs to the Proceedings of The XXXIII Conference on Electrical and Electronic Engineering)
Show Figures

Figure 1

13 pages, 1591 KB  
Proceeding Paper
Performance Analysis of DCO-OFDM in IEEE 802.11bb VLC PHY Modes: Impact of Biasing Techniques and Optical Channel Dispersion
by Nelson Jaque Intriago, Alex Cueva Ayala, Christian Aguirre Navas, Wilson Taipe Chicaiza and Martha Cecilia Paredes-Paredes
Eng. Proc. 2025, 115(1), 21; https://doi.org/10.3390/engproc2025115021 - 15 Nov 2025
Viewed by 944
Abstract
This paper presents a performance analysis of Direct Current-biased Optical OFDM (DCO-OFDM) under the IEEE 802.11bb standard for Visible Light Communication (VLC). The study covers all physical layer (PHY) modes (HT, VHT, and HE) through a complete simulation of the PHY processing chain, [...] Read more.
This paper presents a performance analysis of Direct Current-biased Optical OFDM (DCO-OFDM) under the IEEE 802.11bb standard for Visible Light Communication (VLC). The study covers all physical layer (PHY) modes (HT, VHT, and HE) through a complete simulation of the PHY processing chain, including scrambling, convolutional encoding, interleaving, and modulation. These results provide a standard-driven recipe to tune VLC transmitters while preserving IEEE 802.11bb interoperability. To the best of current knowledge, this is among the first IEEE 802.11bb-compliant evaluations of DCO-OFDM for VLC that jointly examine DC-biasing strategies and optical channel dispersion across HT/VHT/HE modes. The novelty lies in the presentation of practical and standard-oriented standard-based design guidelines for transmitter optimization under IEEE 802.11bb, rather than a new analytical model. This work provides one of the first IEEE 802.11bb-compliant evaluations of DCO-OFDM in VLC that jointly studies DC-biasing (static/dynamic/clipping) and optical dispersion (L=1/3/5) across HT/VHT/HE, reporting SNR@BER = 10−3 baselines, a mean BCD power proxy, and actionable bias–channel–mode design guidelines. Full article
(This article belongs to the Proceedings of The XXXIII Conference on Electrical and Electronic Engineering)
Show Figures

Figure 1

10 pages, 2944 KB  
Proceeding Paper
Bilateral Teleoperation with Force Feedback and Obstacle Detection-Based Navigation for Mobile Robots in Congested Environments
by Diego Andrés Carranza, Gabriela M. Andaluz and Paulo Leica
Eng. Proc. 2025, 115(1), 22; https://doi.org/10.3390/engproc2025115022 - 15 Nov 2025
Viewed by 879
Abstract
This paper presents the implementation of a bilateral teleoperation system for mobile robots operating in congested environments, incorporating force feedback and obstacle-aware navigation. The system uses the Novint Falcon device as the master interface and a mobile robot as the slave unit. A [...] Read more.
This paper presents the implementation of a bilateral teleoperation system for mobile robots operating in congested environments, incorporating force feedback and obstacle-aware navigation. The system uses the Novint Falcon device as the master interface and a mobile robot as the slave unit. A control strategy is developed that integrates mechanical impedance models and a force-based obstacle detection and avoidance algorithm. Additionally, the control law incorporates feedback based on the relative velocities of surrounding objects to account for dynamic interactions and contribute to system stability. Experimental tests were conducted to evaluate the performance of the teleoperation system, focusing on remote navigation, obstacle avoidance, and bidirectional interaction through force feedback in congested scenarios. Full article
(This article belongs to the Proceedings of The XXXIII Conference on Electrical and Electronic Engineering)
Show Figures

Figure 1

9 pages, 3451 KB  
Proceeding Paper
An Open-Source Web-Based Approach to Industrial Supervision and Data Acquisition in the Context of Industry 4.0
by Rodney Villamar, Pablo Proaño, Alan Cuenca Sánchez, James Tipan, Ronald Pillajo and Angélica Quito Carrión
Eng. Proc. 2025, 115(1), 23; https://doi.org/10.3390/engproc2025115023 - 15 Nov 2025
Viewed by 1129
Abstract
This paper addresses the need for accessible and interoperable supervision solutions within the Industry 4.0 paradigm, particularly for small-scale or resource-constrained environments. The proposed system integrates a web-based architecture using opensource technologies to enable real-time industrial monitoring and data acquisition. A hybrid setup [...] Read more.
This paper addresses the need for accessible and interoperable supervision solutions within the Industry 4.0 paradigm, particularly for small-scale or resource-constrained environments. The proposed system integrates a web-based architecture using opensource technologies to enable real-time industrial monitoring and data acquisition. A hybrid setup was developed, combining a virtual glass manufacturing process in Factory IO with a physical three-phase induction motor controlled by a Modicon M580 PLC. The system architecture includes a local HMI developed in Control Expert and a remote interface built with React and Node.js, both synchronized through a MySQL 8.0 database populated via Python 3.13 using the Modbus TCP/IP protocol. Experimental results demonstrate consistent data synchronization, reliable multi-platform integration, and an average end-to-end latency of 156 ms, validating the feasibility of the approach for IIoTbased applications. The solution demonstrates how general-purpose web technologies can be effectively repurposed for industrial use, offering a cost-effective and scalable alternative to traditional SCADA systems. The proposed architecture is easily replicable, adaptable to various process configurations, and suitable for academic, prototyping, and SME environments. Full article
(This article belongs to the Proceedings of The XXXIII Conference on Electrical and Electronic Engineering)
Show Figures

Figure 1

9 pages, 1278 KB  
Proceeding Paper
IoT-Based Geolocation System Using Sigfox Network for Enhanced Student Safety: Design, Implementation, and Real-World Performance Evaluation
by Edgar Freddy Robalino Peña, Jhon Maldonado, Luis Antonio Flores, Luigi O. Freire, Fabricio Trujillo and Jessica Castillo
Eng. Proc. 2025, 115(1), 24; https://doi.org/10.3390/engproc2025115024 - 17 Nov 2025
Viewed by 879
Abstract
This paper presents the design, implementation, and validation of an IoT-based geolocation system using the Sigfox network to enhance student safety in urban environments. The proposed system integrates a GPS NEO-6M module with a Ufox Devkit, enclosed in a portable housing, to provide [...] Read more.
This paper presents the design, implementation, and validation of an IoT-based geolocation system using the Sigfox network to enhance student safety in urban environments. The proposed system integrates a GPS NEO-6M module with a Ufox Devkit, enclosed in a portable housing, to provide low-power and real-time location tracking. A comparative evaluation of three visualization platforms identified Traccar as the most suitable solution, offering superior accuracy, interoperability, and response time. Field tests were conducted in five educational institutions in Ambato, Ecuador, achieving an average geographic accuracy of 4.5 m and operational efficiency ranging from 55% to 78%, depending on network coverage and urban interference. These results demonstrate the feasibility of Sigfox-based geolocation for reliable student monitoring and provide practical insights for deploying scalable, cost-effective safety solutions in educational contexts. Full article
(This article belongs to the Proceedings of The XXXIII Conference on Electrical and Electronic Engineering)
Show Figures

Figure 1

12 pages, 2291 KB  
Proceeding Paper
Local and Global Optimization Methods for Power System Models: A Case Study on the Optimal Charging and Discharging Scheduling of Vehicle-to-Grid (V2G) Systems
by Luis Chiza, Adrián Aguayo and Marck Chiza
Eng. Proc. 2025, 115(1), 25; https://doi.org/10.3390/engproc2025115025 - 17 Nov 2025
Viewed by 632
Abstract
Optimal scheduling of charging and discharging in V2G systems constitutes a highly complex optimization problem due to its nonlinear, mixed-integer, and multi-objective nature. This article proposes a hybrid local-global optimization methodology for scheduling charging/discharging processes in the context of Vehicle-to-Grid (V2G). The proposed [...] Read more.
Optimal scheduling of charging and discharging in V2G systems constitutes a highly complex optimization problem due to its nonlinear, mixed-integer, and multi-objective nature. This article proposes a hybrid local-global optimization methodology for scheduling charging/discharging processes in the context of Vehicle-to-Grid (V2G). The proposed methodology integrates a global convex optimization stage, which guarantees feasibility and optimization with respect to the constraints of the entire system (charging limits and energy cost minimization), with a local optimization stage, which adjusts the charging schedules of each vehicle based on personalized constraints (individual battery status and user preferences). The methodology explicitly incorporates scalability for short-term scheduling horizons relevant to daily and intraday operation. A comparative analysis is conducted across local and global methods under an operating scenario. Full article
(This article belongs to the Proceedings of The XXXIII Conference on Electrical and Electronic Engineering)
Show Figures

Figure 1

Back to TopTop