Next Article in Journal
SURROGATES: Virtual OBUs to Foster 5G Vehicular Services
Next Article in Special Issue
Small-Signal Stability Analysis of Multi-Terminal DC Grids
Previous Article in Journal
Recent Progress in the Design of 4G/5G Reconfigurable Filters
Previous Article in Special Issue
A Hybrid Current Mode Controller with Fast Response Characteristics for Super Capacitor Applications
 
 
Font Type:
Arial Georgia Verdana
Font Size:
Aa Aa Aa
Line Spacing:
Column Width:
Background:
Article

A 10 kW ZVS Integrated Boost Dual Three-Phase Bridge DC–DC Resonant Converter for a Linear Generator-Based Wave-Energy System: Design and Simulation

by
Nagendrappa Harischandrappa
1,* and
Ashoka K. S. Bhat
2
1
National Institute of Technology Karnataka, Surathkal, Mangalore 575025, India
2
University of Victoria, Victoria, BC V8W 2Y2, Canada
*
Author to whom correspondence should be addressed.
Electronics 2019, 8(1), 115; https://doi.org/10.3390/electronics8010115
Submission received: 14 January 2019 / Accepted: 16 January 2019 / Published: 21 January 2019
(This article belongs to the Special Issue Advanced Power Conversion Technologies)

Abstract

:
The design and performance analysis of a 10 kW three-phase DC–DC LCL-type resonant converter having a built-in boost function were carried out. This high-power converter is proposed for its application in grid-interfacing a linear generator (LG)-based wave-energy system. Fixed-frequency control is used, and the converter was designed to operate with a lagging power factor. It is shown that all switches turn on with zero-voltage switching (ZVS) for wide input voltage and load variations. This results in reduced switching losses and stresses, which is very important in large-power applications. The performance of the converter was studied through PSIM simulation software. Theoretical and simulation results are presented for comparison. Power-loss break-down analysis of the designed converter was carried out and the summary of results is presented.

1. Introduction

Large renewable power plants are supplementing conventional power generation to face the looming energy crisis. Power from ocean waves is a huge source of renewable power that remains mostly untapped [1,2,3,4]. Wave-energy converters (WEC) are required to convert the motion of waves into electricity. Technology is slowly advancing to determine a robust WEC device [5,6,7]. The following wave-energy conversion technologies are reported in the literature: (i) attenuator, (ii) oscillating water column, (iii) overtopping, and (iv) point absorber. Among these technologies, one of the point-absorber type of devices, called Archimedes wave swing (AWS), is currently the most attractive device [8,9,10]. AWS uses a direct-drive linear generator (LG) to convert its reciprocating motion into electricity [11,12,13,14,15]. The structure and typical waveform of the output voltage of an LG is shown in Figure 1. This electricity cannot be used since it is a variable low frequency, wide-varying low voltage, and non-sinusoidal AC power. Hence, a suitable power electronic interface is essential to make this power usable and facilitate grid interfacing of the wave-energy source [16,17,18]. For grid interfacing, the variable-voltage and variable-frequency output power from LG has to be conditioned to match the grid characteristics. In grid interfacing, the LG output is first converted into DC using a front-end diode rectifier. A two stage DC–DC converter is used to change the magnitude of input DC voltage and provide galvanic isolation using a High-Frequency (HF) transformer. In the DC–DC converter, the input DC is first converted into an HF AC using an HF-switched inverter. This AC is fed to the primary of the HF transformer to change its voltage level, in addition to providing isolation. The secondary-side voltage is converted back into the DC using an output rectifier. This DC is finally converted into the line-frequency AC of magnitude equal to the grid voltage. The block diagram of grid integration of a wave-energy plant is shown in Figure 2. The power rating of linear generators used in wave-energy generation is typically of the order of tens to hundreds of kWs [2,3,4]. To realize DC systems in such high-power applications, DC–DC converters are very important, especially when HF transformer isolation and different voltage levels are required [19]. Different types of direct-drive power takeoff systems used in harnessing wave energy using linear generators are described in References [20,21,22,23].
DC–DC converters used for this type of application (true with most alternate-energy sources) have to operate with a very wide change (e.g., 2:1) in input voltage while requiring output-voltage step-up (boost) characteristics. With the HF transformer isolation and soft-switching, the efficiency of the DC–DC converters can be increased in addition to reducing the size and cost of the power-conditioning unit with overall improved performance. Therefore, DC–DC resonant converters are proposed for this application. Some converter topologies available in the literature for large-power generation applications are: A 10 kW dual three-phase bridge DC–DC converter was designed, and its simulation results are given in Reference [24]. Design, analysis, and experimental results of a 600 W dual-bridge DC–DC converter are presented in Reference [25], and it is proposed for still higher power ratings. In Reference [26], a comparison of 100 kW DC–DC soft-switching converter topologies is presented. In Reference [27], the performance of a high power-density 50 kW DC–DC converter with single-phase dual-active bridge topology is presented. The performance of an LCL-type DC–DC series resonant-converter topology with experimental results of a 300 W prototype is presented in Reference [28]. A 1 kW series-parallel DC–DC resonant converter with an input-boosting feature is described and the experimental results are presented in Reference [29]. The detailed design procedure of a dual half-bridge LCL-type series resonant converter with integrated boost function is given and simulation results of a 2.4 kW rating converter are presented in Reference [30]. Steady-state analysis of a ZVS PWM converter and its small-signal analysis is described, and the experimental results of a 2 kW prototype are presented in Reference [31]. The experimental results of a 1 MW dual-active bridge DC–DC converter are presented, and its performance and control are validated in Reference [32]. The design and PSIM simulation study of the performance of a 10 kW three-phase DC–DC LCL-type series resonant converter with integrated boost function are presented in Reference [33] for steady-state operating conditions. In Reference [34], it is shown that conduction loss and switching losses are reduced for an isolated bidirectional dual-active-bridge series-resonant DC–DC converter operating at high frequency. The results are validated with a 1 kW prototype of the converter. An isolated high-gain DC–DC converter for PV applications is proposed, and its performance is studied through simulations and also by building a prototype of 3 kW power rating in Reference [35]. The steady-state analysis and performance study of a three-phase DC–DC converter, and the simulation and experimental results of a 900 W converter prototype, are presented in Reference [36]. The converter topology proposed in References [24,25] has several advantages over the other topologies. Some of these advantages are reduced stress on components and filter size with fixed-frequency operation, a wide ZVS range for wide variations in input voltage, and at least 50% of load can be supplied in the case of a fault on one of the modules. Hence, this topology has been chosen to design the converter for medium-to-large power-generation applications. The work presented in this paper is an extension of the author’s PhD thesis [24]. A performance study of the designed converter under step changes in load through PSIM simulations is the major contribution. The outline of this paper is as follows: In Section 2, the circuit details of the designed converter are briefly presented. In Section 3, the design summary of the converter, including the selection of voltage and power rating, is presented. In Section 4, the performance of the converter for variations in input voltage and load under a steady state and for step changes in the load is studied through PSIM simulations, and the results are presented. Conclusions are drawn in Section 5.

2. Circuit Details of the Designed Converter

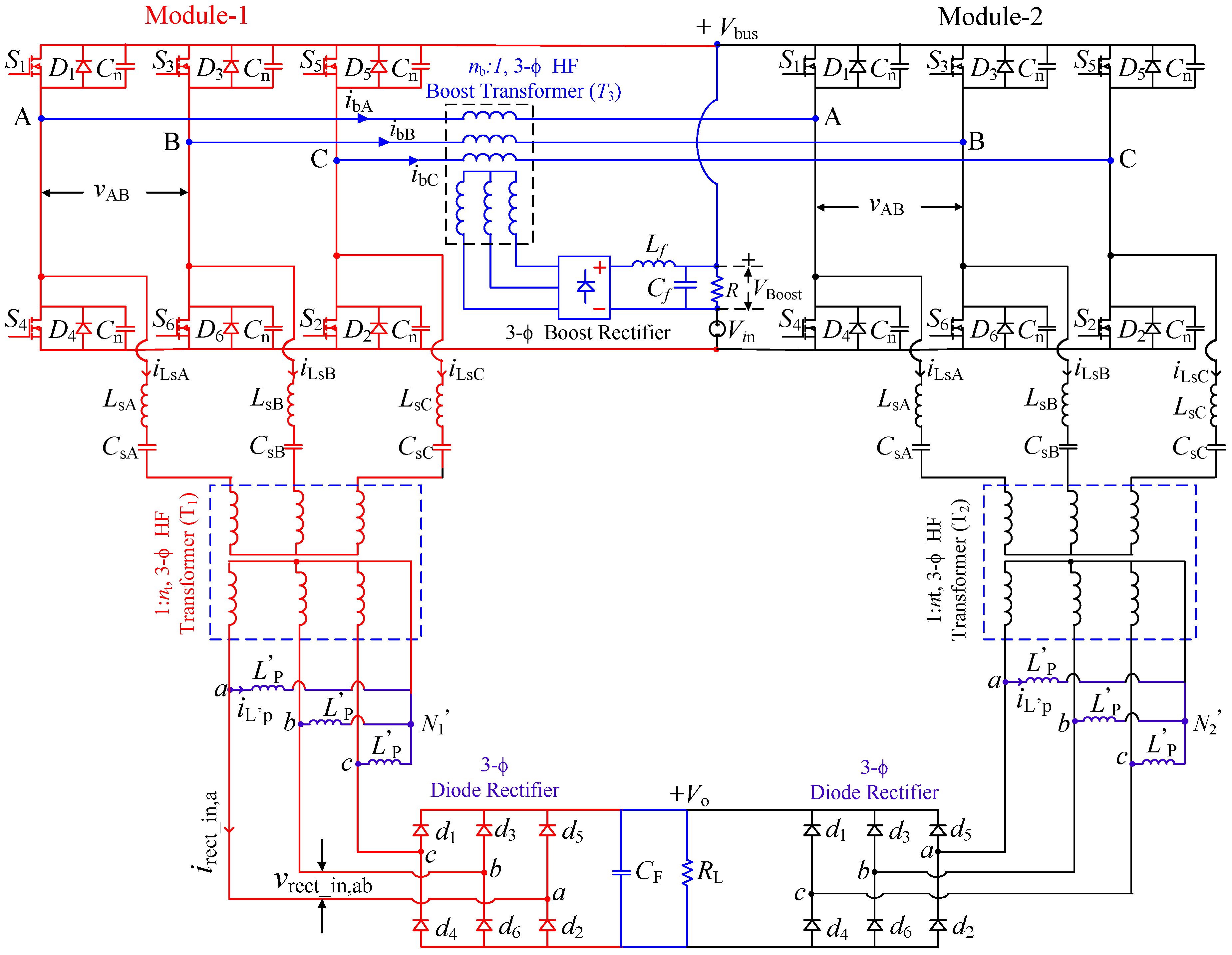
The circuit diagram of the converter designed in this paper for large-power applications as proposed in References [24,25] is shown in Figure 3. This converter consists of two three-phase inverter bridges, each having six metal-oxide-semiconductor-field-effect-transistors (MOSFETs) with antiparallel diodes and a lossless snubber capacitor across it. The output terminals of these inverters are connected to a three-phase diode rectifier through a three-phase resonant circuit consisting of inductance Ls and capacitance Cs in each phase and a three-phase HF transformer (T1, T2) of 1:nt turns ratio. These modules are supplied with Vbus and are connected in parallel so that they equally share the load power. Between the same output phases of the two inverter bridges, the primary windings of a three-phase HF-boost transformer (T3) of nb:1 turns ratio are connected. The output of the boost transformer is given to a three-phase diode boost-rectifier bridge. The boost-rectifier bridge output voltage is filtered by Lf and Cf. This filtered output voltage (Vboost) is connected in series with the input DC source to realize power supply Vbus (i.e., Vbus = Vin + Vboost), applied across three-phase inverter bridge Modules 1 and 2. The secondary windings of the three-phase boost transformer are shown in Wye connection (they can also be connected in ∆). The gating signals for the three-phase inverter-bridge switches are 180° wide [24,25]. Six gating signals are required for each three-phase bridge, and these gating signals are applied in order, with a delay of 60° to obtain balanced three-phase inverter output voltage. Each switch conducts for 180°, and three switches remain on at any point of time in a given interval (e.g., S1 S2 S3, S2 S3 S4, S3 S4 S5, S4 S5 S6, S5 S6 S1, S6 S1 S2). There are six intervals of operation in each cycle, and the duration of each interval is 60°. Fixed-frequency control is obtained by phase shifting the gating signals of Module 2 with respect to Module 1 by an angle δ, which creates potential difference across the primary windings of the HF-boost transformer. At minimum input voltage (Vin,min) and full load, the gating signals of Module 2 are shifted by 180° to generate a square-wave voltage waveform of pulse width, δ = π in each phase across the primary windings of the three-phase boost transformer. The phase shift is varied to change the pulse-width d of quasisquare wave generated across the primary windings of boost transformer T3 to regulate the load voltage for variations in input voltage and load.

3. Design

The analysis presented in References [25,28] was used in designing the converter. The design procedure, as given in References [24,28], was followed in designing the fixed-frequency controlled ZVS-integrated boost dual three-phase bridge DC–DC LCL-type series resonant converter for linear generator-based large-wave-power generation applications. In this section, the selection of voltage and power ratings is first discussed, and then design summary is presented.

3.1. Selection of Voltage and Power Ratings

A number of LGs used in wave power with different specifications are found in the literature [1,2,3,4,5,6,7,8,9,10,11]. The power and input voltage ratings are chosen as per the LG ratings given in References [2,33]. In Table 1, the specimen specifications of an LG, as given in Reference [2], are presented. For illustration purposes, a grid voltage of 240 V (L–L) and 60 Hz is considered. Based on this grid voltage, the output-voltage rating of the designed converter was obtained as 400 V. The criterion for choosing Vbus is Vbus(min) > Vin(max), and Vbus (max) is decided based on the available higher voltage ratings of the switching devices. This idea of a design with a higher Vbus value reduces the switch currents and voltage ratings of the HF transformer, and the tank circuit elements. Based on this criterion, Vbus = 600 V was chosen [25]. This DC bus voltage was applied across the three-phase HF inverter bridges.

3.2. Design Summary

The converter was designed by following the procedure outlined in References [24,28], and the key design equations, together with various parameter notations, are summarized in Appendix A. The specifications of the designed converter are given in Table 2. Using the design curves presented in Reference [25], the design parameters are optimized. The selected parameters are Q = 4, F = 1.1, and Ls/Lp = 0.1. For the chosen design parameters, converter gain M (= Vo/Vbus) was calculated by using Equation (A15) as M = 0.6286 p.u. Output voltage, when reflected on primary side of the HF transformer, is V’o = Vo/nt = 371.2 V. Therefore, the HF main transformer (T1 and T2) turns the ratio of nt = Vo/ V’o = 1.078. Load resistance RL = Vo2/(Po/2) = 32 Ω (since each module equally shares the load, power output is taken as Po/2 = 5 kW). The load resistance referred to on the primary side, RL’ = RL/nt2 = 27.54 Ω. The values of tank circuit elements Ls and Cs are determined by solving Equation (A16) as, Ls = 192.97 µH and Cs = 15.88 nF. Since Ls/Lp = 0.1, Lp = 1.93 mH on the primary side. Therefore, L’p = nt2Lp = 2.24 mH is connected on the secondary side in each phase. This includes the magnetizing inductance of the HF transformer. Total impedance using Equations (A17)–(A22) is ZAN = 16.75 + j21.27 Ω, |ZAN| = 27.08 Ω, φ = 51.78°. The maximum current in the tank circuit elements Ls and Cs using Equation (A23) is ILsp = 14.11 A. The maximum value of voltage across Cs using Equation (A25), VCsp = 1.41 kV. The maximum value of the current through STAR-connected parallel inductors Lp on the secondary side is IL’p,p= 163 mA. If the parallel inductors are connected in ∆, then the peak value of current through the ∆-connected inductors Lab, Lbc, Lca (secondary side) is ILab,p = 94.11 mA. The initial tank current using Equation (A24) is ILs0 = −11.09 A. The negative sign of ILs0 indicates that the tank circuit is operating in lagging pf mode. The per-phase inductance required in the primary windings of the three-phase boost transformer calculated using Equation (A14) is 2.75 μH. The Lf and Cf filter components of the three-phase boost rectifier, determined using Equations (A12)–(A13), are Lf = 5.0 μH and Cf = 20.0 μF. The device ratings, calculated using Equations (A1)–(A10), are: MOSFET: Isw(rms) = 22.91 A, Isw(av) = 13.17 A, VDS(max) = 600 V and, IDM(av) = 0.84 A. Boost rectifier diodes: IDb (av) = 24.69 A, VDb(max) = 465 V. Output rectifier diodes: IDo (av) = 4.17 A, VDo(max) = 400 V. For the chosen value of Vbus = 600 V, IXYS-VMM90-09F (900 V, 85A, RDS = 76 mΩ, tf = 140 ns) MOSFET was selected so that HF operation was possible and converter specifications were met. A snubber capacitance of Cn = 4.64 nF was found for the chosen MOSFET, with a switch turn-off current io = 39.78 A using Equation (A11). A series/parallel combination of selected MOSFETs or insulated-gate-bipolar-transistors (IGBTs) would further increase the power ratings which is essential in wave energy generation applications.

4. Simulation Results

4.1. Steady-State Conditions

The steady-state performance of the converter outlined in Section 3 was verified by using PSIM simulations. The following five cases were considered to validate theoretical results [24]. Case 1: Vin(min) = 135 V, full load; Case 2: Vin(max) = 270 V, full load; Case 3: Vin(min) = 135 V, half load; Case 4: Vin(max) = 270 V, half load; Case 5: Vin(min) = 135 V, 20% of full load. Sample waveforms from PSIM simulations for Cases 1, 2, and 5 are presented in Figure 4, Figure 5, Figure 6, Figure 7, Figure 8, Figure 9, Figure 10, Figure 11, Figure 12, Figure 13, Figure 14 and Figure 15. In simulations, three-phase transformers were obtained by using three single-phase transformers. Leakage and magnetizing inductances were obtained by recalculating the per-unit values of the measured values of the three-phase boost transformer in from Reference [25] (rated at 618 W) built in the laboratory. These values are: total leakage inductance of 3.0 μH (referred to primary side) and magnetizing inductance of 170 μH (referred to primary side). The estimated leakage inductance of the boost transformer Lbl @ 3.0 μH was slightly greater than the calculated value of the per-phase inductance required in the primary windings of the three-phase boost transformer (Lbt = 2.75 μH). Hence, no additional inductance was necessary. Thus, leakage inductance was profitably utilized to achieve ZVS. To compensate for the voltage drop due to leakage inductance (i.e., voltage drop due to commutation overlap), the turns ratio of the boost transformer was made 2.428:1 instead of 2.5806:1. For the three-phase main transformers, three ideal single-phase transformers were used as the leakage inductances were absorbed in the resonant inductances. In the simulations, the Y-connected parallel inductor Lp, on the secondary side of three-phase main transformers T1 and T2 of Figure 2, was connected in ∆ by taking their equivalent values (i.e., Lab = Lbc Lca = 3Lp). For MOSFET, an RDS = 76 mΩ was used. Snubber capacitors used include the MOSFET drain to source capacitances. All remaining components were chosen as ideal. Since this resonant power converter operates in soft-switching, the effect of electromagnetic interference (EMI) was minimized. Wiring inductance at the output of inverter is used profitably as part of resonant circuit. However, to minimize the EMI and effect of other parasitic elements (due to wiring and coupling, etc.) that might still occur, techniques used in Reference [37] could be used while designing the printed circuit boards. The effect of any other parasitic elements can be minimized by using a careful design of the printed circuit board. The impact of the geometrical parameters of the PCB structure on the electromagnetic coupling is analyzed in Reference [37]. In simulations, each three-phase inverter bridge module was given with three-phase 180° wide normal gating signals. To regulate output voltage, the gating signals of Module 2 were phase-shifted from those of Module 1 to give a pulse width of δ. Since the calculated value of δ was very close to the value of δ to be set in the simulations, very few iterations were used in the simulations to determine the required value of δ to obtain the rated output voltage. This is an advantage as it reduces simulation time. It was observed from the simulation results [24] that all the switches, in both Module 1 and 2 of the converter, operate with ZVS for all input-voltage variation from Vin(min) to Vin(max), and for load variation from full load to 20% of full load, e.g., Figure 6, Figure 10, and Figure 14. The maximum resonant current (phase) declined from approximately (i) Module 1: 13.81 A at Vin(max) = 270 V, full load (Figure 8a) to 2.77 A at Vin(min) = 135 V, 20% of full load (Figure 12a); (ii) Module 2: 13.86 A at Vin(max) = 270 V, full load (Figure 8b) to 2.83 A at Vin(min) = 135 V, 20% of full load (Figure 12b). For Module 1: peak switch current with Vin(min) = 135 V approximately decreased from 49.51 A at full load (Figure 6a) to 13.66 A at 20% of full load (Figure 14a). For Module 2: peak switch current with Vin(min) = 135 V decreased approximately from 49.45 A at full load (Figure 6b) to 12.13 A at 20% of full load (Figure 14b). It is worth noting that the peak values of the switch/resonant currents reduce as load current is reduced. The summary of power-loss breakdown analysis of the converter is presented in Table 3. A bar chart of the efficiency percentage obtained from calculations and simulations is shown in Figure 16. Comparison of the results obtained from calculations and simulations is presented in Table 4. It is to be noted that, comparing the results presented in Table 4 and in Figure 16, RDS = 76 mΩ was chosen in the simulation for MOSFETs, and all other elements were ideal. Hence, efficiency values from simulations are higher than those from calculations.

4.2. Performance Under Step Changes in Load

A converter is robust when it maintains output voltage as constant even when the load suddenly changes. This ability of the converter is tested by simulating its performance in PSIM software for sudden variations in load. The change in load from full load to half load, and then to 20% of full load (also in reverse order), was created by operating a load control switch. The phase-shifted gating signals with appropriate phase-shift angle δ, as given in Table 4, for corresponding step changes in load were applied to the MOSFETs of Module 2. Some important sample waveforms, obtained through simulations for step changes in load current from full load to half load at t = 0.2 seconds, and half load to 20% of full load at t = 0.25 seconds (step change is made after steady-state operation), are presented in Figure 17. The robustness of the converter is rigorously tested by creating two step changes i.e., from 20% of full load to half load at t = 0.2 seconds, and from half load to full load at t = 0.25 seconds. as indicated in Figure 18. It is observed from Figure 17 and Figure 18 that there is smooth transition of output voltage during load step change while maintaining constant output voltage at the full-load value. From Figure 19, it can be seen that the resonant tank current remains sinusoidal throughout loading conditions. The variations of resonant tank currents while the load is changed from light load to higher loads are shown in Figure 20. It is observed in Figure 21 that the current through the switches did not spike up during sudden changes in loading conditions. It can also be observed from Figure 21 that all switches in both modules remained in ZVS, i.e., the antiparallel diodes conduct before the respective switches conduct. This can be ensured by observing negative switch currents, as shown in Figure 21.

5. Conclusions

A fixed-frequency-controlled integrated-boost dual three-phase bridge DC–DC LCL-type SRC, of 135 to 270 V input, 10 kW, and 400 V output was designed. The performance of the designed converter has been verified by using PSIM simulations for variations in input voltage and the load. Power-loss breakdown analysis of the converter was carried out and the summary is presented. Theoretical and simulation results were compared and they agreed very closely. The designed converter maintained ZVS for all switches and for wide variations in supply voltage and load. This resulted in higher efficiency by minimizing turn-on losses. This feature is very useful in alternate-energy applications generating large amounts of power. Due to the advent of SiC power MOSFETS, e.g., Reference [38], the proposed converter could be designed for still-higher power ratings, with high switching frequency, as new MOSFETs of higher voltage ratings (>1000 V) and higher current ratings (>100 A) are now available. IGBTs are also considered for higher power, but at the cost of reduced switching frequency. The series and parallel combinations of such three-phase cells can also be used to realize much higher power ratings. A low-power (600 W) prototype of the proposed converter with different input/output voltages was built in the laboratory and reported in Reference [25]. As future work, an experimental 10 kW converter, based on the given specifications, will be built in the power-electronics laboratory, and results will be verified with the theoretical and simulation results obtained in this paper. The effect of various parasitic elements was also included in the simulation.

Author Contributions

Investigation, N.H.; supervision, A.K.S.B.

Funding

This work was supported by a discovery grant from the Natural Sciences and Engineering Research Council (NSERC) of Canada.

Conflicts of Interest

The authors declare no conflict of interest.

Appendix A. Design Equations (A24) and (A25)

The phasor circuit used in the analysis of the Figure 3 converter is shown in Figure A1. Some of the important equations used in the converter design are given below:
Figure A1. Phasor equivalent circuit used for analyzing Module 1 of the converter shown in Figure 3 [24,25].
Figure A1. Phasor equivalent circuit used for analyzing Module 1 of the converter shown in Figure 3 [24,25].
Electronics 08 00115 g0a1
RMS current through each switch is
I SW ( rms ) = 1 2 π { I b 2 ( π π 3 ) + I Lsp 2 2 ( π π 3 + s i n 2 Φ 2 + sin ( 2 π 3 2 Φ ) 2 ) + 2 I b I Lsp ( cos Φ + cos ( π 3 Φ ) ) }
Average current through each switch is
I SW ( av ) = 1 2 π { I b ( π π 3 ) + I L s p ( c o s Φ + cos ( π 3 Φ ) ) }
Average current through body diode of each MOSFET is
I DM ( av ) = I L sp 2 π ( c o s Φ cos ( π 3 Φ ) )
Maximum voltage across each MOSFET is
vDS(max) = Vbus,max
Average current through each diode of the boost rectifier is
IDb = ILf(av)/3
Average current through inductive filter used at the output of boost rectifier is
ILf(av) = (ILfmin+ ILfmax)/2
Maximum voltage across each of the boost rectifier diodes is
VDb(max) = 2Vbus/nb
Average current through each diode of the output rectifier is
IDo(ave) = IRL(av)/(3 × 2)
Average current through the load resistance is
IRL(av) = Po/Vo
Maximum voltage across each diode of the output rectifier is
VDo(max) = Vo
Snubber capacitance used across each switch is
Cn = iotf/(2Vbus,max)
Filter inductance used at the output of the boost rectifier is
Lf = VLf(6fs)/(12fsπILf(6fs))
Filter capacitance used at the output of the boost rectifier is
Cf = ICf(6fs)/(12fsπVCf(6fs))
Energy stored in inductance connected in series with each phase of the primary windings of the ideal three-phase boost transformer is
ELbt = ½ LbtI2b> ½ (2CnV2bus)
Converter gain is
M = 1 [ { 1 + ( L s / L P ) ( 1 ( 1 / F 2 ) ) } 2 + { ( π 2 / 6 ) Q ( F ( 1 / F ) ) } 2 ] 1 2
where
Q = ω r L s / R L ;   F = ω s / ω r = f s / f r ;   ω s = 2 π f s ;   ω r = 2 π f r = 1 L s C s
The parameters of the phasor equivalent circuit shown in Figure A1 are
Z AN = R AN + j X AN
| Z AN | = [ R 2 AN + X 2 AN ] 1 / 2
Φ = t a n 1 ( X AN R AN )
where,
R AN = ( R ac X 2 Lp R 2 ac + X 2 Lp )
X AN = [ ( X Ls + X Cs ) + ( R 2 ac X Lp R 2 ac + X 2 Lp ) ]
X Ls = ω s L s ;   X Lp = ω s L p ;   X Cs = 1 / ω s C s
I Lsp = V AN 1 ( peak ) / | Z AN |
Initial switch current is
i Ls 0 = I Lsp sin ( Φ )
Peak resonant capacitor voltage is
V Csp = I Lsp | X Cs |

References

  1. Eriksson, M.; Waters, R.; Svensson, O.; Isberg, J.; Leijon, M. Wave power absorption: Experiments in open sea and simulation. JAP 2007, 102, 1–5. [Google Scholar] [CrossRef]
  2. Bostrom, C.; Leijon, M. Operation analysis of a wave energy converter under different load conditions. IET Trans. Renew. Power Gener. 2011, 5, 245–250. [Google Scholar] [CrossRef]
  3. Leijon, M.; Bernhoff, H.; Agren, O.; Isberg, J.; Sundberg, J.; Berg, M.; Karlsson, K.E.; Wolfbrandt, A. Multiphysics simulation of wave energy to electric energy conversion by permanent magnet linear generators. IEEE Trans. Energy Convers. 2005, 20, 219–224. [Google Scholar] [CrossRef]
  4. Kimoulakis, N.M.; Kladas, A.G.; Tegopoulos, J.A. Power generation optimization from sea waves by using a permanent magnet linear generator drive. IEEE Trans. Magn. 2008, 44, 1530–1533. [Google Scholar] [CrossRef]
  5. Wang, C.; Zhang, Z. Key technologies of wave energy power generation system. In Proceedings of the IEEE Conference on Mechatronics and Automation, Takamatsu, Japan, 6–9 August 2017. [Google Scholar]
  6. Vining, J.; Lipo, T.A.; Venkataramanan, G. Experimental evaluation of a doubly-fed linear generator for ocean wave energy applications. In Proceedings of the IEEE Energy Conversion Congress and Exposition, Phoenix, AZ, USA, 17–22 September 2011; pp. 4115–4122. [Google Scholar]
  7. Faiz, J.; Nematsaberi, A. Linear permanent magnet generator concepts for direct-drive wave energy converters: A comprehensive review. In Proceedings of the IEEE Conference on Industrial Electronics and Applications, Siem Reap, Cambodia, 18–20 June 2017; pp. 618–623. [Google Scholar]
  8. Prado, M.; Polinder, H. Direct drive in wave energy conversion-AWS full scale prototype case study. In Proceedings of the IEEE Power and Energy Society General Meeting, Detroit, MI, USA, 24–28 July 2011. [Google Scholar]
  9. Gemme, D.A.; Bastien, S.P.; Sepe, R.B.; Montgomery, J.; Grilli, S.T.; Grilli, A. Experimental testing and model validation for ocean wave energy harvesting buoys. In Proceedings of the IEEE Energy Conversion Congress and Exposition, Denver, CO, USA, 15–19 September 2013. [Google Scholar]
  10. Kimoulakis, N.M.; Kakosimos, P.E.; Kladas, A.G. Power Generation by using point absorber wave energy converter coupled with linear permanent magnet generator. In Proceedings of the Mediterranean Conference and Exhibition on Power Generation, Transmission, Distribution and Energy Conversion, Agia Napa, Cyprus, 7–10 November 2010. [Google Scholar]
  11. Trapanese, M.; Cipriani, G.; Corpora, M.; Di Dio, V. A general comparison between various types of linear generators for wave energy conversion. In Proceedings of the IEEE OCEANS conference, Anchorage, AK, USA, 18–21 September 2017. [Google Scholar]
  12. Curcic, M.; Quaicoe, J.E.; Bachmayer, R. A novel double-sided linear generator for wave energy conversion. In Proceedings of the IEEE OCEANS conference, Genova, Italy, 18–21 May 2015. [Google Scholar]
  13. Vermaak, R.; Kamper, M.J. Experimental Evaluation and Predictive Control of an Air-Cored Linear Generator for Direct-Drive Wave Energy Converters. IEEE Trans. Ind. Appl. 2012, 48, 1817–1826. [Google Scholar] [CrossRef]
  14. Hodgins, N.; Keysan, O.; McDonald, A.S.; Mueller, M.A. Design and Testing of a Linear Generator for Wave-Energy Applications. IEEE Trans. Ind. Electron. 2012, 59, 2094–2103. [Google Scholar] [CrossRef]
  15. Hodgins, N.; Keysan, O.; McDonald, A.; Mueller, M. Linear generator for direct drive wave energy applications. In Proceedings of the IEEE Conference on Electrical Machines, Rome, Italy, 6–8 September 2010. [Google Scholar]
  16. Li, Q.; Khan, F.H.; Imtiaz, A.M. Maximum power point tracking of stirling generator and ocean wave energy conversion systems using a two-stage power converter. In Proceedings of the IEEE Workshop on Control and Modeling for Power Electronics, Salt Lake City, UT, USA, 23–26 June 2013. [Google Scholar]
  17. Lu, S.Y.; Wang, L.; Lo, T.M. Integration of wind-power and wave-power generation systems using a DC micro grid. In Proceedings of the IEEE Industry Application Society Annual Meeting, Vancouver, BC, Canada, 5–9 October 2014. [Google Scholar]
  18. Lafoz, M.; Blanco, M.; Ramírez, D. Grid connection for wave power farms. In Proceedings of the European Conference on Power Electronics and Applications, Birmingham, UK, 30 August–1 September 2011. [Google Scholar]
  19. Garces, A.; Tedeschi, E.; Verez, G.; Molinas, M. Power collection array for improved wave farm output based on reduced matrix converters. In Proceedings of the IEEE Workshop on Control and Modelling for Power Electronics, Boulder, CO, USA, 28–30 June 2010. [Google Scholar]
  20. Rhinefrank, K.; Schacher, A.; Prudell, J.; Brekken, T.K.; Stillinger, C.; Yen, J.Z.; Ernst, S.G.; von Jouanne, A.; Amon, E.; Paasch, R.; et al. Comparison of Direct-Drive Power Takeoff Systems for Ocean Wave Energy Applications. IEEE J. Ocean. Eng. 2012, 37, 35–44. [Google Scholar] [CrossRef]
  21. Wu, F.; Ju, P.; Zhang, X.P.; Qin, C.; Peng, G.J.; Huang, H.; Fang, J. Modeling, Control Strategy, and Power Conditioning for Direct-Drive Wave Energy Conversion to Operate With Power Grid. Proc. IEEE 2013, 101, 925–941. [Google Scholar] [CrossRef]
  22. Qing, K.; Xi, X.; Zanxiang, N.; Lipei, H.; Kai, S. Design of grid-connected directly driven wave power generation system with optimal control of output power. In Proceedings of the European Conference on Power Electronics and Applications, Lille, France, 2–6 September 2013. [Google Scholar]
  23. Rao, W.F.; Zhang, B.; Pan, J.F.; Wu, X.Y.; Yuan, J.P.; Qiu, L. Voltage control strategy of DC microgrid with direct drive wave energy generator. In Proceedings of the Conference on Power Electronics Systems and Applications—Smart Mobility, Power Transfer and Security, Hong Kong, China, 12–14 December 2017. [Google Scholar]
  24. Nagendrappa, H. High-Frequency Transformer Isolated Fixed Frequency DC–DC Resonant Power Converters for Alternative Energy Applications. Ph.D. Thesis, University of Victoria, Victoria, BC, Canada, July 2015. [Google Scholar]
  25. Nagendrappa, H.; Bhat, A.K.S. A Fixed Frequency ZVS Integrated Boost Dual Three-Phase Bridge DC–DC LCL-Type Series Resonant Converter. IEEE Trans. Power Electron. 2018, 33, 1007–1023. [Google Scholar] [CrossRef]
  26. Steigerwald, R.L.; De Doncker, R.W.; Kheraluwala, M.H. A comparison of high power DC–DC soft-switched converter topologies. IEEE Trans. Ind. Appl. 1996, 32, 1139–1145. [Google Scholar] [CrossRef]
  27. Kheraluwala, M.N.; Gascoigne, R.W.; Divan, D.M.; Baumann, E.D. Performance characterization of a high-power dual active bridge DC-to-DC converter. IEEE Trans. Ind. Appl. 1992, 28, 1294–1301. [Google Scholar] [CrossRef]
  28. Almardy, M.S.; Bhat, A.K.S. Three-phase LCL-type series-resonant converter with capacitive output filter. IEEE Trans. Power Electron. 2011, 26, 1172–1183. [Google Scholar] [CrossRef]
  29. Steigerwald, R.L.; Roshen, W.; Saj, C.F. A high-density 1 kW resonant power converter with a transient boost function. IEEE Trans. Power Electron. 1993, 8, 431–438. [Google Scholar] [CrossRef]
  30. Gautam, D.S.; Bhat, A.K.S. An integrated boost-dual half-bridge LCL SRC with capacitive output filter for electrolyser application. In Proceedings of the IEEE Industry Electronics Society Annual Conference, Montreal, QC, Canada, 25–28 October 2012; pp. 3376–3381. [Google Scholar]
  31. Sabate, J.A.; Vlatkovic, V.; Ridley, R.B.; Lee, F.; Cho, B.H. Design considerations for high-voltage high-power full-bridge zero-voltage-switched PWM converter. In Proceedings of the Applied Power Electronics Conference, Los Angeles, CA, USA, 11–16 March 1990; pp. 275–284. [Google Scholar]
  32. AGAMY, M.; Dong, D.; Garces, L.J.; Zhang, Y.; Dame, M.; Atalla, A.S.; Pan, Y. A high power medium voltage resonant dual active bridge for DC distribution networks. In Proceedings of the IEEE Energy Conversion Congress and Exposition, Milwaukee, WI, USA, 18–22 September 2016. [Google Scholar]
  33. Nagendrappa, H.; Bhat, A.K.S. A Fixed Frequency ZVS Integrated Boost Dual Three-Phase Bridge DC–DC LCL-type Series Resonant Converter for large Power Applications. In Proceedings of the IEEE International Conference on Smart Grids, Power and Advanced Control Engineering, Bangalore, India, 17–19 August 2017; pp. 99–105. [Google Scholar]
  34. Yaqoob, M.; Loo, K.H.; Lai, Y.M. Fully Soft-Switched Dual-Active-Bridge Converter with Switched-Impedance-Based Power Control. IEEE Trans. Power Electron. 2018, 33, 9267–9281. [Google Scholar] [CrossRef]
  35. Cao, G.; Guo, Z.; Wang, Y.; Sun, K.; Kim, H.J. A DC–DC conversion system for high power HVDC-connected photovoltaic power system. In Proceedings of the Conference on Electrical Machines and Systems, Sydney, Australia, 11–14 August 2017. [Google Scholar]
  36. Suryadevara, R.; Modepalli, T.; Li, K.; Parsa, L. Three-phase current-fed soft-switching DC–DC converter. In Proceedings of the IEEE International Symposium on Industrial Electronics, Edinburgh, UK, 19–21 June 2017; pp. 899–904. [Google Scholar]
  37. Bernardi, P.; Cicchetti, R.; Pelosi, G.; Reatti, A.; Selleri, S.; Tatini, M. An equivalent circuit for EMI prediction in printed circuit boards featuring a straight-to-bent microstrip line coupling. Prog. Electromagn. Res. B 2008, 5, 107–118. [Google Scholar] [CrossRef]
  38. Hazra, S.; De, A.; Cheng, L.; Palmour, J.; Hull, B.A.; Allen, S.; Bhattacharya, S. High switching performance of 1700-V, 50-A SiC power MOSFET over Si IGBT/BiMOSFET for advanced power conversion applications. IEEE Trans. Power Electron. 2016, 31, 4742–4754. [Google Scholar] [CrossRef]
Figure 1. (a) Structure of a permanent-magnet linear generator, (b) typical waveform of phase voltage of a linear-generator output (vphase).
Figure 1. (a) Structure of a permanent-magnet linear generator, (b) typical waveform of phase voltage of a linear-generator output (vphase).
Electronics 08 00115 g001
Figure 2. Block diagram of grid integration of a wave-energy plant [24].
Figure 2. Block diagram of grid integration of a wave-energy plant [24].
Electronics 08 00115 g002
Figure 3. Proposed DC–DC LCL-type series resonant converter [24,25].
Figure 3. Proposed DC–DC LCL-type series resonant converter [24,25].
Electronics 08 00115 g003
Figure 4. PSIM simulation waveforms for Case 1: Vin(min) = 135 V, full load, RL = 16 Ω, δ = 180°. vAB, vBC, vCA, and iLsA, iLsB, iLsC for (a) Module 1 and (b) Module 2. vrect_in_ab or vLab, and vCsA for (c) Module 1 and (d) Module 2.
Figure 4. PSIM simulation waveforms for Case 1: Vin(min) = 135 V, full load, RL = 16 Ω, δ = 180°. vAB, vBC, vCA, and iLsA, iLsB, iLsC for (a) Module 1 and (b) Module 2. vrect_in_ab or vLab, and vCsA for (c) Module 1 and (d) Module 2.
Electronics 08 00115 g004
Figure 5. PSIM simulation waveforms for Case 1: Vin(min) = 135 V, full load, RL = 16 Ω, δ = 180°. iLab, iLsA, and irect_in.a for (a) Module 1 and (b) Module 2. vLab, vLbc, vLca, and irect_in,a for (c) Module 1 and (d) Module 2.
Figure 5. PSIM simulation waveforms for Case 1: Vin(min) = 135 V, full load, RL = 16 Ω, δ = 180°. iLab, iLsA, and irect_in.a for (a) Module 1 and (b) Module 2. vLab, vLbc, vLca, and irect_in,a for (c) Module 1 and (d) Module 2.
Electronics 08 00115 g005
Figure 6. PSIM simulation waveforms for Case 1: Vin(min) = 135 V, full load, RL = 16 Ω, δ = 180°. Voltage across MOSFET (vDS) and current through it (is) to show ZVS of switches S1S3 and switches S4S6 for (a) Module 1 and (b) Module 2.
Figure 6. PSIM simulation waveforms for Case 1: Vin(min) = 135 V, full load, RL = 16 Ω, δ = 180°. Voltage across MOSFET (vDS) and current through it (is) to show ZVS of switches S1S3 and switches S4S6 for (a) Module 1 and (b) Module 2.
Electronics 08 00115 g006
Figure 7. PSIM simulation waveforms for Case 1: Vin(min) = 135 V, full load, RL = 16 Ω, δ = 180°. Phase voltages (a) across the primary terminals (vA12p, vB12p, vC12p), and the primary current in Phase A of the three-phase boost transformer T3; (b) across the secondary terminals of three-phase boost transformer T3 (vA12s, vB12s, vC12s), and output voltage of the boost rectifier before filtering (vboost).
Figure 7. PSIM simulation waveforms for Case 1: Vin(min) = 135 V, full load, RL = 16 Ω, δ = 180°. Phase voltages (a) across the primary terminals (vA12p, vB12p, vC12p), and the primary current in Phase A of the three-phase boost transformer T3; (b) across the secondary terminals of three-phase boost transformer T3 (vA12s, vB12s, vC12s), and output voltage of the boost rectifier before filtering (vboost).
Electronics 08 00115 g007
Figure 8. PSIM simulation waveforms for Case 2: Vin(max) = 270 V, full load, RL = 16 Ω, δ = 84°. (a)–(d) Figure 4 waveforms repeated.
Figure 8. PSIM simulation waveforms for Case 2: Vin(max) = 270 V, full load, RL = 16 Ω, δ = 84°. (a)–(d) Figure 4 waveforms repeated.
Electronics 08 00115 g008
Figure 9. PSIM simulation waveforms for Case 2: Vin(max) = 270 V, full load, RL = 16 Ω, δ= 84°. (a)–(d) Figure 5 waveforms repeated.
Figure 9. PSIM simulation waveforms for Case 2: Vin(max) = 270 V, full load, RL = 16 Ω, δ= 84°. (a)–(d) Figure 5 waveforms repeated.
Electronics 08 00115 g009
Figure 10. PSIM simulation waveforms for Case 2: Vin(max) = 270 V, full load, RL = 16 Ω, δ = 84°. (a)–(b) Figure 6 waveforms repeated.
Figure 10. PSIM simulation waveforms for Case 2: Vin(max) = 270 V, full load, RL = 16 Ω, δ = 84°. (a)–(b) Figure 6 waveforms repeated.
Electronics 08 00115 g010
Figure 11. PSIM simulation waveforms for Case 2: Vin(max) = 270 V, full load, RL = 16 Ω, δ = 84°. (a)–(b) Figure 7 waveforms repeated.
Figure 11. PSIM simulation waveforms for Case 2: Vin(max) = 270 V, full load, RL = 16 Ω, δ = 84°. (a)–(b) Figure 7 waveforms repeated.
Electronics 08 00115 g011
Figure 12. PSIM simulation waveforms for Case 5: Vin(min) = 135 V, 20% of full load, RL = 80 Ω, δ = 98°. (a)–(d) Figure 4 waveforms repeated.
Figure 12. PSIM simulation waveforms for Case 5: Vin(min) = 135 V, 20% of full load, RL = 80 Ω, δ = 98°. (a)–(d) Figure 4 waveforms repeated.
Electronics 08 00115 g012
Figure 13. PSIM simulation waveforms for Case 5: Vin(min) = 135 V, 20% of full load, RL = 80 Ω, δ = 98°. (a)–(d) Figure 5 waveforms repeated.
Figure 13. PSIM simulation waveforms for Case 5: Vin(min) = 135 V, 20% of full load, RL = 80 Ω, δ = 98°. (a)–(d) Figure 5 waveforms repeated.
Electronics 08 00115 g013
Figure 14. PSIM simulation waveforms for Case 5: Vin(min) = 135 V, 20% of full load, RL = 80 Ω, δ = 98°. (a)–(b) Figure 6 waveforms repeated.
Figure 14. PSIM simulation waveforms for Case 5: Vin(min) = 135 V, 20% of full load, RL = 80 Ω, δ = 98°. (a)–(b) Figure 6 waveforms repeated.
Electronics 08 00115 g014
Figure 15. PSIM simulation waveforms for Case 5: Vin(min) = 135 V, 20% of full load, RL = 80 Ω, δ = 98°. (a)–(b) Figure 7 waveforms repeated.
Figure 15. PSIM simulation waveforms for Case 5: Vin(min) = 135 V, 20% of full load, RL = 80 Ω, δ = 98°. (a)–(b) Figure 7 waveforms repeated.
Electronics 08 00115 g015
Figure 16. Theoretical and simulation efficiencies:(a) Vin(min) = 135 V full load (10 kW), half load (5 kW), and 20% of full load; and (b) Vin(max) = 270 V full load (10 kW), and half load (5 kW).
Figure 16. Theoretical and simulation efficiencies:(a) Vin(min) = 135 V full load (10 kW), half load (5 kW), and 20% of full load; and (b) Vin(max) = 270 V full load (10 kW), and half load (5 kW).
Electronics 08 00115 g016
Figure 17. Simulation waveforms with Vin(min) = 135 V for step changes in io: (a) waveforms of vo and io, (b) expanded waveform of vo, for full load (RL = 16 Ω, δ = 180°) to half load (RL = 32 Ω, δ = 107°) at t = 0.2 sec.; (c) waveforms of vo and io (d) expanded waveform of vo, for half load (RL = 32 Ω, δ = 107°) to 20% of full load (RL = 80 Ω, δ = 98°) at t = 0.25 sec. Output voltage vo to be regulated is 392 V.
Figure 17. Simulation waveforms with Vin(min) = 135 V for step changes in io: (a) waveforms of vo and io, (b) expanded waveform of vo, for full load (RL = 16 Ω, δ = 180°) to half load (RL = 32 Ω, δ = 107°) at t = 0.2 sec.; (c) waveforms of vo and io (d) expanded waveform of vo, for half load (RL = 32 Ω, δ = 107°) to 20% of full load (RL = 80 Ω, δ = 98°) at t = 0.25 sec. Output voltage vo to be regulated is 392 V.
Electronics 08 00115 g017
Figure 18. Simulation waveforms with Vin(min) = 135 V for step changes in io from 20% of full load (RL = 80 Ω, δ = 98°) to half load (RL = 32 Ω, δ = 107°) at t = 0.2 s, and then to full load (RL = 16 Ω, δ = 180°) at t = 0.25 s: (a) waveforms of vo and io, (b) expanded waveform of vo.
Figure 18. Simulation waveforms with Vin(min) = 135 V for step changes in io from 20% of full load (RL = 80 Ω, δ = 98°) to half load (RL = 32 Ω, δ = 107°) at t = 0.2 s, and then to full load (RL = 16 Ω, δ = 180°) at t = 0.25 s: (a) waveforms of vo and io, (b) expanded waveform of vo.
Electronics 08 00115 g018
Figure 19. Simulation waveforms with Vin(min) = 135 V for step changes in load current at t = 0.2 s: (a) waveforms of resonant tank currents (iLsa, iLsb, iLsc) in Phases A, B, and C, (b) expanded waveforms of iLsa, iLsb, iLsc for full load (RL = 16 Ω, δ = 180°) to half load (RL = 32 Ω, δ = 107°) for Module 1, (c) iLsa, iLsb, iLsc, (d) expanded waveforms of iLsa, iLsb, iLsc for half load (RL = 32 Ω, δ = 107°) to 20% of full load (RL = 80 Ω, δ = 98°) for Module 2.
Figure 19. Simulation waveforms with Vin(min) = 135 V for step changes in load current at t = 0.2 s: (a) waveforms of resonant tank currents (iLsa, iLsb, iLsc) in Phases A, B, and C, (b) expanded waveforms of iLsa, iLsb, iLsc for full load (RL = 16 Ω, δ = 180°) to half load (RL = 32 Ω, δ = 107°) for Module 1, (c) iLsa, iLsb, iLsc, (d) expanded waveforms of iLsa, iLsb, iLsc for half load (RL = 32 Ω, δ = 107°) to 20% of full load (RL = 80 Ω, δ = 98°) for Module 2.
Electronics 08 00115 g019
Figure 20. Simulation waveforms of resonant tank currents (iLsa, iLsb, iLsc) in Phases A, B, and C with Vin(min) = 135 V for step changes in load current from 20% of full load (RL= 80 Ω, δ = 98°) to half load (RL= 32 Ω, δ = 107°) at t = 0.2 s, and then to full load (RL= 16 Ω, δ = 180°) at t = 0.25 s. (a) Module 1 and (b) Module 2.
Figure 20. Simulation waveforms of resonant tank currents (iLsa, iLsb, iLsc) in Phases A, B, and C with Vin(min) = 135 V for step changes in load current from 20% of full load (RL= 80 Ω, δ = 98°) to half load (RL= 32 Ω, δ = 107°) at t = 0.2 s, and then to full load (RL= 16 Ω, δ = 180°) at t = 0.25 s. (a) Module 1 and (b) Module 2.
Electronics 08 00115 g020
Figure 21. Simulation waveforms of switch currents (is1is6) with Vin(min) = 135 V for step changes in load current: (a)–(b) from full load (RL= 16 Ω, δ = 180°) to half load (RL= 32 Ω, δ = 107°) at t = 0.2 s. (a) Module 1 and (b) Module 2. (c)–(d) from half load (RL= 16 Ω, δ = 180°) to 20% of full load (RL= 80 Ω, δ = 98°) at t = 0.25 s. (c) Module 1 and (d) Module 2.
Figure 21. Simulation waveforms of switch currents (is1is6) with Vin(min) = 135 V for step changes in load current: (a)–(b) from full load (RL= 16 Ω, δ = 180°) to half load (RL= 32 Ω, δ = 107°) at t = 0.2 s. (a) Module 1 and (b) Module 2. (c)–(d) from half load (RL= 16 Ω, δ = 180°) to 20% of full load (RL= 80 Ω, δ = 98°) at t = 0.25 s. (c) Module 1 and (d) Module 2.
Electronics 08 00115 g021
Table 1. Linear-generator specifications [2,33].
Table 1. Linear-generator specifications [2,33].
ParameterValue
Rated power at 0.7 m/s10 kW
Open circuit voltage (Line) at 0.7 m/s200 V
Generator resistance0.44 Ω
Generator inductance11.7 mH
Iron losses at 0.7 m/s0.57 kW
Length of air gap3 mm
Size of magnet block6.5 × 35 × 100 mm3
Pole width50 mm
Stator sides (number)4
Stator length (vertical)1.264 m
Translator length (vertical)1.867 m
Weight of translator 1000 kg
Table 2. Specifications of the designed converter [33].
Table 2. Specifications of the designed converter [33].
ParameterValue
Input voltage (Vin)135 V to 270 V
Output voltage (Vo)400 V
Output Power (Po)10 kW
DC bus voltage (Vbus)600 V
Switching frequency (fs)100 kHz
Table 3. Power loss.
Table 3. Power loss.
CaseInverter (MOSFET) LossesRectifier Conduction Losses (W)Transformer + Q Loss (W) (Assumed 1%)Total Losses (W)Efficiency (%)
Turn-off (W)Conduction (W)Diode (W)
OutputBoost
Vin = 135V, Full load.334.31478.8110.9962.5099.25200.001185.8689.39
Vin = 270V, Full load.136.64196.4710.9962.5049.62200.00656.2293.84
Vin = 135V, Half load.70.11124.100.8431.2549.62100.00375.9293.00
Vin = 270V, Half load.25.7751.740.8431.2524.81100.00234.4195.52
Vin = 135V, 20% load.9.2119.661.2512.5019.8540.00102.4795.12
Table 4. Calculation and simulation results [24,33].
Table 4. Calculation and simulation results [24,33].
ParameterCase-1:
Vin(min) = 135V, Full Load
Case-2:
Vin(max) = 270V, Full Load
Case-3:
Vin(min) = 135V, Half Load
Case-4:
Vin(max) = 270V, Half Load
Case-5:
Vin(min) = 135V, 20% Load
Cal.Sim.Cal.Sim.Cal.Sim.Cal.Sim.Cal.Sim.
Vo (V)400.00392.51400.00394.92400.00390.95400.00390.50400.00390.21
Io (A)25.0024.5325.0024.6812.5012.2112.5012.205.004.88
Vbus (V)600.00598.95600.00600.61443.79445.11443.79443.59388.97386.96
Vboost,DC (V)465.00463.95330.00330.61308.79310.11173.79173.59253.97251.96
H (%)91.7293.0594.8797.5694.0496.6395.9298.6895.4898.77
δ (°)1801808584108107616010198
ILsp
(ILsr)
(A)
Mod 114.11
(9.97)
13.75
(9.82)
14.11
(9.97)
13.81
(9.86)
7.06
(4.99)
6.94
(4.87)
7.06
(4.99)
6.93
(4.86)
2.83
(2.00)
2.77
(1.92)
Mod 214.11
(9.97)
13.75
(9.82)
14.11
(9.97)
13.86
(9.88)
7.06
(4.99)
6.99
(4.90)
7.06
(4.99)
6.97
(4.89)
2.83
(2.00)
2.83
(1.97)
VCsp
(VCsr)
(V)
Mod 11413.82
(999.72)
1387.17
(985.45)
1413.82
(999.72)
1393.28
(986.76)
707.41
(500.21)
688.22
(486.58)
707.41
(500.21)
687.94
(487.07)
283.57
(200.50)
273.34
(193.28)
Mod 21413.82
(999.72)
1387.34
(985.48)
1413.82
(999.72)
1398.43
(991.77)
707.41
(500.21)
693.83
(492.90)
707.41
(500.21)
692.48
(490.40)
283.57
(200.50)
280.32
(197.57)
iL’p (p)
(mA)
Mod 154.6656.3354.6656.7354.6656.1454.6656.0454.6656.03
Mod 254.6656.2954.6656.6954.6656.1454.6656.1054.6656.04

Share and Cite

MDPI and ACS Style

Harischandrappa, N.; Bhat, A.K.S. A 10 kW ZVS Integrated Boost Dual Three-Phase Bridge DC–DC Resonant Converter for a Linear Generator-Based Wave-Energy System: Design and Simulation. Electronics 2019, 8, 115. https://doi.org/10.3390/electronics8010115

AMA Style

Harischandrappa N, Bhat AKS. A 10 kW ZVS Integrated Boost Dual Three-Phase Bridge DC–DC Resonant Converter for a Linear Generator-Based Wave-Energy System: Design and Simulation. Electronics. 2019; 8(1):115. https://doi.org/10.3390/electronics8010115

Chicago/Turabian Style

Harischandrappa, Nagendrappa, and Ashoka K. S. Bhat. 2019. "A 10 kW ZVS Integrated Boost Dual Three-Phase Bridge DC–DC Resonant Converter for a Linear Generator-Based Wave-Energy System: Design and Simulation" Electronics 8, no. 1: 115. https://doi.org/10.3390/electronics8010115

APA Style

Harischandrappa, N., & Bhat, A. K. S. (2019). A 10 kW ZVS Integrated Boost Dual Three-Phase Bridge DC–DC Resonant Converter for a Linear Generator-Based Wave-Energy System: Design and Simulation. Electronics, 8(1), 115. https://doi.org/10.3390/electronics8010115

Note that from the first issue of 2016, this journal uses article numbers instead of page numbers. See further details here.

Article Metrics

Back to TopTop