-
A Novel Railgun-Based Actuation System for Ultrafast DC Circuit Breakers in EV Fast-Charging Applications
-
The Impact of Weight Distribution in Heavy Battery Electric Vehicles on Pavement Performance: A Preliminary Study
-
Equity Considerations in Public Electric Vehicle Charging: A Review
-
Efficient Drone Data Collection in WSNs: ILP and mTSP Integration with Quality Assessment
-
Enhancing Thermal Comfort and Efficiency in Fuel Cell Trucks: A Predictive Control Approach for Cabin Heating
Journal Description
World Electric Vehicle Journal
World Electric Vehicle Journal
is the first peer-reviewed, international, scientific journal that comprehensively covers all studies related to battery, hybrid, and fuel cell electric vehicles. The journal is owned by the World Electric Vehicle Association (WEVA) and its members, the E-Mobility Europe, Electric Drive Transportation Association (EDTA), and Electric Vehicle Association of Asia Pacific (EVAAP). It has been published monthly online by MDPI since Volume 9, Issue 1 (2018).
- Open Access— free for readers, with article processing charges (APC) paid by authors or their institutions.
- High Visibility: indexed within Scopus, ESCI (Web of Science), Ei Compendex, and other databases.
- Journal Rank: JCR - Q2 (Engineering, Electrical and Electronic) / CiteScore - Q2 (Automotive Engineering)
- Rapid Publication: manuscripts are peer-reviewed and a first decision is provided to authors approximately 17.6 days after submission; acceptance to publication is undertaken in 2.9 days (median values for papers published in this journal in the first half of 2025).
- Recognition of Reviewers: reviewers who provide timely, thorough peer-review reports receive vouchers entitling them to a discount on the APC of their next publication in any MDPI journal, in appreciation of the work done.
Impact Factor:
2.6 (2024)
Latest Articles
A Comparative Study on the Acceptance of Autonomous Driving Technology by China and Europe: A Cross-Cultural Empirical Analysis Based on the Technology Acceptance Model
World Electr. Veh. J. 2025, 16(11), 589; https://doi.org/10.3390/wevj16110589 - 22 Oct 2025
Abstract
As the global automobile industry undergoes rapid intelligent transformation, understanding public acceptance of autonomous driving emerges as a critical research challenge. This study adopts the Technology Acceptance Model (TAM) as its theoretical framework to conduct a comparative analysis between China and Europe, two
[...] Read more.
As the global automobile industry undergoes rapid intelligent transformation, understanding public acceptance of autonomous driving emerges as a critical research challenge. This study adopts the Technology Acceptance Model (TAM) as its theoretical framework to conduct a comparative analysis between China and Europe, two major automotive markets and central arenas for the development of autonomous driving. It investigates how contextual factors—including policy support, infrastructure, social trust, and cultural values—influence acceptance patterns. The findings show that in China, strong policy guidance, rapid infrastructure deployment, and large-scale demonstration projects have substantially increased willingness to adopt, while the widespread use of L2-level systems has enhanced public familiarity with the technology. Nonetheless, high-profile accidents have also exposed vulnerabilities in public trust. In contrast, European consumers demonstrate a more cautious stance, emphasizing legal liability, data privacy, and ethical compliance, while simultaneously regarding autonomous driving as a means of achieving carbon reduction, traffic safety, and sustainable mobility. The results further indicate that in the European context, institutional guarantees and prior experience are decisive, with accident memory and institutional trust serving as critical moderators within TAM pathways.
Full article
(This article belongs to the Special Issue Recent Advances in Autonomous Vehicles)
►
Show Figures
Open AccessCorrection
Correction: Zhang et al. Design of Coordinated EV Traffic Control Strategies for Expressway System with Wireless Charging Lanes. World Electr. Veh. J. 2025, 16, 496
by
Yingying Zhang, Yifeng Hong and Zhen Tan
World Electr. Veh. J. 2025, 16(10), 588; https://doi.org/10.3390/wevj16100588 - 21 Oct 2025
Abstract
In the original publication [...]
Full article
Open AccessArticle
FPGA Implementation of Battery State-of-Charge Estimation Using Extended Kalman Filter and Dynamic Sampling
by
Seungjae Yun, Jeongju Jeon, Eunseong Lee, Taeyeon Jeong and Sunhee Kim
World Electr. Veh. J. 2025, 16(10), 587; https://doi.org/10.3390/wevj16100587 - 20 Oct 2025
Abstract
The rapid increase in the adoption of electric vehicles (EVs) has highlighted issues related to the safety and efficiency of lithium-ion batteries. This study implemented a hardware module to effectively estimate the state of charge (SOC), which is a core element of the
[...] Read more.
The rapid increase in the adoption of electric vehicles (EVs) has highlighted issues related to the safety and efficiency of lithium-ion batteries. This study implemented a hardware module to effectively estimate the state of charge (SOC), which is a core element of the battery management system (BMS), using an extended Kalman filter (EKF)-based approach. A method to reduce the power consumption during hardware design through adjustments to the sampling period according to the SOC range was proposed. The root mean square error was obtained as below 0.75, with only 2455 samples out of the 700,000 measurements, achieving a reduction of 99.65%. Following the evaluation of the accuracy of the software model, the results were compared through hardware implementation. Consequently, the performance was verified via synthesis using a DE2-115 FPGA board from Terasic in Taiwan.
Full article
(This article belongs to the Special Issue Electric Vehicles and Charging Facilities for a Sustainable Transport Sector)
►▼
Show Figures

Figure 1
Open AccessArticle
Analysis and Improvement of the Dynamic Characteristics of an Electro-Hydrostatic Actuator Based on a Vehicle’s Active Suspension
by
Peng Chen and Xing Chen
World Electr. Veh. J. 2025, 16(10), 586; https://doi.org/10.3390/wevj16100586 - 20 Oct 2025
Abstract
►▼
Show Figures
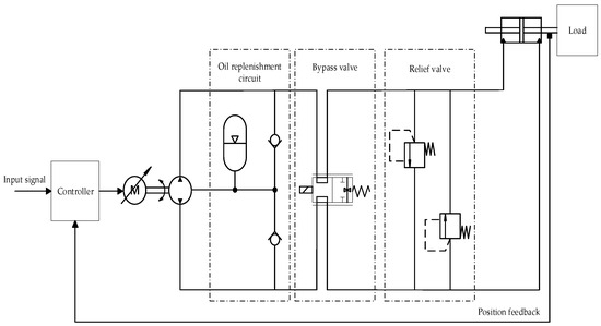
This study investigates the dynamic characteristics of electro-hydrostatic actuators (EHA), which serve as the core actuating element in vehicle active suspension systems, with the aim of enhancing overall system performance. The purpose of this research is to identify and address the factors limiting
[...] Read more.
This study investigates the dynamic characteristics of electro-hydrostatic actuators (EHA), which serve as the core actuating element in vehicle active suspension systems, with the aim of enhancing overall system performance. The purpose of this research is to identify and address the factors limiting EHA dynamic response. Through theoretical analysis from the perspectives of natural frequency properties and power demand, the study reveals that the natural frequency of the motor-pump assembly acts as the primary bottleneck, while insufficient motor output torque represents another major constraint. To overcome these limitations, a method is proposed involving increased maximum motor output torque and reduced rotational inertia of the motor-pump assembly. The feasibility of this approach is validated via frequency domain simulation analysis. Comparative simulations demonstrate that the enhanced EHA system exhibits significantly improved dynamic performance under both step and sinusoidal position commands compared to the baseline system. These findings provide important theoretical insights and practical directions for overcoming actuator performance limitations in vehicle active suspension systems.
Full article

Figure 1
Open AccessArticle
Fuzzy Control with Modified Fireworks Algorithm for Fuel Cell Commercial Vehicle Seat Suspension
by
Nannan Jiang and Xiaoliang Chen
World Electr. Veh. J. 2025, 16(10), 585; https://doi.org/10.3390/wevj16100585 - 17 Oct 2025
Abstract
Enhancing ride comfort and vibration control performance is a critical requirement for fuel cell commercial vehicles (FCCVs). This study develops a semi-active seat suspension control strategy that integrates a fuzzy logic controller with a Modified Fireworks Algorithm (MFWA) to systematically optimize fuzzy parameters.
[...] Read more.
Enhancing ride comfort and vibration control performance is a critical requirement for fuel cell commercial vehicles (FCCVs). This study develops a semi-active seat suspension control strategy that integrates a fuzzy logic controller with a Modified Fireworks Algorithm (MFWA) to systematically optimize fuzzy parameters. A seven-degree-of-freedom (7-DOF) half-vehicle model, including the magnetorheological damper (MRD)-based seat suspension system, is established in MATLAB/Simulink to evaluate the methodology under both random and bump road excitations. In addition, a hardware-in-the-loop (HIL) experimental validation was conducted, confirming the real-time feasibility and effectiveness of the proposed controller. Comparative simulations are conducted against passive suspension (comprising elastic and damping elements) and conventional PID control. Results show that the proposed MFWA-FL approach significantly improves ride comfort, reducing vertical acceleration of the human body by up to 49.29% and seat suspension dynamic deflection by 12.50% under C-Class road excitation compared with the passive system. Under bump excitations, vertical acceleration is reduced by 43.03% and suspension deflection by 11.76%. These improvements effectively suppress vertical vibrations, minimize the risk of suspension bottoming, and highlight the potential of intelligent optimization-based control for enhancing FCCV reliability and passenger comfort.
Full article
(This article belongs to the Section Propulsion Systems and Components)
►▼
Show Figures

Figure 1
Open AccessArticle
Trigger-Based PDCA Framework for Sustainable Grid Integration of Second-Life EV Batteries
by
Ganna Kostenko and Artur Zaporozhets
World Electr. Veh. J. 2025, 16(10), 584; https://doi.org/10.3390/wevj16100584 - 17 Oct 2025
Abstract
Second-life electric vehicle batteries (SLBs) represent a promising asset for enhancing grid flexibility and advancing circular economy objectives in the power sector. This paper proposes a conceptual trigger-based PDCA (Plan–Do–Check–Act) framework for the sustainable grid integration of SLBs, enabling adaptive operational control across
[...] Read more.
Second-life electric vehicle batteries (SLBs) represent a promising asset for enhancing grid flexibility and advancing circular economy objectives in the power sector. This paper proposes a conceptual trigger-based PDCA (Plan–Do–Check–Act) framework for the sustainable grid integration of SLBs, enabling adaptive operational control across diverse application scenarios. The framework combines lifecycle KPI monitoring, degradation and performance tracking, and economic feasibility assessment with trigger-driven dispatch logic. Technical, financial, and environmental indicators are systematically integrated into the four PDCA phases, providing a structured basis for adaptive management. To illustrate applicability, indicative KPI calculations are presented for three representative scenarios (HV Backup, RES Smoothing, and Frequency Regulation). These examples demonstrate how the framework supports scenario-based planning, performance evaluation, and decision-making under uncertainty. Compared with existing state-of-the-art approaches, which typically analyse technical or economic aspects in isolation, the proposed framework introduces a modular, multi-model architecture that aligns operational triggers with long-term sustainability goals. By embedding reuse-oriented strategies into an adaptive PDCA cycle, the study offers a clear and practical methodology for maximising SLB value while minimising degradation and environmental impacts. The framework provides a valuable reference framework for structured SLB deployment, supporting more resilient, cost-effective, and low-carbon energy systems.
Full article
(This article belongs to the Special Issue Power and Energy Systems for E-Mobility, 2nd Edition)
►▼
Show Figures

Figure 1
Open AccessArticle
Multidisciplinary Engineering Educational Programme Based on the Development of Photovoltaic Electric Vehicles
by
Daniel Rosas-Cervantes and José Fernández-Ramos
World Electr. Veh. J. 2025, 16(10), 583; https://doi.org/10.3390/wevj16100583 - 17 Oct 2025
Abstract
This study compares two methodologies for organising the working groups of a multidisciplinary project-based learning programme aimed at strengthening students’ transversal skills. The subject of the project was the design and manufacture of prototypes of light electric vehicles powered exclusively by photovoltaic energy.
[...] Read more.
This study compares two methodologies for organising the working groups of a multidisciplinary project-based learning programme aimed at strengthening students’ transversal skills. The subject of the project was the design and manufacture of prototypes of light electric vehicles powered exclusively by photovoltaic energy. The difference between the two methodologies was the way in which the tasks were distributed among the working groups. In the first method, each group of students specialised in one of the tasks and many of these tasks were carried out simultaneously. In the second method, the tasks were organised sequentially and all groups were involved in some part of them. The results have shown that the first method allows a higher net return on the students’ work and a greater reinforcement of the skills acquired in the project, while the second method requires a rather less complex organisation, enables a more balanced distribution of the students’ work, allows rapid progress in the acquisition of a greater number of practical skills and presents a greater opportunity for implementing multidisciplinary teaching.
Full article
(This article belongs to the Section Marketing, Promotion and Socio Economics)
►▼
Show Figures

Figure 1
Open AccessArticle
Position Sensorless Control of BLDCM Fed by FSTP Inverter with Capacitor Voltage Compensation
by
Hanrui Wang, Lu Zhou, Qinghui Meng, Ying Xin, Xinmin Li and Chen Li
World Electr. Veh. J. 2025, 16(10), 582; https://doi.org/10.3390/wevj16100582 - 15 Oct 2025
Abstract
Aiming at the commutation error in position sensorless control of brushless DC motors (BLDCMs) driven by four-switch three-phase (FSTP) inverters—caused by ignoring capacitor voltage fluctuations—this paper proposes a novel position sensorless control method based on voltage offset compensation. By independently performing PWM modulation
[...] Read more.
Aiming at the commutation error in position sensorless control of brushless DC motors (BLDCMs) driven by four-switch three-phase (FSTP) inverters—caused by ignoring capacitor voltage fluctuations—this paper proposes a novel position sensorless control method based on voltage offset compensation. By independently performing PWM modulation on the switches of the non-capacitor-connected phases (Phase a and Phase b), the method suppresses three-phase current distortion. Meanwhile, it calculates the terminal voltages using switch signals and constructs a G(θ) function independent of the motor speed. Based on the voltage compensation amount derived in this paper, the influence of capacitor voltage fluctuations on this function is compensated. According to the relationship between the extreme value jump edges of the G(θ) function (after voltage compensation) and the commutation points, the accurate commutation signals required for motor operation are determined. The proposed strategy eliminates the need for filters, which not only avoids phase delay but also is suitable for motor rotor position estimation over a wider speed range. Experimental results show that compared with the uncompensated method, the average commutation error is reduced from approximately 18° to less than 3° electrical angle. Under different operating conditions, the proposed method can always obtain uniform commutation signals and exhibits strong robustness.
Full article
(This article belongs to the Special Issue Vehicle Control and Drive Systems for Electric Vehicles)
►▼
Show Figures

Figure 1
Open AccessArticle
Research on Deep Adaptive Clustering Method Based on Stacked Sparse Autoencoders for Concrete Truck Mixers Driving Conditions
by
Ying Huang, Fachao Jiang and Haiming Xie
World Electr. Veh. J. 2025, 16(10), 581; https://doi.org/10.3390/wevj16100581 - 15 Oct 2025
Abstract
Existing standard driving conditions fail to accurately characterize the complex characteristics of heavy-duty commercial vehicles such as concrete truck mixers (CTMs), while traditional dimensionality reduction methods have strong empirical dependence and an insufficient ability to capture nonlinear relationships. To address these issues, a
[...] Read more.
Existing standard driving conditions fail to accurately characterize the complex characteristics of heavy-duty commercial vehicles such as concrete truck mixers (CTMs), while traditional dimensionality reduction methods have strong empirical dependence and an insufficient ability to capture nonlinear relationships. To address these issues, a novel method for constructing typical composite driving conditions that integrates deep feature learning and adaptive clustering is proposed. Firstly, a vehicle data monitoring system is used to collect real-world driving data, and a data processing and filtering criterion specific to CTMs is designed to provide effective input for feature extraction. Then, stacked sparse autoencoders (SSAE) are employed to extract deep features from normalized driving data. Finally, the K-means++ algorithm is improved using a nearest neighbor effective index minimization strategy to construct an adaptive driving condition clustering model. Validation results based on a real-world dataset of 8779 driving condition segments demonstrate that this method enables the precise extraction of complex driving condition features and optimal cluster partitioning. It provides a reliable basis for subsequent research on typical composite driving conditions construction and energy management strategies for heavy-duty commercial vehicles.
Full article
(This article belongs to the Section Vehicle and Transportation Systems)
►▼
Show Figures

Figure 1
Open AccessArticle
Power Management for V2G and V2H Operation Modes in Single-Phase PV/BES/EV Hybrid Energy System
by
Chayakarn Saeseiw, Kosit Pongpri, Tanakorn Kaewchum, Sakda Somkun and Piyadanai Pachanapan
World Electr. Veh. J. 2025, 16(10), 580; https://doi.org/10.3390/wevj16100580 - 14 Oct 2025
Abstract
A multi-port conversion system that connects photovoltaic (PV) arrays, battery energy storage (BES), and an electric vehicle (EV) to a single-phase grid offers a flexible solution for smart homes. By integrating Vehicle-to-Grid (V2G) and Vehicle-to-Home (V2H) technologies, the system supports bidirectional energy flow,
[...] Read more.
A multi-port conversion system that connects photovoltaic (PV) arrays, battery energy storage (BES), and an electric vehicle (EV) to a single-phase grid offers a flexible solution for smart homes. By integrating Vehicle-to-Grid (V2G) and Vehicle-to-Home (V2H) technologies, the system supports bidirectional energy flow, optimizing usage, improving grid stability, and supplying backup power. The proposed four-port converter consists of an interleaved bidirectional DC-DC converter for high-voltage BES, a bidirectional buck–boost DC-DC converter for EV charging and discharging, a DC-DC boost converter with MPPT for PV, and a grid-tied inverter. Its non-isolated structure ensures high efficiency, compact design, and fewer switches, making it suitable for residential applications. A state-of-charge (SoC)-based power management strategy coordinates operation among PV, BES, and EV in both on-grid and off-grid modes. It reduces reliance on EV energy when supporting V2G and V2H, while SoC balancing between BES and EV extends lifetime and lowers current stress. A 7.5 kVA system was simulated in MATLAB/Simulink to validate feasibility. Two scenarios were studied: PV, BES, and EV with V2G supporting the grid and PV, BES, and EV with V2H providing backup power in off-grid mode. Tests under PV fluctuations and load variations confirmed the effectiveness of the proposed design. The system exhibited a fast transient response of 0.05 s during grid-support operation and maintained stable voltage and frequency in off-grid mode despite PV and load fluctuations. Its protection scheme disconnected overloads within 0.01 s, while harmonic distortions in both cases remained modest and complied with EN50610 standards.
Full article
(This article belongs to the Special Issue Electric Vehicles in Smart Grids: Integration, Optimization, and Sustainability)
►▼
Show Figures

Graphical abstract
Open AccessArticle
Novel Method for Battery Design of Electric Vehicles Based on Longitudinal Dynamics, Range, and Charging Requirements
by
Ralph Biller, Erik Ketzmerick, Stefan Mayr and Günther Prokop
World Electr. Veh. J. 2025, 16(10), 579; https://doi.org/10.3390/wevj16100579 - 14 Oct 2025
Abstract
VDI/VDE 2206 introduces the “V-Model”, a standard in the field of automotive development that uses systems engineering to derive requirements for (sub-)systems and components based on vehicle characteristics. These characteristics, which are directly experienced by drivers, are crucial in the concept phase, where
[...] Read more.
VDI/VDE 2206 introduces the “V-Model”, a standard in the field of automotive development that uses systems engineering to derive requirements for (sub-)systems and components based on vehicle characteristics. These characteristics, which are directly experienced by drivers, are crucial in the concept phase, where virtual methods are increasingly applied. Regarding the battery electric vehicle’s energy storage, commonly a lithium-ion battery, vehicle metrics, especially for charging, range, and longitudinal dynamics, are of particular relevance. This publication will demonstrate a method to derive the requirements for the battery system based on those metrics. The core of the method is a static battery model, which considers the needed effects and dependencies in order to adequately represent the defined vehicle metrics, e.g., the battery’s open-circuit voltage and internal resistance. This paper also discusses the necessity of the relevant effects and dependencies and also why some of them can be ignored at this particular vehicle development stage. The result is a consistent method for requirement definition, from vehicle level to battery system level, applicable in the concept phase of the vehicle development process.
Full article
(This article belongs to the Section Manufacturing)
►▼
Show Figures

Figure 1
Open AccessReview
Circular Economy and Sustainability in Lithium-Ion Battery Development in China and the USA
by
Daniel Yousefi and Azita Soleymani
World Electr. Veh. J. 2025, 16(10), 578; https://doi.org/10.3390/wevj16100578 - 14 Oct 2025
Abstract
The surge in electric vehicles (EVs) and renewable energy has made lithium-ion batteries (LIBs) critical to the global energy transition. This review examines how LIBs contribute to a circular economy, focusing on China and the United States as key actors shaping the battery
[...] Read more.
The surge in electric vehicles (EVs) and renewable energy has made lithium-ion batteries (LIBs) critical to the global energy transition. This review examines how LIBs contribute to a circular economy, focusing on China and the United States as key actors shaping the battery value chain. We analyze technological advancements, market growth, supply chain dynamics, ESG risks, and strategies for recycling, reuse, and next-generation chemistries. China’s approach centers on vertical integration and scale, while the U.S. emphasizes innovation, policy incentives, and diversification. Despite progress, gaps remain in closed-loop systems, ethical sourcing, and supply chain resilience. Realizing sustainable battery growth will require coordinated efforts in technology, governance, and international collaboration to align resource efficiency with long-term environmental and economic goals.
Full article
(This article belongs to the Special Issue Electric Vehicle Battery Pack and Electric Motor Sizing Methods)
►▼
Show Figures

Figure 1
Open AccessSystematic Review
Optimizing Energy Consumption in Electric Vehicles: A Systematic and Bibliometric Review of Recent Advances
by
Hind Tarout, Hanane Zaki, Amine Chahbouni, Elmehdi Ennajih and El Mustapha Louragli
World Electr. Veh. J. 2025, 16(10), 577; https://doi.org/10.3390/wevj16100577 - 13 Oct 2025
Abstract
Electric vehicles are key to sustainable mobility, but their limited range remains a major obstacle to widespread adoption. Extending driving distance requires optimizing energy use across subsystems. This study combines bibliometric mapping (2017–2024, Scopus) with a focused qualitative review to structure recent research.
[...] Read more.
Electric vehicles are key to sustainable mobility, but their limited range remains a major obstacle to widespread adoption. Extending driving distance requires optimizing energy use across subsystems. This study combines bibliometric mapping (2017–2024, Scopus) with a focused qualitative review to structure recent research. Results highlight a strong emphasis on energy efficiency, with China leading due to its market size, industrial base, and supportive policies. Major research directions tied to range extension include energy storage, motion control, thermal regulation, cooperative driving, and grid interaction. Among these, hybrid energy storage systems and motor control stand out for their measurable impact and industrial relevance, while thermal management, regenerative braking, and systemic approaches (V2V and V2G) remain underexplored. Beyond mapping contributions, the study identifies ongoing gaps and calls for integrated strategies that combine electrical, thermal, and mechanical aspects. As EV adoption accelerates and battery demand increases, the findings emphasize the need for battery-aware, multi-objective energy management strategies. This synthesis provides a vital framework to guide future research and support the development of robust, integrated, and industry-ready solutions for optimizing EV energy use and extending driving range.
Full article
(This article belongs to the Section Energy Supply and Sustainability)
►▼
Show Figures

Figure 1
Open AccessArticle
Coordinated Control of Trajectory Tracking and Lateral Stability for Distributed Electric-Driven Buses
by
Yuanjie Huang, Xian Zheng, Tongqun Han and Wenhao Tan
World Electr. Veh. J. 2025, 16(10), 576; https://doi.org/10.3390/wevj16100576 - 13 Oct 2025
Abstract
To resolve the inherent coupling conflict between trajectory tracking and lateral stability in distributed electric drive buses, this paper proposes a hierarchical cooperative control framework. A simplified two-degree-of-freedom (2-DOF) vehicle model is first established, and kinematically derived reference states for stable motion are
[...] Read more.
To resolve the inherent coupling conflict between trajectory tracking and lateral stability in distributed electric drive buses, this paper proposes a hierarchical cooperative control framework. A simplified two-degree-of-freedom (2-DOF) vehicle model is first established, and kinematically derived reference states for stable motion are computed. At the upper level, a model predictive controller (MPC) generates real-time steering commands while explicitly minimizing lateral tracking error. At the lower level, a proportional integral derivative (PID)-based roll moment controller and a linear quadratic regulator (LQR)-based direct yaw moment controller are designed, with four-wheel torque distribution achieved via quadratic programming subject to friction circle and vertical load constraints. Co-simulation results using TruckSim and MATLAB/Simulink demonstrate that, during high-speed single-lane-change maneuvers, peak lateral error is reduced by 11.59–18.09%, and root-mean-square (RMS) error by 8.67–14.77%. Under medium-speed double-lane-change conditions, corresponding reductions of 3.85–12.16% and 4.48–11.33% are achieved, respectively. These results fully validate the effectiveness of the proposed strategy. Compared with the existing MPC–direct yaw moment control (DYC) decoupled control framework, the coordinated control strategy proposed in this paper achieves the optimal trade-off between trajectory tracking and lateral stability while maintaining the quadratic programming solution delay below 0.5 milliseconds.
Full article
(This article belongs to the Section Propulsion Systems and Components)
►▼
Show Figures

Figure 1
Open AccessArticle
Innovation Networks in the New Energy Vehicle Industry: A Dual Perspective of Collaboration Between Supply Chain and Executive Networks
by
Lixiang Chen and Wenting Wang
World Electr. Veh. J. 2025, 16(10), 575; https://doi.org/10.3390/wevj16100575 - 11 Oct 2025
Abstract
►▼
Show Figures
Driven by the global energy transition and the pursuit of dual carbon goals (carbon peaking and carbon neutrality), the innovation network of the new energy vehicle (NEV) industry, composed of enterprises, universities, and research institutes, has become a key driver of sustainable industrial
[...] Read more.
Driven by the global energy transition and the pursuit of dual carbon goals (carbon peaking and carbon neutrality), the innovation network of the new energy vehicle (NEV) industry, composed of enterprises, universities, and research institutes, has become a key driver of sustainable industrial development. The evolution of this network is jointly shaped by both supply chain networks (SCNs) and executive networks (ENs), representing formal and informal relational structures, respectively. To systematically explore these dynamics, this study analyzes panel data from Chinese A-share-listed NEV firms covering the period 2003–2024. Employing social network analysis (SNA) and Quadratic Assignment Procedure (QAP) regression, we investigate how SCNs and ENs influence the formation and structural evolution of innovation networks. The results reveal that although all three networks exhibit sparse connectivity, they differ substantially in their structural characteristics. Moreover, both SCNs and ENs have statistically significant positive effects on innovation network development. Building on these findings, we propose an integrative policy framework to strategically enhance the innovation ecosystem of China’s NEV industry. This study not only provides practical guidance for fostering collaborative innovation but also offers theoretical insights by integrating formal and informal network perspectives, thereby advancing the understanding of multi-network interactions in complex industrial systems.
Full article

Figure 1
Open AccessReview
Systemic Integration of EV and Autonomous Driving Technologies: A Study of China’s Intelligent Mobility Transition
by
Jiyong Gao, Yi Qiu and Zejian Chen
World Electr. Veh. J. 2025, 16(10), 574; https://doi.org/10.3390/wevj16100574 - 11 Oct 2025
Abstract
This paper presents a pioneering and novel analysis of the synergistic relationship between China’s leadership in electric vehicle (EV) adoption and the rapid advancement of autonomous driving (AD) technologies within the nation’s mobility ecosystem. Challenging the conventional view of electrification as a parallel
[...] Read more.
This paper presents a pioneering and novel analysis of the synergistic relationship between China’s leadership in electric vehicle (EV) adoption and the rapid advancement of autonomous driving (AD) technologies within the nation’s mobility ecosystem. Challenging the conventional view of electrification as a parallel trend, this study introduces a new perspective by demonstrating how EV infrastructure serves as a fundamental enabler of autonomy, providing the necessary high-voltage architectures for critical AD functions like real-time sensor fusion and over-the-air updates. In doing so, it addresses the central research question: How does large-scale electrification influence the architecture, deployment, and safety development of autonomous driving vehicles, particularly in the context of China’s intelligent mobility ecosystem? Through technical analysis and industry examples, the paper offers original contributions by illustrating how EV-driven platforms overcome the inherent limitations of internal combustion engine systems, enhancing autonomous execution and system reliability. Furthermore, this research provides novel insights into China’s unique public–private innovation ecosystem, highlighting the role of vertically integrated startups and cross-sector coordination in driving AD development. By analyzing these previously overlooked systemic interactions, the paper posits that China’s EV dominance strategically amplifies its autonomous vehicle ambitions, positioning the nation to lead the next generation of intelligent transportation systems.
Full article
(This article belongs to the Section Marketing, Promotion and Socio Economics)
►▼
Show Figures

Figure 1
Open AccessReview
Powertrain in Battery Electric Vehicles (BEVs): Comprehensive Review of Current Technologies and Future Trends Among Automakers
by
Ernest Ozoemela Ezugwu, Indranil Bhattacharya, Adeloye Ifeoluwa Ayomide, Mary Vinolisha Antony Dhason, Babatunde Damilare Soyoye and Trapa Banik
World Electr. Veh. J. 2025, 16(10), 573; https://doi.org/10.3390/wevj16100573 - 10 Oct 2025
Abstract
Battery Electric Vehicles (BEVs) technology is rapidly emerging as the cornerstone of sustainable transportation, driven by advancements in battery technology, power electronics, and modern drivetrains. This paper presents a comprehensive review of current and next-generation BEV powertrain architectures, focusing on five key subsystems:
[...] Read more.
Battery Electric Vehicles (BEVs) technology is rapidly emerging as the cornerstone of sustainable transportation, driven by advancements in battery technology, power electronics, and modern drivetrains. This paper presents a comprehensive review of current and next-generation BEV powertrain architectures, focusing on five key subsystems: battery energy storage system, electric propulsion motors, energy management systems, power electronic converters, and charging infrastructure. The review traces the evolution of battery technology from conventional lithium-ion to solid-state chemistries and highlights the critical role of battery management systems in ensuring optimal state of charge, health, and safety. Recent innovations by leading automakers are examined, showcasing advancements in cell formats, motor designs, and thermal management for enhanced range and performance. The role of power electronics and the integration of AI-driven strategies for vehicle control and vehicle-to-grid (V2G) are analyzed. Finally, the paper identifies ongoing research gaps in system integration, standardization, and advanced BMS solutions. This review provides a comprehensive roadmap for innovation, aiming to guide researchers and industry stakeholders in accelerating the adoption and sustainable advancement of BEV technologies.
Full article
(This article belongs to the Section Propulsion Systems and Components)
►▼
Show Figures

Figure 1
Open AccessArticle
State of Charge (SoC) Accurate Estimation Using Different Models of LSTM
by
Fehr Hassan, Mohamed El-Bably and Roaa I. Mubarak
World Electr. Veh. J. 2025, 16(10), 572; https://doi.org/10.3390/wevj16100572 - 10 Oct 2025
Abstract
Accurately estimating the State of Charge (SoC) is essential for optimal battery charge control and predicting the operational range of electric vehicles. The precision of SoC estimation directly influences these vehicles’ range and safety. However, achieving accurate SoC estimation is challenging due to
[...] Read more.
Accurately estimating the State of Charge (SoC) is essential for optimal battery charge control and predicting the operational range of electric vehicles. The precision of SoC estimation directly influences these vehicles’ range and safety. However, achieving accurate SoC estimation is challenging due to environmental variations, temperature changes, and electromagnetic interference. Numerous technologies rely on Machine Learning (ML) and Artificial Neural Networks (ANN). The proposed model employs two or more cascaded Long Short-Term Memory (LSTM) networks, which have effectively reduced the Mean Square Error (MSE). Additionally, other models such as Nonlinear Auto Regressive models with exogenous input neural networks (NARX) combined with LSTM, and standard LSTM models have been simulated. In this research a model has been presented with reduced Root Mean Square Error (RMSE) compared to a LSTM by 78% and has reduced the RMSE compared to NARX with LSTM by 47%.
Full article
(This article belongs to the Section Storage Systems)
►▼
Show Figures

Figure 1
Open AccessArticle
Micro-Platform Verification for LiDAR SLAM-Based Navigation of Mecanum-Wheeled Robot in Warehouse Environment
by
Yue Wang, Ying Yu Ye, Wei Zhong, Bo Lin Gao, Chong Zhang Mu and Ning Zhao
World Electr. Veh. J. 2025, 16(10), 571; https://doi.org/10.3390/wevj16100571 - 8 Oct 2025
Abstract
Path navigation for mobile robots critically determines the operational efficiency of warehouse logistics systems. However, the current QR (Quick Response) code path navigation for warehouses suffers from low operational efficiency and poor dynamic adaptability in complex dynamic environments. This paper introduces a deep
[...] Read more.
Path navigation for mobile robots critically determines the operational efficiency of warehouse logistics systems. However, the current QR (Quick Response) code path navigation for warehouses suffers from low operational efficiency and poor dynamic adaptability in complex dynamic environments. This paper introduces a deep reinforcement learning and hybrid-algorithm SLAM (Simultaneous Localization and Mapping) path navigation method for Mecanum-wheeled robots, validated with an emphasis on dynamic adaptability and real-time performance. Based on the Gazebo warehouse simulation environment, the TD3 (Twin Deep Deterministic Policy Gradient) path planning method was established for offline training. Then, the Astar-Time Elastic Band (TEB) hybrid path planning algorithm was used to conduct experimental verification in static and dynamic real-world scenarios. Finally, experiments show that the TD3-based path planning for mobile robots makes effective decisions during offline training in the simulation environment, while Astar-TEB accurately completes path planning and navigates around both static and dynamic obstacles in real-world scenarios. Therefore, this verifies the feasibility and effectiveness of the proposed SLAM path navigation for Mecanum-wheeled mobile robots on a miniature warehouse platform.
Full article
(This article belongs to the Special Issue Research on Intelligent Vehicle Path Planning Algorithm)
►▼
Show Figures

Figure 1
Open AccessArticle
Impact of Massive Electric Vehicle Penetration on Quito’s 138 kV Distribution System: Probabilistic Analysis for a Sustainable Energy Transition
by
Paul Andrés Masache, Washington Rodrigo Freire, Leandro Gabriel Corrales, Ana Lucia Mañay and Pablo Andrés Reyes
World Electr. Veh. J. 2025, 16(10), 570; https://doi.org/10.3390/wevj16100570 - 5 Oct 2025
Abstract
The study evaluates the impact of massive electric vehicle (EV) penetration on Quito’s 138 kV distribution system in Ecuador, employing a probabilistic approach to support a sustainable energy transition. The rapid adoption of EVs, as projected by Ecuador’s National Electromobility Strategy, poses significant
[...] Read more.
The study evaluates the impact of massive electric vehicle (EV) penetration on Quito’s 138 kV distribution system in Ecuador, employing a probabilistic approach to support a sustainable energy transition. The rapid adoption of EVs, as projected by Ecuador’s National Electromobility Strategy, poses significant challenges to the capacity and reliability of the city’s electrical infrastructure. The objective is to analyze the system’s response to increased EV load and assess its readiness for this scenario. A methodology integrating dynamic battery modeling, Monte Carlo simulations, and power flow analysis was employed, evaluating two penetration levels: 800 and 25,000 EVs, under homogeneous and non-homogeneous distribution scenarios. The results indicate that while the system can handle moderate penetration, high penetration levels lead to overloads in critical lines, such as L10–15 and L11–5, compromising normal system operation. It is concluded that specific infrastructure upgrades and the implementation of smart charging strategies are necessary to mitigate operational risks. This approach provides a robust framework for effective planning of EV integration into the system, contributing key insights for a transition toward sustainable mobility.
Full article
(This article belongs to the Special Issue Impact of Electric Vehicles on Power Systems and Society)
►▼
Show Figures

Figure 1

Journal Menu
► ▼ Journal Menu-
- WEVJ Home
- Aims & Scope
- Editorial Board
- Topical Advisory Panel
- Instructions for Authors
- Special Issues
- Topics
- Sections
- Article Processing Charge
- Indexing & Archiving
- Editor’s Choice Articles
- Most Cited & Viewed
- Journal Statistics
- Journal History
- Journal Awards
- Society Collaborations
- Conferences
- Editorial Office
Journal Browser
► ▼ Journal BrowserHighly Accessed Articles
Latest Books
E-Mail Alert
News
Topics

Conferences
Special Issues
Special Issue in
WEVJ
Theory, Method and Application of New Energy and Intelligent Transportation
Guest Editors: Zonghai Chen, Zhiling Wang, Yujie Wang, Jikai Wang, Kailong LiuDeadline: 31 October 2025
Special Issue in
WEVJ
Recent Developments and Research in Vehicular Ad Hoc Networks (VANETs)
Guest Editors: Carolina Tripp-Barba, Luis Urquiza, José Alfonso Aguilar CalderónDeadline: 31 October 2025
Special Issue in
WEVJ
Exploring Beyond Electric Cars: Comprehensive Charging Solutions and Innovations in Land, Sea, and Air Mobility
Guest Editors: Sonia Yeh, Patrick PlötzDeadline: 31 October 2025
Special Issue in
WEVJ
Vehicle Safe Motion in Mixed Vehicle Technologies Environment
Guest Editors: Stergios Mavromatis, Yasser Hassan, George YannisDeadline: 31 October 2025