Abstract
Perovksite solar cells have emerged as a promising photovoltaic technology due to their high increasing power conversion efficiency (PCE). However, challenges related to thermal instability and material toxicity, especially in lead-based perovskites, bring the need to investigate alternative materials and structural designs. This study investigated the current–voltage and power–voltage characteristics of lead-free PSCs based on tin- and germanium using a two-diode equivalent circuit model. The novelty of this work was based on the intensive evaluation of three different electron transport layers (ETLs)—titanium dioxide (TiO2), zinc oxide (ZnO), and tungsten trioxide (WO3)—under different ambient temperature conditions (5 °C, 25 °C, and 55 °C) to study their impacts on device performance and the thermal stability. SCAPS-1D simulations were used to model the electrical and optical behaviors of the proposed perovskite structures, and the results were validated by using the two-diode model. The main performance parameters that were considered were open-circuit voltage, short-circuit current, maximum power point, and fill factor. The results showed that TiO2 was better than ZnO and WO3 as an ETL, achieving a PCE of 24.83% for Sn-based perovskites, and ZnO was the better choice for Ge-based perovskites at 25 °C, with an efficiency reaching ~15.39%. The three ETL materials showed high thermal stability when analyzing them at high ambient temperatures reaching 55 °C.
1. Introduction
Most of the electrical power used globally now is produced by nuclear- and fossil fuel-based sources. Combining photovoltaic (PV) systems with other forms of clean energy could help address the energy resource issue that we might encounter in the years to come. Sunlight is captured by a photovoltaic cell and transformed into electrical power [1,2,3]. A portion of the energy from the sun is transformed into electricity, while another portion is transformed into heat [4]. A silicon PV cell’s material qualities are impacted by this emitted heat, along with the potential rise in the surrounding temperature, which can negatively change the PV cell’s power output and, ultimately, its efficiency [5,6,7].
In contrast to fossil fuels, PV solar cells produce clean, silent energy by transforming sunlight into useable electricity without emitting any hazardous gases or materials into the atmosphere [8,9,10]. Small-scale solar energy systems are installed on vacant building roofs to provide electricity for devices. Numerous elements, from component quality to operational conditions, influence a solar PV system’s productivity.
From the three main renewable energy (RE) sources—solar, wind, and small hydropower—solar photovoltaics is the most widely used. This is due to the accessibility of PV elements, simplicity of setup, minimal upkeep expenses, and their ongoing price drop. Regional variations exist in the prospect of solar photovoltaic technology, with certain nations experiencing annual direct sun irradiation exceeding 300 W/m2 (watt per square meter). A study [11] found that Kuwait is in an area with plenty of sunlight and is therefore expected to have a sharp rise in pollution and urbanization.
This increases the use of solar PV installations in Kuwait. By lowering CO2 emissions, the installation of photovoltaic solar panels promotes environmentally friendly energy sources in addition to its importance in mitigating the sudden blackouts due to high temperatures, especially in the summer. Indeed, the efficacy of Si mono- and polycrystalline panels is only about 10% to 20%, despite the advancements in solar PV technology in terms of cost, structure, and efficiency [12]. However, according to recent PV lab tests [13], concentrated multi-junction cells have an efficiency of roughly 45% or higher. Research is still being performed to increase the conversion efficiency and lower the cost of PV panels.
Numerous factors, including site location, climate, panel direction, PV cell substance, PV cell layout, and installation technique, affect how well PV systems operate. Numerous PV materials with varying thermal and electrical features have been created and used in the manufacturing of PV cells over time. As a result of their diverse thermal conducting properties, these PV cell materials exhibit varying degrees of performance at high temperatures. One important factor in heat transport is thought to be a material’s thermal efficiency [14,15].
Photovoltaic (PV) technology has emerged as a leading renewable energy source. However, high temperatures negatively impact the performance and longevity of PV cells. This study examines the thermal effects on different PV materials, including silicon-based, thin film, and perovskite solar cells, and evaluates strategies to improve thermal efficiency [16].
Silicon is the most widely used semiconductor material for solar cells. However, its efficiency decreases with increasing temperature, due to the decrease in bandgap energy at high temperatures, increasing charge carrier recombination. In addition, higher temperatures raise resistive losses, lowering the fill factor (FF) and leading to microcracks and mechanical degradation [17]. On the other hand, thin-film solar cells offer better temperature stability than silicon-based cells, due to their high absorption coefficient and less impact from high temperatures [18]. For perovskite solar cells, high temperature > 85 °C will lead to a rapid degradation due to ion migration, but some research focuses on inorganic perovskites to improve their stability at high temperatures.
The cell increases in temperature above the safe operating restrictions due to the combination of the surrounding temperature and the unconverted radiation that the PV module absorbs. The extreme temperature shortens the PV panels’ service life by causing degradation and decreased electrical performance on the cell edges. According to research methodologies, high temperatures are negatively correlated with PV module power outages, and PV panels function better when a cooling procedure is used. The temperature of the PV cells is lowered to 22 °C using a variety of PV panel cooling techniques, such as water cooling and phase change material (PCM), to increase the cells’ output during dry and warm weather [19,20,21]. Thus, this research examines how two factors, PV cell technology and temperature, affect the efficiency of PV systems.
Perovskite solar cells (PSCs) have gained significant attention due to their rapid efficiency improvement, low-cost fabrication, and tunable bandgap. PSCs are based on hybrid organic–inorganic lead halide perovskites, which exhibit excellent optoelectronic properties, such as high absorption coefficients and long carrier diffusion lengths [22]. Recent developments have pushed power conversion efficiencies (PCEs) beyond 26% in tandem configurations, nearing the Shockley–Queisser limit for single-junction cells. However, stability remains a challenge, due to moisture, heat, and UV-induced degradation [23]. On the other hand, silicon (Si)-based photovoltaics dominate the commercial market, with monocrystalline silicon (c-Si) and polycrystalline silicon (p-Si) technologies being the most prevalent. These cells offer long-term stability, with lifetimes exceeding 25 years, and mature industrial production [24]. However, silicon solar cells have inherent limitations:
The commercial efficiency of silicon cells is between 22 and 24% [25].
High manufacturing costs: energy-intensive processes, such as high-temperature crystallization, increase production costs.
Lower absorption coefficient: it requires thick wafers (~180 μm), compared to perovskites (~500 nm).
To solve the thermal degradation challenges in PSCs, researchers are trying different approaches to enhance the stability of PSCs under real-world operating conditions [26]. Some of the solutions were found by implementing different strategies, such as incorporating mixed cation perovskite compositions [27], using protective interlayers [28], or employing cooling techniques [29]. Hence, more stable PSCs can be implemented.
Other efforts were also developed to design PSCs with different tools, such as using SCAPS-1D simulations. SCAPS-1D, a widely used one-dimensional solar cell simulation program, allows researchers to model the electrical and optical behaviors of multi-layered devices [30]. Recent studies have shown that SCAPS-1D simulations are very useful in finding the impacts of different transport layers and material compositions on PSC performance under high-temperature conditions [31]. These findings and designs can help researchers worldwide better understand the device structure and its behavior under different conditions.
In the current work, we are reporting a study to investigate the electrical and thermal performances of lead-free PSCs based on tin (Sn) and germanium (Ge) by using a two-diode equivalent circuit model and SCAPS-1D simulations. While PSCs have shown high power conversion efficiencies exceeding 20%, their usage as industrial models still suffers because of some challenges, such as thermal instability and the toxicity of lead-based materials. To solve these issues, this work focused on investigating the performance of Sn- and Ge-based perovskite structures with three different electron transport layers (ETLs), titanium dioxide (TiO2), zinc oxide (ZnO), and tungsten trioxide (WO3), under different ambient temperature conditions (5 °C, 25 °C, and 55 °C). This was achieved by analyzing key performance parameters, such as open-circuit voltage, short-circuit current, and fill factor. This study aimed to identify the most effective ETL for enhancing both the efficiency and thermal stability of lead-free PSCs. Furthermore, the results were validated with the use of an analytical two-diode model, providing an understanding of the correlations between material properties, device architecture, and environmental factors.
In this study, SCAPS 3.3.11 1D was employed as a specialized, one-dimensional solar cell simulation tool. SCAPS-1D enables the simulation of multi-layered solar cell structures with up to seven distinct layers. The software solves Poisson’s Equation (1) in conjunction with the continuity equations for both electrons and holes (2–3), which are presented below [30]:
The simulations in SCAPS-1D were performed while considering a temperature of 300 K, air mass AM of 1.5 G, and irradiation intensity of 1000 W/m2. The way SCAPS-1D operated was by taking the parameters of each layer, then working on the simulations by using Poisson’s and continuity equations, as presented in Equations (1)–(3) above. The light entered in a forward direction, as seen in Figure 1 below, which shows a schematic diagram of the solar cell’s simulated structure.
Figure 1.
Schematic diagram showing the simulated PSC’s structure. (a) Ge-based PSC and (b) Sn-based PSC.
As seen from Figure 1, the structure of the PSC consisted of an electron transport layer/perovskite absorber layer/hole transmission layer [31]. This structure was a forward PSC, as the light entered the ETL, which was below the front contact, and existed from the hole transmission layer (HTL), which was above the back contact. The front contact was considered fluorine-doped tin oxide glass (FTO). On the other hand, the back contact was gold (Au). In this work, the perovskite layer was changed between Ge-based and Sn-based PSCs. These choices were taken into consideration, as they have low toxicity compared to the lead-based PSCs, and they are promising for achieving high efficiencies. In a previous work published by Al Atem et al., the ETL was varied between three different materials, which were TiO2, ZnO, and WO3. The variation in ETL revealed the best performance for the PSC with respect to the three different materials used.
1.1. PV Electrical Model
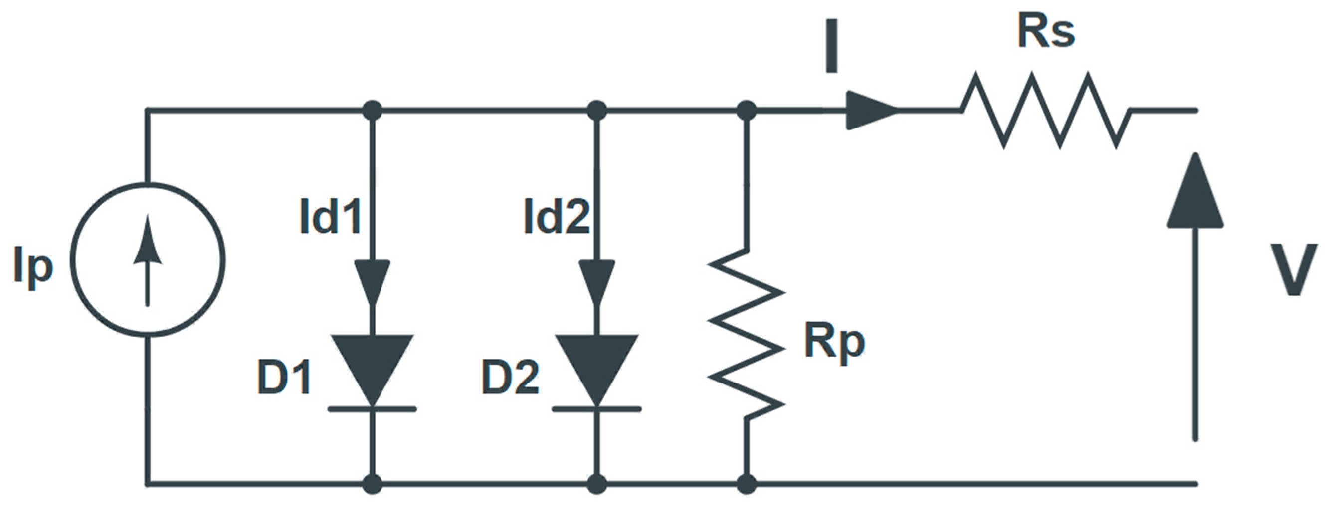
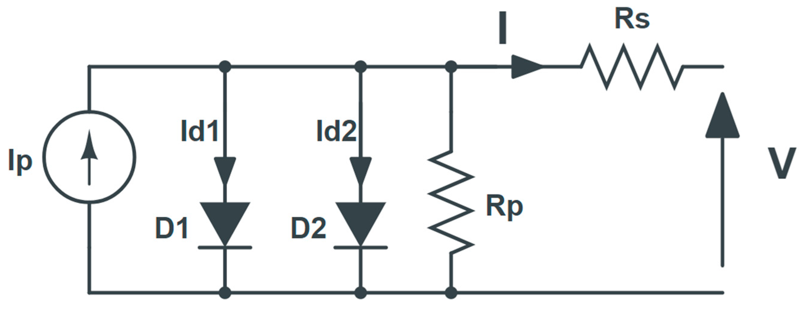
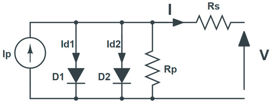
The model was predicated on the fundamental electrical circuit of a photovoltaic solar cell, considering the effects of temperature variations and sunlight, as shown in Figure 2. Since it generated current while lit and functioned as a diode in dark conditions, the current source (Ip) in the basic electrical circuit model of a photovoltaic cell was wired in parallel with a diode. As seen in Figure 2, the corresponding circuit model additionally incorporated parallel and series internal resistances, which were represented by resistors Rs and Rp. The influences of series resistance (Rs) and shunt (parallel) resistance (Rp) were incorporated based on the equivalent circuit representation of PSCs. The series resistance accounted for losses due to charge transport and contact resistance, while the shunt resistance reflected leakage pathways and recombination losses [18].
Figure 2.
Two-diode electrical model of a PV cell.
The optimum solar cell’s fundamental structure is a p–n junction, to which the following formulas apply when exposed to solar irradiation:
Equation (6) [32,33] can be used to characterize the current–voltage characteristic based on (4) and (5).
The PV array’s voltage and current outputs are typically impacted by variations in temperature and radiation from the sun. Therefore, the final PV module’s model should additionally account for the effects of variations in temperature and solar radiation fluctuations. Burech et al.’s methodology was used to account for these impacts [31].
Using Burech’s method, a model was produced for known values of temperature and sun irradiation, which could be adjusted to account for other irradiance and temperature scenarios. As stated in [31], Equation (7) served as the reference method for the known operating temperature (Ts) and known solar irradiation level (G).
There was a linear correlation between Ip and the amount of light. Another temperature-related factor was Im. Equations (7) and (8) provided the values of Ip and Im [34]. The following Formula (9) provided the saturation reverse current Imr at reference temperature Tr [35,36]:
Important factors related to the I-V properties that were impacted by changes in the environmental conditions were the open-circuit voltage (Voc) and short-circuit current (Isc). These formulas [37] can be used to compute both Isc (10) and Voc (11) across various outdoor circumstances:
1.2. The Impact of Rs and Rp on the IV Characteristic
A solar cell’s maximum voltage and current were Isc and Voc, respectively. At these maximums, however, the PV cell’s power output was zero. We utilized the fill factor (FF) (12) to calculate the maximum power from a solar cell. This factor was the ratio of the maximum power provided by the solar cell to the product of Voc and Isc.
Equation (13) describes the impact of shunt and series resistances on the fill factor [38].
The definition of all used parameters in the model are mentioned in Table 1.
Table 1.
Symbols of all parameters and characteristics used in the PV two-diode electric model.
1.3. Factors Influencing a PV System’s Performance
A PV system’s performance is influenced by several elements, which may be divided into two categories: weather and PV system setup parameters. The PV system setup characteristics include PV cell, panel orientation, storage, and self-consumption; the climatic parameters are wind speed, humidity, ambient temperature, and solar radiation intensity [38,39]. Other setup factors include interconnections, the inverter, and the controller. Individual component failure and performance have an impact on a PV system’s overall performance. In this research, we focused on the impact of the material, in addition to the temperature variation, on the efficiency of the PV solar cell.
2. Methodology
This study’s methodology was focused on using a two-diode model to validate the electrical performance of Ge and Sn perovskite structures. The steps listed below describe the methodology:
- The I-V and P-V properties of the suggested perovskite structures were modeled using the Solar Cell Capacitance Simulator (SCAPS) program. Real-world material qualities and operating conditions were taken into consideration when choosing the input parameters. Three ETLs were included in the simulations: WO3, ZnO, and TiO2. For every material, important factors like carrier mobility, bandgap energy, and layer thickness were changed.
- Furthermore, simulations were conducted at three different ambient temperatures: 55 °C (high temperature), 25 °C (normal circumstances), and 5 °C (low temperature) to evaluate thermal performance. These values were selected to reflect actual variations in Kuwait [39]. However, to forecast device performance, the two-diode model included variables like diode saturation current and series and shunt resistances [18].
- Each ETL’s major performance metrics, Voc, Isc, Imaxp, and Vmaxp, were taken from the analytical model and compared to the outcomes of the SCAPS simulation after the equations regulating current–voltage behavior were solved repeatedly. The statistical comparison idea was used to develop data analysis. Specifically, mean absolute error (MAE) and percentage deviation were used to statistically compare the SCAPS outcomes to analytical forecasts. In addition to that, the agreement between the simulated and analytical data was visually evaluated by plotting the I-V and P-V curves for each structure.
- The power conversion efficiencies were then calculated from maximum power point values and examined for consistency among ETLs and temperature fluctuations before ultimately being investigated.
3. Results and Discussion
This study focused on verifying a two-diode electrical model for suggested Ge and Sn perovskite structures. Simulations were run utilizing SCAPS-1D software, and the results were compared to an analytical electrical model to confirm correctness and dependability. The work analyzed I-V and P-V curves for several ETLs, including TiO2, ZnO, and WO3. Critical performance parameters, such as open-circuit voltage (Voc), short-circuit current (Isc), maximum power point current (Imaxp), and maximum power point voltage (Vmaxp), were analyzed to ensure that they were consistent with the suggested model. Furthermore, the study looked at temperature impacts (5 °C, 25 °C, and 55 °C) to assess the thermal stability and consistency of the results, as shown in Figure 3.
Figure 3.
I-V curve for the Ge perovskite (a) for TiO2, (b) ZnO, and (c) WO3.
For Ge perovskite structures, the performance of ZnO as an ETL showed a strong match between the simulated and analytical models, as noted in Figure 3. The open-circuit voltage was 1.078 V, which was very close to the predicted value of ~1.06 V. Similarly, the short-circuit current from the simulation was 16 mA, almost identical to the analytical value of 15.9 mA, with a small error of 0.8%. At the maximum power point, the simulated current and voltage were 15.5 mA and 0.96 V, respectively, which are very close to the predicted values of 15.3 mA and 0.95 V. These results can show that ZnO is effective as an ETL for Ge-based structures. The performance of TiO2 as an ETL with Ge perovskite structures showed a slight variation between simulated and analytical results, as shown in Figure 3. The open-circuit voltage from the simulation was approximately 1.078 V, compared to the predicted value of 1.058 V, indicating a minor deviation. However, at the maximum power point, the simulated current (Imaxp) and voltage (Vmaxp) deviated by 1.8% from the analytical predictions. Furthermore, the performance of WO3 as an ETL demonstrated promising results, as shown in Figure 3. The open-circuit voltage was 1.078 V, comparable to the values achieved with TiO2 and ZnO. The short-circuit current was 15.8 mA, which is very close to the predicted value, with a minimal error of just 0.5%. It can be noted that ZnO-based cells delivered the best performance among the other simulated ETLs, achieving an efficiency of 15.39%.
On the other hand, the performance of Sn-based perovskite structures with TiO2 as an ETL was different and more promising than the Ge-based results, as shown in Figure 4. The simulated open-circuit voltage was 0.84 V, which is a perfect match to the analytical estimation. The short-circuit current reached 34.25 mA. This showed an efficient charge transfer within the structure. At the maximum power point, the simulated current (Imaxp) and voltage (Vmaxp) resulted in an overall efficiency of 24.83%, which was notably higher than that of Ge-based structures due to the better material properties of Sn perovskites, compared to Ge perovskites. These results demonstrated that TiO2 is strongly compatible with Sn perovskites for achieving high-efficiency solar cells, as seen in Figure 4a. Additionally, the performance of Sn-based perovskite structures with ZnO and WO3 as ETLs showed few differences. ZnO delivered moderate results, with an open-circuit voltage of ~0.83 V and a short-circuit current of ~33 mA, resulting in an efficiency of ~24%, as noted in Figure 4b,c. In comparison, WO3 was better than ZnO, achieving a slightly higher efficiency of 24.11%. These results showed that WO3 had a better performance under different operating conditions, making it a more desirable ETL choice for Sn-based PSCs than using ZnO.
Figure 4.
I-V curve for the Sn perovskite (a) for TiO2, (b) ZnO, and (c) WO3.
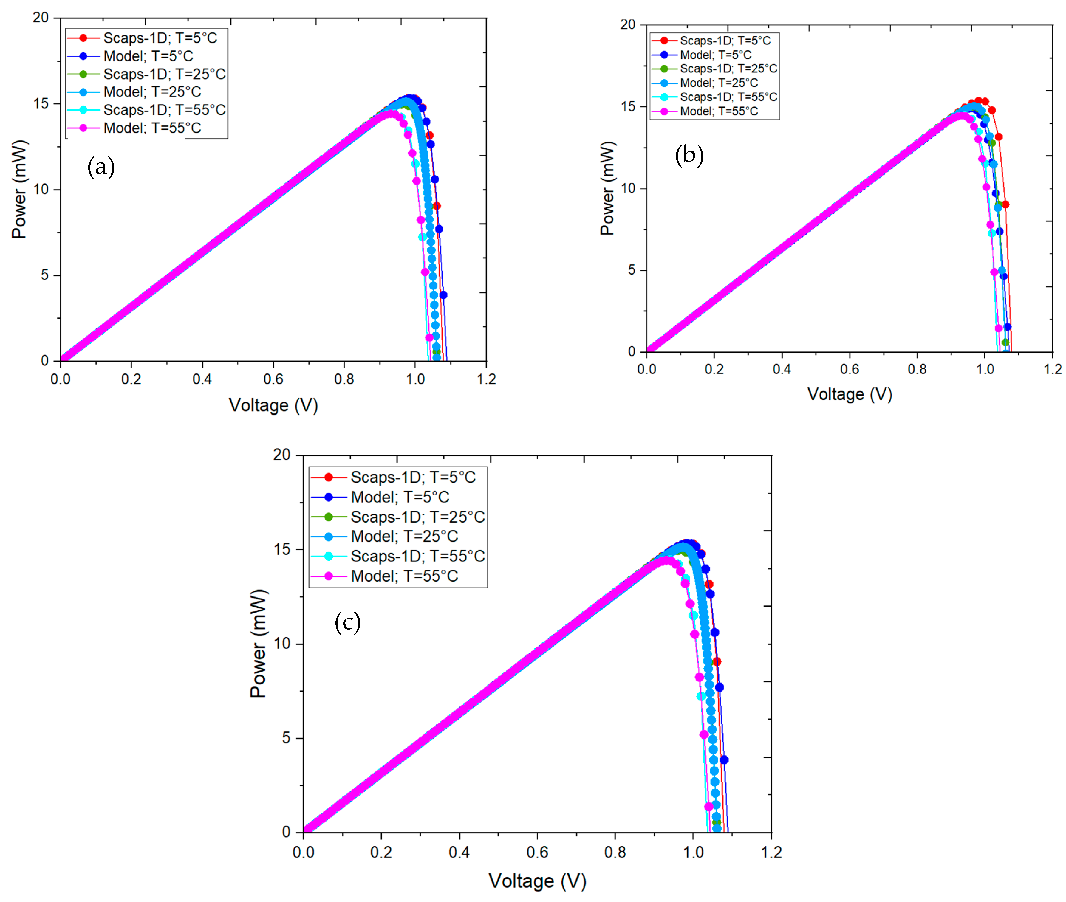
Temperature effects on the I-V and P-V characteristics revealed significant information about the thermal performances of Ge and Sn perovskite structures, as shown in Figure 5. For Ge perovskites, a slight increase in Voc was observed at 5 °C due to reduced recombination rates, with TiO2 showing the least deviation, as shown in Figure 5a. At 55 °C, however, Voc dropped significantly, particularly for WO3, which experienced an 8% efficiency loss, indicating poorer thermal stability, as shown in Figure 5c. Likewise, TiO2 maintained 85% of its efficiency and demonstrated the highest power output under thermal stress.
Figure 5.
P-V curve for the Ge perovskite (a) for TiO2, (b) ZnO, and (c) WO3.
For Sn perovskites, the cells were more temperature sensitive, with efficiency reductions of up to ~15% at 55 °C for WO3, as shown in Figure 6. Among the tested ETLs, TiO2 proved to be better in performance, as it had the best efficiency of ~24.83%. Overall, TiO2 appeared to act as the optimal ETL for Sn-based perovskite structures and ZnO for Ge-based perovskite structures, providing a balance of high Voc, strong ISC, and high thermal stability. While ZnO showed reliable performance, it was a better choice for Ge when compared to Sn-based structures. The suggested two-diode electrical model was validated by the I-V and P-V curve analysis, and the simulated results closely matched the analytical predictions. With its greater efficiency and thermal stability, TiO2 was found to be the most efficient ETL in both Sn-based structures, and ZnO was found to be the most efficient for Ge-based perovskite structures.
Figure 6.
P-V curve for the Sn perovskite (a) for TiO2, (b) ZnO, and (c) WO3.
4. Conclusions
This study investigated the performance and thermal stability of lead-free PSCs based on tin and germanium using a two-diode equivalent circuit model and SCAPS-1D simulations. Three electron transport layers, TiO2, ZnO, and WO3, were investigated under varying ambient temperature conditions (5 °C, 25 °C, and 55 °C) to identify the most effective ETL for enhancing device efficiency and thermal stability. For Ge-based perovskite structures, ZnO showed the best performance, achieving an efficiency of 15.39% at 5 °C, with an open-circuit voltage of 1.078 V and a short-circuit current of 16 mA, although the three materials showed high thermal stability. For Sn-based perovskite structures, TiO2 again emerged as the optimal ETL, achieving a remarkable efficiency of 24.83% at 5 °C, with an open-circuit voltage of 0.84 V and a short-circuit current of 34.25 mA. However, Sn-based cells were more sensitive to temperature changes, although the three materials showed high thermal stability, as they retained ~85% of their efficiency at higher temperatures. These results clearly showed the importance of selecting thermally stable ETLs, particularly for Sn-based perovskites, which exhibited higher efficiency but greater temperature sensitivity. The findings, summarized in Table 2 and Table 3, showed that TiO2 was the most promising ETL for both Ge- and Sn-based PSCs, offering a balance of high efficiency and thermal stability.
Table 2.
Performance and stability of CH3NH3SnI3 and CH3NH3GeI3 solar cells at 5 °C.
Table 3.
Performance and stability of CH3NH3SnI3 and CH3NH3GeI3 solar cells at 55 °C.
Author Contributions
Conceptualization, M.A.A. and M.A.; Methodology, M.A.A., Y.M. and M.A.; Software, M.A.A.; Validation, M.A.A. and M.A.; Formal analysis, M.A.A., Y.M. and M.A.; Investigation, M.A.; Data curation, M.A.A. and M.A.; Writing—original draft, M.A.A., Y.M. and M.A.; Writing—review & editing, M.A.; Visualization, M.A.A. and Y.M.; Supervision, M.A.A.; Project administration, M.A.A. and M.A. All authors have read and agreed to the published version of the manuscript.
Funding
This research received no external funding.
Data Availability Statement
The original contributions presented in this study are included in the article. Further inquiries can be directed to the corresponding author(s).
Acknowledgments
The author would like to acknowledge Marc Burgelman (University of Ghent) for providing the simulation software SCAPS (version 3.3.11).
Conflicts of Interest
The authors declare no conflict of interest.
References
- Lewis, N.S. Toward cost-effective solar energy use. Science 2007, 315, 798–801. [Google Scholar] [PubMed]
- Arnaout, M.; Ismail, H.; Jaber, H.; Koubayssi, A.; Rammal, R.; Noun, Z. Study and Review on the Renewable Energy Potential in Lebanon. In Proceedings of the 2021 International Conference on Microelectronics (ICM), New Cairo City, Egypt, 19–22 December 2021; pp. 199–202. [Google Scholar] [CrossRef]
- Patel, H.; Agarwal, V. Maximum Power Point Tracking Scheme for PV Systems Operating Under Partially Shaded Conditions. IEEE Trans. Ind. Electron. 2008, 55, 1689–1698. [Google Scholar]
- Tiwari, G.N.; Mishra, R.K.; Solanki, S.C. Photovoltaic modules and their applications: A review on thermal modelling. Appl. Energy 2011, 88, 2287–2304. [Google Scholar]
- Tong, N.; Qiang, F. A Complex-Method-Based PSO Algorithm for the Maximum Power Point Tracking in Photovoltaic System. In Proceedings of the Second International Conference on Information Technology and Computer Science, Kiev, Ukraine, 24–25 July 2010; pp. 134–137. [Google Scholar]
- Rodrigues, E.M.G.; Melício, R.; Mendes, V.M.F.; Catalão, J.P.S. Simulation of a solar cell considering single-diode equivalent circuit model. In Proceedings of the International Conference on Renewable Energies and Power Quality, Las Palmas, Spain, 13–15 April 2011; pp. 13–15. [Google Scholar]
- Zhang, L.F.; Tan, Y.; Yang, Z.Q.; Gao, Z.F.; Nie, Y. Effect of Temperature on Performance Parameters of Metallurgical Grade Polysilicon Solar Cells. Appl. Mech. Mater. 2011, 148–149, 1252–1255. [Google Scholar]
- Güney, T. Solar energy, governance and CO2 emissions. Renew. Energy 2022, 184, 791–798. [Google Scholar]
- Yasmeen, R.; Yao, X.; Ul Haq Padda, I.; Shah, W.U.H.; Jie, W. Exploring the role of solar energy and foreign direct investment for clean environment: Evidence from top 10 solar energy consuming countries. Renew. Energy 2022, 185, 147–158. [Google Scholar]
- Yu, J.; Tang, Y.M.; Chau, K.Y.; Nazar, R.; Ali, S.; Iqbal, W. Role of solar-based renewable energy in mitigating CO2 emissions: Evidence from quantile-on-quantile estimation. Renew. Energy 2022, 182, 216–226. [Google Scholar]
- Alshawaf, M.; Poudineh, R.; Alhajeri, N.S. Solar PV in Kuwait: The effect of ambient temperature and sandstorms on output variability and uncertainty. Renew. Sustain. Energy Rev. 2020, 134, 110346. [Google Scholar] [CrossRef]
- Kammen, D.M.; Sunter, D.A. City-Integrated Renewable Energy for Urban Sustainability. The Goldman School of Public Policy. 2016. Available online: https://gspp.berkeley.edu/research/featured/city-integrated-renewableenergy-forurbansustainability (accessed on 19 February 2025).
- NREL. Transforming Energy Through Science; National Renewable Energy Laboratory, Office of Energy Efficiency and Renewable Energy: Golden, CO, USA, 2016. [Google Scholar]
- Ghadikolaei, S.S.; Hosseinzadeh, K.; Yassari, M.; Sadeghi, H.; Ganji, D.D. Boundary layer analysis of micropolar dusty fluid with TiO2 nanoparticles in a porous medium under the effect of magnetic field and thermal radiation over a stretching sheet. J. Mol. Liq. 2017, 244, 374–389. [Google Scholar]
- Ghadikolaei, S.S.; Hosseinzadeh, K.; Ganji, D.D.; Hatami, M. Fe3O4–(CH2OH)2 nanofluid analysis in a porous medium under MHD radiative boundary layer and dusty fluid. J. Mol. Liq. 2018, 258, 172–185. [Google Scholar]
- Nelson, J. The Physics of Solar Cells; Imperial College Press: London, UK, 2020. [Google Scholar]
- Sze, S.M.; Ng, K.K. Physics of Semiconductor Devices; Wiley: Hoboken, NJ, USA, 2021. [Google Scholar]
- Arnaout, M.; Salameh, W.; Assi, A.; Chahine, K. My PV tool: A Matlab-based tool to study the series and shunt resistances in photovoltaic modules. In Proceedings of the 2016 3rd International Conference on Renewable Energies for Developing Countries (REDEC), Zouk Mosbeh, Lebanon, 13–15 July 2016; pp. 1–6. [Google Scholar] [CrossRef]
- Stranks, S.D.; Snaith, H.J. Metal-halide perovskites for photovoltaic and light-emitting devices. Nat. Nanotechnol. 2015, 10, 391–402. [Google Scholar] [CrossRef] [PubMed]
- Nazir, G.; Lee, S.Y.; Lee, J.H.; Rehman, A.; Lee, J.K.; Seok, S.I.; Park, S.J. Stabilization of Perovskite Solar Cells: Recent Developments and Future Perspectives. Adv. Mater. 2022, 34, 2204380. [Google Scholar] [CrossRef]
- Green, M.A.; Dunlop, E.D.; Hohl-Ebinger, J.; Yoshita, M.; Kopidakis, N.; Bothe, K.; Hinken, D.; Rauer, M.; Hao, X. Solar cell efficiency tables (Version 60). Prog. Photovolt. Res. Appl. 2022, 30, 3–12. [Google Scholar] [CrossRef]
- Haegel, N.M.; Margolis, R.; Buonassisi, T.; Feldman, D.; Froitzheim, A.; Garabedian, R.; Green, M.; Glunz, S.; Henning, H.-M.; Holder, B.; et al. Terawatt-scale photovoltaics: Trajectories and challenges. Science 2017, 356, 141–143. [Google Scholar] [CrossRef] [PubMed]
- Lin, C.T.; Xu, W.; Macdonald, T.J.; Ngiam, J.; Kim, J.H.; Du, T.; Xu, S.; Tuladhar, P.S.; Kang, H.; Lee, K.; et al. Correlating the Active Layer Structure and Composition with the Device Performance and Lifetime of Amino-Acid-Modified PSCs. ACS Appl. Mater. Interfaces 2021, 13, 43505–43515. [Google Scholar] [CrossRef] [PubMed]
- Taylor, A.D.; Sun, Q.; Goetz, K.P.; An, Q.; Schramm, T.; Hofstetter, Y.; Litterst, M.; Paulus, F.; Vaynzof, Y. A general approach to high-efficiency PSCs by any antisolvent. Nat. Commun. 2021, 12, 1878. [Google Scholar] [CrossRef]
- Mbumba, M.T.; Malouangou, D.M.; Tsiba, J.M.; Bai, L.; Yang, Y.; Guli, M. Degradation mechanism and addressing techniques of thermal instability in halide PSCs. Sol. Energy 2021, 230, 954–978. [Google Scholar] [CrossRef]
- Wang, Y.; Ahmad, I.; Leung, T.; Lin, J.; Chen, W.; Liu, F.; Ng, A.M.C.; Zhang, Y.; Djurišić, A.B. Encapsulation and Stability Testing of PSCs for Real Life Applications. ACS Mater. Au 2022, 2, 215–236. [Google Scholar] [CrossRef] [PubMed] [PubMed Central]
- Ruggeri, E.; Anaya, M.; Gałkowski, K.; Abfalterer, A.; Chiang, Y.-H.; Ji, K.; Andaji-Garmaroudi, Z.; Stranks, S.D. Halide Remixing under Device Operation Imparts Stability on Mixed-Cation Mixed-Halide PSCs. Adv. Mater. 2022, 34, 2202163. [Google Scholar] [CrossRef]
- Sun, R.; Wang, P.; Wang, T.; Zhang, L.; Ge, Z.; Qiao, L.; Ye, T.; Li, F.; Liu, W.; Wen, Y.; et al. An Orientation-Enhanced Interlayer Enables Efficient Sn-Pb Binary PSCs and All-Perovskite Tandem Solar Cells with High Fill Factors. Nano Lett. 2025, 25, 138–146. [Google Scholar] [CrossRef]
- Perrakis, G.; Tasolamprou, A.C.; Kenanakis, G.; Economou, E.N.; Tzortzakis, S.; Kafesaki, M. Submicron Organic–Inorganic Hybrid Radiative Cooling Coatings for Stable, Ultrathin, and Lightweight Solar Cells. ACS Photonics 2022, 9, 1327–1337. [Google Scholar] [CrossRef]
- Burgelman, M.; Nollet, P.; Degrave, S. Modelling polycrystalline semiconductor solar cells. Thin Solid Film. 2000, 361–362, 527–532. [Google Scholar] [CrossRef]
- Jayswal, S.; Mungule, M. Effect of temperature on stress strain behavior of high calcium fly ash and alccofine blended high strength concrete. Mater. Today Proc. 2022, 65 Pt 2, 1019–1025. [Google Scholar] [CrossRef]
- Al Atem, M.; Makableh, Y. Towards Sustainable PSCs: Lead-Free High Efficiency Designs with Tin and Germanium. Eng 2025, 6, 38. [Google Scholar] [CrossRef]
- Green, M. Solar Cells–Operating Principles, Technology and System Application; University of NSW: Sydney, Australia, 1992. [Google Scholar]
- Eteiba, M.B.; El Shenawy, E.T.; Shazly, J.H.; Hafez, A.Z. A Photovoltaic (Cell, Module, Array) Simulation and Monitoring Model using MATLAB®/GUI Interface. Int. J. Comput. Appl. 2013, 69, 14–28. [Google Scholar]
- Moradi, M.H.; Reisi, A.R. A hybrid maximum power point tracking method for photovoltaic systems. Sol. Energy 2011, 85, 2965–2976. [Google Scholar] [CrossRef]
- Buresch, M. Photovoltaic Energy Systems: Design and Installation; McGraw-Hill: New York, NY, USA, 1983. [Google Scholar]
- Altas, I.H.; Sharaf, A.M. A Photovoltaic Array Simulation Model for Matlab-Simulink GUI Environment. In Proceedings of the International Conference on Clean Electrical Power, Capri, Italy, 21–23 May 2007; pp. 341–345. [Google Scholar]
- Skoplaki, E.; Palyvos, J.A. On the temperature dependence of photovoltaic module electrical performance: A review of efficiency/power correlations. Sol. Energy 2009, 83, 614–624. [Google Scholar] [CrossRef]
- Dubey, S.; Sarvaiya, J.N.; Seshadri, B. Temperature Dependent Photovoltaic (PV) Efficiency and Its Effect on PV Production in the World—A Review. Energy Procedia 2013, 33, 311–321. [Google Scholar] [CrossRef]
Disclaimer/Publisher’s Note: The statements, opinions and data contained in all publications are solely those of the individual author(s) and contributor(s) and not of MDPI and/or the editor(s). MDPI and/or the editor(s) disclaim responsibility for any injury to people or property resulting from any ideas, methods, instructions or products referred to in the content. |
© 2025 by the authors. Licensee MDPI, Basel, Switzerland. This article is an open access article distributed under the terms and conditions of the Creative Commons Attribution (CC BY) license (https://creativecommons.org/licenses/by/4.0/).





