Reduction of Energy Consumption for Water Wells Rehabilitation. Technology Optimization
Abstract
:1. Introduction
1.1. Water Wells and Clogging Problem
1.2. Water Wells Rehabilitation and Cavitating Jets
2. Materials and Methods
3. Numerical Simulations
- is the density of the combined non-condensable gas and liquid phase;
- is the velocity vector;
- is the source of liquid phase (this is the vapor region condensing);
- is the source of vapor phase (this is the liquid phase evaporating).
- is the density of the vapor phase;
- is the average bubble radius;
- is the vapor pressure of the liquid;
- p is the local pressure;
- is the liquid density;
- is the volume fraction of the non-condensable gas;
- is the volume fraction of the vapor phase.
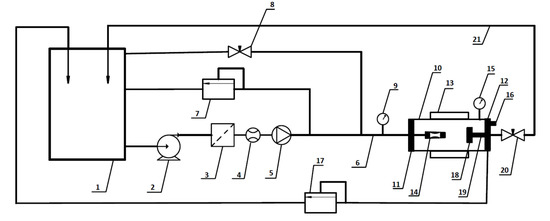
4. Experimental Setup
5. Results and Discussion
5.1. Numerical Results
5.2. Experimental Erosion Tests
5.3. Water Wells Cleaning
6. Conclusions
Author Contributions
Funding
Institutional Review Board Statement
Informed Consent Statement
Data Availability Statement
Conflicts of Interest
References
- Gracia-de-Rentería, P.; Barberán, R.; Mur, J. The Groundwater Demand for Industrial Uses in Areas with Access to Drinking Publicly-Supplied Water: A Microdata Analysis. Water 2020, 12, 198. [Google Scholar] [CrossRef] [Green Version]
- National Ground Water Association. Backgrounder; U.S. Energy Utilization for Groundwater: Westerville, OH, USA, 2017.
- The BC Oil and Gas Commission. Water Service Wells Summary Information. 2021. Available online: https://www.bcbudget.gov.bc.ca/2021/sp/pdf/agency/ogc.pdf (accessed on 2 August 2021).
- Smith, E.M. Ground Water Use for Nuclear Power Plants. Groundwater 1978, 16, 352–353. [Google Scholar] [CrossRef]
- Deed, M.E.E.; Preene, M. Managing the clogging of groundwater wells. In Proceedings of the XVI ECSMGE Geotechnical Engineering for Infrastructure and Development, Edinburgh, UK, 13–17 September 2015. [Google Scholar] [CrossRef]
- Van Beek, K.; Breedveld, R.; Stuyfzand, P. Preventing two types of well clogging. J. Am. Water Work. Assoc. 2009, 101, 125–134. [Google Scholar] [CrossRef]
- Jeong, H.Y.; Jun, S.C.; Cheon, J.Y.; Shi, W.-D.; Zhang, W.; El-Emam, M.A. A review on clogging mechanisms and managements in aquifer storage and recovery (ASR) applications. Geosci. J. 2018, 22, 667–679. [Google Scholar] [CrossRef]
- van Beek, C.G.E.M.; Hubeek, A.A.; de la Loma Gonzalez, B.; Gerber, A.G.; Belamri, T.; Hutchinson, B. Chemical and mechanical clogging of groundwater abstraction wells at well field Heel, The Netherlands. Hydrogeol. J. 2017, 25, 67–78. [Google Scholar] [CrossRef]
- Timmer, H.; Verdel, J.-D.; Jongmans, A.G. Well clogging by particles in Dutch well fields. J. Am. Water Work. Assoc. 2003, 95, 112–118. [Google Scholar] [CrossRef]
- Knapp, R.; Daily, J.; Hammitt, F. Cavitation; McGraw-Hill Book Company: New York, NY, USA, 1970. [Google Scholar]
- Billus, I.; Predin, A.; Skerget, L. The extended homogeneous cavitation transport model. J. Hydraul. Res. 2007, 45, 81–87. [Google Scholar] [CrossRef]
- Wilhems, S.C.; Gulliver, J.S. Gas transfer, cavitation, and bulking in self-aerated spillway flow. J. Hydraul. Res. 2005, 43, 532–539. [Google Scholar] [CrossRef]
- Young, R.F. Cavitation; McGraw-Hill Book Company Limited: Maidenhead, UK, 1989. [Google Scholar]
- El Hassan, M.; Bukharin, N.; Al-Kouz, W.; Zhang, J.-W.; Li, W.-F. A Review on the Erosion Mechanism in Cavitating Jets and Their Industrial Applications. Appl. Sci. 2021, 11, 3166. [Google Scholar] [CrossRef]
- Glass, J. Apparatus and Method for Water Well Cleaning. U.S. Patent 8,312.930 B1, 20 November 2012. [Google Scholar]
- Buell, R.S. High Pressure Well Perforation Cleaning. U.S. Patent 5,060,725, 29 October 1991. [Google Scholar]
- Alford, G. Well Cleaning Tool. U.S. Patent 5603378, 18 February 1997. [Google Scholar]
- Bukharin, N.; El Hassan, M.; Omelyanyuk, M.; Nobes, D. Applications of cavitating jets to radioactive scale cleaning in pipes. Energy Rep. 2020, 6 (Suppl. S9), 1237–1243. [Google Scholar] [CrossRef]
- Bukharin, N.; El Hassan, M.; Omelyanyuk, M.; Nobes, D. Reducing energy consumption during bitumen separation from oil sand. Energy Rep. 2020, 6 (Suppl. S2), 206–213. [Google Scholar] [CrossRef]
- Yakhot, V.; Orszag, S.A.; Thangam, S.; Gatski, T.B.; Speziale, C.G. Development of turbulence models for shear flows by a double expansion technique. Phys. Fluids A 1992, 4, 1510–1520. [Google Scholar] [CrossRef] [Green Version]
- Yang, Y.; Li, W.; Shi, W.-D.; Zhang, W.; El-Emam, M.A. Numerical Investigation of a High-Pressure Submerged Jet Using a Cavitation Model Considering Effects of Shear Stress. Processes 2019, 7, 541. [Google Scholar] [CrossRef] [Green Version]
- Bakir, F.; Rey, R.; Gerber, A.G.; Belamri, T.; Hutchinson, B. Numerical and Experimental Investigations of the Cavitating Behavior of an Inducer. Int. J. Rotating Mach. 2004, 10, 15–25. [Google Scholar] [CrossRef] [Green Version]
- El Hassan, M.; Meslem, A. Time-resolved stereoscopic particle image velocimetry investigation of the entrainment in the near field of circular and daisy-shaped orifice jets. Phys. Fluids 2010, 22, 035107. [Google Scholar] [CrossRef]
- El Hassan, M.; Assoum, H.H.; Sobolik, V.; Vetel, J.; Abed-Meraim, K.; Garon, A.; Sakout, A. Experimental investigation of the Wall shear stress and the vortex dynamics in a circular impinging jet. Exp. Fluids 2012, 52, 1475–1489. [Google Scholar] [CrossRef]
- El Hassan, M.; Assoum, H.H.; Martinuzzi, R.; Sobolik, V.; Abed-Meraim, K.; Sakout, A. Experimental investigation of the wall shear stress in a circular impinging jet. Phys. Fluids 2013, 25, 077101. [Google Scholar] [CrossRef]














| Constant | Value | Result of Increasing Value |
|---|---|---|
| Cμ | 0.09 | more mixing, mores shear, greater change in pressure |
| C0 | 1.44 | less mixing, lower shear, smaller change in pressure |
| C2 | 1.92 | more mixing, more shear, greater change in pressure |
| β | 0.015 | more mixing, more shear, greater change in pressure |
| η0 | 4.38 | more mixing, more shear, greater change in pressure |
| σK | 0.7179 | (not available for user modification) |
| σε | 0.7179 | (not available for user modification) |
| No. of Water Well, Year of Drilling. All Wells are Located in Krasnodar Krai, Russia | Depth (m) | Flow Rate Before/After Cleaning, m3/h | Flow Rate Increase, (m3/h)/(%) | |
|---|---|---|---|---|
| Before | After | |||
| 14 (6940) 1989 (year of drilling) | 339.5 | 50 | 67 | 17/34% |
| 16 (7302) 1989 (year of drilling) | 331 | 55 | 85 | 30/54% |
| 211 2007 (year of drilling) | 306 | 6.9 | 10.2. After 2 months went up to 13 m3/h | 3.3/47.8% |
| 1 2002 (year of drilling) | 109 | 2.4 | 5.3 | 2.9/121% |
Publisher’s Note: MDPI stays neutral with regard to jurisdictional claims in published maps and institutional affiliations. |
© 2021 by the authors. Licensee MDPI, Basel, Switzerland. This article is an open access article distributed under the terms and conditions of the Creative Commons Attribution (CC BY) license (https://creativecommons.org/licenses/by/4.0/).
Share and Cite
Omelyanyuk, M.; Pakhlyan, I.; Bukharin, N.; El Hassan, M. Reduction of Energy Consumption for Water Wells Rehabilitation. Technology Optimization. Fluids 2021, 6, 444. https://doi.org/10.3390/fluids6120444
Omelyanyuk M, Pakhlyan I, Bukharin N, El Hassan M. Reduction of Energy Consumption for Water Wells Rehabilitation. Technology Optimization. Fluids. 2021; 6(12):444. https://doi.org/10.3390/fluids6120444
Chicago/Turabian StyleOmelyanyuk, Maxim, Irina Pakhlyan, Nikolay Bukharin, and Mouhammad El Hassan. 2021. "Reduction of Energy Consumption for Water Wells Rehabilitation. Technology Optimization" Fluids 6, no. 12: 444. https://doi.org/10.3390/fluids6120444
APA StyleOmelyanyuk, M., Pakhlyan, I., Bukharin, N., & El Hassan, M. (2021). Reduction of Energy Consumption for Water Wells Rehabilitation. Technology Optimization. Fluids, 6(12), 444. https://doi.org/10.3390/fluids6120444

