Preparation and Performance Evaluation of a Self-Crosslinking Emulsion-Type Fracturing Fluid for Quasi-Dry CO2 Fracturing
Abstract
1. Introduction
2. Materials and Methods
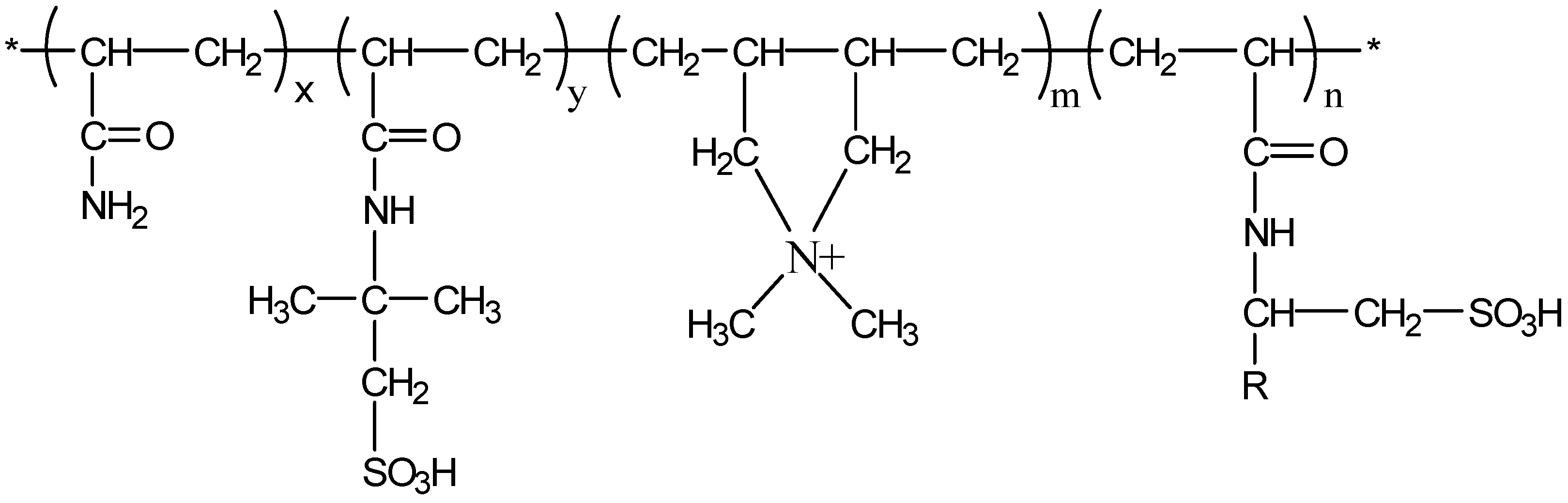
2.1. Experimental Materials
2.2. Experimental Methods
2.2.1. IR Analyses
2.2.2. SEM Analyses
2.2.3. Thermogravimetric Analyses (TGA)
2.2.4. Test of Viscoelasticity
2.2.5. Tests of Temperature and Shear Resistance
2.2.6. Test of Gel Breaking Property
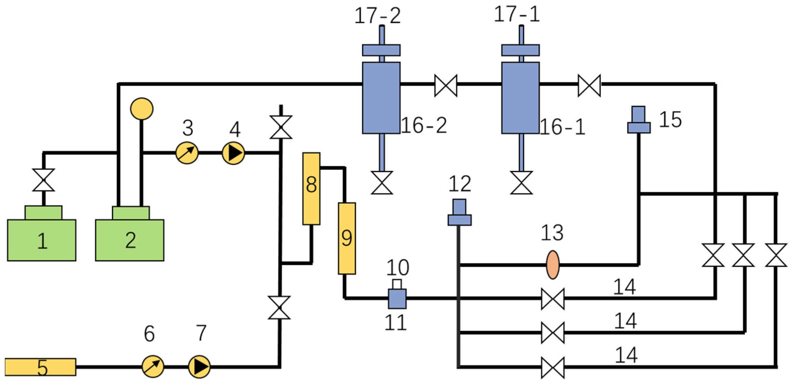
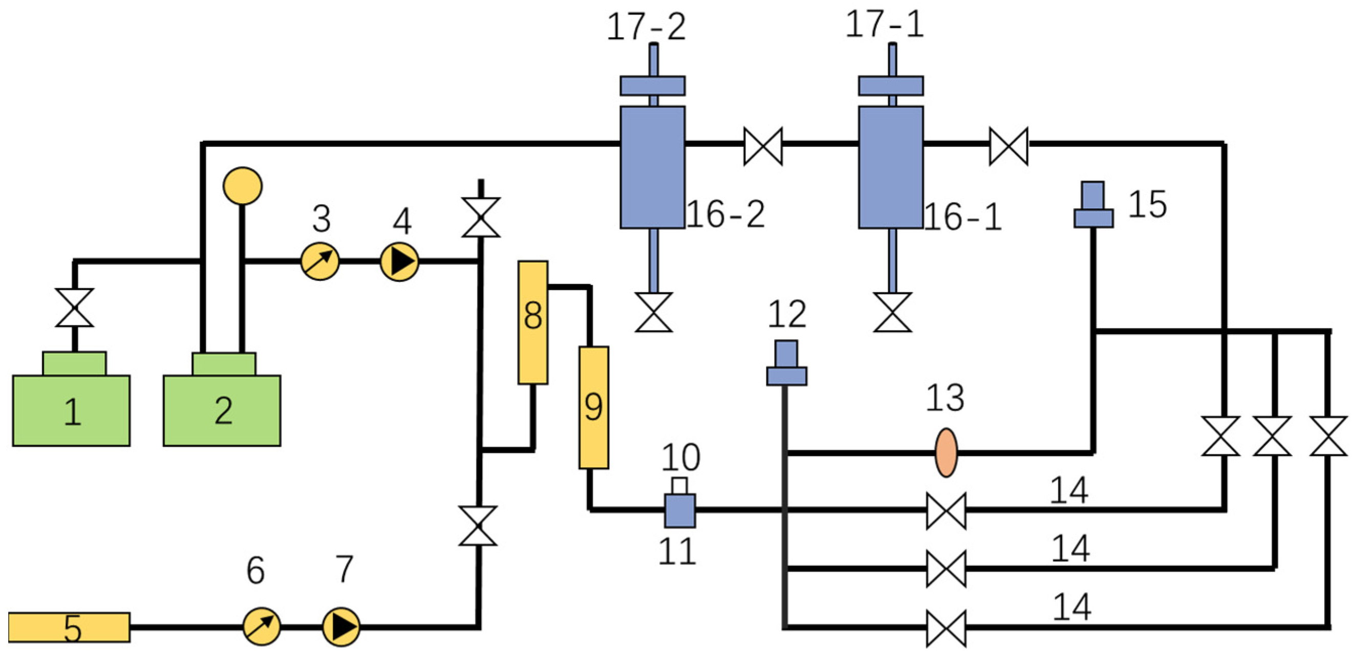
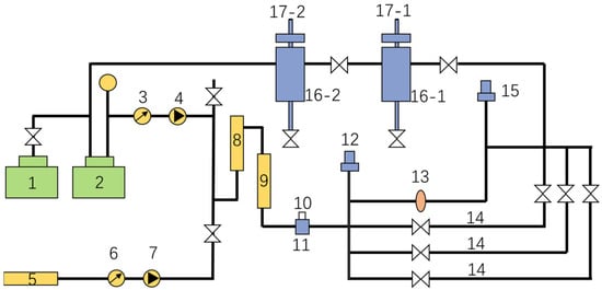
2.2.7. Method for the Frictional Drag Tests
2.2.8. Method for Testing Sand Suspension Properties
2.2.9. Method for Testing Core Damage
3. Results and Discussion
3.1. Infrared Spectroscopic Analyses
3.2. Scanning Electron Microscope Tests
3.3. TGA Test Results
3.4. Viscoelasticity Test Results
3.5. Temperature and Shear Resistance Tests
3.6. Gel Breaking Properties
3.7. Frictional Drag Properties
3.8. Sand Suspension Properties
3.9. Evaluation of Core Damage
4. Field Application
4.1. Basic Situations of the Experimental Well
4.2. Construction Process and Effect Analysis
5. Conclusions
Author Contributions
Funding
Institutional Review Board Statement
Informed Consent Statement
Data Availability Statement
Conflicts of Interest
Appendix A
| Reservoir Formation, Rock and Fluid Properties | Typical Range (Collected from Literature) |
|---|---|
| Permeability | 1E-5-0.1 mD |
| Porosity | 2–18% |
| Reservoir temperature | 200–240°F |
| Formation pressure | 3000–8000 psi |
| Saturation pressure | 2500–3500 psi |
| Ney pay thickness | 8–2600 ft |
| Formation depth | 2000–14,000 ft |
| Drive mechanism | Poor sweep and low-pressure connectivity |
| Initial water saturation | 25–50% |
| Pressure gradient | 0.42–0.7 psi/ft |
| Rock type | Mixed-silt, limestone, sand & shale |
| Thermal maturity (Ro) | 0.6–1.8% |
| Wettability | Mixed to oil-wet |
| Contact angle | 80°–145°vvv |
| Oil–water interfacial tension (IFT) | 17–34 mN/m |
| Natural fracture intensity | 0–32 per ft |
| Clay content | 7–30% |
| Total organic content | 0.1–12% |
| Bulk density | 2.3–2.5 g/cm3 |
| Grain density | 2.5–2.7 g/cm3 |
| Rock grain size | Below 62.5 μm |
| Average pore radius | 0.01–0.03 μm |
| Oil density | 38–42 API |
| Oil viscosity | Below 4.2 cP |
| Gas oil ratio (GOR) | 500–1800 scf/stb |
| Oil polarity | More towards paraffinic |
| Fluid pH | Acidic |
| Total acid number | 0.02–0.36 mg KOH/g |
| Total base number | 0.12–1.16 mg KOH/g |
| Brine specific gravity | Heavy |
| Brine salinity | High |
| Brine total dissolved solids (TDS) | 228,500–285,000 |
| Fracturing Fluid System | Producer | Drag Reduction Rate/% | Viscosity of Gel Breaking Liquid/mPa.s | Temperature Resistance, Shear Resistance | Reservoir Damage Rate/% |
|---|---|---|---|---|---|
| FR1-1 fracturing fluid system | Shandong Ruixing Petroleum Technology Service Co., Ltd. | 40 | 3.7~4.8 | 150 °C, 170 s−1 for 2 h, 40 mPa.s | 30 |
| JNBY fracturing fluid system | Jinan Beyate Chemical Co., Ltd. | 40 | 3.5 | 120 °C, 170 s−1 for 2 h, 50 mPa.s | 26 |
| Guar gum fracturing fluid system | Henan Yuanchun Chemical Co., Ltd. | 60 | <5 | 45 °C, 170 s−1 for 1.5 h, 100 mPa.s | 18 |
| Guar gum fracturing fluid system | Hubei Dongsao Chemical Technology Co., Ltd. | 60 | <5 | 90 °C, 170 s−1 for 2 h, 70 mPa.s | 25 |
| Environmental protection emulsion fracturing fluid system | Henan Tianxiang New Material Co., Ltd. | 55 | 4 | 70 °C, 170 s−1 for 2 h, 80 mPa.s | 15 |
| BS-1A fracturing fluid system | Zhejiang Fenghong New Material Co., Ltd. | 65 | <5 | 40 °C, 170 s−1 for 2 h, 100 mPa.s | 25 |
| ZL-1 fracturing fluid system | Lab homemade | 72 | 1.7 | 160 °C, 170 s−1 for 2 h, 100 mPa.s | 14 |
References
- Jinhu, D.U.; He, L.I.U.; Desheng, M.A.; Jinhua, F.U.; Yuhua, W.A.N.G.; Tiyao, Z.H.O.U. Discussion on effective development techniques for continental tight oil in China. Pet. Explor. Dev. 2014, 41, 217–224. [Google Scholar]
- Syed, F.I.; Dahaghi, A.K.; Muther, T. Laboratory to field scale assessment for EOR applicability in tight oil reservoirs. Pet. Sci. 2022, 19, 231–2149. [Google Scholar] [CrossRef]
- Bertoncello, A.; Wallace, J.; Blyton, C.; Honarpour, M.; Kabir, C.S. Imbibition and water blockage in unconventional reservoirs: Well-management implications during flowback and early production. SPE Reserv. Eval. Eng. 2014, 17, 497–506. [Google Scholar] [CrossRef]
- Jia, C. Breakthrough and significance of unconventional oil and gas to classical petroleum geological theory. Pet. Explor. Dev. 2017, 44, 1–11. [Google Scholar] [CrossRef]
- Yang, B.; Wang, H.Z.; Li, G.S.; Wang, B.; Chang, L.; Tian, G.H.; Zhao, G.M.; Zheng, Y. Fundamental study and utilization on supercritical CO2 fracturing developing unconventional resources: Current status, challenge and future perspectives. Pet. Sci. 2022, 19, 2757–2780. [Google Scholar] [CrossRef]
- Li, N.Y.; Yu, J.J.; Wang, C.; Zhang, S.W.; Liu, X.K.; Kang, J.; Wang, Y.; Dai, Y.H. Fracturing technology with carbon dioxide: A review. J. Pet. Sci. Eng. 2021, 205, 108793. [Google Scholar]
- Middleton, R.S.; Carey, J.W.; Currier, R.P.; Hyman, J.D.; Kang, Q.; Karra, S.; Martínez, J.J.L.; Porter, M.L.; Viswanathan, H.S. Shale gas and non-aqueous fracturing fluids: Opportunities and challenges for supercritical CO2. Appl. Energy 2015, 147, 500–509. [Google Scholar] [CrossRef]
- Bybee, K. Liquid-free CO2/sand stimulations: An overlooked technology. J. Pet. Technol. 2015, 54, 68. [Google Scholar] [CrossRef]
- Gupta, D.V.S.; Bobier, D.M. The history and success of liquid CO2 and CO2/N2 fracturing system SPE 40016. Soc. Pet. Eng. 1998, 5, 15–18. [Google Scholar]
- Tudor, R.; Vozniak, C.; Peters, W.; Banks, M.L. Technical advances in liquid CO2 fracturing. OnePetro 1994. [Google Scholar] [CrossRef]
- Wang, X.; Song, Z.; Wang, S. Research and test of CO2 dry fracturing fluid system. Pet. Drill. Prod. Technol. 2014, 36, 69–73. [Google Scholar]
- Li, S.; Zheng, W. A new airtight CO2/proppant blender and a case study of water-free CO2fracturing abroad. Drill. Pro-Duction Technol. 2017, 40, 36–38. [Google Scholar]
- Gupta, D.V.S.; Bobier, D.M. Field application of unconventional foam technology: Extension of liquid CO2 technology. SPE OnePetro 2003. [Google Scholar] [CrossRef]
- Luk, S.; Apshkrum, M. Economic optimization of liquid CO2 fracturing. SPE OnePetro 1996, 123, 241. [Google Scholar]
- Meier, P.; Ivory, J.; De Rocco, M.; Scott, K. Field and laboratory measurements of leakoff parameters for liquid CO2 and liquid CO2/N2 fracturing. OnePetro 1997. [Google Scholar] [CrossRef]
- Su, W.D.; Song, Z.Y.; Ma, D.J.; Jian, P.; Peng, B.; Tang, L.P. Application of CO2 fracturing technology in Sulige gas field. Drill. Prod. Technol. 2011, 34, 39–41. [Google Scholar]
- Liu, H.; Feng, W.; Zhang, J.; Meng, S.; Duan, Y.W. Carbon dioxide fracturing: Application status and development trend. Pet. Explor. Dev. 2014, 41, 513–519. [Google Scholar] [CrossRef]
- He, Z.; Tian, S.; Li, G.; Wang, H.; Shen, Z.; Xu, Z. The pressurization effect of jet fracturing using supercritical carbon dioxide. J. Nat. Gas Sci. Eng. 2015, 27, 842–851. [Google Scholar] [CrossRef]
- Wang, X.; Zeng, F.; Gao, R.; Zhao, X.; Hao, S.; Liang, Q.; Jiang, S. Cleaner coal and greener oil production: An integrated CCUS approach in Yanchang petroleum group. Int. J. Greenh. Gas Control. 2017, 62, 13–22. [Google Scholar] [CrossRef]
- Sun, B.; Wang, J.; Sun, W.; Wang, Z.; Sun, J. Advance in fundamental research of supercritical CO2 fracturing technology for unconventional natural gas reservoirs. J. China Univ. Pet. (Ed. Nat. Sci.) 2019, 43, 82–91. [Google Scholar]
- Kalam, S.; Afagwu, C.; Al Jaberi, J.; Siddig, O.M.; Tariq, Z.; Mahmoud, M. A review on non-aqueous fracturing techniques in unconventional reservoirs. J. Nat. Gas Sci. Eng. 2021, 95, 104223. [Google Scholar] [CrossRef]
- Jin, L.; Zheng, Y. Quasi-dry CO2 fracturing—A new breakthough of liquid CO2 fracturing. Proceedings of the 7th Unconven-tional Resources Technology Conference. SPE OnePetro 2019. [Google Scholar] [CrossRef]
- Luo, C. Study and application of quasi-dry CO2 fracturing technology. Chem. Eng. Oil Gas 2021, 50, 83–87. [Google Scholar]
- Wei, Z.; Weihong, L. Synthesis and Performance Evaluation of a Copolymer P[DPM/DC_(12)MAAC] Used to Treat Polymerized Sewage. Oilfield Chem. 2020, 37, 515–521. [Google Scholar]
- Li, J.; Zhan, Y.; Feng, M.; Cui, Y. Preparation and properties of superhydrophilic-air-oleophobic underwater superoleophobic stainless steel mesh. Mater. Rev. 2022, 36, 340–344. [Google Scholar]
- Hong, H.; Zhang, H.; Huang, L. Research progress on characterization of asphalt materials by nuclear magnetic resonance, thermal analysis and scanning electron microscopy. Highw. Transp. Sci. Technol. 2019, 36, 15–28. [Google Scholar]
- Wang, J.; Guo, P.; Jiang, H.; Zhou, F. A novel multifunction fracturing fluid compounding of nanoemulsion and viscous slickwater for unconventional gas and oil. Arab. J. Chem. 2022, 15, 1878–8352. [Google Scholar]
- Huang, Q.; Fu, M.; Zhao, Z. Long pipe-based experimental evaluation of supercritical CO2 fracturing fluid tackifier and discussion of its tackifying mechanisms. Chem. Ind. Eng. Prog. 2019, 38, 2939–2946. [Google Scholar]
- Wang, M.; He, J.; Chen, G.; Zhu, T. Phase change in liquid CO2 thickening process and the mechanisms thereof. Drill. Fluid Complet. Fluid 2017, 34, 94–98. [Google Scholar]
- Zhao, J.; Fan, J.; Mao, J.; Yang, X.; Zhang, H.; Zhang, W. High performance clean fracturing fluid using a new tri-cationic surfactant. Polymers 2018, 10, 535. [Google Scholar] [CrossRef]
- Zhang, W.; Mao, J.; Yang, X.; Zhang, H.; Zhang, Z.; Yang, B.; Zhang, Y.; Zhao, J. Study of a novel gemini viscoelastic surfactant with high performance in clean fracturing fluid application. Polymers 2018, 10, 1215. [Google Scholar] [CrossRef]
- Almubarak, T.; Ng, J.H.; Sokhanvarian, K.; Khaldi, M.; Nasr-El-Din, H.A. Development of a Mixed Polymer Hydraulic Fracturing Fluid for High Temperature Applications. SPE OnePetro 2018. [Google Scholar] [CrossRef]
- Guo, J.; He, C. Microscopic mechanism of the damage caused by gel breaking process of fracturing fluid. Acta Pet. Sin. 2012, 33, 1018–1022. [Google Scholar]
- Xiao, B.; Fan, M.; Wang, Y.; Guo, F.; Zhao, Y.; Dang, H. Study and application of low frictional drag and ultrahigh temperature fracturing fluid. Fault-Block Oil Gas Field 2018, 25, 533–536. [Google Scholar]
- Yuan, H.; Tao, C.; Gao, Y.; Xia, Y. A method to improve the frictional drag calculation accuracy for guanidine gum fracturing fluid. Pet. Drill. Technol. 2017, 45, 5. [Google Scholar]
- Liu, J.; Wu, Z.; Wu, C.; Jiang, T.; Sui, S. Experimental study on the mechanisms of sand suspension and proppant settling in fracturing fluids. Drill. Fluid Complet. Fluid 2019, 36, 378–383. [Google Scholar]
- Zhao, X.; Guo, J.; Pan, R.; Abdulmumin, O.; Lu, J.; Yang, J. Synthesis and evaluation of a novel clean hydraulic fracturing fluid based on star-dendritic polymer. J. Nat. Gas Sci. Eng. 2017, 43, 179–189. [Google Scholar] [CrossRef]
- Xu, L.; Fu, M.; Huang, Q.; Wang, J.; Zhao, Z. Evaluation of the rheological property of and the core damage by a novel supercritical CO2 fracturing fluid based on silicon-containing thickener. Drill. Fluid Complet. Fluid 2020, 37, 250–256. [Google Scholar]
- Liu, B.; Wang, Y.; Liang, L. Preparation and Performance of Supercritical Carbon Dioxide Thickener. Polymers 2021, 13, 78. [Google Scholar] [CrossRef]
- Gao, L.; Yu, H.; Wang, J.; Feng, Y.; Feng, W. Low-Temperature Self-Healing Polymer Based on Hydrogen Bonding Crosslinking. J. Funct. Polym. 2020, 33, 547–553. [Google Scholar]
- Li, Y.; Zhou, T.; Yu, Z.; Wang, W.; Shi, D.; Ni, Z.; Chen, M. Effects of surfactant and ionic concentration on properties of dual physical crosslinking self-healing hydrogels by hydrophobic association and ionic interactions. New J. Chem. 2020, 44, 4061–4070. [Google Scholar] [CrossRef]
- Wang, L.; Peng, C.; Zhang, M.; Ji, X.; Lu, A.; Liu, Y. Preparation of carboxymethylated lignosulfonate cross-linked polymer for adsorption toward methylene blue. Petrochem. Technol. 2018, 47, 1369–1375. [Google Scholar]
- Feng, Y.; Billon, L.; Grassl, B. Hydrophobically associating polyacrylamides and their partially hydrolyzed derivatives prepared by post-modification. 2. Properties of non-hydrolyzed polymers in pure water and brine. Polymer 2005, 46, 9283–9295. [Google Scholar] [CrossRef]
- Li, Q.; Wang, Y.; Owusu, A.B. A modified Ester-branched thickener for rheology and wettability during CO2 fracturing for improved fracturing property. Environ. Sci. Pollut. Res. 2019, 26, 20787–20797. [Google Scholar] [CrossRef]
- Liu, J.; Lu, X.; Wang, R.; Liu, Y.; Zhang, S. Performance evaluation of special viscoelastic fluids under high mineralization and oil drive mechanism at high mineralization. J. China Univ. Pet. (Nat. Sci. Ed.) 2013, 37, 59–166. [Google Scholar]
- Zhang, F.; Shen, Y.; Wang, L.; Ma, G.; Su, Y.; Ren, T. Synthesis and properties of polyacrylamide drag reducer for fracturing fluid. Chem. Ind. Eng. Prog. 2016, 35, 3640–3644. [Google Scholar]
- Zhao, D.; Liu, H.; Guo, W. Effect of inorganic cations on the rheological properties of polyacrylamide/xanthan gum solution. J. Nat. Gas Sci. Eng. 2016, 31, 283–292. [Google Scholar] [CrossRef]
- Duan, Y.; Lei, X.; Wu, J.; Zhong, J.; Zhu, R.; Guo, Q. Screening experiment of viscoelastic surfactant clean fracturing fluid breakers. Pet. Geol. Eng. 2013, 27, 136–138. [Google Scholar]















| Ion | Concentration, mg/L |
|---|---|
| Na+ | 7012.05 |
| Ca2+ | 500.86 |
| Mg2+ | 341.26 |
| Cl− | 11,398.45 |
| total | 19,252.62 |
| No. | Length (cm) | Diameter (cm) | Permeability (mD) | Porosity (%) | Mean Permeability (mD) | Mean Porosity (%) |
|---|---|---|---|---|---|---|
| 1# | 6.086 | 2.327 | 0.2156 | 7.24 | 0.386 | 8.65 |
| 2# | 6.968 | 2.331 | 0.2221 | 7.87 | ||
| 3# | 6.552 | 2.328 | 0.4507 | 8.33 | ||
| 4# | 6.724 | 2.326 | 0.4330 | 9.26 | ||
| 5# | 6.414 | 2.338 | 0.6115 | 10.55 |
| Fracturing Fluid System | Temperature (℃) | Pressure (MPa) | Injection Quantity (%) | Permeability K1 (mD) | Permeability K2 (mD) | Core Damage Ratio Dd (%) | Mean Dd (%) |
|---|---|---|---|---|---|---|---|
| 1.5 wt% ZJL-1 fracturing fluid | 20 | 8 | 0.5 | 0.382 | 0.331 | 13.350 | 14.055 |
| 20 | 8 | 1.0 | 0.388 | 0.329 | 15.206 | ||
| 20 | 8 | 1.5 | 0.386 | 0.335 | 13.212 | ||
| 40 | 15 | 0.5 | 0.389 | 0.346 | 11.053 | ||
| 40 | 15 | 1.0 | 0.383 | 0.323 | 15.665 | ||
| 40 | 15 | 1.5 | 0.385 | 0.324 | 15.844 | ||
| 1.5 wt% Conventional guar fracturing fluid | 20 | 8 | 0.5 | 0.385 | 0.509 | 32.43 | 33.075 |
| 20 | 8 | 1.0 | 0.385 | 0.510 | 32.56 | ||
| 20 | 8 | 1.5 | 0.382 | 0.508 | 33.17 | ||
| 40 | 15 | 0.5 | 0.381 | 0.508 | 33.54 | ||
| 40 | 15 | 1.0 | 0.388 | 0.519 | 33.80 | ||
| 40 | 15 | 1.5 | 0.384 | 0.510 | 32.95 |
Disclaimer/Publisher’s Note: The statements, opinions and data contained in all publications are solely those of the individual author(s) and contributor(s) and not of MDPI and/or the editor(s). MDPI and/or the editor(s) disclaim responsibility for any injury to people or property resulting from any ideas, methods, instructions or products referred to in the content. |
© 2023 by the authors. Licensee MDPI, Basel, Switzerland. This article is an open access article distributed under the terms and conditions of the Creative Commons Attribution (CC BY) license (https://creativecommons.org/licenses/by/4.0/).
Share and Cite
Hu, J.; Fu, M.; Li, M.; Zheng, Y.; Li, G.; Hou, B. Preparation and Performance Evaluation of a Self-Crosslinking Emulsion-Type Fracturing Fluid for Quasi-Dry CO2 Fracturing. Gels 2023, 9, 156. https://doi.org/10.3390/gels9020156
Hu J, Fu M, Li M, Zheng Y, Li G, Hou B. Preparation and Performance Evaluation of a Self-Crosslinking Emulsion-Type Fracturing Fluid for Quasi-Dry CO2 Fracturing. Gels. 2023; 9(2):156. https://doi.org/10.3390/gels9020156
Chicago/Turabian StyleHu, Jiani, Meilong Fu, Minxuan Li, Yan Zheng, Guojun Li, and Baofeng Hou. 2023. "Preparation and Performance Evaluation of a Self-Crosslinking Emulsion-Type Fracturing Fluid for Quasi-Dry CO2 Fracturing" Gels 9, no. 2: 156. https://doi.org/10.3390/gels9020156
APA StyleHu, J., Fu, M., Li, M., Zheng, Y., Li, G., & Hou, B. (2023). Preparation and Performance Evaluation of a Self-Crosslinking Emulsion-Type Fracturing Fluid for Quasi-Dry CO2 Fracturing. Gels, 9(2), 156. https://doi.org/10.3390/gels9020156
