Simulation of High-Voltage Cable Sheath Current with a Panoramic Digital Tunnel Model
Abstract
1. Introduction
2. Three-Dimensional Panoramic Digital Modeling of the Tunnel
2.1. Technological Route
2.2. Spatial Data Acquisition
2.3. Point Cloud Data Processing
2.4. Three-Dimensional Modeling and Texture Mapping
3. High-Voltage Cable Sheath Current Simulation Model Set up and Validation
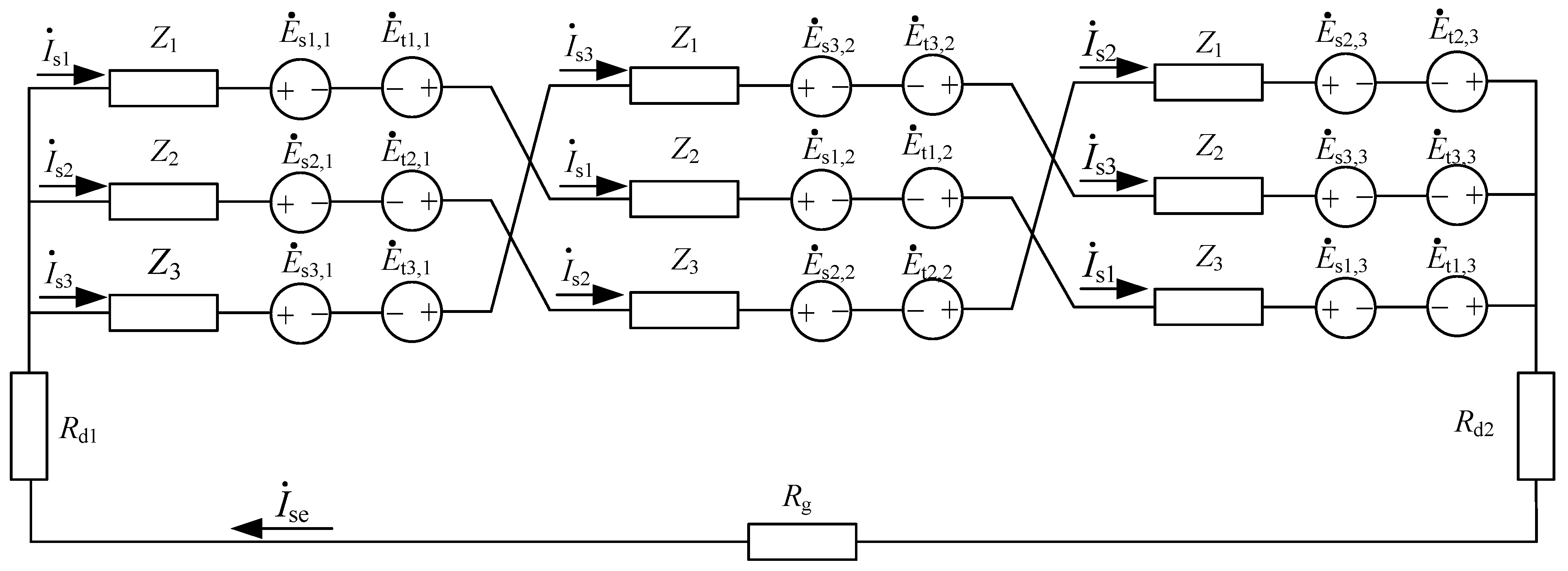
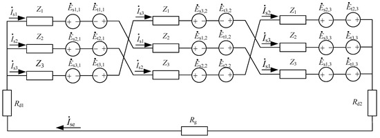
3.1. Parallel Cable Sheath Current Simulation Model
3.2. Integration of the Simulation Model and the Tunnel Panoramic Digital Model
3.3. Validation of the Proposed Simulation Model
4. Intelligent Decision Support for Cable Sheath Current Operation Based on the 3D Digital Model
4.1. Early Warnings Against Cable Sheath Current Anomalies
4.2. Suggestions for Sheath Current Suppression Based on Phase Sequence Optimization
5. Discussion and Conclusions
5.1. Discussion
5.2. Conclusions
- (1)
- A 3D digital panoramic model of a tunnel in Beijing was modeled using laser point cloud technology. A visualization system was developed, characterized by the intuitive display of the tunnel in a three-dimensional panorama, the online calculation of sheath current, the real-time inversion of sheath current at data-missing locations, and the optimization of cable phase sequences for abnormal sheath currents.
- (2)
- A sheath current simulation model for parallel cables was proposed. Through case verification, the calculated sheath current results present a maximum measurement error of 3.71%. The cable fault recognition model was established with ATP-EMTP software. By comparing the calculated results with the monitored data, changes/fluctuations in the sheath current can be reflected. Integrated with the visualization system, an early warning can be triggered once the cable sheath current values are abnormal.
- (3)
- For dual-circuit cables on the same side of a tunnel, the sheath current can be suppressed by altering the phase sequence of the core currents, with a maximum reduction in sheath current of up to 51.8%.
Author Contributions
Funding
Data Availability Statement
Conflicts of Interest
References
- Orton, H. Power Cable Technology Review. High Volt. Eng. 2015, 41, 1057–1067. [Google Scholar]
- Yang, Y.; Hepburn, D.; Zhou, C.; Zhou, W.; Bao, Y. On-Line Monitoring of Relative Dielectric Losses in Cross-Bonded Cables Using Sheath Currents. IEEE Trans. Dielectr. Electr. Insul. 2017, 24, 2677–2685. [Google Scholar] [CrossRef]
- Jung, C.; Lee, J.; Kang, J. Sheath Circulating Current Analysis of a Crossbonded Power Cable Systems. J. Electr. Eng. Technol. 2007, 2, 320–328. [Google Scholar] [CrossRef]
- He, Y.; Meng, F.; Kok, L.; Ho, K. A K-to-Ka Band Ultra Wideband Power Amplifier in 180-Nm SiGe Technology. In Proceedings of the 2024 IEEE International Conference on IC Design and Technology, Singapore, 25–27 September 2024; pp. 1–4. [Google Scholar]
- Liu, Y.; Xiao, Y.; Liu, S. Influence of Cluster Laying on Permitted Current Rating of Power Cables in Tunnels. High Volt. Appar. 2019, 55, 123–130. [Google Scholar]
- Lu, P.; Duan, W.; Sun, J.; Zhao, X.; Xiong, L. Core Temperature Calculation of Single-Core Cable Joints Based on FEM. Power Syst. Clean Energy 2021, 37, 57–63. [Google Scholar]
- He, X. Analysis of the Major Causes of Metal Sheath Grounding Loop Flow in High Voltage Single Core Cables. Opt. Mech. Electr. 2015, 12, 68–69. [Google Scholar]
- Ma, F.; Niu, Z.; Luan, Y. Digital Supervision and Correlation Analysis of High-Voltage Cable Crimping. Electr. Power Equip. Manag. 2023, 16, 52–54. [Google Scholar]
- Li, S.; Dong, Z. Research on Key Location Extraction Technology of Underground Cable Line Based on Digital Intelligent Terminal Platform. Microcomput. Appl. 2022, 38, 65–67. [Google Scholar]
- Li, M.; Wu, Y.; Chen, G. Research and Application of Digital 3D Technology in Indoor Substation Cable Laying. Electr. Eng. 2023, 9, 88–90. [Google Scholar]
- Yao, J.; Yang, Y.; Wang, X. Systematic review of digital twin technology and applications. Vis. Comput. VCIBA 2023, 6, 10. [Google Scholar] [CrossRef]
- Qi, Q.; Tao, F.; Liu, A. Enabling technologies and tools for digital twin. J. Manuf. Syst. 2021, 58, 3–21. [Google Scholar] [CrossRef]
- Guo, J.; Qi, D. Enhancement of damaged-image prediction based on digital twin technology. J. Cloud Comput. 2023, 12, 177. [Google Scholar] [CrossRef]
- Yuan, B.; Ma, L.; Wu, Q. Cable Route and Channel Management System Based on 3D Laser Scanning Technology. Rural Electrif. 2023, 10, 41–43. [Google Scholar]
- Zhong, S.; Fang, X.; Xu, H.; Xu, Z.; Fang, Y. Exploration on Digital Design of Electrical Cable Trays for Buildings. Build. Electr. 2023, 42, 46–51. [Google Scholar]
- Bai, Y.; Guo, K.; Li, J.; Shi, H.; Hu, G. Automatic Statistical Method of Secondary Cable Length Based on Digital Three-dimensional Technology. Ind. Appl. Commun. 2024, 43, 173–177. [Google Scholar]
- Li, X.; Song, P.; Meng, Z. Measurement Method for Reference Data of Power Cable Fiber Optic Temperature Measurement Based on Real-Life and Digital Model. Patent CN202311574923.3, 8 March 2024. [Google Scholar]
- Zhang, Z.; Shu, N.; Zhao, J. Analysis and calculation the thermal stress and short circuit force of the power cable line. In Proceedings of the 2014 China International Conference on Electricity Distribution, Shenzhen, China, 23–26 September 2014; pp. 850–853. [Google Scholar]
- Anders, G.; Brakelmann, H. Improving Cable Rating Calculation by Considering Loss Dependence on Temperature. Trans. Power Deliv. 2004, 19, 919–925. [Google Scholar] [CrossRef]
- Nahman, J. Cable Models for Grounding System Analysis. IEEE Trans. Power Deliv. 2004, 19, 841–845. [Google Scholar] [CrossRef]
- Wei, Y.; Liu, M.; Li, X. Effect of temperature on electric-thermal properties of semi-conductive shielding layer and insulation layer for high-voltage cable. High Volt. 2021, 6, 805–812. [Google Scholar] [CrossRef]
- Zhang, Y.; Yu, F.; Ma, M. Conductor temperature monitoring of high-voltage cables based on electromagnetic-thermal coupling temperature analysis. Energies 2022, 15, 525. [Google Scholar] [CrossRef]
- Zhou, W.; Li, W.; He, W.; Liang, J. Substation digitalized cable laying modeling and related calculation of cable carrier. Mod. Electron. Tech. 2022, 45, 166–172. [Google Scholar]
- Zhu, L.; Wang, G.; Zhu, Y. Research on application of 3D design technology in cable laying of substation. Mach. Des. Manuf. Eng. 2021, 50, 121–126. [Google Scholar]
- Zhu, G.; Qi, M.; Chen, X.; Wang, Z.; Yu, K. The Influence of Phase Spacing and Loop Spacing on Circulating Current of Power Cable Metal Sheath. J. Northeast Electr. Power Univ. 2021, 41, 79–85. [Google Scholar]
- Wang, Y.; Cao, W.; Liang, H.; Li, F. Fitting Formula of Sheath Current and the Arrangement Optimization of Cables. High Volt. Appar. 2017, 53, 77–82. [Google Scholar]
- Qi, M. Research on Circulation Characteristic and Suppression Measures of Metal Sheath of XLPE Cable. Master’s Thesis, Northeast Electric Power University, Jilin, China, 2022. [Google Scholar]
- Todorovski, M.; Ackovski, R. Equivalent Circuit of Single-Core Cable Lines Suitable for Grounding Systems Analysis Under Line-to-Ground Faults. IEEE Trans. Power Deliv. 2014, 29, 751–759. [Google Scholar] [CrossRef]
- Shaban, M.; Salam, M.; Ang, S. Assessing Induced Sheath Voltage in Multi-Circuit Cables: Revising the methodology. In Proceedings of the 2015 IEEE Conference on Energy Conversion (CENCON), Johor Bahru, Malaysia, 19–20 October 2015. [Google Scholar]
- Harun, Z.; Osman, M.; Ariffin, A. Effect of AC Interference on HV Underground Cables Buried Within Transmission Lines Right of Way. In Proceedings of the 2021 IEEE International Conference on the Properties and Applications of Dielectric Materials (ICPADM), Johor Bahru, Malaysia, 12–14 July 2021. [Google Scholar]
- Chen, K.; Qi, W. Effect of Mixed Arrangement on Current in Sheaths of Two-circuit Arranged XLPE Cables. High Volt. Eng. 2018, 44, 3736–3742. [Google Scholar]
- Jung, C.; Lee, J.; Kang, J. Sheath Current Characteristic and Its Reduction on Underground Power Cable System. In Proceedings of the IEEE Power Engineering Society General Meeting, San Francisco, CA, USA, 16 June 2005. [Google Scholar]
- Fang, J.; Zhang, Y.; Liao, W. 110kV high voltage cable sheath transposition to reduce the grounding induction currents. IOP Conf. Ser. Earth Environ. Sci. 2022, 983, 162–167. [Google Scholar] [CrossRef]
- Mao, X.; Kan, Y.; Zhang, Y. Analysis of Abnormal Ground Current in 110kV Cable Line. IOP Conf. Ser. Earth Environ. Sci. 2020, 617, 012030. [Google Scholar]
- Jensen, F.; Nanayakkara, K.; Rajapakse, D. Online fault location on AC cables in underground transmission systems using sheath currents. Electr. Power Syst. Res. 2014, 115, 74–79. [Google Scholar] [CrossRef]
- Yuan, Y.; Li, H.; Ren, Z.; Guo, W.; Lu, H.; Lan, L. Calculation of Zero-sequence Sheath Current and Load-phase Sequence Optimization Method for Double-circuit Parallel Laying High-voltage Cables. Insul. Surge Arresters 2022, 3, 123–132. [Google Scholar]
- He, B.; Zhou, Y.; Li, H. Fault Identification of High-Voltage Cable Sheath Grounding System Based on Ground Current Analysis. In Proceedings of the 2020 IEEE 4th Conference on Energy Internet and Energy System Integration, Wuhan, China, 30 October –1 November 2020. [Google Scholar]
- Yan, L.; Peng, F.; Chen, X. Study on Sheath Circulating Current of Cross-linked Power Cables. In Proceedings of the International Conference on High Voltage Engineering & Application, Chongqing, China, 9–12 November 2008. [Google Scholar]
- Q/GDW11316-2018; Test Code for HV Power Cables. State Grid Corporation of China: Beijing, China, 2018.
- Q/CSG1206007-2017; Regulations for Maintenance and Testing of Power Equipment. State Grid Corporation of China: Beijing, China, 2017.











| Parameter Name | Value | Parameter Name | Value |
|---|---|---|---|
| Core outer diameter/mm | 48.5 | Core cross-sectional/mm2 | 1600 |
| Conductor shield thickness/mm | 2.0 | Aluminum sheath resistivity/Ω·m | 2.8264 × 10−8 |
| Insulation thickness/mm | 24.0 | Cable support spacing/mm | 1680 |
| Insulation shield thickness/mm | 1.0 | Height of each layer of bracket/mm | 450 |
| Thickness of metal sheath/mm | 2.6 | Spacing of cables in the form of large triangle/mm | 350 |
| Sheath thickness/mm | 5.0 | Ground resistance/Ω | 0.3 |
| Cable outer diameter/mm | 135.2 | Soil resistivity/Ω·m | 300 |
| Line Name | Phase Classification | Monitoring Value (A) | Calculated Value (A) | Inaccuracies (%) |
|---|---|---|---|---|
| I | Phase A | 23.8 | 23.6 | 0.84 |
| Phase B | 24.5 | 25.3 | 3.26 | |
| Phase C | 29.6 | 30.7 | 3.71 | |
| Phase T | 82.1 | 80.29 | 2.20 | |
| II | Phase A | 28.8 | 29.5 | 2.43 |
| Phase B | 25.4 | 25.9 | 1.96 | |
| Phase C | 23.7 | 23.3 | 1.68 | |
| Phase T | 77.2 | 78.4 | 1.55 |
| Line | Phase
Classification | Calculated Value (A) | Shorting of
Two-Phase Sheaths (A) | Interconnection Box Misconnection (A) | Interconnection Grounding Box Water Ingress (A) |
|---|---|---|---|---|---|
| I | Phase A | 23.6 | 298.3 | 167.5 | 328.0 |
| Phase B | 25.3 | 26.8 | 207.1 | 335.8 | |
| Phase C | 30.7 | 308.2 | 207.8 | 332.3 | |
| Phase T | 80.29 | 77.7 | 72.8 | 71.4 | |
| II | Phase A | 29.5 | 28.9 | 29.6 | 28.2 |
| Phase B | 25.9 | 25.4 | 21.9 | 18.3 | |
| Phase C | 23.3 | 23.3 | 21.9 | 22.6 | |
| Phase T | 78.4 | 78.1 | 72.8 | 69.2 |
| Combination Number | Phase Sequence |
|---|---|
| 1 | ABC/ABC; ABC/CBA; CBA/ABC; CBA/CBA |
| 2 | ABC/ACB; ABC/BCA; CBA/ACB; CBA/BCA |
| 3 | ABC/BAC; ABC/CAB; CBA/BAC; CBA/CAB |
| Combination Number | Line I/% | Line II/% |
|---|---|---|
| a | 0 | 0 |
| b | 51.8 | 43.7 |
| c | 45.2 | 48.2 |
Disclaimer/Publisher’s Note: The statements, opinions and data contained in all publications are solely those of the individual author(s) and contributor(s) and not of MDPI and/or the editor(s). MDPI and/or the editor(s) disclaim responsibility for any injury to people or property resulting from any ideas, methods, instructions or products referred to in the content. |
© 2024 by the authors. Licensee MDPI, Basel, Switzerland. This article is an open access article distributed under the terms and conditions of the Creative Commons Attribution (CC BY) license (https://creativecommons.org/licenses/by/4.0/).
Share and Cite
Pan, Z.; Guo, W.; Men, Y.; Cai, J.; Li, H.; Xiao, L.; Xu, S.; Wang, Y.; Li, Y. Simulation of High-Voltage Cable Sheath Current with a Panoramic Digital Tunnel Model. Electronics 2024, 13, 4884. https://doi.org/10.3390/electronics13244884
Pan Z, Guo W, Men Y, Cai J, Li H, Xiao L, Xu S, Wang Y, Li Y. Simulation of High-Voltage Cable Sheath Current with a Panoramic Digital Tunnel Model. Electronics. 2024; 13(24):4884. https://doi.org/10.3390/electronics13244884
Chicago/Turabian StylePan, Zehua, Wei Guo, Yekun Men, Jing Cai, Huachun Li, Long Xiao, Shiru Xu, Yu Wang, and Yuanxi Li. 2024. "Simulation of High-Voltage Cable Sheath Current with a Panoramic Digital Tunnel Model" Electronics 13, no. 24: 4884. https://doi.org/10.3390/electronics13244884
APA StylePan, Z., Guo, W., Men, Y., Cai, J., Li, H., Xiao, L., Xu, S., Wang, Y., & Li, Y. (2024). Simulation of High-Voltage Cable Sheath Current with a Panoramic Digital Tunnel Model. Electronics, 13(24), 4884. https://doi.org/10.3390/electronics13244884

