Use of Threshold Median Adjustment to Achieve Accurate Current Balancing of Interleaved Buck Converter with Constant Frequency Hysteresis Control
Abstract
1. Introduction
- The unpredictable switching frequency associated with conventional hysteresis control can lead to severe electromagnetic interference (EMI).
- Current imbalances among the phases reduce both the efficiency and lifespan of the system.
2. Linearization of Hysteresis Comparator in Threshold Width Adjustment-Based Frequency Phase Loop
- As shown in Figure 5b, a zero is placed before the crossing frequency so that there is sufficient phase margin at the bandwidth and it is crossed with a slope of −20 dB/dec. When the phase margin is 60°, this pole is .
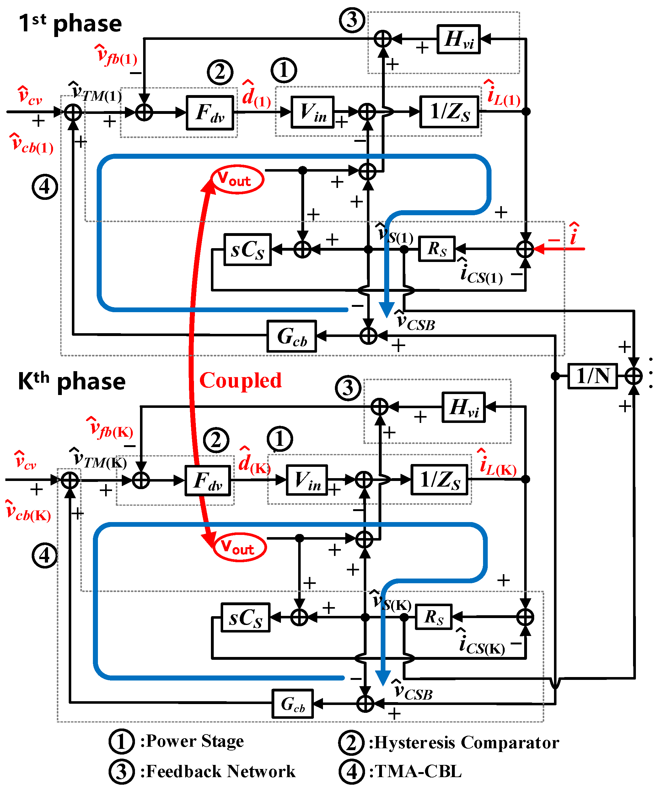
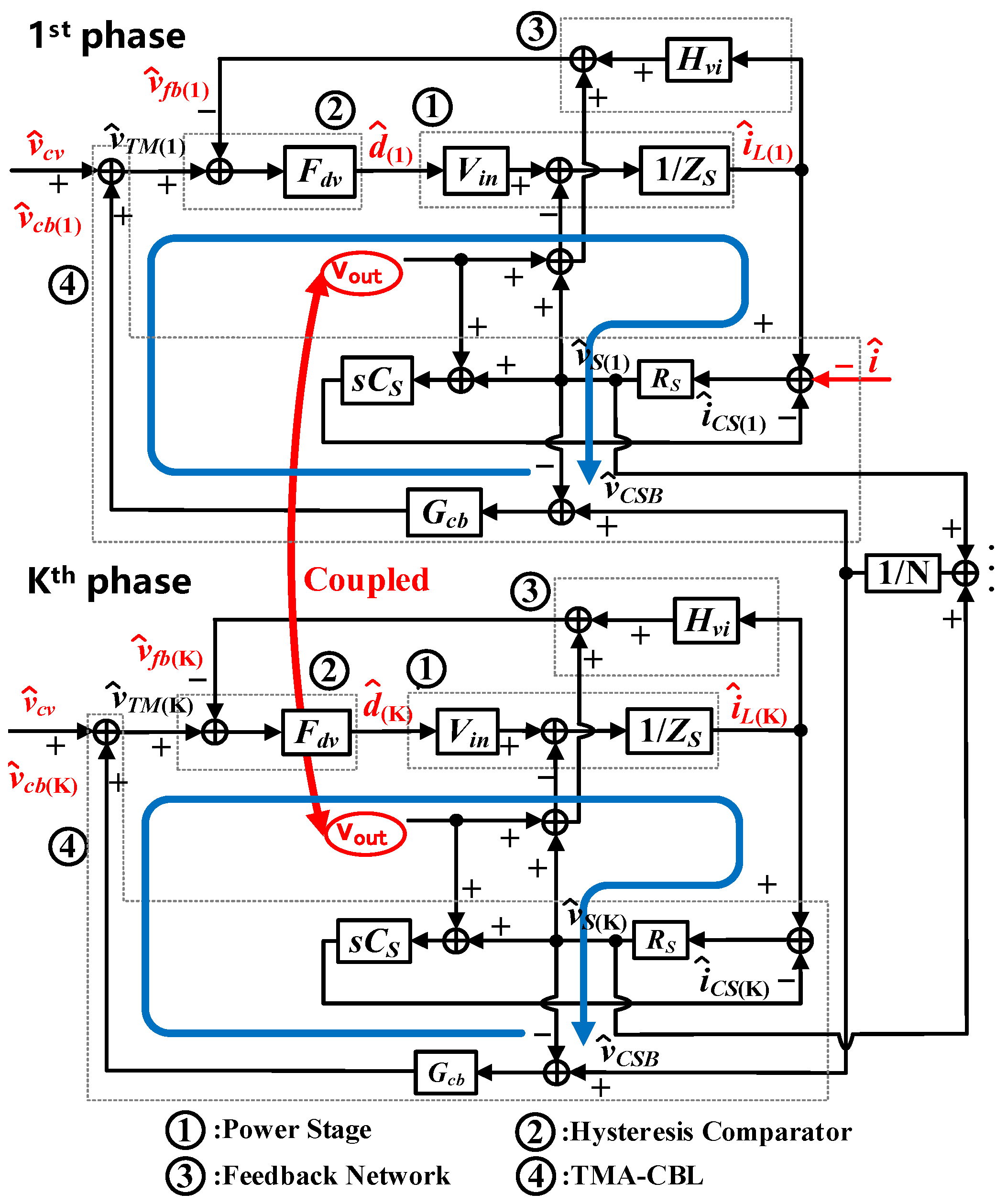
3. Multi-Phase Coupled Small Signal Model Analysis for Steady-State Accuracy and Loop Stability
3.1. Multi-Phase Coupled Small Signal Model Analysis
3.2. Loop Compensation of the TMA-CBL
4. Detailed Circuit Design
4.1. Soft-Starting Module
- The converter is off (EN = 0): MODE and C are set to a low voltage level.
- The converter is on (EN = 1), and vfb < vref-VCP/5: MODE and C are set to a low voltage level.
- The converter is on (EN = 1), and vfb > vref-VCP/5: C flips to a high voltage level in a short time, and MODE flips to a high voltage level and latch, which indicates that the converter enters closed-loop control.
4.2. Phase Frequency Detector and Charge Pump
- The proposed adjusting frequency circuit can reduce the frequency error quickly.
- The proposed CP can adjust the charge or discharge current to accelerate the regulating process.
- fd > fCLK (UP = 1, DN = 0): VCP rises to increase the switching frequency.
- fd < fCLK (UP = 0, DN = 1): VCP falls to decrease the switching frequency. Then, the multiplexers select outputs of D flip-flops to reduce the phase error.
4.3. Threshold Generator
4.4. Hysteresis Comparator
5. Layout and Simulation Results
6. Prototype and Experimental Results
7. Conclusions
Author Contributions
Funding
Data Availability Statement
Acknowledgments
Conflicts of Interest
Abbreviations
| CFH | constant frequency hysteresis |
| CP | charge pump |
| EMI | electromagnetic interference |
| MPC-SSM | multi-phase coupled small-signal model |
| PFD | phase frequency detector |
| TMA-CBL | current balancing loop that is obtained using the threshold median adjustment |
| TWA-FPL | frequency phase loop based on threshold width adjustment |
References
- Burton, E.A.; Schrom, G.; Paillet, F.; Douglas, J.; Lambert, W.J.; Radhakrishnan, K.; Hill, M.J. FIVR—Fully integrated voltage regulators on 4th generation Intel® Core™ SoCs. In Proceedings of the 2014 IEEE Applied Power Electronics Conference and Exposition—APEC 2014, Fort Worth, TX, USA, 16–20 March 2014; pp. 432–439. [Google Scholar]
- Bharath, K.; Venkataraman, S. Power Delivery Design and Analysis of 14nm Multicore Server CPUs with Integrated Voltage Regulators. In Proceedings of the 2016 IEEE 66th Electronic Components and Technology Conference (ECTC), Las Vegas, NV, USA, 31 May–3 June 2016; pp. 368–373. [Google Scholar]
- Fukuoka, T.; Karasawa, Y.; Akiyama, T.; Oka, R.; Ishida, S.; Shirasawa, T.; Sonehara, M.; Sato, T.; Miyaji, K. An 86% Efficiency, 20MHz, 3D-Integrated Buck Converter with Magnetic Core Inductor Embedded in Interposer Fabricated by Epoxy/Magnetic-Filler Composite Build-Up Sheet. In Proceedings of the 2019 IEEE Applied Power Electronics Conference and Exposition (APEC), Anaheim, CA, USA, 17–21 March 2019; pp. 1561–1566. [Google Scholar]
- Ain, Q.u.; Basim, M.; Shah, S.A.A.; Lee, K.Y. A Design of high-efficiency Constant On-Time Control DC-DC Buck Converter for Power Management integrated circuits. In Proceedings of the 2022 19th International SoC Design Conference (ISOCC), Gangneung-si, Republic of Korea, 19–22 October 2022; pp. 13–14. [Google Scholar]
- Li, P.; Bashirullah, R.; Hazucha, P.; Karnik, T. A Delay Locked Loop Synchronization Scheme for High Frequency Multiphase Hysteretic DC-DC Converters. In Proceedings of the 2007 IEEE Symposium on VLSI Circuits, Kyoto, Japan, 14–16 June 2007; pp. 26–27. [Google Scholar]
- Li, P.; Xue, L.; Hazucha, P.; Karnik, T.; Bashirullah, R. A Delay-Locked Loop Synchronization Scheme for High-Frequency Multiphase Hysteretic DC-DC Converters. IEEE J. Solid-State Circuits 2009, 44, 3131–3145. [Google Scholar] [CrossRef]
- Song, M.K.; Dehghanpour, M.F.; Sankman, J.; Ma, D. A VHF-level fully integrated multi-phase switching converter using bond-wire inductors, on-chip decoupling capacitors and DLL phase synchronization. In Proceedings of the 2014 IEEE Applied Power Electronics Conference and Exposition—APEC 2014, Fort Worth, TX, USA, 16–20 March 2014; pp. 1422–1425. [Google Scholar]
- Himmelstoss, F.A.; Votzi, H.L. Simple Chargers for a Small DC Micro-Grid for a Home Emergency Power System. Electricity 2023, 4, 216–234. [Google Scholar] [CrossRef]
- Sturcken, N.; Petracca, M.; Warren, S.; Mantovani, P.; Carloni, L.P.; Peterchev, A.V.; Shepard, K.L. A Switched-Inductor Integrated Voltage Regulator with Nonlinear Feedback and Network-on-Chip Load in 45 nm SOI. IEEE J. Solid-State Circuits 2012, 47, 1935–1945. [Google Scholar] [CrossRef]
- Lu, W.; Li, S.; Yang, Y.; Zhao, Z.; Iu, H.H.C. Constant-Frequency Capacitor Current Hysteresis Control of Buck Converter Using Reconstructed Ideal-Capacitor Voltage. IEEE Trans. Ind. Electron. 2019, 66, 7916–7926. [Google Scholar] [CrossRef]
- Lu, W.; Wu, X.; Zhao, M.; Chen, M. Self-adaptive window control technique for hysteretic buck converter with constant frequency. In Proceedings of the 2012 IEEE International Conference on Electron Devices and Solid State Circuit (EDSSC), Bangkok, Thailand, 3–5 December 2012; pp. 1–2. [Google Scholar]
- Kathiresan, A.C.; PandiaRajan, J.; Sivaprakash, A.; Sudhakar Babu, T.; Islam, M.R. An Adaptive Feed-Forward Phase Locked Loop for Grid Synchronization of Renewable Energy Systems under Wide Frequency Deviations. Sustainability 2020, 12, 7048. [Google Scholar] [CrossRef]
- Huerta, S.C.C.; Alou, P.; Oliver, J.Á.; Garcia, O.; Cobos, J.A.; Abou-Alfotouh, A.M. Nonlinear Control for DC–DC Converters Based on Hysteresis of the COUT Current with a Frequency Loop to Operate at Constant Frequency. IEEE Trans. Ind. Electron. 2011, 58, 1036–1043. [Google Scholar] [CrossRef]
- Zheng, Y.; Chen, H.; Leung, K.N. A Fast-Response Pseudo-PWM Buck Converter With PLL-Based Hysteresis Control. IEEE Trans. Very Large Scale Integr. (VLSI) Syst. 2012, 20, 1167–1174. [Google Scholar] [CrossRef]
- Chen, J.J.; Hwang, Y.S.; Ku, Y.; Li, Y.H.; Chen, J.A. A Current-Mode-Hysteretic Buck Converter with Constant-Frequency-Controlled and New Active-Current-Sensing Techniques. IEEE Trans. Power Electron. 2021, 36, 3126–3134. [Google Scholar] [CrossRef]
- Seo, J.I.; Lim, B.M.; Lee, S.G. A 96.5% Efficiency Current Mode Hysteretic Buck Converter With 1.2% Error Auto-Selectable Frequency Locking. IEEE Trans. Power Electron. 2018, 33, 7733–7743. [Google Scholar] [CrossRef]
- Yang, H.-H.; Wu, H.; Zhang, A.-A.; Cao, X.-G. A high efficiency buck converter based on PLL for frequency stabilization. Microelectron. J. 2023, 142, 105987. [Google Scholar] [CrossRef]
- Utz, S.; Pforr, J. Current-balancing controller requirements of automotive multi-phase converters with coupled inductors. In Proceedings of the 2012 IEEE Energy Conversion Congress and Exposition (ECCE), Raleigh, NC, USA, 15–20 September 2012; pp. 372–379. [Google Scholar]
- Tran, M.T.; Thekkan, S.; Polat, H.; Tran, D.-D.; El Baghdadi, M.; Hegazy, O. Inductive Wireless Power Transfer Systems for Low-Voltage and High-Current Electric Mobility Applications: Review and Design Example. Energies 2023, 16, 2953. [Google Scholar] [CrossRef]
- Bogdanovs, A.; Krievs, O.; Ribickis, L.; Pforr, J. Fuzzy Logic Current Balancing Controller Implementation in an Automotive Multi-Phase DC Converter with Coupled Inductors. In Proceedings of the 2020 IEEE 61th International Scientific Conference on Power and Electrical Engineering of Riga Technical University (RTUCON), Riga, Latvia, 5–7 November 2020; pp. 1–10. [Google Scholar]
- Dou, Y.; Ouyang, Z.; Andersen, M.A.E. Integrated Coupled Inductors with Functionality of Current Balancing Transformer for Two-Phase Synchronous DC–DC Converters. IEEE Trans. Power Electron. 2020, 35, 4472–4476. [Google Scholar] [CrossRef]
- Hu, K.Y.; Chen, Y.S.; Tsai, C.H. A Digital Multiphase Converter with Sensor-less Current and Thermal Balance Mechanism. In Proceedings of the 2018 IEEE Asian Solid-State Circuits Conference (A-SSCC), Tainan, Taiwan, 5–7 November 2018; pp. 175–178. [Google Scholar]
- Jahanbakhshi, M.H.; Etezadinejad, M. Modeling and Current Balancing of Interleaved Buck Converter Using Single Current Sensor. In Proceedings of the 2019 27th Iranian Conference on Electrical Engineering (ICEE), Yazd, Iran, 30 April–2 May 2019; pp. 662–667. [Google Scholar]
- Su, Y.P.; Chen, W.C.; Huang, Y.P.; Lee, Y.H.; Chen, K.H.; Luo, H.Y. Pseudo-Ramp Current Balance (PRCB) Technique With Offset Cancellation Control (OCC) in Dual-Phase DC-DC Buck Converter. IEEE Trans. Very Large Scale Integr. (VLSI) Syst. 2014, 22, 2192–2205. [Google Scholar] [CrossRef]
- Huang, W.; Qahouq, J.A.A. Input Voltage Ripple-Based Sensorless Current Sharing Autotuning Controller for Multiphase DC–DC Converters. IEEE Trans. Ind. Appl. 2016, 52, 4117–4125. [Google Scholar] [CrossRef]
- Roh, Y.S.; Moon, Y.J.; Park, J.; Jeong, M.G.; Yoo, C. A Multiphase Synchronous Buck Converter with a Fully Integrated Current Balancing Scheme. IEEE Trans. Power Electron. 2015, 30, 5159–5169. [Google Scholar] [CrossRef]





















| Publication | This Work | [15] | [16] | [22] | [26] |
|---|---|---|---|---|---|
| Technology | 180 nm BCD | 350 nm CMOS | 65 nm CMOS | 180 nm BCD | 130 nm BCD |
| Control Methods | Interleaved CFH | CFH | CFH | Current mode | Current mode |
| Balancing Method | Threshold Median Adjustment | × | × | Duty Cycle Adjustment | Single Threshold Adjustment |
| fsw × Phase | 10 MHz × 4 | 1 MHz | 1, 0.5, 0.25 MHz | 500 KHz × 4 | 2.25 MHz × 4 |
| Inductance (L) | 1 μH × 4 | 4.7 μH | 4.7 μH | × | 470 nH × 4 |
| Capacitance (C) | 100 nF × 5 | 10 μF | 10 μF | × | 88 μF |
| vin (V) | 3.3~5 | 3.3~3.6 | 2.7~3.3 | 12 | 2.8~5 |
| vout (V) | 1.6~2 | 0.9~2.5 | 1 | 1 | 0.68~1.92 |
| Load Range (W) | 0.4~3.2 | <1.5 | 0.02~0.15 | <12 | <7.68 |
| Peak Efficiency | 89.51% | 90% | 96.5% | × | 91.1% |
| Voltage Ripple (mV) | 0.2 | 59.289 | 32.5 | × | × |
| FOM | 3.6 | 0.0353 | 0.912 | × | × |
| Current Balancing Accuracy | <0.68% | × | × | 6.3% | <10.5% |
Disclaimer/Publisher’s Note: The statements, opinions and data contained in all publications are solely those of the individual author(s) and contributor(s) and not of MDPI and/or the editor(s). MDPI and/or the editor(s) disclaim responsibility for any injury to people or property resulting from any ideas, methods, instructions or products referred to in the content. |
© 2024 by the authors. Licensee MDPI, Basel, Switzerland. This article is an open access article distributed under the terms and conditions of the Creative Commons Attribution (CC BY) license (https://creativecommons.org/licenses/by/4.0/).
Share and Cite
Lu, L.; Li, Q.; Yang, Y.; Huang, Y.; Li, Z.; Zhang, D. Use of Threshold Median Adjustment to Achieve Accurate Current Balancing of Interleaved Buck Converter with Constant Frequency Hysteresis Control. Electronics 2024, 13, 3521. https://doi.org/10.3390/electronics13173521
Lu L, Li Q, Yang Y, Huang Y, Li Z, Zhang D. Use of Threshold Median Adjustment to Achieve Accurate Current Balancing of Interleaved Buck Converter with Constant Frequency Hysteresis Control. Electronics. 2024; 13(17):3521. https://doi.org/10.3390/electronics13173521
Chicago/Turabian StyleLu, Liangliang, Qidong Li, Yuxiang Yang, Yuchao Huang, Zeli Li, and Desheng Zhang. 2024. "Use of Threshold Median Adjustment to Achieve Accurate Current Balancing of Interleaved Buck Converter with Constant Frequency Hysteresis Control" Electronics 13, no. 17: 3521. https://doi.org/10.3390/electronics13173521
APA StyleLu, L., Li, Q., Yang, Y., Huang, Y., Li, Z., & Zhang, D. (2024). Use of Threshold Median Adjustment to Achieve Accurate Current Balancing of Interleaved Buck Converter with Constant Frequency Hysteresis Control. Electronics, 13(17), 3521. https://doi.org/10.3390/electronics13173521

