A Novel Electrolytic-Free Quasi-Z-Source Ćuk LED Driver for Automotive Application
Abstract
1. Introduction
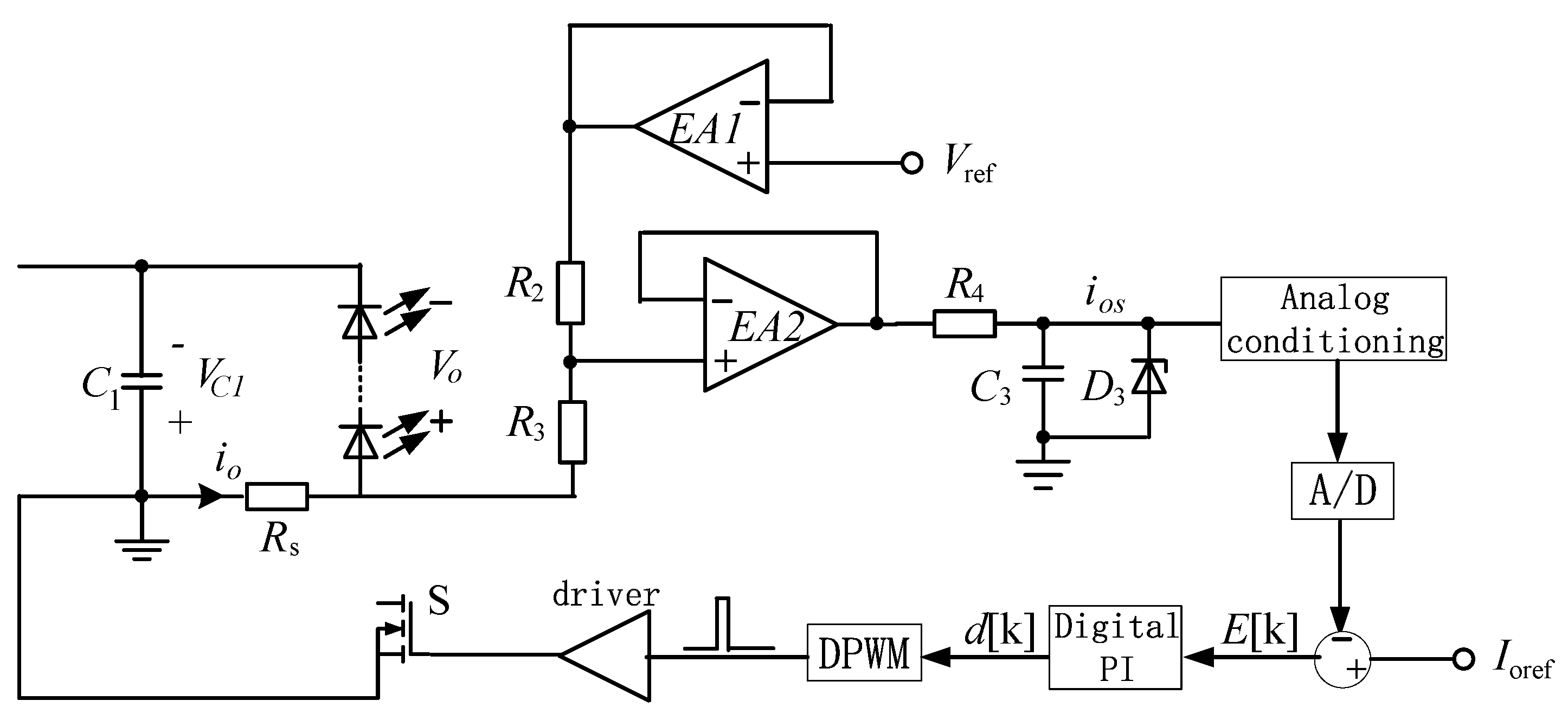
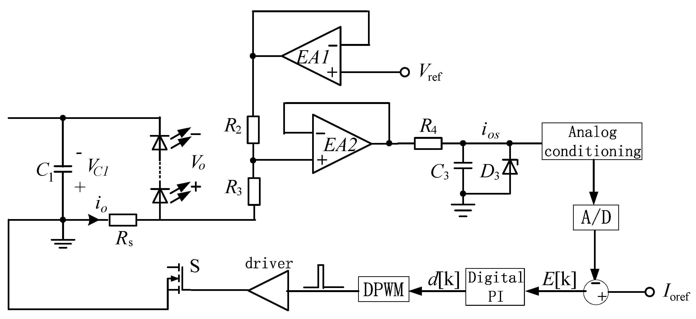
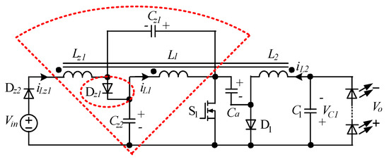
2. Circuit Configuration and Operating Principle
2.1. Circuit Configuration
2.2. General Analysis
3. Parameter Design and Control Strategy
3.1. Boundary Analysis
- d1 can be obtained from Equation (6), and the boundary current ILz1 can be inferred from Equation (13).
- From the balance of input and output power, we know that:
- 3.
- Then Io can be obtained.
- 4.
- A new Vo is calculated through Equation (14). The iteration stops when the error of Vo obtained by the two adjacent iterations is small enough, or we return to step 1.
3.2. Integrated Inductor Design
3.3. Circuit Control
4. Simulation and Experimental Verification
5. Conclusions
Author Contributions
Funding
Data Availability Statement
Conflicts of Interest
References
- Pollock, A.; Pollock, H.; Pollock, C. High efficiency LED power supply. IEEE Trans. Emerg. Sel. Top. Power Electron. 2015, 3, 617–623. [Google Scholar] [CrossRef]
- Gacio, D.; Cardesin, J.; Corominas, E.L.; Alonso, J.M.; Dalla-Costa, M.; Calleja, A.J. Comparison among power LEDs for automotive lighting application. In Proceedings of the IEEE Industry Applications Society Annual Meeting (IAS), Edmonton, AB, Canada, 5–9 October 2008. [Google Scholar]
- Qin, Y.; Li, S.; Hui, S.Y. Topology-transition control for wide-input-voltage-range efficiency improvement and fast current regulation in automotive LED application. IEEE Trans. Ind. Electron. 2017, 64, 5883–5893. [Google Scholar] [CrossRef]
- Mukherjee, S.; Yousefzadeh, V.; Sepahvand, A.; Doshi, M. A two-stage automotive LED driver with multiple outputs. IEEE Trans. Power Electron. 2021, 36, 14175–14186. [Google Scholar] [CrossRef]
- Veeramallu, S.; Narasimharaju, B.L.; Porpandiselvi, S. A non-isolated wide input series resonant converter for automotive LED lighting system. IEEE Trans. Power Electron. 2021, 36, 5686–5699. [Google Scholar] [CrossRef]
- Corradini, L.; Spiazzi, G. A high-frequency digitally controlled LED driver for automotive applications with fast dimming capabilities. IEEE Trans. Power Electron. 2014, 29, 6648–6659. [Google Scholar] [CrossRef]
- Sepahvand, A.; Kumar, A.; Doshi, M.; Yousefzadeh, V.; Patterson, J.; Afridi, K.K.; Maksimović, D. Automotive LED driver based on high frequency zero voltage switching integrated magnetic Ćuk converter. In Proceedings of the IEEE Energy Conversion Congress and Exposition (ECCE), Milwaukee, WI, USA, 18–22 September 2016. [Google Scholar]
- Sepahvand, A.; Kumar, A.; Doshi, M.; Yousefzadeh, V.; Patterson, J.; Afridi, K.K.; Maksimović, D. High-frequency ZVS Ćuk converter for automotive LED driver applications using planar integrated magnetic. In Proceedings of the Applied Power Electronics Conference and Exposition (APEC), Tampa, FL, USA, 26–30 March 2017. [Google Scholar]
- Wang, Y.; Gao, S.; Guan, Y.; Huang, J.; Xu, D.; Wang, W. A single-stage LED driver based on double LLC resonant tanks for automobile headlight with digital control. IEEE T. Transp. Electr. 2016, 2, 357–368. [Google Scholar] [CrossRef]
- Khatua, M.; Kumar, A.; Yousefzadeh, V.; Sepahvand, A.; Doshi, M.; Maksimović, D.; Afridi, K.K. High-performance megahertz-frequency resonant dc-dc converter for automotive LED driver applications. IEEE Trans. Power Electron. 2020, 35, 10396–10412. [Google Scholar] [CrossRef]
- Mukherjee, S.; Yousefzadeh, V.; Sepahvand, A.; Doshi, M.; Maksimović, D. High frequency wide range resonant converter operating as an automotive LED driver. IEEE Trans. Emerg. Sel. Topics Power Electron. 2021, 9, 5781–5794. [Google Scholar] [CrossRef]
- Yang, L.; Yu, W.; Zhang, J. Variable frequency constant current control method for switched-capacitor converter based automotive LED driver. IEEE Access 2019, 7, 42094–42106. [Google Scholar] [CrossRef]
- Molavi, N.; Farzanehfard, H. Load-independent hybrid resonant converter for automotive LED driver applications. IEEE Trans. Power Electron. 2022, 37, 8199–8206. [Google Scholar] [CrossRef]
- Salazar-Pérez, D.; Ponce-Silva, M.; Alonso, J.M.; Aquí-Tapia, J.A.; Cortés-García, C. A novel high-power-factor electrolytic-capacitor-less LED driver based on ripple port. IEEE Trans. Emerg. Sel. Topics Power Electron. 2021, 9, 6248–6258. [Google Scholar] [CrossRef]
- Brand, J.S.; Abdelmessih, G.Z.G.; Alonso, J.M.; Wang, Y.; Guan, Y.; Dalla Costa, M.A. Capacitance reduction in flicker-free integrated off-line LED drivers. IEEE Trans. Ind. Electron. 2021, 68, 11992–12001. [Google Scholar] [CrossRef]
- Li, H.; Li, S.; Xiao, W. Single-phase LED driver with reduced power processing and power decoupling. IEEE Trans. Power Electron. 2021, 36, 4540–4548. [Google Scholar] [CrossRef]
- Ye, C.; Das, P.; Sahoo, S.K. Inductive decoupling based multi-channel LED driver without electrolytic capacitors. IET Power Electron. 2019, 12, 2771–2779. [Google Scholar] [CrossRef]
- Ding, X.; Wang, F.; Zhou, M.; Cao, Y.; Wei, Z. Soft switching high voltage gain Quasi-Z-Source DC–DC converter with switched-capacitor technique. IEEE Trans. Ind. Electron. 2022, 69, 11231–11241. [Google Scholar] [CrossRef]
- Samadian, A.; Hosseini, S.H.; Sabahi, M. A new three-winding coupled inductor nonisolated Quasi-Z-Source high step-up DC–DC converter. IEEE Trans. Power Electron. 2021, 36, 11523–11531. [Google Scholar] [CrossRef]
- Hong, D.; Cha, H. LED current balancing scheme using current-fed Quasi-Z-Source converter. IEEE Trans. Power Electron. 2021, 36, 14187–14194. [Google Scholar] [CrossRef]
- Veerachary, M.; Kumar, P. Analysis and design of quasi-z-source equivalent dc–dc boost converters. IEEE T. Ind. Appl. 2020, 56, 6642–6656. [Google Scholar] [CrossRef]
- Luxeon LXK2 White LED Datasheet, DS51. 2006. Available online: http://www.lumileds.com (accessed on 11 May 2018).
- Kang, T.; Gandomkar, A.; Lee, J.; Suh, Y. Design of optimized coupling factor for minimum inductor current ripple in dc-dc converter using multiwinding coupled inductor. IEEE T. Ind. Appl. 2021, 57, 3978–3989. [Google Scholar] [CrossRef]
- Zaoskoufis, K.; Tatakis, E.C. A thorough analysis for the impact of the coupling coefficient on the behavior of the coupled inductor high step-up converters. IEEE Trans. Power Electron. 2020, 35, 8287–8302. [Google Scholar] [CrossRef]














| Parameter | Value | Parameter | Value |
|---|---|---|---|
| Input voltage Vin | 8 V–36 V | Capacitor Cz1, Cz2 | 10 μF |
| Number of LED in series | 2–12 | Capacitor Ca, C1 | 4.7 μF |
| Rated load current | 0.5 A | Switching frequency fs | 100 KHz |
| Self-inductance of L1, Lz1, L2 | 150 μH | N-MOSFET S1 | FQPF28N15/16.7 A, 150 V |
| D1, Dz1, Dz2 | SR5150/5 A, 150 V |
Disclaimer/Publisher’s Note: The statements, opinions and data contained in all publications are solely those of the individual author(s) and contributor(s) and not of MDPI and/or the editor(s). MDPI and/or the editor(s) disclaim responsibility for any injury to people or property resulting from any ideas, methods, instructions or products referred to in the content. |
© 2023 by the authors. Licensee MDPI, Basel, Switzerland. This article is an open access article distributed under the terms and conditions of the Creative Commons Attribution (CC BY) license (https://creativecommons.org/licenses/by/4.0/).
Share and Cite
Wang, L.; Hu, W. A Novel Electrolytic-Free Quasi-Z-Source Ćuk LED Driver for Automotive Application. Electronics 2023, 12, 997. https://doi.org/10.3390/electronics12040997
Wang L, Hu W. A Novel Electrolytic-Free Quasi-Z-Source Ćuk LED Driver for Automotive Application. Electronics. 2023; 12(4):997. https://doi.org/10.3390/electronics12040997
Chicago/Turabian StyleWang, Lei, and Wei Hu. 2023. "A Novel Electrolytic-Free Quasi-Z-Source Ćuk LED Driver for Automotive Application" Electronics 12, no. 4: 997. https://doi.org/10.3390/electronics12040997
APA StyleWang, L., & Hu, W. (2023). A Novel Electrolytic-Free Quasi-Z-Source Ćuk LED Driver for Automotive Application. Electronics, 12(4), 997. https://doi.org/10.3390/electronics12040997
