FPGA Implementation of Multilayer Perceptron for Real-Time Detection of Power Quality Disturbances for Electric Vehicle Charger
Abstract
1. Introduction
- High processing efficiency by using an FPGA,
- flexibility and customization,
- lower cost compared to task-specific GPUs,
- accurate diagnostics,
- high speed of training and processing,
- real-time monitoring, and
- regulatory compliance.
2. Literature Review
Analysis of Other Detection and Classification Methods
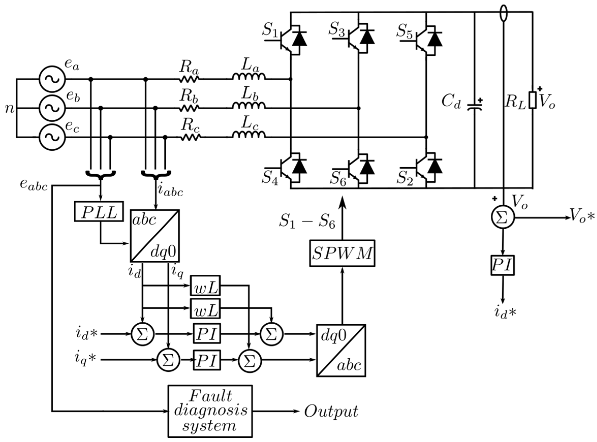
3. System Description and Modeling
4. Hardware Architecture
4.1. Normalization
4.2. Perceptron Model
4.3. MLP Model
5. PQDs Detection Method
5.1. Data Collection
5.2. MLP Topology Selection
5.3. Hardware Classification Accuracy
6. Experimental Result
7. Conclusions
Author Contributions
Funding
Institutional Review Board Statement
Informed Consent Statement
Data Availability Statement
Conflicts of Interest
References
- Kumar, K.; Roy, S.; Raiu, M. Analysis of the Impact of Electric Vehicle Charging Station on Power Quality Issues. In Proceedings of the International Conference on Electrical, Computer and Communication Engineering (ECCE), Cox’sBazar, Bangladesh, 7–9 February 2019. [Google Scholar]
- Muratori, M.; Alexander, M.; Arent, D.; Bazilian, M.; Cazzola, P.; Dede, M.; Farrel, J.; Gearhart, C.; Greene, D.; Jenn, A.; et al. The rise of electric vehicles—2020 status and future expectations. Prog. Energy 2021, 3, 022002. [Google Scholar] [CrossRef]
- Rodrigo, S.; Priyanka, V. Impact of High Penetration of EV Charging on Harmonics in Distribution Networks. In Proceedings of the Moratuwa Engineering Research Conference (MERCon), Moratuwa, Sri Lanka, 30 May–1 June 2018. [Google Scholar]
- Kumar, M.; Panda, K.; Naayagi, R.; Thakur, R.; Panda, G. Comprehensive Review of Electric Vehicle Technology and Its Impacts: Detailed Investigation of Charging Infrastructure, Power Management, and Control Techniques. Appl. Sci. 2023, 13, 8919. [Google Scholar] [CrossRef]
- Said, D. A Survey on Information Communication Technologies in Modern Demand-Side Management for Smart Grids: Challenges, Solutions, and Opportunities. IEEE Eng. Manag. Rev. 2023, 51, 76–107. [Google Scholar] [CrossRef]
- Bhattacharjee, T.; Rajeshwari, M.; Kumar, J. Electric Vehicle Charging and its Effects on the Power Distribution Network—A Review. J. CPRI 2024, 20, 89–98. [Google Scholar] [CrossRef]
- Srivastava, A.; Manas, M.; Dubey, R. Electric vehicle integration’s impacts on power quality in distribution network and associated mitigation measures: A review. J. Eng. Appl. Sci. 2023, 70, 32. [Google Scholar] [CrossRef]
- Arvind, R.; Pradeep, V.; Sureshkumar, A.; Mohit, B.; Vojtech, B.; Issam, D.; Rajkumar, S.; Fahd, N.; Kamal, M. Electric vehicle charging technologies, infrastructure expansion, grid integration strategies, and their role in promoting sustainable e-mobility. Alex. Eng. J. 2024, 105, 300–330. [Google Scholar]
- Jin, Y.; Wen, S.; Mohsen, K.; Reza, R. Electric vehicles destination charging: An overview of charging tariffs, business models and coordination strategies. Renew. Sustain. Energy Rev. 2023, 184, 113534. [Google Scholar]
- 1159-1995—IEEE Recommended Practice for Monitoring Electric Power Quality; IEEE: Piscataway, NJ, USA, 1995; pp. 1–80.
- ANSI C84.1-2011; American National Standard for Electric Power Systems and Equipment—Voltage Ratings (60 Hertz). ANSI: Washington, DC, USA, 2011.
- Parvez, I.; Aghili, M.; Sarwat, A.; Alam, F. Online power quality disturbance detection by support vector machine in smart meter. J. Mod. Power Syst. Clean Energy 2018, 7, 1328–1339. [Google Scholar] [CrossRef]
- Kaushik, R.; Mahela, O.; Bhatt, K.; Khan, B.; Padmanaban, S.; Blaabjerg, F. A Hybrid Algorithm for Recognition of Power Quality Disturbances. IEEE Access 2020, 8, 229184–229200. [Google Scholar] [CrossRef]
- Tiwari, V.; Umarikar, A.; Jain, T. Measurement of Instantaneous Power Quality Parameters Using UWPT and Hilbert Transform and Its FPGA Implementation. IEEE Trans. Instrum. Meas. 2021, 70, 9000213. [Google Scholar] [CrossRef]
- Rahul; Bharat, C. An Advanced Genetic Algorithm with Improved Support Vector Machine for Multi-Class Classification of Real Power Quality Events. Electr. Power Syst. Res. 2021, 191, 106879. [Google Scholar] [CrossRef]
- Patel, V. Classification of Power System Disturbances Using Support Vector Machine in FPGA. In Intelligent Computing Techniques for Smart Energy Systems; Lecture Notes in Electrical Engineering; Springer: Singapore, 2020; Volume 607. [Google Scholar]
- Topaloglu, I. Deep Learning Based a New Approach for Power Quality Disturbances Classification in Power Transmission System. J. Electr. Eng. Technol. 2023, 18, 77–88. [Google Scholar] [CrossRef]
- Sahani, M.; Dash, K. FPGA-Based Deep Convolutional Neural Network of Process Adaptive VMD Data with Online Sequential RVFLN for Power Quality Events Recognition. IEEE Trans. Power Electron. 2021, 36, 4006–4015. [Google Scholar] [CrossRef]
- Sahani, M.; Dash, K. FPGA-Based Online Power Quality Disturbances Monitoring Using Reduced-Sample HHT and Class-Specific Weighted RVFLN. IEEE Trans. Ind. Inform. 2019, 15, 4614–4623. [Google Scholar] [CrossRef]
- Martinez, G.; Daniel, M.; Zorita, A.; Velazquez, L.; Romero, R. FPGA-Based Smart Sensor for Detection and Classification of Power Quality Disturbances Using Higher Order Statistics. IEEE Access 2017, 5, 14259–14274. [Google Scholar] [CrossRef]
- Sekar, K.; Kumar, S.; Karthick, K. Power Quality Disturbance Detection using Machine Learning Algorithm. In Proceedings of the IEEE International Conference on Advances and Developments in Electrical and Electronics Engineering (ICADEE), Coimbatore, India, 10–11 December 2020; pp. 1–5. [Google Scholar]
- Rezaei, N.; Uddin, N. An Analytical Review on State-of-the-Art Microgrid Protective Relaying and Coordination Techniques. IEEE Trans. Ind. Appl. 2021, 57, 2258–2273. [Google Scholar] [CrossRef]
- Gaikwad, N.; Tiwari, V.; Keskar, A.; Shivaprakash, N. Efficient FPGA Implementation of Multilayer Perceptron for Real-Time Human Activity Classification. IEEE Access 2019, 7, 26696–26706. [Google Scholar] [CrossRef]
- Tilsan, A.; Chin, J. An end-user platform for FPGA-based design and rapid prototyping of feedforward artificial neural networks with on-chip backpropagation learning. IEEE Trans. Ind. Inform. 2016, 12, 1124–1133. [Google Scholar] [CrossRef]
- Habib, B.; Fateh, K.; Oussama, G. FPGA-Based Hardware in the Loop of Optimized Synergetic Controller for Active Power Filter. Int. Trans. Electr. Energy Syst. 2023, 2023, 5810353. [Google Scholar]
- Gaona, F.; Nava, N.; Tapia, H.; Gutiérrez, C.; Castillo, S. Online Multi-Layer Perceptron-Based Power Quality Monitoring for Electric Vehicles. In Proceedings of the IEEE 21st International Power Electronics and Motion Control Conference (PEMC), Pilsen, Czech Republic, 30 September–3 October 2024. [Google Scholar]











| Challenges | Description |
|---|---|
| Network overload | Electric vehicles require significant electricity, especially when using fast chargers. Suppose many vehicles are charged simultaneously in the same area or during a period of high demand. This can lead to excessive load on the local power grid, causing overloads and possible brownouts [4]. |
| Recharging infrastructure capacity | The charging infrastructure still needs to be fully developed in many areas, which can cause bottlenecks and congestion at charging stations, especially in densely populated urban regions [4]. |
| Demand management challenges | Smart grids are necessary to manage electric vehicle charging efficiently. Without proper integration, the grid will not be able to manage demand efficiently, which could result in problems such as peak demand [5]. |
| Impact on power quality | Electric vehicle chargers can generate harmonic distortion in the electrical network, especially if they are of low quality [6]. |
| Phase unbalance | Suppose several electric vehicles are charged on a single-phase network without proper load distribution. In that case, an imbalance in the network phases may occur, which could affect the stability of the electrical network and cause damage to equipment [7]. |
| Use of renewable energies and energy storage | Many electric vehicle charging systems are not yet fully integrated with renewable energy sources (such as solar or wind), which means that, at times of high charging demand, the load may increase on conventional power plants and not on cleaner sources [8]. |
| Electricity costs and rates | In some places, electricity prices for charging electric vehicles can be high, especially during peak demand. Dynamic or innovative charging tariffs, where the tariff varies according to electricity demand and supply, can help mitigate this problem, but their implementation must still be universal [9]. |
| Categories | Typical Duration | Typical Magnitude | |
|---|---|---|---|
| Instantaneous | Sag Swell | 0.5–30 cycles 0.5–30 cycles | 0.1–0.9 pu 1.1–1.8 pu |
| Momentary | Interruption Sag Swell | 0.5–30 cycles 0.5–30 cycles 0.5–30 cycles | <0.1 pu 0.1–0.9 pu 1.1–1.8 pu |
| Temporary | Interruption Sag Swell | 3 s–1 min 3 s–1 min 3 s–1 min | <0.1 pu 0.1–0.9 pu 1.1–1.8 pu |
| Reference | Algorithm | System | Implementation Method | Number of Fault | Platform | Accuracy | Standardized |
|---|---|---|---|---|---|---|---|
| [13] | Hilbert and Stockwell transform | Single-phase | Software | 17 | MATLAB | 99.625% | Yes |
| [14] | Undecimated wavelet and Hilbert transform | Single-phase | Hardware | 8 | Co- simulation | 98% | No |
| [15] | Genetic Algorithm | Single-phase | Hardware | 8 | XILINX VIRTEX-5 FPGA | 99.45% | No |
| [16] | SVM | Single-phase | Hardware | 4 | Co- simulation | 92% | No |
| [17] | Convolutional Neural Networks (CNN) | Single-phase | Hardware | 9 | Nvidia Tesla K80 CUDA Graphic Cards (GPU) | 99.92% | No |
| [18] | Deep convolutional neural network (DCNN) | Single-phase | Hardware | 18 | XILINX VIRTEX-5 FPGA | 99.21% | No |
| [19] | Reduced- sample Empirical Mode De- Composition (RSEMD) | Single-phase | Hardware | 16 | XILINX VIRTEX-5 FPGA | 99.29% | No |
| [20] | Artificial neural network | Single-phase | Hardware | 12 | FPGA Altera DE2-115 | 97.90% | No |
| [21] | Decision tree | Single-phase | Software | 10 | MATLAB | 99.95% | No |
| [22] | Conventional method | Single-phase | Hardware | 8 | SEL | 90% | Yes |
| x | F(x) |
| Nature of Fault | Fault Classification |
|---|---|
| Normal Operation | 0 |
| Interruption | 1 |
| Interruption | 2 |
| Interruption | 3 |
| Input Sag | 4 |
| Input Swell | 5 |
| Asymmetrical | 6 |
| Asymmetrical | 7 |
| Asymmetrical | 8 |
| Total Interruption | 9 |
| Duration | Amplitude Limits |
|---|---|
| 8–50 ms | −30%, +20% |
| 50–550 ms | −15%, +20% |
| Longer than 5 s | Residential +/−5% Industrial +/−10% |
Disclaimer/Publisher’s Note: The statements, opinions and data contained in all publications are solely those of the individual author(s) and contributor(s) and not of MDPI and/or the editor(s). MDPI and/or the editor(s) disclaim responsibility for any injury to people or property resulting from any ideas, methods, instructions or products referred to in the content. |
© 2025 by the authors. Licensee MDPI, Basel, Switzerland. This article is an open access article distributed under the terms and conditions of the Creative Commons Attribution (CC BY) license (https://creativecommons.org/licenses/by/4.0/).
Share and Cite
Gaona-Cárdenas, L.-F.; Vazquez, N.; Estrada, L.; Zamiri, E.; de Castro, A.; Pinto, S. FPGA Implementation of Multilayer Perceptron for Real-Time Detection of Power Quality Disturbances for Electric Vehicle Charger. Information 2025, 16, 180. https://doi.org/10.3390/info16030180
Gaona-Cárdenas L-F, Vazquez N, Estrada L, Zamiri E, de Castro A, Pinto S. FPGA Implementation of Multilayer Perceptron for Real-Time Detection of Power Quality Disturbances for Electric Vehicle Charger. Information. 2025; 16(3):180. https://doi.org/10.3390/info16030180
Chicago/Turabian StyleGaona-Cárdenas, Luis-Fernando, Nimrod Vazquez, Leonel Estrada, Elyas Zamiri, Angel de Castro, and Sergio Pinto. 2025. "FPGA Implementation of Multilayer Perceptron for Real-Time Detection of Power Quality Disturbances for Electric Vehicle Charger" Information 16, no. 3: 180. https://doi.org/10.3390/info16030180
APA StyleGaona-Cárdenas, L.-F., Vazquez, N., Estrada, L., Zamiri, E., de Castro, A., & Pinto, S. (2025). FPGA Implementation of Multilayer Perceptron for Real-Time Detection of Power Quality Disturbances for Electric Vehicle Charger. Information, 16(3), 180. https://doi.org/10.3390/info16030180

