Next Article in Journal
Steering and Rising Testing of an Innovative Tourist Submarine
Next Article in Special Issue
Effect of Sampling Rate in Sea Trial Tests on the Estimation of Hydrodynamic Parameters for a Nonlinear Ship Manoeuvring Model
Previous Article in Journal
Development of Representative Sailing Mode Construction Methodology Using Markov Chain
Previous Article in Special Issue
A Rigid-Flexible Coupling Dynamic Model for Robotic Manta with Flexible Pectoral Fins
 
 
Font Type:
Arial Georgia Verdana
Font Size:
Aa Aa Aa
Line Spacing:
Column Width:
Background:
Article

Model Predictive Control of Counter-Rotating Motors for Underwater Vehicles Considering Unbalanced Load Variation

1
College of Marine Electrical Engineering, Dalian Maritime University, Dalian 116026, China
2
Department of Intelligent Mechatronics Engineering, Sejong University, Seoul 05006, Republic of Korea
*
Authors to whom correspondence should be addressed.
J. Mar. Sci. Eng. 2024, 12(2), 330; https://doi.org/10.3390/jmse12020330
Submission received: 15 January 2024 / Revised: 8 February 2024 / Accepted: 13 February 2024 / Published: 15 February 2024
(This article belongs to the Special Issue Advances in Marine Vehicles, Automation and Robotics—2nd Edition)

Abstract

The propulsion system for underwater vehicles, driven by a counter-rotating permanent magnet synchronous motor (CRPMSM), can enhance the operational stability and efficiency of the vehicle. Due to the influence of complex underwater flows, the load imbalance of CRPMSM’s dual counter-rotating rotors may lead to severe issues of dual-rotor desynchronization rotation. Combining traditional vector control (VC) with master-slave control strategies can address the desynchronization problem when CRPMSM’s load changes. However, it results in significant speed fluctuations and a long transition time during the transition from load disturbance to synchronous rotation. This paper introduces a model predictive control (MPC) strategy to effectively resolve this issue. The incremental MPC model is established based on the mathematical model of CRPMSM in the dq coordinate system. The predictive control system forecasts the d- and q-axis components of stator currents for the next four control cycles. It selects the optimal control increments to minimize the cost function based on current predictions and different inverter voltage states. The obtained optimal d- and q-axis components of stator voltage are used to control CRPMSM under unbalanced load disturbances. Simulation results demonstrate that, compared to the VC strategy, CRPMSM utilizing the MPC strategy exhibits better dynamic performance with faster speed response and reduced torque fluctuations during load and speed variations.

1. Introduction

Ocean exploitation has become a strategic target for nations due to its abundant mineral resources, biological resources, and energy resources. Advanced marine equipment plays a crucial role in the exploration and utilization of these resources. Underwater vehicles are particularly essential in deep-sea resource surveying and development. The streamlined structures of underwater vehicles generate significant unidirectional rolling moments, causing yawing during high-speed navigation. Using a single-propeller propulsion system exacerbates this yawing, potentially leading to capsizing [1,2]. Employing a counter-rotating propeller propulsion system composed of two coaxial counter-rotating propellers generates opposite and canceling rotational torques, ensuring the stability of the vehicle. Furthermore, the energy generated by the front propeller’s wake can be recovered and utilized by the rear propeller, improving the efficiency of the propulsion system [3].
A counter-rotating permanent magnet synchronous motor (CRPMSM) can be regarded as two PMSMs connected in series, offering advantages such as high power density and efficiency, making it particularly suitable for driving the counter-rotating propellers. However, the control strategy for CRPMSM with dual rotors is complex. CRPMSM is susceptible to underwater flow disturbances, and the load torques of the two rotors may become imbalanced, resulting in issues like motor desynchronization and vehicle power loss. Therefore, the investigation of control strategies for CRPMSM under unbalanced load conditions is of significant practical importance.
The control strategy for CRPMSM is similar to that of controlling multiple motors using a single inverter [4,5,6,7,8,9]. Both traditional vector control (VC) and direct torque control strategies involve closed-loop control of one rotor while the other rotor follows freely, which can lead to desynchronization when the load of the two rotors becomes imbalanced. Based on traditional VC, Cheng et al. proposed a closed-loop control strategy for dual rotors that can achieve synchronous rotation [10]. However, it faces the problem of significant speed fluctuations during the transition from load disturbance to equilibrium. Rao et al. introduced torque-sharing control for dual rotors, allowing them to operate synchronously under minor unbalanced loads [11]. Nevertheless, the operation of the motor under severe, unbalanced load conditions is not investigated. Zhong et al. presented a dynamic master-slave control strategy based on traditional VC, enabling CRPMSM to synchronize under unbalanced loads [12]. However, it still exhibited significant speed fluctuations during speed adjustment.
Traditional control strategies cannot guarantee the dynamic performance of the CRPMSM. Researchers have proposed non-linear control methods such as sliding mode control [13,14], robust control [15,16], and intelligent control [17,18] to improve the control performance of CRPMSM. Luo et al. introduced an improved VC strategy with load torque compensation to address the issue of significant speed fluctuations during CRPMSM speed adjustment [19]. Luo et al. employed fuzzy torque control based on the torque-angle phase difference of CRPMSM to improve speed and torque stability when the load is unbalanced [20]. The study of speed control for PMSM under sudden disturbance loads provides theoretical references for CRPMSM control under unbalanced load conditions [21]. Zhang et al. proposed disturbance observers and composite terminal sliding mode control into PMSM speed control systems, reducing motor speed variations during sudden disturbance loads [22].
By adopting the dynamic master-slave control strategy, CRPMSM can achieve synchronous rotation of the two rotors under unbalanced loads, but it still exhibits significant speed fluctuations during speed regulation. To address this issue, this paper proposes a model predictive control (MPC) strategy based on dynamic master-slave control to reduce speed fluctuations in CRPMSM under unbalanced loads. Firstly, the mathematical model of CRPMSM is deduced from the dq coordinate system. Secondly, the dynamic master-slave control strategy is employed to orient the rotor flux according to the quantitative relationship between the load torque of dual rotors. Then, through model prediction, feedback correction, and rolling optimization of the model, combined with dynamic master-slave control, the paper achieves speed control of CRPMSM under unbalanced loads. Finally, simulation models of CRPMSM with MPC and VC are established, respectively, to simulate the speed, torque, and phase current of CRPMSM under various operating conditions. Compared to traditional VC, the proposed method allows the two rotors to synchronize their speed in a shorter time under load imbalance, resulting in smaller speed and torque fluctuations for CRPMSM.

2. Mathematical Model of CRPMSM

The CRPMSM under study is an axial magnetic flux structure composed of two rotors positioned on either side and a stator in the middle, as illustrated in Figure 1. The stator core has an equal number of stator slots on both sides. By cross winding B-phase coil and C-phase coil at both sides of stator slots, two sets of three-phase stator windings with ABC-phase sequence at one side of the stator and ACB-phase sequence at another side are obtained, respectively. Both rotors have a surface-mounted permanent magnet structure with the same number of rotor pole pairs. When three-phase balanced AC currents are applied to the stator winding, two rotating magnetic fields with opposite directions and equal speeds are generated. The interaction between the armature magnetic field and the adjacent PM magnetic field produces electromagnetic torques in opposite directions, thereby driving the two rotors to counter-rotate.
CRPMSM can be regarded as two PMSMs with identical parameters connected in series, and the mathematical model can be derived from the mathematical model of PMSM. Assuming that only one rotor of CRPMSM is rotating and considering the coupling relationship between this rotor and the stator, the mathematical model of CRPMSM can be expressed using the mathematical model of PMSM. Rotor 1 and Rotor 2 represent the two rotors of CRPMSM, and separate mathematical models for CRPMSM in the dq coordinate system are established when considering the rotation of a single rotor.
The following assumptions are made in the establishment of the CRPMSM mathematical model: (1) The saturation effect of both stator and rotor cores is ignored. (2) The influence of temperature rise on stator resistance is neglected. (3) The magnetic fields generated by the permanent magnet and armature winding in the air-gap are sinusoidal. (4) The no-load back EMF induced by the armature winding is considered sinusoidal.
The stator voltage equations can be expressed as
u d 1 = R s i d 1 + L d 1 d i d 1 d t ω 1 L q 1 i q 1
u q 1 = R s i q 1 + L q 1 d i q 1 d t + ω 1 L d 1 i d 1 + ω 1 ψ f 1
u d 2 = R s i d 2 + L d 2 d i d 2 d t ω 2 L q 2 i q 2
u q 2 = R s i q 2 + L q 2 d i q 2 d t + ω 2 L d 2 i d 2 + ω 2 ψ f 2
where ud1, uq1, id1, and iq1 are the components of stator voltage and current on the d- and q-axes of Rotor 1; ud2, uq2, id2, and iq2 are the components of stator voltage and current on the d- and q-axes of Rotor 2; Ψf1 and Ψf2 are the magnetic flux linkages of Rotor 1 and Rotor 2, and due to the symmetry of CRPMSM’s two rotors, Ψf1 = Ψf2 = Ψf; ω1 and ω2 are the electrical angular velocities of Rotor 1 and Rotor 2; and Lq1, Ld1, Lq2, and Ld2 are the d- and q-axis inductances on the rotor 1 and rotor 2 sides, with Ld1 = Ld2 and Lq1 = Lq2.
The electromagnetic torque of the rotor can be expressed as
T e 1 = 3 2 p ψ f 1 i q 1
T e 2 = 3 2 p ψ f 2 i q 2
where Te1, Te2 are the electromagnetic torques of Rotor 1 and Rotor 2; p is the number of pole pairs.
The motion equation of two rotors can be expressed as
J 1 d ω 1 d t = T e 1 T L 1
ω 1 = d θ 1 d t
J 2 d ω 2 d t = T e 2 T L 2
ω 2 = d θ 2 d t
where TL1, TL2 are load torques of Rotor 1 and Rotor 2; θ1, θ2 are position angles of Rotor 1 and Rotor 2; J1, J2 are moments of inertia of Rotor 1 and Rotor 2.
Furthermore, CRPMSM can be considered a series connection of two PMSMs with identical parameters, and the current relationship between the two motors is expressed as
i d 1 = i d 2 = i d
i q 1 = i q 2 = i q
The voltage relationship between the two motors is expressed as
u d = u d 1 + u d 2
u q = u q 1 + u q 2
Therefore, the mathematical model of CRPMSM with the consideration of dual rotor rotation can be obtained. The stator voltage equations can be written as
u d = 2 R s i d + 2 L d d i d d t L q i q ( ω 1 + ω 2 )
u q = 2 R s i q + 2 L q d i q d t + L d i d ( ω 1 + ω 2 ) + ψ f ( ω 1 + ω 2 )
The electromagnetic torque can be written as
T e 1 = T e 2 = 3 2 p ψ f i q

3. Master-Slave Control Strategy for CRPMSM

In an ideal scenario, the electromagnetic torque of both rotors of CRPMSM is equal to the load torque. In this situation, when controlling CRPMSM using a single inverter with the id = 0 control method, the d-axis of the rotating coordinate system should be aligned with the direction of the rotor magnetic flux. Orienting the d-axis to either Ψf1 or Ψf2 and only one rotor needs to be closed-loop controlled to achieve dual rotor synchronous rotation. Under these conditions, based on the motion equations of CRPMSM, it can be concluded that ω1 = ω2 = ω, and θ1 = θ2 = θ. Figure 2 illustrates the phasor diagram of CRPMSM when the load torques of both rotors are balanced. The magnetic fluxes Ψf1 and Ψf2 of both rotors align with the d-axis direction, and the torque angles of both rotors satisfy δ1 = δ2 = 90°.
However, in practical situations, uncontrollable disturbances like ocean waves and vortexing can lead to unequal load torques on both rotors, resulting in ω1ω2 and θ1θ2. If the load torque TL1 on Rotor 1 is greater than TL2 on Rotor 2, then the position angle θ1 of Rotor 1 is less than the position angle θ2 of Rotor 2. Conversely, if TL1 < TL2, then θ1 > θ2. In such cases, if the d-axis is continuously oriented to either Ψf1 or Ψf2 during the control process, it may lead to a desynchronization problem between the two rotors. Taking the orientation to the direction of Ψf1 as an example, the stability of CRPMSM will be discussed under two scenarios in cases of load imbalance: TL1 > TL2 and TL1 < TL2.
(1)
The case of TL1 > TL2
In this case, the phasor diagram of both rotors of CRPMSM is shown in Figure 3, where Ψf2 leads Ψf1, and the torque angle δ2 of the motor is between 0° and 90°. According to Equation (17), the electromagnetic torque of both rotors can be expressed as follows:
T e 1 = 3 2 p ψ f i q
T e 2 = 3 2 p ψ f i q s i n δ 2
Since the d-axis of the rotating dq coordinate is oriented to Ψf1, Rotor 1 is under closed-loop control, and the armature current of Rotor 2 is forced to be the same as that of Rotor 1. When Rotor 1 stably rotates, Te1 = TL1. According to the motion equation of Rotor 2, the position angle θ2 of Rotor 2 increases as the load torque on Rotor 2 decreases, leading to a decrease in the torque angle δ2. The electromagnetic torque Te2 of Rotor 2 decreases as δ2 decreases, and at this point, Te2 < Te1 and Te1 = TL1. Finally, as δ2 decreases further, Te2 gradually decreases until it reaches equilibrium with TL2 again, achieving synchronous rotation of both rotors of the CRPMSM when the load is unbalanced.
(2)
The case of TL1 < TL2
In this case, Ψf2 lags behind Ψf1, and the torque angle δ2 of Rotor 2 is greater than 90°, as the phasor diagram of both rotors of CRPMSM is shown in Figure 4. The electromagnetic torque equations for both rotors can still be expressed as Equations (18) and (19). When Rotor 1 stably rotates, it satisfies that Te1 = TL1. According to the motion equation of Rotor 2, as the load torque on Rotor 2 increases, the position angle θ2 of Rotor 2 and the torque angle δ2 both increase, causing a decrease in the electromagnetic torque Te2. At this point, Te2 < TL2, and Te2 cannot reach equilibrium with TL2, making it impossible for both rotors of CRPMSM to synchronize when the load is unbalanced.
It can be found that if a certain rotor flux is always selected as the d-axis orientation for both rotors during the CRPMSM control process, the problem of dual rotors out of step may occur when the load is unbalanced. To address this issue, when TL1 < TL2, it is advisable to orient the d-axis to Ψf2 instead of Ψf1, as shown in Figure 5. In this case, δ2 equals 90°, and δ1 is less than 90°. The torque equations for two rotors can be expressed as follows:
T e 1 = 3 2 p ψ f i q sin δ 1
T e 2 = 3 2 p ψ f i q
When Rotor 2 stably rotates, it satisfies that Te2 = TL2. Based on the motion equation and electromagnetic torque equation of Rotor 1, the position angle θ1 of Rotor 1 increases as TL1 decreases, and the torque angle δ1 decreases. Electromagnetic torque Te1 also decreases until it reaches equilibrium with TL1 again, allowing CRPMSM to achieve synchronous rotation of both rotors when the load is unbalanced.
Therefore, during the control process of CRPMSM, the rotor flux should be dynamically oriented according to the magnitudes of the load torques of both rotors. Specifically, the d-axis in vector control is dynamically aligned to the rotor flux with the larger load torque, which is regarded as the master rotor, while another one is regarded as the slave rotor. The rotor with the larger load torque will have a smaller rotor position angle. Therefore, the load variations of both rotors can be monitored in real-time by resolvers to determine the master rotor and the slave rotor, thereby achieving coordination control of CRPMSM.

4. Model Predictive Control for CRPMSM

MPC utilizes the current state information of the system as the state variables of the predictive model and the seven inverter switching vectors as the control input variables of the predictive model. The outputs are calculated using the predictive model, while the predictive model is corrected based on the difference between the system output values and the predicted values. Therefore, the predictive results are used to select the optimal voltage vector that best approximates the actual output compared to the predicted output. The model predictive control strategy for CRPMSM is elaborated on in the following section.

4.1. Model Predictive Control Strategy for CRPMSM

The dq-axis currents are used as the state variables for the CRPMSM predictive control system. According to the mathematical model of CRPMSM, it can be derived as
{ d i d d t = ( ω 1 L q 1 + ω 2 L q 2 ) L d 1 + L d 2 i q 2 R s L d 1 + L d 2 i d + 1 L d 1 + L d 2 u d d i q d t = ( ω 1 L d 1 + ω 2 L d 2 ) L q 1 + L q 2 i d 2 R s L q 1 + L q 2 i q + 1 L q 1 + L q 2 u q ω 1 ψ f 1 + ω 2 ψ f 2 L q 1 + L q 2
The output equation of the system is as follows:
y = ( y d y q ) = ( 1 0 0 1 ) ( i d i q )
where yd, yq are the output variables on the d- and q-axis.
The MPC system is an optimization system that calculates in a sequential manner within control cycles, and operates as a discrete-time system. Therefore, a first-order Euler discretization is applied to Equation (22) and can be obtained as
[ i d ( k + 1 ) i q ( k + 1 ) ] = A [ i d ( k ) i q ( k ) ] + B [ u d ( k ) u q ( k ) ] [ 0 ω 1 ( k ) ψ f 1 + ω 2 ( k ) ψ f 2 L q 1 + L q 2 ] T
where
A = [ 1 T 2 R s L d 1 + L d 2 T ω 1 ( k ) L q 1 + ω 2 ( k ) L q 2 L d 1 + L d 2 T ω 1 ( k ) L d 1 + ω 2 ( k ) L d 2 L q 1 + L q 2 1 T 2 R s L q 1 + L q 2 ] ,   B = [ T L d 1 + L d 2 0 0 T L q 1 + L q 2 ] ,
T is the control cycle, and id(k + 1) and iq(k + 1) represent the predicted values of the d-axis and q-axis components of stator currents at time k + 1.
The discrete output equation of the system is as follows:
y ( k ) = [ y d ( k ) y q ( k ) ] = [ 1 0 0 1 ] [ i d ( k ) i q ( k ) ]
where yd(k) and yq(k) are the d-axis and q-axis output values of the system at time k, respectively.
Due to the significantly smaller electrical time constant compared to the mechanical time constant of the CRPMSM control system, it can be assumed that CRPMSM speed remains constant over multiple control cycles (i.e., ω1(k) = ω1(k + 1) and ω2(k) = ω2(k + 1)). Using Equations (24) and (25), the CRPMSM incremental predictive model can be represented as shown in Equations (26) and (27).
[ Δ i d ( k + 1 ) Δ i q ( k + 1 ) ] = A [ Δ i d ( k ) Δ i q ( k ) ] + B [ Δ u d ( k ) Δ u q ( k ) ]
[ y d ( k ) y q ( k ) ] = [ 1 0 0 1 ] [ Δ i d ( k ) Δ i q ( k ) ] + [ y d ( k 1 ) y q ( k 1 ) ]
where
{ Δ i d ( k ) = i d ( k ) i d ( k 1 ) Δ i q ( k ) = i q ( k ) i q ( k 1 ) ,   { Δ u d ( k ) = u d ( k ) u d ( k 1 ) Δ u q ( k ) = u q ( k ) u q ( k 1 )
Considering the computational load and response time of the CRPMSM control system, it is essential to determine the applicable sampling period while meeting control requirements. Therefore, selecting the appropriate prediction horizon p and control horizon m is crucial. The control process of CRPMSM involves four stages: the inverter generates voltage vectors, the voltage vectors are applied to the control system to obtain control variables, the control variables along with the currents are inputted into the prediction model to produce predicted currents, and the predicted currents are applied to CRPMSM to follow the set speed. The optimal voltage vector obtained in the k-th control cycle acts on the system, and the speed information of the CRPMSM corresponding to this voltage vector can only be obtained in the k + 4th control cycle. Therefore, the minimum prediction horizon in this study is set to 4, with a prediction horizon p and a control horizon m both equal to 4 for the controller.
Based on Equations (26) and (27), the predicted outputs for the next four control cycles can be calculated as follows:
[ y ( k + 1 | k ) y ( k + 2 | k ) y ( k + 3 | k ) y ( k + 4 | k ) ] = M y ( k ) + S I [ Δ i d ( k ) Δ i q ( k ) ] + S u [ Δ u ( k ) Δ u ( k + 1 ) Δ u ( k + 2 ) Δ u ( k + 3 ) ]
where
S I = [ CA i=1 2 C A i i=1 3 C A i i=1 4 C A i ] ,   S u = [ C B u 0 0 0 i=1 2 C A i1 B u C B u 0 0 i=1 2 C A i1 B u i=1 2 C A i1 B u C B u 0 i=1 2 C A i1 B u i=1 2 C A i1 B u i=1 2 C A i 1 B u C B u ] ,   M=[ M 2×2 M 2×2 M 2×2 M 2×2 ] ,
k + i|k represents the prediction from time k to k + i, with i taking values 1, 2, 3, and 4; and M is the ratio of the output values at time k to time k−1.
The cost function constructed in this study is expressed as Equation (29). The first term of the cost function aims to stabilize the stator currents to their expected values, while the second term limits control increments to prevent excessive voltage fluctuations.
J = i = 1 p j = 1 n y { Γ y j , i [ y j ( k + i | k ) r j ( k + i ) ] } 2 + i = 1 m j = 1 n u { Γ u j , i Δ u j ( k + i 1 ) } 2
where ny and nu denote the maximum prediction lengths for model predictive output and control input, respectively; rj(k + i) represents the expected output value of the dq-axis current; ∆uj(k + i−1) represents the control increment at time k + i−1; and Γyj,i and Γuj,i are the weighted coefficients for the j-th prediction control output error and the j-th component of the control increment, respectively.
According to Equation (30), the optimal solutions ∆ud*(k) and ∆uq*(k) to minimize the cost function can be obtained. By initializing the state and control variables to 0 and iteratively calculating ud(k) and uq(k) as in Equation (31), they are applied to CRPMSM control.
J Δ u ( k ) = 0
{ u d ( k ) = Δ u d ( k ) + u d ( k 1 ) u q ( k ) = Δ u q ( k ) + u q ( k 1 )

4.2. Implementation of MPC for CRPMSM

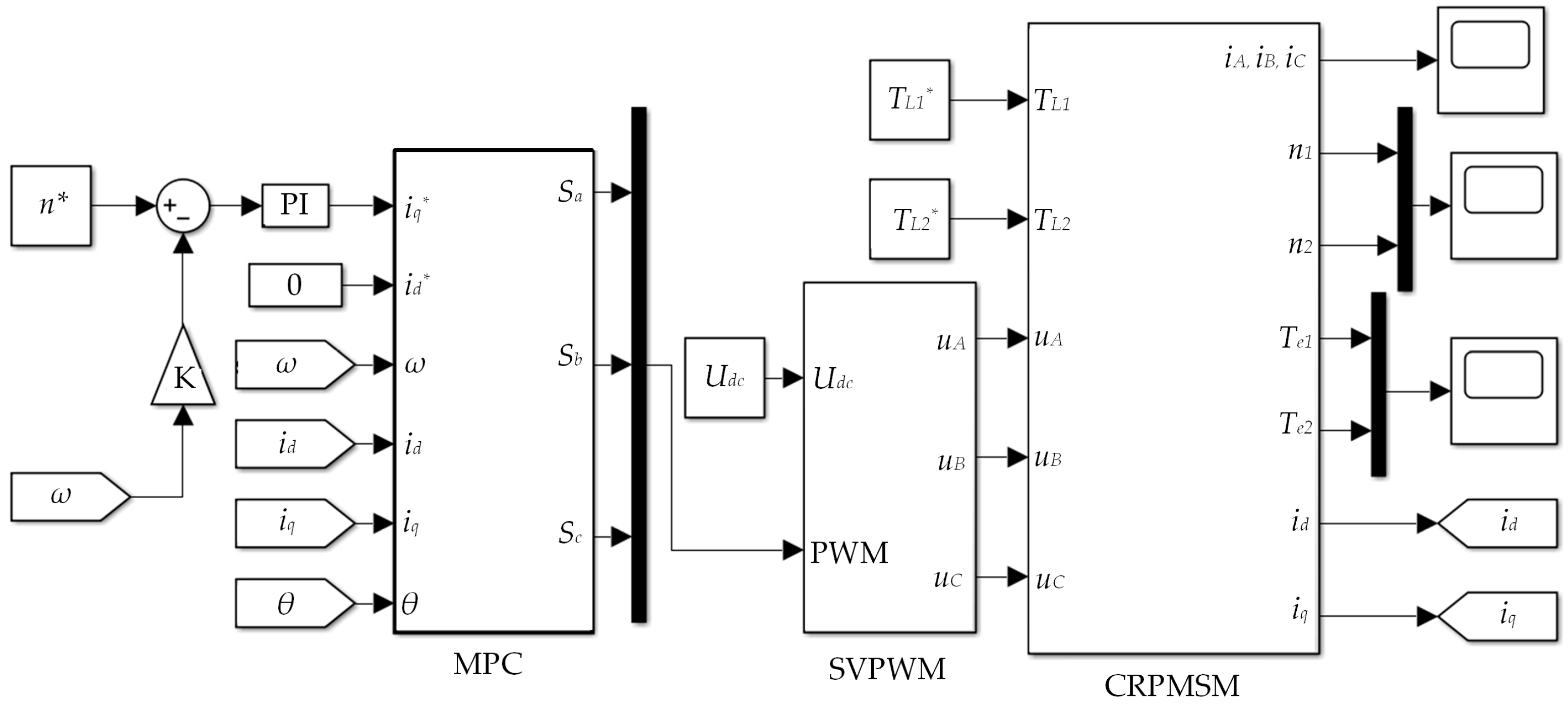
The flowchart of the MPC strategy for CRPMSM is depicted in Figure 6. The established block diagram of the MPC system for CRPMSM is illustrated in Figure 7. The control system employs the id = 0 control method and retains the speed proportional-integral (PI) controller. The predictive model and cost function constitute the model prediction controller, which replaces the traditional PI current loop in the VC strategy. The variables with asterisk represent reference values.
The position angles of two rotors θ1 and θ2 are measured and then used to determine the master rotor to orient the rotor flux linkage, according to the master-slave control strategy in Section 3. Stator currents and voltages in the ABC coordinate system are measured with sensors and transformed into id, iq, ud and uq in the d, q-axis coordinates. The predicted id and iq for the next control cycles can be obtained by the established predict model, as expressed in Equation (24). Current increments of id and iq are substituted into Equation (29) to evaluate the cost functions of seven different voltage vectors. The voltage vectors that minimize the cost function are selected. Finally, the inverter switching sequence associated with the optimal voltage vector is used to generate the required stator three-phase voltage and is applied to realize the control of CRPMSM.

5. Simulation Models for CRPMSM Control System

5.1. Simulation Model of CRPMSM

The simulation model for CRPMSM is illustrated in Figure 8. Input terminals 1 and 2 represent the load torques for rotor 1 and rotor 2 of CRPMSM. Input terminals 3, 4, and 5 correspond to the stator’s three-phase voltages. Output terminal 1 represents the stator’s three-phase currents, while output terminals 2 and 3 represent the speeds of rotor 1 and rotor 2. Output terminals 4 and 5 correspond to the electromagnetic torques of rotor 1 and rotor 2.
Using Clark and Park transformations, d-axis and q-axis voltage components can be obtained from the stator three-phase voltage applied to the CRPMSM. The angular velocities of two rotors, ωe1 and ωe2, can be measured by resolvers. Combining with d, q-axis inductance, stator resistance, and PM flux linkage, and hence d-axis and q-axis currents can be obtained through the current calculation module, according to Equation (22). The stator three-phase currents are obtained from id, iq, and the rotor position angles θ using a 2r/3s current transformation module. The electromagnetic torque of two rotors is calculated by iq, θ1 and θ2 through the torque calculation module. Combining with the load torque used as the input of the motion equation module, the mechanical angular velocity ωm1 and ωm2 of two rotors are obtained, respectively, and converted into rotor speeds n1 and n2.
CRPMSMs require the real-time measurement of rotor position during operation, and the accuracy of measured rotor position has a significant effect on the performance of the motor system. The resolvers are used to measure the rotor positions in this study, which have the advantages of favorable environmental adaptability, fast response, and high reliability. The electromagnetic design, manufacturing process, and mechanical installation should be carefully considered in the design and employment of resolvers, which will cause errors in the measured rotor position.

5.2. Simulation Model of MPC Module

The simulation model of the MPC module is illustrated in Figure 9. It establishes the relationship between speed and q-axis current through the speed outer loop to obtain the q-axis current reference value iq*. The id = 0 control strategy is employed, and therefore the d-axis current reference value id* is set as 0. The MPC module is implemented through programming. Firstly, seven inverter voltage vectors and the corresponding switching sequences are defined. Secondly, the inverter voltage vectors are converted into dq-axis voltage components. And then dq-axis currents and electrical angular velocity ω are collected from the master-slave control module. The dq-axis currents for the next four control cycles are calculated using the predictive model. Finally, seven cost functions are computed, and the inverter switching sequence (Sa, Sb, Sc) that minimizes the cost function is selected. The switching sequence outputted by the MPC module undergoes space vector pulse width modulation (SVPWM) to generate the required stator’s three-phase voltages, which serve as inputs to the CRPMSM module.

5.3. Simulation Model of Master-Slave Control Module

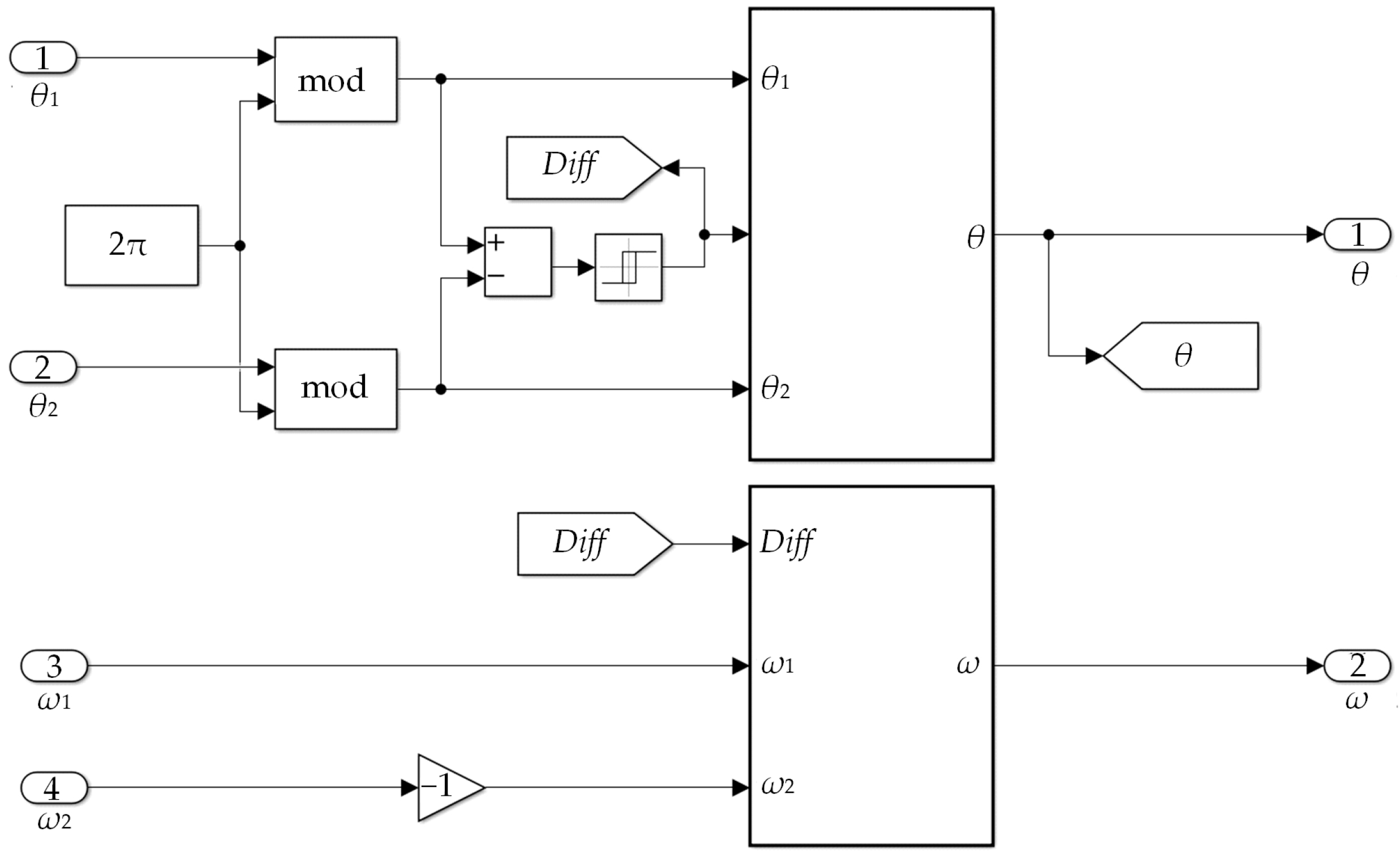
The electrical angular velocity ω and position angle θ are acquired from the master-slave control module, which is integrated within the CRPMSM module, and then ω and θ are transferred to the MPC module. The master-slave control module is shown in Figure 10.
The position angle of the dual rotor is subtracted by 2π modulus, and then used to generate the Diff signal through the hysteresis comparator. If Diff equals the upper output limit of the hysteresis comparator, it indicates that θ1 > θ2, and therefore Rotor 2 is selected as the master rotor, i.e., θ = θ2 and ω = ω2. Conversely, if θ1 < θ2, then the Rotor 1 is selected as the master rotor, and it can be obtained that θ = θ1 and ω = ω1.

6. Simulation Results and Analysis

The simulations and analyses are carried out to validate the effectiveness of the proposed MPC strategy for CRPMSM in scenarios involving balanced load variation, balanced speed variation, and unbalanced load variation, comparing it with the VC strategy. MATLAB/Simulink 2023 version is adopted to establish the model and realize the simulation of the control strategy. The control effects are assessed on CRPMSM’s speed, electromagnetic torque, and stator current under both MPC and VC strategies. The basic specifications of CRPMSM are presented in Table 1. A three-phase inverter with a bus voltage of 300 V and a switching frequency of 10 kHz is used as the power supply to simulate the CRPMSM control system.
The simulation model for CRPMSM with the VC strategy used for comparative analysis is depicted in Figure 11. In the VC simulation model for CRPMSM, the q-axis voltage reference value uq* is output based on the set speed through the speed and current control loops. Similarly, adopting the id = 0 control strategy, the d-axis voltage reference value ud* is output based on the expected d-axis current through the current control loops. The dq-axis voltage reference values and the rotor position angle θ are input into the voltage transformation module and SVPWM module to generate the stator’s three-phase voltage. In contrast to the MPC simulation model, the VC simulation model for CRPMSM includes not only a speed closed-loop but also two current closed-loops.

6.1. Constant Speed with Balanced Load Variation

Both rotors of CRPMSM start with a balanced load torque of 10 N·m and the set speed is 300 r/min. At 0.2 s, the load torque for both rotors decreases to 5 N·m, and at 0.25 s, it returns to 10 N·m. The total simulation duration is 0.5 s. The speed response, electromagnetic torque response, and stator current are simulated for the CRPMSM using the MPC strategy and the VC strategy, respectively, under the condition of balanced load variation. The simulation results are shown in Figure 12, Figure 13 and Figure 14.
In Figure 12, it can be observed that CRPMSM, when controlled by MPC and VC, takes 0.05 s and 0.15 s, respectively, to transition from startup to stable operation. When the load balance changes, the speed ripples of CRPMSM under MPC and VC are 6.16% and 30.67%, respectively. The CRPMSM using the MPC strategy exhibits more stable speed during the re-synchronization transition of both rotors compared to the VC strategy. Similarly, the speed ripple of CRPMSM using MPC and VC after re-synchronization is 0.01% and 5.2%, respectively, implying the superiority of the MPC strategy in speed control.
Figure 13 shows that the time required for the electromagnetic torque of CRPMSM to reach the stable value of 10 N·m is 0.01 s for the MPC strategy and 0.05 s for the VC strategy. The MPC strategy results in a faster dynamic response, as indicated by the faster stabilization of electromagnetic torque both in the startup period and the re-synchronization transition.
Figure 14 shows the stator current waveforms of the CRPMSM in the case of constant speed with balanced load variation, and Figure 15 shows the corresponding current spectra analysis for the re-synchronization transition and after re-synchronization. It can be found that during the re-synchronization transition, the stator currents decrease as the load torque undergoes a reduction. Compared to the VC strategy, the harmonic contents of stator current under the MPC strategy are much lower both during the period of re-synchronization and after the re-synchronization. In the re-synchronization transition, the harmonic content is higher than that after the synchronization for both the MPC strategy and the VC strategy. The harmonic distortion of stator current is 1.3% under the MPC strategy and 16.3% under the VC strategy in the re-synchronization transition, while it is 0.2% and 4.6% for the MPC strategy and VC strategy after re-synchronization, respectively. The MPC strategy exhibits significantly reduced harmonic content in stator currents.

6.2. Balanced Speed Variation with Load Unchanged

Both rotors of CRPMSM start with a balanced load torque of 10 N·m, and at 0.2 s, the speed of CRPMSM increases from 300 r/min to 500 r/min. The speed, electromagnetic torque, and stator current of CRPMSM controlled by MPC strategy and VC strategy during speed changes are shown in Figure 16, Figure 17 and Figure 18. Figure 16 indicates that CRPMSM takes 0.05 s and 0.15 s for MPC strategy and VC strategy, respectively, to elevate the motor speed from 0 r/min to the given speed. The MPC strategy achieves stable operation in less time and with smoother speed control. During sudden changes in the set speed, MPC strategy results in speed fluctuations of 8.0%, while VC strategy exhibits fluctuations of 16.8%.
Figure 17 demonstrates that after the set speed sudden changes, MPC strategy and VC strategy take 0.005 s and 0.04 s, respectively, to stabilize the electromagnetic torque of CRPMSM back to 10 N·m. The MPC strategy exhibits shorter recovery times for electromagnetic torque, indicating a faster dynamic response. Figure 18 illustrates that the stator current of CRPMSM under the MPC strategy is smoother. FFT analysis shows that when CRPMSM’s speed changes and stabilizes at 500 r/min, the harmonic distortion of the stator current is 0.2% under the MPC and 5.5% under the VC. This analysis reveals that CRPMSM under the MPC strategy has superior dynamic performance and less harmonic loss when the speed changes suddenly.

6.3. Unbalanced Load Variation

Both rotors of CRPMSM start with a balanced load torque of 10 N·m and the set speed is 300 r/min. At 0.2 s, the load torque of rotor 1 suddenly decreases to 6 N·m, which acts as the master rotor, and the load of rotor 2 decreases to 5 N·m, which acts as the slave rotor. At 0.25 s, both rotor loads simultaneously return to 10 N·m. MPC strategy and VC strategy are utilized to analyze the effects of unbalanced load variation on CRPMSM’s speed, electromagnetic torque, and stator current, as shown in Figure 19, Figure 20 and Figure 21.
In Figure 19, before the load imbalance changes, CRPMSM under the MPC strategy can reach and stabilize at the given speed more quickly. During load imbalance changes in CRPMSM under the MPC strategy, the speed ripple of the master rotor is 101.7% and that of the slave rotor is 7.0%. While for the CRPMSM under the VC strategy, the speed ripple of the master rotor is 111.7% and that of the slave rotor is 52.7%. The MPC strategy results in a much smaller speed ripple and a shorter time to reach stability.
Figure 20 shows that when load imbalance occurs, the electromagnetic torque fluctuations of CRPMSM under MPC strategy and VC strategy are 120% and 314%, respectively. The use of MPC significantly reduces electromagnetic torque fluctuations in the motor. Figure 21 reveals that the stator current of CRPMSM is smoother when controlled by the MPC strategy. FFT analysis shows that when CRPMSM reaches stable operation after load variation, the harmonic distortion of stator current under the MPC and VC is 1.7% and 4.4%, respectively. This analysis demonstrates that CRPMSM exhibits better dynamic performance under the MPC strategy when subjected to load imbalance changes, addressing the issues of significant speed ripples and long transition times observed under the VC strategy.

7. Conclusions

In this paper, the MPC strategy is employed to address the issue of speed fluctuations caused by load variation in CRPMSM. The speed response, electromagnetic torque, and stator current are simulated for the CRPMSM under the MPC strategy and compared to the VC strategy. Compared to the VC strategy, the speed ripple of CRPMSM using the MPC strategy in the condition of load balanced change can be decreased from 30.67% to 6.16%, while using the MPC strategy it can be decreased from 16.8% to 8.0% in the condition of speed-balanced change. When the CRPMSM involves unbalanced load variation, the master rotors in two control methods both have a relatively large speed ripple, while the slave rotor under the MPC strategy achieves a significant reduction in speed ripple, which decreases from 52.7% to 7%. The results show that CRPMSM controlled by MPC exhibits smaller speed ripples and faster re-synchronization when subjected to changes in load and speed. In all studied conditions, the stator current THDs of the CRPMSM using the MPC strategy are apparently lower than those under the VC strategy, which can help alleviate the harmonic loss of the motor.

Author Contributions

Conceptualization, S.Z.; methodology, S.Z. and Y.N.; validation, Y.N. and Y.Z.; formal analysis, Y.N. and Y.Z.; investigation, S.Z. and Y.N.; writing—original draft preparation, Y.N. and Y.Z.; writing—review and editing, S.Z. and M.T.V.; supervision, S.Z. and C.X.; funding acquisition, C.X. and M.T.V. All authors have read and agreed to the published version of the manuscript.

Funding

This research was funded by the National Key Research and Development Program of China, grant number 2023YFB4301500.

Institutional Review Board Statement

Not applicable.

Informed Consent Statement

Not applicable.

Data Availability Statement

Data are contained within the article.

Conflicts of Interest

The authors declare no conflicts of interest.

Correction Statement

This article has been republished with a minor correction to the Funding statement (change the funding grant number from 2023YFB4301505 to 2023YFB4301500). This change does not affect the scientific content of the article.

References

  1. Jiang, H.; Ouyang, W.; Sheng, C.X.; Lan, J.F.; Bucknall, R. Numerical investigation on hydrodynamic performance of a novel shaftless rim-driven counter-rotating thruster considering gap fluid. Appl. Ocean Res. 2022, 118, 102967. [Google Scholar] [CrossRef]
  2. Capone, A.; Felice, F.D.; Pereira, F.A. On the flow field induced by two counter-rotating propellers at varying load conditions. Ocean Eng. 2021, 221, 108322. [Google Scholar] [CrossRef]
  3. Pereira, F.A.; Capone, A.; Felice, F.D. Flow field and vortex interactions in the near wake of two counter-rotating propellers. Appl. Ocean Res. 2021, 117, 102918. [Google Scholar] [CrossRef]
  4. Ma, J.D.; Wu, B.; Zargari, N.R.; Rizzo, S.C. A space vector modulated csi-based ac drive for multimotor applications. IEEE Trans. Power Electron. 2001, 16, 535–544. [Google Scholar] [CrossRef]
  5. Matsuse, K.; Kouno, Y.; Kawai, H.; Yokomizo, S. A speed-sensorless vector control method of parallel-connected dual induction motor fed by a single inverter. IEEE Trans. Ind. Appl. 2002, 38, 1566–1571. [Google Scholar] [CrossRef]
  6. Bidart, D.; Pietrzak-David, M.; Maussion, P.; Fadel, M. Mono inverter dual parallel pmsm-structure and control strategy. In Proceedings of the 34th IEEE Industrial Electronics Conference, Orlando, FL, USA, 10–13 November 2008. [Google Scholar]
  7. Xu, F.; Shi, L.M.; Li, Y.H. The weighted vector control of speed-irrelevant dual induction motors fed by the single inverter. IEEE Trans. Power Electron. 2013, 28, 5665–5672. [Google Scholar] [CrossRef]
  8. Bouscayrol, A.; Pietrzak-David, M.; Delarue, P.; Pena-Eguiluz, R.; Vidal, P.E.; Kestelyn, X. Weighted control of traction drives with parallel-connected ac machines. IEEE Trans. Ind. Electron. 2006, 53, 1799–1806. [Google Scholar] [CrossRef]
  9. Matsuse, K.; Kawai, H.; Kouno, Y.; Oikawa, J. Characteristics of speed sensorless vector controlled dual induction motor drive connected in parallel fed by a single inverter. IEEE Trans. Ind. Appl. 2004, 40, 153–161. [Google Scholar] [CrossRef]
  10. Cheng, S.Y.; Luo, D.R.; Huang, S.D.; Chen, Z.; Huang, K.Y. Control strategy for permanent magnet synchronous motor with contra-rotating rotors under unbalanced loads condition. IET Electr. Power Appl. 2015, 9, 71–79. [Google Scholar] [CrossRef]
  11. Rao, Z.M.; Huang, S.D.; Luo, D.R.; Jiang, Y.; Cheng, S.Y.; Huang, Z. Analysis and direct torque control of a disc permanent magnet synchronous motor for contra-rotating propellers. Proc. CSEE 2019, 39, 5225–5236. (In Chinese) [Google Scholar]
  12. Zhong, Y.C.; Huang, S.D.; Luo, D.R.; He, R.Z. Speed synchronism of permanent magnet synchronous motor with dual contra-rotating rotors under load variation. IET Power Electron. 2017, 10, 1479–1486. [Google Scholar] [CrossRef]
  13. Liu, X.D.; Yu, H.S.; Yu, J.P.; Zhao, L. Combined speed and current terminal sliding mode control with nonlinear disturbance observer for pmsm drive. IEEE Access 2018, 6, 29594–29601. [Google Scholar] [CrossRef]
  14. Wang, A.M.; Jia, X.W.; Dong, S.H. A new exponential reaching law of sliding mode control to improve performance of permanent magnet synchronous motor. IEEE Trans. Magn. 2013, 49, 2409–2412. [Google Scholar] [CrossRef]
  15. Hsien, T.L.; Sun, Y.Y.; Tsai, M.C. H∞ control for a sensorless permanent-magnet synchronous drive. IEE Proc. Electr. Power Appl. 1997, 144, 173–181. [Google Scholar] [CrossRef]
  16. Feng, G.; Liu, Y.F.; Huang, L.P. A new robust algorithm to improve the dynamic performance on the speed control of induction motor drive. IEEE Trans. Power Electron. 2004, 19, 1614–1627. [Google Scholar] [CrossRef]
  17. Chen, C.S. Tsk-type self-organizing recurrent-neural-fuzzy control of linear microstepping motor drives. IEEE Trans. Power Electron. 2010, 25, 2253–2265. [Google Scholar] [CrossRef]
  18. Singh, M.; Chandra, A. Application of adaptive network-based fuzzy inference system for sensorless control of pmsg-based wind turbine with nonlinear-load-compensation capabilities. IEEE Trans. Power Electron. 2011, 26, 165–175. [Google Scholar] [CrossRef]
  19. Luo, D.R.; He, R.Z.; Huang, S.D.; Su, X. Optimized vector control strategy for contra-rotating permanent magnet synchronous motor under serious unbalanced load adopting torque compensation. In Proceedings of the 22nd International Conference on Electrical Machines and Systems, Harbin, China, 11–14 August 2019; pp. 1–6. [Google Scholar]
  20. Luo, D.R.; Su, X.; He, R.Z.; Huang, S.D. Dual-rotor direct torque control strategy of disk-type contra-rotating permanent magnet synchronous motor under heave unbalanced load torque. Trans. China Electrotech. Soc. 2019, 34, 4678–4686. (In Chinese) [Google Scholar]
  21. Li, S.H.; Zhou, M.M.; Yu, X.H. Design and implementation of terminal sliding mode control method for pmsm speed regulation system. IEEE Trans. Ind. Inform. 2013, 9, 1879–1891. [Google Scholar] [CrossRef]
  22. Zhang, X.G.; Sun, L.Z.; Zhao, K.; Sun, L. Nonlinear speed control for pmsm system using sliding-mode control and disturbance compensation techniques. IEEE Trans. Power Electron. 2013, 28, 1358–1365. [Google Scholar] [CrossRef]
Figure 1. CRPMSM diagram. (a) CRPMSM structure. (b) CRPMSM with control diagram.
Figure 1. CRPMSM diagram. (a) CRPMSM structure. (b) CRPMSM with control diagram.
Jmse 12 00330 g001
Figure 2. Phasor diagram of CRPMSM under balanced load.
Figure 2. Phasor diagram of CRPMSM under balanced load.
Jmse 12 00330 g002
Figure 3. Phasor diagram of CRPMSM in the case of TL1 > TL2.
Figure 3. Phasor diagram of CRPMSM in the case of TL1 > TL2.
Jmse 12 00330 g003
Figure 4. Phasor diagram of CRPMSM in the case of TL1 < TL2.
Figure 4. Phasor diagram of CRPMSM in the case of TL1 < TL2.
Jmse 12 00330 g004
Figure 5. Reoriented phasor diagram of CRPMSM in the case of TL1 < TL2.
Figure 5. Reoriented phasor diagram of CRPMSM in the case of TL1 < TL2.
Jmse 12 00330 g005
Figure 6. Flow chart of MPC strategy.
Figure 6. Flow chart of MPC strategy.
Jmse 12 00330 g006
Figure 7. Block diagram of MPC system for CRPMSM.
Figure 7. Block diagram of MPC system for CRPMSM.
Jmse 12 00330 g007
Figure 8. Simulation model of CRPMSM.
Figure 8. Simulation model of CRPMSM.
Jmse 12 00330 g008
Figure 9. Simulation model of MPC module.
Figure 9. Simulation model of MPC module.
Jmse 12 00330 g009
Figure 10. Master-slave control module.
Figure 10. Master-slave control module.
Jmse 12 00330 g010
Figure 11. VC simulation model for CRPMSM.
Figure 11. VC simulation model for CRPMSM.
Jmse 12 00330 g011
Figure 12. Speed response in the case of constant speed with balanced load variation. (a) MPC. (b) VC.
Figure 12. Speed response in the case of constant speed with balanced load variation. (a) MPC. (b) VC.
Jmse 12 00330 g012
Figure 13. Electromagnetic torque response in the case of constant speed with balanced load variation. (a) MPC. (b) VC.
Figure 13. Electromagnetic torque response in the case of constant speed with balanced load variation. (a) MPC. (b) VC.
Jmse 12 00330 g013
Figure 14. Current waveforms in the case of constant speed with balanced load variation. (a) MPC. (b) VC.
Figure 14. Current waveforms in the case of constant speed with balanced load variation. (a) MPC. (b) VC.
Jmse 12 00330 g014
Figure 15. Current spectra in the case of constant speed with balanced load variation. (a) In re-synchronization transition for MPC. (b) In re-synchronization transition for VC. (c) After re-synchronization for MPC. (d) After re-synchronization for VC.
Figure 15. Current spectra in the case of constant speed with balanced load variation. (a) In re-synchronization transition for MPC. (b) In re-synchronization transition for VC. (c) After re-synchronization for MPC. (d) After re-synchronization for VC.
Jmse 12 00330 g015
Figure 16. Speed response in the case of balanced speed variation with load unchanged. (a) MPC. (b) VC.
Figure 16. Speed response in the case of balanced speed variation with load unchanged. (a) MPC. (b) VC.
Jmse 12 00330 g016
Figure 17. Electromagnetic torque response in the case of balanced speed variation with load unchanged. (a) MPC. (b) VC.
Figure 17. Electromagnetic torque response in the case of balanced speed variation with load unchanged. (a) MPC. (b) VC.
Jmse 12 00330 g017
Figure 18. Current waveforms in the case of balanced speed variation with load unchanged. (a) MPC. (b) VC.
Figure 18. Current waveforms in the case of balanced speed variation with load unchanged. (a) MPC. (b) VC.
Jmse 12 00330 g018
Figure 19. Speed response in the case of unbalanced load variation. (a) MPC. (b) VC.
Figure 19. Speed response in the case of unbalanced load variation. (a) MPC. (b) VC.
Jmse 12 00330 g019
Figure 20. Electromagnetic torque response in the case of unbalanced load variation. (a) MPC. (b) VC.
Figure 20. Electromagnetic torque response in the case of unbalanced load variation. (a) MPC. (b) VC.
Jmse 12 00330 g020
Figure 21. Current waveforms in the case of unbalanced load variation. (a) MPC. (b) VC.
Figure 21. Current waveforms in the case of unbalanced load variation. (a) MPC. (b) VC.
Jmse 12 00330 g021
Table 1. Specifications of CRPMSM.
Table 1. Specifications of CRPMSM.
ItemValue
Rated power2 kW
Bus voltage300 VDC
Rated current14.14 A
Rated frequency33.33 Hz
Rated speed500 r/min
Rated torque20 N·m
Number of pole pairs4
Outer diameter 180 mm
Inner diameter 114 mm
Stator resistance1.68 Ω
d, q-axis inductance6.7 mH
Flux Linkage0.1836 Wb
Moments of inertia0.062 kg·m2
Disclaimer/Publisher’s Note: The statements, opinions and data contained in all publications are solely those of the individual author(s) and contributor(s) and not of MDPI and/or the editor(s). MDPI and/or the editor(s) disclaim responsibility for any injury to people or property resulting from any ideas, methods, instructions or products referred to in the content.

Share and Cite

MDPI and ACS Style

Zhang, S.; Nan, Y.; Zhang, Y.; Xiang, C.; Vu, M.T. Model Predictive Control of Counter-Rotating Motors for Underwater Vehicles Considering Unbalanced Load Variation. J. Mar. Sci. Eng. 2024, 12, 330. https://doi.org/10.3390/jmse12020330

AMA Style

Zhang S, Nan Y, Zhang Y, Xiang C, Vu MT. Model Predictive Control of Counter-Rotating Motors for Underwater Vehicles Considering Unbalanced Load Variation. Journal of Marine Science and Engineering. 2024; 12(2):330. https://doi.org/10.3390/jmse12020330

Chicago/Turabian Style

Zhang, Shukuan, Yunxiang Nan, Yusen Zhang, Chuan Xiang, and Mai The Vu. 2024. "Model Predictive Control of Counter-Rotating Motors for Underwater Vehicles Considering Unbalanced Load Variation" Journal of Marine Science and Engineering 12, no. 2: 330. https://doi.org/10.3390/jmse12020330

APA Style

Zhang, S., Nan, Y., Zhang, Y., Xiang, C., & Vu, M. T. (2024). Model Predictive Control of Counter-Rotating Motors for Underwater Vehicles Considering Unbalanced Load Variation. Journal of Marine Science and Engineering, 12(2), 330. https://doi.org/10.3390/jmse12020330

Note that from the first issue of 2016, this journal uses article numbers instead of page numbers. See further details here.

Article Metrics

Back to TopTop