A New Approach to Modelling the Drilling Torque in Conventional and Ultrasonic Assisted Deep-Hole Drilling Processes
Abstract
:Featured Application
Abstract
1. Introduction
2. Models of the Drilling Torque
2.1. Previous Models
2.2. The New Model
2.2.1. The Cutting Torque
2.2.2. The Chip-Evacuation Torque
2.2.3. The Stick-Slip Torque
3. Calibration Tests
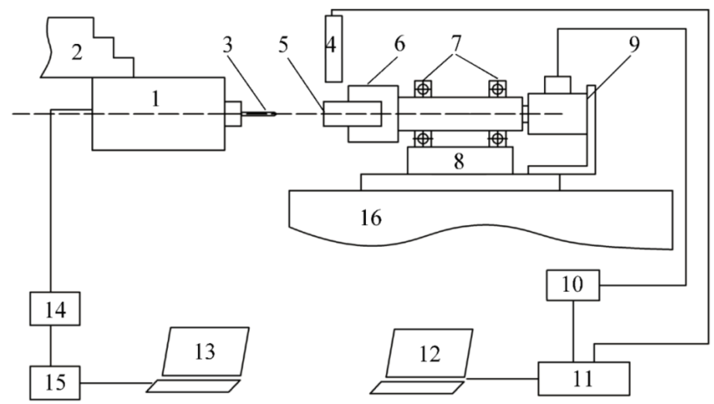
3.1. Experimental Setup
3.2. Experimental Operations
4. Results and Discussions
4.1. The Cutting Torque
4.2. The Chip-Evacuation Torque
4.3. The Stick-Slip Torque
5. Conclusions
Author Contributions
Funding
Conflicts of Interest
References
- Zheng, H.; Liu, K. Machinability of Engineering Materials. In Handbook of Manufacturing Engineering and Technology; Nee, A., Ed.; Springer: London, UK, 2013; pp. 1–34. [Google Scholar]
- Ashrafi, S.A.; Davoudinejad, A.; Barzani, M.M.; Salehi, P. Investigation into Effect of Tool Wear on Drilling Force and Surface Finish While Dry Drilling Aluminum 2024. Adv. Mater. Res. 2012, 548, 387–392. [Google Scholar] [CrossRef]
- Liu, H.S.; Lee, B.Y.; Tarng, Y.S. In-process prediction of corner wear in drilling operations. J. Mater. Process. Technol. 2000, 101, 152–158. [Google Scholar] [CrossRef]
- Roy, P.; Sarangi, S.K.; Ghosh, A.; Chattopadhyay, A.K. Machinability study of pure aluminium and Al–12% Si alloys against uncoated and coated carbide inserts. Int. J. Refract. Met. Hard Mater. 2009, 27, 535–544. [Google Scholar] [CrossRef]
- Drozda, T.J. Tool and Manufacturing Engineers Handbook: Machining; Society of Manufacturing Engineers: Dearborn, MI, USA, 1983. [Google Scholar]
- Arzur-Bomont, A.; Confente, M.; Schneider, E.; Bomont, O.; Lescalier, C. Machinability in drilling mechanistic approach and new observer development. Int. J. Mater. Form. 2010, 3, 495–498. [Google Scholar] [CrossRef]
- Ke, F.; Ni, J.; Stephenson, D.A. Chip thickening in deep-hole drilling. Int. J. Mach. Tools Manuf. 2006, 46, 1500–1507. [Google Scholar] [CrossRef]
- Mellinger, J.C.; Ozdoganlar, O.B.; DeVor, R.E.; Kapoor, S.G. Modeling Chip-Evacuation Forces and Prediction of Chip-Clogging in Drilling. J. Manuf. Sci. Eng. 2002, 124, 605–614. [Google Scholar] [CrossRef]
- Mellinger, J.C.; Ozdoganlar, O.B.; DeVor, R.E.; Kapoor, S.G. Modeling Chip-Evacuation Forces in Drilling for Various Flute Geometries. J. Manuf. Sci. Eng. 2003, 125, 405–415. [Google Scholar] [CrossRef]
- Nagao, T.; Hatamura, Y.; Mitsuishi, M. In-Process Prediction and Prevention of the Breakage of Small Diameter Drills Based on Theoretical Analysis. CIRP Ann. 1994, 43, 85–88. [Google Scholar] [CrossRef]
- Furness, R.J.; Ulsoy, A.G.; Wu, C.L. Feed, Speed, and Torque Controllers for Drilling. J. Eng. Ind. 1996, 118, 2–9. [Google Scholar] [CrossRef]
- Ravisubramanian, S.; Shunmugam, M.S. Investigations into peck drilling process for large aspect ratio microholes in aluminum 6061-T6. Mater. Manuf. Process. 2017, 33, 935–942. [Google Scholar] [CrossRef]
- Choi, Y.J.; Park, M.S.; Chu, C.N. Prediction of drill failure using features extraction in time and frequency domains of feed motor current. Int. J. Mach. Tools Manuf. 2008, 48, 29–39. [Google Scholar] [CrossRef]
- Han, C.; Zhang, D.; Luo, M.; Wu, B. Chip evacuation force modelling for deep hole drilling with twist drills. Int. J. Adv. Manuf. Technol. 2018, 98, 3091–3103. [Google Scholar] [CrossRef]
- Aized, T.; Amjad, M. Quality improvement of deep-hole drilling process of AISI D2. Int. J. Adv. Manuf. Technol. 2013, 69, 2493–2503. [Google Scholar] [CrossRef]
- Sahu, S.K.B.O.; DeVor, O.; Kapoor, R.E.; Shiv, G. Effect of groove-type chip breakers on twist drill performance. Int. J. Mach. Tools Manuf. 2003, 43, 617–627. [Google Scholar] [CrossRef]
- Khan, S.A.; Nazir, A.; Mughal, M.P.; Saleem, M.Q.; Hussain, A.; Ghulam, Z. Deep hole drilling of AISI 1045 via high-speed steel twist drills: Evaluation of tool wear and hole quality. Int. J. Adv. Manuf. Technol. 2017, 93, 1115–1125. [Google Scholar] [CrossRef]
- MacAvelia, T.; Ghasempoor, A.; Janabi-Sharifi, F. Force and torque modelling of drilling simulation for orthopaedic surgery. Comput. Methods Biomech. Biomed. Eng. 2014, 17, 1285–1294. [Google Scholar] [CrossRef] [PubMed]
- Amini, S.; Paktinat, H.; Barani, A.; Tehran, A.F. Vibration Drilling of Al2024-T6. Mater. Manuf. Process. 2013, 28, 476–480. [Google Scholar] [CrossRef]
- Azghandi, B.V.; Kadivar, M.A.; Razfar, M.R. An Experimental Study on Cutting Forces in Ultrasonic Assisted Drilling. Procedia CIRP 2016, 46, 563–566. [Google Scholar] [CrossRef]
- Chang, S.S.F.; Bone, G.M. Thrust force model for vibration-assisted drilling of aluminum 6061-T6. Int. J. Mach. Tools Manuf. 2009, 49, 1070–1076. [Google Scholar] [CrossRef]
- Li, X.; Meadows, A.; Babitsky, V.; Parkin, R. Experimental analysis on autoresonant control of ultrasonically assisted drilling. Mechatronics 2015, 29, 57–66. [Google Scholar] [CrossRef]
- Li, X.F.; Dong, Z.G.; Kang, R.K.; Wang, Y.D.; Liu, J.T.; Zhang, Y. Comparison of Thrust Force in Ultrasonic Assisted Drilling and Conventional Drilling of Aluminum Alloy. Mater. Sci. Forum 2016, 861, 38–43. [Google Scholar] [CrossRef]
- Barani, A.; Amini, S.; Paktinat, H.; Tehrani, A.F. Built-up edge investigation in vibration drilling of Al2024-T6. Ultrasonics 2014, 54, 1300–1310. [Google Scholar] [CrossRef] [PubMed]
- Chang, S.S.F.; Bone, G.M. Burr height model for vibration assisted drilling of aluminum 6061-T6. Precis. Eng. 2010, 34, 369–375. [Google Scholar] [CrossRef]
- Neugebauer, R.; Stoll, A. Ultrasonic application in drilling. J. Mater. Process. Technol. 2004, 149, 633–639. [Google Scholar] [CrossRef]
- Wang, J.; Feng, P.; Zhang, J.; Guo, P. Reducing cutting force in rotary ultrasonic drilling of ceramic matrix composites with longitudinal-torsional coupled vibration. Manuf. Lett. 2018, 18, 1–5. [Google Scholar] [CrossRef]
- Nguyen, V.-D.; Chu, N.-H. A Study on the Reduction of Chip Evacuation Torque in Ultrasonic Assisted Drilling Of Small and Deep Holes. Int. J. Mech. Eng. Technol. 2018, 9, 899–908. [Google Scholar]
- Chu, N.-H.; Nguyen, V.-D.; Do, T.-V. Ultrasonic-Assisted Cutting: A Beneficial Application for Temperature, Torque Reduction, and Cutting Ability Improvement in Deep Drilling of Al-6061. Appl. Sci. 2018, 8, 1708. [Google Scholar] [CrossRef]
- Chu, N.-H.; Nguyen, V.-D.; Ngo, Q.H. Machinability enhancements of ultrasonic assisted deep-drilling of aluminum alloys. Mach. Sci. Technol. 2018, in press. [Google Scholar]
- Chu, N.-H.; Nguyen, V.-D. The Multi-Response Optimization of Machining Parameters in the Ultrasonic Assisted Deep-Hole Drilling Using Grey-Based Taguchi Method. Int. J. Mech. Prod. Eng. Res. Dev. 2018, 8, 417–426. [Google Scholar]
- Juneja, B.L.; Seth, N. Fundamentals of Metal. Cutting and Machine Tools; New Age International Publisher: New Delhi, India, 2003. [Google Scholar]
- Carvill, J. 5—Manufacturing technology. In Mechanical Engineer’s Data Handbook; Carvill, J., Ed.; Butterworth-Heinemann: Oxford, UK, 1993; pp. 172–217. [Google Scholar]
- Smith, G.T. Cutting Tool Technology Industrial Handbook; Springer: London, UK, 2008. [Google Scholar]
- Shaw, M.C. Metal Cutting Principles; Oxford University Press, Inc.: New York, NY, USA, 2005. [Google Scholar]
- Dandekar, C.; Orady, E.; Mallick, P.K. Drilling Characteristics of an E-Glass Fabric-Reinforced Polypropylene Composite and an Aluminum Alloy: A Comparative Study. J. Manuf. Sci. Eng. 2007, 129, 1080–1087. [Google Scholar] [CrossRef]
- Oxford, C.J. On the Drilling of Metals 1-Basic Mechanics of the Process. Trans. ASME 1995, 77, 103–111. [Google Scholar]
- Chandrasekharan, S.G.K.V.; DeVor, R.E. A Mechanistic Model to Predict the Cutting Force System for Arbitrary Drill Point Geometry. J. Manuf. Sci. Eng. 1998, 120, 563–570. [Google Scholar] [CrossRef]
- Liu, Y.; Chávez, J.P.; de Sa, R.; Walker, S. Numerical and experimental studies of stick-slip oscillations in drill-strings. Nonlinear Dyn. 2017, 90, 2959–2978. [Google Scholar] [CrossRef]
- Zhu, X.; Tang, L.; Yang, Q. A Literature Review of Approaches for Stick-Slip Vibration Suppression in Oilwell Drillstring. Adv. Mech. Eng. 2014, 6, 967952. [Google Scholar] [CrossRef]





| Parameters | Speed (rpm) | Feed Rate (mm/rev) | |
|---|---|---|---|
| Level | |||
| −1 | 1000 | 0.050 | |
| 0 | 1250 | 0.065 | |
| 1 | 1500 | 0.085 | |
| # | Speed (rpm) | Feed (mm/rev) | Experimental T1_CD (Ncm) | Computed T1_CD (Ncm) | Errors (%) | Experimental T1_UAD (Ncm) | Computed T1_UAD (Ncm) | Errors (%) |
|---|---|---|---|---|---|---|---|---|
| 1 | 1000 | 0.05 | 20.513 | 20.769 | −1.247 | 16.549 | 16.717 | −1.017 |
| 2 | 1000 | 0.05 | 20.359 | 20.769 | −2.012 | 15.363 | 16.717 | −8.815 |
| 3 | 1250 | 0.05 | 23.071 | 20.769 | 9.979 | 16.257 | 16.717 | −2.831 |
| 4 | 1250 | 0.05 | 21.562 | 20.769 | 3.679 | 15.995 | 16.717 | −4.516 |
| 5 | 1500 | 0.05 | 22.954 | 20.769 | 9.520 | 17.327 | 16.717 | 3.519 |
| 6 | 1500 | 0.05 | 21.636 | 20.769 | 4.009 | 16.498 | 16.717 | −1.329 |
| 7 | 1000 | 0.065 | 23.607 | 24.695 | −4.610 | 19.164 | 19.878 | −3.725 |
| 8 | 1000 | 0.065 | 24.442 | 24.695 | −1.036 | 19.941 | 19.878 | 0.317 |
| 9 | 1250 | 0.065 | 25.764 | 24.695 | 4.148 | 21.302 | 19.878 | 6.686 |
| 10 | 1250 | 0.065 | 26.554 | 24.695 | 7.000 | 20.021 | 19.878 | 0.715 |
| 11 | 1500 | 0.065 | 23.523 | 24.695 | −4.983 | 19.405 | 19.878 | −2.437 |
| 12 | 1500 | 0.065 | 27.238 | 24.695 | 9.336 | 20.312 | 19.878 | 2.138 |
| 13 | 1000 | 0.085 | 29.936 | 29.479 | 1.528 | 23.779 | 23.728 | 0.214 |
| 14 | 1000 | 0.085 | 29.779 | 29.479 | 1.009 | 25.674 | 23.728 | 7.579 |
| 15 | 1250 | 0.085 | 30.113 | 29.479 | 2.107 | 24.407 | 23.728 | 2.782 |
| 16 | 1250 | 0.085 | 32.278 | 29.479 | 8.673 | 23.363 | 23.728 | −1.563 |
| 17 | 1500 | 0.085 | 28.484 | 29.479 | −3.492 | 22.404 | 23.728 | −5.910 |
| 18 | 1500 | 0.085 | 28.979 | 29.479 | −1.724 | 24.260 | 23.728 | 2.193 |
| Value | Standard Error | Statistics Reduced Chi-Sqr | Statistics Adj. R-Square | |
|---|---|---|---|---|
| C_CD | 0.15475 | 0.00199 | 0.000027262 | 0.99869 |
| C_UAD | 0.12156 | 0.0012 | 1.48786 × 10−5 | 0.99863 |
| # | Speed, n (rpm) | Feed, f (mm/rev) | Coef. A in CDs | Coef. A in UADs | Ln(n) | Ln(f) | Ln(ACD) | Ln(AUAD) |
|---|---|---|---|---|---|---|---|---|
| 1 | 1000 | 0.05 | 0.702 | 0.519 | 6.908 | −2.996 | −0.353 | −0.655 |
| 2 | 1000 | 0.05 | 0.679 | 0.507 | 6.908 | −2.996 | −0.387 | −0.679 |
| 3 | 1250 | 0.05 | 0.684 | 0.507 | 6.908 | −2.733 | −0.380 | −0.679 |
| 4 | 1250 | 0.05 | 0.670 | 0.632 | 6.908 | −2.733 | −0.400 | −0.459 |
| 5 | 1500 | 0.05 | 0.623 | 0.536 | 6.908 | −2.465 | −0.473 | −0.624 |
| 6 | 1500 | 0.05 | 0.673 | 0.590 | 6.908 | −2.465 | −0.396 | −0.528 |
| 7 | 1000 | 0.065 | 0.608 | 0.392 | 7.131 | −2.996 | −0.498 | −0.937 |
| 8 | 1000 | 0.065 | 0.633 | 0.546 | 7.131 | −2.996 | −0.457 | −0.604 |
| 9 | 1250 | 0.065 | 0.625 | 0.567 | 7.131 | −2.733 | −0.470 | −0.567 |
| 10 | 1250 | 0.065 | 0.612 | 0.609 | 7.131 | −2.733 | −0.491 | −0.496 |
| 11 | 1500 | 0.065 | 0.658 | 0.470 | 7.131 | −2.465 | −0.418 | −0.754 |
| 12 | 1500 | 0.065 | 0.634 | 0.479 | 7.131 | −2.465 | −0.455 | −0.736 |
| 13 | 1000 | 0.085 | 0.621 | 0.527 | 7.313 | −2.996 | −0.476 | −0.641 |
| 14 | 1000 | 0.085 | 0.659 | 0.533 | 7.313 | −2.996 | −0.416 | −0.629 |
| 15 | 1250 | 0.085 | 0.704 | 0.584 | 7.313 | −2.733 | −0.351 | −0.538 |
| 16 | 1250 | 0.085 | 0.654 | 0.583 | 7.313 | −2.733 | −0.425 | −0.540 |
| 17 | 1500 | 0.085 | 0.641 | 0.516 | 7.313 | −2.465 | −0.445 | −0.662 |
| 18 | 1500 | 0.085 | 0.732 | 0.575 | 7.313 | −2.465 | −0.353 | −0.655 |
| Mean | StDev | SE Mean | 95% Lower Bound for μ_difference | t-Value | p-Value |
|---|---|---|---|---|---|
| 0.1190 | 0.0580 | 0.0137 | 0.0952 | 2.12 | 0.024 |
| a0 | a1 | a2 | a3 | Statistics Reduced Chi-Sqr | Statistics Adj. R-Square | |
|---|---|---|---|---|---|---|
| CD | −13.7214 | 1.8805 | −4.9359 | 0.6979 | 0.0026 | 0.99995 |
| UAD | 15.3907 | −2.2047 | 6.0016 | −0.8265 | 0.0141 | 0.99975 |
| Mean | StDev | SE Mean | 95% CI for μ_difference | t-Value | p-Value |
|---|---|---|---|---|---|
| 34.3 | 51.6 | 12.2 | (8.6, 59.9) | 2.82 | 0.012 |
© 2018 by the authors. Licensee MDPI, Basel, Switzerland. This article is an open access article distributed under the terms and conditions of the Creative Commons Attribution (CC BY) license (http://creativecommons.org/licenses/by/4.0/).
Share and Cite
Chu, N.-H.; Nguyen, D.-B.; Ngo, N.-K.; Nguyen, V.-D.; Tran, M.-D.; Vu, N.-P.; Ngo, Q.-H.; Tran, T.-H. A New Approach to Modelling the Drilling Torque in Conventional and Ultrasonic Assisted Deep-Hole Drilling Processes. Appl. Sci. 2018, 8, 2600. https://doi.org/10.3390/app8122600
Chu N-H, Nguyen D-B, Ngo N-K, Nguyen V-D, Tran M-D, Vu N-P, Ngo Q-H, Tran T-H. A New Approach to Modelling the Drilling Torque in Conventional and Ultrasonic Assisted Deep-Hole Drilling Processes. Applied Sciences. 2018; 8(12):2600. https://doi.org/10.3390/app8122600
Chicago/Turabian StyleChu, Ngoc-Hung, Dang-Binh Nguyen, Nhu-Khoa Ngo, Van-Du Nguyen, Minh-Duc Tran, Ngoc-Pi Vu, Quoc-Huy Ngo, and Thi-Hong Tran. 2018. "A New Approach to Modelling the Drilling Torque in Conventional and Ultrasonic Assisted Deep-Hole Drilling Processes" Applied Sciences 8, no. 12: 2600. https://doi.org/10.3390/app8122600
APA StyleChu, N.-H., Nguyen, D.-B., Ngo, N.-K., Nguyen, V.-D., Tran, M.-D., Vu, N.-P., Ngo, Q.-H., & Tran, T.-H. (2018). A New Approach to Modelling the Drilling Torque in Conventional and Ultrasonic Assisted Deep-Hole Drilling Processes. Applied Sciences, 8(12), 2600. https://doi.org/10.3390/app8122600

