Tribological Properties of Aluminium Matrix Syntactic Foams Manufactured with Aluminium Smelter Waste
Abstract
1. Introduction
2. Experimental Procedure
3. Results
3.1. Coefficient of Friction
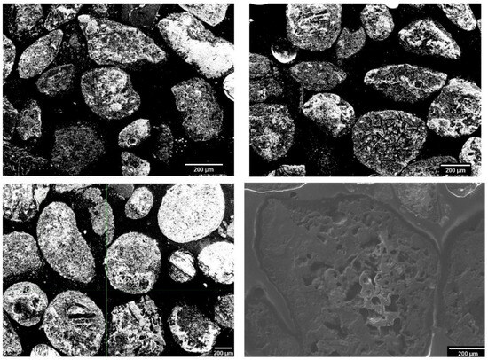
3.2. Wear Track Morphology
3.3. Wear Parameters
4. Discussion
4.1. Effect of Lubrication
4.2. Effect of Properties of ASW Particles
4.3. Effect of T6 Treatment
4.4. Comparison with ESFs
5. Conclusions
- Under dry sliding wear conditions, the COF vs. sliding distance curves of the ASF samples show three distinct regions: an initial sharp increase, followed by a gradual decrease and then a final steady state. The average COF and specific wear increase with increasing ASW particle size.
- All samples show relatively even wear tracks and similar wear progression behaviours. The wear is predominantly adhesive in L-ASF and abrasive in S-ASF and M-ASF. The samples also show behaviour indicative of delamination and oxidative wear.
- Lubrication leads to a much lower average COF and specific wear and a change from adhesive to abrasive wear compared to the dry tests. The porous ASW particles enhance the wear reduction in lubricated wear tests because they act as lubricant reservoirs, allowing for a continuous presence of lubrication.
- The heating of ASW particles leads to a significant change in wear behaviour for L-ASF, due to the compositional change upon heating, but no change for S-ASF and M-ASF. T6 treatment leads to a significant reduction in the COF and a lower specific wear due to the hardening of the Al matrix.
- The S-ASF and M-ASF samples have a superior wear resistance than the ESF sample because the Small and Medium ASW particles are stronger and harder than the E-spheres due to lower porosities. The ASFs experience much less plastic deformation, leading to higher COF and specific wear values than the ESF. The wear resistance of the L-ASF sample is inferior to the ESF sample because the non-heated Large ASW particles contain a significant amount of metal residue.
Author Contributions
Funding
Data Availability Statement
Acknowledgments
Conflicts of Interest
References
- Daniel Brough, D.; Hussam Jouhara, H. The aluminium industry: A review on state-of-the-art technologies, environmental impacts and possibilities for waste heat recovery. Int. J. Thermofluids 2020, 1–2, 100007. [Google Scholar] [CrossRef]
- Gupta, N.; Kishore Woldesenbet, E.; Sankaran, S. Studies on compressive failure features in syntactic foam material. J. Mater. Sci. 2001, 36, 4485–4491. [Google Scholar] [CrossRef]
- John, B.; Nair, R. Update on Syntactic Foams; iSmithers: Shawbury, UK, 2010. [Google Scholar]
- Wouterson, E.M.; Boey, F.Y.C.; Hu, X.; Wong, S. Specific properties and fracture toughness of syntactic foam: Effect of foam microstructures. Compos. Sci. Technol. 2005, 65, 1840–1850. [Google Scholar] [CrossRef]
- Karthikeyan, C.; Sankaran, S.; Kumar, J. Processing and compressive strengths of syntactic foams with and without fibrous reinforcements. J. Appl. Polym. Sci. 2001, 81, 405–411. [Google Scholar] [CrossRef]
- Maharsia, R.R. Development of High Performance Hybrid Syntactic Foams: Structure and Material Property Characterization. Ph.D. Thesis, Louisiana State University, Baton Rouge, LA, USA, 2005. [Google Scholar]
- Gupta, N.; Karthikeyan, C.S.; Sankaran, S. Correlation of Processing Methodology to the Physical and Mechanical Properties of Syntactic Foams with and Without Fibers. Mater. Charact. 1999, 43, 271–277. [Google Scholar] [CrossRef]
- Gupta, N.; Pinisetty, D.; Shunmugasamy, V.C. Reinforced Polymer Matrix Syntactic Foams; Springer: Cham, Switzerland, 2013. [Google Scholar]
- Gupta, N.; Rohatgi, P.K. Metal Matrix Syntactic Foams: Processing, Microstructure, Properties and Applications, 1st ed.; DEStech Publications, Inc.: Lancaster, PA, USA, 2015. [Google Scholar]
- Ashby, M.F. Metal Foams: A Design Guide; Butterworth-Heinemann: Boston, MA, USA, 2000. [Google Scholar]
- Kiser, M.; He, M.Y.; Zok, F.W. The mechanical response of ceramic microballoon reinforced aluminum matrix composites under compressive loading. Acta Mater. 1999, 47, 2685–2694. [Google Scholar] [CrossRef]
- Luong, D.D.; Strbik, O.M.; Hammond, V.H.; Gupta, N.; Cho, K. Development of high performance lightweight aluminum alloy/SiC hollow sphere syntactic foams and compressive characterization at quasi-static and high strain rates. J. Alloys Compd. 2013, 550, 412–422. [Google Scholar] [CrossRef]
- Gupta, N.; Luong, D.D.; Cho, K. Magnesium Matrix Composite Foams—Density, Mechanical Properties, and Applications. Metals 2012, 2, 238–252. [Google Scholar] [CrossRef]
- Tao, X.F.; Zhao, Y.Y. Compressive failure of Al alloy matrix syntactic foams manufactured by melt infiltration. Mater. Sci. Eng. A 2012, 549, 228–232. [Google Scholar] [CrossRef]
- Zhang, L.P.; Zhao, Y.Y. Mechanical Response of Al Matrix Syntactic Foams Produced by Pressure Infiltration Casting. J. Compos. Mater. 2007, 41, 2105–2117. [Google Scholar] [CrossRef]
- Xue, X.; Zhao, Y.Y. Ti Matrix Syntactic Foam Fabricated by Powder Metallurgy: Particle Breakage and Elastic Modulus. JOM 2011, 63, 43–47. [Google Scholar] [CrossRef]
- Mondal, D.P.; Datta Majumder, J.; Jha, N.; Badkul, A.; Das, S.; Patel, A.; Gupta, G. Titanium-cenosphere syntactic foam made through powder metallurgy route. Mater. Des. 2012, 34, 82–89. [Google Scholar] [CrossRef]
- Xie, J.W.; Zhao, Y.Y.; Dunkley, J.J. Effects of processing conditions on powder particle size and morphology in centrifugal atomisation of tin. Powder Metall. 2013, 47, 168–172. [Google Scholar] [CrossRef]
- Neville, B.P.; Rabiei, A. Composite metal foams processed through powder metallurgy. Mater. Des. 2008, 29, 388–396. [Google Scholar] [CrossRef]
- Vogiatzis, C.A.; Tsouknidas, A.; Kountouras, D.T.; Skolianos, S. Aluminum-ceramic cenospheres syntactic foams produced by powder metallurgy route. Mater. Des. 2015, 85, 444–454. [Google Scholar] [CrossRef]
- Tao, X.F.; Zhao, Y.Y. Compressive behavior of Al matrix syntactic foams toughened with Al particles. Scr. Mater. 2009, 61, 461–464. [Google Scholar] [CrossRef]
- Wu, G.H.; Dou, Z.Y.; Sun, D.L.; Jiang, L.T.; Ding, B.S.; He, B.F. Compression behaviors of cenosphere–pure aluminum syntactic foams. Scr. Mater. 2007, 56, 221–224. [Google Scholar] [CrossRef]
- Chung, S.; Hwang, B.H. A microstructural study of the wear behaviour of SiCp/Al composites. Tribol. Int. 1994, 27, 307–314. [Google Scholar] [CrossRef]
- Deuis, R.L.; Subramanian, C.; Yellup, J.M. Abrasive wear of aluminium composites—A review. Wear 1996, 201, 132–144. [Google Scholar] [CrossRef]
- Mondal, D.P.; Das, S.; Jha, N. Dry sliding wear behaviour of aluminum syntactic foam. Mater. Des. 2009, 30, 2563–2568. [Google Scholar] [CrossRef]
- Mondal, D.P.; Majumdar, J.D.; Goel, M.D.; Gupta, G. Characteristics and wear behavior of cenosphere dispersed titanium matrix composite developed by powder metallurgy route. Trans. Nonferrous Met. Soc. China 2014, 24, 1379–1386. [Google Scholar] [CrossRef]
- Mohanty, S.; Chugh, Y.P. Development of fly ash-based automotive brake lining. Tribol. Int. 2007, 40, 1217–1224. [Google Scholar] [CrossRef]
- ASM. ASM Handbook; ASM: Hong Kong, China, 1991; Volume 4. [Google Scholar]
- Envirospheres Pty Ltd. E-SPHERES® SL Series—High Performance, White Hollow Ceramic Microspheres—Envirospheres. 2018. Available online: https://envirospheres.com.au/products/e-spheres-sl-series/ (accessed on 20 January 2020).
- Peta, K.; Love, G.; Brown, C.A. Comparing repeatability and reproducibility of topographic measurement types directly using linear regression analyses of measured heights. Precis. Eng. 2024, 88, 192–203. [Google Scholar] [CrossRef]
- Ramachandra, M.; Radhakrishna, K. Effect of reinforcement of flyash on sliding wear, slurry erosive wear and corrosive behavior of aluminium matrix composite. Wear 2007, 262, 1450–1462. [Google Scholar] [CrossRef]
- Zhang, J.; Alpas, A.T. Transition between mild and severe wear in aluminium alloys. Acta Mater. 1997, 45, 513–528. [Google Scholar] [CrossRef]
- Jha, N.; Badkul, A.; Mondal, D.P.; Das, S.; Singh, M. Sliding wear behaviour of aluminum syntactic foam: A comparison with Al-10wt% SiC composites. Tribol. Int. 2011, 44, 220–231. [Google Scholar] [CrossRef]
- Májlinger, K.; Bozóki, B.; Kalácska, G.; Keresztes, R.; Zsidai, L. Tribological properties of hybrid aluminum matrix syntactic foams. Tribol. Int. 2016, 99, 211–223. [Google Scholar] [CrossRef]
- Sondur, D.G.; Mallapur, D.G.; Udupa, K.R. Effect of T6 treatment on the coefficient of friction of Al25Mg2Si2Cu4Fe alloy. AIP Conf. Proc. 2018, 1943, 020080. [Google Scholar] [CrossRef]
- Mofidi, M.; Prakash, B. The Influence of Lubrication on Two-body Abrasive Wear of Sealing Elastomers Under Reciprocating Sliding Conditions. J. Elastomers Plast. 2011, 43, 19–31. [Google Scholar] [CrossRef]







| ASW Size Group | Composition (wt%) (±10%) | |||||||
|---|---|---|---|---|---|---|---|---|
| O | F | Na | Mg | Al | Si | Ca | Fe | |
| Small | 21 | 8 | 1 | 14 | 43 | 2 | - | 11 |
| Small-H | 21 | 8 | 2 | 14 | 42 | 2 | - | 11 |
| Medium | 21 | 2 | - | 4 | 40 | 9 | 4 | 20 |
| Medium-H | 22 | 1 | - | 5 | 43 | 8 | 2 | 19 |
| Large | 21 | - | - | 4 | 44 | 17 | - | 13 |
| Large-H | 31 | - | - | 3 | 44 | 13 | - | 9 |
| COF | Track Depth (mm) | Track Width (mm) | ΔRa (×10−3) (mm) | ΔRz (×10−3) (mm) | Weight Loss (g) | Specific Wear (mm3 m−1) | ||||||||
|---|---|---|---|---|---|---|---|---|---|---|---|---|---|---|
| Sample ID | Dry (±7%) | Wet (±10%) | Dry (±7%) | Wet (±8%) | Dry (±12%) | Wet (±15%) | Dry (±10%) | Wet (±10%) | Dry (±8%) | Wet (±9%) | Dry (±3%) | Wet (±7%) | Dry (±10%) | Wet (±12%) |
| S-ASF | 0.19 | 0.07 | 0.058–0.118 | 0.018–0.037 | 5.34 | 2.48 | 28.85 | 8.78 | 78.55 | 12.56 | 0.06 | 0.014 | 0.014 | 0.0026 |
| SH-ASF | 0.18 | 0.05 | 0.050–0.111 | 0.001–0.041 | 5.54 | 2.4 | 30.1 | 8.68 | 77.74 | 14.93 | 0.07 | 0.014 | 0.017 | 0.0023 |
| S-ASF-T6 | 0.06 | 0.015 | 0.048–0.115 | 0.018–0.045 | 5.3 | 2.06 | 15.22 | 12.22 | 25.2 | 15.52 | 0.03 | 0.005 | 0.006 | 0.0009 |
| M-ASF | 0.39 | 0.05 | 0.061–0.125 | 0.012–0.034 | 5.7 | 2.86 | 23.54 | 2.74 | 68.08 | 12.53 | 0.06 | 0.010 | 0.015 | 0.0018 |
| MH-ASF | 0.41 | 0.04 | 0.054–0.159 | 0.002–0.016 | 5.86 | 2.8 | 22.1 | 1.1 | 72.65 | 11.74 | 0.07 | 0.008 | 0.02 | 0.0016 |
| M-ASF-T6 | 0.09 | 0.012 | 0.035–0.164 | 0.012–0.034 | 5.6 | 3.12 | 8.45 | 4.87 | 19.53 | 5.25 | 0.04 | 0.004 | 0.008 | 0.0005 |
| L-ASF | 0.48 | 0.04 | 0.143–0.161 | 0.001–0.045 | 5.84 | 3.36 | 19.57 | 1.92 | 52.52 | 4.94 | 0.08 | 0.006 | 0.02 | 0.0011 |
| LH-ASF | 0.06 | 0.02 | 0.027–0.092 | 0.004–0.005 | 6.0 | 2.4 | 8.97 | 1.07 | 13.41 | 1.01 | 0.1 | 0.003 | 0.008 | 0.0002 |
| L-ASF-T6 | 0.1 | 0.01 | 0.055–0.177 | 0.005–0.025 | 5.94 | 5.04 | 2.02 | 1.25 | 15 | 2.25 | 0.05 | 0.003 | 0.012 | 0.0002 |
| E-SF | 0.04 | 0.05 | 0.120–0.197 | 0.008–0.054 | 5.08 | 1.84 | 31.55 | 3.06 | 28.99 | 36.72 | 0.1 | 0.010 | 0.018 | 0.0016 |
Disclaimer/Publisher’s Note: The statements, opinions and data contained in all publications are solely those of the individual author(s) and contributor(s) and not of MDPI and/or the editor(s). MDPI and/or the editor(s) disclaim responsibility for any injury to people or property resulting from any ideas, methods, instructions or products referred to in the content. |
© 2024 by the authors. Licensee MDPI, Basel, Switzerland. This article is an open access article distributed under the terms and conditions of the Creative Commons Attribution (CC BY) license (https://creativecommons.org/licenses/by/4.0/).
Share and Cite
Mehta, B.; Zhao, Y. Tribological Properties of Aluminium Matrix Syntactic Foams Manufactured with Aluminium Smelter Waste. Appl. Sci. 2024, 14, 4288. https://doi.org/10.3390/app14104288
Mehta B, Zhao Y. Tribological Properties of Aluminium Matrix Syntactic Foams Manufactured with Aluminium Smelter Waste. Applied Sciences. 2024; 14(10):4288. https://doi.org/10.3390/app14104288
Chicago/Turabian StyleMehta, Bhavik, and Yuyuan Zhao. 2024. "Tribological Properties of Aluminium Matrix Syntactic Foams Manufactured with Aluminium Smelter Waste" Applied Sciences 14, no. 10: 4288. https://doi.org/10.3390/app14104288
APA StyleMehta, B., & Zhao, Y. (2024). Tribological Properties of Aluminium Matrix Syntactic Foams Manufactured with Aluminium Smelter Waste. Applied Sciences, 14(10), 4288. https://doi.org/10.3390/app14104288

