Deep Learning Logging Sedimentary Microfacies via Improved U-Net
Abstract
:1. Introduction
2. Materials and Methods
2.1. U-Net Architecture
2.2. Improved U-Net Architecture
- (1)
- Considering that the rotation invariance and inversion invariance of feature extraction should be discarded when logging data are applied to deep learning network algorithms. So as to reduce the loss of spatial feature while retaining feature dimensionality reduction, expanding the field of vision and decreasing network parameters, we removed all the pooling layer from the U-net architecture, and replaced it with a 3 × 3 convolution operation with a step size of 2 to form a compression layer, as shown in Figure 3. The compression layer can reduce the feature dimension of the image and cut down the loss of spatial characteristics.
- (2)
- To better learn and dig out more useful features from curves of different scales, a multiscale convolution block is added to the network, as shown in Figure 4. The multiscale convolution block can work 3 × 3, 5 × 5 and 7 × 7 convolution operations in parallel to extract these spatial features of different scales of the logging data, and splice the feature maps obtained from different convolution operations. In addition to this, other connection and a 1 × 1 convolution are aggrandized to the network to obtain more spatial features and improve the performance of network feature extraction [21].
- (3)
- To achieve unidirectional segmentation of logging sedimentary microfacies only in the depth direction, we must avoid different classification results for different logging curve pixel points from U-net at the same depth. We added a one-dimensional convolutional layer before the network output to comprehensively analyze the eigenvalues of various curves at the same depth, and transform 2D image features into 1D feature vectors in the depth direction, as shown in Figure 5. Finally, we classified each eigenvalue of the vector, so as to achieved the one-way segmentation of sedimentary microfacies.
2.3. Overall Implementation Process
2.3.1. Data Preprocessing
2.3.2. Data Enhancement
2.3.3. Attribute Extension
- (1)
- Slope D refers to the difference between the values of two adjacent logging samples, indicating the rate of change of the curve, which is conducive to highlighting the division point between different sedimentary microfacies and enhancing the morphological characteristics of the curve. This attribute essentially reflects the rate of depositional cycles and expands the characteristics of depositional rhythms. The simplest difference equation can find the change between two points of the curve. By calculating the difference value corresponding to each measurement point, a new slope value property curve can be extended.
- (2)
- Azimuth G: Well logging curves have time-series characteristics, and their overall directionality is the key to identifying sedimentary microfacies. A square position is assigned to each measurement point, as a supplement to the attribute “slope”, which reflects the characteristics of the data value becoming larger or smaller, and can enhance the attribute of the “directivity” of the logging data. The log curve composed of n values and the corresponding azimuth value curve can be obtained with the following formula:where represents the azimuth value corresponding to the value of log data.
- (3)
- Variance A can reflect the degree of dispersion of each measurement point relative to the overall data. This can highlight the sudden change point of the well log curve and better realize its stratification. It can be obtained with a simple variance equation.
2.3.4. Evaluation Metrics
3. Results and Analysis
3.1. Dataset
3.2. Network Performance
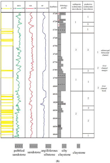
3.3. Result Analysis
- Category 1: Consists of only three well log curves and one lithology curve;
- Category 2: Consists of one well log curve and its corresponding three extension curves (slope, azimuth, variance);
- Category 3: Consists of two well log curves and their corresponding three extension curves (slope, azimuth, variance);
- Category 4: Consists of three well log curves and their corresponding three extension curves (slope, azimuth, variance).
| Classification Model | SVM | ANN | Raw U-Net | Improved U-Net | |
|---|---|---|---|---|---|
| Input Data | |||||
| DEN, GR, SP, L | 60.26% | 65.20% | 69.47% | 73.34% | |
| DEN, DEN-D, DEN-G, DEN-A | 48.04% | 49.83% | 58.95% | 64.71% | |
| GR, GR-D, GR-G, GR-A | 55.11% | 60.63% | 68.12% | 74.31% | |
| SP, SP-D, SP-G, SP-A | 55.11% | 58.65% | 63.52% | 68.09% | |
| GR, GR-D, GR-G, GR-A, DEN, DEN-D, DEN-G, DEN-A | 62.85% | 60.30% | 76.59% | 80.93% | |
| SP, SP-D, SP-G, SP-A, DEN, DEN-D, DEN-G, DEN-A | 63.01% | 63.18% | 76.13% | 78.88% | |
| SP, SP-D, SP-G, SP-A, GR, GR-D, GR-G, GR-A | 62.27% | 66.56% | 76.81% | 82.90% | |
| DEN, DEN-D, DEN-G, DEN-A, GR, GR-D, GR-G, GR-A, SP, SP-D, SP-G, SP-A | 60.13% | 65.44% | 81.53% | 86.49% | |
4. Conclusions
Author Contributions
Funding
Institutional Review Board Statement
Informed Consent Statement
Data Availability Statement
Acknowledgments
Conflicts of Interest
References
- Cao, G.H.; Hu, Y.H.; Zhang, Q.W. Study on the method of identification of sedimentary microfacies using well logging data. Sci. Technol. Eng. 2007, 7, 3674–3680. [Google Scholar] [CrossRef]
- Ding, F.; Zhang, J.L.; Xie, J. Fine description of structure and sedimentary microfacies of Li32 block of Lijin oilfield, Dongying depression, China. Arab. J. Geosci. 2014, 7, 1693–1704. Available online: https://link.springer.com/article/10.1007/s12517-013-0972-8 (accessed on 8 September 2023).
- Chen, W.F. Gamma log trend facies in the Choshui Fan-delta, Taiwan. Terr. Atmos. Ocean Sci. 1998, 9, 633–642. [Google Scholar] [CrossRef]
- Deng, R.; Meng, F. On logging curves fine delamination to identify sedimentary microfacies. Well Logging Technol. 2010, 34, 554–558. [Google Scholar] [CrossRef]
- Chen, Y.F.; Peng, S.M. Quantitative study on sedimentary microfacies. Petrol. Explor. Dev. 2003, 30, 51–53. [Google Scholar] [CrossRef]
- Li, Y.M.; Anderson-Sprecher, R. Facies identification from well logs: A comparison of discriminant analysis and naïve Bayes classifier. J. Petrol. Sci. Eng. 2006, 53, 149–157. [Google Scholar] [CrossRef]
- Saggaf, M.M.; Nebrija, E.L. A fuzzy logic approach for the estimation of facies from wire-line logs. AAPG Bull. 2003, 87, 1223–1240. [Google Scholar] [CrossRef]
- Moradi, M.; Tokhmechi, B.; Masoudi, P. Inversion of well logs into rock types, lithofacies and environmental facies, using pattern recognition, a case study of carbonate Sarvak Formation. Carbonates Evaporites 2019, 34, 335–347. Available online: https://link.springer.com/article/10.1007/s13146-017-0388-8 (accessed on 8 September 2023). [CrossRef]
- Ai, X.; Wang, H.Y.; Sun, B.T. Automatic identification of sedimentary facies based on a support vector machine in the Aryskum Graben, Kazakhstan. Appl. Sci. 2019, 9, 4489. [Google Scholar] [CrossRef]
- Wang, D.H.; Peng, J.; Yu, Q.; Chen, Y.Y.; Yu, H.H. Support vector machine algorithm for automatically identifying depositional microfacies using well logs. Sustainability 2019, 11, 1919. [Google Scholar] [CrossRef]
- Kuang, L.C.; Liu, H.; Ren, Y.L.; Luo, K.; Shi, L.Y.; Su, J.; Li, X. Application and development trend of artificial intelligence in petroleum exploration and development. Petrol. Explor. Dev. 2021, 48, 1–11. [Google Scholar] [CrossRef]
- Saggaf, M.M.; Nebrija, E.L. Estimation of lithologies and depositional facies from wire-line logs. AAPG Bull. 2000, 84, 1633–1646. [Google Scholar] [CrossRef]
- Li, W.B.; Yu, Y.L.; Wang, J.Q.; Ye, B.; Xin, W. Application of self-organizing neural network method in logging sedimentary microfacies identification. Adv. Mater. Res. 2013, 616, 38–42. [Google Scholar] [CrossRef]
- Bhatt, A.; Helle, H.B. Determination of facies from well logs using modular neural networks. Petrol. Geosci. 2002, 8, 217–228. [Google Scholar] [CrossRef]
- Zhang, J.; Liu, S.; Li, J.; Liu, L.; Liu, H.; Sun, Z. Identification of sedimentary facies with well logs: An indirect approach with multinomial logistic regression and artificial neural network. Arab. J. Geosci. 2017, 10, 247–253. Available online: https://link.springer.com/article/10.1007/s12517-017-3045-6 (accessed on 8 September 2023). [CrossRef]
- He, J.H.; La-Croix, A.D.; Wang, J.H.; Ding, W.L.; Underschultz, J.R. Using neural networks and the Markov Chain approach for facies analysis and prediction from well logs in the Precipice Sandstone and Evergreen Formation, Surat Basin, Australia. Mar. Petrol. Geol. 2019, 101, 410–427. [Google Scholar] [CrossRef]
- John, D.; Zhang, C. An attention-based U-Net for detecting deforestation within satellite sensor imagery. Int. J. Appl. Earth Obs. 2022, 107, 102685. [Google Scholar] [CrossRef]
- Xu, Q.; Ma, Z.C.; Na, H.; Duan, W.T. DCSAU-Net: A deeper and more compact split-attention U-Net for medical image segmentation. Comput. Biol. Med. 2023, 154, 106626. [Google Scholar] [CrossRef]
- Wang, H.Y.; Xie, S.A.; Lin, L.F.; Lwamoto, Y.; Han, X.H.; Chen, Y.W.; Tong, R.F. Mixed Transformer U-Net for Medical Image Segmentation. In Proceedings of the ICASSP 2022–2022 IEEE International Conference on Acoustics, Speech and Signal Processing, Singapore, 27 April 2022. [Google Scholar] [CrossRef]
- Ibtehaz, N.; Rahman, M.S. MultiResUNet: Rethinking the U-Net architecture for multimodal biomedical image segmentation. Neural Netw. 2020, 121, 74–87. [Google Scholar] [CrossRef]
- He, K.M.; Zhang, X.Y.; Ren, S.Q.; Sun, J. Deep residual learning for image recognition. In Proceedings of the IEEE Conference on Computer Vision and Pattern Recognition, Las Vegas, NV, USA, 27–30 June 2016. [Google Scholar] [CrossRef]
- Liu, H.; Chen, P.; Xia, H. Automatic Identification of Sedimentary Microfacies with Log Data and Its Application. Well Logging Technol. 2006, 30, 233–236. [Google Scholar] [CrossRef]
- Ren, G.F.; Tian, Z.M. Application of Self-Organizing Competitive Network in Lithologic Identification of the Logging Data. In Proceedings of the 2012 International Conference on Computing, Measurement, Taiyuan, China, 7–9 July 2012. [Google Scholar] [CrossRef]
- Simard, P.Y.; Steinkraus, D.; Platt, J.C. Best Practices for Convolutional Neural Networks Applied to Visual Document Analysis. In Proceedings of the Seventh International Conference on Document Analysis and Recognition, Edinburgh, UK, 6 August 2003. [Google Scholar] [CrossRef]
- Chen, J.; Zeng, Y. Application of Machine Learning in Rock Facies Classification with Physics-Motivated Feature Augmentation. In Proceedings of the ICML 2018: International Conference on Machine Learning, Stockholm, Sweden, 10–15 July 2018. [Google Scholar] [CrossRef]
- Ma, A.; Zhang, S.C.; Zhang, D.J. Ruthenium-ion-catalyzed oxidation of asphaltenes of heavy oils in Lunnan and Tahe oilfields in Tarim Basin, NW China. Org. Geochem. 2008, 39, 1502–1511. [Google Scholar] [CrossRef]
- Wang, Z.D.; Wang, X.H.; Wang, J.F.; He, Y.B.; Hu, Z.H.; Fang, H.F.; Liu, H. Triassic sedimentary microfacies in the second and third well fields in the Lunnan Oil Field, Tarim Basin. Sediment. Geol. Tethyan Geol. 2008, 28, 66–74. Available online: http://en.cgsjournals.com/article/id/cjyttsdz_20080312 (accessed on 8 September 2023).
- Zhong, L.X.Z.; Fu, H.; Liu, Y.T.; Chen, J. Sedimentary facies of Triassic-Jurassic formation in Yuqi area, Tarim Basin. Lithol. Reserv. 2013, 25, 29–34. [Google Scholar] [CrossRef]
- Lai, J.; Fan, X.C.; Liu, B.C.; Pang, X.J.; Zhu, S.F.; Xie, W.B.; Wang, G.W. Qualitative and quantitative prediction of diagenetic facies via well logs. Mar. Petrol. Geol. 2020, 120, 104486. [Google Scholar] [CrossRef]
- Zhao, P.Q.; Ostadhassan, M.; Shen, B.; Liu, W.H.; Abarghani, A.; Liu, K.Q.; Luo, M.; Cai, J.C. Estimating thermal maturity of organic-rich shale from well logs: Case studies of two shale plays. Fuel 2019, 235, 1195–1206. [Google Scholar] [CrossRef]















| Predictive Label | ||||
|---|---|---|---|---|
| A | B | C | ||
| True label | A | PAA | PAB | PAC |
| B | PBA | PBB | PBC | |
| C | PCA | PCB | PCC | |
| Learning Rate | 10−1 | 10−2 | 10−3 | 5 × 10−4 | 10−4 | 10−5 | 10−6 |
| Acc (%) | 37.82 | 27.18 | 84.02 | 83.10 | 86.42 | 80.24 | 78.80 |
| Batch size | 1 | 2 | 4 | 6 | 8 | 16 | 32 |
| Acc (%) | 82.23 | 80.69 | 83.42 | 86.98 | 76.24 | 79.18 | 76.18 |
| Downsampling Times | 1 | 2 | 3 | ||||
| Acc (%) | 73.95 | 84.69 | 81.86 | ||||
| S/N | Data without Noise | 12 | 10 | 8 | 5 | 3 | 2 |
|---|---|---|---|---|---|---|---|
| Improved U-net | 86.49% | 78.36% | 72.68% | 62.44% | 36.43% | 10.53% | 11.23% |
| Raw U-net | 81.53% | 70.46% | 71.34% | 54.95% | 22.35% | 12.61% | 9.65% |
Disclaimer/Publisher’s Note: The statements, opinions and data contained in all publications are solely those of the individual author(s) and contributor(s) and not of MDPI and/or the editor(s). MDPI and/or the editor(s) disclaim responsibility for any injury to people or property resulting from any ideas, methods, instructions or products referred to in the content. |
© 2023 by the authors. Licensee MDPI, Basel, Switzerland. This article is an open access article distributed under the terms and conditions of the Creative Commons Attribution (CC BY) license (https://creativecommons.org/licenses/by/4.0/).
Share and Cite
Cai, H.; Hu, Y.; Zhang, L.; Su, M.; Yuan, C.; Zhao, Y. Deep Learning Logging Sedimentary Microfacies via Improved U-Net. Appl. Sci. 2023, 13, 10862. https://doi.org/10.3390/app131910862
Cai H, Hu Y, Zhang L, Su M, Yuan C, Zhao Y. Deep Learning Logging Sedimentary Microfacies via Improved U-Net. Applied Sciences. 2023; 13(19):10862. https://doi.org/10.3390/app131910862
Chicago/Turabian StyleCai, Hanpeng, Yongxiang Hu, Liyu Zhang, Mingjun Su, Cheng Yuan, and Yuting Zhao. 2023. "Deep Learning Logging Sedimentary Microfacies via Improved U-Net" Applied Sciences 13, no. 19: 10862. https://doi.org/10.3390/app131910862
APA StyleCai, H., Hu, Y., Zhang, L., Su, M., Yuan, C., & Zhao, Y. (2023). Deep Learning Logging Sedimentary Microfacies via Improved U-Net. Applied Sciences, 13(19), 10862. https://doi.org/10.3390/app131910862

