A Risk Assessment Method of Power Transformer Based on Three-Parameter Interval Grey Number Decision-Making
Abstract
:1. Introduction
2. Risk Assessment Framework
2.1. Transformer Risk Index
2.2. Classification of Transformer Risk Grades
2.3. Cloud Matter-Element Model
3. Quantification of Risk Index
3.1. Equipment Fault Probability
- (1)
- Normalize the proximity degree of each condition grade of the transformer. At this point, the value range of the transformer health index is [0, 100], and the calculation formula is as follows:where k is the number of grades and dk is the proximity degree of each condition grade.
- (2)
- Transform the transformer condition assessment vector information into the corresponding health index value [23]:where Dm is the condition evaluation vector and Dm (Zn) is the proximity degree of evaluation vector support for each grade.
- (3)
- The equipment health index is converted into equipment fault probability [24]; the specific formula is as follows:
3.2. Equipment Importance Degree
3.3. Loss Degree
4. Probability Distribution of Loss Degree Based on Three-Point Estimation Method
4.1. Uncertain Variables Model
4.1.1. Probabilistic Model of Load
4.1.2. Probabilistic Model of Wind Power Generation
4.2. Correlation Processing
- (1)
- Supposing the input n correlation non-normal random variables are , the correlation coefficient matrix is and the corresponding element is , which can be made certain by Equation (17):where is the covariance of variables and , and and represent the standard deviations of variables and , respectively.
- (2)
- Supposing the independent standard random variables are Y and its correlation coefficient matrix and corresponding elements are represented by and respectively, variables X and Y satisfy the following conversion relation:where and represent the inverse distribution functions and the cumulative distribution functions of X, respectively. and satisfy the following formula:
- (3)
- The obtained is a positive definite matrix. By Cholesky decomposition can be obtained and the lower triangular matrix G can be obtained. The independent random variable is obtained by using .
4.3. Three-Point Estimation Method
5. Risk Assessment Method Based on Three-Parameter Interval Grey Number Decision-Making
5.1. Risk Probability Interval
5.2. Three-Parameter Interval Grey Number Decision-Making
5.3. Risk Assessment Process
- (1)
- According to the existing research and relevant guidelines, the selection of equipment fault probability P, equipment importance E, and loss degree Loss are used as risk indexes in the paper, the transformer risk is divided into five grades (N1~N5), and the corresponding risk range of each grade is represented by the normal cloud model, as shown in Table 1.
- (2)
- The evaluation results based on [18] and the equipment fault probability P are calculated by Equations (3)~(6).
- (3)
- According to the voltage grades and capacity of the transformer, the equipment importance E was determined as shown in Table 2.
- (4)
- The PDF and CDF of random variable and their correlation coefficients are input, and the correlation of random variables is eliminated through the Nataf transformation and Cholesky decomposition.
- (5)
- The system cutting load is calculated by the probabilistic power flow model based on the three-point estimation method, the loss degree is determined by Formula (13), and the risk value R is obtained according to Formula (1).
- (6)
- According to Formula (22), the origin moments of each order of the output variable R is obtained, and then the PDF and CDF are obtained by the Cornish–Fisher series expansion—that is, = R = [,,] and .
- (7)
- The three-parameter interval gray number distance measurement formula is introduced as Formula (24), and the final risk grade of the transformer is judged by measuring the distance between A(⨂) and B(⨂).
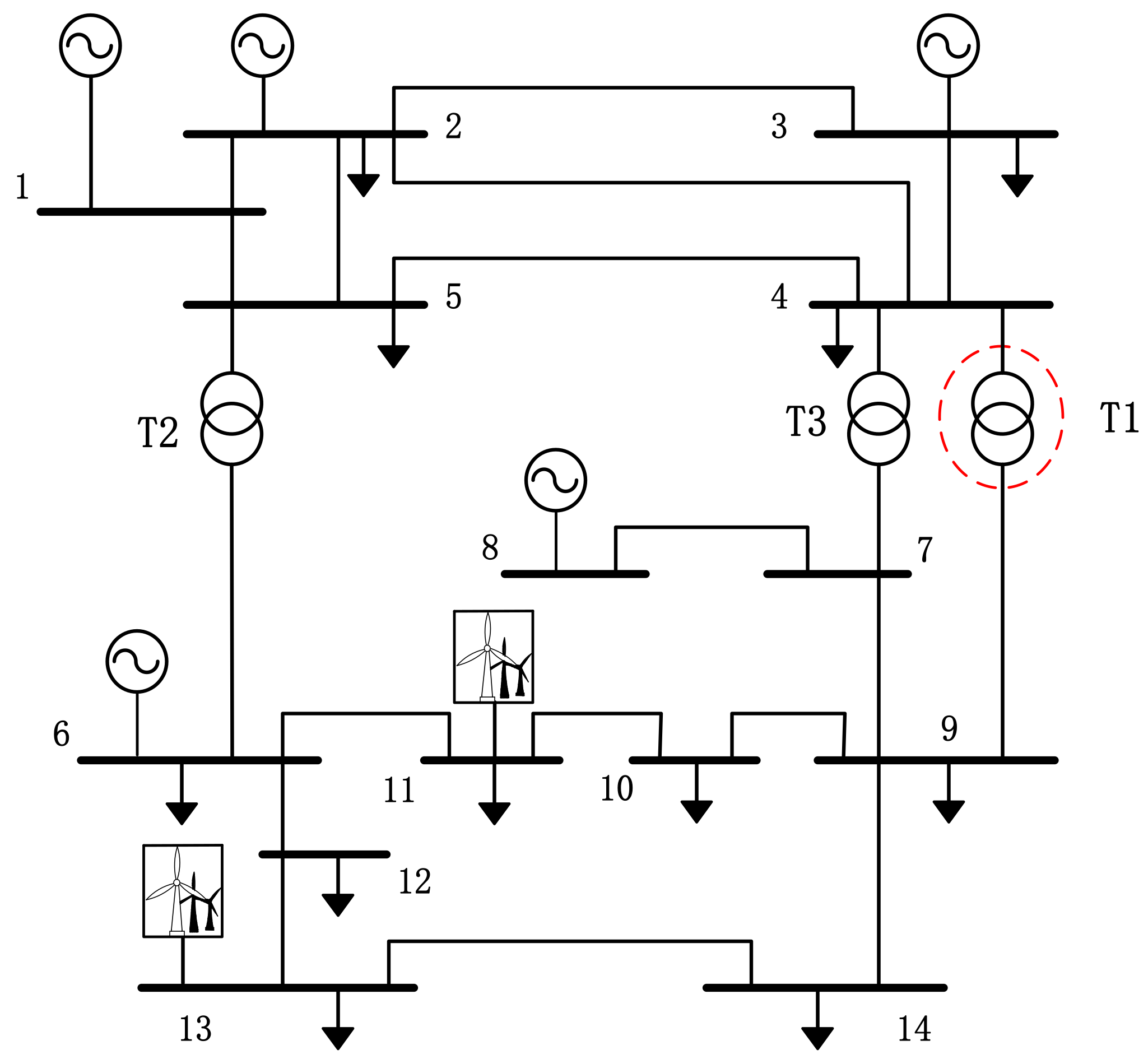
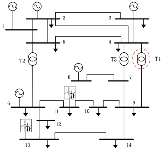
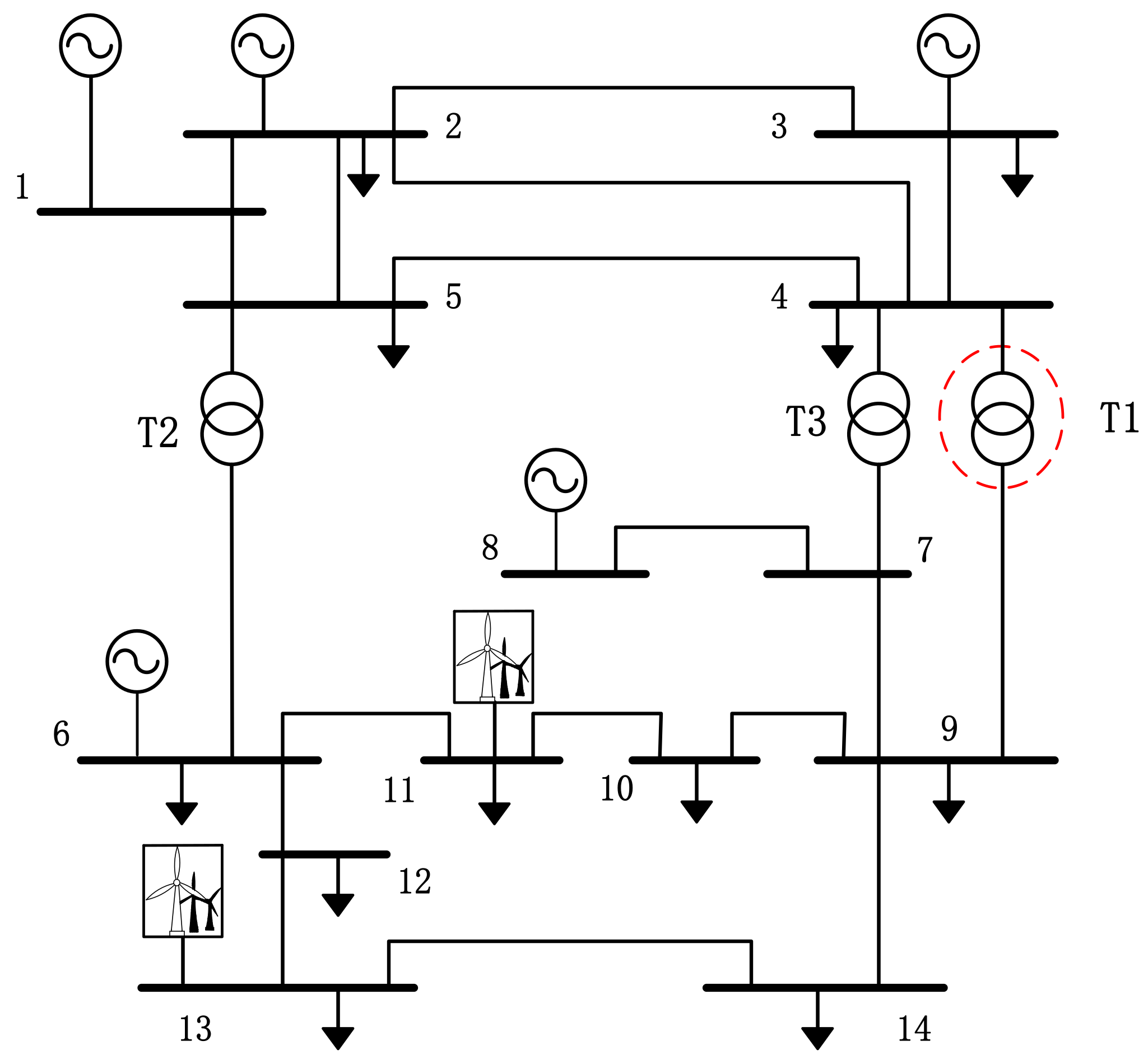
6. Case Analysis
6.1. Index Solution and Method Validation
6.2. Analysis of Evaluation Measures
6.3. Analysis of Influence Factors
- (1)
- (2)
- (3)
- To discuss the impact of different operating loss degrees on the risk, the evaluation results corresponding to T2 fault and T1 fault of Transformer 1 were analyzed, as shown in Table 14.
- (4)
- The influence of different access positions of wind turbines on the evaluation results were discussed and the evaluation results corresponding to wind turbine access system nodes 5 and 9, nodes 11 and 9, and nodes 11 and 13 when the fault was at T1 were analyzed, as shown in Table 15.
7. Conclusions
Author Contributions
Funding
Conflicts of Interest
Appendix A
| Test Object | Test Group | Condition Grade | Evaluation Result | ||||
|---|---|---|---|---|---|---|---|
| H1 | H2 | H3 | H4 | H5 | |||
| Transformer 1 | First group | 0.8203 | 0.8779 | 0.8380 | 0.7033 | 0.6819 | Overall attention condition |
| Second group | 0.6968 | 0.7342 | 0.7522 | 0.9176 | 0.7857 | Abnormal condition | |
| Transformer 2 | First group | 0.7998 | 0.8512 | 0.8655 | 0.7327 | 0.6987 | Attentional condition |
| Second group | 0.7058 | 0.7330 | 0.8067 | 0.8104 | 0.8091 | Abnormal condition | |
References
- Du, W.; Bi, J.; Wang, T.; Wang, H. Impact of grid connection of large-scale wind farms on power system small-signal angular stability. CSEE J. Power Energy Syst. 2015, 1, 83–89. [Google Scholar] [CrossRef]
- Shu, Y.; Tang, Y. Analysis and recommendations for the adaptability of China’s power system security and stability relevant standards. CSEE J. Power Energy Syst. 2017, 3, 334–339. [Google Scholar] [CrossRef]
- Soni, R.; Mehta, B. Review on asset management of power transformer by diagnosing incipient faults and faults identification using various testing methodologies. Eng. Fail. Anal. 2021, 128, 105634. [Google Scholar] [CrossRef]
- Murugan, R.; Ramasamy, R. Understanding the power transformer component failures for health index-based maintenance planning in electric utilities. Eng. Fail. Anal. 2019, 96, 274–288. [Google Scholar] [CrossRef]
- Islam, M.M.; Lee, G.; Hettiwatte, S.N. A review of condition monitoring techniques and diagnostic tests for lifetime estimation of power transformers. Electr. Eng. 2018, 100, 581–605. [Google Scholar] [CrossRef]
- Chen, J.M.; Bi, T.S.; Sun, M. Study on quality risk assessment for power transformer based on fault tree analysis. In Proceedings of the 2016 China International Conference on Electricity Distribution (CICED), Xi’an, China, 10–13 August 2016; pp. 1–4. [Google Scholar]
- Chen, J.; Li, Y.; Zhao, H.; Wu, L.; Wei, F.; Qin, X. Study on risk assessment for power transformer. In Proceedings of the 2016 IEEE International Conference on Power System Technology (POWERCON), Wollongong, Australia, 28 September–1 October 2016; pp. 1–4. [Google Scholar]
- Lin, D.; Xu, Y.Y.; Liang, Y.; Li, Y.; Liu, N.; Zhang, G.J. A risk assessment method of transformer considering the economy and reliability of power network. In Proceedings of the 2017 1st International Conference on Electrical Materials and Power Equipment (ICEMPE), Xi’an, China, 14–17 May 2017; pp. 594–597. [Google Scholar]
- He, D.; Zhang, Y.; Guo, C.; Zhang, J.; Liu, H.; Duan, Y. Failure probability model of transmission and transformation equipment for risk assessment. In Proceedings of the 2016 IEEE Power and Energy Society General Meeting (PESGM), Boston, MA, USA, 17–21 July 2016; pp. 1–5. [Google Scholar]
- Andrés, A.; Quote, R.; Gómez, H.D.; Molina, J.D.; Moreno, G. A Practical method for risk assessment in power transformer fleets. DYAN 2017, 84, 11–18. [Google Scholar]
- Chen, Q.; Xiong, X.; Xiao, C.; He, L.; Pu, Y.; Chen, H. The Probabilistic Assessment of Outgoing Transformer Operation Risk Considering the Correlation Between Wind Power and Photovoltaic. In Proceedings of the 2019 IEEE Sustainable Power and Energy Conference (iSPEC), Beijing, China, 21–23 November 2019; pp. 1785–1790. [Google Scholar]
- Suwanasri, T.; Suwanasri, C.; Phadungthin, R. Risk Assessment Based on Condition and Importance Criteria for Power Transformer in Thailand Transmission Network. IEEJ Trans. Electr. Electron. Eng. 2015, 10, 18–27. [Google Scholar] [CrossRef]
- Taengko, K.; Damrongkulkamjorn, P. Risk assessment for power transformers in PEA substations using health index. In Proceedings of the 2013 10th International Conference on Electrical Engineering/Electronics, Computer, Telecommunications and Information Technology, Krabi, Thailand, 15–17 May 2013; pp. 1–6. [Google Scholar]
- Liu, H.; Wang, Z.; Wang, X. Transformer risk assessment model under condition based maintenance. In Proceedings of the 2017 IEEE 2nd Information Technology, Networking, Electronic and Automation Control Conference (ITNEC), Chengdu, China, 15–17 December 2017; pp. 1–5. [Google Scholar]
- Wang, Y.; Zhao, X.; Bian, J.; Liao, R.; Yang, L. Cloud model-based risk assessment of power transformer. In Proceedings of the 2012 International Conference on High Voltage Engineering and Application, Shanghai, China, 17–20 September 2012; pp. 544–547. [Google Scholar]
- Xiong, W.; Zhang, H.; Xie, Z.; Han, X.; Lin, X. Risk assessment of power transformer potential fault based on cloud theory and entropy weight methods. Electr. Power Autom. Equip. 2018, 38, 125–130. [Google Scholar]
- Bian, J.; Sun, X.; Yang, S.; Wang, M. Risk Assessment and Working-out of Maintenance Strategy for Power Transformer Based on Cloud Model. High Volt. Eng. 2015, 41, 3342–3347. [Google Scholar]
- Yu, H.; Yuan, W.; Wang, M.; Zhang, H.; Xiong, W.; Yuan, X.; Zou, X. Comprehensive Condition Assessment of Power Transformer Based on Asymmetric Nearness Degree Evidence Cloud Matter-element Model. Power Syst. Technol. 2021, 45, 3706–3713. [Google Scholar]
- Wang, M. A novel extension method for transformer fault diagnosis. IEEE Trans. Power Deliv. 2003, 18, 164–169. [Google Scholar] [CrossRef] [Green Version]
- Bagheri, M.; Zollanvari, A.; Nezhivenko, S. Transformer Fault Condition Prognosis Using Vibration Signals Over Cloud Environment. IEEE Access 2018, 6, 9862–9874. [Google Scholar] [CrossRef]
- Yu, H.; Yu, Y.; Wang, M.; Xiong, W.; Yuan, X.; Zou, X. A Power Transformer Condition Assessment Method Based on Fuzzy Nearness Degree and Improved Cloud Matter-element Model. In Proceedings of the 2021 IEEE 4th International Electrical and Energy Conference (CIEEC), Wuhan, China, 28–30 May 2021; pp. 1–6. [Google Scholar]
- Dong, J.; Wang, D.; Liu, D.; Ainiwaer, P.; Nie, L. Operation health assessment of power market based on improved matter-element extension cloud model. Sustainability 2019, 11, 5470. [Google Scholar] [CrossRef] [Green Version]
- Dong, M.; Zheng, H.; Zhang, Y.; Shi, K.; Yao, S.; Kou, X.; Ding, G.; Guo, L. A Novel Maintenance Decision Making Model of Power Transformers Based on Reliability and Economy Assessment. IEEE Access 2019, 7, 28778–28790. [Google Scholar] [CrossRef]
- Yang, H.; Zhe, Z.; Yin, X.; Han, J.; Yong, W.; Chen, G. A Novel Short-Term Maintenance Strategy for Power Transmission and Transformation Equipment Based on Risk-Cost-Analysis. Energies 2017, 10, 1865. [Google Scholar] [CrossRef] [Green Version]
- Xia, S.; Luo, X.; Chan, K.W.; Zhou, M.; Li, G. Probabilistic Transient Stability Constrained Optimal Power Flow for Power Systems With Multiple Correlated Uncertain Wind Generations. IEEE Trans. Sustain. Energy 2016, 7, 1133–1144. [Google Scholar] [CrossRef]
- Huang, D.; Li, H.; Cai, G.; Huang, N.; Yu, N.; Huang, Z. An Efficient Probabilistic Approach Based on Area Grey Incidence Decision Making for Optimal Distributed Generation Planning. IEEE Access 2019, 7, 93175–93186. [Google Scholar] [CrossRef]
- Liu, P.L.; Kiureghian, A.D. Multivariate distribution models with prescribed marginals and covariances. Probabilistic Eng. Mech. 1986, 1, 105–112. [Google Scholar] [CrossRef]
- Fan, M.; Vittal, V.; Heydt, G.T.; Ayyanar, R. Probabilistic Power Flow Studies for Transmission Systems With Photovoltaic Generation Using Cumulants. IEEE Trans. Power Syst. 2012, 27, 2251–2261. [Google Scholar] [CrossRef]
- Luo, D.; Mao, W.; Sun, H. Grey dominance-based rough set approach to decision system with three-parameter interval grey number. In Proceedings of the 2016 IEEE International Conference on Systems, Man, and Cybernetics (SMC), Budapest, Hungary, 9–12 October 2016; pp. 965–970. [Google Scholar]
- Li, Y.; Niu, Y.; Wang, W.; Li, B. Grey-incidence clustering decision-making method with three-parameter interval grey number based on regret theory. In Proceedings of the 2017 International Conference on Grey Systems and Intelligent Services (GSIS), Stockholm, Sweden, 8–11 August 2017; pp. 211–218. [Google Scholar]





| Risk Grades | Cloud Model Parameters |
|---|---|
| Low N1 | (6.00, 3.55, 0.36) |
| Normal N2 | (30.00, 10.64, 1.06) |
| Medium N3 | (78.40, 17.74, 1.78) |
| Large N4 | (150.00, 24.83, 2.48) |
| Major N5 | (246.00, 31.93, 3.19) |
| Voltage Grades (kV) | Capacities (MVA) | Value Range |
|---|---|---|
| 220 | 120 | 4 |
| 150 | 5 | |
| 180 | 6 | |
| 110 | 20 | 1.5 |
| 31.5 | 2 | |
| 40 | 2.5 |
| Node | ||
|---|---|---|
| 1 | 0 | 332.4 |
| 2 | 0 | 140 |
| 3 | 0 | 100 |
| 6 | 0 | 100 |
| 8 | 0 | 100 |
| Node | 2 | 3 | 4 | 5 | 6 | 9 |
|---|---|---|---|---|---|---|
| (MW) | 100 | 430 | 220 | 35 | 50 | 135 |
| Node | 10 | 11 | 12 | 13 | 14 | - |
| (MW) | 45 | 15 | 30 | 60 | 68 | - |
| Test Object | Voltage Grades (kV) | Capacities (MVA) |
|---|---|---|
| Transformer 1 | 220 | 120 |
| Transformer 2 | 150 |
| Test Object | Test Group | Equipment Fault Probability | Equipment Importance |
|---|---|---|---|
| Transformer 1 | First group | 0.0938 | 4 |
| Second group | 0.1186 | ||
| Transformer 2 | First group | 0.0974 | 5 |
| Second group | 0.1160 |
| Index | Loss Degree/% |
|---|---|
| 0.0555 | |
| 1.7457 |
| N1 | N2 | N3 | N4 | N5 |
|---|---|---|---|---|
| [−0.15, 6.00, 12.15] | [11.57, 30.00, 48.43] | [47.28, 78.00, 108.72] | [106.99, 150.00, 193.01] | [190.70, 246.00, 301.30] |
| Test Group | Evaluation Result | ||||||
|---|---|---|---|---|---|---|---|
| d1(A, B) | d2(A, B) | d3(A, B) | d4(A, B) | d5(A, B) | |||
| First group | [52.29, 74.89, 97.50] | 69.67 | 44.97 | 6.00 | 76.21 | 172.35 | Medium risk |
| Second group | [65.19, 94.19, 123.18] | 89.36 | 64.53 | 16.22 | 56.51 | 152.72 | Overall large risk |
| Test Group | Method | Risk Value (10,000 RMB) | Evaluation Result |
|---|---|---|---|
| First group | ① | 136.31 | Large risk |
| ② | 74.89 | Medium risk | |
| ③ | [52.29, 74.89, 97.50] | Medium risk | |
| Second group | ① | 179.24 | Large risk |
| ② | 94.19 | Medium risk | |
| ③ | [65.19, 94.19, 123.18] | Overall large risk |
| Test Group | Method | Risk Value (10,000 RMB) | Evaluation Result |
|---|---|---|---|
| First group | [8] | 143.69 | Large risk |
| [23] | 189.98 | Large risk | |
| Proposed method | [52.29, 74.89, 97.50] | Medium risk | |
| Second group | [8] | 181.68 | Large risk |
| [23] | 240.21 | Major risk | |
| Proposed method | [65.19, 94.19, 123.18] | Overall large risk |
| Test Group | Fault Probability | Risk Value (10,000 RMB) | Evaluation Result |
|---|---|---|---|
| First group | 0.0938 | [52.29, 74.89, 97.50] | Medium risk |
| Second group | 0.1186 | [65.19, 94.19, 123.18] | Overall large risk |
| Test Group | Equipment Importance | Equipment Fault Probability | Risk Value (10,000 RMB) | Evaluation Result |
|---|---|---|---|---|
| First group | 4 | 0.0938 | [52.29, 74.89, 97.50] | Medium risk |
| First group | 5 | 0.0974 | [67.87, 97.21, 126.55] | Overall large risk |
| Test Group | Fault Position | Risk Value (10,000 RMB) | Evaluation Result |
|---|---|---|---|
| First group | T1 | [52.29, 74.89, 97.50] | Medium risk |
| T2 | [60.67, 83.30, 105.93] | Medium risk | |
| Second group | T1 | [65.19, 94.19, 123.18] | Overall large risk |
| T2 | [78.94, 109.55, 140.15] | Overall large risk |
| Test Object | Test Group | Access Positions | Risk Value (10,000RMB) | Evaluation Result |
|---|---|---|---|---|
| Transformer 1 | First group | 11, 13 | [52.29, 74.89, 97.50] | Medium risk |
| 5, 9 | [44.44, 69.85, 93.26] | Medium risk | ||
| 11, 9 | [48.80, 69.39, 89.98] | Medium risk | ||
| Transformer 1 | Second group | 11, 13 | [65.19, 94.19, 123.18] | Overall large risk |
| 5, 9 | [56.86, 88.32, 119.77] | Medium risk | ||
| 11, 9 | [61.11, 87.73, 114.35] | Medium risk |
Publisher’s Note: MDPI stays neutral with regard to jurisdictional claims in published maps and institutional affiliations. |
© 2022 by the authors. Licensee MDPI, Basel, Switzerland. This article is an open access article distributed under the terms and conditions of the Creative Commons Attribution (CC BY) license (https://creativecommons.org/licenses/by/4.0/).
Share and Cite
Yu, H.; Xiong, W.; Xu, K.; Yu, Y.; Yuan, X.; Zou, X.; Xiao, L. A Risk Assessment Method of Power Transformer Based on Three-Parameter Interval Grey Number Decision-Making. Appl. Sci. 2022, 12, 3480. https://doi.org/10.3390/app12073480
Yu H, Xiong W, Xu K, Yu Y, Yuan X, Zou X, Xiao L. A Risk Assessment Method of Power Transformer Based on Three-Parameter Interval Grey Number Decision-Making. Applied Sciences. 2022; 12(7):3480. https://doi.org/10.3390/app12073480
Chicago/Turabian StyleYu, Hongbo, Wei Xiong, Kui Xu, Yunwen Yu, Xufeng Yuan, Xiaosong Zou, and Ling Xiao. 2022. "A Risk Assessment Method of Power Transformer Based on Three-Parameter Interval Grey Number Decision-Making" Applied Sciences 12, no. 7: 3480. https://doi.org/10.3390/app12073480
APA StyleYu, H., Xiong, W., Xu, K., Yu, Y., Yuan, X., Zou, X., & Xiao, L. (2022). A Risk Assessment Method of Power Transformer Based on Three-Parameter Interval Grey Number Decision-Making. Applied Sciences, 12(7), 3480. https://doi.org/10.3390/app12073480
