Abstract
This study aimed to investigate the shear performance of reinforced concrete corbels and to evaluate the accuracy and safety of the Chinese code GB 50010-2010’s triangular truss model and the American code ACI 318-19’s strut-and-tie model under various design parameters with a specified design load. A total of 22 corbel specimens with different dimensions and reinforcement configurations were designed and simulated using the finite element software ABAQUS 2020, incorporating the microplane M7 material model, which was validated against experimental data. The findings reveal that for corbels with high-strength concrete or larger shear spans, the Chinese code offers a higher safety margin. Conversely, the safety margin according to the American code initially increases and then decreases with the enhancement of concrete strength, while changes in the shear span have an insignificant impact on the safety margin, which tends to decrease as the shear span increases. Additionally, the inclusion of stirrup reinforcement significantly improves the load-bearing capacity of corbels, with an increase ranging from 15% to 46% compared to those without stirrups.
1. Introduction
Reinforced concrete corbels, serving as vertical load-bearing elements that provide cantilever support, are extensively utilized in various structural applications such as industrial buildings, road and bridge engineering, hydraulic structures, and power plant facilities. Particularly in precast concrete structures, corbels are favored for their convenient and rapid connection during construction, allowing for the efficient assembly of precast beams and columns through corbel joints. These corbels play a pivotal role in transferring loads from the beams to the columns, acting as a critical force transmission hub.
Despite the widespread use of corbels, their complex force characteristics and susceptibility to shear failure, which is a brittle mode of failure, pose significant challenges in design and safety. The current design codes, such as those from China, the United States, Europe, and Canada [1,2,3,4,5], offer guidance based on different theoretical models, including the triangular truss model, the strut-and-tie model (STM), and shear friction theory. However, these models, often semi-empirical, may not fully capture the influence of key parameters on the strength of corbels, as noted in some studies [6,7,8].
While experimental studies [9,10,11,12,13,14,15,16] have long been the cornerstone of research on corbel behavior, the advancement of computational techniques and finite element software has enabled more accessible and insightful nonlinear analyses of reinforced concrete corbels. Such analyses not only reduce costs but also reveal internal force conditions that are difficult to observe in experiments.
Despite the potential of numerical analysis, there is a dearth of studies focusing on the simulation of reinforced concrete corbels. This highlights the need for an effective and experimentally validated numerical model to predict the load-bearing capacity of corbels and guide engineering design.
The current literature predominantly investigates the influence of various parameters on the load-bearing capacity of corbels and evaluates the accuracy and applicability of different codes and formulas [17,18]. However, the impact of parameter variations on the accuracy of codes, while maintaining the same design load capacity, remains underexplored. In order to explore this issue, this study utilized ABAQUS software and the microplane M7 material model to simulate 13 corbel specimens, with the simulation results closely matching the experimental data in terms of load-bearing capacity, deformation, and failure modes. Building on this foundation, a numerical analysis was conducted on 22 corbel specimens with a design load of 750 kN to assess the accuracy and safety of Chinese and American code methods under varying concrete strengths, shear spans, and corbel heights. Additionally, this study explored the impact of the stirrup configuration on the load-bearing capacity of corbel components and the influence of design parameters on the strut coefficient in corbel components. The uniqueness of this study lies in comparing the responses of different code methods to key design parameter variations while maintaining a consistent design load constraint, aiming to provide insights that may aid in the design of corbels with a higher load-bearing capacity and economic optimization, thereby enhancing the economic benefits and safety standards.
2. The Establishment of a Finite Element Model
2.1. Material Models
A 3D detailed reinforced concrete numerical model was developed using ABAQUS finite element software. The microplane M7 material model [19,20] was utilized to simulate the nonlinear mechanical behavior of concrete materials.
The accuracy of a material’s constitutive model determines the precision and effectiveness of finite element structural analysis. Existing concrete material models can be classified into two categories: (1) the macroscopic model, which simplifies material behavior from complex microstructural stress transfer mechanisms to an average stress–strain relationship at the continuum level, establishing the material’s constitutive relationship by directly providing the correlation between macroscopic stress and strain [21]; (2) the microscopic model, which describes material behavior at the microscopic level, focusing on the phenomena that cause macroscopic behavior, such as the development of micro-cracks, and characterizes material behavior through mathematical modeling of the microscopic mechanisms.
The microplane material model falls into the category of microscopic models. The initial concept of the microplane theory originated from Taylor, who proposed that the constitutive relationship of polycrystalline metals could be established by considering the stress–strain relationship on various planes within the material. Taylor suggested that under static or dynamic conditions, the macroscopic stress or strain tensor is the sum of stress or strain vectors acting on all planes. Bažant et al. [22] extended Taylor’s concept to brittle materials with softening properties, such as concrete, and introduced the microplane model.
Using the secondary development platform of ABAQUS finite element software, the microplane M7 material model subroutine [20] was integrated into the program for analysis and calculation, utilizing the user-defined interface provided by the program. In the microplane M7 material model, the values of k1, k2, k3, and k4 are taken to be 0.00035, 50, 25, and 65, respectively, with all other parameters adopting their default values. The Poisson’s ratio for concrete is taken as 0.18. In the absence of an experimentally determined elastic modulus, the elastic modulus E is calculated using the formula E = 4700 × fc0.5, where fc is the cylinder compressive strength. The reinforcement constitutive model adopts a bilinear stress–strain relationship, with the slope of the second section being 0.01 of the slope of the first section. The elastic modulus is 2.0 × 105 MPa, Poisson’s ratio is 0.3, and the yield strength and ultimate strength are determined through testing.
2.2. Element Types and Meshing
The concrete was modeled using a reduced integral, eight-node solid element (C3D8R). A two-node, linear, three-dimensional truss element (T3D2) was employed to model the reinforcement.
Since softening damage is involved, the crack band theory [23] is often utilized to manage crack propagation and post-peak compression behavior, thereby avoiding mesh sensitivity arising from strain localization [24,25]. In the crack band theory, softening damage is assumed to exist within a band area of finite width. In the finite element model, the crack zone width is equal to the element size. During modeling, the element size must be adjusted to ensure that the area under the stress–strain curve equals the material’s fracture energy divided by the crack width. For different element sizes, the stress–strain relationship needs to be readjusted accordingly. To simplify the application of complex material models, the model can be calibrated using predefined model parameters and element size, with the cell size remaining unchanged in subsequent simulations [26,27]. The embedding method is employed to simulate the bond between concrete and reinforcement, assuming a perfect bond. This assumption of perfect bonding between reinforcement and concrete in finite element analysis is a modeling simplification that increases the stiffness of the load–displacement response without significantly affecting the failure mechanism and ultimate capacity of the model. In practical engineering, this assumption is justified when anchorage failure is not the dominant mode of test failure, as reinforcement slippage is limited [28]. Given that no anchorage or pull-out failure of reinforcement occurred in the tests, the assumption of a perfect reinforcement connection is viable.
2.3. Boundary and Loading Conditions
Figure 1 presents the finite element model of the corbel, with three reference points precisely positioned at the geometric centers of the loading surface and the two support surfaces. Utilizing the software’s Constraint Manager, the references are constrained to their respective surfaces by setting the type to Rigid Body and selecting the Tie (nodes) region type. This configuration ensures that the boundary conditions applied to the reference points allow the entire surface to bear forces collectively, effectively functioning as a pad.
Figure 1.
Model diagram.
At the support reference points, the left side is assigned Encastre conditions for complete fixation, while the right side is set with Pinned conditions to allow for rotational freedom. A controlled displacement load with a smooth amplitude option is applied at the top loading surface reference point. The strategic selection of these boundary conditions simulates common support configurations in structural analysis, ensuring stable and controllable model responses.
3. Verification of the Finite Element Model
3.1. Experimental Program
Thirteen reinforced concrete corbel specimens, as described and produced in Yin Wenmeng’s paper [29], were employed for simulation verification. The specific details and ultimate bearing capacities of the corbels are outlined in Table 1. The corbels have a width of 300 mm, a height of 200 mm at the end of the corbels, and a concrete protective layer thickness of 20 mm.
Table 1.
Summary of corbel specimens.
3.2. Effect of Mesh Sizes
When conducting finite element analysis of reinforced concrete structures, the selection of mesh size is crucial for the accuracy of the simulation results. Quasi-brittle materials such as concrete exhibit strain softening behavior after being subjected to tension or compression beyond their elastic limits. This phenomenon leads to a descending branch in the stress–strain relationship post-peak, and simulating this behavior is highly sensitive to the discretization of the mesh.
To explore the impact of mesh size on the overall structural response and to identify an appropriate mesh size, this study considered four different mesh sizes. Figure 2 illustrates the effect of various mesh sizes on the load–deflection curve and the structural failure load. It can be observed that a mesh size of 30 mm yields better results, showing closer agreement with experimental outcomes. In the model presented within this paper, a mesh size of 30 mm is adopted.
Figure 2.
Influence of mesh sizes on simulated load–displacement response.
3.3. Load–Displacement Curve
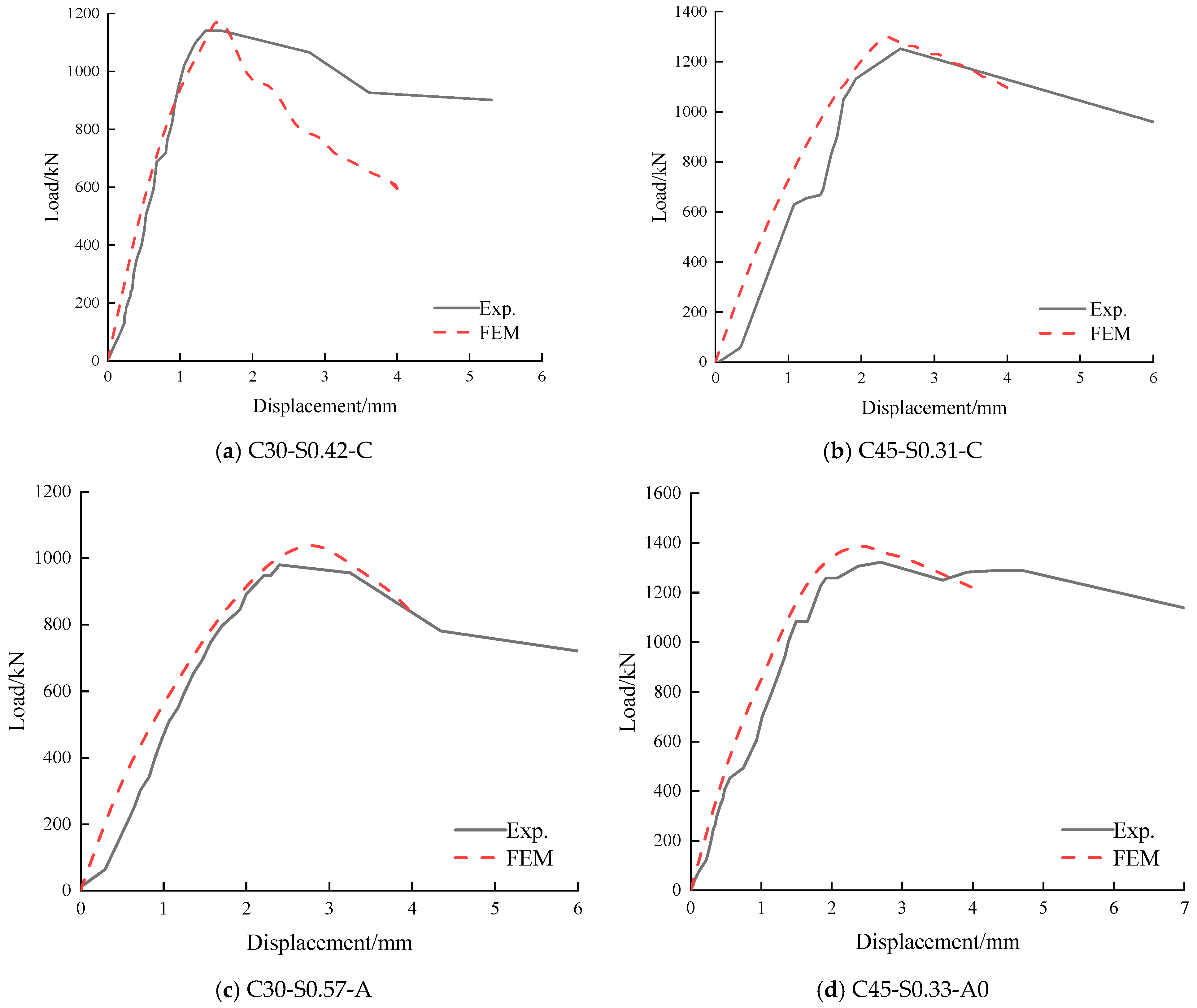
Figure 3 presents a comparison of the load–displacement curves of some corbels between the test and simulation analysis. The numerical results of the simulated bearing capacities of all corbels are summarized in Table 1. The average ratio of the tested ultimate bearing capacity to the simulated ultimate bearing capacity is 0.99, with a coefficient of variation of 0.05. Overall, the simulation results align well with the experimental data. The simulated peak load and peak displacement closely match the experimental results, although the stiffness in the simulation is slightly higher. This is attributed to the assumption of a perfect bond between reinforcement and concrete, as well as the idealized boundary conditions, which do not account for the influence of fixtures, test device elasticity, clearance, and other factors. In finite element analysis, the post-peak gradient of the load–displacement curve may appear steeper than observed in experiments. Corbels, being susceptible to brittle failure, show minimal deformation prior to failure, after which deformation increases rapidly and the load drops significantly. The force-controlled loading method used in the experimental process can hinder the precise collection of data during the descending phase. Consequently, the descending segments in experimental load–displacement curves typically serve as an indicative rather than an exact representation. Furthermore, in practical engineering applications, the primary focus is on the load-bearing capacity of the corbel; hence, this paper does not consider or compare the descending segments of the curves.
Figure 3.
Comparison of load–displacement curves for selected experiments and simulations.
3.4. Failure Mode
During experimental observation, as the load increased, short bending cracks began to appear at the junction between the two sides of the corbel support and the middle column. These cracks then extended upward. Subsequently, oblique cracks gradually developed along the path from the inner side of the cushion plate to the bottom of the corbel. As the number and width of these cracks increased, they progressed and eventually traversed the entire area, leading to structural damage. At this stage, the longitudinal reinforcement had yielded, often accompanied by spalling of the surface concrete in the oblique area or crushing of the concrete at the bottom of the corbel.
In the finite element model, concrete is treated as a continuous medium even after cracking, and crack development is simulated by reducing the material’s stress. While the model does not allow for the direct definition of cracks, the trend of crack development can be inferred from the true strain distribution map of the concrete. For instance, in specimen C45-S0.33-A, the strain and stress distribution map of the finite element model at different loading stages is shown in Figure 4. The simulation’s initial cracking load is 207.85 kN, compared to the test value of 251 kN. The slight discrepancy is acceptable because subtle cracks may be challenging to observe directly, potentially leading to a delay in crack identification in experiments, and actual cracking may occur earlier. Figure 4c,d display the surface and internal strain distribution maps of the corbel member at the maximum load, respectively, with simulated crack patterns aligning well with experimental observations. Figure 4e,f show stress distribution maps of concrete and rebar under the maximum load, revealing stress distribution characteristics consistent with the STM model’s assumptions in the code [2]. Although finite element analysis has limitations in capturing all fracture details, it remains highly accurate and practical for evaluating the failure pattern and fracture development path of structures at a macro level.
Figure 4.
Numerical simulation of C45−S0.33−A specimen failure.
4. Finite Element Parameter Analysis and Results
4.1. Parameter Design
In the realm of structural engineering design, the width of reinforced concrete corbels is typically pre-established. For a specific corbel size and a predetermined target design load, a variety of design options can be formulated by adjusting key parameters such as concrete strength, shear span-to-depth ratio, and corbel height in accordance with current codes. However, the precise impact of these diverse design schemes on the actual bearing capacity and mechanical performance of the corbel remains unclear. Thus, the exploration of the optimal performance and economic benefits in corbel design is deemed a question that merits in-depth investigation.
Given that the corbel’s width is typically consistent with the column width and is predefined, it was not incorporated as a variable in the parameter set for this study. The focus was placed on the concrete strength and shear span-to-depth ratio, as these are the primary factors influencing the performance of the corbel and are explicitly considered in design codes [9,13]. Additionally, to thoroughly evaluate the impact of the corbel cross-sectional size on the bearing capacity, variations in corbel height were incorporated into the parameter set. When certain parameters were altered, other variables not included in the parameter set, such as reinforcement ratio and stirrup ratio, were also adjusted to maintain the constant design load. For variables outside the parameter set, including reinforcement and stirrup ratios, under the premise that the longitudinal reinforcement satisfies the force requirements and the stirrups meet the code requirements for the stirrup ratio, the variations in these parameters had an insignificant impact on the bearing capacity.
This study was designed to examine how variations in these parameters influence the accuracy and safety of codes at a constant design load capacity. In accordance with Chinese and American codes, 22 corbel specimens were systematically designed to support a target load of 750 kN for a single corbel. Concrete strength grades ranged from 30 MPa to 70 MPa, and shear spans varied from 100 mm to 300 mm, incremented at 50 mm. For the American code corbels, the height varied from 400 mm to 600 mm, while for the Chinese code corbels, the height ranged from 550 mm to 725 mm. All specimens had a width of 300 mm and a concrete protective layer thickness of 20 mm. The pad plate dimension was 150 mm. Specimens with shear spans of 100, 150, and 200 mm had a cantilever length of 350 mm, while those with shear spans of 250 and 300 mm had cantilever lengths of 400 mm and 450 mm, respectively. The longitudinal reinforcement and stirrups had diameters of 20 mm and 10 mm, respectively, with a stirrup spacing of 100 mm. All provided stirrups were horizontal. The yield strengths for the longitudinal reinforcement and stirrups were 425 MPa and 478 MPa, respectively, and their tensile strengths were 615 MPa and 613 MPa, based on material performance tests referenced [29]. To ensure computational equivalence under the same design load, the model distributes the calculated area of longitudinal reinforcement evenly among four longitudinal bars; however, this results in a discrepancy between the modeled steel area and that of an actual bar with a 20 mm diameter. Design specifications are detailed in Table 2. Specimen numbering is composed of three parts: the first indicates the concrete cylinder’s compressive strength, the second represents the shear span ratio, and the third identifies the design codes, with “C” for the Chinese code and “A” for the American code. Figure 5 presents a schematic representation of the reinforcement configuration for typical corbels, where analogous reinforcement details are applied to the remaining corbel specimens in this study.
Table 2.
Summary of design corbel specimens.
Figure 5.
Typical corbel reinforcement schematic.
4.1.1. Chinese Code GB 50010-2010 Method
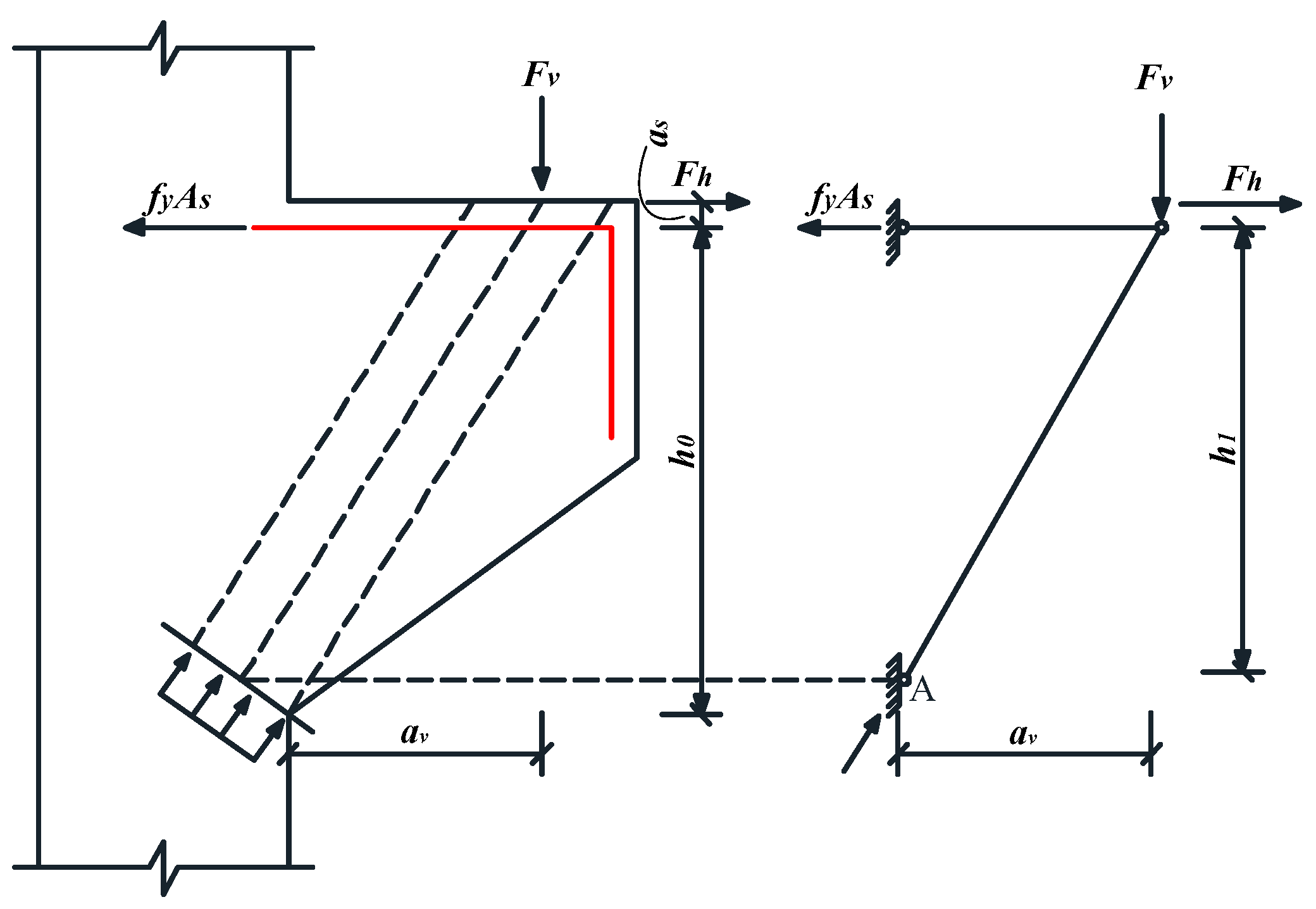
According to the Chinese specification GB 50010-2010 [1], the triangular truss model is employed for short corbels with a shear span ratio less than 1. In this model, the horizontal longitudinal bar at the top of the corbel is idealized as a tension tie, and the concrete in the abdomen is idealized as a compression strut. As depicted in Figure 6, the bending moment balance at point A yields the following equation:
Figure 6.
Triangular truss model.
In the formula, Fv is the design value of the vertical load, Fh is the design value of the horizontal load, and fy and As are the yield strength and area of the longitudinal reinforcement, respectively. h1 represents the internal force arm of the simplified triangular truss model, which can be taken as 0.85 times the effective height of section h0, and (h1 + as) can be approximated as 1.02h0. av represents the length of the shear span.
The total cross-sectional area of the longitudinal reinforcement shall meet the following requirements:
In the formula, if av is less than 0.3h0, take av to be equal to 0.3h0.
When only a vertical load is applied, the calculation formula of the corbel bearing capacity according to the requirements of the Chinese code is expressed as follows:
The cross-sectional dimensions of the corbel should meet the requirements for crack control:
where Fvk is the standard value of the vertical load, taken as 0.67Fv; Fhk is the standard value of the horizontal load, which is 0.67Fh; and ftk is the standard value of concrete tensile strength. b is the width of the corbel; and β is the crack control coefficient, with a value of 0.65 for the corbel supporting the crane beam, and 0.80 for the other corbel.
The bearing capacity of the corbel is calculated using the moment balance of the simplified triangular truss model, which does not account for concrete crushing during bending.
In Table 2, the nine specimens whose specimen numbers end with C are corbels designed according to the Chinese code. Since the compressive strength of the cylinder is selected in the component’s design, the conversion relationship between the compressive strength of the cylinder and the cube is such that the compressive strength of the cube is 1.25 times that of the cylinder. The value of ftk can be obtained by linear interpolation against the code table, based on the compressive strength of the cube.
4.1.2. American Code ACI 318-19 Method
The STM model of ACI 318-19 [2] is suitable for corbels with a shear span ratio of no more than two. The code assumes that the model is composed of steel reinforcement as tension ties, concrete compression struts, and nodal regions, simplifying the complex stress flow to uniaxial force rod units. The tension ties, compression struts, and nodes are the three components of the STM, which collectively bear the external load. The code requires strength checks for the compression struts, tension ties, and nodal regions. It considers that when a component reaches its ultimate strength, the member reaches its ultimate bearing capacity Vu. The STM model satisfies the static equilibrium condition and the material yield criterion. That is, each node in the model satisfies the equilibrium equation, and the stress in each member and node in the model is less than the material’s yield stress. In theory, the STM is a lower bound analysis method of plastic mechanics.
Firstly, an STM model is established. According to the principle of minimum strain energy [30], the model with the fewest and shortest tension ties is selected, which is the truss model composed of longitudinal reinforcement and diagonal concrete compression struts.
As shown in Figure 7, the model consists of CCT (two-sided compression and one-side tension) nodal regions A, A’, CCC (three-sided compression) nodal regions B, B’, concrete compression struts AB, A’B’, and steel ties AA’. The width of the CCT nodal region la is the width of the supporting plate, and the height ha is twice the distance from the concrete edge to the center of the longitudinal reinforcement. The width lb of the CCC nodal region is taken as half of the column width [15], and the height hb is taken as the equivalent height of the compressed zone, denoted by β1c.
Figure 7.
STM model.
The angle θ and width ws of the compression strut are as follows:
We calculated the maximum load that each component of the model can withstand. According to the equilibrium equations, we determined the bearing capacity of the corbel when each component reaches its ultimate strength, and we took the minimum value as the shear bearing capacity of the corbel, denoted as Vu. The formula is as follows:
In the formula, Fu,AB, Fu,AA′, Fu,ba, Fu,be, and Fu,inc represent the maximum loads that the compression struts, tension ties, surfaces perpendicular to the horizontal ties or compression struts in the nodal zone, surfaces perpendicular to the vertical compression struts or concentrated loads in the nodal zone, and surfaces perpendicular to the inclined compression struts in the nodal zone can withstand, respectively. Vu,AB, Vu,AA′, Vu,NodeA, and Vu,NodeB are the corresponding corbel bearing capacities when each component reaches its ultimate strength. fce,s and fce,n are the maximum allowable compressive stresses for the concrete in the struts and the nodal zones, respectively; βs is the strut coefficient, which is taken as 0.75 for struts meeting the confinement requirements, and 0.4 otherwise; and βn is the nodal zone coefficient, taken as 1.0 for the B node under three-sided compression, and 0.8 for the A node with a single tension tie passing through. When calculating the concrete compression strut elements, the current design codes’ STM model does not consider the specific impact of diagonal cracks on the struts. The strut coefficient used in the design code is a simplified coefficient related to the efficiency of the struts.
4.2. Safety Evaluation of Chinese and American Code Design Methods
To evaluate the precision and safety of corbel designs under varying parameters, in accordance with Chinese and American code methodologies, the structural load-bearing safety ratio, denoted as α, is defined. This ratio is calculated as the simulation result of the member’s bearing capacity divided by its design load value, thereby reflecting the design safety margin of the member:
Higher values of α denote a greater safety margin for the component, whereas lower values suggest a reduced safety margin. The calculated results for α are detailed in Table 2. Figure 8 demonstrates the impact of variations in concrete compressive strength and shear span on the safety margin of corbels, as designed by methods outlined in the Chinese and American codes.
Figure 8.
The influence of variations in concrete strength and shear span on the safety margins under Chinese and American code design methods [1,2].
The results indicate that when the design load is 750 kN, the safety margin of the corbel designed according to the Chinese code increases from 1.28 to 1.87 with an increasing concrete compressive strength. The data in Table 2 demonstrate that to maintain the same design load, as concrete strength increases, the section height of the corbel decreases, while the longitudinal reinforcement area increases correspondingly, with a minimal change in section size. In the Chinese code, only the standard value of concrete tensile strength is considered in crack control, and its relationship with the compressive strength of concrete cubes is shown in Table 4.1.3-2 [1]. As illustrated in Figure 9, with an increasing cube compressive strength, the standard value of concrete tensile strength also increases, but the growth rate gradually slows. This suggests that when using high-strength concrete, to meet crack control requirements, despite the slight increase in tensile strength, it is still necessary to maintain a larger section size, thereby exhibiting a higher safety margin in the design.
Figure 9.
Relationship between ftk and fcu.
Under the American code, as the concrete strength grade increases, the section height of the corbel decreases, the reinforcement ratio increases, and the safety margin initially increases before decreasing. This phenomenon is attributed to the fact that the increase in concrete strength and steel bar area contributes more to the improvement in shear strength than the decrease in bearing capacity caused by the reduction in corbel height. However, as the height of the corbel decreases further, the bearing capacity eventually decreases.
Under the Chinese code, as the shear span increases, the section height and longitudinal reinforcement area of the corbel gradually increase, leading to a safety margin increase from 1.54 to 1.69. Conversely, under the American code, although the section height of the corbel increases with the shear span, the longitudinal bar reinforcement ratio decreases, and the safety margin is roughly maintained at about 1.3, showing a slight decreasing trend with an increasing shear span.
Figure 10 illustrates the impact of height variation on the safety margins of corbels designed according to Chinese and American codes. For designs adhering to the American code, Figure 10a presents three sets of data. In the first set, with the concrete strength consistently maintained at 50 MPa and a shear span of 200 mm, it can be observed that as the corbel height increases, the required area of longitudinal reinforcement decreases, leading to an increasing trend in safety margin. This margin increases from 1.0 at a height of 400 mm to 1.48 at 600 mm. The second set of data involves a constant shear span with the concrete strength reduced from 70 MPa to 30 MPa. The safety margin peaks at 1.32 at a height of 500 mm, then exhibits a declining trend. This suggests that the benefits of an increased section depth on the load-bearing capacity are offset by the reduced reinforcement area and the decrease in concrete strength. The third set of data shows a constant concrete strength with an increase in the selected shear span from 100 mm to 300 mm. As the corbel height increases, the shear-span-to-depth ratio also increases, with no significant change observed in the safety margin. For designs based on the Chinese code, Figure 10b presents two sets of data. In the first set, with the shear span held constant and the concrete strength reduced from 70 MPa to 30 MPa, the safety margin decreases from 1.87 to 1.28 as the corbel height increases. In the second set, with a constant concrete strength, the shear span is adjusted from 100 mm to 300 mm, resulting in an increase in safety margin from 1.54 to 1.69. According to the crack formula specified by the Chinese code, when the corbel width and concrete strength remain constant, the shear span must be adjusted correspondingly, with changes in corbel height to maintain the target load. It is therefore not feasible for both the shear span and concrete strength to remain unchanged simultaneously.
Figure 10.
The influence of corbel height variation on safety margins under Chinese and American code design methods; (a) ACI 318-19 [2]; (b) GB 50010-2010 [1].
In general, the differences in calculation methods between the Chinese and American codes lead to varying impacts of concrete strength, shear span, and corbel height on the safety margins of corbels. According to the Chinese code, the safety margin of corbels increases significantly with the enhancement of concrete strength, while the effect of the shear span is relatively minor. When the shear span is constant, opting for a smaller corbel height with a higher concrete strength can result in a design with a higher safety margin. Conversely, when the concrete strength remains unchanged, selecting a larger corbel height with a larger shear span can also yield a higher safety margin.
In contrast, under the American code, the safety margin first increases and then decreases with the increase in concrete strength and is not sensitive to changes in the shear span. When the concrete strength and shear span remain constant, a higher corbel height contributes to enhancing the safety margin of the designed corbel. However, as the corbel height increases and the concrete strength gradually decreases, the safety margin will first increase and then decrease. When the concrete strength is fixed, the increase in corbel height has little impact on the safety margin across different shear spans.
Therefore, designers should select appropriate design parameters based on specific engineering conditions and design requirements to optimize the structural load-bearing capacity and ensure an adequate safety margin.
4.3. Corbels without Stirrups
The performance of the designed reinforced concrete corbel specimens under two types of loading conditions, with and without stirrups, was analyzed and compared. The results presented in Table 2 indicate that the bearing capacity of specimens with stirrups is enhanced by 15% to 46% compared to specimens without stirrups. This demonstrates that stirrups have a significant effect on improving the bearing capacity of the corbel, emphasizing that the design should avoid the absence or minimal use of stirrups.
As illustrated in Figure 11, stirrups play a particularly crucial role in increasing the bearing capacity, especially when using low-strength concrete or facing large shear spans. To demonstrate this, specimens C40-S0.38-A and C60-S0.48-A are taken as examples, for which numerical model analysis revealed the change in maximum stress of the first layer of stirrups during loading. Figure 12 shows that under the same load, the stirrup in the low-strength concrete corbel member experiences greater stress, thus more effectively strengthening the structure. This is because in low-strength concrete, the material’s tensile properties are weak, leading the stirrup to play a more significant role in controlling crack development.
Figure 11.
The impact of stirrups on corbel load capacity improvement under Chinese and American code design methods [1,2].
Figure 12.
Stress variation in stirrups during the load application process.
For specimens with a large shear span ratio, an increase in the ratio leads to a reduction in the angle between the compression strut and the horizontal, thereby decreasing the vertical component of force of the compression strut. Under the same shear force, to compensate for the reduced vertical force, the compression strut needs to provide a greater supporting force. Consequently, the demand for horizontal tensile force in the member also increases. Stirrups, by providing necessary lateral restraint, not only enhance the shear bearing capacity of the concrete but also play an active role in resisting horizontal tension.
Figure 13 clearly demonstrates the significant impact of stirrups on the enhancement of the corbel load capacity at various corbel heights. As the height of the corbel increases, the reinforcing effect of the stirrups becomes more pronounced. Specifically, for corbels 400–500 mm in height, the use of stirrups can increase the load capacity by about 15% to 20%. For corbels exceeding 500 mm in height, this enhancement effect may exceed 20%. At even greater corbel heights, the effect of stirrups on load capacity enhancement further strengthens, potentially reaching 40% or more.
Figure 13.
The impact of stirrups on the enhancement of the corbel load capacity at various corbel heights under Chinese and American code design methods; (a) ACI 318-19 [2]; (b) GB 50010-2010 [1].
In taller corbels, the likelihood of material non-uniformity and internal defects increases, leaving the cross-section more susceptible to cracking and stress concentration. Consequently, as the corbel height increases, a greater number of stirrups need to be arranged over a larger area. Stirrups effectively improve the ductility and load-bearing capacity of the corbel by restraining the lateral expansion of concrete and controlling the development of cracks.
4.4. Strut Coefficient of the Compression Strut
The STM model in the ACI 318-19 code [2] utilizes the strut coefficient βs to calculate the strength of compression struts, reflecting the reduction in concrete’s compressive strength when subjected to transverse tensile strains. Under conditions without stirrups, the code recommends a value of 0.4 for βs. However, this simplified assignment overlooks the potential influence of other parameters on βs, which may lead to significant discrepancies between calculated and experimental results [31], thereby affecting the safety of structural load-bearing capacity predictions.
Based on the structure’s ultimate load-bearing capacity, the value of the effective strut coefficient βs is re-determined through static equilibrium conditions and the STM model according to Equations (7) and (11). This process is conducted only when the longitudinal reinforcement has not reached the yield state and no stirrups are present, ensuring that the load-bearing capacity is primarily controlled by the compression strut. Table 2 provides the calculated results of the strut coefficient for the ultimate load-bearing capacity in the absence of stirrups.
Figure 14 illustrates the variation in the strut coefficient with changes in concrete compressive strength and shear span. Figure 15 shows the variation in the strut coefficient with changes in corbel height. The results indicate that corbel specimens with lower concrete strength or larger shear span ratios or greater corbel heights have a higher strut coefficient. Conversely, in cases of high concrete strength, the strut coefficient is lower, which may lead to unsafe predictions of the structural load-bearing capacity under conditions without stirrups and unyielded longitudinal reinforcement, with the risk of code-calculated results exceeding experimental load-bearing capacities. Therefore, to enhance the accuracy and safety of structural load-bearing capacity predictions, the value of the strut coefficient βs should be determined considering a broader range of design parameters.
Figure 14.
The influence of variations in the concrete strength and shear span on the strut coefficient under Chinese and American code design methods [1,2].
Figure 15.
The influence of corbel height variation on the strut coefficient under Chinese and American code design methods; (a) ACI 318-19 [2]; (b) GB 50010-2010 [1].
5. Comparison with Previous Studies
To ascertain the reliability of the test outcomes presented in this paper, a comparative analysis was conducted with existing research findings [11,13,15,29,32,33]. The comparison encompassed 36 corbels from the literature, whose parameter variables were closely aligned with those of the specimens examined in this study, thereby ensuring the comparability of the test data. Table 3 provides a detailed overview of the corbels, including the calculated safety margins. Figure 16 illustrates the impacts of various parameters on the safety margins when employing the Chinese and American code design methods. The trends in the safety factors observed in this study were consistent with those reported in the majority of the referenced research, indicating a satisfactory level of congruence.
Table 3.
Details of corbels in previous studies.

Figure 16.
The influence of variables on the safety margins under Chinese and American code design methods [11,13,15,29,32,33]; (a) ACI 318-19 [2]; (b) GB 50010-2010 [1].
6. Conclusions
In this study, a total of twenty-two reinforced concrete corbels were designed to evaluate the accuracy and safety of the triangular truss model according to GB 50010-2010 [1] and the strut-and-tie model according to ACI 318-19 [2] under various design parameters with a given design load. The main research findings are as follows:
- (1)
- Increasing the compressive strength of concrete can significantly enhance the safety level in the triangular truss model. For instance, when the compressive strength of concrete increases from 30 MPa to 70 MPa, the safety margin increases from 1.28 to 1.87. In contrast, in the strut-and-tie model, the safety level first increases and then decreases with the enhancement of concrete compressive strength. When the compressive strength of concrete increases from 30 MPa to 50 MPa, the safety margin rises from 1.07 to 1.32, and then it drops to 1.2 when further increased to 70 MPa.
- (2)
- In the triangular truss model, the safety level also increases correspondingly with the enlargement of the shear span. For example, when the shear span increases from 100 mm to 300 mm, the safety margin increases from 1.54 to 1.69. In comparison, the safety level in the strut-and-tie model does not show significant changes and tends to decrease with the increase in the shear span.
- (3)
- With the shear span held constant, the safety level in the triangular truss model gradually decreases as the corbel height increases and the concrete strength gradually reduces. The safety level in the strut-and-tie model first increases and then decreases.
- (4)
- The configuration of horizontal stirrups significantly improves the load-bearing capacity of the corbel, especially in cases of low-strength concrete, a large shear span, or larger corbel heights. Compared to specimens without stirrups, the load-bearing capacity of specimens with stirrups increased by 15% to 46%.
- (5)
- Specimens featuring low-strength concrete, large shear spans, or greater corbel heights exhibit a higher strut coefficient. For corbel members with high-strength concrete and low stirrup ratios, the simplified values in existing codes may lead to unsafe prediction results as they ignore the potential influence of other parameters.
Author Contributions
Conceptualization, Y.H.; methodology, L.P.; software, L.P.; validation, Y.H.; formal analysis, L.P.; investigation, Y.H., L.P. and H.W.; resources, Y.H.; data curation, Y.H.; writing—original draft preparation, Y.H., L.P. and H.W.; writing—review and editing, Y.H., L.P. and H.W.; visualization, L.P. and H.W.; supervision, Y.H.; project administration, Y.H.; funding acquisition, Y.H. All authors have read and agreed to the published version of the manuscript.
Funding
This research received no external funding.
Data Availability Statement
The data presented in this study are available on request from the corresponding author.
Acknowledgments
We are grateful to the anonymous reviewers for their constructive comments.
Conflicts of Interest
The authors declare no conflicts of interest. The funders had no role in the design of this study; in the collection, analyses, or interpretation of data; in the writing of the manuscript; or in the decision to publish the results.
References
- GB 50010-2010; Code for Design of Concrete Structures. China Architecture and Building Press: Beijing, China, 2010. (In Chinese)
- ACI 318-19; Building Code Requirements for Structural Concrete. American Concrete Institute: Philadelphia, PA, USA, 2019.
- EN 1992-1-1:2004; Eurocode 2: Design of Concrete Structures. Part 1-1: General Rules and Rules for Buildings. British Standards Institutions: London, UK, 2004.
- CSA A23.3-14; Design of Concrete Structures. Canadian Standards Association: Toronto, ON, Canada, 2014.
- Comité Euro-International Du Béton (CEB). CEB-FIP Model Code 2010 for Concrete Structures; Comité Euro-International Du Béton (CEB): Lausanne, Switzerland, 2010. [Google Scholar]
- Collins, M.P.; Bentz, E.C.; Sherwood, E.G. Where is shear reinforcement required? Review of research results and design procedures. Struct. J. 2008, 105, 590–600. [Google Scholar] [CrossRef]
- Ismail, K.S.; Guadagnini, M.; Pilakoutas, K. Numerical Investigation of the Shear Strength of RC Deep Beams Using the Microplane Model. J. Struct. Eng. 2016, 142, 04016077. [Google Scholar] [CrossRef]
- Ismail, K.S.; Guadagnini, M.; Pilakoutas, K. Strut-and-Tie modeling of reinforced concrete deep beams. J. Struct. Eng. 2018, 144, 04017216. [Google Scholar] [CrossRef]
- Kriz, L.; Raths, C. Connections in Precast Concrete Structures—Strength of Corbels. J. Prestress. Concr. Inst. 1965, 10, 16–61. [Google Scholar] [CrossRef]
- Hermansen, B.R.; Cowan, J. Modified shear-friction theory for bracket design. J. Proc. 1974, 71, 55–60. [Google Scholar]
- Mattock, A.H.; Chen, K.; Soongswang, K. The behavior of reinforced concrete corbels. PCI J. 1976, 21, 52–77. [Google Scholar] [CrossRef]
- Fattuhi, N.I. Column-load effect on reinforced concrete corbels. J. Struct. Eng. 1990, 116, 188–197. [Google Scholar] [CrossRef]
- Foster, S.J.; Powell, R.E.; Selim, H.S. Performance of high-strength concrete corbels. ACI Struct. J. 1996, 93, 555–563. [Google Scholar] [CrossRef]
- Lu, W.-Y.; Lin, I.-J. Behavior of reinforced concrete corbels. Struct. Eng. Mech. 2009, 33, 357–371. [Google Scholar] [CrossRef]
- Wilson, H.R.; Yousefpour, H.; Brown, M.D.; Bayrak, O. Investigation of Corbels Designed According to Strut-and-Tie and Empirical Methods. ACI Struct. J. 2018, 115, 813–824. [Google Scholar] [CrossRef]
- DING, B.Y. Calculation of Reinforced Concrete Corbels. Ind. Constr. 1974, 2, 31–36+51. [Google Scholar]
- Abdul-Razzaq, K.S.; Dawood, A.A. Corbel strut and tie modeling–Experimental verification. Proc. Struct. 2020, 26, 327–339. [Google Scholar] [CrossRef]
- Faleh, S.K.; Chkheiwer, A.H.; Saleh, I.S. Structural behavior of high-strength concrete corbels involving steel fibers or closed stirrups. Period. Eng. Nat. Sci. 2022, 10, 239–252. [Google Scholar] [CrossRef]
- Caner, F.C.; Bažant, Z.P. Microplane Model M7 for Plain Concrete. I: Formulation. J. Eng. Mech. 2013, 139, 1714–1723. [Google Scholar] [CrossRef]
- Caner, F.C.; Bažant, Z.P. Microplane Model M7 for Plain Concrete. II: Calibration and Verification. J. Eng. Mech. 2013, 139, 1724–1735. [Google Scholar] [CrossRef]
- Ozturk, B. Seismic behavior of two monumental buildings in historical Cappadocia region of Turkey. Bull. Earthq. Eng. 2017, 15, 3103–3123. [Google Scholar] [CrossRef]
- Baiarti, Z. Microplane model for strain-controlled inelastic behaviour. In Mechanics of Engineering Materials; Desai, C.S., Gallagher, R.H., Eds.; John Wiley & Sons: Hoboken, NJ, USA, 1984. [Google Scholar]
- Bažant, Z.P.; Oh, B.H. Crack band theory for fracture of concrete. Matériaux Constr. 1983, 16, 155–177. [Google Scholar] [CrossRef]
- Nguyen, V.P.; Lloberas-Valls, O.; Stroeven, M.; Sluys, L.J. On the existence of representative volumes for softening quasi-brittle materials–A failure zone averaging scheme. Comput. Methods Appl. Mech. Eng. 2010, 199, 3028–3038. [Google Scholar] [CrossRef]
- Yang, H.; Xie, S.-Y.; Secq, J.; Shao, J.-F. Experimental study and modeling of hydromechanical behavior of concrete fracture. Water Sci. Eng. 2017, 10, 97–106. [Google Scholar] [CrossRef]
- Xue, J.; Kirane, K. Cylindrical microplane model for compressive kink band failures and combined friction/inelasticity in fiber composites II: Analyses. Compos. Struct. 2022, 291, 115589. [Google Scholar] [CrossRef]
- Xue, J.; Kirane, K. Cylindrical microplane model for compressive kink band failures and combined friction/inelasticity in fiber composites I: Formulation. Compos. Struct. 2022, 289, 115382. [Google Scholar] [CrossRef]
- Reginato, L.; de Sousa, A.M.; Santos, J.V.; El Debs, M.K. NLFEA of Reinforced Concrete Corbels: Proposed Framework, Sensibility Study, and Precision Level. Buildings 2023, 13, 1874. [Google Scholar] [CrossRef]
- Yin, W.M. Research on the Shear Bearing Capacity of Reinforced Concrete Corbels. Master’s Thesis, Hunan University, Changsha, China, 2021; pp. 19–62. [Google Scholar] [CrossRef]
- Schlaich, J.; Schafer, K.; Jennewein, M. Towards a consistent design of reinforced concrete structures. PCI J. 1987, 32, 74–150. [Google Scholar] [CrossRef]
- Chen, H.; Yi, W.-J.; Hwang, H.-J. Cracking strut-and-tie model for shear strength evaluation of reinforced concrete deep beams. Eng. Struct. 2018, 163, 396–408. [Google Scholar] [CrossRef]
- Al-Shaarbaf, I.A.; Al-Azzawi, A.A.; Farahan, R.S. Experimental investigation on the behavior of reinforced concrete corbels under repeated loadings. J. Eng. Sustain. Dev. 2015, 19, 126–147. [Google Scholar]
- Othman, Z.; Aziz, O.Q. Ultimate shear strength ofreinforced high strength concrete corbelssubjected to vertical load. Al-Rafidain Eng. J. 2010, 18, 1–12. [Google Scholar] [CrossRef]
Disclaimer/Publisher’s Note: The statements, opinions and data contained in all publications are solely those of the individual author(s) and contributor(s) and not of MDPI and/or the editor(s). MDPI and/or the editor(s) disclaim responsibility for any injury to people or property resulting from any ideas, methods, instructions or products referred to in the content. |
© 2024 by the authors. Licensee MDPI, Basel, Switzerland. This article is an open access article distributed under the terms and conditions of the Creative Commons Attribution (CC BY) license (https://creativecommons.org/licenses/by/4.0/).
















