The Seismic Behavior of a Base-Isolated Building with Simultaneous Translational and Rotational Motions during an Earthquake
Abstract
1. Introduction
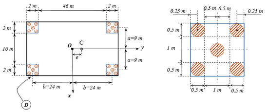
2. Dynamic Model
- (a)
- The period of vibrations in the horizontal direction must be included in the range s, where is the period of the building in the assumption of its embedding in a fixed (rigid) base. For our data, , or . It follows that the request is satisfied, i.e., ;
- (b)
- The ratio of effective or equivalent vertical stiffnesses and horizontal must be . For our model, we calculate ;
- (c)
- The fundamental period in the vertical direction must be less than 0.10 s, i.e., . In the case of the analyzed model, we calculate , or substituting numerically, we obtain .
2.1. Differential Equations of Motion
2.2. Amplitudes of Forced Vibrations
3. Experimental Evaluation of the Parameters of the HDRB Elastomeric Device
- -
- Extreme forces and ;
- -
- Zero displacement force Q = 49 kN for zero horizontal displacement, i.e., d ≡ 0;
- -
- Maximum extreme displacements and (dbd = the calculation displacement of the isolator corresponding to the calculation displacement of the dynamic isolation system);
- -
- The energy dissipated per cycle is equal to the area of the hysteretic loop .
4. Analysis of the Dynamic Response for the First Fundamental Component of Seismic Excitation
4.1. The Response in Amplitudes
- (a)
- Amplitude , according to the direction Ox, for the domain of analysis , Figure 5, is characterized by three distinct areas, namely:
- ○
- at a constant level, for, in pre-resonance;
- ○
- for , at resonance;
- ○
- for , in post-resonance.
- (b)
- Amplitude , according to the direction of the angular coordinate , for the domain of analysis , Figure 6, highlights two distinct modes of vibration for and ; in the case of studying the given model, we are only interested in the specific domain for , i.e., the dominant motion of the angular vibrations for the three different areas, namely:
- ○
- for in pre-resonance;
- ○
- at resonance;
- ○
- for in post-resonance.
- (c)
- Amplitude , according to the direction Oy, for the domain of analysis , Figure 7, has three distinct areas, namely:
- ○
- constant for in pre-resonance;
- ○
- for at resonance;
- ○
- for in post-resonance.
- (d)
- Amplitude , according to the direction of the angular coordinate, for the domain of analysis, Figure 8, highlights two distinct modes of vibration for and ; it has been found that for our model’s application with seismic excitation, the primary/dominant mode is intended for, according to Figure 8; amplitude valuesare of the order 10−4 rad, which means this rotating oscillatory motion around the longitudinal axis can be neglected;
- (e)
- (f)
- The uncoupled rotation amplitude around the axis Oz (gyration motion), Figure 10, has values of the order 10−3 rad, which can be neglected, so rotational motion (gyration) about the vertical axis Oz does not occur.
4.2. The Degree of Dynamic Isolation
5. The Simplified Calculation Model of the Rigid Structure with One Degree of Freedom
6. Conclusions
- (a)
- Linear dynamic modeling in the form of a rigid structure with elastic links at the base allows physical–mechanical highlighting and the development of a numerical analysis algorithm for the response parameters of motions after six degrees of freedom;
- (b)
- The evaluation presented for a building with particularities of geometric and mass symmetry in translations and rotations means that the dynamic calculation model, in the linear regime of the isolation system at the base, highlights two coupled motions (x, ) and (y, ) as well as two decoupled (independent) motions, (z) vertically and () rotating around the z-axis;
- (c)
- The shear stiffness parameters as well as the damping rate of the elastomeric seismic isolator were determined experimentally according to the European standard EN 15129 in the ICECONTEST laboratory in Bucharest (Romania), which is accredited by the EU;
- (d)
- The analytical elevation of the motion characteristics expressed by the amplitudes after the six degrees of freedom is illustrated in Figure 5, Figure 6, Figure 7, Figure 8, Figure 9 and Figure 10, from which the dominant motions result for the excitation domain specific to the map with the area where the site of the rehabilitated building is located;
- (e)
- (f)
- The dominant and significant motions for the rigid structure with elastic links, as follows from Figure 5, Figure 6, Figure 7, Figure 8, Figure 9, Figure 10, Figure 11, Figure 12, Figure 13, Figure 14 and Figure 15, are essentially represented only by instantaneous harmonic translations along the three coordinate axes.
- (g)
- The simplified dynamic model, based on the analysis of the dominant translational motions, allows the motion parameters along the horizontal axes Ox and Oy, representative of the evaluation of the efficiency of the isolation system at the base, to be evaluated with (25) and (26);
- (h)
- In the case of seismic excitation mode 1, the amplitude of vibration for the entire system (structural and isolator) is lower after passing through resonance, indicating a de-amplification of motion; also, the degree of dynamic isolation is higher after passing through the resonance zone.
Author Contributions
Funding
Data Availability Statement
Conflicts of Interest
References
- Bratu, P. Dynamic Isolation: Vibration and Seismic Actions; Impuls: Bucharest, Romania, 2021; ISBN 978-973-8132-86-3. [Google Scholar]
- Meirovitch, L. Principles and Techniques of Vibrations, 1st ed.; Prentice Hall International Editions Series; Pearson Inc.: Hoboken, NJ, USA, 1996. [Google Scholar]
- Bratu, P.P.; Mitu, A.M.; Vasile, O. Dissipation capacity evaluation for neoprene anti-seismic isolators under harmonic dynamic excitations. Rom. J. Acoust. Vib. 2011, 8, 67–71. [Google Scholar]
- Makris, N.; Chang, S.P. Effect of damping mechanisms on the response of seismically isolated structures. UCB/PEER 1998. [Google Scholar] [CrossRef]
- Nakamura, Y.; Okada, K. Review on seismic isolation and response control methods of buildings in Japan. Geoenvironmental Disasters 2019, 6, 7. [Google Scholar] [CrossRef]
- Seki, M. (Building Research Institute, Japan). Personal Communication, 2017. Available online: http://ccers.utcb.ro/images/noutati/seki/seki3.pdf (accessed on 15 August 2024).
- Marioni, A. Testing requirements of anti-seismic devices and available testing facilities. In Anti-Seismic Devices; Springer: Berlin/Heidelberg, Germany, 2024; pp. 85–109. [Google Scholar] [CrossRef]
- Mitu, A.M.; Sireteanu, T.; Ghita, G. Passive and Semi-Active Bracing Systems for Seismic Protection: A Comparative Study. Rom. J. Acoust. Vib. 2015, 12, 49–56. [Google Scholar]
- Tsai, H.C.; Kelly, J.M. Seismic response of heavily damped base isolation systems. Earthq. Eng. Struct. Dyn. 1993, 22, 633–645. [Google Scholar] [CrossRef]
- Vlad, I. Seismic base isolation in Romania. In Proceedings of the 9th U.S. National and 10th Canadian Conference on Earthquake Engineering, Toronto, ON, Canada, 25–29, July 2010. [Google Scholar]
- Popa, S.A. (Romanian Academy, Institute of Solid Mechanics, Bucharest, Romania). Personal communication, 2020.
- Tonciu, O.; Bratu, P. Evaluation of the energetic parameters of viscous dissipation for dynamic systems excited in the harmonic regime. Acta Tech. Napoc. Ser. Appl. Math. Mech. Eng. 2023, 66, 367–374. [Google Scholar]
- Potirniche, A. Assessments regarding effective configurations of vibration isolators based on displacement analysis. Rom. J. Acoust. Vib. 2015, 12, 126–131. [Google Scholar]
- Sireteanu, T. Smart suspension systems. Rom. J. Acoust. Vib. 2016, 13, 2. [Google Scholar]
- Kim, Y.-S. Study on the effective stiffness of base isolation system for reducing acceleration and displacement responses. J. Korean Nucl. Soc. 1999, 31, 586–594. [Google Scholar]
- Vasile, O. Active vibration control for viscoelastic damping systems under the action of inertial forces. Rom. J. Acoust. Vib. 2017, 14, 54–58. [Google Scholar]
- Rades, M. Resonance Methods for the Dynamic Analysis of deformable structures. Appl. Mech. Stud. Res. 1993, 32, 607–633. [Google Scholar]
- Bratu, P.; Tonciu, O.; Dobrescu, C.F.; Vasile, O. The Dynamic Response of the Vibrating System in the Case of the Maxwell Rheological Model. In Proceedings of the International Conference on Acoustics and Vibration of Mechanical Structures 2023, Kuala Lumpur, Malaysia, 5–7 December 2023; Springer Proceedings in Physics. Volume 302. [Google Scholar] [CrossRef]
- Bratu, P.; Dobrescu, C.F. Evaluation of the Dissipated Energy in the Vicinity of the Resonance, depending on the Nature of Dynamic Excitation. Rom. J. Acoust. Vib. 2019, 16, 66–71. [Google Scholar]
- Vlase, S.; Marin, M.; Bratu, P.; Shrrat, O.A.O. Analysis of Vibration Suppression in Multi-Degrees of Freedom Systems. Rom. J. Acoust. Vib. 2023, 19, 149–156. [Google Scholar]
- Murzea, P. Alternative Kinematic Assumptions for the Motions of Structures with Multiple Dynamic Degrees of Freedom Subjected to Seismic Actions. Rom. J. Acoust. Vib. 2014, 11, 53–58. [Google Scholar]
- Pinarbasi Seval, K.D.; Kelly, J.M. Seismic isolation for soft-story buildings. In Proceedings of the 10th World Conference on Seismic Isolation, Energy Dissipation and Active Vibrations Control of Structures, Istanbul, Turkey, 28–31 May 2007. [Google Scholar]
- Marioni, A. Seismic Retrofitting of Three Important Buildings in Italy and Turkey. In Improving the Seismic Performance of Existing Buildings and Other Structures; American Society of Civil Engineers: Reston, VA, USA, 2012. [Google Scholar] [CrossRef]
- Ghindea, C.; Topa, N. Case study on some structures with an isolated base. In Proceedings of the International Scientific Conference CIBv, San Diego, CA, USA, 9–11 September 2008. [Google Scholar] [CrossRef]
- Scutaru, M.L.; Vlase, S.; Marin, M.; Modrea, A. A new analytical method based on the dynamic response of planar mechanical elastic systems. Bound. Value Probl. 2020, 1, 104. [Google Scholar] [CrossRef]
- Potirniche, A.; Capatana, G. Assessments Regarding Effective Configurations of Vibration Isolators Based on Strain Analysis. Ann. “Dunarea de Jos” Univ. Galati Fascicle XIV Mech. Eng. 2015, 22, 29–34. [Google Scholar]
- Zhou, X.Y.; Han, M.; Yang, L. Study on protection measures for seismic isolation rubber bearings. ISET J. Earthq. Technol. 2003, 40, 137–160. [Google Scholar]
- Carr, A.; Puthanpurayil, A. Base isolation: The good, the bad and the ugly. In Proceedings of the 2021 New Zealand Society for Earthquake Engineering Annual Technical Conference 2021, Christchurch, New Zealand, 14–16 April 2021. NZSEE Document Repository. [Google Scholar]
- Mohammed, I. Seismic isolation of structures. Part I: Concept, review and a recent development. Asoc. Cient´ıfico-T´Ecnica Hormig´Estructural (ACHE) 2018, 69, 147–161. [Google Scholar] [CrossRef]
- Contento, A.; Di Egidio, A. On the use of base isolation for the protection of rigid bodies placed on a multi-story frame under seismic excitation. Eng. Struct. 2014, 62–63, 1–10. [Google Scholar] [CrossRef]
- Sato, D.; Chen, Y.; Miyamoto, K.; She, J. A spectrum for estimating the maximum control force for passive-base-isolated buildings with LQR control. Eng. Struct. 2019, 199, 109600. [Google Scholar] [CrossRef]
- Chen, Y.; Sato, D.; Miyamoto, K.; She, J. Response-spectrum-based design method for active base-isolated buildings with viscous dampers and hysteretic dampers. Mech. Syst. Signal Process. 2022, 180, 109413. [Google Scholar] [CrossRef]
- Zhu, Q.; Han, Q.; Yang, X.; Lin, J. Dynamic Characteristics Analysis of a Rigid Body System with Spatial Multi-Point Supports. Appl. Sci. 2022, 12, 746. [Google Scholar] [CrossRef]
- Pecchillo, G. 3D Seismic Base Isolation of Large Structures using Elastomeric Bearings. Master’s Thesis, Politecnico di Milano, Milan, Italy, 2019. [Google Scholar]
- Kulkarni, J.A.; Jangid, R.S. Rigid body response of base-isolated structures. J. Struct. Control 2002, 9, 171–188. [Google Scholar] [CrossRef]
- Leblouba, M. Selection of seismic isolation system parameters for the near-optimal design of structures. Sci. Rep. 2022, 12, 14734. [Google Scholar] [CrossRef]
- Qian, X.; Sato, D.; Osabel, D.M. Equivalent SDOF Models for Estimating Isolation-Layer Energy Dissipation in Base-Isolated Tall Buildings under Strong Winds. Buildings 2024, 14, 329. [Google Scholar] [CrossRef]
- Cancellara, D.; De Angelis, F. Dynamic assessment of base isolation systems for irregular in plan structures: Response spectrum analysis vs. nonlinear analysis. Compos. Struct. 2019, 215, 98–115. [Google Scholar] [CrossRef]
- Aydin, E.; Ozturk, B.; Kilinc, O.F. Seismic Response of Low-Rise Base Isolated Structures. In Proceedings of the 15th World Conference on Earthquake Engineering, Lisbon, Portugal, 24–28 September 2012. [Google Scholar]
- Seismic Design Code, P100-1/2013; Developer Technical University of Civil Engineering Bucharest, Ministry of Development Regional and Public Administration. The Official Monitor of Romania: Bucharest, Romania, 2013.
- Bisch, P. Eurocode 8, Background and Applications, Base Isolation. IOSIS. EGIS. 2011. Available online: https://eurocodes.jrc.ec.europa.eu/sites/default/files/2022-06/S8_EC8-Lisbon_Ph%20BISCH.pdf (accessed on 15 August 2024).
- SR EN 15129; Anti-Seismic Devices. National Organization for Standardization—ASRO: Bucharest, Romania, 2018.















Disclaimer/Publisher’s Note: The statements, opinions and data contained in all publications are solely those of the individual author(s) and contributor(s) and not of MDPI and/or the editor(s). MDPI and/or the editor(s) disclaim responsibility for any injury to people or property resulting from any ideas, methods, instructions or products referred to in the content. |
© 2024 by the authors. Licensee MDPI, Basel, Switzerland. This article is an open access article distributed under the terms and conditions of the Creative Commons Attribution (CC BY) license (https://creativecommons.org/licenses/by/4.0/).
Share and Cite
Bratu, P.; Dobre, D.; Vasile, O.; Dobrescu, C.-F. The Seismic Behavior of a Base-Isolated Building with Simultaneous Translational and Rotational Motions during an Earthquake. Buildings 2024, 14, 3099. https://doi.org/10.3390/buildings14103099
Bratu P, Dobre D, Vasile O, Dobrescu C-F. The Seismic Behavior of a Base-Isolated Building with Simultaneous Translational and Rotational Motions during an Earthquake. Buildings. 2024; 14(10):3099. https://doi.org/10.3390/buildings14103099
Chicago/Turabian StyleBratu, Polidor, Daniela Dobre, Ovidiu Vasile, and Cornelia-Florentina Dobrescu. 2024. "The Seismic Behavior of a Base-Isolated Building with Simultaneous Translational and Rotational Motions during an Earthquake" Buildings 14, no. 10: 3099. https://doi.org/10.3390/buildings14103099
APA StyleBratu, P., Dobre, D., Vasile, O., & Dobrescu, C.-F. (2024). The Seismic Behavior of a Base-Isolated Building with Simultaneous Translational and Rotational Motions during an Earthquake. Buildings, 14(10), 3099. https://doi.org/10.3390/buildings14103099

