Effect of Deep Cryogenic Treatment on Microstructure and Mechanical Properties of Friction Stir Welded TRIP590 Steel Joints
Abstract
1. Introduction
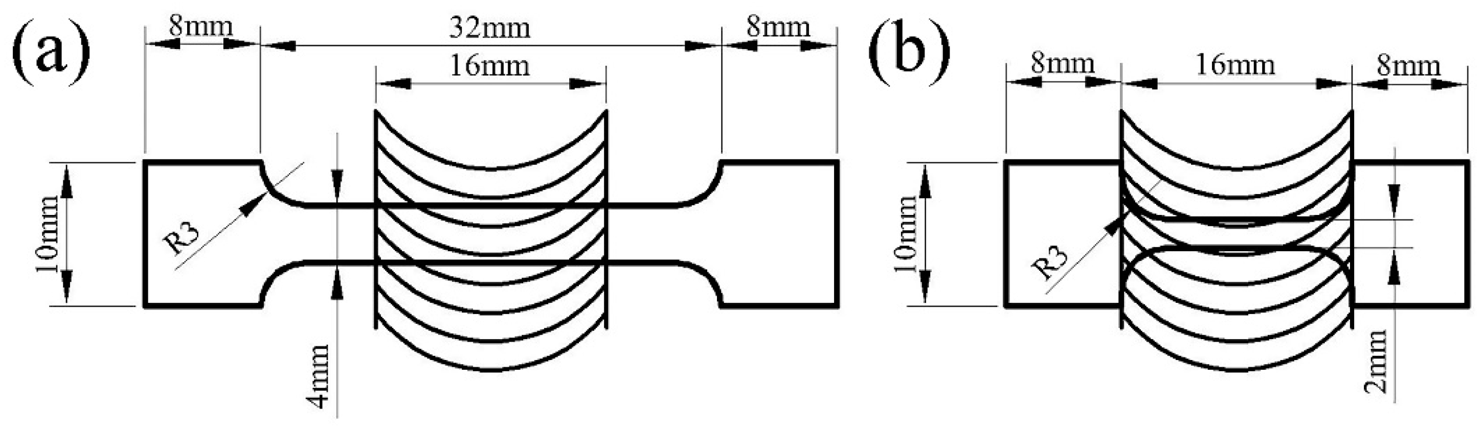
2. Materials and Methods
3. Experimental Results and Discussion
3.1. Microstructure
3.2. Mechanical Properties
4. Conclusions
- (1)
- After welding, the RA content reduced in the SZ of all joints compared with that in the BM. At rotation speeds of 200 rpm and 300 rpm, partial austenitization occurred in the SZ but with a higher stability of austenite, which led to about 3.3% of RA in the 200 rpm, and 2.2% of RA in the 300 rpm joints, respectively. At rotation speeds of 400 and 500 rpm, RA hardly formed.
- (2)
- As the rotation speed increased, the hardness of the SZ increased, whereas the elongation decreased due to the reduction of RA content.
- (3)
- RA transformed into martensite after the DCT, which led to a further decrease in RA content. However, the grain refinement and precipitation of fine carbide achieved through DCT could still improve the tensile strength and elongation of the joint SZ significantly.
Author Contributions
Funding
Data Availability Statement
Conflicts of Interest
References
- Kwon, O.J.; Lee, K.Y.; Kim, G.S.; Chin, K.G. New Trends in advanced high strength steel developments for automotive application. Mater. Sci. Forum 2010, 638–642, 136–141. [Google Scholar] [CrossRef]
- Matsumura, O.; Sakuma, Y.; Takechi, H. Enhancement of elongation by retained austenite in intercritical annealed 0.4C-1.5Si-0.8Mn steel. Trans. Iron Steel Inst. Jpn. Int. 2006, 27, 570–579. [Google Scholar] [CrossRef]
- Chen, H.; Liu, B.; Tong, H.; Yin, F. Enhanced mechanical properties and plastic instability regulation of medium Mn steel via cyclic intercritical annealing and cold rolling. Mater. Today Commun. 2025, 43, 111777. [Google Scholar] [CrossRef]
- Watanabe, M.; Miyamoto, G.; Zhang, Y.; Morooka, S.; Harjo, S.; Kobayashi, Y.; Furuhara, T. Thermal Stability of Retained Austenite with Heterogeneous Composition and Size in Austempered Fe-2Mn-1.5Si-0.4C Alloy. ISIJ Int. 2024, 64, 1464–1476. [Google Scholar] [CrossRef]
- De Cooman, B.C. Structure-properties relationship in TRIP steels containing carbide-free bainite. Curr. Opin. Solid State Mater. Sci. 2004, 8, 285–303. [Google Scholar] [CrossRef]
- Shi, G.; Westgate, S.A. Techniques for improving the weldability of TRIP steel using resistance spot welding. In Proceedings of the 1st International Conference of the High Strength Steel, Rome, Italy, 2–4 November 2005; pp. 1–13. [Google Scholar]
- Hamada, A.; Khosravifard, A.; Ghosh, S.; Jaskari, M.; Kreins, M.; Abd-Elaziem, W.; Wahba, M.; Ahmed, E.; Allam, T. Enhancement of strength in laser-joined Al-TRIP and Si-TRIP steels: Microstructural insights and deformation analysis. Mater. Sci. Eng. A 2023, 885, 145591. [Google Scholar] [CrossRef]
- Daneshpour, S.; Riekehr, S.; Koçak, M.; Ventzke, V.; Koruk, A.I. Failure behaviour of laser spot welds of TRIP800 steel sheets under coach–peel loading. Sci. Technol. Weld. Join. 2007, 12, 508–515. [Google Scholar] [CrossRef]
- Lomholt, T.C.; Adachi, Y.; Peterson, J.; Steel, R.; Pantleon, K.; Somers, M.A. Microstructure characterization of friction stir spot welded TRIP steel. Adv. Mat. Res. 2012, 409, 275–280. [Google Scholar] [CrossRef]
- Thomas, M.W.; Nicholas, E.D.; Needham, J.C.; Murch, M.G.; Templesmith, P.; Dawes, C.J. Friction Stir Butt Welding. Japan PCT/GB92/02203, 6 December 1991. [Google Scholar]
- Mishra, R.S.; Ma, Z.Y. Friction stir welding and processing. Mater. Sci. Eng. R Rep. 2010, 50, 1–78. [Google Scholar] [CrossRef]
- Padhy, G.K.; Wu, C.S.; Gao, S. Friction stir based welding and processing technologies—Processes, parameters, microstructures and applications: A review. J. Mater. Sci. Technol. 2018, 34, 1–38. [Google Scholar] [CrossRef]
- Lee, S.J.; Shin, S.E.; Ushioda, K.; Fujii, H. Microstructure, mechanical properties, and damping capacity in stir zone after friction stir welding of Fe-17Mn damping alloy. J. Alloys Compd. 2019, 803, 1155–1167. [Google Scholar] [CrossRef]
- Tehrani-Moghadam, H.G.; Jafarian, H.R.; Salehi, M.T.; Eivani, A.R. Evolution of microstructure and mechanical properties of Fe-24Ni-0.3C TRIP steel during friction stir processing. Mater. Sci. Eng. A 2018, 717, 335–344. [Google Scholar] [CrossRef]
- Deldar, S.; Mirzadeh, H.; Parsa, M.H. Tailoring the Mechanical Properties of Copper-Added Transformation-Induced Plasticity-Aided Multiphase Steel by Thermomechanical Processing. Steel Res. Inter. 2023, 95, 2300507. [Google Scholar] [CrossRef]
- Matsumura, O.; Sakuma, Y.; Takechi, H. Trip and its kinetic aspects in austempered 0.4C-1.5Si-0.8Mn steel. Scr. Metall. 1987, 21, 1301–1306. [Google Scholar] [CrossRef]
- Tehrani-Moghadam, H.G.; Jafarian, H.R.; Heidarzadeh, A.; Eivani, A.R.; Do, H.; Park, N. Achieving extraordinary strength and ductility in TRIP steels through stabilization of austenite up to 99.8 % by friction stir welding. Mater. Sci. Eng. A 2020, 773, 138876. [Google Scholar] [CrossRef]
- Wang, W.; Zhang, S.Y.; Qiao, K.; Wang, K.S.; Peng, P.; Yuan, S.N.; Chen, S.Y.; Zhang, T.; Wang, Q.; Liu, T.; et al. Microstructure and mechanical properties of friction stir welded joint of TRIP steel. J. Manuf. Process 2020, 56, 623–634. [Google Scholar] [CrossRef]
- Amini, K.; Nategh, S.; Shafyei, A. Influence of different cryotreatments on tribological behavior of 80CrMo12 5 cold work tool steel. Mater. Des. 2010, 31, 4666–4675. [Google Scholar] [CrossRef]
- Li, S.H.; Deng, L.H.; Wu, X.C.; Min, Y.; Wang, H. Influence of deep cryogenic treatment on microstructure and evaluation by internal friction of a tool steel. Cryogenics 2010, 50, 754–758. [Google Scholar] [CrossRef]
- Jurci, P.; Dlouhy, I. Cryogenic Treatment of Martensitic Steels: Microstructural Fundamentals and Implications for Mechanical Properties and Wear and Corrosion Performance. Materials 2024, 17, 548. [Google Scholar] [CrossRef]
- Das, D.; Dutta, A.K.; Ray, K.K. Correlation of microstructure with wear behaviour of deep cryogenically treated AISI D2 steel. Wear 2009, 267, 1371–1380. [Google Scholar] [CrossRef]
- Wang, K.K.; Tan, Z.L.; Gao, B.; Gao, G.H.; Misra, R.D.K.; Bai, B.Z. Effect of deep cryogenic treatment on structure-property relationship in an ultrahigh strength Mn-Si-Cr bainite/martensite multiphase rail steel. Mater. Sci. Eng. A 2017, 684, 559–566. [Google Scholar] [CrossRef]
- Li, S.H.; Xiao, M.G.; Ye, G.M.; Zhao, K.Y.; Yang, M.S. Effects of deep cryogenic treatment on microstructural evolution and alloy phases precipitation of a new low carbon martensitic stainless bearing steel during aging. Mater. Sci. Eng. A 2018, 732, 167–177. [Google Scholar] [CrossRef]
- Arguelles, A.; Barbes, F.; Espeso, J.I.; Garcia-Mateo, C. Cryogenic study of the magnetic and thermal stability of retained austenite in nanostructured bainite. Sci. Technol. Adv. Mater. 2019, 20, 673–687. [Google Scholar] [CrossRef] [PubMed]
- Fan, S.C.; Hao, H.; Meng, L.G.; Zhang, X.G. Effect of deep cryogenic treatment parameters on martensite multi-level microstructures and properties in a lath martensite/ferrite dual-phase steel. Mater. Sci. Eng. A 2021, 810, 141022. [Google Scholar] [CrossRef]
- GB /T 228-2002 standard; Metallic Materials—Tensile Testing at Ambient Temperature. General Administration of Quality Supervision, Inspection and Quarantine of the People’s Republic of China: Beijing, China, 2002.
- ASTM E92-23-StandardStandard Test Methods for Vickers Hardness and Knoop Hardness of Metallic Materials, The American Society for Testing and Materials (US-ASTM): West Conshohocken, PA, USA, 2023.
- ASTM E8/E8M StandardStandard Test Methods for Tension Testing of Metallic Materials, The American Society for Testing and Materials (US-ASTM): West Conshohocken, PA, USA, 2020.
- Miura, T.; Ueji, R.; Fujii, H.; Murakami, T.; Kobashi, T. Stability of the retained austenite in low-alloyed transformation induced plasticity-aided steels during friction stir welding. Sci. Technol. Weld. Join. 2016, 21, 281–286. [Google Scholar] [CrossRef]
- Mironov, S.; Sato, Y.; Yoneyama, S.; Kokawa, H.; Fujii, H.; Hirano, S. Microstructure and tensile behavior of friction-stir welded TRIP steel. Mater. Sci. Eng. A 2018, 717, 26–33. [Google Scholar] [CrossRef]
- Wu, Z.W.; Yang, M.S.; Liang, J.X.; Zhao, K.Y. Cryogenic treatment of steel materials. Heat Treat. Metal 2017, 42, 116–124. [Google Scholar]
- Sun, P.; Li, L.; Fu, R.Y.; Wei, X.C. Dynamic Tensile Properties and Retained Austenite Transformation in HSLA-TRIP Steel. J. Iron Steel Res. Int. 2004, 39, 63–67. [Google Scholar]
- Jiang, H.T.; Tang, D.; Liu, Q.; Liu, R.D.; Yan, L. Investigation of Retained Austenite and Its Stability in TRIP Steel. J. Iron Steel Res. Int. 2007, 08, 60–63. [Google Scholar]
- Fujii, H.; Ueji, R.; Morisada, Y.; Tanigawa, H. High strength and ductility of friction-stir-welded steel joints due to mechanically stabilized metastable austenite. Scr. Mater. 2014, 70, 39–42. [Google Scholar] [CrossRef]
- Lee, W.B.; Jung, S.B. The joint properties of copper by friction stir welding. Mater. Lett. 2004, 58, 1041–1046. [Google Scholar] [CrossRef]


















| C | Si | Mn | P | S | Al | V | Nb | Ti | Fe |
|---|---|---|---|---|---|---|---|---|---|
| 0.12 | 1.13 | 1.48 | 0.014 | 0.003 | 0.045 | <0.01 | <0.01 | <0.01 | Bal. |
| Yielding Strength σ0.2/MPa | Ultimate Tensile Strength (σUTS)/MPa | Elongation ε/% |
|---|---|---|
| 398 | 606 | 34 |
| Process Parameters | 200 rpm 0 h | 200 rpm 24 h | 200 rpm 48 h | 300 rpm 0 h | 300 rpm 24 h | 300 rpm 48 h |
|---|---|---|---|---|---|---|
| RA content/% | 3.3 | 2.8 | 2.0 | 2.2 | 1.2 | 1.1 |
| average grain size/μm | 0.96 | 0.87 | 0.72 | 1.92 | 1.43 | 1.32 |
Disclaimer/Publisher’s Note: The statements, opinions and data contained in all publications are solely those of the individual author(s) and contributor(s) and not of MDPI and/or the editor(s). MDPI and/or the editor(s) disclaim responsibility for any injury to people or property resulting from any ideas, methods, instructions or products referred to in the content. |
© 2025 by the authors. Licensee MDPI, Basel, Switzerland. This article is an open access article distributed under the terms and conditions of the Creative Commons Attribution (CC BY) license (https://creativecommons.org/licenses/by/4.0/).
Share and Cite
Hu, Y.; Liu, W.; Wang, L.; Sun, Y.; Cao, W.; Guan, S. Effect of Deep Cryogenic Treatment on Microstructure and Mechanical Properties of Friction Stir Welded TRIP590 Steel Joints. Metals 2025, 15, 298. https://doi.org/10.3390/met15030298
Hu Y, Liu W, Wang L, Sun Y, Cao W, Guan S. Effect of Deep Cryogenic Treatment on Microstructure and Mechanical Properties of Friction Stir Welded TRIP590 Steel Joints. Metals. 2025; 15(3):298. https://doi.org/10.3390/met15030298
Chicago/Turabian StyleHu, Yashuai, Weidong Liu, Liguo Wang, Yufeng Sun, Wenbo Cao, and Shaokang Guan. 2025. "Effect of Deep Cryogenic Treatment on Microstructure and Mechanical Properties of Friction Stir Welded TRIP590 Steel Joints" Metals 15, no. 3: 298. https://doi.org/10.3390/met15030298
APA StyleHu, Y., Liu, W., Wang, L., Sun, Y., Cao, W., & Guan, S. (2025). Effect of Deep Cryogenic Treatment on Microstructure and Mechanical Properties of Friction Stir Welded TRIP590 Steel Joints. Metals, 15(3), 298. https://doi.org/10.3390/met15030298

