Geochemical Characterization of Laminated Crystalline Crust Travertines Formed by Ca2+-Deficient Hot Springs at Sobcha (China)
Abstract
1. Introduction
2. Geological Setting
3. Methods
4. Results
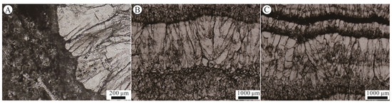
4.1. Description of the Sobcha Travertines
4.2. Petrology and Mineralogy
4.3. δ13C, δ18O, and 87Sr/86Sr
4.4. U-Th Dating
4.5. Rare-Earth Elements, Mn, Sr, Zr, and Cu
5. Interpretation and Discussion
5.1. Interpretation of δ13C: Source of Mother CO2
5.2. Interpretation of 87Sr/86Sr: Sr Source Rocks
5.3. Interpretation of REE Patterns and Eu Anomalies
5.4. Evolution of Paleo-Fluids
6. Conclusions
- (1)
- The Sobcha travertines are dominantly composed of laminated crystalline crust mainly composed of granular crystals and fan crystals. In addition, a small amount of clotted peloidal boundstone was also observed. Calcite has an absolute predominance in the Sobcha travertines.
- (2)
- δ13C and δ18O analyses show that the Sobcha travertines belong to thermogene travertines, and its parent CO2 may be derived from mantle-derived CO2 or the mixture of soil-derived CO2 and CO2 related to carbonate decarbonation.
- (3)
- The Sobcha travertines display 87Sr/86Sr very close to the average 87Sr/86Sr value of Nadi Kangri volcanic rocks. However, further studies are required to uncover the main Sr source rocks of the Sobcha travertines.
- (4)
- For the PAAS-normalized REE patterns of the Sobcha travertines, the LREE depletion relative to HREE of the Sobcha travertines may be due to the differences in geochemical mobility between LREEs and HREEs during water–rock interaction at depth, while the MREE enrichment of the Sobcha travertines may be inherited from aquifer rocks. Positive Eu anomalies were also observed in the Sobcha travertines and may result from the hydrothermal property of the mother water and/or preferential dissolution of Eu-rich minerals/rocks.
- (5)
- Travertine deposition in the studied travertine mound began, at least, in the early Holocene and ceased in the late Holocene. During the whole deposition period, the source of CO2 and the source of the mother water of Sobcha travertines remained stable. However, δ18O of the studied travertines gradually decreased, probably because of climate drying, self-closure of the vents, or mound vertical growth.
Supplementary Materials
Author Contributions
Funding
Data Availability Statement
Acknowledgments
Conflicts of Interest
References
- Capezzuoli, E.; Gandin, A.; Pedley, M. Decoding tufa and travertine (fresh water carbonates) in the sedimentary record: The state of the art. Sedimentology 2014, 61, 1–21. [Google Scholar] [CrossRef]
- Ford, T.D.; Pedley, H.M. A review of tufa and travertine deposits of the world. Earth-Sci. Rev. 1996, 41, 117–175. [Google Scholar] [CrossRef]
- Pedley, M. Tufas and travertines of the Mediterranean region: A testing ground for freshwater carbonate concepts and developments. Sedimentology 2009, 56, 221–246. [Google Scholar] [CrossRef]
- Wen, H.; Luo, L.; Luo, X.; You, Y.; Du, L. Advances and Prospects of Terrestrial Thermal Spring Travertine Research. Acta Sedimentol. Sin. 2019, 37, 1162–1180, (In Chinese with English Abstract). [Google Scholar]
- Altunel, E.; Hancock, P.L. Morphology and structural setting of Quaternary travertines at Pamukkale, Turkey. Geol. J. 1993, 28, 335–346. [Google Scholar] [CrossRef]
- Altunel, E.; Hancock, P.L. Structural Attributes of Travertine-Filled Extensional Fissures in the Pamukkale Plateau, Western Turkey. Int. Geol. Rev. 1996, 38, 768–777. [Google Scholar] [CrossRef]
- Altunel, E.; Karabacak, V. Determination of horizontal extension from fissure-ridge travertines: A case study from the Denizli Basin, southwestern Turkey. Geodin. Acta 2005, 18, 333–342. [Google Scholar] [CrossRef]
- Brogi, A.; Alcicek, M.C.; Yalciner, C.C.; Capezzuoli, E.; Liotta, D.; Meccheri, M.; Rimondi, V.; Ruggieri, G.; Gandin, A.; Boschi, C.; et al. Hydrothermal fluids circulation and travertine deposition in an active tectonic setting: Insights from the Kamara geothermal area (western Anatolia, Turkey). Tectonophysics 2016, 680, 211–232. [Google Scholar] [CrossRef]
- Brogi, A.; Capezzuoli, E. Travertine deposition and faulting: The fault-related travertine fissure-ridge at Terme S. Giovanni, Rapolano Terme (Italy). Int. J. Earth Sci. 2009, 98, 931–947. [Google Scholar] [CrossRef]
- Brogi, A.; Capezzuoli, E. Earthquake impact on fissure-ridge type travertine deposition. Geol. Mag. 2014, 151, 1135–1143. [Google Scholar] [CrossRef]
- Brogi, A.; Liotta, D.; Capezzuoli, E.; Matera, P.F.; Kele, S.; Soligo, M.; Tuccimei, P.; Ruggieri, G.; Yu, T.L.; Shen, C.C.; et al. Travertine deposits constraining transfer zone neotectonics in geothermal areas: An example from the inner Northern Apennines (Bagno Vignoni-Val d’Orcia area, Italy). Geothermics 2020, 85, 22. [Google Scholar] [CrossRef]
- Gradzinski, M.; Wroblewski, W.; Dulinski, M.; Hercman, H. Earthquake-affected development of a travertine ridge. Sedimentology 2014, 61, 238–263. [Google Scholar] [CrossRef]
- Hancock, P.L.; Chalmers, R.M.L.; Altunel, E.; Cakir, Z. Travitonics: Using travertines in active fault studies. J. Struct. Geol. 1999, 21, 903–916. [Google Scholar] [CrossRef]
- Selim, H.H.; Yanik, G. Development of the Cambazli (Turgutlu/MANISA) fissure-ridge-type travertine and relationship with active tectonics, Gediz Graben, Turkey. Quat. Int. 2009, 199, 157–163. [Google Scholar] [CrossRef]
- Shiraishi, F.; Morikawa, A.; Kuroshima, K.; Amekawa, S.; Yu, T.-L.; Shen, C.-C.; Kakizaki, Y.; Kano, A.; Asada, J.; Bahniuk, A.M. Genesis and diagenesis of travertine, Futamata hot spring, Japan. Sediment. Geol. 2020, 405, 105706. [Google Scholar] [CrossRef]
- Prado-Perez, A.J.; Huertas, A.D.; Crespo, M.T.; Sanchez, A.M.; Del Villar, L.P. Late Pleistocene and Holocene mid-latitude palaeoclimatic and palaeoenvironmental reconstruction: An approach based on the isotopic record from a travertine formation in the Guadix-Baza basin, Spain. Geol. Mag. 2013, 150, 602–625. [Google Scholar] [CrossRef]
- Rodriguez-Berriguete, A.; Alonso-Zarza, A.M. Controlling factors and implications for travertine and tufa deposition in a volcanic setting. Sediment. Geol. 2019, 381, 13–28. [Google Scholar] [CrossRef]
- Toker, E.; Kayseri-Ozer, M.S.; Ozkul, M.; Kele, S. Depositional system and palaeoclimatic interpretations of Middle to Late Pleistocene travertines: Kocaba, Denizli, south-west Turkey. Sedimentology 2015, 62, 1360–1383. [Google Scholar] [CrossRef]
- Uysal, I.T.; Unal-Imer, E.; Shulmeister, J.; Zhao, J.X.; Karabacak, V.; Feng, Y.X.; Bolhar, R. Linking CO2 degassing in active fault zones to long-term changes in water balance and surface water circulation, an example from SW Turkey. Quat. Sci. Rev. 2019, 214, 164–177. [Google Scholar] [CrossRef]
- Camuera, J.; Alonso-Zarza, A.M.; Rodriguez-Berriguete, A.; Rodriguez-Gonzalez, A. Origin and palaeo-environmental significance of the Berrazales carbonate spring deposit, North of Gran Canaria Island, Spain. Sediment. Geol. 2014, 308, 32–43. [Google Scholar] [CrossRef]
- Kele, S.; Korpás, L.; Demény, A.; Kovács-Pálffy, P.; Bajnóczi, B.; Medzihradszky, Z. Paleoenvironmental evaluation of the Tata Travertine Complex (Hungary), based on stable isotopic and petrographic studies. Acta Geol. Hung. 2006, 49, 1–31. [Google Scholar] [CrossRef]
- Capezzuoli, E.; Ruggieri, G.; Rimondi, V.; Brogi, A.; Liotta, D.; Alcicek, M.C.; Alcicek, H.; Bulbul, A.; Gandin, A.; Meccheri, M.; et al. Calcite veining and feeding conduits in a hydrothermal system: Insights from a natural section across the Pleistocene Golemezli travertine depositional system (western Anatolia, Turkey). Sediment. Geol. 2018, 364, 180–203. [Google Scholar] [CrossRef]
- Jones, B. Review of aragonite and calcite crystal morphogenesis in thermal spring systems. Sediment. Geol. 2017, 354, 9–23. [Google Scholar] [CrossRef]
- Jones, B. Review of calcium carbonate polymorph precipitation in spring systems. Sediment. Geol. 2017, 353, 64–75. [Google Scholar] [CrossRef]
- Luo, L.C.; Capezzuoli, E.; Rogerson, M.; Vaselli, O.; Wen, H.G.; Lu, Z.P. Precipitation of carbonate minerals in travertine-depositing hot springs: Driving forces, microenvironments, and mechanisms. Sediment. Geol. 2022, 438, 27. [Google Scholar] [CrossRef]
- Fouke, B.W. Hot-spring Systems Geobiology: Abiotic and biotic influences on travertine formation at Mammoth Hot Springs, Yellowstone National Park, USA. Sedimentology 2011, 58, 170–219. [Google Scholar] [CrossRef]
- Guo, L.I.; Riding, R. Origin and diagenesis of Quaternary travertine shrub fabrics, Rapolano Terme, central Italy. Sedimentology 1994, 41, 499–520. [Google Scholar] [CrossRef]
- Jones, B.; Peng, X.T. Signatures of biologically influenced CaCo3 and Mg-Fe silicate precipitation in hot springs: Case study from the Ruidian geothermal area, western Yunnan Province, China. Sedimentology 2014, 61, 56–89. [Google Scholar] [CrossRef]
- Rogerson, M.; Pedley, H.M.; Kelham, A.; Wadhawan, J.D. Linking mineralisation process and sedimentary product in terrestrial carbonates using a solution thermodynamic approach. Earth Surf. Dyn. 2014, 2, 197–216. [Google Scholar] [CrossRef]
- Shiraishi, F.; Eno, Y.; Nakamura, Y.; Hanzawa, Y.; Asada, J.; Bahniuk, A.M. Relative influence of biotic and abiotic processes on travertine fabrics, Satono-yu hot spring, Japan. Sedimentology 2019, 66, 459–479. [Google Scholar] [CrossRef]
- Sugihara, C.; Yanagawa, K.; Okumura, T.; Takashima, C.; Harijoko, A.; Kano, A. Transition of microbiological and sedimentological features associated with the geochemical gradient in a travertine mound in northern Sumatra, Indonesia. Sediment. Geol. 2016, 343, 85–98. [Google Scholar] [CrossRef]
- Takashima, C.; Kano, A. Microbial processes forming daily lamination in a stromatolitic travertine. Sediment. Geol. 2008, 208, 114–119. [Google Scholar] [CrossRef]
- Della Porta, G.; Hoppert, M.; Hallmann, C.; Schneider, D.; Reitner, J. The influence of microbial mats on travertine precipitation in active hydrothermal systems (Central Italy). Depos. Rec. 2022, 8, 165–209. [Google Scholar] [CrossRef]
- Norris, T.B.; Castenholz, R.W. Endolithic photosynthetic communities within ancient and recent travertine deposits in Yellowstone National Park. FEMS Microbiol. Ecol. 2006, 57, 470–483. [Google Scholar] [CrossRef] [PubMed]
- Okumura, T.; Takashima, C.; Shiraishi, F.; Nishida, S.; Yukimura, K.; Naganuma, T.; Koike, H.; Arp, G.; Kano, A. Microbial Processes Forming Daily Lamination in an Aragonite Travertine, Nagano-yu Hot Spring, Southwest Japan. Geomicrobiol. J. 2011, 28, 135–148. [Google Scholar] [CrossRef]
- Okumura, T.; Takashima, C.; Shiraishi, F.; Nishida, S.; Kano, A. Processes Forming Daily Lamination in a Microbe-Rich Travertine Under Low Flow Condition at the Nagano-yu Hot Spring, Southwestern Japan. Geomicrobiol. J. 2013, 30, 910–927. [Google Scholar] [CrossRef]
- Okumura, T.; Takashima, C.; Kano, A. Textures and processes of laminated travertines formed by unicellular cyanobacteria in Myoken hot spring, southwestern Japan. Island Arc. 2013, 22, 410–426. [Google Scholar] [CrossRef]
- Okumura, T.; Takashima, C.; Shiraishi, F.; Akmaluddin; Kano, A. Textural transition in an aragonite travertine formed under various flow conditions at Pancuran Pitu, Central Java, Indonesia. Sediment. Geol. 2012, 265–266, 195–209. [Google Scholar] [CrossRef]
- Takashima, C.; Okumura, T.; Nishida, S.; Shimamoto, T.; Koike, H.; Kano, A. Microbial Control on Lamina Formation in a Travertine of Crystal Geyser, Utah. In Advances in Stromatolite Geobiology; Reitner, J., Quéric, N.-V., Arp, G., Eds.; Springer: Berlin/Heidelberg, Germany, 2011; pp. 123–133. [Google Scholar]
- Valeriani, F.; Crognale, S.; Protano, C.; Gianfranceschi, G.; Orsini, M.; Vitali, M.; Spica, V.R. Metagenomic analysis of bacterial community in a travertine depositing hot spring. New Microbiol. 2018, 41, 126–135. [Google Scholar]
- Burnside, N.M.; Shipton, Z.K.; Dockrill, B.; Ellam, R.M. Man-made versus natural CO2 leakage: A 400 k.y. history of an analogue for engineered geological storage of CO2. Geology 2013, 41, 471–474. [Google Scholar] [CrossRef]
- Moore, J.; Adams, M.; Allis, R.; Lutz, S.; Rauzi, S. Mineralogical and geochemical consequences of the long-term presence of CO2 in natural reservoirs: An example from the Springerville-St. Johns Field, Arizona, and New Mexico, USA. Chem. Geol. 2005, 217, 365–385. [Google Scholar] [CrossRef]
- Chafetz, H.; Barth, J.; Cook, M.; Guo, X.; Zhou, J. Origins of carbonate spherulites: Implications for Brazilian Aptian pre-salt reservoir. Sediment. Geol. 2018, 365, 21–33. [Google Scholar] [CrossRef]
- Mancini, A.; Capezzuoli, E.; Erthal, M.; Swennen, R. Hierarchical approach to define travertine depositional systems: 3D conceptual morphological model and possible applications. Mar. Pet. Geol. 2019, 103, 549–563. [Google Scholar] [CrossRef]
- Ronchi, P.; Cruciani, F. Continental carbonates as a hydrocarbon reservoir, an analog case study from the travertine of Saturnia, Italy. AAPG Bull. 2015, 99, 711–734. [Google Scholar] [CrossRef]
- Della Porta, G. Carbonate build-ups in lacustrine, hydrothermal and fluvial settings: Comparing depositional geometry, fabric types and geochemical signature. Geol. Soc. Lond. Spec. Publ. 2015, 418, 17–68. [Google Scholar] [CrossRef]
- Gandin, A.; Capezzuoli, E. Travertine: Distinctive depositional fabrics of carbonates from thermal spring systems. Sedimentology 2014, 61, 264–290. [Google Scholar] [CrossRef]
- Alcicek, M.C.; Alcicek, H.; Altunel, E.; Arenas, C.; Bons, P.; Brogi, A.; Capezzuoli, E.; de Riese, T.; Della Porta, G.; Gandin, A.; et al. Comment on “First records of syn-diagenetic non-tectonic folding in Quaternary thermogene travertines caused by hydrothermal incremental veining” by Billi et al. Tectonophysics 700–701 (2017) 60–79. Tectonophysics 2017, 721, 491–500. [Google Scholar] [CrossRef]
- Jones, B.; Peng, X.T. Intrinsic versus extrinsic controls on the development of calcite dendrite bushes, Shuzhishi Spring, Rehai geothermal area, Tengchong, Yunnan Province, China. Sediment. Geol. 2012, 249, 45–62. [Google Scholar] [CrossRef]
- Jones, B.; Renaut, R.W. Cyclic development of large, complex, calcite dendrite crystals in the Clinton travertine, Interior British Columbia, Canada. Sediment. Geol. 2008, 203, 17–35. [Google Scholar] [CrossRef]
- Jones, B.; Renaut, R.W.; Owen, R.B.; Torfason, H. Growth patterns and implications of complex dendrites in calcite travertines from Lysuholl, Sn ae fellsnes, Iceland. Sedimentology 2005, 52, 1277–1301. [Google Scholar] [CrossRef]
- Luo, L.C.; Wen, H.G.; Li, Y.; You, Y.X.; Luo, X.T. Mineralogical, crystal morphological, and isotopic characteristics of smooth slope travertine deposits at Reshuitang, Tengchong, China. Sediment. Geol. 2019, 381, 29–45. [Google Scholar] [CrossRef]
- Kano, A.; Okumura, T.; Takashima, C.; Shiraishi, F. Geomicrobiological Properties and Processes of Travertine: With a Focus on Japanese Sites; Springer: Singapore, 2019. [Google Scholar]
- Jones, B.; Peng, X.T. Hot spring deposits on a cliff face: A case study from Jifei, Yunnan Province, China. Sediment. Geol. 2014, 302, 1–28. [Google Scholar] [CrossRef]
- Chafetz, H.S.; Folk, R.L. Travertines; depositional morphology and the bacterially constructed constituents. J. Sediment. Res. 1984, 54, 289–316. [Google Scholar] [CrossRef]
- Chafetz, H.S.; Guidry, S.A. Deposition and diagenesis of Mammoth Hot Springs travertine, Yellowstone National Park, Wyoming, U.S.A. Can. J. Earth Sci. 2003, 40, 1515–1529. [Google Scholar] [CrossRef]
- Jones, B.; Renaut, R.W. Noncrystallographic Calcite Dendrites from Hot-Spring Deposits at Lake Bogoria, Kenya. J. Sediment. Res. Sect. A-Sediment. Petrol. Process. 1995, 65, 154–169. [Google Scholar]
- Olsson, J.; Stipp, S.L.S.; Gislason, S.R. Element scavenging by recently formed travertine deposits in the alkaline springs from the Oman Semail Ophiolite. Mineral. Mag. 2014, 78, 1479–1490. [Google Scholar] [CrossRef]
- Qin, J.; Han, P.; Che, X.; Yuan, G.; Fang, B.; Wang, G. Resuming the Holocene paleoclimate using delta~(18)O and trace elements of travertine in Rongma area, Tibet. Earth Sci. Front. 2014, 21, 312–322. [Google Scholar]
- Teboul, P.A.; Durlet, C.; Gaucher, E.C.; Virgone, A.; Girard, J.P.; Curie, J.; Lopez, B.; Camoin, G.F. Origins of elements building travertine and tufa: New perspectives provided by isotopic and geochemical tracers. Sediment. Geol. 2016, 334, 97–114. [Google Scholar] [CrossRef]
- Porras-Toribio, I.; Pi-Puig, T.; Villanueva-Estrada, R.E.; Rubio-Ramos, M.A.; Sole, J. Mineralogy, Geochemistry, and Stable Isotopes (C, O, S) of Hot Spring Waters and Associated Travertines near Tamiahua Lagoon, Veracruz, Gulf of Mexico (Mexico). Minerals 2022, 12, 822. [Google Scholar] [CrossRef]
- Jones, B.; Peng, X.T. Mineralogical, crystallographic, and isotopic constraints on the precipitation of aragonite and calcite at Shigiang and other hot springs in Yunnan Province, China. Sediment. Geol. 2016, 345, 103–125. [Google Scholar] [CrossRef]
- Liu, Z.H.; Li, H.C.; You, C.F.; Wan, N.J.; Sun, H.L. Thickness and stable isotopic characteristics of modern seasonal climate-controlled sub-annual travertine laminas in a travertine-depositing stream at Baishuitai, SW China: Implications for paleoclimate reconstruction. Environ. Geol. 2006, 51, 257–265. [Google Scholar] [CrossRef]
- Sun, H.; Liu, Z. Wet–dry seasonal and spatial variations in the δ13C and δ18O values of the modern endogenic travertine at Baishuitai, Yunnan, SW China and their paleoclimatic and paleoenvironmental implications. Geochim. Cosmochim. Acta 2010, 74, 1016–1029. [Google Scholar] [CrossRef]
- Blasco, M.; Auque, L.F.; Gimeno, M.J.; Asta, M.P.; Mandado, J. Stable isotope characterisation of recent aragonite travertine deposits associated with the Fitero thermal waters (Spain). Int. J. Earth Sci. 2020, 109, 877–892. [Google Scholar] [CrossRef]
- Kele, S.; Ozkul, M.; Forizs, I.; Gokgoz, A.; Baykara, M.O.; Alcicek, M.C.; Nemeth, T. Stable isotope geochemical study of Pamukkale travertines: New evidences of low-temperature non-equilibrium calcite-water fractionation. Sediment. Geol. 2011, 238, 191–212. [Google Scholar] [CrossRef]
- Mohammadzadeh, H.; Daneshvar, M.R.M. A comparison of hydro-geochemistry and stable isotope composition of travertine-depositing springs, Garab in NE Iran and Pamukkale in SW Turkey. Carbonates Evaporites 2020, 35, 23. [Google Scholar] [CrossRef]
- Liao, Z.J. Thermal Springs and Geothermal Energy in the Qinghai-Tibetan Plateau and the Surroundings; Springer: Singapore, 2018. [Google Scholar]
- Yi, F. Carbon Isotopic Records and Its Paleoenvironmental Significance during the Triassic-jurassic Transition. in Qiangtang Area, Tibet. Ph.D. Thesis, Chengdu University of Technology, Chengdu, China, 2018. (In Chinese with English Abstract). [Google Scholar]
- Fu, X.G.; Wang, J.; Chen, W.B.; Feng, X.L.; Wang, D.; Song, C.Y.; Zeng, S.Q. Elemental geochemistry of the early Jurassic black shales in the Qiangtang Basin, eastern Tethys: Constraints for palaeoenvironment conditions. Geol. J. 2016, 51, 443–454. [Google Scholar] [CrossRef]
- Wang, Y.S.; Zheng, C.Z. Lithostratigraphy, Sequence Stratigraphy, and Biostratigraphy of the Su-Obucha and Quse Formations and the Triassic-Jurassic Boundary in The Sewa Area on The South Margin of the Qiangtang Basin, Northern Tibet. J. Stratigr. 2007, 31, 377–384, (In Chinese with English Abstract). [Google Scholar]
- Luo, L.C.; Wen, H.G.; Capezzuoli, E. Travertine deposition and diagenesis in Ca-deficiency perched hot spring systems: A case from Shihuadong, Tengchong, China. Sediment. Geol. 2021, 414, 17. [Google Scholar] [CrossRef]
- Jones, B.; Renaut, R.W.; Rosen, M.R. High-temperature (>90 degrees C) calcite precipitation at Waikite Hot Springs, North Island, New Zealand. J. Geol. Soc. 1996, 153, 481–496. [Google Scholar] [CrossRef]
- Renaut, R.W.; Owen, R.B.; Jones, B.; Tiercelin, J.J.; Tarits, C.; Ego, J.K.; Konhauser, K.O. Impact of lake-level changes on the formation of thermogene travertine in continental rifts: Evidence from Lake Bogoria, Kenya Rift Valley. Sedimentology 2013, 60, 428–468. [Google Scholar] [CrossRef]
- Zhao, Y.Y.; Wei, W.; Santosh, M.; Hu, J.; Wei, H.T.; Yang, J.; Liu, S.; Zhang, G.L.; Yang, D.D.; Li, S.Z. A review of retrieving pristine rare earth element signatures from carbonates. Paleogeogr. Paleoclimatol. Paleoecol. 2022, 586, 18. [Google Scholar] [CrossRef]
- McLennan, S.M. Rare Earth Elements in Sedimentary Rocks: Influence of Provenance and Sedimentary Processes; De Gruyter: Berlin, Germany, 1989. [Google Scholar] [CrossRef]
- Lawrence, M.G.; Greig, A.; Collerson, K.D.; Kamber, B.S. Rare earth element and yttrium variability in South East Queensland waterways. Aquat. Geochem. 2006, 12, 39–72. [Google Scholar] [CrossRef]
- Wang, Z.J.; Meyer, M.C.; Hoffmann, D.L. Sedimentology, petrography and early diagenesis of a travertine-colluvium succession from Chusang (southern Tibet). Sediment. Geol. 2016, 342, 218–236. [Google Scholar] [CrossRef]
- Jones, B.; Peng, X.T. Growth and development of spring towers at Shiqiang, Yunnan Province, China. Sediment. Geol. 2017, 347, 183–209. [Google Scholar] [CrossRef]
- Kele, S.; Vaselli, O.; Szabó, C.; Minissale, A. Stable isotope geochemistry of Pleistocene travertine from Budakalász (Buda Mts, Hungary). Acta Geol. Hung. 2003, 46, 161–175. [Google Scholar] [CrossRef]
- Pentecost, A. The quaternary travertine deposits of Europe and Asia Minor. Quat. Sci. Rev. 1995, 14, 1005–1028. [Google Scholar] [CrossRef]
- Pentecost, A. Travertine; Springer: Berlin/Heidelberg, Germany, 2005. [Google Scholar]
- Pentecost, A.; Viles, H. A Review and Reassessment of Travertine Classification. Géographie Phys. et Quat. 1994, 48, 305–314. [Google Scholar] [CrossRef]
- Panichi, C.; Tongiorgi, E.; Panichi, C.; Tongiorgi, E. Carbon isotopic composition of CO2 from springs, fumaroles, mofettes and travertines of central and southern Italy: A preliminary prospection method of geothermal areas. In Proceedings of the Second United Nations Symposium on the Development and Use of Geothermal, San Francisco, CA, USA, 20 May 1975; Volume 2, pp. 815–825. [Google Scholar]
- Fu, X.G.; Wang, J.; Wen, H.G.; Song, C.Y.; Wang, Z.W.; Zeng, S.Q.; Feng, X.L.; Wei, H.Y. A Toarcian Ocean Anoxic Event record from an open-ocean setting in the eastern Tethys: Implications for global climatic change and regional environmental pertur-bation. Sci. China Earth Sci. 2021, 64, 1860–1872, (In Chinese with English Abstract). [Google Scholar] [CrossRef]
- Prokoph, A.; Shields, G.A.; Veizer, J. Compilation and time-series analysis of a marine carbonate δ18O, δ13C, 87Sr/86Sr and δ34S database through Earth history. Earth-Sci. Rev. 2008, 87, 113–133. [Google Scholar] [CrossRef]
- Vogel, J.C. 4—Variability of Carbon Isotope Fractionation during Photosynthesis. In Stable Isotopes and Plant Carbon-Water Relations; Ehleringer, J.R., Hall, A.E., Farquhar, G.D., Eds.; Academic Press: San Diego, CA, USA, 1993; pp. 29–46. [Google Scholar]
- Yi, H.S. The carbon isotope fluctuation and its origin interpretion during the Early to Middle Jurassic transition period in the Shuanghu area of Qiangtang Basin. Sediment. Geol. Tethyan Geol. 2021, 41, 505–511, (In Chinese with English Abstract). [Google Scholar]
- Luo, M.; Huang, H.G.; Zhang, P.; Wu, Q.H.; Chen, D.F. Origins of gas discharging from the Qiangtang Basin in the northern Qinghai-Tibet Plateau, China: Evidence from gas compositions, helium, and carbon isotopes. J. Geochem. Explor. 2014, 146, 119–126. [Google Scholar] [CrossRef]
- Yokoyama, T.; Nakai, S.i.; Wakita, H. Helium and carbon isotopic compositions of hot spring gases in the Tibetan Plateau. J. Volcanol. Geotherm. Res. 1999, 88, 99–107. [Google Scholar] [CrossRef]
- Wang, R.Z.; Ma, L.N. Climate-driven C4 plant distributions in China: Divergence in C4 taxa. Sci. Rep. 2016, 6, 27977. [Google Scholar] [CrossRef] [PubMed]
- Fu, X.G.; Wang, J.; Tan, F.W.; Feng, X.L.; Chen, W.B.; Song, C.Y.; Zeng, S.Q. Sr and Nd isotopic systematics of mid-cretaceous organic-rich rocks (oil shales) from the qiangtang basin: Implications for source regions and sedimentary paleoenvironment. Oil Shale 2015, 32, 109–123. [Google Scholar] [CrossRef]
- Fu, X.G.; Wang, J.; Zeng, Y.H.; Tan, F.W.; Feng, X.L. Source regions and the sedimentary paleoenvironment of marine oil shale from the bilong co area, Northern Tibet, China: An SR-ND isotopic study. Oil Shale 2012, 29, 306–321. [Google Scholar] [CrossRef]
- McArthur, J.M.; Howarth, R.J.; Shields, G.A.; Zhou, Y. Chapter 7—Strontium Isotope Stratigraphy. In The Geologic Time Scale; Gradstein, F.M., Ogg, J.G., Schmitz, M.D., Ogg, G.M., Eds.; Elsevier: Boston, MA, USA, 2012; pp. 127–144. [Google Scholar]
- Hu, F.Z.; Fu, X.G.; Lin, L.; Song, C.Y.; Wang, Z.W.; Tian, K.Z. Marine Late Triassic-Jurassic carbon-isotope excursion and biological extinction records: New evidence from the Qiangtang Basin, eastern Tethys. Glob. Planet. Change 2020, 185, 103093. [Google Scholar] [CrossRef]
- Bolhar, R.; Van Kranendonk, M.J. A non-marine depositional setting for the northern Fortescue Group, Pilbara Craton, inferred from trace element geochemistry of stromatolitic carbonates. Precambrian Res. 2007, 155, 229–250. [Google Scholar] [CrossRef]
- Elderfield, H.; Upstill-Goddard, R.; Sholkovitz, E.R. The rare earth elements in rivers, estuaries, and coastal seas and their significance to the composition of ocean waters. Geochim. et Cosmochim. Acta 1990, 54, 971–991. [Google Scholar] [CrossRef]
- Frimmel, H.E. Trace element distribution in Neoproterozoic carbonates as palaeoenvironmental indicator. Chem. Geol. 2009, 258, 338–353. [Google Scholar] [CrossRef]
- Goldstein, S.J.; Jacobsen, S.B. Rare earth elements in river waters. Earth Planet. Sci. Lett. 1988, 89, 35–47. [Google Scholar] [CrossRef]
- Nothdurft, L.D.; Webb, G.E.; Kamber, B.S. Rare earth element geochemistry of Late Devonian reefal carbonates, canning basin, Western Australia: Confirmation of a seawater REE proxy in ancient limestones. Geochim. Et Cosmochim. Acta 2004, 68, 263–283. [Google Scholar] [CrossRef]
- Olivier, N.; Boyet, M. Rare earth and trace elements of microbialites in Upper Jurassic coral- and sponge-microbialite reefs. Chem. Geol. 2006, 230, 105–123. [Google Scholar] [CrossRef]
- Van Kranendonk, M.J.; Webb, G.E.; Kamber, B.S. Geological and trace element evidence for a marine sedimentary environment of deposition and biogenicity of 3.45 Ga stromatolitic carbonates in the Pilbara Craton, and support for a reducing Archaean ocean. Geobiology 2003, 1, 91–108. [Google Scholar] [CrossRef]
- Zhao, Y.Y.; Zheng, Y.F.; Chen, F.K. Trace element and strontium isotope constraints on sedimentary environment of Ediacaran carbonates in southern Anhui, South China. Chem. Geol. 2009, 265, 345–362. [Google Scholar] [CrossRef]
- Bayon, G.; German, C.R.; Burton, K.W.; Nesbitt, R.W.; Rogers, N. Sedimentary Fe-Mn oxyhydroxides as paleoceanographic archives and the role of aeolian flux in regulating oceanic dissolved REE. Earth Planet. Sci. Lett. 2004, 224, 477–492. [Google Scholar] [CrossRef]
- Zhao, Y.Y.; Wei, W.; Li, S.Z.; Yang, T.; Zhang, R.X.; Somerville, I.; Santosh, M.; Wei, H.T.; Wu, J.Q.; Yang, J.; et al. Rare earth element geochemistry of carbonates as a proxy for deep-time environmental reconstruction. Paleogeogr. Paleoclimatol. Paleoecol. 2021, 574, 21. [Google Scholar] [CrossRef]
- Dehler, C.M.; Elrick, M.; Bloch, J.D.; Crossey, L.J.; Karlstrom, K.E.; Marais, D.J.D. High-resolution δ13C stratigraphy of the Chuar Group (ca. 770–742 Ma), Grand Canyon: Implications for mid-Neoproterozoic climate change. GSA Bull. 2005, 117, 32–45. [Google Scholar] [CrossRef]
- Kaufman, A.J.; Knoll, A.H. Neoproterozoic variations in the C-isotopic composition of seawater: Stratigraphic and biogeochemical implications. Precambrian Res. 1995, 73, 27–49. [Google Scholar] [CrossRef]
- Le Guerroué, E.; Allen, P.A.; Cozzi, A. Chemostratigraphic and sedimentological framework of the largest negative carbon isotopic excursion in Earth history: The Neoproterozoic Shuram Formation (Nafun Group, Oman). Precambrian Res. 2006, 146, 68–92. [Google Scholar] [CrossRef]
- Debruyne, D.; Hulsbosch, N.; Muchez, P. Unraveling rare earth element signatures in hydrothermal carbonate minerals using a source-sink system. Ore Geol. Rev. 2016, 72, 232–252. [Google Scholar] [CrossRef]
- Fu, X.G.; Wang, J.; Tan, F.W.; Chen, M.; Chen, W.B. The Late Triassic rift-related volcanic rocks from eastern Qiangtang, northern Tibet (China): Age and tectonic implications. Gondwana Res. 2010, 17, 135–144. [Google Scholar] [CrossRef]
- Fu, X.G.; Wang, M.; Zeng, S.Q.; Feng, X.L.; Wang, D.; Song, C.Y. Continental weathering and palaeoclimatic changes through the onset of the Early Toarcian oceanic anoxic event in the Qiangtang Basin, eastern Tethys. Paleogeogr. Paleoclimatol. Paleoecol. 2017, 487, 241–250. [Google Scholar] [CrossRef]
- Nie, Y.; Fu, X.G.; Xu, W.L.; Wen, H.G.; Wang, Z.W.; Song, C.Y. Redox conditions and climate control on organic matter accumulation and depletion during the Toarcian in the Qiangtang Basin, eastern Tethys. Int. J. Earth Sci. 2020, 109, 1977–1990. [Google Scholar] [CrossRef]
- Wang, J.A.; Fu, X.G.; Chen, W.X.; Wang, Z.J.; Tan, F.W.; Chen, M.; Zhuo, J.W. Chronology and geochemistry of the volcanic rocks in Woruo Mountain region, northern Qiangtang depression: Implications to the Late Triassic volcanic-sedimentary events. Sci. China Ser. D-Earth Sci. 2008, 51, 194–205. [Google Scholar] [CrossRef]
- Fu, X.G.; Wang, J.; Wang, Z.J.; Chen, W.X. U-Pb Zircon Age and Geochemical Characteristics of Volcanic Rocks from the Juhua Mountain Area in the northern Qiangtang Basin, northern Xizang(Tibet). Geol. Rev. 2008, 54, 232–242, (In Chinese with English Abstract). [Google Scholar]
- Wang, Z.J.; Wang, J.; Tan, F.W.; Fu, X.G.; Chen, W.X.; Chen, M. Geochemical characteristics of volcanic rocks of the Upper Triassic Nadi Kangri Formation in the north Qiangtang basin, Qinghai-Tibet Plateau. Geol. Bull. China 2008, 27, 83–91, (In Chinese with English Abstract). [Google Scholar]
- Barbieri, M.; Boschetti, T.; Petitta, M.; Tallini, M. Stable isotope (2H, 18O and 87Sr/86Sr) and hydrochemistry monitoring for groundwater hydrodynamics analysis in a karst aquifer (Gran Sasso, Central Italy). Appl. Geochem. 2005, 20, 2063–2081. [Google Scholar] [CrossRef]
- Hao, Y.L.; Pang, Z.H.; Kong, Y.L.; Tian, J.; Wang, Y.C.; Liao, D.W.; Fan, Y.F. Chemical and isotopic constraints on the origin of saline waters from a hot spring in the eastern coastal area of China. Hydrogeol. J. 2020, 28, 2457–2475. [Google Scholar] [CrossRef]
- Vuataz, F.-D.; Goff, F.; Fouillac, C.; Calvez, J.-Y. A strontium isotope study of the VC-1 core hole and associated hydrothermal fluids and rocks from Valles Caldera, Jemez Mountains, New Mexico. J. Geophys. Res. Solid Earth 1988, 93, 6059–6067. [Google Scholar] [CrossRef]
- Bau, M.; Dulski, P. Distribution of yttrium and rare-earth elements in the Penge and Kuruman iron-formations, Transvaal Supergroup, South Africa. Precambrian Res. 1996, 79, 37–55. [Google Scholar] [CrossRef]
- Bau, M. Rare-earth element mobility during hydrothermal and metamorphic fluid-rock interaction and the significance of the oxidation state of europium. Chem. Geol. 1991, 93, 219–230. [Google Scholar] [CrossRef]
- Wang, Y.C.; Li, L.; Wen, H.G.; Hao, Y.L. Geochemical evidence for the nonexistence of supercritical geothermal fluids at the Yangbajing geothermal field, southern Tibet. J. Hydrol. 2022, 604, 22. [Google Scholar] [CrossRef]
- Möller, P.; Dulski, P.; De Lucia, M. REY Patterns and Their Natural Anomalies in Waters and Brines: The Correlation of Gd and Y Anomalies. Hydrology 2021, 8, 116. [Google Scholar] [CrossRef]
- Priestley, S.C.; Karlstrom, K.E.; Love, A.J.; Crossey, L.J.; Polyak, V.J.; Asmerom, Y.; Meredith, K.T.; Crow, R.; Keppel, M.N.; Habermehl, M.A. Uranium series dating of Great Artesian Basin travertine deposits: Implications for palaeohydrogeology and palaeoclimate. Paleogeogr. Paleoclimatol. Paleoecol. 2018, 490, 163–177. [Google Scholar] [CrossRef]
- Urey, H.C. The thermodynamic properties of isotopic substances. J. Chem. Soc. 1947, 562–581. [Google Scholar] [CrossRef] [PubMed]
- Kano, A.; Kawai, T.; Matsuoka, J.; Ihara, T. High-resolution records of rainfall events from clay bands in tufa. Geology 2004, 32, 793–796. [Google Scholar] [CrossRef]
- Chen, F.H.; Zhang, J.F.; Liu, J.B.; Cao, X.Y.; Hou, J.Z.; Zhu, L.P.; Xu, X.K.; Liu, X.J.; Wang, M.D.; Wu, D.; et al. Climate change, vegetation history, and landscape responses on the Tibetan Plateau during the Holocene: A comprehensive review. Quat. Sci. Rev. 2020, 243, 21. [Google Scholar] [CrossRef]
- Dykoski, C.A.; Edwards, R.L.; Cheng, H.; Yuan, D.; Cai, Y.; Zhang, M.; Lin, Y.; Qing, J.; An, Z.; Revenaugh, J. A high-resolution, absolute-dated Holocene and deglacial Asian monsoon record from Dongge Cave, China. Earth Planet. Sci. Lett. 2005, 233, 71–86. [Google Scholar] [CrossRef]
- Wang, Y.; Cheng, H.; Edwards, R.L.; He, Y.; Kong, X.; An, Z.; Wu, J.; Kelly, M.J.; Dykoski, C.A.; Li, X. The Holocene Asian Monsoon: Links to Solar Changes and North Atlantic Climate. Science 2005, 308, 854–857. [Google Scholar] [CrossRef]











Disclaimer/Publisher’s Note: The statements, opinions and data contained in all publications are solely those of the individual author(s) and contributor(s) and not of MDPI and/or the editor(s). MDPI and/or the editor(s) disclaim responsibility for any injury to people or property resulting from any ideas, methods, instructions or products referred to in the content. |
© 2023 by the authors. Licensee MDPI, Basel, Switzerland. This article is an open access article distributed under the terms and conditions of the Creative Commons Attribution (CC BY) license (https://creativecommons.org/licenses/by/4.0/).
Share and Cite
Lu, Z.; Wen, H.; Luo, L.; Li, L.; Nie, Y. Geochemical Characterization of Laminated Crystalline Crust Travertines Formed by Ca2+-Deficient Hot Springs at Sobcha (China). Minerals 2023, 13, 220. https://doi.org/10.3390/min13020220
Lu Z, Wen H, Luo L, Li L, Nie Y. Geochemical Characterization of Laminated Crystalline Crust Travertines Formed by Ca2+-Deficient Hot Springs at Sobcha (China). Minerals. 2023; 13(2):220. https://doi.org/10.3390/min13020220
Chicago/Turabian StyleLu, Zhipeng, Huaguo Wen, Lianchao Luo, Liang Li, and Ying Nie. 2023. "Geochemical Characterization of Laminated Crystalline Crust Travertines Formed by Ca2+-Deficient Hot Springs at Sobcha (China)" Minerals 13, no. 2: 220. https://doi.org/10.3390/min13020220
APA StyleLu, Z., Wen, H., Luo, L., Li, L., & Nie, Y. (2023). Geochemical Characterization of Laminated Crystalline Crust Travertines Formed by Ca2+-Deficient Hot Springs at Sobcha (China). Minerals, 13(2), 220. https://doi.org/10.3390/min13020220
